常见家用阀门结构选用与维修
- 格式:ppt
- 大小:6.07 MB
- 文档页数:22
截止阀的结构及检修工艺截止阀是一种常用的阀门,用于控制管道中流体的流动。
它主要由阀体、阀盖、阀杆和阀瓣等部件组成。
下面将详细介绍截止阀的结构及检修工艺。
一、截止阀的结构1.阀体:截止阀的阀体一般采用铸铁、钢材或不锈钢等材料制造。
阀体内部有一个中空的通道,用于流体通过。
2.阀盖:阀盖是固定在阀体上的部件,通常采用铸铁、铸钢或不锈钢等材料制造。
阀盖上有一个与阀体通道对应的孔,用于与阀体上的阀杆连接。
3.阀杆:阀杆是连接阀盖和阀瓣的部件,通常采用不锈钢材料制造。
阀杆的上端与阀盖连接,下端与阀瓣连接。
4.阀瓣:阀瓣是截止阀的关键部件,它可以随着阀杆的升降而打开或关闭通道。
阀瓣主要由阀座、密封面和阀瓣体等部分组成。
5.密封面:密封面是阀瓣与阀座接触的部位,常用的密封面材料有橡胶、聚四氟乙烯等。
阀瓣关闭时,密封面与阀座接触,以实现密封。
二、截止阀的检修工艺截止阀的检修工艺主要包括以下几个步骤:1.断开阀门:在检修之前,首先需要断开阀门。
关闭阀门上的操作手柄,断开阀门与管道之间的连接,确保阀门处于关闭状态。
2.拆卸阀杆和阀瓣:使用合适的工具将阀杆上的螺钉拧紧,并将阀杆与阀瓣分离。
在拆卸过程中要注意阀杆、阀瓣及其连接处的密封面,避免损坏。
3.清洁和检查:将拆下的阀杆和阀瓣进行清洁,去除表面的污垢和沉淀物。
同时,对阀杆、阀瓣及其密封面进行仔细检查,确保无损坏和磨损。
4.更换密封件:根据检查结果,如果发现阀杆、阀瓣或其密封面存在损坏或磨损,需要及时更换相应的密封件。
选择合适的密封件材料,确保密封性能。
5.组装阀件:在更换密封件后,将阀杆和阀瓣重新组装,确保安装稳固,阀瓣能够顺畅运动。
6.检查和试运行:完成阀件的组装后,进行全面检查,确认各部件的安装正确无误。
然后,试运行阀门,观察阀门的打开和关闭情况与密封性能,确保阀门能够正常运行。
7.整理和记录:整理好检修过程中使用的工具和材料,对检修情况进行记录,包括阀门的检查结果、更换的密封件以及试运行情况等。
⼗五种常⽤阀门结构及⼯作原理(带⽰意图)阀门有哪些种类?其结构及⼯作原理在这⾥给⼤家分类总结:1.截断阀类主要⽤于截断或接通介质流。
包括闸阀、截⽌阀、隔膜阀、球阀、旋塞阀、蝶阀、柱塞阀、仪表针型阀等。
2.调节阀类主要⽤于调节介质的流量、压⼒等。
包括调节阀、节流阀、减压阀等。
3.⽌回阀类⽤于阻⽌介质倒流。
包括各种结构的⽌回阀。
4.分流阀类⽤于分离、分配或混合介质。
包括各种结构的分配阀和疏⽔阀等。
5.安全阀类⽤于介质超压时的安全保护。
包括各种类型的安全阀。
⼀、闸阀靠阀板的上下移动,控制阀门开度。
阀板象是⼀道闸门。
闸阀关闭时,密封⾯可以只依靠介质压⼒来密封,即只依靠介质压⼒将闸板的密封⾯压向另⼀侧的阀座来保证密封⾯的密封,这就是⾃密封。
⼤部分闸阀是采⽤强制密封的,即阀门关闭时,要依靠外⼒强⾏将闸板压向阀座,以保证密封⾯的密封性。
闸阀的种类,按密封⾯配置可分为楔式闸板式闸阀和平⾏闸板式闸阀, 楔式闸板式闸阀⼜可分为: 单闸板式、双闸板式和弹性闸板式;平⾏闸板式闸阀可分为单闸板式和双闸板式。
按阀杆的螺纹位置划分,可分为明杆闸阀和暗杆闸阀两种。
国内⽣产闸阀的⼚家⽐较多,连接尺⼨也⼤多不统⼀。
性能特点:优点:1、流动阻⼒⼩。
阀体内部介质通道是直通的,介质成直线流动,流动阻⼒⼩。
2、启闭时较省⼒。
是与截⽌阀相⽐⽽⾔,因为⽆论是开或闭,闸板运动⽅向均与介质流动⽅向相垂直。
3、⾼度⼤,启闭时间长。
闸板的启闭⾏程较⼤,降是通过螺杆进⾏的。
4、⽔锤现象不易产⽣。
原因是关闭时间长。
5、介质可向两侧任意⽅向流动,易于安装。
闸阀通道两侧是对称的。
6、结构长度(系壳体两连接端⾯之间的距离)较⼩。
7、形体简单, 结构长度短,制造⼯艺性好,适⽤范围⼴。
8、结构紧凑,阀门刚性好,通道流畅,流阻数⼩,密封⾯采⽤不锈钢和硬质合⾦,使⽤寿命长,采⽤PTFE填料.密封可靠.操作轻便灵活.缺点:密封⾯之间易引起冲蚀和擦伤,维修⽐较困难。
外形尺⼨较⼤,开启需要⼀定的空间,开闭时间长。
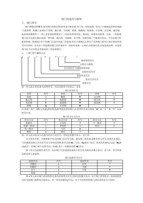
阀门的选用与维修Ⅰ.阀门型号阀门规格品种繁多,而且阀门的新结构,新用途不断发展,为了统一制造标准,也为了正确地选用和识别阀门,我国第一机械工业部对于闸阀、截止阀、节流阀、球阀、隔膜阀、旋塞阀、止回阀、安全阀、减压阀、疏水阀及蝶阀等十一类工业管道用阀规定了三化标准,即系列化、通用化、标准化的标准。
目前,三化标准阀门尚不包括仪器仪表阀、调节阀、减压阀、电磁阀、真空阀、水暖用阀、气瓶阀及电站、空分设备主机配套用阀。
我国现行生产的阀门已逐步实现三化标准,但由于我国过去曾生产过的阀门系列与现行规定的系列不尽相同,还有非三化标准的阀门仍在使用中,因此在更换、订货时,应特别注意,以免造成浪费。
在选用阀门时,今后应优先考虑选用三化标准阀门。
1.1阀门型号编制方法1 23 4 5————67阀体材料代号公称压力数值衬里材料代号或阀体密封面结构型式代号连接型式代号传动方式代号类型代号第一单元表示类型,称为类型代号,用汉语拼音字母表示,见表阀门类型代号注:低温(低于400C),保温(带加热套)和带波纹管的阀门,在类型代号前分别加“D”和“B”和“W”汉语拼音字母。
阀门传动方式代号第二单元表示传动方式,称为传动方式代号,用阿拉伯数字表示,见上表。
对于使用手轮、手柄和扳手传动的阀门以及安全阀、减压阀、疏水阀,省略本单元代号,故表内无规定。
气动或液动阀门,分为常开式与常闭式两种,常开式用6k(气动),7k(液动)表示,常闭式用6B(气动),7B(液动)表示,若阀门系气动带手动,用6S表示。
防爆电动用9B表示。
第三单元为连接形式代号,表示阀门与管道或设备接口的方式,用阿拉伯数字表示,见下表。
其中焊接包括对焊与承插焊。
阀门连接形式代号第4单元表示阀门的结构型式,称为结构型式代号,用阿拉伯数字表示。
由于阀门类型较多,故其结构型式代号按阀门的种类分别表示,同一阿拉伯数码(代号),对于不同类型的阀门,所代表的意义不相同。
如为杠杆式安全阀,在结构型式代号前加汉语拼音字母G,在标淮JB308-75中未规定数字代号;在旧的标淮JB308-62中,以1代表单杆微启式,2代表单杆全启式,3代表双杆微启式,4代表双杆全启式,6代表脉冲式。
阀门有哪些种类?其结构及工作原理在这里给大家分类总结:1.截断阀类主要用于截断或接通介质流。
包括闸阀、截止阀、隔膜阀、球阀、旋塞阀、蝶阀、柱塞阀、仪表针型阀等。
2.调节阀类主要用于调节介质的流量、压力等。
包括调节阀、节流阀、减压阀等。
3.止回阀类用于阻止介质倒流。
包括各种结构的止回阀。
4.分流阀类用于分离、分配或混合介质。
包括各种结构的分配阀和疏水阀等。
5.安全阀类用于介质超压时的安全保护。
包括各种类型的安全阀。
一、闸阀靠阀板的上下移动,控制阀门开度。
阀板象是一道闸门。
闸阀关闭时,密封面可以只依靠介质压力来密封,即只依靠介质压力将闸板的密封面压向另一侧的阀座来保证密封面的密封,这就是自密封。
大部分闸阀是采用强制密封的,即阀门关闭时,要依靠外力强行将闸板压向阀座,以保证密封面的密封性。
闸阀的种类 ,按密封面配置可分为楔式闸板式闸阀和平行闸板式闸阀 , 楔式闸板式闸阀又可分为 : 单闸板式、双闸板式和弹性闸板式;平行闸板式闸阀可分为单闸板式和双闸板式。
按阀杆的螺纹位置划分,可分为明杆闸阀和暗杆闸阀两种。
国内生产闸阀的厂家比较多,连接尺寸也大多不统一。
性能特点:优点:1、流动阻力小。
阀体内部介质通道是直通的,介质成直线流动,流动阻力小。
2、启闭时较省力。
是与截止阀相比而言,因为无论是开或闭,闸板运动方向均与介质流动方向相垂直。
3、高度大,启闭时间长。
闸板的启闭行程较大,降是通过螺杆进行的。
4、水锤现象不易产生。
原因是关闭时间长。
5、介质可向两侧任意方向流动,易于安装。
闸阀通道两侧是对称的。
6、结构长度(系壳体两连接端面之间的距离)较小。
7、形体简单 , 结构长度短,制造工艺性好,适用范围广。
8、结构紧凑,阀门刚性好,通道流畅,流阻数小,密封面采用不锈钢和硬质合金,使用寿命长,采用PTFE填料.密封可靠.操作轻便灵活.缺点:密封面之间易引起冲蚀和擦伤,维修比较困难。
外形尺寸较大,开启需要一定的空间,开闭时间长。
阀门种类结构原理及日常操作保养维护阀门是用于调节、控制流体流量和流动方向的装置。
根据不同的结构和功能,阀门可以分为多种类型。
在本文中,我将介绍一些常见的阀门种类、结构原理,并提供相关的日常操作、保养和维护。
一、阀门的种类1.截止阀:截止阀也被称为切断阀,用于完全截断流体。
其结构原理是通过阀盖与阀座之间的密封来实现截断效果。
2.调节阀:调节阀主要用于调节流体流量,可以手动或自动进行调节。
它的结构基本上与截止阀相似,但其阀芯设计可以改变流体通道的直径,从而控制流体流量。
3.安全阀:安全阀用于在压力过高时释放过量压力,以保护管道或设备不被破坏。
其结构原理是通过阀芯的压力平衡来实现自动升压。
4.止回阀:止回阀用于防止流体逆流,其结构原理是通过设置一个单向阀片,使流体只能单向通过。
5.球阀:球阀是一种转动式的阀门,通过阀体内的球体来控制流体流量。
当球与阀座对齐时,流体通道打开,否则关闭。
6.闸阀:闸阀主要用于流体的截断,通过提升或下压阀盖,使活塞与阀座接触,从而实现密封效果。
7.蝶阀:蝶阀通过旋转操作来控制流体流量。
其结构原理类似于球阀,但是使用一个圆形或椭圆形的阀瓣来控制流体通道的开关。
二、阀门的日常操作1.正确操作:在操作阀门之前,应了解其结构原理和使用方法。
根据需要打开或关闭阀门,可以使用手轮、手柄或电动驱动。
2.缓慢开关:在打开或关闭阀门时,要缓慢旋转或推动,以避免因突然操作引起的突然压力变化。
3.阀门位置:在操作阀门之前,应确保阀门处于正确的位置。
根据需要,可以安装标志或指示器,以便操作人员正确地操作阀门。
4.保持清洁:保持阀门清洁非常重要,可以定期使用清洁剂清洁阀门。
同时,还需要定期检查阀门是否有泄漏或损坏。
三、阀门的保养维护1.定期检查:定期检查阀门的密封性能和机械部件的磨损情况。
如发现损坏或松动,应立即更换或修理。
2.润滑:根据阀门使用情况和要求,定期给阀门添加润滑剂。
这样可以保证阀门的灵活性和正常工作。
各种阀门的选用、故障及维修方法用来控制流体在管路内流动的装置称为阀门。
其主要作用有:1、启闭作用一一切断或沟通管路中的流体流动;2、调节作用一一调节管路内流体流速、流量;3、节流作用一一流体流过阀门后,产生很大压力降。
分类:1、根据阀门在管路的作用不同,可分为切断阀(又称截止阀)、节流阀、止回阀、安全阀等;2、根据阀门的结构形式不同,可分为闸阀、旋塞(常称考克)、球阀、蝶阀、隔膜阀、衬里阀等。
3、此外,根据制作阀门的材料不同,又分为不锈钢阀、铸钢阀、铸铁阀、塑料阀、陶瓷阀等。
一、介绍最常见的几种阀门。
①截止阀因结构简单,制造维修方便,在中低压管路中应用广泛。
它是利用装在阀杆下面圆形阀盘(阀头)与阀体内凸缘部分(阀座)相配合来达到截止流体流动的目的。
阀杆靠螺纹升降可调节阀门的开启程度,起到一定的调节作用。
由于阀门的截流作用是依靠阀头与阀座平面接触密封,不适合用于含有固体颗粒流体的管路上。
截止阀可按使用介质特性选用合适的阀头、阀座、壳体的材料。
对于使用中因密封不好或阀头、阀座等零件损坏的阀门,可以采取光刀、研磨、堆焊镶套等办法修复使用,以延长阀门使用寿命。
②闸阀是靠与介质流动方向垂直的一块或两块平板,同阀体密封面相配合达到封闭的目的。
阀板的升起就使阀门开启。
平板随阀杆的旋转而升降,用开启的大小调节流体的流量。
这种阀门阻力小、密封性能好、开关省力,特别适用于大口径的管路上,但闸阀的结构比较复杂、种类较多。
根据阀杆结构不同,有明杆和暗杆之分;根据阀板的结构形式又分为楔式、平行式等。
一般楔式阀板为单阀板,平行式多用两块阀板。
平行式比楔式容易制造,好修理,使用中不易变形,但不宜用于输送含有杂质的流体管路中,多用于输送水、干净气体,油类等管路中。
③旋塞阀旋塞俗称考克,它是利用阀体内插入一个中央带孔的锥形栓塞启闭管路。
旋塞根据密封形式不同,可分填料旋塞、油密封式旋塞和无填料旋塞等。
旋塞的结构简单,外形尺寸小,启闭迅速,操作方便,流体阻力小,便于制成三通路或四通路的分配或切换阀门。