G系列齿轮减速电机教材
- 格式:doc
- 大小:2.16 MB
- 文档页数:14
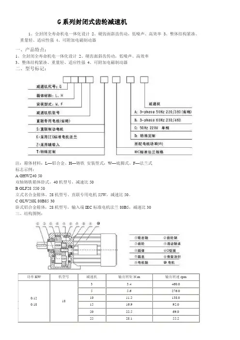
G系列封闭式齿轮减速机1、全封闭全寿命机电一体化设计2、硬齿面斜齿传动,低噪声、高效率3、整体结构紧凑、重量轻、适应性强 4、可附加电磁制动器一、产品特点:1、全封闭全寿命机电一体化设计2、硬齿面斜齿传动,低噪声、高效率3、整体结构紧凑、重量轻、适应性强4、可附加电磁制动器二、型号标记:注:箱体材料:L—铝合金、H—铸铁安装型式:W—底脚式、F—法兰式标志示例:A GHWZ40-50双轴铸铁箱体卧式,40机型号,减速比50B GLF28-550-50立式名合金箱体、28机型号、直联专用电机55W,减速比50。
C GLW28K-80B85-30卧式铝合金箱体,28机型号,输入端IEC标准电机法兰80B5,减速比30三、结构图例:G系列封闭式齿轮减速机外形尺寸:法兰式外形安装尺寸机型号装配电机机型安装尺寸轴伸尺寸外形尺寸重量A B P(h7)H S N L1 L2 D(h6) U T D1(h6) x x1 U1T1V K G W G I kg18/28 63 5.5 90 140 110 11 65 45 40 28 8 31 16 30 25 5 18 214 165 170 120 16 20 22/32 63、71 9 130 170 130 13 70 55 50 32 10 35 19 30 25 6 21.5 248 198 203 164 18 40 28/40 71、80 10.5 150 210 150 18 93 65 60 40 12 43 24 35 30 8 27 288 227 255 200 20 62 32/50 80、90 13 160 230 170 18 105 75 70 50 14 54 35 50 45 10 38 335 267 285 210 25 100双组立式底脚外形安装尺寸。
G系列齿轮减速电机小齿轮马达.G18、G22、G28、G32、G40、G50、等各系列产品,主要领部件硬齿面齿轮采用渗碳淬火热处理,磨齿加工精度5级,确保产品的可靠性及低噪音.产品具有高强度、体积小、噪音低、传动扭矩大等特点,广泛应用于环保工程、啤酒饮料、纺织印染、石化、轻工、钢铁冶金、仓库物流、立体车库等行业。
优质的特性:采用三菱的技术、实现了美观与优秀的品质结合、体积小、重量轻、免保养、采用最先进的设计思路、高强的铝质材料、齿轮经SKIVING精密滚齿加工、齿轮精度达1-2级,经过高周波热处理G18,G22,G28,G32,G40,G50,GF18,GF22,GF28,GF32,GF40,GF50 GV 减速电机专业知识G18 G22 G28 G32 G40 G50 GHW18 GHL18 GHW22 GHL22小型齿轮马达GHF32 GHF40小型齿轮箱G系类小齿轮减速马达1、减速电机结合国际技术要求制造,具有很高的科技含量。
2、节省空间,可靠耐用,承受过载能力高,功率可达95KW以上。
3、能耗低,性能优越,减速机效率高达95%以上。
4、振动小,噪音低,节能高,选用优质段钢材料,钢性铸铁箱体,齿轮表面经过高频热处理。
5、经过精密加工,确保定位精度,这一切构成了齿轮传动总成的齿轮减速电机配置了各类电机,形成了机电一体化,完全保证了产品使用质量特征。
GV减速电机:减速电机是指减速机和电机(马达)的集成体。
这种集成体通常也可称为齿轮马达或齿轮电机。
减速电机广泛应用于钢铁行业、机械行业等。
使用减速电机的优点是简化设计、节省空间。
1、G系列小齿轮减速机全封闭全寿命机电一体化设计2、硬齿面斜齿轮传动,低噪音、高效率3、G系列小齿轮减速机整体结构紧凑、重量轻、适应性强4、可附加电磁制动器。
目录设计题目:二级直齿圆柱齿轮减速器 (2)一、传动装置总体设计: (2)一、选择电机 (2)二、对比选择各电机 (3)三、确定传动装置的总传动比和分配传动比 (3)四、计算传动装置的运动和动力参数 (4)五、设计V带和带轮 (4)六、齿轮的设计 (6)二、箱体设计 (8)三、轴的设计 (10)一、高速轴设计 (10)二、中间轴的设计 (13)三、从动轴的设计 (15)四、高速轴齿轮的设计 (18)五.联轴器的选择 (19)六、润滑方式的确定 (19)七.参考资料 (19)设计题目:二级直齿圆柱齿轮减速器皮带运输机械传动装置,其简图如下:工作条件:双班制工作,有轻微振动,小批量生产,单向传动,轴承寿命2年,减速器使用年限为 5年,运输带允许误差5%。
要求:运输带卷筒转速为35r/min减速箱输出轴功率P为3.5马力一、传动装置总体设计:1. 组成:传动装置由电机、减速器、工作机组成。
2. 特点:齿轮相对于轴承不对称分布,故沿轴向载荷分布不均匀,要求轴有较大的刚度。
3. 确定传动方案:考虑到电机转速高,传动功率大,将V带设置在高速级。
其传动方案如下:一、选择电机1.计算电机所需功率d P:查手册第3页表1-7:η-带传动效率:0.961η-每对轴承传动效率:0.992η-圆柱齿轮的传动效率:0.983η-联轴器的传动效率:0.994η—卷筒的传动效率:0.965计算总传动比:4212345ηηηηηη=∙∙∙∙=0.829由于需选择功率大于3.1kw 的电机,故考虑选择功率为4kw 的电机。
二、对比选择各电机电动机型号,因此有3种传动比方案如下:综合考虑电动机和传动装置的尺寸、重量、和带传动、减速器的传动比,可见第2种方案比较合适,因此选用电动机型号为Y112M-4,其主要参数如下:三、确定传动装置的总传动比和分配传动比: 总传动比:96050.5319n i n ===总卷筒 分配传动比:取 3.05i =带 则1250.53/3.0516.49i i ⨯==()121.31.5i i =取121.3i i =经计算2 3.56i =1 4.56i =注:i 带为带轮传动比,1i 为高速级传动比,2i 为低速级传动比。
GST, GFL, GKS/GKL, GKR, GSS减速机13322558产品号铭牌减速电机标准型减速电机CSA/UL认证的减速电机内容生产地电机型号/标准减速机型号电机型号技术数据安装位置/系统模块位置润滑剂制动器数据(若安装)反馈/脉冲编码器或旋转变压器数据(若安装)生产数据条形码整流器型号工作制信息其他有关电机的信息规范与认证标准50 Hz, 60Hz和87Hz时的额定数据额定数据工况系数(如果数值<1.0)生产的年份/生产的周数其他信息变频器专用电机锁定转子安培数输出频率电机功率电机功率(单位:马力)电机速度电机电压电机电流电机效率电机功率系数代码0086,配合伺服控制器运行时的选择代码绝缘等级保护等级电机热保护订单号物料号序列号其他客户信息型号交流/直流制动器电压制动扭矩,电能消耗减速比额定扭矩额定速度(额定频率)减速机N型和W型减速机生产地/国家;减速机型号减速机和电机型号额定扭矩运行频率额定扭矩/额定速度额定速度/额定频率工况系数(如果数值<1.0)生产年份/生产的周数安装位置/系统模块位置额定扭矩/额定速度润滑剂减速比物料号/序列号条形码订单号其他信息其他客户信息M和N型减速机(带电机)K型(皮带式)和D型(Disco摩擦盘式)减速机类型位置N型和W型减速机M型和N型减速机(带电机)K型(皮带式)和D型(Disco摩擦盘式)减速机GKS/GSS/GKL 接线盒,无接线盒,接线盒,无接线盒,接线盒,无接线盒,目录前言与概述涂层减速机的运输装置存储防逆行装置把电机装到带轴承箱的减速机(N型减速机)上的附件联轴器键槽阀目录接线周期打开冷凝排水孔组合的驱动系统伦茨驱动系统通过铭牌内容唯一指定。
如:恰当于无资质的操作人员使用驱动系统,只有设计合理,安装正确的驱动系统,才能无故障运行,不引起人身伤害。
上述规进行操作翻新,改造第4至6页)。
圆柱斜齿轮减速机圆柱斜齿轮-蜗轮蜗杆减速机圆柱斜齿轮-锥齿轮减速机螺旋伞齿轮减速机小侧隙平行轴减速机圆柱斜齿轮减速机圆柱斜齿轮-锥齿轮减速机螺旋伞齿轮减速机圆柱斜齿轮-蜗轮蜗杆减速机小侧隙平行轴减速机圆柱斜齿轮圆柱斜齿轮圆柱斜齿轮圆柱斜齿轮蜗轮蜗杆圆柱斜齿轮设计设计表1 运输重量[kg] ;实际值可能与表值稍有不同总体数据/运行环境温度7.1使用矿物油时,连续工作制下的上限温度为80°C ,合成油和轴密封圈材料为FP(Vition)时,上限温度为100°C 。
三。
计算传动装置的总传动比和分配级的传动比。
1、总传动比:总I =n电机/n滚筒=960/55.2=17.39带传动设计1.选择常见的V带截面:根据教材P188表11.5,kA=1.2,PC=KAP功= 1.2× 5.5 = 6.6kw。
根据教材P188的图11.15:选择A型V带。
2.确定皮带轮的参考直径并检查皮带速度:根据教材P189的表11.6:D1 = 100毫米> dmin = 75毫米,D2=i波段D1(1-ε)= 3.48×100×(1-0.01)= 344.52mm,根据教材P179的表11.4:D2 = 355毫米,D1 = 100毫米。
实际从动轮转速nⅱ' = nⅰD1/D2 = 960×100/355 = 270.42 r/min转速误差为1-nⅱ'/nⅱ= 1-270.42/275.86 = 0.0197 < 0.05(允许)带速V =πD1 n1/60×1000 =π×100×960/60×1000 = 5.03m/s,带速在 5 ~ 25 m/s范围内为宜。
3.确定皮带长度和中心距离:0.65(D1+ D2)≤a0≤2(D1+ D2),即0.65(100+355)≤a0≤2×(100+355),所以是297.75mm≤a0≤910mm,初始中心距a0=650mm。
长度l0 = 2 A0+1.57(D1+D2)+(D2-D1)2/4a 0= 2×650+1.57(100+355)+(355-100)2/(4×650)= 2039.36mm根据教材P179的图11.4:Ld = 2000mm中心距离a≈a0+(Ld-L0)/2= 650+(2000-2039.36)/2 = 650-19.68 = 631毫米4.检查小滑轮的包角:α1 = 1800-57.30×(D2-D1)/a = 1800-57.30×(355-100)/631=156.840>1200(适用)5.确定皮带的根数:根据教材P191的表11.8:P0 = 0.97 kw根据教材P193的表11.10:△P0 = 0.11 kw。
MOTOR SPECIFICATION SHEETMODEL : SF-JRGD 10HP, Gear Ratio 1/30 (HT)USED FOR : GEAR MOTORDESCRIPTIONPHASEMODEL NAMERATED OUTPUT, HP (kW)POLE CODE:OUTLINE DRAWING NO.RATED VOLTAGE (V)RATED FREQUENCY (Hz)RATED CURRENT (A)RATED SPEED (min -1)THERMAL CLASSRATINGENCLOSURE CONSTRUCTION DEGREES OF PROTECTIONMETHOD OF COOLINGFRAME NO.WEIGHT (kg)STANDARDINSTALLATIONROTATIONBEARING ::BEARING GREASECIRCUMSTANCE AMBIENT TEMPERATURE :CONDITION AMBIENT HUMIDITY :ABOVE SEA LEVEL :ENVIRONMENT :COLORTERMINAL BOX NO. OF LEAD WIRES :SOURCE CONNECTION :INSULATION RESISTANCEDIELECTRIC TESTGEAR RATIOGEAR LUBRICANTSERVICE FACTORMATERIAL FRAME :BRACKET (GEAR SIDE):BRACKET (OPP SIDE):GEAR CASE :SHAFT (MOTOR):SHAFT (GEAR OUTPUT):STATOR CORE :WIRE :INSULATOR :VARNISH :ROTOR CORE :CONDUCTOR :TERMINAL BOX :PAINTING :PRODUCTION COUNTRY Specification subject to change without notice.DETAIL3SF-JRGD 10 (7.5)4MEATH CODE 1G7030-0750H-HT0OMM24O847-B3804153804405050606016.315.316.314.15252.562.563.5155(F)S1 (CONTINUOUS)TOTALLY ENCLOSED FAN COOLEDIP55IC411132M 141.5IEC 60034-1, JEC-2137-2000FOOT MOUNTED CCW (VIEWED FROM SHAFT END)LOAD SIDE 6310ZZ OPPOSITE SIDE 6207ZZ UREA GREASE -20 ~ +4O o C 95%RH OR LESS1000m OR LESS NO BURSTING/EROSIVE GAS OR VAPOR MUNSELL N5.5 (GRAY)6TERMINAL BLOCK BY DC 500V MEGGER - ≥100M ΩAC 50Hz 1800V - 1min. (Based on rated voltage 380V) 1/30OIL (Must be filled by user.)1.4STEEL PLATEN/A (Frame is directly connected to Gear case)ALUMINIUM CAST IRON STEEL STEEL ELECTRICAL STEEL ENAMELLED COPPER MAGNET WIRE POLYESTER FILM SATURATED WITH RESIN EPOXY DENATURALIZATION POLYESTER ELECTRICAL STEEL ALUMINIUM STEEL PLATE POLYURETHANE RESIN THAILAND SPECIFICATION SHEET NO.SS-M-2506-AGØDLQKQC 0-0.5HIKMEEJJNF RKL4-ØZØS h 6T WU1-ZT TAP ZH DEPTHTHREE PHASE INDUCTION MOTOROUTLINE DRAWING NO.DIMENSION IN mm.SCALE NTS :TOTALLY ENCLOSED FAN COOLED SF-JRGD DEGREE OF PROTECTION IP55MODELREV.QUANTITY ORDER NO.MFG.OUTLINE DRAWINGCUSTOMER : CUSTOMER'S ORDER NO.FORUSER DUST & WATER JET PROOF GEAR MOTORMITSUBISHI ELECTRIC AUTOMATION (THAILAND) CO.,LTD.M O M 824O 74B50SF-JRGD TYPE 10(7.5)460220220380440415HP(kW)POLE Hz VOLT DIMENSIONS (mm.)L1/3 ~ 1/20QQK ØDKFRNTW UZT ZH ØS KL JEMGCHIØZGEAR RATIO 1/25 , 1/30KGLEAD WIRESNO. OF S1RATINGCLASS 155(F)INS.TEMP.40°CAMB.COLOR 6MUNSELL N5.5GRAYLUBRICANTIONTYPE 1/3 ~ 1/30GEAR RATIO WEIGHT (Kg)OIL(1)NOTE: (1) PLEASE FILL IN OIL BEFORE FIRST TIME USAGE (SEE DETAIL IN THE INSTRUCTION MANUAL)8290717250602002301071202402801011161867M10M1018185560607015030035025301952303303803453951924266266205205701.57201306085ROTATION DIRECTION(VIEWED FROM OUTPUT SHAFT END)COUNTERCLOCKWISE (CCW)OIL DRAIN PLUGOIL FILL PLUGOIL LEVEL 50SF-JRGD10(7.5)460380380415440PF 1SCREWK G120.5141.5。
G系列齿轮减速电机教材————————————————————————————————作者:————————————————————————————————日期:G系列齿轮减速电机教材1、概述1.1、G系列齿轮减速电机的定义:通过齿轮将较高的输入转速和小输入扭矩转化成我们想要的低输出转速和大输出扭矩,并有多种安装形式和不受限制的减速电机。
1.2、G系列齿轮减速电机的用途:1.2.1、本减速电机适合在环境温度-10℃到+40℃条件下运行,海拔高度可达1000米。
1.2.2、可用于正反转。
1.2.3、无行业限制。
1.3、G系列齿轮减速电机的特点:1.3.1、高度模块化设计:机以方便地配用各种型式的电动机或采用其它动力输入。
同种机型可配用多种功率的电动机。
容易穿刺各机型间组合联接。
1.3.2、传动比:划分细,范围广。
组合机型可以形成很大的传动比,即输出极低的转速。
1.3.3、安装形式:安装位置不受限制。
1.3.4、强度高、体积小:箱体采用高强度铸铁。
齿轮及齿轮轴采用气体渗碳淬火精磨工艺,因而单位体积承载能力高。
1.3.5、使用寿命长:在正确选型(包括选用适当的使用系数)和正常使用维护的条件下,减速机(除易损件外)的主要零部件寿命一般不低于20000小时。
易损件包括润滑油、油封以及轴承。
1.3.6、噪声低:减速机主要零部件都经过精密加工,并通过精心组装和测试因而减速机噪声较低。
1.3.7、效率高:单要型效率不低于95%。
1.3.8、可承受较大的径向载荷。
1.3.9、可承受不大于径向力10%的轴向载荷。
1.4、G系列齿轮减速电机的分类:1.4.1、GR系列斜齿轮减速电机1.4.2、GS系列斜齿轮—蜗轮蜗杆减速电机1.4.3、GK系列斜齿轮—弧齿锥齿轮减速电机1.4.4、GF系列平行轴—斜齿轮减速电机2、G系列齿轮减速电机的结构:3、G系列齿轮减速电机的主要构件和用材说明:3.1、主要构件和功能3.1.1、输入轴:动力源输入;3.1.2、输出轴(实心、空心):联接传动件;3.1.3、齿轮(有1、2、3级)、蜗轮蜗杆(GS系列):减速3.1.4、轴承:支撑输入轴、输出轴、齿轮的传动。
G系列小齿轮减速电机型号:G18、G22、G28箱体为ADC-12铝合金材质;G32、G40、G50箱体为FC-20铸铁材质。
0.1KW-2.2KW电机外壳为铝合金型,3.7KW电机外壳为铸铁。
8、技术参数:(1)输出转速:6.9~460r/min (2)输出转矩:高至1500Nm (3)电机功率:0.12~4Kw(4)外形安装结构:F:法兰式安装W:低脚式安装(5)型号表示法:GF-22-0.2KW-30- C1 (6) 减速比:5~1800 (7) 电机功0.12KW,0.18KW,0.25KW,0.37KW,0.55KW,0.75KW,1.1KW,1.5KW,2.2KW,3.0KW,4.0KW齿轮减速电机是指齿轮减速箱和电机(马达)的组成体。
这种组成通常也可称为齿轮箱电机或减速电机,通常由专业的减速机生产厂进行集成组装好后成套供货。
齿轮减速马达的应用非常广泛,属于机械设备不可或缺的动力设备,特别是在包装机械、印刷机械、瓦楞机械、彩盒机械、输送机械、食品机械、立体停车场设备、自动仓储、立体仓库、化工、纺织、染整设备上。
类型有:小型齿轮减速电机,中型齿轮减速电机,大型齿轮减速电机1、速比,即确定机械的运转速度,然后根据这个机械运转的速度来计算齿轮减速电机的速比。
可用公式速比=入力转速/出力输出,或者是电机速度/机械需求速度。
2、力矩,可以根据机械实际的大小来选型齿轮减速马达力矩,根据力矩表选择,根据实际的需求来选择。
齿轮电机的类型有:同轴式斜齿轮减速电机;平行轴-斜齿轮减速电机;伞齿轮-斜齿轮减速电机;伞齿轮-蜗轮蜗杆减速电机;蜗轮蜗杆减速电机。
特点1、齿轮减速电机具有很高的科技含量;2、齿轮经精密滚齿加工,轴经SKIVING精密滚齿加工,加工精度为2-3级和1-2级,齿轴材质为20CrMo,调质至HRC21°,再经高周波处理至HRC45-50。
3、减速机采用VITON耐高温油封,采用IP-54铁制接线盒,防水及防尘性佳。
G系列齿轮减速电机教材1、概述1.1、G系列齿轮减速电机的定义:通过齿轮将较高的输入转速和小输入扭矩转化成我们想要的低输出转速和大输出扭矩,并有多种安装形式和不受限制的减速电机。
1.2、G系列齿轮减速电机的用途:1.2.1、本减速电机适合在环境温度-10℃到+40℃条件下运行,海拔高度可达1000米。
1.2.2、可用于正反转。
1.2.3、无行业限制。
1.3、G系列齿轮减速电机的特点:1.3.1、高度模块化设计:机以方便地配用各种型式的电动机或采用其它动力输入。
同种机型可配用多种功率的电动机。
容易穿刺各机型间组合联接。
1.3.2、传动比:划分细,范围广。
组合机型可以形成很大的传动比,即输出极低的转速。
1.3.3、安装形式:安装位置不受限制。
1.3.4、强度高、体积小:箱体采用高强度铸铁。
齿轮及齿轮轴采用气体渗碳淬火精磨工艺,因而单位体积承载能力高。
1.3.5、使用寿命长:在正确选型(包括选用适当的使用系数)和正常使用维护的条件下,减速机(除易损件外)的主要零部件寿命一般不低于20000小时。
易损件包括润滑油、油封以及轴承。
1.3.6、噪声低:减速机主要零部件都经过精密加工,并通过精心组装和测试因而减速机噪声较低。
1.3.7、效率高:单要型效率不低于95%。
1.3.8、可承受较大的径向载荷。
1.3.9、可承受不大于径向力10%的轴向载荷。
1.4、G系列齿轮减速电机的分类:1.4.1、GR系列斜齿轮减速电机1.4.2、GS系列斜齿轮—蜗轮蜗杆减速电机1.4.3、GK系列斜齿轮—弧齿锥齿轮减速电机1.4.4、GF系列平行轴—斜齿轮减速电机2、G系列齿轮减速电机的结构:3、G系列齿轮减速电机的主要构件和用材说明:3.1、主要构件和功能3.1.1、输入轴:动力源输入;3.1.2、输出轴(实心、空心):联接传动件;3.1.3、齿轮(有1、2、3级)、蜗轮蜗杆(GS系列):减速3.1.4、轴承:支撑输入轴、输出轴、齿轮的传动。
3.1.5、油封:防止润滑油的渗漏。
3.1.6、润滑油:给轴承和齿轮等传动件润滑作用,增加寿命。
3.1.7、机座:将所有传动件包装起来,用于方便安装。
3.2、用材说明及对减速机的影响:3.2.1、齿轮、齿轴、及蜗杆:3.2.1.1、材料及工艺:20CrMnTi(二零鉻锰钛),经渗碳淬火回火,(咯氏硬度)HRC60±2,德国Niles数控成形磨齿机,加工精度6级。
3.2.1.2、对性能的影响:材料不好会影响轴的质量,硬度过高容易造成蹦齿,过低会影响扭力不足,精度不够,会造成噪音等质量问题。
3.2.2、箱体:3.2.2.1、材料及工艺:高强度铸铁HT200,日本大偎公司OKUMA加工中心加工。
3.2.2.2、对性能的影响:震动或箱体爆裂。
3.2.3、输出轴:3.2.3.1、材料及工艺:42CrMo(四二鉻钼),调质处理(布氏硬度)241—286HBS。
3.2.3.2、对性能的影响:扭力不足或断轴。
3.2.4、轴承:3.2.4.1、材料及工艺:国产名牌三大厂3.2.4.2、对性能的影响:噪音大,降低传动效率。
3.2.5、油封:3.2.5.1、材料及工艺:台湾采升、同源。
3.2.5.2、对性能的影响:漏油并会造成蹦齿、烧机。
3.2.6、电机:3.2.6.1、材料及工艺:Y2系列国内名牌,如皖南。
3.2.6.2、对性能的影响:影响外观,噪音大,性能不达标。
3.2.7、润滑油:3.2.7.1、材料及工艺:GR 、F 、K 用中负荷齿轮油L-CKC220或320,GS 用蜗轮蜗杆油。
3.2.7.2、对性能的影响:发热,噪音大,蹦齿等。
4、 G 系列齿轮减速电机的型号表示和相关参数说明: 4.1、型号表示方法型和规格号公司代号G机极数电机系列代号和功率安装形式输出法兰时,兰外径传动比机接线盒方(角度)GR 系列斜齿轮减速电机GS 系列斜齿轮-蜗轮蜗杆减速电机机型和规格号公司代号G机极数电机系列代号和功率安装形式出轴或输出法方向传动比电机接线盒向(角度)心轴输出时,出轴孔径GK 系列斜齿轮-弧齿锥齿轮减速电机型和规格号公司代号G机极数电机系列代号和功率安装形式出轴或输出法方向传动比机接线盒向(角度)GF 系列平行轴-斜齿轮减速电机机型和规格号公司代号G电机极数电机系列代号和功率安装形式传动比电机接线盒方向(角度)4.2、铭牌内容及说明:4.3、G 系列机型分类表举例说明:37.13 选用的输出法兰外径 图示180度处4.4、电机系列代号和功率4.4.1、电机系列代号(常用):Y----Y2系列电机YB----防爆电机YEJ------制动电机YVP----变频电机YPEJ---变频制动电机YCT---电磁调速电机4.4.2、电机功率:从0.12KW~200KW 防护等级IP54,绝缘等级F级4.5、安装形式:M1/2/3/4/5/6祥见G系列选型资料。
4.6、接线盒方向及出线口位置:从电机尾部看,左:0°右:180 °上:270 °下:90 °。
如下图:5、选型要素:5.1、选型基本公式M=9550*P/n2 输入功率P的单位kW, 输出转速n2的单位转/分, 通常写成rpm或r/min, 输出转矩M的单位N.m。
i=n1/n2严格来说:应为M=9550*P*fB*η%/n fB为使用系数,η%为工作效率。
5.2、输入动力源:一般为电机,输入功率P和转速n1。
5.3、输出转矩M和输出转速n2:与负载有关。
5.4、使用系数fB:与环境条件,使用条件有关。
5.5、安装方式和接线盒位置:与安装位置、空间有关。
5.5、电机参数:是否变频、刹车等,电压、频率等。
5.6、G系列选型—参数调查表一、机型系列选择(可参见样本或机型分类表)用户要求:输入轴与输出轴位置关系:□同轴(小偏心),选GR系列;□平行,选GF系列;□垂直(要求效率高或每日工作10小时以上),选GK系列;□垂直(要求工作比较平稳),选GS系列;注:要求空心输出轴时机型后加A, 要求带输出法兰时机型后加F, 要求带防转臂时机型后加T, 要求不带电动机而带输入轴时(即双轴型)机型后加SZ,其它要求可用文字或草图说明。
▲机型(暂无规格号)可记为: ______。
二、载荷情况1、电机功率P=___kW,极数__P;或完整的电机机座号________。
2、工作时间___小时/每天。
3、载荷种类:□均匀平稳;□中等冲击;□强烈冲击;或者工作机名称_____________。
(注:由第2条和第3条可从样本或其它资料中查出fAh=___)4 、估计每天起停次数(起动和停止要各计一次)___。
(注:由4可从样本或其它资料中查出fAc=___);(若起动慣性巨大,最好给出转动慣量_______)5 、若是较频繁的双向载荷,要把上述fAh值乘以1.3。
(此时,则fAh重新修正为fAh=___)。
6、若有较大的尖峰载荷,要给出数值_____N.m。
7、若有较大的径向载荷(如:输出轴或输入轴上是齿轮,链轮,V型带,平皮带),最好给出径向力值____N和力的作用位置__________mm;或工作元件名称_____,其节圆直径_____mm。
三、转速1、输出轴转速n2=__rpm或传动比i=__。
2、输入轴(双轴型时) 转速n1=____rpm。
3、若只给出某一位置的线速度,则要注明与减速机的连接情况,工作元件的回转直径___mm,以便换算成传动比。
四、旋转方向(输出轴与输入轴旋转方向要求严格对应时,才添写)1、输入轴旋转方向(面对输入轴轴头看):□顺时针S;□逆时针N。
2、输出轴旋转方向(面对输出轴轴头或工作轴接入端看) :□顺时针S;□逆时针N。
五、环境条件(不注明时,则被认定是理想环境状态,即fAt=1)1、环境温度:最高_℃,最低__℃。
(注:GS系列可根据环境温度在样本中查出fAt= ;环境温度偏离理想状态较大时,其它系列也要考虑一定的修正系数,并要考虑使用何种润滑油及油封等)。
2、其它环境:如通风,尘埃,湿度,腐蚀,维护便利条件等,若很不理想,则应注明,以便考虑一定的修正系数,或采取防护措施。
六、特殊电源或特殊电动机不符合样本中规定的Y2或Y系列电动机及其要求的电源时要注明:电动机系列代号__,电源电压__V,频率___Hz;电动机防护等级___,绝缘等级___。
七、安装形式(参见样本)□M1;□M2;□M3;□M4;□M5;□M6;八、输出轴或输出法兰方向(参见样本)□A向;□B向;□(A+B)向;九、输出轴孔或输出法兰直径(参见样本)GSA/T/F输出轴孔直径:φ___;GRF输出法兰直径(外径):φ___。
十、电动机接线盒方位(参见样本)□0°方位(常规);□90°方位;□180°方位;□270°方位。
十一、其它特殊要求如特殊防漏,特殊润滑,各部连接结构尺寸特殊等,用文字或附图说明。
十二、计算总工况系数fA,并按fB≥fA的条件,在样本中查出规格号。
fA=fAh*fAc*fAt*…=___;▲按fB≥fA的条件查得规格号:_____________第二章:国茂集团公司G系列齿轮减速电机介绍及市场分析1、国茂集团公司介绍2007年,国茂集团完成减速机销售产值为7.86亿元,同比增长了48%,圆满完成了年度总目标。
2007年,公司及时调整产品结构,加快了对8000系列摆线针轮减速机在制造五部的投入生产;将制造四部的PV系列齿轮减速机调整到制造一部生产,均衡了各制造部门的生产能力。
同时,公司投入600多万元建造了13000多平方米的标准厂房;为了提高行政管理水平,改善企业形象,公司投入300多万元,对办公场所和生产场地进行了改造和扩建,把原2#车间改造成了现代化办公大楼。
2007年,公司继续投入3600多万元,引进了7台用于提高摆线片产量的卧式滚齿机,4台用于加工G系列减速电机箱体的卧式加工中心,订购了德国克林贝格产齿轮综合监测仪和600KW的大型整机综合性能形式试验台,购买了摆线片立式加工中心4台及2台进口成型法磨齿机等先进设备,总投入达到了5000多万元。
2、G系列齿轮减速电机介绍:2007年G系列齿轮减速电机完成销售产值1.154亿元,G系列齿轮减速电机从外观形象到内在品质都有了明显的提升:外观赏心悦目了,包装也更贴近用户了(大的用全密封木箱包装,小的用纸箱包装。
),漏油现象减少了,噪音也有明显改善。
2007年添加了新的进口成型法磨齿机及箱体加工中心,并添置新的生产车间。
2008年目标确保2.22亿,争取2.5亿。
3、竞争品牌的介绍与比较3.1、进口品牌有:Flender、SEW、Nord为德国减速机的三驾马车,日本住友、意大利MOTOV ARIO、莱克斯诺等。