《农业气象观测数据XML格式》编制说明
- 格式:docx
- 大小:25.61 KB
- 文档页数:3
气象行业标准《农业气象自动观测规范通则》编制说明一、工作简况1、任务来源2015年,探测中心编制并下发了《作物气象自动观测站功能规格需求书》(气测函〔2015〕202号),以此项工作为基础,中国气象局综合观测司于2016年开始启动作物气象自动观测试点工作,下发气测函[2016]46号文《观测司关于组织开展农业气象观测自动化试点工作的通知》,并要求建立健全与作物气象自动观测相适应的标准规范规章。
2017年4月17日,中国气象局印发的《中国气象局关于印发“十三五”气象标准体系框架及重点气象标准项目计划的通知》(气发〔2017〕26号)中明确本标准名称为《农业气象自动观测规范通则》,本标准由全国农业气象标准化技术委员会(SAC/TC539)提出并归口,项目于 2018 年由中国气象局政策法规司批准立项,项目编号为QX/T-2018-43。
2、起草单位本标准起草单位为:中国气象局气象探测中心。
本标准的编制工作得到了中国气象局观测司和法规司的悉心指导,也得到了河南、广西、内蒙古、新疆气象局等业务单位以及河南中原光电测控技术有限公司的大力支持。
3、主要工作过程(1)成立起草组。
2017 年4月,编制单位成立了标准起草组,并制定了实施计划。
起草组按计划进行了资料收集、工作分工。
收集生态气象观测相关的标准和规范并进行总结,建立了标准编写的初步框架。
(2)组织起草。
2017 年 5 月,根据初步框架,形成了标准草稿。
标准编制组经过多次深入的讨论,完成了对标准草稿的修改和完善。
尤其对其中涉及的术语与定义、标准内容、技术方法等进行审定。
(3)完成初稿。
2017 年 6 月,标准初稿完成,提交主管机构审核。
(4)标准立项。
2017年 8 月 22 日,中国气象局政策法规司关于下达 2018 年气象行业标准制修订及预研究项目计划的通知(气法函〔2017〕 39 号),确定进行《农业气象自动观测规范通则》(以下简称“规范”)编制,项目编号 QX/T-2018-43。
农业气象观测数据上传文件的生成、发报步骤大家好,下面的操作步骤如有不妥,请以系统的帮助文档为准。
农业气象观测站上传的数据文件是指农业气象观测站(含农业气象试验站)通过人工观测或仪器自动记录的数据按一定规则记录形成的实时数据文件,包括作物要素数据文件、土壤水分要素数据文件、自然物候要素数据文件、畜牧要素数据文件、灾害要素数据文件和基本气象要素数据文件共六大类。
也就是说把平时观测的数据按规定时间及时上传,旬(月)末还要上传基本气象要素数据。
一、农业气象观测要素文件整理数据服务→Z文件→农业气象观测要素(A) →簿记录→选项→重置初始日期→编报→关闭1、“簿记录”:实际操作时,可根据业务需要,选择一个或几个记录簿2、选项:⑴上传要素:先选中“修改规定上传要素”项目,再点击“规定上传要素”栏下的相应要素,包括作物、不同观测地段的土壤水分要素、自然物候和畜牧。
⑵“编报参数”:可以设置一些编报文件的参数,如编报文件的时间、附加内容等项目。
其中,默认的上传文件中的时间编报到年月日,因整理、传输频繁时,可以扩展到小时或分种,这里我们可以设置为“小时”;土壤水分常数不必每次传输,台站首次启用本测报系统或土壤水分常数改变而重新测量时传输;土壤未发生冻结和解冻期间,可以不编报冻结和解冻日期;有本站的气压传感器拔海高度的,可编辑该项目,比如108.4输入为1084。
⑶重置初始整理日期:“初始日期”栏:各类实时农业气象观测要素需要上报的时段,是由系统根据上次传输截止时间自动确定的,一般情况下,无需人工选择。
但新观测年度开始时,需要确定开始传输的开始时间(初始日期)。
选中“重置初始整理日期”复选项,点击日期下拉按钮(图5.21),选择要作为起始读取报文内容的时间点,包括年分、月份和日,如非越冬作物一般选本年度的“1月1日”作为初始检索时间,越冬作物如冬小麦等作物,选择上一年度播种前的日期。
如果因作物、土壤水分、物候要素需要设置的“初始日期”不同,可以分别设置,逐步生成作物、土壤水分、物候要素的Z文件。
90QX/T 2019—气象行业标准《地面自动站状态信息 XML格式》编制说明一、工作简况1、任务来源年)》,持续推年全国气象局长会议精神和《气象信息化发展规划(2018-2022为贯彻落实2019提出了地面自动站状态信息加强地面自动站状态信息在业务中的应用,进气象信息化标准化建设工作,标准化格式的编制任务,要求统一规范新型自动气象站设备状态信息格式。
年第二批气象行业标准2019 月22日,中国气象局政策法规司印发的《法规司关于下达2019年4 XML号)中明确,本项目名称为《地面自动站状态信息2019〕25制修订项目计划的通知》(气法函〔(SAC/TC346)本标准由全国气象基本信息标准化技术委员会2019-90。
》制订标准,项目编号为QX/T 格式归口。
、起草单位2 本标准起草单位为:中国气象局气象探测中心也得到了湖北省气象局、广西壮本标准的编制工作得到了中国气象局观测司和法规司的悉心指导, 族自治区气象局等单位的大力支持。
3、主要工作过程年,在中国气象局气象信息化工作的部署下,中国气象局气象探测中心牵头组成标准编制小2018 组,开始进行标准编制工作调研,查阅国内外相关标准、文献等,为标准编制做好准备。
(气法年第二批气象行业标准制修订项目计划的通知》收到《法规司关于下达2019 2019年4月,号)文件后,编制小组明确了任务分工和时间进度,确保按照中国气象局要求的时间节252019〕函〔点完成标准编制任务,经过内部讨论编制形成标准工作讨论稿。
11月编制组对相关内容进行了修订和完善,形成标准征求意见稿。
2019年 4、标准主要起草人及其所做的工作沈超本标准主要起草人为张鑫、汪洲、黄剑钊、本标准主要起草单位为中国气象局气象探测中心,等人。
二、标准编制原则和确定标准主要内容的论据1、标准编制原则(1)规范性本标准编制过程中查阅了大量相关著作和文献,确保编制的科学性,依据GB/T 1.1—2009《标准化工作导则第1部分:标准的结构和编写》给出的规则起草,符合标准编写要求,确保标准的规范性。
气象行业标准《农业气象观测数据XML格式》编制说明一、工作简况1.任务来源本标准由全国气象基本信息标准化技术委员会提出并归口。
2019年4月中国气象局政策法规司下发《2019年第二批气象行业标准制修订项目计划》(气法函〔2019〕25号),本标准正式立项,立项名称《农业气象观测数据XML格式》,项目编号QX/T-2019-86,起草单位为国家气象信息中心。
2.协作单位国家气象中心。
3.主要工作过程(1)成立起草组2019年6月,成立标准起草组,制定编制计划,认真学习了预报司和观测司在2019年6月下发的《预报司关于开展农业气象数据格式标准化扩大试点工作的通知》及《农业气象观测数据XML格式(试用)》,在6个试点省11个试点站积极开展试用版的农业气象观测XML格式的试点工作,收集试点工作中运行的问题。
(2)组织起草,完成征求意见稿2019年12月,根据试点工作中发现的问题,修改农业气象观测数据XML格式,形成初稿,并在标准起草组内部进行了讨论。
2020年4月,根据《气象数据元时间》和《农业气象和生态气象数据二级分类与编码》,对初稿进行修改,形成征求意见稿。
4.标准主要起草人及其所做的工作本标准主要起草人为王颖、李轩、庄立伟、张苈、梁剑虹,分工如下:王颖,负责组织本标准的编制工作,以及标准的起草、修改和完善。
李轩,负责本标准中元素对应的数据元代码确认。
庄立伟,参与本标准的农气二级分类与编码,以及试点试验工作。
张苈,参与本标准前期农气资料调研和XML格式试用稿确认。
梁剑虹,参与本标准前期农气资料调研和XML格式试用稿确认。
二、编制原则和确定标准主要内容的论据1.编制原则(1)科学性原则本标准在编制过程中,对目前业务运行的农业气象观测数据TXT格式进行了大量的调研工作,在充分了解农业气象观测业务规范和业务特点的基础上,遵循《预报司关于印发BUFR 等6种气象数据标准格式应用指南的通知》(气预函[2017]39号)附件的《XML格式应用指南(试用版)》进行起草和编制,具有科学性。
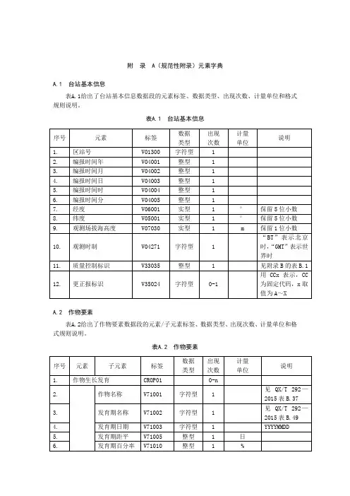
附录A(规范性附录)元素字典
A.1 台站基本信息
表A.1给出了台站基本信息数据段的元素标签、数据类型、出现次数、计量单位和格式规则说明。
表A.1 台站基本信息
A.2 作物要素
表A.2给出了作物要素数据段的元素/子元素标签、数据类型、出现次数、计量单位和格式规则说明。
表A.2 作物要素
A.3 土壤要素
表A.3给出了土壤要素数据段的元素/子元素标签、数据类型、出现次数、计量单位和格式规则说明。
表A.3 土壤要素
A.4 自然物候要素
表A.4给出了自然物候要素数据段的元素/子元素标签、数据类型、出现次数、计量单位和格式规则说明。
表A.4 自然物候要素
A.5 畜牧要素
表A.5给出了畜牧要素数据段的元素/子元素标签、数据类型、出现次数、计量单位和格式规则说明。
表A.5 畜牧要素
A.6 农业气象灾害要素
表A.6给出了气象灾害要素数据段的元素/子元素标签、数据类型、出现次数、计量单位和格式规则说明。
表A.6 农业气象灾害要素
附录 B
(规范性附录)
代码表
B.1.质量控制标识
B.2.生长状况
B.3.农事活动质量
B.4.植株器官
B.5.大田水平
B.6.地段类型
B.7.土层状态
B.8.降水灌溉与渗透项目
B.9.草层状况评价
B.10.采食度
B.11.膘情等级
B.12.畜群有无棚舍
B.13.草层类型
B.14.场地类型
B.15.受灾等级
B.16.预计对产量的影响。
生态气象观测数据传输文件格式1范围本文件规定了生态气象观测数据传输文件命名和文件结构。
本文件适用于江西省陆地生态气象观测数据的传输、存储和应用等。
2规范性引用文件下列文件中的内容通过文中的规范性引用而构成本文件必不可少的条款。
其中,注日期的引用文件,仅该日期对应的版本适用于本文件;不注日期的引用文件,其最新版本(包括所有的修改单)适用于本文件。
GB/T40153气象资料分类与编码GB/T31163太阳能资源术语GB/T50095水文基本术语和符号标准GB3095环境空气质量标准GB/T7408数据元和交换格式信息交换日期和时间表示法QX/T381.1农业气象术语第一部分:农业气象基础QX/T200生态气象术语QX/T444近地层通量数据文件格式QX/T419空气负离子观测规范电容式吸入法QX/T129气象数据传输文件命名QX/T132大气成分观测数据格式3术语和定义下列术语和定义适用于本文件。
3.1生态气象观测eco-meteorological observation运用生态学和气象学的观测方法,对生态系统中反映系统结构和功能的气象要素与相关生态因子进行的观测。
[来源:QX/T381.1—2017, 6.4]3.2国际协调时间Coordinated Universal Time;UTC协调世界时由国际计量局与国际地球自转服务(IERS)维护的时间标度,是各标准频率和时间信号协调播发的基准。
注:中国大陆、中国香港、中国澳门、中国台湾的时间与UTC的时差均为+8,即UTC+8。
[来源:GB/T7408—2005, 3.1,有修改]3.3冠层温度canopy temperature植被冠层的表面温度。
注:一般用红外测温仪测定。
[来源:QX/T381.1—2017, 4.32]3.4通量flux单位时间内通过一定面积输送的动量、热量(能量)或物质等物理量的总称。
[来源:QX/T444-2018, 2.3]3.5通量数据flux data对湍流数据,利用涡动协方差方法计算得到的通量,以及计算中所需要的各种统计量和能量平衡中常规传感器的测量结果的数据。
基于B/S的农业气象自动化观测系统国家级平台设计与应用作者:沈超吴东丽李巍来源:《现代农业科技》2019年第20期摘要 ; ;农业气象自动化观测系统国家级平台是依托中国气象局组织的农业气象自动化观测试点工作而设计开发,平台的搭建采用B/S架构实现多级用户、跨平台登录,采用XML及JSON等数据传输格式实现国家级、省级、台站级用户信息交互,实现农业气象观测XML数据传输状态的监控、台站端设备状态的评估以及数据内容的实时查询。
关键词 ; ;B/S架构;农业气象;自动观测;设计;应用中图分类号 ; ;S163;TP274 ; ; ; ;文献标识码 ; ;A文章编号 ; 1007-5739(2019)20-0188-03 ; ; ; ; ; ; ; ; ; ; ; ; ; ; ; ; ; ; ; ; ; ; ; ; ; ; ; ; ; ; ; ; ; ; ; ; ; ; ; ; ; ; 开放科学(资源服务)标识码(OSID)Abstract ; ;Based on the pilot project of agrio-meteorological automation observation organized by China Meteorological Administration,the national platform of agro-meteorological automated observation system was designed and developed.Constructed with B/S architecture,the platform achieves the goal of multi-level user and cross-platform login.Designed with an effective data transmission format which commonly known as XML and JSON,the platform implements the information interaction of users in national,provincial and station level,also implements monitoring the status of XML data transmission in agro-meteorological observations and evaluation the status of the station equipment and real-time query of the data content.Key words ; ;B/S architecture;agro-meteorology;automation observation;design;application农业气象观测是农业气象业务、服务和科研的基础,是我国综合气象观测系统的重要组成部分,对提升我国农业智能化水平具有重要意义[1-3]。
气象行业标准《农业气象观测规范花生》编制说明一、工作简况1.任务来源本标准由全国农业气象标准化技术委员会(SAC/TC539)提出并归口。
2019年9月30日中国气象局政策法规司下达了《中国气象局政策法规司关于下达2020年气象行业标准制修订及预研究项目计划的通知》(气法函〔2019〕28 号),《农业气象观测规范花生》项目正式立项,项目编号QX/T-2020-27。
2.协作单位本标准由河南省气象科学研究所负责编制,河南省驻马店市气象局、河南省郑州市气象局、河南省泛区农场气象局参加起草。
3.主要工作过程2019年9 月中国气象局政策法规司下达了《中国气象局政策法规司关于下达2020年气象行业标准制修订及预研究项目计划的通知》(气法函〔2019〕28 号),《农业气象观测规范花生》被作为气象行业标准项目立项。
2019年12月由河南省气象科学研究所牵头联合驻马店市气象局、郑州市气象局、泛区农场气象局正式成立了标准编制起草小组。
2020年1月上旬至4月下旬,在《农业气象观测规范》(上卷)的基础上,起草小组人员依据农业气象一线观测经验、花生特色气象服务中心试验及研究情况,结合河南省气象局2019年花生标准预研究成果,综合各方面情况编制了《农业气象观测规范花生》征求意见稿。
4.标准主要起草人及其所做的工作本标准起草小组成员如下:负责人:张志红河南省气象科学研究所成员:马青荣成林、杨光仙、王秀萍、李彤霄、杜子璇、胡程达、史桂芬,河南省气象科学研究所李书岭河南省郑州市气象局郑亚杰河南省泛区农场气象局房稳静、武建华、陈建杰河南省驻马店市气象局张志红:负责本标准的总体设计、组织验证试验、标准起草修改。
马青荣、成林、杨光仙、王秀萍、李书岭、李彤霄、杜子璇、胡程达、房稳静、史桂芬、郑亚杰、武建华、陈建杰分别负责各地试验区验证试验、参与实地调研、分工搜集相关研究成果、分别负责相关章节内容的编写和修改。
二、标准编制原则和确定标准主要内容的论据1.标准编制原则《农业气象观测规范花生》标准主要依据连续性原则、可操作性原则、实用性原则。
气象行业标准《气象观测质量管理体系建设指南》编制说明一、工作简况1. 任务来源本标准由全国气象仪器与观测方法标准化技术委员会(SAC/TC507)提出并归口。
2019年4月22日由中国气象局法规司下达中国气象局气象探测中心,项目编号QX/T-2019-61,立项名称为《气象观测质量管理体系建设指南》。
2、牵头单位本标准编制牵头单位是中国气象局气象探测中心。
3、协作单位本标准的编制协作单位包括:北京市气象爱局、安徽省气象局、江西省气象局和河北省气象局等。
4. 主要起草人及所做工作本标准主要起草人为李雁、雷勇、张鹏、王得来、汪勇进、罗晶、徐梦维,其分工如下:李雁,本标准起草负责人,负责整体架构设计、组织和终稿修改;其余人员,负责资料搜集、参与初稿起草。
4. 主要工作过程本项目于2019年4月份成立标准起草组,开始有关本标准的编写工作。
2019年5-6月份,项目组从各种渠道收集与本标准有关的信息和资料,包括:ISO9001质量管理体系相关标准、中国气象局相关管理文件以及气象观测质量管理体系建设相关技术文档,并对国内气象组织及本标准可能使用者的信息和资料进行了认真的分析、比较和研究。
基于研究结果初步制定了本标准架构。
2019年7-9月份,制定标准的编写分工,汪勇进负责引言、徐梦维负责1-3章编写,张鹏负责4-6章编写,罗晶、王得来和汪勇进负责第7章编写,汪勇进负责第8-9章编写,并制定了标准的编写原则、体例和时间等要求,构建了专用微信群就编写过程中问题进行及时沟通,9月底前完成了标准的初稿编制。
2019年10月,李雁对整体标准的初稿进行了统稿,并和全国第一批观测质量管理体系建设单位、专业机构人员进行了沟通,对标准的结构进行了调整,主要为如下几方面:弱化引言部分内容,尤其是气象观测质量管理体系的特点、与其他质量管理体系的关系,将本标准中涉及到的相关术语和定义统一放到《气象观测质量管理体系基础和术语》标准。
气象行业标准《人工影响天气作业信息 XML格式》编制说明一、工作简况1. 任务来源2018年12月3日,中国气象局预报与网络司印发《气象信息化标准体系(2018版)》的通知(气预函〔2018〕67号)。
按照文件要求加强气象数据元、数据格式和数据接口等急用关键标准的立项申报和制修订工作,为气象信息化建设运行提供支撑保障;加快技术规范和管理规定的制定工作,积极构建规范有序的管理体系。
此外,根据预报司气象数据格式标准化以及《预报司关于印发BUFR等6种气象数据标准格式应用指南的通知》(气预函〔2017〕39号文)推进气象信息化基础工作,强化气象数据标准格式应用的要求,人工影响天气作业信息应纳入气象数据标准格式进行统一编码。
目前,人工影响天气作业信息还没有全国统一的编码格式规范。
根据《人工影响天气业务现代化建设三年行动计划》(气办函[2016]167号)对人工影响天气作业信息采集和传输的业务要求,作业结束后,作业单位需按照统一格式在固定时间内逐级上传作业信息。
为具体实践《三年行动计划》和气象局有关信息标准化的任务安排,提高人影业务规范化水平,拟对人影作业信息格式和内容进行规范。
本标准采用XML格式编制,由全国气象基本信息标准化技术委员会提出并归口。
2019年10月9日由中国气象局下达中国气象科学研究院,项目编号QX/T-2020-62。
2. 协作单位本标准起草单位为中国气象科学研究院,无协作单位。
3. 主要起草人及所做工作本标准主要起草人为王飞、李德全、周毓荃,其分工如下:王飞,负责标准的总体设计、起草、意见处理和修改与定稿,编制说明的起草、修改与定稿。
李德全,负责标准中XML格式匹配和语法内容把关,结合人影作业信息内容和结构起草相关编码要素字典。
周毓荃,负责标准中技术内容和相关人影业务政策规范的咨询和建议。
4. 主要工作过程(1)2019年10月,酝酿组建标准编制起草组,起草组由三方面入手,包括国内外相关技术标准的查阅,现行人影业务中作业信息的整理与分类,XML格式的编码规则和语法学习。
气象行业标准《天气雷达运行状态与告警信息XML格式》编制说明一、工作简况1.任务来源本标准由全国气象基本信息标准化技术委员会(SAC/TC 346)提出并归口。
根据观测司2019年山洪地质灾害防治气象保障工程建设中气象观测标准建设项目计划安排,由中国气象局气象探测中心牵头完成本标准化建设任务,项目编号为QX/T-2019-89,标准中文名称为《天气雷达运行状态与告警信息XML格式》,英文名称为《Operation status and warning information in XML format for Weather Radar》。
2.牵头单位本标准的编制牵头单位是中国气象局气象探测中心。
3.协作单位本标准的编制协作单位包括:湖南省气象技术装备中心、上海市计量测试技术研究院。
4.标准主要起草人及其所做的工作标准主要起草人及其所做的工作如表1所示。
表1 标准主要起草人5.主要工作过程(1)成立编制组,启动编制工作2019年4月接到标准编制任务后,成立标准编制组,编制组负责人为王箫鹏。
2019年4月11日,标准编制组召开标准制定专题会议,明确了编制组人员分工任务,确定了标准编制原则和总体思路,制定工作进度计划。
(2)组织学习、研讨、咨询,完成初稿编写2019年4月15日,标准编制组召开标准制定编制会议,根据2018年天气雷达运行状态和告警XML 格式试验工作完成情况,就标准具体技术参数、框架、主要内容的论据等进行讨论。
2019年4月19月,初步完成标准的初稿,并开始进行内部专家评审。
2019年5月至7月,先后召开三次编写会,对前期编制工作进行研讨,完成标准初稿和编制说明的编写。
(3)完成征求意见稿2019年8月至9月,邀请行业内专家,初步征询其对标准初稿的意见并就关键技术问题进行研讨。
并根据GB/T 1.1—2009《标准化工作导则第1部分:标准的结构和编写》的规定,对标准初稿进行修改,完成了征求意见稿,同时对编制说明进行了完善。
河南省气象局观测与网络处
气测函〔2011〕9号
关于使用农业气象测报软件
制作观测记录报表的通知
各省辖市气象局,省气候中心、气象科学研究所:
农业气象测报业务系统软件(AgMODOS)经过升级和完善,目前已具备制作观测记录报表的条件。
经研究,从2011年5月开始,全省35个国家农业气象观测站,使用农业气象测报软件制作农业气象观测记录报表。
现将有关事宜通知如下:
一、制作报表的种类
农气表-1:作物生育状况观测记录年报表;
农气表-2:土壤水分观测记录年报表;
农气表-3:自然物候观测记录年报表。
二、有关要求
(一)使用农业气象测报软件制作报表时,应严格遵守系统自动生成的原则,不得擅自更改观测数据。
(二)从2011年5月开始,台站上报计算机打印的观测记录报表(每次2份)。
报表在上报前,台站必须按照现行规定进行预审。
观测记录报表经省气候中心审核后,自存1份,另1
份按要求上报国家气象信息中心。
(三)按照《农业气象测报软件应用质量考核办法》,对使用软件制作报表工作进行质量考核。
(四)软件在使用中若遇到问题,请及时报告我处。
二〇一一年五月十一日
主题词:农气观测报表通知
河南省气象局观测与网络处2011年5月11日印发
校对:穆晓涛。
全国智慧农业气象服务平台数据存储规范一、引言智慧农业气象服务平台的建设和运营离不开大量的数据支持,数据存储规范是确保数据的安全性、完整性和可用性的重要保障。
本文旨在制定全国智慧农业气象服务平台数据存储规范,以便实现数据的有效管理和利用。
二、数据存储需求1. 数据分类:根据数据的类型和用途,将数据分为气象观测数据、农业生产数据、农业管理数据、农业应急数据等多个类别。
2. 数据量级:考虑到智慧农业气象服务平台的规模和数据的增长趋势,需要提供足够的存储容量,以满足数据的长期存储需求。
3. 数据安全:确保数据的机密性、完整性和可用性,采取适当的安全措施,如数据备份、加密存储等。
4. 数据共享:支持数据的共享和开放,提供合理的数据访问权限管理机制,以满足不同用户的需求。
5. 数据备份和恢复:建立定期的数据备份和灾难恢复机制,以保证数据的安全性和可靠性。
三、数据存储规范1. 存储架构:采用分层存储架构,将数据分为热数据、温数据和冷数据,根据数据的访问频率和重要性,分配不同的存储介质和存储策略。
2. 存储设备:选用高性能、高可靠性的存储设备,如固态硬盘(SSD)和磁盘阵列(RAID),以提供快速的数据读写和可靠的数据存储。
3. 存储格式:采用标准的数据存储格式,如CSV、JSON、XML等,以便数据的交换和共享。
4. 存储容量规划:根据数据的增长趋势和存储需求,进行存储容量规划,确保存储空间充足,并预留一定的扩展空间。
5. 数据备份:建立定期的数据备份机制,将数据备份到不同的存储介质和地点,以防止数据的丢失和损坏。
6. 数据恢复:建立数据恢复机制,能够及时恢复因硬件故障、软件故障或者人为操作失误导致的数据损坏或者丢失。
7. 数据安全:采取多层次的数据安全措施,包括访问控制、身份认证、数据加密等,以保护数据的机密性和完整性。
8. 数据访问权限管理:建立合理的数据访问权限管理机制,根据用户的角色和需求,设置不同的数据访问权限,确保数据的安全和合规性。
农业气象观测报表制作及管理系统
杨太明;马晓群;张爱民;江胜国
【期刊名称】《中国农业气象》
【年(卷),期】2002(023)002
【摘要】农气观测报表制作及管理系统是一个覆盖农气台站现有观测作物的编报、报表微机自动制作及报表数据管理的农气基本业务软件,主要实现农气旬月报(HD-03)报文自动编制、农气观测簿数据录入、3类农气报表(农作物、土壤湿度及物候观测报表)的自动打印输出及报表数据的标准存储和管理.
【总页数】5页(P36-39,52)
【作者】杨太明;马晓群;张爱民;江胜国
【作者单位】安徽省气象科学研究所,合肥,230031;安徽省气象科学研究所,合
肥,230031;安徽省气象科学研究所,合肥,230031;安徽省桐城市气象局
【正文语种】中文
【中图分类】TP315
【相关文献】
1.地面气象观测记录年报表制作 [J], 包颖;于慧波
2.农业气象观测数据管理和报表制作系统 [J], 黄永平
3.地面气象观测记录年报表制作与审核技术 [J], 周志刚
4.江西省农业气象观测记录报表信息化管理系统 [J], 杜筱玲
5.农业气象观测记录报表资料管理系统设计方法 [J], 陈怀亮;王良宇;张雪芬
因版权原因,仅展示原文概要,查看原文内容请购买。
农业气象测报系统(AgMODOS)观测数据处理的若干技巧溪玉香;胡诚鑫;赵玮;张瑞兰;胡志新【期刊名称】《山西气象》【年(卷),期】2011(000)002【摘要】The problems which were encountered during using the agro-meteorological forecasting system software (AgMODOS) running of AgMODOS. were sorted. Some skills in observation and inputting were given in this paper. It ensured right The outputting report were%本文对农业气象测报业务系统软件(AgMODOS)运行中遇到的各类问题进行整理,提出了在观测、输入等方面的一些技巧,并给出了具体的技巧性的方法,从而保证了AgMODOS系统在业务中的正常运行,达到了报表输出准确,服务资料及时正确的目的,可供全国各类农业气象台站的农气观测人员使用借鉴。
【总页数】3页(P44-46)【作者】溪玉香;胡诚鑫;赵玮;张瑞兰;胡志新【作者单位】山西省气象信息中心,山西太原030006;山西省介休市气象局,山西介休031200;山西省气象局,山西太原030002;山西省气象局,山西太原030002;山西省气象信息中心,山西太原030006【正文语种】中文【中图分类】TP31【相关文献】1.基于AgMODOS系统整合内蒙古农业与生态气象测报业务 [J], 刘天琦;郑玉峰;韩仲强;张德龙;陶鑫2.提高农业气象测报业务系统软件录入质量的技巧 [J], 马鲜花3.基于地震数据处理的三维地震观测系统设计--泌阳凹陷南部陡坡带三维地震观测系统设计实例 [J], 刘学伟;尹军杰;王德志;贾烈明4.农业气象测报业务系统与农气观测规范相关技术规定统一的分析 [J], 徐淑华;孙丽莉;李玉春;王林凤5.农业气象测报业务系统(AgMODS)输入传输技巧 [J], 张玲;张明;张鸿雁因版权原因,仅展示原文概要,查看原文内容请购买。
气象行业标准《农业气象观测数据XML格式》编制说明
一、工作简况
1.任务来源
本标准由全国气象基本信息标准化技术委员会提出并归口。
2019年4月中国气象局政策法规司下发《2019年第二批气象行业标准制修订项目计划》(气法函〔2019〕25号),本标准正式立项,立项名称《农业气象观测数据XML格式》,项目编号QX/T-2019-86,起草单位为国家气象信息中心。
2.协作单位
国家气象中心。
3.主要工作过程
(1)成立起草组
2019年6月,成立标准起草组,制定编制计划,认真学习了预报司和观测司在2019年6月下发的《预报司关于开展农业气象数据格式标准化扩大试点工作的通知》及《农业气象观测数据XML格式(试用)》,在6个试点省11个试点站积极开展试用版的农业气象观测XML格式的试点工作,收集试点工作中运行的问题。
(2)组织起草,完成征求意见稿
2019年12月,根据试点工作中发现的问题,修改农业气象观测数据XML格式,形成初稿,并在标准起草组内部进行了讨论。
2020年4月,根据《气象数据元时间》和《农业气象和生态气象数据二级分类与编码》,对初稿进行修改,形成征求意见稿。
4.标准主要起草人及其所做的工作
本标准主要起草人为王颖、李轩、庄立伟、张苈、梁剑虹,分工如下:
王颖,负责组织本标准的编制工作,以及标准的起草、修改和完善。
李轩,负责本标准中元素对应的数据元代码确认。
庄立伟,参与本标准的农气二级分类与编码,以及试点试验工作。
张苈,参与本标准前期农气资料调研和XML格式试用稿确认。
梁剑虹,参与本标准前期农气资料调研和XML格式试用稿确认。
二、编制原则和确定标准主要内容的论据
1.编制原则
(1)科学性原则
本标准在编制过程中,对目前业务运行的农业气象观测数据TXT格式进行了大量的调研工作,在充分了解农业气象观测业务规范和业务特点的基础上,遵循《预报司关于印发BUFR 等6种气象数据标准格式应用指南的通知》(气预函[2017]39号)附件的《XML格式应用指南(试用版)》进行起草和编制,具有科学性。
(2)适用性原则
XML(eXtensible Markup Language)可拓展标记语言是通用标记语言(SGML)的子集,是一种简单的数据存储语言。
由于描述数据方式简单,便于建立标记,使用灵活,很适于描述通用性强、交互性高、扩展可能性大的数据,在气象行业取得了较广泛的应用。
气象行业内,随着信息化水平的不断提升,近年逐渐有一些新生的数据资源尝试采用XML 格式规范,例如:旅游景区灾害天气预警和景观气象产品、大气成分温室气体瓶采样资料、国家突发事件预警信息、天气雷达运行状态与告警信息等。
《气象台站历史沿革数据文件格式》行标也在尝试采用XML格式。
农业气象观测数据由于气候条件不同,台站观测任务也有所不同,并且部分观测值以中文字符方式表示,适合采用XML格式编报。
XML的灵活性、易扩展性等优势,使得农业气象观测数据在交互过程中更便于共享交换,更易于正确解读,同时也更顺畅地发挥其应用价值。
本标准在2018年和2019年进行了业务试点,能够满足国内农业气象人工观测数据传输编报业务需求,具有适用性。
(3)规范性原则
在标准格式方面,遵循《预报司关于印发BUFR等6种气象数据标准格式应用指南的通知》(气预函[2017]39号)附件的《XML格式应用指南(试用版)》和XML格式要求,具有规范性。
2.主要内容确定的依据
本标准规定了农业气象作物、土壤水分、自然物候、畜牧气象、农业气象灾害人工观测数据XML格式的数据结构和格式说明,并在附录A和附录B列出了涉及的元素的数据字典和代码表。
XML格式中的观测数据内容和代码表与《农业气象观测资料传输文件格式》(QX/T 292—2015)一致,并根据2017年《农业气象观测站上传数据文件内容与传输规范》V1.2修订版,增加了植株分器官干物质重量、大田生育状况基本情况、大田生育状况调查内容、土壤冻结与解冻、土壤重量含水率、干土层与地下水位、家畜羯羊重调查、畜群基本情况调查、牧事活动调查、草层高度测量和植物灾害观测数据内容。
台站基础信息数据段内容,根据《农业气象观测记录年报数据文件格式》(QX/T 21—2015),增加了观测时制元素。
三、主要实验(或验证)的分析、综述报告,技术经济论证,预期的经济效果
根据2018年《预报司观测司关于印发农业气象观测数据标准格式(试用)的通知》和2019年《预报司关于开展农业气象数据格式标准化扩大试点工作的通知》,在2018年和2019年分别开展了两次农业气象人工观测数据XML格式数据生成、传输、入库、存储、应用的全流程业务试点,涉及到6个试点省11个试点站。
农作物种类涵盖全国各农业区代表性作物,观测要素覆盖现行业务并有所增加,包含作物生长发育、土壤水分、自然物候、畜牧气象和农业气象灾害,实时数据文件和年度数据文件个数分别由5个减少到1个。
试验结果显示,记录完整、数据正确,并计划在2020年12月业务运行。
四、采用国际标准和国外先进标准的程度,以及与国际、国外同类标准水平的对比情况,或与测试的国外样品、样机的有关数据对比情况
目前,国外尚无有关农业气象观测数据的格式规范。
五、与有关的现行法律、法规和强制性标准的关系
本标准不违背现行相关法律、法规和强制性标准。
六、重大分歧意见的处理经过和依据
无。
七、标准作为强制性标准或推荐性标准的建议
建议本标准作为推荐性气象行业标准。
八、贯彻本标准的要求、措施和建议
本标准适用于XML格式的农业气象人工观测数据的国内传输和交换,建议由中国气象局有关职能部门负责组织本标准在国内各级气象部门相关业务系统中的实施,以及协调本标准在非气象部门的数据使用单位和用户中的实施。
九、废止现行有关标准的建议
无。
十、其他应予说明的事项
无。