cnc精雕机切削液
- 格式:doc
- 大小:28.50 KB
- 文档页数:2
简述切削液的种类及作用切削液是在机械加工中广泛使用的一种液体。
它能够降低切削过程中的摩擦热量,并且在切削过程中起到冷却、润滑、清洗和防腐等作用。
根据其成分和用途的不同,切削液可以分为多种类型。
1. 水溶性切削液水溶性切削液是由水和溶剂混合而成的。
主要成分通常包括水、添加剂、润滑剂和防锈剂等。
水溶性切削液具有良好的冷却性能,能够有效降低切削区域的温度,减少刀具磨损。
此外,水溶性切削液还具有良好的润滑性能,能够减少切削时的摩擦,提高切削质量和加工效率。
但是,水溶性切削液的防锈性较差,容易导致刀具生锈,因此在使用时需要注意切削液的稳定性和防锈性。
2. 油基切削液油基切削液主要由矿物油或合成油作为基础油,加入一定的添加剂而制成。
油基切削液具有良好的润滑性能和防锈性能,能够有效降低切削过程中的摩擦和磨损,并且能够形成一层保护膜,防止刀具生锈。
此外,油基切削液还具有较好的冷却性能,能够降低切削过程中的温度。
然而,油基切削液的清洗性较差,容易在工件表面形成油膜,影响工件的后续处理和涂层。
3. 乳化切削液乳化切削液是由水、矿物油和乳化剂等组成的乳液。
乳化切削液既具有水溶性切削液的冷却性能和润滑性能,又具有油基切削液的防锈性能。
乳化切削液能够形成稳定的乳化液,提高切削液的稳定性和防锈性,同时又具有较好的冷却性能和润滑性能。
然而,乳化切削液的乳化性较差,容易发生乳化分离,需要定期添加乳化剂来维持乳化液的稳定性。
4. 高温合成切削液高温合成切削液是一种新型的切削液,在高温条件下具有较好的稳定性和润滑性能。
高温合成切削液采用合成基础油和特殊的添加剂配制而成,能够在高温和高速切削条件下保持较好的润滑性能,并且具有较好的冷却性能和防锈性能。
高温合成切削液适用于高速切削和重切削的加工过程,能够提高加工效率和刀具寿命。
切削液是机械加工中不可或缺的一种液体。
根据其成分和用途的不同,切削液可以分为水溶性切削液、油基切削液、乳化切削液和高温合成切削液等多种类型。
cnc车床加工切削液【cnc车床加工切削液简介】cnc车床加工切削液,具有高润滑及清洗性能,废宵沉淀快,内含特性防氧成份,可有效杜绝铜、铝工件在加工后出现白斑或发黑等氧化变色现象,适用于cnc车床加工铝合金、不锈钢、铜合金、合金钢、碳钢、铸铁、等金属材料。
环保配方,不含锌、醛、重金属、亚硝酸钠、酚等对人体和环境有害的物质,使用安全,易于环保处理。
【cnc车床加工切削液用途】铝合金、不锈钢、铜合金、合金钢、碳钢、铸铁、等金属材料的加工,能显著提高工件的光洁度【cnc车床加工切削液技术参数】1、产品外观:棕黄色(母液)乳白色(稀释后)2、PH值:8.5-9.53、包装:18L(塑料桶),200L(大铁桶)4、保质期:12个月5、全国免费咨询热线:400-8898-938【cnc车床加工切削液相关推荐】东莞美科不锈钢切削液广泛地使用于多转轴,多刀具加工中心与自动车床的高精度加工,高速车削.钻孔。
拉削。
攻牙。
滚齿及刨齿等加工,也适用于合金钢。
高碳钢。
高镍钢。
耐热钢。
模具钢等。
【cnc车床加工切削液知识分享】如果金属加工液的细菌气味和相关腐蚀问题巳经长期存在,那么除了扔掉旧液、清洗机床和更换新液外,其他已经无能为力了.为了防止这种问题的再次发生,应该解决几个步骤。
其中尤其重要的是维持加工液的正确浓度。
一个浓度太低的混合液将很快沦为微生物污染的牺牲品,废弃物污染混合液是产生细菌问题的另一个常见因素。
如果细菌数量增长是新发生的问题,那么简单地在系统中加人正确的杀菌剂可能就足够了。
然而,很重要的一点是调查问题产生的最初原因并预防再次发生。
机加工切削液税收分类编码
机加工切削液是机械加工过程中不可或缺的辅助材料,它能够有效降低刀具与工件之间的摩擦,减少磨损,提高加工效率。
同时,切削液还能冷却和润滑刀具和工件,延长刀具寿命,降低加工成本。
因此,合理选择和使用机加工切削液对于提高我国机械加工行业的竞争力具有重要意义。
根据我国税收政策,机加工切削液属于润滑剂类别,其税收分类编码为“2710”。
这意味着企业购买和使用机加工切削液可以享受到一定的税收优惠政策。
此外,企业还应充分了解各类机加工切削液的性能、适用范围和环保要求,以便根据实际加工需求选择合适的产品。
为了更好地发挥机加工切削液的作用,企业应关注以下几点:
1.选择合适的切削液类型:根据加工材料、刀具材料和加工条件选择合适的切削液,例如金属切削液、非金属切削液和半合成切削液等。
2.注意切削液的性能:切削液的性能直接影响加工效果和刀具寿命。
企业应关注切削液的冷却性能、润滑性能、防锈性能和抗菌性能等。
3.正确使用切削液:企业应制定合理的切削液使用规范,确保切削液在使用过程中能够充分发挥作用。
同时,定期检查和更换切削液,以保证其性能稳定。
4.关注环保要求:在选择和使用机加工切削液时,企业应严格遵守国家和地方的环保法规,降低对环境的影响。
总之,合理选择和使用机加工切削液不仅可以提高加工效率和降低成本,还能为企业带来税收优惠。
CNC机床加工中的冷却液应用与优化冷却液在CNC(数控)机床加工中起着至关重要的作用。
它不仅可以有效降低温度,还能减少摩擦、延长工具寿命,并且改善加工表面质量。
本文将探讨CNC机床加工中冷却液的应用和优化方法,以提高加工效率和降低成本。
一、冷却液的选择与应用在CNC机床加工中,冷却液的选择是至关重要的。
首先,要根据加工材料和工艺要求选择合适的冷却液。
对于不同材料和不同加工方式,冷却液的性能要求也会有所不同。
例如,对于高速切削加工,需要选择具有良好热稳定性和抗泡性的冷却液。
其次,冷却液的应用方式也需要考虑。
常见的冷却液应用方式有湿式加工和干式加工。
湿式加工是指在加工过程中,冷却液与切削区直接接触,起到冷却和润滑的作用。
而干式加工则是在加工过程中不使用冷却液,主要依靠干燥气体吹扫切削区域的碎屑。
不同的加工方式决定了冷却液的使用与否,需要根据具体情况选择合适的方式。
二、冷却液的优化方法为了最大程度地发挥冷却液的功效,需要对冷却液进行优化。
以下是几个常见的优化方法:1. 控制冷却液的浓度和温度冷却液的浓度和温度对加工效果有重要影响。
如果冷却液浓度过高,会导致切削液黏度增大,加工过程中的冷却和润滑效果下降;而浓度过低则会增加切削液消耗量。
因此,要控制好冷却液的浓度。
同时,也要控制冷却液的温度,过高的温度会降低冷却液的散热性能,影响加工效果。
2. 定期更换冷却液冷却液在使用过程中会受到切削液和金属杂质的污染,会影响其性能。
因此,定期更换冷却液是必要的。
一般来说,根据冷却液的使用寿命和加工量来确定更换周期,确保冷却液始终保持良好的性能。
3. 提高冷却液的过滤效果冷却液中的杂质会阻碍切削液的正常流动,影响冷却和润滑效果。
为了减少杂质对冷却液性能的影响,可以加装过滤设备,提高冷却液的过滤效果。
4. 合理使用添加剂适量添加一些合适的添加剂可以提高冷却液的性能。
常见的添加剂包括抗菌剂、抗锈剂、乳化剂等。
根据加工材料和工艺要求,选择合适的添加剂进行添加,以提高冷却液的性能和稳定性。
加工中心切削液浓度标准
加工中心切削液是加工中心加工过程中必不可少的润滑冷却介质,可以有效降低加工温度、延长工具寿命、提高加工精度和表面质量。
切削液的浓度是影响其性能的重要因素之一。
以下是加工中心切削液浓度标准:
1. 切削液浓度一般应在5%~10%之间,具体浓度要根据加工材料、加工方式、加工条件等因素进行调整。
2. 切削液浓度过低会导致加工温度升高、刀具磨损加剧、表面质量下降等问题,同时也会影响切削液的润滑和冷却性能。
3. 切削液浓度过高会导致加工液循环能力下降、加工液泡沫过多、加工液味道异常等问题,同时也会导致切削液的经济性降低。
4. 切削液浓度的调整应该根据实际情况进行,可以通过切削液的测试和实验来确定最佳浓度范围。
5. 为了确保切削液浓度的稳定性,应定期检查切削液的浓度并进行调整,同时还应注意切削液的过滤和清洗,以保证其良好的使用效果。
- 1 -。
切削液处理方案切削液是机床切削加工中不可或缺的一种功能性液体。
它主要用于提供润滑、冷却和切削产物清理的功能,以保证切削过程的顺利进行。
然而,随着切削液的使用时间的增加,切削液中会逐渐积累各种切屑、混入金属粉末和油脂等杂质,这些杂质会影响切削液的性能,威胁切削质量。
因此,采取适当的切削液处理方案是非常重要的。
一、切削液过滤切削液过滤是切削液处理中最常见的方法之一。
通过过滤,可以将液体中的杂质和颗粒物捕获并剔除,从而提高切削液的质量和寿命。
常见的过滤方法包括机械过滤、纸质过滤和磁力过滤等。
机械过滤是利用物理孔隙对液体进行过滤,纸质过滤则利用纸质滤芯对切削液进行过滤。
磁力过滤则是通过磁力吸附的原理,将含有金属颗粒的切削液分离处理。
二、切削液添加剂维护切削液添加剂是用于调整切削液性能的重要组成部分。
在切削液使用过程中,添加剂会逐渐被消耗和降解,因此需要及时进行维护和补充。
常见的切削液添加剂包括抗菌剂、乳化剂、pH调节剂等。
抗菌剂可以抑制细菌和霉菌的生长,防止切削液的变质。
乳化剂可以使液体和切削油均匀混合,保持合适的切削性能。
pH调节剂则用于调整切削液的酸碱度,避免腐蚀切削工具和零件。
三、切削液循环系统设计切削液循环系统是切削液处理的重要环节。
合理的循环系统设计可以有效地清洗和循环切削液,防止杂质积累和污染。
一个典型的切削液循环系统包括废液收集装置、过滤装置、冷却装置和泵浦等。
废液收集装置用于收集机床产生的废液,通过过滤装置来清除杂质和颗粒物。
冷却装置则用于降低切削液的温度,提供良好的切削效果。
泵浦则负责将清洗后的切削液重新引导回机床和润滑系统。
四、切削液定期检测和更换为了确保切削液的质量和性能,定期检测和更换切削液是必要的。
检测切削液的pH值、浓度、菌落总数、液位等指标可以快速判断切削液是否达到使用要求。
当切削液达到一定程度的寿命或不再满足切削要求时,需要及时更换切削液,以保持切削加工的稳定性和质量。
结论切削液处理方案是确保切削过程高效进行的关键环节。
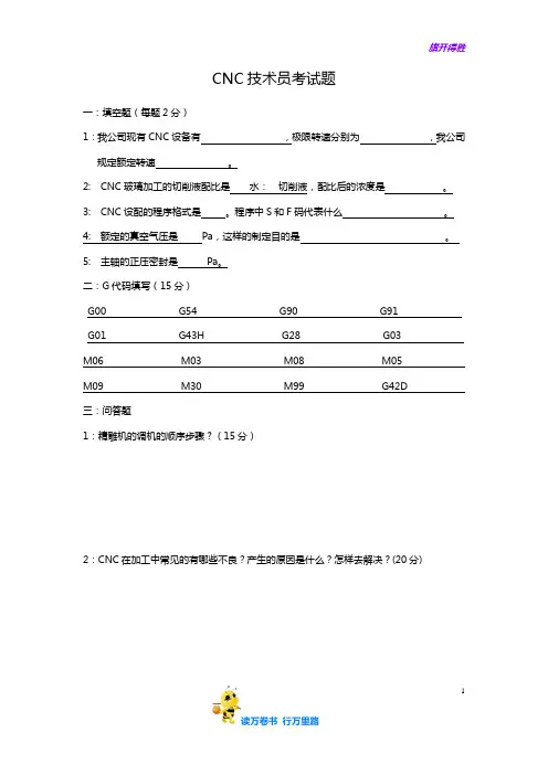
CNC技术员考试题
一:填空题(每题2分)
1:我公司现有CNC设备有,极限转速分别为,我公司规定额定转速。
2: CNC玻璃加工的切削液配比是水:切削液,配比后的浓度是。
3: CNC设配的程序格式是。
程序中S和F码代表什么。
4: 额定的真空气压是Pa,这样的制定目的是。
5: 主轴的正压密封是Pa。
二:G代码填写(15分)
G00 G54 G90 G91
G01 G43H G28 G03
M06 M03 M08 M05
M09 M30 M99 G42D
三:问答题
1:精雕机的调机的顺序步骤?(15分)
2:CNC在加工中常见的有哪些不良?产生的原因是什么?怎样去解决?(20分)
1
3:说下你对cnc技术员职位的理解,自己应该以什么的心态去对待这个岗位?(10分)4:什么是安全生产?cnc在加工要注意哪些事项?(10分)
5:实际操作
现场调试A006机台一台,并在一小时内做出首件产品。
(20分)
2。
适用于数控机床的切削液选择数控机床作为现代制造业中不可或缺的设备之一,其切削液的选择和应用对于工件的加工质量、刀具寿命和设备性能都有着至关重要的影响。
本文将就适用于数控机床的切削液选择进行详细的探讨和分析,以帮助读者更好地了解如何选用合适的切削液,提升机床加工效率和性能。
1. 切削液的基本概念和作用切削液是指在数控机床加工过程中,用于冷却、润滑和清洗切削区域的一种液体。
它能有效地降低切削温度,减少工件和刀具的磨损,并促进切屑的排出,从而提高切削效率和加工质量。
切削液的主要作用包括:1.1 冷却切削区域:切削过程中会产生大量的热量,如果不及时冷却,会导致工件变形、刀具破裂等问题。
切削液通过吸收热量并迅速散热,保持切削区域的温度在适宜范围内。
1.2 润滑切削面:切削液能有效地润滑切削面,降低切削过程中的摩擦和热量产生,减少刀具的磨损和工件的表面粗糙度。
1.3 清洗切屑:切削液可以冲洗切屑,防止切屑在切削区域堆积,影响加工质量和刀具的寿命。
2. 切削液的选择原则2.1 适应材料和切削工艺:不同的切削液适用于不同的材料和切削工艺。
在选择切削液时,要充分考虑加工材料的种类和特性,以及切削工艺的要求,确保切削液能够与工件和刀具良好相容,并且满足特定的切削要求。
2.2 具备良好的散热性能:切削液在切削过程中要能够快速吸收和散热热量,降低切削区域的温度。
因此,切削液的导热系数和热传导性能是选择切削液时需要考虑的重要指标。
2.3 具有优异的润滑性能:切削液的润滑性能直接影响切削面的摩擦系数和磨损程度。
选择具有良好润滑性能的切削液可以有效地降低切削过程中的摩擦热量和刀具磨损,提高加工质量和刀具寿命。
2.4 对环境友好:在现代制造业追求绿色环保的潮流下,选择环境友好型的切削液也是一个重要的考虑因素。
环保性能包括切削液的挥发性、毒性和可降解性等方面。
3. 常见的切削液类型及其适应性3.1 油性切削液:油性切削液是最常用的一种切削液,其主要成分是矿物油或合成油。
切削液的作用种类及应用切削液是在机械加工过程中使用的一种液体,其主要作用是冷却和润滑切削区域,提高切削加工的效率和质量。
切削液的种类多样,根据其成分和功能,可分为冷却液、润滑油和复合液等。
接下来,我将详细介绍切削液的种类及其应用。
一、冷却液冷却液是切削液中最常用的一种,主要成分是水。
其主要作用是保持切削区域温度在合理范围内,避免高温对切削工具和工件的损伤。
冷却液具有导热性好、吸热散热快、成本低廉等优点。
常见的冷却液有清洗剂、防锈剂等。
冷却液的应用范围广泛,适用于金属切削、磨削、锯削等各种加工过程。
特别是在高速切削和重切削加工中,冷却液的应用非常重要,可以降低摩擦和磨擦,提高切削效率和切削质量。
二、润滑油润滑油主要成分是油,其主要作用是减少切削工具与工件之间的摩擦和磨损,提高切削工具的使用寿命和加工质量。
润滑油的种类较多,包括机油、润滑脂等。
润滑油适用于各种加工过程,特别是金属切削过程中,润滑油可以较好地减少材料切削时的摩擦,降低工具磨损,提高加工效率和质量。
三、复合液复合液是由冷却液和润滑油按一定比例混合而成的,一般在金属切削加工过程中使用。
复合液既具有冷却液降温的作用,又能发挥润滑油减少摩擦的作用。
其具有良好的冷却和润滑效果,同时还可减少切削噪音和切屑粘附。
复合液的应用范围广泛,特别是在高速切削和重切削加工中,其效果更为显著。
复合液可以有效地提高加工效率和加工质量,同时减少工具磨损,提高切削工具的使用寿命。
四、其他切削液除了上述的冷却液、润滑油和复合液之外,还有一些特殊功能的切削液。
例如,防焊剂可以防止工作表面焊接在切削刀具上,减少不良切削;防粘剂可以减少切屑的粘附;防氧化剂可以防止工件表面氧化;防蚀剂可以防止金属材料腐蚀等。
这些切削液根据具体的应用需求,进行选择和使用。
总结起来,切削液的作用种类及应用非常广泛,不同的切削液适用于不同的加工过程和材料。
合理选择和使用切削液可以有效地提高加工效率和质量,减少切削工具的磨损,延长使用寿命。
切削液的作用是什么
切削液是一种特殊的液体,在机械加工过程中用于冷却和润滑工件和刀具的切削区域。
以下是切削液的几个主要作用:
1. 冷却作用:切削过程中,由于摩擦和变形,工件和刀具会产生大量的热量,过高的温度会导致刀具失去硬度和刚性。
切削液通过吸收和带走这些热量,降低切削区域的温度,有效地延长刀具的使用寿命。
2. 润滑作用:切削液能够在工件和刀具之间形成一层薄薄的润滑膜,减少切削时的摩擦力,并使刀具更加顺畅地进行切削。
这有助于降低切削力和功耗,提高切削表面的质量。
3. 清洁作用:切削液能够冲洗掉切削过程中产生的切屑和废料,防止其重新附着在工件和刀具上,保持切削区域的清洁。
同时,切削液还能够冲洗掉切削区域产生的砂粒和磨粒,减少切削磨损和刀具的磨损。
4. 防锈作用:切削液中一般含有防锈剂,可以在切削过程中防止工件和刀具受到氧化和生锈的影响。
这有助于保护刀具的表面质量和延长其使用寿命。
总之,切削液在机械加工中起到冷却、润滑、清洁和防锈等多种作用,可以提高加工效率、延长刀具寿命,同时改善切削表面的质量。
切削液配方及制作方法
切削液是在切削加工中用于冷却、润滑和清洁的液体。
它的配方和制作方法可能因不同的切削工艺和材料而有所差异。
以下是一种常见的切削液配方及制作方法:
配方:
水:占配方总量的60-90%
切削油或切削液添加剂:占配方总量的10-40%
防锈剂:根据需要,一般添加量为1-5%
辅助添加剂:如抗菌剂、氧化剂等,根据需要适量添加。
制作方法:
1.准备一个容器或桶,容量根据实际需求选择。
2.先将适量的水倒入容器中,按照配方中的比例计算。
3.添加切削油或切削液添加剂,可以根据需要的切削性能和润滑性能进行调整。
搅拌均匀。
4.添加防锈剂,这有助于防止切削液在使用过程中受到氧化和腐蚀的影响。
搅拌均匀。
5.根据需要,适量添加辅助添加剂,如抗菌剂、氧化剂等。
搅拌均匀。
6.进一步搅拌切削液混合物,确保各添加剂充分
溶解和均匀分布。
7.最后得到的切削液可根据需要进行过滤和净化,以消除杂质和保持切削液的清洁度。
切削液参数
切削液的参数主要包括切削液的浓度、清洁度、种类等。
1、切削液的浓度:浓度直接影响切削液的润滑性能,从而影响切削过程中的刀具寿命和工件表面质量。
根据不同的加工需求,需要选择不同浓度的切削液。
例如,在加工铝合金时,切削液的浓度一般为8%~10%,而对于铸铁的加工,切削液的浓度一般为5%~7%。
2、切削液的清洁度:切削液中的杂质和颗粒物可能会对切削过程产生不良影响,如损坏刀具、划伤工件表面等。
因此,需要定期检查和更换切削液,以确保其清洁度。
3、切削液的种类:切削液的种类应根据不同的加工需求进行选择。
例如,透明水溶性切削液适用于结构钢的车削、研磨和钻孔,而乳化切削油则适用于金属加工的挤压、车、钻等工序。
此外,对于难切削材料,需要选择特殊的切削液和切削参数,例如在加工硬度高、导热系数低或化学活性大的材料时,需要使用具有良好润滑性能和冷却性能的切削液。
为使切削液保持正常有效的使用状态,确保生产的顺利进行,特制定切削液(微信公众号:cnc实战技术)日常维护及检测规章如下:1、切削液日常外观检查外观检查包括切削液的颜色、气味等。
这些可直观反映切削液的基本状态。
2、切削液系统循环控制为确保切削液的正常使用状态,必须保证切削液良好的循环状态,如遇到长时间停机(指3天以上),建议至少循环半小时。
机床防护门在加工完毕时,最好能敞开一段时间,避免其加工时周围过饱和的冷却液蒸气因湿度骤变,空气水分冷凝而对机床造成的锈蚀。
3、杂油监控切削液系统外来杂油是造成切削液发霉变质的主要因素,必须严格加以监控。
定期进行检查监控,发现杂油混入,应立即查找原因,并及时通知相关部门解决,并及时撇除浮油。
如果条件允许,建议客户定期更换设备上的老化密封体,尽量减少设备润滑系统漏油情况。
4、切削液状况监控现场维护人员应随时检查监控切削液的使用状况,如:刮板排屑状况、过滤纸/布走纸情况,系统管路情况、泵及其切换是否正常等;遇到问题,及时通知有关部门解决,以避免产生因系统故障而造成的不良影响。
5、使用浓度与补充浓度监控浓度是提供机加工过程中良好润滑和冷却作用的关键所在,必须严格监控。
应做到每天检测一次(折光仪法)。
根据浓度推荐,使用浓度应不低于推荐浓度范围的下限。
补充浓度高低根据现场实际使用浓度情况,一般为推荐使用浓度的一半。
同时,对补充浓度与补充量也应记录在案。
6、 pH 值监控通过对 pH 值的检测监控,可以控制切削液酸碱度变化的大小;pH 值的突然大幅度变化通常都预示着切削液其他性能的变化。
至少每周必须检测一次(pH试纸);pH 值应保证在8.5—9.5 之间,pH 值的降低通常预示着切削液长菌及防锈性能的下降。
7、泡沫情况监控因切削液本身成分及使用特点,以及水硬度等原因,都有可能造成使用过程中的切削液产生一定的泡沫。
原因:1、液位过低2、水太软3、切削液浓度过高4、机床设计有缺陷,如流量过大5、泵送系统有空气进入6、产品本身解决方法:1、维持正常的工作液位2、加入适量醋酸钙,增加水的硬度;或者加消泡剂3、降低切削液浓度4、减缓切削液的循环,建议客户调整流量5、检查泵/管道是否有空气入口6、换用抗泡性能较好的产品现场工作人员应做好及时监控(尤其是对新配制的切削液),遇到类似情况,应及时检查工况条件,并采取相应的措施加以控制;添加相关添加剂并统计添加量。
切削液的使用及回收流程1. 切削液的介绍切削液是在机械加工过程中起到冷却、润滑和清洁作用的液体。
它通常由水和一定比例的润滑剂、防腐剂和杀菌剂组成。
切削液的正确使用可以提高加工效率、延长工具寿命,同时还能减轻加工过程中产生的噪音和振动。
2. 切削液的使用方式以下列点方式介绍了切削液的正确使用步骤: - 在使用切削液之前,先将工件和机床清洗干净,以确保切削液能够充分起到作用; - 根据加工要求和切削液的品牌推荐,将适量的切削液加入机床的切削液箱中; - 保持切削液的正常温度,需定期检查和维护切削液供应系统中的冷却器和加热器; - 在加工过程中,切削液要均匀喷洒到切削区域,以确保工具和工件表面保持良好的润滑效果; - 使用切削液后,及时清洗加工区域,避免切削液的残留。
3. 切削液的回收流程切削液的回收可以有效减少环境污染,并减少企业的成本支出。
下面介绍了切削液回收的一般流程: 1. 收集切削液:将使用过的切削液收集到特定的容器中,避免排放到环境中造成污染。
2. 预处理:对收集到的切削液进行粗处理,主要是去除其中的固体颗粒、杂质和废油。
3. 膜处理:将粗处理后的切削液通过膜分离技术进行进一步处理,去除其中的悬浮物和细菌。
4. 冷却器和加热器处理:对经过膜处理后的切削液进行冷却和加热,以满足加工过程中的要求。
5. 残液处理:将回收后的切削液中的残液进行处理,避免对环境造成污染。
6. 贮存和使用:对处理后的切削液进行贮存,并按照需要加入到机床的切削液箱中进行使用。
4. 切削液的回收优势•环境保护:切削液回收能够有效减少废液排放,减少对环境的污染。
•资源节约:回收切削液可以减少对新液体的需求,降低企业的成本支出。
•提高效率:回收后的切削液经过处理后,具有良好的润滑性能和冷却效果,可以提高加工效率和工件质量。
5. 切削液的维护与管理•定期检查切削液的浓度和PH值,及时调整和补充;•对切削液供应系统进行巡检和维护,确保其正常运行;•遵循使用切削液的操作规程,并对操作人员进行培训;•对废切削液进行分类和储存,以便于回收和处理。
CNC机床加工中的刀具冷却与切削液选择刀具冷却与切削液选择在CNC机床加工过程中,刀具冷却和切削液的选择是非常重要的环节。
刀具冷却可以提高切削质量和加工效率,而合适的切削液则可以延长刀具寿命和改善加工表面质量。
本文将探讨CNC机床加工中的刀具冷却与切削液选择问题,并提供一些建议。
一、刀具冷却刀具冷却在CNC机床加工中起着重要作用。
刀具冷却的主要目的是降低切削区的温度,防止切削过程中过热引起的磨损和变形。
刀具冷却还可以降低加工过程中产生的热变形和应力,提高加工的稳定性和精度。
常见的刀具冷却方法有以下几种:1. 冷却液浸泡法:将刀具浸泡在冷却液中,通过冷却液的传导和吸收热量的方式来降低刀具的温度。
这种方法简单易行,但需要选择合适的切削液。
2. 冷却液喷洒法:使用喷嘴将切削液喷洒到刀具上,形成冷却效果。
这种方法可以根据加工需求和材料选择不同的喷洒方式和角度。
3. 气体冷却法:通过吹气或喷气的方式将冷空气或液化气体喷射到刀具上,达到刀具冷却的目的。
这种方法适用于高速加工和对切削液有特殊要求的场景。
在选择刀具冷却方式时,需要考虑加工材料、加工方式、切削速度和切削深度等因素。
不同的材料和加工要求可能需要不同的刀具冷却方式,因此在实际应用中需要根据具体情况进行选择。
二、切削液选择切削液是CNC机床加工过程中不可或缺的一部分。
切削液的主要功能包括冷却、润滑、防锈和清洗等。
合适的切削液可以有效提高加工效率和切削质量,延长刀具的使用寿命。
常见的切削液类型有以下几种:1. 液压油:主要用于金属切削加工中,可以提供良好的润滑和冷却效果。
液压油具有良好的温度稳定性和抗氧化性,可以在高温和重负荷情况下保持稳定的性能。
2. 水溶性切削液:将切削液与水混合而成,适用于各种金属加工。
水溶性切削液具有良好的冷却效果和润滑性能,可以减少切削表面的热变形和摩擦。
3. 纯油切削液:一般采用合成油或矿物油作为基础油,在金属切削中提供良好的润滑性能和稳定性。
切削液使用说明切削液是一种广泛应用于机械加工行业的液体,它在切削过程中起到冷却、润滑和润滑削减切削力的作用。
本文将介绍切削液的使用方法和注意事项,以确保安全和有效的使用。
1. 切削液的种类及选择切削液的种类繁多,常见的有水溶性切削液和油基切削液两种。
水溶性切削液适用于大多数金属材料的切削过程,具有良好的冷却和润滑性能。
而油基切削液适用于对润滑要求较高的加工过程,比如高速切削和重负载切削。
选择切削液时,应根据加工材料、加工过程和所需性能来进行评估。
可咨询切削液供应商或相关专业人员以获取合适的建议。
2. 切削液的正确配比和使用切削液的正确配比对保证其性能和效果至关重要。
通常情况下,水溶性切削液需要与水按一定比例混合后才能使用。
具体的配比比例应根据切削液的类型和厂家推荐来确定。
对于油基切削液,一般不需要稀释。
在使用切削液之前,应先仔细阅读产品说明书,了解正确的使用方法和稀释比例。
一般来说,将切削液倒入切削液箱中,并按照要求添加适量的水进行稀释。
然后,将切削液泵连接到切削液箱,并将其与机床相连。
启动机床后,确保切削液正常供给,以确保切削过程中液体的连续供给。
3. 使用切削液时的注意事项在使用切削液时,需要注意以下几点:3.1 安全操作:切削液可能对人体造成刺激和伤害,使用时应戴上适当的防护手套、眼镜和面罩,以避免皮肤和眼睛接触。
同时,应遵循相关安全操作规程,避免切削液溅入周围环境。
3.2 定期更换切削液:使用一段时间后,切削液会受到污染和磨损,降低其性能和效果。
因此,应定期更换切削液,以保证加工质量和切削液的稳定性。
3.3 适时添加切削液:在长时间的切削过程中,切削液可能会因蒸发而减少,导致切削液浓度过高。
此时,应及时添加适量的水进行稀释,以恢复切削液的性能。
3.4 清洁维护:在切削过程结束后,应及时清洁加工表面和机床,以防止切削液残留和堆积。
同时,应对切削液箱和切削液泵进行定期清洁和维护,以保证其正常运行和供给切削液。
cnc精雕机切削液
【cnc精雕机切削液简介】
cnc精雕机切削液,具有高润滑及清洗性能,废宵沉淀快,内含特性防氧成份,可有效杜绝铜、铝工件在加工后出现白斑或发黑等氧化变色现象,适用于cnc精雕机加工铝合金、不锈钢、铜合金、合金钢、碳钢、铸铁、等金属材料。
环保配方,不含锌、醛、重金属、亚硝酸钠、酚等对人体和环境有害的物质,使用安全,易于环保处理。
【cnc精雕机切削液用途】
铝合金、不锈钢、铜合金、合金钢、碳钢、铸铁、等金属材料的加工,能显著提高工件的光洁度
【cnc精雕机切削液技术参数】
1、产品外观:棕黄色(母液)乳白色(稀释后)
2、PH值:8.5-9.5
3、包装:18L(塑料桶),200L(大铁桶)
4、保质期:12个月
5、全国免费咨询热线:400-8898-938
【cnc精雕机切削液相关推荐】
东莞美科不锈钢切削液可钻孔攻牙有多种油性润滑剂、极压剂、防锈添加剂和助剂等配制而成的半合成微乳型水基切削液,具有优良的表面渗透性、润滑性、清洗性和防锈性,PH 值适中,对皮肤无刺激性,夏季使用不霉变,使用寿命长,用于不锈钢切削和磨削加工冷却
和润滑,根据加工难易程度,用量为5%-20%。
【cnc精雕机切削液知识分享】
由于腐蚀总是伴随着电流产生,人们通过各种努力,想利用这一现象作为测试腐蚀的手段。
该方法不同于以.上讨论的方法,因为那些传统意义上的着色或锈蚀试验,是把测试片上观察的腐蚀程度作为使用过程中可能发生问题的直接测量方法。
因此,如果特定切削液引起铸铁片或滤纸上的铁屑明显生锈,人们很自然就会对是否把它加人昂贵的机床犹豫不决,因为机床本身主要由铁合金构成。
然而,电流测试法和相似的电气化学测试,是将两种金属(通常不同的)制成伏特电池,通过测量浸在待测加工液中时它们间的电流强度,然后预测可能引起的腐蚀问题。
在此尝试将电流强度和将来可能的腐蚀问题联系起来。
这一领域有很多不同的方法,例如首先将两个测试试样放在一起,然后浸泡在加工液中,分开前测量由腐蚀成分产生的电流情况.然而无论采取何种腐蚀测试方法,使用前必须结合现场使用结果。