螺纹模具设计要点
- 格式:doc
- 大小:330.50 KB
- 文档页数:6
注塑内螺纹直接脱模结构设计方案一、整体思路。
咱们得想个办法,让带有内螺纹的塑料制品在注塑完后,能轻松地从模具里脱模,就像从被窝里钻出来一样容易,而且还不能把这个螺纹给搞坏喽。
二、具体结构设计。
1. 螺纹型芯部分。
首先呢,这个螺纹型芯不能是个死脑筋的结构。
咱们可以把它设计成两段式的。
就像火车有车头和车厢一样。
靠近模具型腔内部的那一段螺纹型芯,咱们可以让它稍微细一点,就像小一号的螺丝。
这一段的螺纹是完整的,用来成型产品的内螺纹。
然后外面再套上一段粗一点的“外套”,这个外套和里面的细螺纹型芯之间要有一定的间隙,这个间隙就像两个好朋友之间保持的小距离,不能太大也不能太小,大概在0.1 0.3毫米左右就行。
这个间隙是为了让里面的细型芯在脱模的时候有活动的空间。
2. 脱模动力装置。
为了让螺纹型芯能从产品里退出来,咱们得给它一个动力呀。
这时候可以在模具上安装一个小型的液压或者气动装置。
想象一下,这个装置就像一个小助手,在脱模的时候轻轻地推一下螺纹型芯。
不过这个推力得控制好,不能太猛,不然会把产品给弄坏的。
一般来说,根据产品的大小和材料的特性,这个推力在50 200牛顿之间比较合适。
另外,还可以在螺纹型芯上连接一个旋转机构。
这个旋转机构就像一个小陀螺,在液压或者气动装置推动螺纹型芯往外退的同时,让它慢慢地旋转。
因为内螺纹嘛,要是光直直地往外退,肯定会卡住的,就像你硬要把拧进去的螺丝直接拔出来一样困难。
这个旋转的速度也不能太快,每分钟大概转个5 10圈就差不多了。
3. 导向和限位结构。
在螺纹型芯的周围,要设置一些导向柱。
这些导向柱就像轨道一样,让螺纹型芯在脱模的时候只能按照规定的方向移动。
就像火车只能在铁轨上跑一样。
导向柱的表面要光滑得像溜冰场一样,这样可以减少摩擦,保证螺纹型芯移动得顺畅。
同时呢,还要有限位装置。
这个限位装置就像一个小警察,告诉螺纹型芯你只能移动到这个位置,不能再往前走了。
这样可以防止螺纹型芯过度脱模,把模具或者产品给损坏了。
模具设计原则和核心以及注意事项 一、 开模方向和分型线每个注塑产品在开始设计时首先要确定其开模方向和分型线,以保证尽可能减少抽芯滑块机构和消除分型线对外观的影响。
1、 开模方向确定后,产品的加强筋、卡扣、凸起等结构尽可能设计成与开模方向一致,以避免抽芯减少拼缝线,延长模具寿命。
2、 开模方向确定后,可选择适当的分型线,避免开模方向存在倒扣,以改善外观及性能。
二 、脱模斜度1 、适当的脱模斜度可避免产品拉毛(拉花)。
光滑表面的脱模斜度应≥0.5度,细皮纹(砂面)表面大于1度,粗皮纹表面大于1.5度。
2 、适当的脱模斜度可避免产品顶伤,如顶白、顶变形、顶破。
3、 深腔结构产品设计时外表面斜度尽量要求大于内表面斜度,以保证注塑时模具型芯不偏位,得到均匀的产品壁厚,并保证产品开口部位的材料强度。
三、 产品壁厚1 、各种塑料均有一定的壁厚范围,一般0.5~4mm,当壁厚超过4mm时,将引起冷却时间过长,产生缩印等问题,应考虑改变产品结构。
2、壁厚不均会引起表面缩水。
3 、壁厚不均会引起气孔和熔接痕。
四、加强筋1、 加强筋的合理应用,可增加产品刚性,减少变形。
2、 加强筋的厚度必须≤ (0.5~0.7)T产品壁厚,否则引起表面缩水。
3、 加强筋的单面斜度应大于1.5°,以避免顶伤。
五、圆角1、 圆角太小可能引起产品应力集中,导致产品开裂。
2、圆角太小可能引起模具型腔应力集中,导致型腔开裂。
3、 设置合理的圆角,还可以改善模具的加工工艺,如型腔可直接用R刀铣加工,而避免低效率的电加工。
4 、不同的圆角可能会引起分型线的移动,应结合实际情况选择不同的圆角或清角。
六、 孔1 、孔的形状应尽量简单,一般取圆形。
2 、孔的轴向和开模方向一致,可以避免抽芯。
3 、当孔的长径比大于2时,应设置脱模斜度。
此时孔的直径应按小径尺寸(最大实体尺寸)计算。
4 、盲孔的长径比一般不超过4。
防孔针冲弯5 、孔与产品边缘的距离一般大于孔径尺寸。
第1期(总第131期)机械管理开发2013年2月No.1(SUM No.131)MECHANICAL MANAGEMENT AND DEVELOPMENT Feb.20130引言制品为医用药瓶的瓶盖,具有两圈半连续的内螺纹,螺纹大径:50mm ,螺距:3mm 。
制品外表面有数个半圆柱形的阻滑纹,成型时可起止转作用,止转高度大于螺纹高度,如图1。
材料是高密度聚乙烯,属于结晶型热塑性塑料,熔体流动性能好,易于注塑成型。
下面谈一些成型模具设计和使用方面的经验。
1模具工作过程1 2 3 4 5 6 78A A B B 92827262524232221201-密封圈;2-定位圈;3-浇口套;4-球头拉料杆;5-定模板;6-齿条;7-凹模板;8-型芯压板;9-凹模底板;10、18-锥齿轮;11、30、34-导套;12-动模板;13-轴承座;14-轴承端盖;15-密封圈;16-齿轮;17-轴;19-动模底板;20-轴承;21-轴;22-中心齿轮;23、26、27-轴套;24-型芯齿轮;25-螺纹型芯;28-止转镶块;29-内六角螺栓;31、36-导柱;32-弹簧;33-限位钉;35-水嘴图2模具结构图模具的结构如图2[1,2],采用点式浇口,一模两腔,螺纹型芯成型内螺纹,利用开模力脱模。
经过合模、注塑、保压和冷却后开模,在弹簧32的作用下,A 分型面先分型,用分流道末端的斜面拉断点浇口,利用球头拉料杆4将凝料拉出脱落,在A 分型面分型凹模后退的同时,齿条也随之后退,当齿条端部的凸肩与定模接触时,齿条停止运动,齿轮16在开模力作用下开始转动,通过锥齿轮10、18和中心齿轮22,驱动两个型芯齿轮24转动,从而带动螺纹型芯25转动,型芯被轴套27和型芯压板8压住只能原地旋转,这样制件沿型芯轴向脱出。
直到限位钉33的头部受到凹模7的阻挡,凹模停止运动。
B 分型面开始快速分型,制品自由跌落,完成一次成型过程。
2脱模系统设计制件螺纹要求精度较高,采用旋转脱模方式,即采用螺纹型芯旋转,制品后退的方式。
17个模具设计注意事项、设计要点注塑工作常用计算公式(一)一、3D与2D分析1、3D结构的分析。
2、2D图面公差、外观、材质分析。
二、开模方向和分型线每个注塑产品在开始设计时首先要确定其开模方向和分型线,以保证尽可能减少抽芯滑块机构和消除分型线对外观的影响。
1、开模方向确定后,产品的加强筋、卡扣、凸起等结构尽可能设计成与开模方向一致,以避免抽芯减少拼缝线,延长模具寿命。
2、开模方向确定后,可选择适当的分型线,避免开模方向存在倒扣,以改善外观及性能。
三、拔模角度1 、适当的脱模斜度可避免产品拉毛(拉花)。
光滑表面的脱模斜度应≥0.5度,细皮纹(砂面)表面大于2度,粗皮纹表面大于3度。
2 、适当的脱模斜度可避免产品顶伤,如顶白、顶变形、顶破。
3、深腔结构产品设计时外表面斜度尽量要求大于内表面斜度,以保证注塑时模具型芯不偏位,得到均匀的产品壁厚,并保证产品开口部位的材料强度。
4、在进行做拔模的时候,注意2D图面公差尺寸的要求,拔模控制在公差范围以内。
四、产品壁厚1 、各种塑料均有一定的壁厚范围,一般0.5~4mm,当壁厚超过4mm时,将引起冷却时间过长,产生缩印等问题,应考虑改变产品结构。
2 、壁厚不均会引起表面缩水。
3 、壁厚不均会引起气孔和熔接痕。
4、产品壁厚不均匀的情况下,结构上需要做分化,防止表面产品应力痕。
五、加强筋1、加强筋的合理应用,可增加产品刚性,减少变形。
2、加强筋的厚度必须≤ (0.5~0.7)T产品壁厚,否则引起表面缩水。
3、加强筋的单面斜度应大于0.5°,以避免顶伤。
4、正常情况下,为了排气,加强筋在做镶件处理,如果加强筋高度在15MM以上的情况下,在镶件上面加强位,如果能用磨床加工的情况下,可以不做脱模斜度,但模仁一侧的斜度可以做大一点。
六、圆角1、圆角太小可能引起产品应力集中,导致产品开裂。
2、圆角太小可能引起模具型腔应力集中,导致型腔开裂。
3、设置合理的圆角,还可以改善模具的加工工艺,如型腔可直接用R刀铣加工,而避免低效率的电加工。
1 序言六角头螺栓是紧固件中使用最广泛的产品,其与螺母配合使用,通过螺纹实现拧紧固定。
螺栓加工工艺中M27以下的规格通常采用冷镦锻工艺在冷镦机上成型,工艺路线为:材料改制→切断→缩径→打头→切边→搓丝。
通过缩径工艺保证搓丝或滚丝所需的坯径,缩径对于控制产品的变形比、提高冷镦稳定性和螺栓头杆的结合强度,以及防止产品掉头等都起到了重要作用。
由于该工艺生产效率高、产品质量好,已成为螺栓生产的主要方式。
在实际生产过程中,影响缩径模具使用寿命的因素有很多,包括原材料硬度、材料改制后的表面粗糙度、冷镦油的润滑效果、缩杆生产速度、缩径模具孔型结构与材料等。
对于正常生产而言,材料磷化减摩效果受制于产品结构及生产工艺,通常难以改变。
当性能参数处于一定范围内时,对成型时润滑及生产速度等因素影响较小,工艺处于较稳定的状态。
由此可知,在产品材料及成型工艺趋于稳定的情况下,改进模具孔型结构更容易见到效果。
2 模具分析2.1 缩径模具设计要点缩径模具采用预应力组合结构,以保证其整体强度;外部模套采用H13碳钢材料,芯部为硬质合金KG5,硬度1250~1340HV模套加热至400℃以上,以过盈配合将模芯压入。
缩径模具孔型结构中最重要的参数是工作带导向角度α和定径带长度L。
工作带导向角度α直接影响缩径力的大小,α过大或过小都会引起缩径力的增加;定径带长度L决定了模具使用寿命的长短,L过长或过短都会降低模具的使用寿命[1]。
定径带后面的孔径与定径带直径之差以0.05~0.07mm为宜,避免工件与模具接触使得摩擦力增加,确保缩径的顺利进行[2]。
2.2 缩径模具孔型结构缩径模具主要结构及参数如图1所示。
工作带是对材料进行挤压缩径的区域,图中α表示工作带导向角度(°);定径带保证缩径后坯料的尺寸精度,d为定径带直径(mm);L为定径带长度(mm)。
图1缩径模具主要结构及参数2.3 缩径变形量ψ缩径变形量为缩径前后线材横截面积的变化,缩径变形程度是缩径工艺设计及计算的重要参数,也是影响缩径模具寿命最重要的因素。
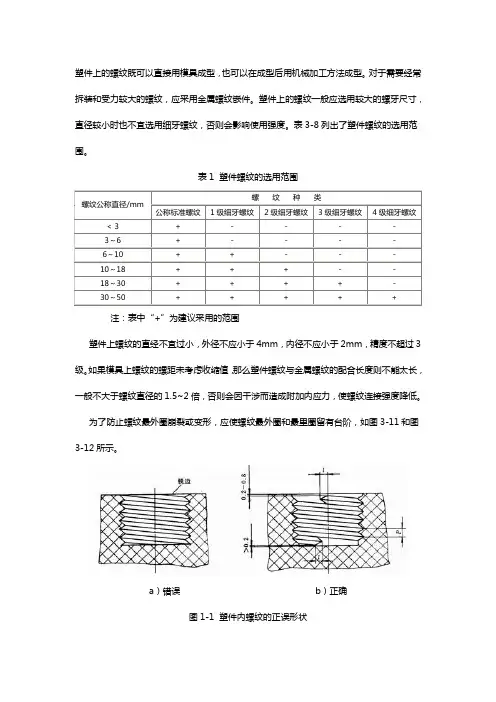
塑件上的螺纹既可以直接用模具成型,也可以在成型后用机械加工方法成型。
对于需要经常拆装和受力较大的螺纹,应采用金属螺纹嵌件。
塑件上的螺纹一般应选用较大的螺牙尺寸,直径较小时也不宜选用细牙螺纹,否则会影响使用强度。
表3-8列出了塑件螺纹的选用范围。
表1 塑件螺纹的选用范围
螺纹公称直径/mm
螺纹种类
公称标准螺纹1级细牙螺纹2级细牙螺纹3级细牙螺纹4级细牙螺纹
< 3 + - - - -
3~6 + - - - -
6~10 + + - - -
10~18 + + + - -
18~30 + + + + -
30~50 + + + + +
注:表中“+”为建议采用的范围
塑件上螺纹的直经不宜过小,外径不应小于4mm,内径不应小于2mm,精度不超过3级。
如果模具上螺纹的螺距未考虑收缩值,那么塑件螺纹与金属螺纹的配合长度则不能太长,一般不大于螺纹直径的1.5~2倍,否则会因干涉而造成附加内应力,使螺纹连接强度降低。
为了防止螺纹最外圈崩裂或变形,应使螺纹最外圈和最里圈留有台阶,如图3-11和图3-12所示。
a)错误b)正确
图1-1 塑件内螺纹的正误形状
a)错误b)正确
图1-2 塑件外螺纹的正误形状
螺纹的始端和终端应逐渐开始和结束,有一段过渡长度l,其数值可按表3-9选取。
表2 塑件上螺纹始末端的过渡长度
螺纹直径/mm
螺距p/mm
< 0.5 0.5~1 > 1 始末端过渡长度l/mm
≤10 1 2 3 >10~20 2 3 4 >20~34 2 4 6 >34~52 3 6 8 >52 3 8 10。
螺纹模具设计方案螺纹模具设计方案一、设计目的螺纹模具是用于加工各种螺纹零件的工具。
螺纹作为一种常用的结合形式,广泛应用于机械、电子、汽车等领域,因此需要设计一种高效、精确的螺纹模具,以满足生产的需求。
二、设计要求1. 高精度:模具制作的螺纹要符合规范要求的尺寸精度,确保螺纹加工的精度。
2. 刚性强:模具要具备足够的刚性,以保证在高速切削中不产生变形,保持螺纹加工的精度。
3. 优化结构:通过优化设计模具的结构,减少模具重量,提高模具钢的使用效率,降低制作成本。
4. 制作便捷:模具的设计要考虑到制作工艺,尽可能简化制作步骤,提高生产效率。
三、设计方案1. 选择适当的模具材料:根据模具的要求,选择具有高硬度、高刚性、耐磨性好的材料,如合金钢、硬质合金等。
2. 优化模具结构:通过分析螺纹加工的工艺流程,采取合适的模具结构,如采用复式刀架结构,减小切削力,提高加工效率。
3. 设计合理的导向装置:为了保证螺纹加工的精度,设计合理的导向装置,保证工件的位置稳定,防止产生误差。
4. 加工精度控制:选用适当的数控加工设备,结合合理的加工工艺,保证螺纹加工的精度。
5. 考虑模具的耐用性:在设计过程中,考虑模具的寿命,避免出现易损部件,降低模具的维修成本。
6. 设计合理的冷却系统:由于螺纹加工需要高速切削,容易产生高温,为了保护模具和工件的质量,设计合理的冷却系统,及时降低温度。
7. 模具维护方便:在设计过程中,考虑模具的维护保养,设计合理的拆装结构,方便清洗和更换易损件。
四、总结本设计方案针对螺纹模具的设计提出了一些关键要求和具体的设计措施。
通过选择合适的材料、优化模具结构、设计合理的导向装置和冷却系统等方式,可以提高螺纹模具的加工精度、效率和寿命,降低生产成本,提高生产效益。
最终达到优化器具设计方案的目的。
外螺纹接头注塑模具设计外螺纹接头注塑模具是一种用于生产外螺纹接头的模具。
注塑模具是工业生产中常用的模具之一,其主要作用是将熔化的塑料通过注射成型的方式,塑造成各种形状的产品。
外螺纹接头注塑模具的设计是根据外螺纹接头的具体要求进行的,以下将详细介绍外螺纹接头注塑模具的设计。
一、模具设计前的准备工作1.确定产品要求:根据外螺纹接头的规格、材质和性能要求,确定模具的尺寸、结构和材料选择。
2.绘制产品草图:根据产品要求,绘制产品的草图,包括产品的几何形状、尺寸和结构等。
二、注塑模具的结构设计1.基础结构设计:注塑模具的基础结构包括模具座、定位销、导向柱、模板等。
基础结构的设计应考虑到模具的刚度和稳定性。
2.芯腔设计:外螺纹接头注塑模具的芯腔设计应根据产品的尺寸和形状进行。
芯腔的设计应考虑到产品的可成型性和排气性能,以及模具的冷却效果。
3.龙门设计:外螺纹接头注塑模具通常采用龙门结构。
龙门的设计应具有足够的刚度和稳定性,以确保模具的精度和稳定性。
4.浇注系统设计:外螺纹接头注塑模具的浇注系统设计应考虑到塑料的流动和填充性能。
浇注系统的设计应包括浇口、导向套、冷却系统等。
三、模具的材料选择1.模具的选材:外螺纹接头注塑模具的选材应根据产品的要求和模具的使用条件来确定。
常用的模具材料有钢、铝合金和合金钢等。
钢具有较高的硬度和抗磨损性能,适合生产大批量的产品。
铝合金具有较低的成本和较好的导热性能,适合生产中小型产品。
合金钢具有较好的耐腐蚀性能和高温强度,适合生产耐腐蚀性能要求较高的产品。
2.表面处理:外螺纹接头注塑模具的表面处理应根据产品的要求来确定。
常用的表面处理方式有镀铬、电镀和喷涂等。
镀铬可以提高模具的表面硬度和抗腐蚀性能,适合生产高要求的产品。
电镀可以提高模具的抗磨损性能,适合生产大批量的产品。
喷涂可以提高模具的表面质量,适合生产中小型产品。
四、模具的制造和调试1.模具的制造:外螺纹接头注塑模具的制造应根据模具设计图纸进行。
螺纹若按真实投影作图, 比较麻烦。
为了简化作图, 国家标准《机械制图》GB/T44 59.1—1995规定了螺纹的表示法。
按此表示法作图并加以标注,就能清楚地表示螺纹的类型、规格和尺寸。
一. 螺纹的表示法1、外螺纹的表示法图:外螺纹的表示法(1) 外螺纹不论其牙型如何,螺纹牙顶圆的投影用粗实线表示;牙底圆的投影用细实线表示,在螺杆的倒角或倒圆部分也应画出。
画图时小径尺寸可近似地取dl≈0.85d。
(2) 有效螺纹的终止界线(简称螺纹终止线)在视图中用粗实线表示;在剖视图中则按图9 -8b主视图的画法(即终止线只画螺纹牙型高的一小段),剖面线必须画到表示牙顶圆投影的粗实线为止。
(3) 在垂直于螺纹轴线的投影面的视图(即投影为圆的视图)中,表示牙底圆的细实线只画约3/4圈(空出约1/4圈的位置不作规定),此时螺杆上的倒角投影不应画出。
2.内螺纹的表示法图: 内螺纹的表示法(1) 内螺纹不论其牙型如何,在剖视图中,螺纹牙顶圆的投影用粗实线表示,牙底圆的投影用细实线表示。
螺纹终止线用粗实线表示。
剖面线应画到表示牙顶圆投影的粗实线为止。
(2) 在投影为圆的视图中,表示牙底圆的细实线只画约3/4圈,此时螺孔上的倒角投影不应画出。
(3) 绘制不穿通的螺孔时,一般应将钻孔深度与螺纹部分的深度分别画出。
(4) 当螺纹为不可见时,其所有图线用虚线绘制,如下图所示:图:不可见螺纹的表示法3、内、外螺纹连接的表示法内、外螺纹连接,一般用剖视图表示。
此时,它们的旋合部分应按外螺纹的画法绘制,其余部分仍按各自的画法表示。
画图时必须注意,表示外螺纹牙顶圆投影的粗实线、牙底圆投影的细实线,必须分别与表示内螺纹牙底圆投影的细实线、牙顶圆投影的粗实线对齐。
这与倒角大小无关,它表明内、外螺纹具有相同的大径和相同的小径。
按规定,当实心螺杆通过轴线剖切时按不剖处理,如下图所示:图:内、外螺纹连接的表示法图的形式绘制,既可在剖视图中表示几个牙型,也可用局部放大图表示。
螺纹、螺牙设计知识目录(牙型)分为三角形螺纹、矩形螺纹、梯形螺纹、锯齿形螺纹及其他特殊形状螺纹,三角形螺纹主要用于联接,矩形、梯形和锯齿形螺纹主要用于传动;按螺旋线方向分为左旋螺纹和右旋螺纹,一般用右旋螺纹;按螺旋线的数量分为单线螺纹、双线螺纹及多线螺纹;联接用的多为单线,传动用的采用双线或多线;按牙的大小分为粗牙螺纹和细牙螺纹等,按使用场合和功能不同,可分为紧固螺纹、管螺纹、传动螺纹、专用螺纹等。
编辑本段二、螺纹分类螺纹按其截面形状(牙型)分为三角形螺纹、矩形螺纹、梯形螺纹和锯齿形螺纹等。
其中三角形螺纹主要用于联接(见螺纹联接),矩形、梯形和锯齿形螺纹主要用于传动。
螺纹分布在母体外表面的叫外螺纹,在母体内表面的叫内螺纹。
在圆柱母体上形成的螺纹叫圆柱螺纹,在圆锥母体上形成的螺纹叫圆锥螺纹。
螺纹按螺旋线方向分为左旋的和右旋的两种,一般用右旋螺纹。
螺纹可分为单线的和多线的,联接用的多为单线;用于传动时要求进升快或效率高,采用双线或多线,但一般不超过4线。
圆柱螺纹的主要参数有外径(d)、内径(d1)、中径(d2 )、螺距(t)、线数(n)、导程(s=n t)、升角(λ)和牙形角(α)等。
除管螺纹以管子内径为公称直径外,其余螺纹都以外径为公称直径。
螺纹升角小于摩擦角的螺纹副,在轴向力作用下不松转,称为自锁,其传动效率较低。
圆柱螺纹中,三角形螺纹自锁性能好。
它分粗牙和细牙两种,一般联接多用粗牙螺纹。
细牙的螺距小,升角小,自锁性能更好,常用于细小零件薄壁管中,有振动或变载荷的联接,以及微调装置等。
管螺纹用于管件紧密联接。
矩形螺纹效率高,但因不易磨制,且内外螺纹旋合定心较难,故常为梯形螺纹所代替。
锯齿形螺纹牙的工作边接近矩形直边,多用于承受单向轴向力。
圆锥螺纹的牙型为三角形,主要靠牙的变形来保证螺纹副的紧密性,多用于管件。
编辑本段三、螺纹测量1、对于一般标准螺纹,都采用螺纹环规或塞规来测量。
螺纹测量2、螺纹千分尺是用来测量螺纹中径的。
螺纹模具设计要点
塑胶产品螺纹分外螺纹和内螺纹两种,精度不高的外螺纹一般用哈夫块成型,而内螺纹则大多需要卸螺纹装置。
今天简单介绍内螺纹脱模方法,重点介绍齿轮的计算和选择。
一、卸螺纹装置分类
1、按动作方式分
①螺纹型芯转动,推板推动产品脱离;
②螺纹型芯转动同时后退,产品自然脱离。
2、按驱动方式分
①油缸+齿条
②油马达/电机+链条
③齿条+锥度齿轮
④来福线螺母
ﻫ
二、设计步骤
必须掌握产品的以下数据(见下图)
①“D”——螺纹外
②“P”——螺纹牙距
③“L”——螺纹牙长
④螺纹规格/方向/头数
⑤型腔数量
ﻫ
2、确定螺纹型芯转动圈数:
U=L/P + Us
U螺纹型芯转动圈数
Us 安全系数,为保证完全旋出螺纹所加余量,一般取0.25~1
3、确定齿轮模数、齿数和传动比:
模数决定齿轮的齿厚,齿数决定齿轮的外径,传动比决定啮合齿轮的转速。
在此之前有必要讲一下齿轮的参数和啮合条件。
三、齿轮的参数和啮合条件
模具的卸螺纹机构中大多应用的是直齿圆柱齿轮,而且一般都是渐开线直齿圆柱齿轮,因此下面就以渐开线直齿圆柱齿轮为研究对象。
1 齿轮传动的基本要求
①要求瞬时传动比恒定不变
②要求有足够的承载能力和较长的使用寿命
2、直齿圆柱齿轮啮合基本定律
两齿轮廓不论在何处接触,过接触点所作的两啮合齿轮的公法线,必须与两轮连心线相交于一点“C”,这样才能保证齿轮的瞬时传动比不变。
将所有“C”点连起来就成了2个外切圆,称之为分度圆,分度圆圆心距即齿轮圆心距。
详见下图
ﻫ
3、渐开线直齿圆柱齿轮参数
分度圆直径------“d”表示
分度圆周长--------“S”表示
齿轮齿距--------“p”表示
齿轮齿厚--------“sk”表示
齿轮齿槽宽--------“ek”表示
齿轮齿数--------“z”表示
齿轮模数--------“m”表示
齿轮压力角--------“ɑ”表示
齿轮传动比--------“i”表示齿轮中心距--------“l”表示
4、计算公式如下:
①齿距 = 齿厚 + 齿槽宽即:p = sk + ek
②模数的由来:
因为S = Z x P =π x d
d = P / π x Z
π是无理数,为计算方便,将P / π 规定为常数,即模数,用m 表示,故有公式如下: d =mx z
即:分度圆直径等于模数乘以齿数。
我国规定模数有2个系列,优先采用第一系列。
模数第一系列:1、1.25、1.5、 2、2.5、3、4、5、6 8 、10…
模数第二系列:1.75、2.25、2.75、3.25、3.5、4.5、5.5、7…
③压力角:我国规定:分度圆处的压力角为标准压力角,其值20°。
④传动比:当模数一定时,传动比就等于齿数比,即 i = Z1 / Z 2
⑤中心距:当齿数确定时,中心距I =(Z1+Z2) / 2 * m
5、齿轮啮合条件
模数和压力角相同的齿轮都可以正确啮合。
怎样在实际应用中确定齿轮的模数、齿数和传动比。
1.齿数
当传动中心距一定时,齿数越多,传动越平稳,噪音越低。
但齿数多,模数就小,齿厚也小,致使其弯曲强度降低,因此在满足齿轮弯曲强度条件下,尽量取较多的齿数和较小的模数。
为避免干涉,齿数一般取Z≥17,螺纹型芯的齿数尽可能少,但最少不少于14齿,且最好取偶数。
ﻫ
2.模数
工业用齿轮模数一般取m≥2。
英制齿轮采用径节制,径节齿轮把齿数z与分度圆直径d之比定为径节,以”P”表示,即p =z/d, 1/in
径节与模数的换算公式为m = 25.4/p,mm
3.传动比
传动比在高速重载或开式传动情况下选择质数,目的为避免失效集中在几个齿上。
传动比还与选择哪种驱动方式有关系,比如用齿条+锥度齿或来福线螺母这两种驱动时,因传动受行程限制,须大一点,一般取1≤i≤4;当选择用油缸或电机时,因传动无限制,既可以结构紧凑点节省空间,又有利于降低马达瞬间启动力,还可以减慢螺纹型芯旋转速度,一般取0.25≤i≤1。