LM324组成的电池电量指示电路
- 格式:pdf
- 大小:50.87 KB
- 文档页数:1
LM324应用电路——自制镍氢电池充电器本文介绍的自制充电器用LM324的4个运算放大器作为比较器,用TL431设置电压基准,用S8550作为调整管,把输入电压降压,对电池进行充电,其原理电路见图1。
其特点是电路简单、工作可靠、无需调整、元器件容易购买等,下面分几个部分进行介绍。
1.基准电压Vref形成外接电源经插座X、二极管VD1后由电容C1滤波。
VD1起保护作用,防止外接电源极性反接时损坏TL431。
R3、R4、R5和TL431组成基准电压Vr ef,根据图中参数Vref= 2.5×(100+820)/820=2.80(v),这个数据主要是针对镍氢充电电池而设计(单节镍氢充电电池充满后电压约为1.40V)。
2.大电流充电(1)工作原理接入电源,电源指示灯LED(VD2)点亮。
装入电池(参考图片,实际上是用导线引出到电池盒,电池装在电池盒中),当电池电压低于Vref时,IC1-1输出低电平,VT1导通,输出大电流给电池充电。
此时,VT1处于放大状态-这是因为电池电压和-VD4压降的和约为3.2V(假设开始充电时电池电压约为2.5V),而经VD1后的电压大约5.OV,所以,VT1的发射极-集电极压差远大于0.2V,当充电电流为300mA时,VT1发热比较严重,所以最好用PT=625mW的S8550,或者适当增大基极电阻以减小充电电流(注:由于LM324低电平驱动能力较小,实测IC1-2,IC1-4输出低电平并不是0V,而是约为0.8V)。
(2)充电的指示首先看IC1-3的工作情况:其同相端1O脚通过R13接Vref,R14接成正反馈,反相端9脚外接电容,并有一负反馈通路,所以,它实际上构成了滞回比较器。
刚开始时C2上端没有电压,则IC1-3输出高电平。
这个高电平有两个放电通路,一个通路是通过R14反馈到10脚,另一通路是经电阻R15对电容C2充电,当充电的电压高于10脚电压V+ 时,比较器翻转输出低电平;与此同时,由于R14的反馈作用,10脚电压立即下跳到V-,这时,电容C2通过电阻R15放电,当放电的电压小于10脚电压V-时,比较器再次翻转输出高电平,由于R14的反馈作用,10脚电压立即上跳到V+,此后电路一直重复上述过程,因此,IC1-3的输出为频率固定的方波信号。
3842充电器电路图大全(UC3842lm324KA3842充电器电路详解)3842充电器电路图(一)UC3842组成的充电器电路图1中C1、V1~V4、C2组成滤波整流电路,变压器T为高频变压器,V5、R2、C11组成功率开关管V7的保护电路,NF为供给IC 电源的绕组。
单端输出IC为UC3842,其8脚输出5V基准电压,2脚为反相输入,1脚为放大器输出,4脚为振荡电容C9、电阻R7输入端,5脚为接地端,3脚为过流保护端,6脚为调宽单脉冲输出端,7脚为电源输入端。
R6、C7组成负反馈,IC启动瞬间由R1供给启动电压,电路启动后由NF产生电势经V6、C4、C5整流滤波后供给IC工作电压。
R12为过流保护取样电阻,V8、C3组成反激整流滤波输出电路。
R13为内负载,V9~V12及R14~R19组成发光管显示电路。
图1中V5、V6选用FR107,V8选用FR154,V7选用K792。
3842充电器电路图(二)uc3842lm324充电器电路电路利用开关电源充电,以减小充电器的重量和体积。
本充电器电路的正常充电电流为250MA,涓流充电电流为200MA。
3842充电器电路图(三)基于KA3842的电动车充电器电路图常用电动车充电器根据电路结构,有一款是以KA3842驱动场效应管的单管开关电源,配合LM358双运放来实现三阶段充电方式。
原理如下:220v交流电经T0双向滤波抑制干扰,D1整流为脉动直流,再经C11滤波形成稳定的300V左右的直流电。
U1为KA3842脉宽调制集成电路。
其5脚为电源负极,7脚为电源正极,6脚为脉冲输出直接驱动场效应管Q1(K1358)3脚为最大电流限制,调整R25(2.5欧姆)的阻值可以调整充电器的最大电流。
2脚为电压反馈,可以调节充电器的输出电压。
4脚外接振荡电阻R1,和振荡电容C1.T1为高频脉冲变压器,其作用有三个。
第一是把高压脉冲将压为低压脉冲。
第二是起到隔离高压的作用,以防触电。
功能应用简介LM324是四运放集成电路,它采用14脚双列直插塑料封装,外形如图所示。
它的内部包含四组形式完全相同的运算放大器,除电源共用外,四组运放相互独立。
每一组运算放大器可用图1所示的符号来表示,它有5个引出脚,其中“+”、“-”为两个信号输入端,“V+”、“V-”为正、负电源端,“Vo”为输出端。
两个信号输入端中,Vi-(-)为反相输入端,表示运放输出端Vo的信号与该输入端的相位相反;Vi+(+)为同相输入端,表示运放输出端Vo的信号与该输入端的相位相同。
LM324的引脚排列见图2。
图1图 2由于LM324四运放电路具有电源电压范围宽,静态功耗小,可单电源使用,价格低廉等优点,因此被广泛应用在各种电路中。
下面介绍其应用实例。
反相交流放大器电路见附图。
此放大器可代替晶体管进行交流放大,可用于扩音机前置放大等。
电路无需调试。
放大器采用单电源供电,由R1、R2组成1/2V+偏置,C1是消振电容。
放大器电压放大倍数Av仅由外接电阻Ri、Rf 决定:Av=-Rf/Ri。
负号表示输出信号与输入信号相位相反。
按图中所给数值,Av=-10。
此电路输入电阻为Ri。
一般情况下先取Ri与信号源内阻相等,然后根据要求的放大倍数在选定Rf。
Co和Ci为耦合电容。
同相交流放大器见附图。
同相交流放大器的特点是输入阻抗高。
其中的R1、R2组成1/2V+分压电路,通过R3对运放进行偏置。
此电路可将输入交流信号分成三路输出,三路信号可分别用作指示、控制、分析等用途。
而对信号源的影响极小。
因运放Ai输入电阻高,运放A1-A4均把输出端直接接到负输入端,信号输入至正输入端,相当于同相放大状态时Rf=0的情况,故各放大器电压放大倍数均为1,与分立元件组成的射极跟随器作用相同。
电路的电压放大倍数Av也仅由外接电阻决定:Av=1+Rf/R4,电路输入电阻为R3。
R4的阻值范围为几千欧姆到几十千欧姆。
交流信号三分配放大器R1、R2组成1/2V+偏置,静态时A1输出端电压为1/2V+,故运放A2-A4输出端亦为1/2V+,通过输入输出电容的隔直作用,取出交流信号,形成三路分配输出。
四运放LM324的实用电路设计及电路原理
一、实用电路设计:
1.非反向比例放大电路:
其中R1和R2为反馈电阻,Vin为输入电压,Vout为输出电压。
根据电压分压原理和运放的虚短性质,可得到输出电压的表达式:Vout = Vin * (1 + R2/R1)
2.反向比例放大电路:
其中R1和R2为反馈电阻,Vin为输入电压,Vout为输出电压。
根据电压分压原理和运放的虚短性质,可得到输出电压的表达式:Vout = -Vin * (R2/R1)
3.非反向加法器:
其中R1、R2、R3为反馈电阻,Vin1、Vin2为输入电压,Vout为输出电压。
根据电压分压原理和运放的虚短性质,可得到输出电压的表达式:Vout = (Vin1 * R2/R1) + (Vin2 * R3/R1)
4.双电源比例放大电路:
其中R1和R2为反馈电阻,Vin为输入电压,Vcc+和Vcc-为正负电源电压,Vout为输出电压。
根据电压分压原理和运放的虚短性质,可得到输出电压的表达式:
Vout = Vin * (1 + R2/R1)
二、电路原理:
运放单元的差分输入级由三个差动对组成,其输入电流可忽略不计。
电流源提供各级的偏置电流。
电压放大级通过一个交流耦合电容耦合到输出级。
输出级由一个放大电路组成,它负责提供电压放大和驱动负载。
在实际应用中,四运放LM324的内部结构能够提供高增益、宽输入电压范围、低输入偏置电流等特性。
同时,它还具有低功耗、高压电源抗干扰能力等优点,使得其成为众多电子设备中常用的模拟电路元件。
通过合理的电路设计和参数选择,可以实现各种功能的电路设计,满足不同应用需求。
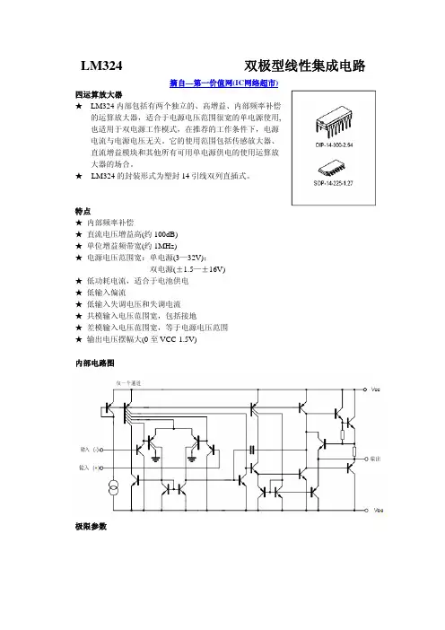
LM324 双极型线性集成电路
摘自—第一价值网(IC网络超市)
四运算放大器
★LM324内部包括有两个独立的、高增益、内部频率补偿
的运算放大器,适合于电源电压范围很宽的单电源使用,
也适用于双电源工作模式,在推荐的工作条件下,电源
电流与电源电压无关。
它的使用范围包括传感放大器、
直流增益模块和其他所有可用单电源供电的使用运算放
大器的场合。
★ LM324的封装形式为塑封14引线双列直插式。
特点
★内部频率补偿
★直流电压增益高(约100dB)
★单位增益频带宽(约1MHz)
★电源电压范围宽:单电源(3—32V);
双电源(±1.5—±16V)
★低功耗电流,适合于电池供电
★低输入偏流
★低输入失调电压和失调电流
★共模输入电压范围宽,包括接地
★差模输入电压范围宽,等于电源电压范围
★输出电压摆幅大(0至VCC-1.5V)
内部电路图
极限参数
电参数(除非特别说明,Vcc=5.0V,VEE=GND,TA=25℃)
电参数(除非特别说明,Vcc=5.0V,VEE=GND,0℃≤TA≤70℃)
管脚排列图
外形尺寸图。
LM324功能应用简介2007/09/01 14:57LM324功能应用简介您现在的位置是:主页>>>电子元器件资料>>>正文LM324是四运放集成电路,它采用14脚双列直插塑料封装,外形如图所示。
它的内部包含四组形式完全相同的运算放大器,除电源共用外,四组运放相互独立。
每一组运算放大器可用图1所示的符号来表示,它有5个引出脚,其中“+”、“-”为两个信号输入端,“V+”、“V-”为正、负电源端,“Vo”为输出端。
两个信号输入端中,Vi-(-)为反相输入端,表示运放输出端Vo的信号与该输入端的相位相反;Vi+(+)为同相输入端,表示运放输出端Vo的信号与该输入端的相位相同。
LM324的引脚排列见图2。
图 1 图 2由于LM324四运放电路具有电源电压范围宽,静态功耗小,可单电源使用,价格低廉等优点,因此被广泛应用在各种电路中。
下面介绍其应用实例。
反相交流放大器电路见附图。
此放大器可代替晶体管进行交流放大,可用于扩音机前置放大等。
电路无需调试。
放大器采用单电源供电,由R1、R2组成1/2V+偏置,C1是消振电容。
放大器电压放大倍数Av仅由外接电阻Ri、Rf决定:Av=-Rf/Ri。
负号表示输出信号与输入信号相位相反。
按图中所给数值,Av=-10。
此电路输入电阻为Ri。
一般情况下先取Ri与信号源内阻相等,然后根据要求的放大倍数在选定Rf。
Co和Ci为耦合电容。
同相交流放大器见附图。
同相交流放大器的特点是输入阻抗高。
其中的R1、R2组成1/2V+分压电路,通过R3对运放进行偏置。
此电路可将输入交流信号分成三路输出,三路信号可分别用作指示、控制、分析等用途。
而对信号源的影响极小。
因运放Ai输入电阻高,运放A1-A4均把输出端直接接到负输入端,信号输入至正输入端,相当于同相放大状态时Rf=0的情况,故各放大器电压放大倍数均为1,与分立元件组成的射极跟随器作用相同。
电路的电压放大倍数Av也仅由外接电阻决定:Av=1+Rf/R4,电路输入电阻为R3。
LM324设计的LED电平指示器电路图本文介绍用LM324制作的两款LED电平指示器电路。
LED电平指示器常应用于音频电路及功放电路中的输出电平指示。
LM324是四运放集成电路.1、首先介绍的LED电平指示器带有可调增益放大级,既可以接在音频功放电路的输出端,作为功放输出电平指示,也可以接在音频前置放大电路输出端(音量控制电路之前),作为前置级的电平指示器。
电路见下图电路中,由LM324运放构成一个增益可调的放大前级,可调电阻RP用来调节增益量;LED驱动电路由三极管V、电容器C3、稳压二极管VS,电阻器R1一Rn、发光二极管VLl 一VLn和二极管VD1一VDn组成。
来自功率放大器或前置放大器的音频输人信号经C2藕合加至LM324运放的5脚,经LM324和三极管放大后,从三极管的发射极输出信号电压,将VLl一V Ln逐级点亮。
音频输人信号越强,点亮发光二极管的个数也越多。
元器件选择R01-R05和R1-Rn选用1/4W碳膜电阻器或金属膜电阻器。
RP选用超小型电位器或立式可变电阻器。
C1-C3均选用耐压值为16V的铝电解电容器。
VD1-VDn选用1 N4148型硅开关二极管或2AP5VS选用1/2W、3.6V的硅稳压二极管。
VU-V Ln均选用币5mm的红色高亮度发光二极管。
V选用C8050或58050、3 DG8050型硅NPN晶体管。
IC选用LM324型运算放大集成电路。
2、下面介绍的LED电平指示器自身不带增益放大电路,可用于音频功放输出端的电平指示器。
但是本电平指示器有移动点光式和逐级点亮式两种显示方式可以选择。
电路原理图见附图所示。
当输入音频信号电平小于0.7 V时,Nl输出高电平,将VLI点亮;当输入信号电平在0.7-1.4V之间时,N2输出高电平,一方面使V L2点亮,另一方面通过V D6使N1的反相输人端变为高电平,使N1输出低电平,VLI熄灭。
同理,若输入信号电平变高,则VL1和V L4将会分别点亮,呈移动点光式的显示。
!!电动自行车控制器电路原理分析目前流行的电动自行车、电动摩托车大都使用直流电机,对直流电机调速的控制器有很多种类。
电动车控制器核心是脉宽调制(PWM)器,而一款完善的控制器,还应具有电瓶欠压保护、电机过流保护、刹车断电、电量显示等功能。
电动车控制器以功率大小可分为大功率、中功率、小功率三类。
电动自行车使用小功率的,货运三轮车和电摩托要使用中功率和大功率的。
从配合电机分,可分为有刷、无刷两大类。
关于无刷控制器,受目前的技术和成本制约,损坏率较高。
笔者认为,无刷控制器维修应以生产厂商为主。
而应用较多的有刷控制器,是完全可以用同类控制器进行直接代换或维修的。
本文分别介绍国内部分具有代表性的电动自行车控制器整机电路,并指出与其他产品的不同之处及其特点。
所列电路均是根据实物进行测绘所得,图中元件号为笔者所标。
通过介绍具体实例,达到举一反三的目的。
1.有刷控制器实例(1)山东某牌带电量显示有刷控制器电路方框图见图1。
1)电路原理电路原理图见图2所示,该控制器由稳压电源电路、PWM产生电路、电机驱动电路、蓄电池放电指示电路、电机过流及蓄电池过放电保护电路等组成。
稳压电源由V3(TL431),Q3等元件组成,从36V蓄电池经过串联稳压后得到+12V电压,给控制电路供电,调节VR6可校准+12V电源。
PWM电路以脉宽调制器TL494为核心组成。
R3、C4与内部电路产生振荡,频率大约为12kHz。
H是高变低型霍尔速度控制转把,由松开到旋紧时,其输出端可得到4V—1V的电压。
该电压加到TL494的②脚,与①脚电压进行比较,在⑧脚得到调宽脉冲。
②脚电压越低,⑧脚输出的调宽脉冲的低电平部分越宽,电机转速越高,电位器VR2用于零速调节,调节VR2使转把松开时电机停转再过一点。
电机驱动电路由Q1、Q2、Q4等元件组成。
电机MOTOR为永磁直流有刷电机。
TL494的⑧脚输出的调宽脉冲,经Q1反相放大驱动VDMOS管Q2。
TL494的⑧脚输出的调宽脉冲低电平部分越宽,则Q2导通时间越长,电机转速越高。
LM324四运放的应用LM324是四运放集成电路,它采用14脚双列直插塑料封装,外形如图所示。
它的内部包含四组形式完全相同的运算放大器,除电源共用外,四组运放相互独立。
每一组运算放大器可用图1所示的符号来表示,它有5个引出脚,其中“+”、“-”为两个信号输入端,“V+”、“V-”为正、负电源端,“V o”为输出端。
两个信号输入端中,Vi-(-)为反相输入端,表示运放输出端Vo的信号与该输入端的相位相反;Vi+(+)为同相输入端,表示运放输出端V o的信号与该输入端的相位相同。
LM324的引脚排列见图2。
图 1 图2由于LM324四运放电路具有电源电压范围宽,静态功耗小,可单电源使用,价格低廉等优点,因此被广泛应用在各种电路中。
下面介绍其应用实例。
●反相交流放大器电路见附图。
此放大器可代替晶体管进行交流放大,可用于扩音机前置放大等。
电路无需调试。
放大器采用单电源供电,由R1、R2组成1/2V+偏置,C1是消振电容。
放大器电压放大倍数Av仅由外接电阻Ri、Rf决定:Av=-Rf/Ri。
负号表示输出信号与输入信号相位相反。
按图中所给数值,Av=-10。
此电路输入电阻为Ri。
一般情况下先取Ri与信号源内阻相等,然后根据要求的放大倍数在选定Rf。
Co和Ci为耦合电容。
●同相交流放大器见附图。
同相交流放大器的特点是输入阻抗高。
其中的R1、R2组成1/2V+分压电路,通过R3对运放进行偏置。
电路的电压放大倍数Av也仅由外接电阻决定:Av=1+Rf/R4,电路输入电阻为R3。
R4的阻值范围为几千欧姆到几十千欧姆。
●交流信号三分配放大器此电路可将输入交流信号分成三路输出,三路信号可分别用作指示、控制、分析等用途。
而对信号源的影响极小。
因运放Ai输入电阻高,运放A1-A4均把输出端直接接到负输入端,信号输入至正输入端,相当于同相放大状态时Rf=0的情况,故各放大器电压放大倍数均为1,与分立元件组成的射极跟随器作用相同。
本文介绍用LM324制作的两款LED电平指示器电路。
LED电平指示器常应用于音频电路及功放电路中的输出电平指示。
LM324是四运放集成电路.1、首先介绍的LED电平指示器带有可调增益放大级,既可以接在音频功放电路的输出端,作为功放输出电平指示,也可以接在音频前置放大电路输出端(音量控制电路之前),作为前置级的电平指示器。
电路见下图电路中,由LM324运放构成一个增益可调的放大前级,可调电阻RP用来调节增益量;LED驱动电路由三极管V、电容器C3、稳压二极管VS,电阻器R1一Rn、发光二极管VLl一VLn和二极管VD1一VDn组成。
来自功率放大器或前置放大器的音频输人信号经C2藕合加至LM324运放的5脚,经LM324和三极管放大后,从三极管的发射极输出信号电压,将VLl一V Ln逐级点亮。
音频输人信号越强,点亮发光二极管的个数也越多。
元器件选择R01-R05和R1-Rn选用1/4W碳膜电阻器或金属膜电阻器。
RP选用超小型电位器或立式可变电阻器。
C1-C3均选用耐压值为16V的铝电解电容器。
VD1-VDn选用1 N4148型硅开关二极管或2AP5VS选用1/2W、3.6V的硅稳压二极管。
VU-V Ln均选用币5mm的红色高亮度发光二极管。
V选用C8050或58050、3 DG8050型硅NPN晶体管。
IC选用LM324型运算放大集成电路。
2、下面介绍的LED电平指示器自身不带增益放大电路,可用于音频功放输出端的电平指示器。
但是本电平指示器有移动点光式和逐级点亮式两种显示方式可以选择。
电路原理图见附图所示。
当输入音频信号电平小于0.7 V时,Nl输出高电平,将VLI点亮;当输入信号电平在0.7-1.4V之间时,N2输出高电平,一方面使V L2点亮,另一方面通过V D6使N1的反相输人端变为高电平,使N1输出低电平,VLI熄灭。
同理,若输入信号电平变高,则VL1和V L4将会分别点亮,呈移动点光式的显示。
LM324lm124、lm224和lm324引脚功能及内部电路完全一致。
324系列运算放大器是价格便宜的带差动输入功能的四运算放大器。
可工作在单电源下,电压范围是3.0V-32V或+16V.LM324的特点:1.短跑保护输出2.真差动输入级3.可单电源工作:3V-32V4.低偏置电流:最大100nA(LM324A)5.每封装含四个运算放大器。
6.具有内部补偿的功能。
7.共模范围扩展到负电源8.行业标准的引脚排列9.输入端具有静电保护功能LM324引脚图(管脚图)LM324应用电路图:1.LM324电压参考电路图2.LM324多路反馈带通滤波器电路图3.LM324高阻抗差动放大器电路图4.LM324函数发生器电路图5.LM324双四级滤波器6.LM324维思电桥振荡器电路图7.LM324滞后比较器电路图LM324引脚图资料与电路应用LM324引脚图资料与电路应用 LM324资料: LM324为四运放集成电路,采用14脚双列直插塑料封装。
,内部有四个运算放大器,有相位补偿电路。
电路功耗很小,lm324工作电压范围宽,可用正电源3~30V,或正负双电源±1.5V~±15V工作。
它的输入电压可低到地电位,而输出电压范围为O~Vcc。
它的内部包含四组形式完全相同的运算放大器,除电源共用外,四组运放相互单独。
每一组运算放大器可用如图所示的符号来表示,它有5个引出脚,其中“+”、“-”为两个信号输入端,“V+”、“V-”为正、负电源端,“Vo”为输出端。
两个信号输入端中,Vi-(-)为反相输入端,表示运放输出端Vo的信号与该输入端的相位相反;Vi+(+)为同相输入端,表示运放输出端Vo的信号与该输入端的相位相同。
LM324引脚排列见图1。
2。
lm124、lm224和lm324引脚功能及内部电路完全一致。
lm124是军品;lm224为工业品;而lm324为民品。
由于LM324四运放电路具有电源电压范围宽,静态功耗小,可单电源使用,价格低廉等特点,因此他被非常广泛的应用在各种电路中。
LM324系列运算放大器是价格便宜的带差动输入功能的四运算放大器。
可工作在单电源下,电压范围是3.0V-32V或+16V.LM324的特点:1.短跑保护输出2.真差动输入级3.可单电源工作:3V-32V4.低偏置电流:最大100nA(LM324A)5.每封装含四个运算放大器。
6.具有内部补偿的功能。
7.共模范围扩展到负电源8.行业标准的引脚排列9.输入端具有静电保护功能LM324引脚图(管脚图)LM324应用电路图:1.LM324电压参考电路图2.LM324多路反馈带通滤波器电路图3.LM324高阻抗差动放大器电路图4.LM324函数发生器电路图5.LM324双四级滤波器6.LM324维思电桥振荡器电路图7.LM324滞后比较器电路图恒流源运算放大器LM324的D单元构成恒流源,使用中为保证恒流源的线性度,应充分保证电阻R16与R17阻值不小于R14与R15的10倍,且R14与R15、R16与R17两两之间阻值误差要尽可能地小,只有这样才能保证锯齿波的线性度,调试时有时测得的锯齿波为下凹的,这是由于R14与R15或R16与R17两个电阻之间阻值有较大的差值造成的。
本文就高性能集成四运放LM324的参数,进行实用电路设计,论述电路原理。
LM324是四运放集成电路,它采用14脚双列直插塑料封装,外形如图所示。
它的内部包含四组形式完全相同的运算放大器, 除电源共用外,四组运放相互独立。
每一组运算放大器可用图1所示的符号来表示,它有5个引出脚,其中“+”、“-”为两个信号输入端,“V+”、“V-”为正、负电源端,“Vo”为输出端。
两个信号输入端中,Vi-(-)为反相输入端,表示运放输出端Vo的信号与该输入端的位相反;Vi+(+)为同相输入端,表示运放输出端Vo的信号与该输入端的相位相同。
LM324的引脚排列见图2由于LM324四运放电路具有电源电压范围宽,静态功耗小,可单电源使用,价格低廉等优点,因此被广泛应用在各种电路中。
部分电动自行车控制器电路详解本文分别介绍国内部分具有代表性的电动自行车控制器整机电路,并指出与其他产品的不同之处及其特点。
所列电路均是根据实物进行测绘所得,图中元件号为笔者所标。
通过介绍具体实例,达到举一反三的目的。
电动自行车控制器目前流行的电动自行车、电动摩托车大都使用直流电机,对直流电机调速的控制器有很多种类。
电动车控制器核心是脉宽调制(PWM)器,而一款完善的控制器,还应具有电瓶欠压保护、电机过流保护、刹车断电、电量显示等功能。
电动车控制器以功率大小可分为大功率、中功率、小功率三类。
电动自行车使用小功率的,货运三轮车和电摩托要使用中功率和大功率的。
从配合电机分,可分为有刷、无刷两大类。
关于无刷控制器,受目前的技术和成本制约,损坏率较高。
笔者认为,无刷控制器维修应以生产厂商为主。
而应用较多的有刷控制器,是完全可以用同类控制器进行直接代换或维修的。
1.有刷控制器实例(1)山东某牌带电量显示有刷控制器电路方框图见图1。
1)电路原理电路原理图见图2所示,该控制器由稳压电源电路、PWM产生电路、电机驱动电路、蓄电池放电指示电路、电机过流及蓄电池过放电保护电路等组成。
稳压电源由V3(TL431),Q3等元件组成,从36V蓄电池经过串联稳压后得到+12V电压,给控制电路供电,调节VR6可校准+12V电源。
PWM电路以脉宽调制器TL494为核心组成。
R3、C4与内部电路产生振荡,频率大约为12kHz。
H是高变低型霍尔速度控制转把,由松开到旋紧时,其输出端可得到4V—1V的电压。
该电压加到TL494的②脚,与①脚电压进行比较,在⑧脚得到调宽脉冲。
②脚电压越低,⑧脚输出的调宽脉冲的低电平部分越宽,电机转速越高,电位器VR2用于零速调节,调节VR2使转把松开时电机停转再过一点。
电机驱动电路由Q1、Q2、Q4等元件组成。
电机MOTOR为永磁直流有刷电机。
TL494的⑧脚输出的调宽脉冲,经Q1反相放大驱动VDMOS管Q2。
镍氢电池充电器电路图及原理分析镍氢电池充电器原理图:由LM324组成,用TL431设置电压基准,用S8550作为调整管,把输入电压降压,对电池进电行充电,电路附图所示.其工作原理是:1.基准电压Vref形成外接电源经插座X、二极管VD1后由电容C1滤波。
VD1起保护作用,防止外接电源极性反接时损坏TL431。
R3、R4、R5和TL431组成基准电压Vref,根据图中参数Vref= 2.5×(100+820)/820=2.80(v),这个数据主要是针对镍氢充电电池而设计(单节镍氢充电电池充满后电压约为1.40V)。
2.大电流充电(1)工作原理接入电源,电源指示灯LED(VD2)点亮。
装入电池(参考图片,实际上是用导线引出到电池盒,电池装在电池盒中),当电池电压低于Vref时,IC1-1输出低电平,VT1导通,输出大电流给电池充电。
此时,VT1处于放大状态-这是因为电池电压和-VD4压降的和约为3.2V(假设开始充电时电池电压约为2.5V),而经VD1后的电压大约5.OV,所以,VT1的发射极-集电极压差远大于0.2V,当充电电流为300mA时,VT1发热比较严重,所以最好用PT=625mW的S8550,或者适当增大基极电阻以减小充电电流(注:由于LM324低电平驱动能力较小,实测IC1-2,IC1-4输出低电平并不是0V,而是约为0.8V)。
(2)充电的指示首先看IC1-3的工作情况:其同相端1O脚通过R13接Vref,R14接成正反馈,反相端9脚外接电容,并有一负反馈通路,所以,它实际上构成了滞回比较器。
刚开始时C2上端没有电压,则IC1-3输出高电平。
这个高电平有两个放电通路,一个通路是通过R14反馈到10脚,另一通路是经电阻R15对电容C2充电,当充电的电压高于10脚电压V+ 时,比较器翻转输出低电平;与此同时,由于R14的反馈作用,10脚电压立即下跳到V-,这时,电容C2通过电阻R15放电,当放电的电压小于10脚电压V-时,比较器再次翻转输出高电平,由于R14的反馈作用,10脚电压立即上跳到V+,此后电路一直重复上述过程,因此,IC1-3的输出为频率固定的方波信号。