汽车喇叭电路PPT课件
- 格式:ppt
- 大小:911.50 KB
- 文档页数:13
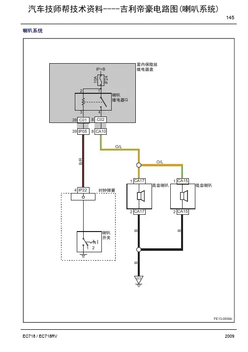
145喇叭系统146线束连接器名称页码CA10接发动机舱保险丝、继电器盒线束连接器320 CA15低音喇叭线束连接器21 CA17高音喇叭线束连接器21 IP05接室内保险丝、继电器盒线束连接器31 IP22时钟弹簧1(喇叭开关)线束连接器31 C01室内保险丝盒背面连接器15 C02室内保险丝盒背面连接器15 G3发动机舱接地60147车外后视镜控制148线束连接器名称页码DR01左前门接底板线束连接器53 DR05左侧车外后视镜线束连接器53 DR08左前玻璃升降开关线束连接器53 DR11右前门接底板线束连接器53 DR15右侧车外后视镜连接器53 SO05接右前门线束连接器40/46 SO07接左前门线束连接器40/46 SO11接室内保险丝、继电器盒线束连接器40/46 C05室内保险丝盒背面连接器15 G10底板接地15149前刮水器洗涤器1CA242CA246CA026IP073CA149CA029IP074CA142CA148CA028IP0717755IP0712IP19112I P 1914IP198IP1975CA1416IG1W /G20AI F 27W/GBW/BB /YB/YB /YBBW /BW /BB /RB /RB /OB /OBBW /GW /GW /GC0116IP05MMOFF INT LOW HIGHOFFONG7G3G1AԍCA02CA02IP07IP19CA14IP197I P 29BCMFE13-0002b150线束连接器名称页码CA02接仪表线束2线束连接器20 CA14前刮水器电机线束连接器21 CA24前刮水器电机线束连接器21 IP05接室内保险丝、继电器盒线束连接器31 IP07接发动机舱线束连接器31 IP19刮水器组合开关线束连接器31 C01室内保险丝盒背面连接器15 G1A发动机舱接地60 G3发动机舱接地60 G7仪表盘接地61151后刮水器洗涤器(两厢)W /VW /GW /VW /VB /WB /LOFF WASH INT WIPE &WIPEWASH5SO385SO461SO474SO472SO473SO4714IP2936234161110171010CA022SO382SO464SO384SO46I C05C 05C 05S O 11S O 11I SO112C015422IP052CA251CA25G20G1ABIG1H J H J 10A20AI F 28I F 27B /OW /GB /OW /GY /PW /BW /BBB16IP05ԍԍ16C01IG113IP07IP29IP29IP29IP19IP19IP19IP1910SO3810SO46MMBCMFE13-0003c152线束连接器名称页码CA02接仪表线束2线束连接器20 CA25后刮水器电机线束连接器21 IP05接室内保险丝、继电器盒线束连接器31 IP07接发动机舱线束连接器31 IP19刮水器组合开关线束连接器31 IP29车身控制模块1线束连接器31 SO11(两厢)接室内保险丝、继电器盒线束连接器40 SO38(两厢)接尾门线束连接器46 SO46(两厢)接底板线束连接器47 SO47(两厢)后刮水器电机线束连接器47 C01室内保险丝盒背面连接器15 C05室内保险丝盒背面连接器15 G1A发动机舱接地60 G20(两厢)背门接地(两厢)64153点烟器、备用电源154线束连接器名称页码IP05接室内保险丝、继电器盒线束连接器31 IP32音响主机2线束连接器31 IP42备用电源线束连接器31 C01室内保险丝盒背面连接器15 G8仪表盘接地61连接点说明页码IP37-3至背光调节开关177。
6 - 12V直流电源的汽车喇叭电路图电路图:零件:R1______________68K 1/4W电阻R2_______________2K2 1/4W的电阻R3______________56K 1/4W电阻R4_______________3K3 1/4W的电阻R5,R6____________4K7 1/4W电阻R7______________10K 1/2W金属陶瓷微调或碳C1,C2___________22nF 63V涤纶电容器C3,C5__________100nF 63V涤纶电容器C4_______________1nF 63V聚酯或陶瓷电容器C6_____________220μF25V的电解电容IC1的,IC2_________7555或TS555CN CMOS定时器IC IC3__________TDA7052音频功放IC(见注解)SPKR___________8欧姆扬声器(见注解)评论:该电路再现了现代汽车喇叭的声音。
模型和玩具,但它主要是设计,采用高输出功率音频放大器IC,它也可以用在更苛刻的项目。
电路的操作要获得现实的汽车喇叭声,混合在一起的两种不同的音色是必要的,应间隔就会形成一个所谓的小三(音乐),这是由两个7555 CMOS定时器有线非稳态多谐振荡器集成电路和实施产生分别大约440Hz的和523Hz的方波。
这些频率应该是相当精确,所以布线两个系列标准电阻 ??值获得必要少见的定时电阻值。
混合经IC1(440Hz的)和IC2产生的方波频率(523Hz)通过R5和R6,由C3,C4和R7,为了获得更逼真的音形。
最后得到的复合音频信号发送,这反过来,驱动扬声器的音频功率放大器IC3的。
R7应进行调整,以获得满意的输出水平。
注:扬声器可以是任何形状和直径。
显然,它必须承受至少1瓦的电源,如果TDA7052音频功放IC是使用在任何情况下,尝试了好大小的设备,以获得最佳效果。