钢结构工程量计算excel表格重量表面积
- 格式:xlsx
- 大小:288.84 KB
- 文档页数:5
简 支 钢 梁 计 算基本数据输入:梁跨度: l=9000mm梁间距a=2400mm钢材:Q 345f =315N/mm 2fv =185N/mm 2 上翼缘:b 1=400mm t 1=14mm 下翼缘:b 2=300mm t 2=12mm 腹 板:h w =574mm t w =8mm即: 断面截面特性计算:钢梁截面:A 0=13792mm 2 重量108.3kg/m 钢梁中和轴的位置:y 0=342mm钢梁对X轴截面惯性矩:I z =8.94E+08mm4钢梁上翼缘的弹性抵抗矩:W 1x = 3.46E+06mm 3 钢梁下翼缘的弹性抵抗矩:W 2x = 2.61E+06mm 3 钢梁对Y轴截面惯性矩:I y = 1.02E+08mm 4i y =85.9 mm y =104.8上翼缘对Y 轴的惯性矩:I 1=7.47E+07mm 4下翼缘对Y 轴的惯性矩:I 2= 2.70E+07mm 40.73 截面不对称影响系数:0.380.53 工字形截面简支梁的系数0.76 梁的整体稳定系数:0.74 修正后:0.672.截面验算:(1)弯矩及剪力的计算:=+=211I I I b α=-=)12(8.0b b αη=bβ==hb t l 111ξ=bφ='bφλ钢梁自重: 1.30KN/m恒载: 4.00KN/m2g1k=10.90KN/m活载:q c= 3.0KN/m2p k=18.10KN/m p=23.16KN/m 弯矩:M=234.49KN·m剪力:V=104.22KN(2)钢梁的强度、稳定和挠度的验算:梁的整体稳定应力:σ=101.01N/mm2钢梁上翼缘应力:σ1=67.70N/mm2钢梁下翼缘应力:σ2=89.68N/mm2钢梁剪应力:τ=22.70N/mm2挠度:w=8.4mmw/l=1/1072。
大型钢结构面积计算之我见李美琼在目前的石油、化工基建项目中,用H型钢等大型钢结构作设备和管道支架非常普遍,H型钢等大型钢结构用量很大。
用大型钢结构作支架与原来的钢筋混凝土支架相比,多了除锈、刷油、防火费用,这三项费用的计算都是以面积为单位。
由于大型钢结构形状不规则,规格多样,展开面积的计算较复杂,而除锈、刷油、防火等费用的平方米造价高,面积计算准确与否对投资影响大。
一、现状目前执行的《全国统一安装工程预算定额》、地方颁布的《建筑工程预算定额》中都没有大型钢结构面积的计算规则,无法直接套用。
只有《石油化工行业安装工程预算定额》(以下简称“行业定额”)第九册《刷油、绝热、防腐蚀工程》中有,钢结构面积计算规则:梯子、平台、栏杆防腐面积按每100kg为5.8m2;大型H型钢结构(300×300×6×12)规格以上的防腐面积按每100kg为2.0m2;除上述以外结构的防腐按每100kg为3.8m2计取。
二、按行业定额规则计算与按实计算面积差异较大在工程审核中发现按行业定额规则计算出的面积与按实计算出的面积差异较大,如在SBS沥青改造项目中,刷防火涂料的大型钢结构按石油化工行业定额计算规则计算为380m2,按实展开计算为300m2。
在七万吨硫磺回收装置改造项目中,刷防火涂料的大型钢结构按石油化工行业定额计算规则计算的面积为3638m2,按实统计长度后展开计算面积为2285m2,面积相差1353m2,工程费用相差36万元。
三、产生差异的原因行业定额计算规则中计算大型钢结构面积的数据除梯子平台外只有2个,比较粗犷。
而装置中型钢的规格型号很多,以曾审核过的七万吨硫磺回收装置为例,仅H型钢就有7种,厚度从12毫米~19毫米,还有槽钢、工字钢、角钢等,同样一吨重的钢材因厚度不同表面积相差很大。
大型钢结构的面积按施工图计算长度,根据组成结构的各种材料的外形尺寸汇总出每种规格的总长度,再按实展开计算出的结果是比较准确的,但这种方法极为繁杂且易出错,下面介绍一种较简单、且准确的计算大型钢结构面积的方法。
组 合 梁 计 算基本数据输入:组合梁跨度: l=8000mm 梁间距a=2400mm 组合梁截面总高:h=494mm 砼等级:C 25f c=12.5N/mm 2f cm =13.5N/mm 2E c = 2.80E+04N/mm 2楼承板型号:YX76 楼承板特性:h c1=64mm h c 2=76mm h c =140mmb 0=200mm S 0=2200mm1.截面特性计算:(1)钢梁钢材:Q345f =315N/mm 2fv =185N/mm 2断面:BH 354x5x200x8x200x8上翼缘:b 2=200mm t 2=8mm 下翼缘:b 1=200mm t 1=8mm 腹 板:h w =338mmt w =5mm 钢梁截面:A s=4890mm 2 重量38.4kg/m钢梁中和轴的位置:y s =177mm钢梁截面惯性矩:I s = 1.12E+08mm 4 钢梁上翼缘的弹性抵抗矩:W s2= 6.32E+05mm 3 钢梁下翼缘的弹性抵抗矩:W s1= 6.32E+05mm 3(2)组合梁钢与砼弹性模量比:αE =7.36 钢筋砼翼缘板计算宽度:b e =l /6+l /6+b 0=2866.667mm b e =S 0/2+S 0/2+b 0=2400mm b e =6h c1+6h c1+b 0=968mm 取b e =968mmb e,eq =131.6mm钢筋砼翼缘板的截面面积:A ce =61952mm 2换算成钢截面的组合梁截面面积:A 0=13311mm 2 钢梁至组合梁截面中和轴的距离:y x =357mm >=h=354mm中和轴在混凝土板内!钢筋砼翼缘板的截面惯性矩:I ce = 2.11E+07mm 4组合梁换算成钢截面时的惯性矩:I 0== 3.66E+08mm 4组合梁换算截面中的钢筋砼板顶边(点4)的截面抵抗矩:W 04= 2.68E+06mm 3组合梁换算截面中的钢筋砼板顶边(点3)的截面抵抗矩:W 03= 5.03E+06mm 3组合梁换算截面中的钢筋砼板顶边(点2)的截面抵抗矩:W 02= 1.11E+08mm 3组合梁换算截面中的钢筋砼板顶边(点1)的截面抵抗矩:W 01= 1.02E+06mm 3(3)考虑砼的徐变影响时,组合梁的截面特性换算钢截面组合梁的面积:A '0=9100mm 2 钢筋砼翼板顶面至组合截面中和轴的距离:y 'x =309mm换算钢截面组合梁的惯性矩:I '0= 2.97E+08mm 4组合梁换算截面中的钢筋砼板顶边(点4)的截面抵抗矩:W '04= 1.60E+06mm 3组合梁换算截面中的钢筋砼板顶边(点3)的截面抵抗矩:W '03= 2.45E+06mm 3组合梁换算截面中的钢筋砼板顶边(点2)的截面抵抗矩:W '02=########mm 3组合梁换算截面中的钢筋砼板顶边(点1)的截面抵抗矩:W '01=9.62E+05mm 32.第一受力阶段(施工阶段)的验算:(此时全部由钢梁受力)(1)弯矩及剪力的验算:钢梁自重:0.46KN/m221)()5.0(s x s s c x EceE cey y A I h y h A I -++--+αα楼板自重: 3.50KN/m2g1k=8.86KN/m施工荷载:q c= 1.5KN/m2p2k=12.46KN/m p2=15.67KN/m弯矩:=125.38KN·mM1剪力:V1=62.69KN(2)钢梁的强度、稳定和挠度的验算:钢梁上翼缘应力:σ1=198.36N/mm2钢梁下翼缘应力:σ2=198.36N/mm2钢梁剪应力:τ=37.10N/mm2挠度:w=28.8mmw/l=1/2773.第二受力阶段(使用阶段)的验算:(1)弯矩及剪力的验算:找平层重:g2=0KN/m2活荷载:q2k= 2.5KN/m2梁上墙自重:g w=0.0KN/m=6KN/m p2=8.40KN/mp2k弯矩:M2=67.20KN·m剪力:=33.60KNV2(2)组合梁的抗弯强度计算:1)在垂直荷载作用下的正应力:钢筋砼翼缘板顶边(点4)的应力:σc4=-3.41N/mm2<=fcm=13.50N/mm2OK!钢筋砼翼缘板底边(点3)的应力:σc3=-1.81N/mm2<=fcm=13.5N/mm2OK!钢梁上翼缘(点2)应力:σs2=-134.0 N/mm 2<=0.9f=283.5N/mm 2OK!钢梁下翼缘(点1)应力:σs1=200.2 N/mm 2<=0.9f=283.5N/mm 2OK!2)钢梁的剪应力:τ=45.0N/mm 2<=fv=185N/mm 2OK!3)组合梁的挠度:p 2k1=4.2KN/mw =24.75 mmw / l=1/3234.连接件计算:截面在翼缘板与钢梁的接触面处的面积矩:S 0=8.82E+05mm3v max =80.9 N /mm 选用圆柱头焊钉直径:υ16As=201.1mm 2 每个栓钉的抗剪承载力设计值:N v c =0.7A s f=28149N梁上布置栓钉的列数:n =2该梁的半跨梁分为3区段1 区段:长度:3000mm 剪力 V =80.9 N /mm 每排栓钉间距 a 1=695.60 mm, 取为690 mm 2 区段:长度:2000mm 剪力 V =20.2 N /mm 每排栓钉间距 a 2=2,782.41 mm, 取为2,780 mm 3 区段:长度:-1000mm 剪力 V =-20.2 N /mm 每排栓钉间距 a 3=#########mm, 取为-2,790 mm02I S V。
钢结构工程量计算表格模板
1. 结构构件清单,列出钢结构工程中所涉及的各种构件,如梁、柱、横梁等,包括构件的编号、名称、规格、材质、数量等信息。
2. 钢材用量计算,根据设计图纸和规范要求,计算各种构件所
需的钢材用量,包括长度、面积、体积等。
3. 螺栓、焊材用量计算,钢结构连接通常需要使用螺栓或者焊接,计算所需螺栓、焊材的数量和规格。
4. 衬板、防腐、防火涂料用量计算,钢结构工程中可能涉及到
衬板、防腐、防火涂料等材料的使用,计算其用量。
5. 焊接材料用量计算,根据设计要求,计算钢结构焊接所需的
焊条、焊丝等材料的用量。
6. 其他材料用量计算,根据具体工程情况,可能还涉及到其他
材料的使用,如衬垫、垫块等,需要计算其用量。
7. 小计和合计,将各项材料的用量进行小计,并最终得出总的
工程量计算结果。
在实际编制钢结构工程量计算表格模板时,需要根据具体工程的要求和设计图纸进行详细的分析和计算,确保表格模板的准确性和完整性。
同时,也需要遵循相关的规范和标准,确保计算结果符合工程质量和安全要求。
简 支基本数据输入:梁跨度: l=9000mm梁间距a=2400mm钢材:Q 345f =315N/mm 2fv =185N/mm 2 上翼缘:b 1=400mm t 1=14mm 下翼缘:b 2=300mm t 2=12mm 腹 板:h w =574mm t w =8mm即: 断面BH 600x8x400x 14x300x12截面特性钢梁截面:A 0=13792mm 2 重量108.3kg/m 钢梁中和轴的位置:y 0=342mm钢梁对X轴截面惯性矩:I z =8.94E+08mm 4钢梁上翼缘的弹性抵抗矩:W 1x =3.46E+06mm 3钢梁下翼缘的弹性抵抗矩:W 2x =2.61E+06mm 3 钢梁对Y轴截面惯性矩:I y =1.02E+08mm 4i y = 85.9mm y = 104.8上翼缘对Y 轴的惯性矩:I 1=7.47E+07mm 4下翼缘对Y 轴的惯性矩:I 2=2.70E+07mm 40.73截面不对称影响系数:0.380.53工字形截面简支梁的系数 0.76梁的整体稳定系数: 0.74修正后: 0.672.截面验算:(1)弯矩及剪力的计算:钢梁自重: 1.30KN/m恒载: 4.00KN/m2=10.90KN/mg1k活载:q c= 3.0KN/m2p k=18.10KN/m p=23.16KN/m 弯矩:M=234.49KN·m剪力:V=104.22KN(2)钢梁的强度、稳定和挠度的验算:梁的整体稳定应力:σ= 101.01N/mm2钢梁上翼缘应力:σ1= 67.70N/mm2钢梁下翼缘应力:σ2= 89.68N/mm2钢梁剪应力:τ= 22.70N/mm2挠度:w= 8.4mmw/l=1/1072。
一.1b=100t=10h=230s=6B=200T=104380mm 2152mm 98mm4.6E+07mm 4302773mm 3469607mm 32混凝土等级C208.08板厚h d 100梁跨度6000梁左相邻净距1800梁右相邻净距1800板托顶宽b 0300板托高度h t150b 1 =600b 2 =6001500mm150000mm 222944.4mm 2402mm混凝土板顶面至组合截面中和轴的距离 x= [b e *h d 2/(2*αE )+A*y]/A 0 =117mm混凝土截面惯性矩 I c = b e *h d 3/12=1.3E+08mm 4换算成钢截面的组合截面惯性矩 I 0 = I c /αE + A c *(x-0.5h d )2/αE + I + A(y-x)2 =5E+08mm 43.5E+07mm 42.4E+08mm 43763855mm 41307031mm 4313662.2mm 2混凝土板顶面至组合截面中和轴的距离x c = [b e *h d 2/(4*αE )+A*y]/A 0c =162mm4.2E+08mm 44.2E+07mm 41.1E+08mm 44800913mm 41249942mm 4二施工阶段的验算1弯矩和剪力钢梁自重:0.41kN/m板自重: 6.00kN/m 2000mm)板托重:0.90kN/m6.09kN/m 自重标准值 g 1:7.31kN/m施工荷载: 2.80kN/m施工阶段弯矩设计值M 45.51kN.m (梁跨度:6000mm)施工阶段剪力设计值V 30.34kN2钢梁抗弯强度设计143.14N/mm 2<215N/mm 2PASS!92.29N/mm 2<215N/mm 2PASS!3钢梁剪应力计算面积矩 S=207492mm 322.80N/mm 2<125N/mm 2PASS!4挠度计算考虑混凝土徐变的组合截面特征计算换算成钢截面的组合截面面积 A 0c = A c / 2αE + A =换算成钢截面的组合截面惯性矩 I 0c = I c /(2*αE ) + A c *(x c -0.5h d )2/(2*αE) + I + A(y-x c )2 =(平台梁间距:钢梁剪应力τ1max = v 1*s 1/I*t w =混凝土板截面面积A c = b e * h d =换算成钢截面的组合截面面积A 0=A c /αE +A =对混凝土板底面的组合截面弹性抵抗矩 w 0c b =αE *I 0 / (x - h d ) =对钢梁上翼缘的组合截面弹性抵抗矩 w 0t = I 0 / (d-x) =对混凝土板顶面的组合截面弹性抵抗矩 w 0c tc = 2αE *I 0c / x c =对钢梁下翼缘的组合截面弹性抵抗矩 w 0b = I 0 / (H-x) =组合梁计算截面特征计算钢梁面积 A =b*t + h*s +B*T =钢梁中和轴至钢梁顶面的距离为 y t = [0.5b*t 2 + h*s*(0.5h + t) + B*T*(t+h+0.5T)] / A =钢梁截面特征计算:钢梁中和轴至钢梁顶面的距离为 y b = h + t + T - y t =钢梁截面惯性矩 I= (b*t 3 + s*h 3 + B*T 3) / 12 + b*t*(yt-0.5t)2 + s*h*(y t -0.5h-t)2 + B*T*(0.5T+h+t-y t )2 =钢梁上翼缘的弹性抵抗矩 W 1 = I / y t =混凝土板顶面至钢梁截面中和轴的距离 y = h d + h t +y t =对混凝土板顶面的组合截面弹性抵抗矩 w 0c t = αE *I 0 / x=混凝土板计算宽度b e =钢梁上翼缘的弹性抵抗矩 W 2 = I / y b =组合截面特征计算:钢与混凝土弹性模量比αE =自重标准值 g 1k :对混凝土板底面的组合截面弹性抵抗矩 w 0c bc =2αE *I 0c / (x c - h d ) =对钢梁上翼缘的组合截面弹性抵抗矩 w 0tc = I 0c / (d-x c ) =对钢梁下翼缘的组合截面弹性抵抗矩 w 0bc = I 0c / (H-x c ) =钢梁上翼缘应力 M / r x *W 1 =钢梁下翼缘应力 M / r x *W 2=△=5*g*l 4/(384*E*I)=10.8mm < L/400 =15mm PASS!三使用阶段的验算1弯矩及剪力找平层重: 1.9kN/m活荷载:15.6kN/m (活荷载:6kn/m 2)78.84kN.m52.56kN22.1-2.28N/mm 2<10N/mm 2PASS!-0.33N/mm 2<10N/mm 2PASS!-87.74N/mm 2<215N/mm 2PASS!130.39N/mm 2<215N/mm 2PASS!2.2-2.24N/mm 2<10N/mm 2PASS!-0.37N/mm 2<10N/mm 2PASS!-88.23N/mm 2<215N/mm 2PASS!130.69N/mm 2<215N/mm 2PASS!2.3(略)2.4(略)3钢梁的剪应力147000mm 31105812mm 319.35N/mm 2<125N/mm 2PASS!4组合梁的挠度3.46mm < L/400 =15mm PASS!τ=V 1S 1/It w +V 2S o /I o T w =两个受力阶段的荷载对组合梁的钢梁产生的剪应力△=5q k l 4/384EI o +5g k l 4/384EI o c =组合梁中由于混凝土收缩引起的内力钢梁腹板顶面处对钢梁中和轴的面积矩S 1=钢梁腹板顶面以外的砼及钢梁上翼缘对组合截面中和轴的面积矩S o =使用阶段弯矩设计值M 使用阶段剪力设计值V 组合梁的抗弯强度在垂直荷载作用下的正应力考虑混凝土徐变在垂直荷载作用下的正应力混凝土板顶面应力:σ0c tc =-(M 2g /W 0c tc +M 2q /W 0c t )=混凝土板顶面应力σ0c t =-M/W 0c t =混凝土板底面应力σ0c b =-M/W 0c b =钢梁上翼缘应力σ0t = -M 1/W 1+M 2/W 0t =钢梁下翼缘应力σ0b = -M 1/W 2+M 2/W 0b =σ0bc = -M 1/W 2+(M 2g /W 0bc +M 2q /W 0b )=钢梁下翼缘应力温度差产生的应力σ0c bc =-(M 2g /W 0c bc +M 2q /W 0c b )=混凝土板底面应力:钢梁上翼缘应力σ0tc = -M 1/W 1+(M 2g /W 0tc +M 2q /W 0t )=。
单 跨 变 截 面 简 支 钢 梁 计 算基本数据输入:梁跨度:梁间距 梁平面外计算长度:钢材:f =215N/mm2fv =125N/mm 2大头截面:上翼缘:b 1t 1 下翼缘:b 2t 2 截面高:h w t w 即: 断面BH 850x6x180x8x180x8小头截面: 上翼缘:b 1=180mm t 1=8mm 下翼缘:b 2=180mm t 2=8mm kg/m截面高:h w t w =6mm即: 断面BH 350x6x180x8x180x82.截面验算:(1)弯矩及剪力的验算:钢梁换算平均自重:恒 载:g 1k =2.15KN/m活 载:q c 2p k =4.25KN/mp =5.52KN/m弯矩:M =223.49KN ·m 剪力:V =49.66KN(2)钢梁的强度、稳定和挠度的验算:钢梁上翼缘应力:σ1=145.75N/mm2钢梁下翼缘应力:σ2=118.65N/mm2钢梁剪应力:τ=23.65N/mm2挠度:w=62.4mmw/l=1/2883.参数统计1.构件总重:902.1Kg扩大系数:2.构件实际重量:1082.5Kg截面特性计算:钢梁截面:A 0=7884mm 2 重量61.9钢梁中和轴的位置:y 0=425mm钢梁对X轴截面惯性矩:I z =8.01E+08mm4钢梁上翼缘的弹性抵抗矩:W 1x = 1.88E+06mm 3 钢梁下翼缘的弹性抵抗矩:W 2x = 1.88E+06mm 3 钢梁对Y轴截面惯性矩:I y =7.79E+06mm 4i y =36.6 mm y =95.7上翼缘对Y 轴的惯性矩:I 1= 6.67E+06mm 4 下翼缘对Y 轴的惯性矩:I 2= 3.89E+06mm 4截面特性计算:钢梁截面:A 0=4884mm 2 重量38.3钢梁中和轴的位置:y 0=175mm钢梁对X轴截面惯性矩:I z = 1.03E+08mm 4 钢梁上翼缘的弹性抵抗矩:W 1x = 5.88E+05mm 3 钢梁下翼缘的弹性抵抗矩:W 2x = 5.88E+05mm 3 钢梁对Y轴截面惯性矩:I y =7.78E+06mm 4i y =46.5 mmy =75.3上翼缘对Y 轴的惯性矩:I 1= 6.67E+06mm 4 下翼缘对Y 轴的惯性矩:I 2= 3.89E+06mm 4平面外稳定系数计算:0.63=+=211I I I b αλλ截面不对称影响系数:0.210.18 工字形截面简支梁的系数0.71 1.22 0.81=-=)12(8.0b b αη=bβ==hb t l 111ξ=bφ='bφkg/m。
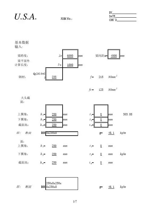
单 跨 等 截 面 简 支 钢 梁 计 算基本数据输入:梁跨度:梁间距 钢材:f =215N/mm 2fv =125N/mm 2大头截面:上翼缘:b 1t 1303.88下翼缘:b 2t 2 截面高:h w t w 即: 断面BH 250x8x250x8x250x8g=46.1kg/m 小头截面: 上翼缘:b 1=250mm t 1=8mm 下翼缘:b 2=250mm t 2=8mm kg/m截面高:h w =250mmt w =8mm 即: 断面BH 250x8x250x8x250x8g=46.1kg/m 2.截面验算:(1)弯矩及剪力的验算:钢梁换算平均自重:恒 载:g 1k =18.55KN/m活 载:q c 2 p k =28.55KN/mp =36.26KN/m弯矩:M =163.19KN ·m 剪力:V =108.79KN(2)钢梁的强度、稳定和挠度的验算:钢梁上翼缘应力:σ1=303.88N/mm2钢梁下翼缘应力:σ2=303.88N/mm2钢梁剪应力:τ=54.40N/mm2挠度:w=34.8mmw/l=1/1723.参数统计1.构件总重:276.57Kg扩大系数:2.构件实际重量:318.06Kg截面特性计算:钢梁截面:A 0=5872mm 2 重量46.1钢梁中和轴的位置:y 0=125mm钢梁对X轴截面惯性矩:I z = 6.71E+07mm 4 钢梁上翼缘的弹性抵抗矩:W 1x = 5.37E+05mm 3 钢梁下翼缘的弹性抵抗矩:W 2x = 5.37E+05mm 3172 钢梁对Y轴截面惯性矩:I y = 2.08E+07mm 4i y =53.9 mmy =18.5上翼缘对Y 轴的惯性矩:I 1= 6.67E+06mm 4 下翼缘对Y 轴的惯性矩:I 2= 1.04E+07mm 4截面特性计算:钢梁截面:A 0=5872mm 2 重量46.1钢梁中和轴的位置:y 0=125mm钢梁对X轴截面惯性矩:I z = 6.71E+07mm 4 钢梁上翼缘的弹性抵抗矩:W 1x = 5.37E+05mm 3 钢梁下翼缘的弹性抵抗矩:W 2x = 5.37E+05mm 3 钢梁对Y轴截面惯性矩:I y = 2.08E+07mm 4i y =53.9 mmy =18.5上翼缘对Y 轴的惯性矩:I 1= 6.67E+06mm 4 下翼缘对Y 轴的惯性矩:I 2= 1.04E+07mm 40.39截面不对称影响系数:-0.180.13 工字形截面简支梁的系数0.71=+=211I I I b α=-=)12(8.0b b αη=bβ==hb t l 111ξλλU.S.A.JOB No.:__________BY________________DATE______________CHK'D_____________24.50 1.00=bβ=bφ='bφU.S.A.JOB No.:__________BY________________DATE______________CHK'D_____________kg/m。