LED显示屏培训教程完结篇
- 格式:doc
- 大小:27.00 KB
- 文档页数:2
LED显示屏培训教程目录第一章:专业术语解释 (3)详细介绍55个LED显示屏幕用专业术语及相关知识。
第二章:虚拟显示屏,虚拟象素的介绍 (10)介绍虚拟象素,显示屏幕的原理及适用。
第三章: XX公司显示屏主要产品介绍 (10)介绍XX公司室内外显示屏的种类。
第四章: LED显示屏的组成 (11)详细介绍室内外LED显示屏的组成,结构,控制系统,配电系统,典型系统的安装设置,软件使用方法等问题。
第五章: 显示屏相关计算方法 (33)介绍显示屏常用的计算方法,面积的计算,可视距离的计算方法。
第六章: 显示屏错误判断处理 (35)介绍显示屏幕检测方法和故障排除方法。
第七章: 项目询问信息表 (40)38条与客户项目有关的信息。
第八章: 典型系统应用拓扑图 (42)3个典型显示屏控制系统图。
第一章:专业术语解释1.什么是LED?LED是发光二极管的英文缩写(LIGHT EMITTING DIODE),显示屏行业所说的“LED”特指能发出可见光波段的LED。
2.什么是像素?LED显示屏的最小发光像素,同普通电脑显示器中说的“像素”含义相同。
3.什么是像素点间距?由一个像素点中心到另一个像素点中心的距离。
定义:LED 显示屏的俩俩像素间的中心距离称为像素间距,又叫点间距。
点间距越密,在单位面积内像素密度就越高,分辨率亦高,成本也高。
像素直径越小,点间距就越小。
4.什么是LED点阵显示模块?由若干个显示像素组成的,结构上独立、能组成LED显示屏的最小单元。
典型有“8×8”、“5×7”“5×8”等,通过特定的电路及结构能组装成模组。
5.什么是DIP?DIP是DOUBLE IN-LINE PACKAGE的缩写,双列直插式组装6.什么是SMT?什么是SMD?SMT就是表面组装技术(surface mounted technology的缩写)是目前电子组装行业里最流行的一种技术和工艺SMD是表面组装器件(surface mounted device的缩写)7.什么是LED显示模组?由电路及安装结构确定的、具有显示功能,能通过简单拼装实现显示屏功能的基本单元8. 什么是LED显示屏?通过一定的控制方式,由LED器件阵列组成的显示屏幕9. 什么是直插灯模组?优点和缺点是什么?指DIP封装的LED灯将灯脚穿过PCB板,通过焊接将锡灌满在PCB板孔内,由这种工艺作成的模组就是直插灯模组。
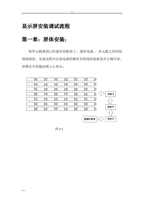
显示屏安装调试流程第一章:屏体安装:将单元板装到已经做好的框架上,接好电源,。
单元板之间用短排线相连。
安装过程中注意电源的极性及排线的连接是否正确可靠。
屏幕信号传输如图1-1所示:图1-1第二章:系统安装图2-1发送卡与接收卡接口如图2-1所示控制计算机中有两个卡,一个为显卡一个为发送卡,发送卡通过一根DVI线缆直接连在显卡上,串口线一端接计算机串口一端接发送卡6P 电话线口。
安装步骤如下:一,计算机部分:1,将带DVI输出端口的显卡插于空的AGP插槽。
2,将数据采集卡(发送卡)插于空的PCI插槽。
3,用DVI线把数据采集卡(发送卡)与显卡连接在一起。
4,把控制线与串口(Rs232)相连。
二,屏体主控部分:1,用1条网线与接收卡相连。
2,接收卡与转接卡(Hub)用50P扁平线一一对应连接好。
3,将转接卡(Hub)与单元板(或模组)按顺序相连,注意信号一一对应。
4,将+5V电源连接到显示驱动卡。
以上检查连接无误即可对系统主机部分进行上电调试。
三,传输部分:一般的信号用网线进行传输(一百米以内)超过一百米需要加中继或者用光纤,光纤系统需要提前预订。
下边介绍用网线做通讯线的制作方法:*注意:选用的控制系统不同线的制作方法也不同1.先用双绞线剥线器(用什么剪无所谓)将双绞线的外皮除去3厘米左右,剥线完成后的双绞线电缆如图2-2所示:图2-22.接下来进行对线。
而深圳灵星雨的控制系统传输线的标准有所不同,必须保证每相邻的绕对为一组,不能交叉。
(如图2-3)顺序如下:1、2线对是一个绕对;3、4线对是一个绕对;5、6线对是一个绕对;7、8线对是一个绕对。
电缆两端均使用T568B标准。
根据图示,线对是按一定的颜色顺序排列的(1、白橙,2、橙,3、白绿,4、绿,5、白蓝,6、蓝,7、白棕,8、棕)。
南京聚诚和南京德普达的控制系统线的标准为EIA/TIA T568B标准(如图2-4)。
对线时要保证:1、2线对是一个绕对;3、6线对是一个绕对;4、5线对是一个绕对;7、8线对是一个绕对。
LED 显示屏培训资料手册以及完整教程1. LED 显示屏概述 ................................................................................................................ 1 2. 产品术语 (3)1.1元器件介绍 ................................................................................................................ 3 1.2基本术语 .................................................................................................................... 4 1.3加工工艺介绍 ............................................................................................................ 4 1.4控制及数据输送介绍 ................................................................................................ 5 1.5显示介绍 .................................................................................................................... 7 1.6检测校正介绍 ............................................................................................................ 9 3. LED 显示屏系统结构 .. (9)3.1 系统结构图 (9)3.2LED 灯的工作电流 ..........................................3.3 LED 显示屏的宽与高的计算方式 .........................................................................3.4 户外LED 显示屏的计算方法 10 3.5 显示屏的设计与选择 .....................................3.6 户外屏应考虑的问题 .....................................4. 公司产品介绍 .................................................................................... 错误!未定义书签。
LED显示屏知识完整教程目录------------------------------------------------------------------第1页1--LED显示产品发展历程---------------------------------第02页2--LED显示屏市场应用领域-------------------------------第03页3--LED显示屏的分类-------------------------------------第04页4--LED显示屏的基本构成---------------------------------第05页5--LEDLED显示屏涉及的名词概念--------------------------第06页6--LED显示屏的两种常规组装方式-------------------------第14页7--LED显示产品一些问题的解答---------------------------第15页8--LED显示屏显示原理-----------------------------------第16页9--单元板/模组认识--------------------------------------第19页10--显示板芯片------------------------------------------第22页11--控制信号与显示接口----------------------------------第26页12--LED单色条屏(室内屏)组装--------------------------第27页13--LED单色室外屏的组装--------------------------------第35页14--08接口转12接口原理---------------------------------第46页15--LED胶水及材料说明----------------------------------第47页16--汇总LED显示屏中的常见IC---------------------------第49页1.LED显示产品发展历程LED诞生于1923年,罗塞夫(lossen.o.w)在研究半导体sic时发现掺有杂质的p-n结,通电后会有光发射出来,由此研制出了发光二极管(led:light emitting diode),但之后LED的应用一直不受重视。
目录第一章LED产品发展历 (3)第二章LED显示屏市场应用领域 (4)第三章LED显示屏的基本构成 (5)第四章 LED显示屏常见分类 (6)第五章LED显示屏的选择时考虑因素 (7)第六章LED显示屏计算机运行要求和系统安装 (8)第七章LED全彩屏系统 (9)第八章全彩LED大屏幕五大性能优势 (12)第九章常见提高全彩屏像素控制技术对比 (17)第十章大屏幕售后服务 (18)第十一章今年公司产品市场定位 (18)附录 (19)产品术语 (19)第一章LED产品发展历LED显示设备从1923年,罗塞夫(lossen.o.w)在研究半导体sic时有杂质的p-n结中有光发射,研制出了发光二极管(led:light emitting diode),一直不受重视。
随着电子工业的快速发展,在60年代,显示技术得到迅速发展,人们研究出pdp激光显示等离子显示板、LED液晶显示器、发光二极管led、等多种显示技术。
由于半导体的制作和加工工艺逐步成熟和完善,发光二极管已日趋在固体显示器中占主导地位。
LED之所以受到广泛重视并得到迅速发展,是因为它本身有很多优点。
例如:亮度高、工作电压低、功耗小、易于集成、驱动简单、寿命长、耐冲击且性能稳定,其发展前景极为广阔。
目前正朝着更高亮度、更高耐气候性和发光密度、发光均匀性、全色化发展。
随着发展人们需要—种大屏幕的显示设备,于是有了投影仪,但是其亮度无法在自然光下使用,于是出现了LED显示器(屏),它具有视角大、亮度高、色彩艳丽的特点。
LED大屏幕的发展呈现如下几个发展阶段:1.第一代单色LED显示屏以单红色为基色,显示文字及简单图案为主,主要用于通知通告及客流引导系统。
2.第二代双基色多灰度显示屏以红色及黄绿色为基色,因没有蓝色,只能称其为伪彩色,可以显示多灰度图像及视频,目前在国内广泛应用于电信,银行,税务,医院,政府机构等场合,主要显示标语,公益广告及形象宣传信息。
•LED显示屏基本概念与原理•LED显示屏硬件组成•LED显示屏软件调试与设置•LED显示屏日常操作与维护保养目•LED显示屏安全注意事项•LED显示屏选购策略及性价比评估录LED显示屏定义及分类定义分类工作原理与发光机制工作原理LED显示屏通过控制系统控制LED像素点的亮灭,从而呈现出不同的颜色和亮度,实现文字、图像等信息的显示。
发光机制LED像素点采用半导体材料制成,当电流通过时,电子与空穴复合释放出能量,产生可见光。
不同颜色的LED像素点采用不同的半导体材料,从而发出不同颜色的光。
像素间距亮度对比度刷新率主要性能指标参数应用领域及市场前景应用领域市场前景显示屏模组结构与功能模组结构功能作用驱动电路设计及原理设计要求原理介绍驱动电路通过控制电流的大小和方向来驱动LED灯珠发光,其设计原理包括信号放大、电流分配、电压转换等。
电源系统配置与要求电源类型配置要求辅助设备介绍及作用控制系统控制系统是LED显示屏的核心部件,负责将计算机或视频信号转化为显示屏能够识别的信号,并控制显示屏的显示内容和方式。
散热设备散热设备用于将显示屏产生的热量及时散发出去,防止因温度过高而损坏显示屏。
配电柜配电柜用于将市电分配给各个显示屏模组,并具备电源监控和保护功能。
框架结构框架结构用于支撑和固定显示屏模组,确保显示屏的整体稳定性和安全性。
调试前准备工作概述软件安装与界面介绍安装LED 显示屏控制软件打开软件,熟悉软件界面及功能分布了解软件各功能模块的作用及操作方法基本参数设置方法设置LED显示屏的亮度、对比度、色配置显示屏的输入信号源及信号格式彩等参数调整显示屏的分辨率和刷新率,以适应不同的显示需求学习如何进行显示屏的色彩校正,确保色彩准确还原了解LED显示屏的故障排查与处理方法,提高维护效率掌握LED显示屏的灰度等级调整方法,提高显示效果高级功能调试技巧开机流程打开总电源开关,确保电源供应稳定。
依次打开控制电脑、发送卡、接收卡等设备的电源。
LED显示屏业务员培训教材:一.屏体的安装注意事项1.屏体及屏体与建造的结合部必须严格防水防漏;屏体要有良好的排水措施,一旦发生积水能顺利排放;2.在显示屏及建造物上安装避雷装置。
显示屏主体和外壳保持良好接地,使雷电引起的大电流及时泄放;3.安装通风设备降温,使屏体内部温度在-10℃~40℃之间。
屏体暗地里上方安装轴流风机,排出热量;4.选用工作温度在-40℃~80℃之间的工业级集成电路芯片,防止冬季温度过低使显示屏不能启动。
5.为了保证在环境光强烈的情况下远距离可视,必须选用超高亮度发光二极管;6.显示介质选用新型广视角管,视角宽阔,色采纯正,一致协调,寿命超过10万小时7.显示屏安装现场必须符合机械安装的要求,维护操作的空间。
8.有效视距和实际安装现场的尺寸关系。
二.LED显示屏技术参数解释:1. LED 显示屏按显示颜色类型分为:单基色LED 显示屏,双基色LED 显示屏和全彩色LED 显示屏。
按灰度级又可分为 16 、32 、64 、128 、256 级灰度 LED 显示屏等。
单色屏普通由红色发光材料构成。
双基色屏普通由红色和黄绿色发光材料构成。
全彩色由红色,绿色 ,蓝色构成;1. 基本发光点 :◆ LED 发光管:发光二极管的简称(Light Emetting Diode)。
在某些半导体材料的PN 结中,注入的少数载流子与多数载流子复合时会把多余的能量以光的形式释放出来,从而把电能直接转换为光能。
PN 结加反向电压,少数载流子难以注入,故不发光。
这种利用注入式电致发光原理制作的二极管叫发光二极管,通称LED。
由于LED 工作电压低(仅1.5V -3V),能主动发光且有一定亮度,亮度又能用电压(或者电流)调节,本身又耐冲击、抗振动、寿命长(10万小时),所以在大型的显示设备中,目前尚无其他的显示方式与LED 显示方式匹敌◆ LED 模块:由若干晶片构成发光矩阵,用环氧树脂封装于塑料壳内,常用的为8X8 点阵模块。
LED显示屏培训教程最新一、教学内容本教程共分为八个章节,详细介绍了LED显示屏的原理、结构、设计、安装、调试和维护等方面的内容。
1. 第一章:LED显示屏概述讲解LED显示屏的定义、分类、特点和应用领域。
2. 第二章:LED显示屏的组成与结构介绍LED显示屏的各个组成部分,包括LED灯珠、驱动IC、电路板、外壳等,并解析其工作原理。
3. 第三章:LED显示屏的设计讲解LED显示屏的设计要点,包括分辨率、点距、亮度、颜色等参数的选择,以及电路设计和热设计等。
4. 第四章:LED显示屏的安装与调试介绍LED显示屏的安装步骤和注意事项,以及调试方法和技巧。
5. 第五章:LED显示屏的维护与保养讲解LED显示屏的日常维护、故障排查和保养方法。
6. 第六章:LED显示屏的故障与解决方案分析LED显示屏常见的故障现象及其原因,并提供解决方案。
7. 第七章:LED显示屏的应用案例介绍LED显示屏在各个领域的应用案例,如广告传媒、舞台租赁、交通诱导等。
8. 第八章:LED显示屏的发展趋势探讨LED显示屏行业的未来发展趋势,包括技术进步、市场竞争和行业政策等。
二、教学目标1. 使学生掌握LED显示屏的基本原理、结构和设计方法。
2. 培养学生具备LED显示屏安装、调试和维护的实际操作能力。
3. 培养学生了解LED显示屏行业的发展趋势,提高其综合素质。
三、教学难点与重点1. 教学难点:LED显示屏的电路设计和故障排查。
2. 教学重点:LED显示屏的原理、结构、安装和维护。
四、教具与学具准备1. 教具:LED显示屏样机、电路板、驱动IC等。
2. 学具:笔记本电脑、示波器、 Multimeter等调试工具。
五、教学过程1. 实践情景引入:介绍LED显示屏在实际应用中的案例,激发学生的兴趣。
2. 原理讲解:讲解LED显示屏的原理,让学生了解其工作过程。
3. 结构解析:分析LED显示屏的各个组成部分,讲解其作用。
4. 设计方法:讲解LED显示屏的设计要点,让学生掌握设计方法。
LED显示屏培训教程完结
第一部分:LED显示屏的基本原理
第二部分:LED显示屏常见问题及解决方法
对于LED显示屏常见问题,可以采取以下解决方法:
1.检查LED模块的接触是否良好,如有松动或接触不良的情况,应及时紧固或更换模块。
2.检查驱动电路的工作状态,如有故障应及时更换或修复。
3.检查控制系统的设置是否正确,如有误操作应及时调整。
第三部分:LED显示屏的操作技巧
在使用LED显示屏时,还需要注意一些操作技巧,以确保显示效果和使用寿命。
1.定期清洁LED显示屏的表面,以保持显示效果清晰。
2.避免长时间高亮度显示,以延长LED的使用寿命。
3.合理设置显示内容,避免显示内容过于复杂或颜色过于刺眼。
4.定期检查LED显示屏的工作状态,如有异常应及时处理。
LED显示屏培训教程目录第一章:专业术语解释 (3)详细介绍55个LED显示屏幕用专业术语及相关知识。
第二章:虚拟显示屏,虚拟象素的介绍 (10)介绍虚拟象素,显示屏幕的原理及适用。
第三章: XX公司显示屏主要产品介绍 (10)介绍XX公司室内外显示屏的种类。
第四章: LED显示屏的组成 (11)详细介绍室内外LED显示屏的组成,结构,控制系统,配电系统,典型系统的安装设置,软件使用方法等问题。
第五章: 显示屏相关计算方法 (33)介绍显示屏常用的计算方法,面积的计算,可视距离的计算方法。
第六章: 显示屏错误判断处理 (35)介绍显示屏幕检测方法和故障排除方法。
第七章: 项目询问信息表 (40)38条与客户项目有关的信息。
第八章: 典型系统应用拓扑图 (42)3个典型显示屏控制系统图。
第一章:专业术语解释1.什么是LED?LED是发光二极管的英文缩写(LIGHT EMITTING DIODE),显示屏行业所说的“LED”特指能发出可见光波段的LED。
2.什么是像素?LED显示屏的最小发光像素,同普通电脑显示器中说的“像素”含义相同。
3.什么是像素点间距?由一个像素点中心到另一个像素点中心的距离。
定义:LED 显示屏的俩俩像素间的中心距离称为像素间距,又叫点间距。
点间距越密,在单位面积内像素密度就越高,分辨率亦高,成本也高。
像素直径越小,点间距就越小。
4.什么是LED点阵显示模块?由若干个显示像素组成的,结构上独立、能组成LED显示屏的最小单元。
典型有“8×8”、“5×7”“5×8”等,通过特定的电路及结构能组装成模组。
5.什么是DIP?DIP是DOUBLE IN-LINE PACKAGE的缩写,双列直插式组装6.什么是SMT?什么是SMD?SMT就是表面组装技术(surface mounted technology的缩写)是目前电子组装行业里最流行的一种技术和工艺SMD是表面组装器件(surface mounted device的缩写)7.什么是LED显示模组?由电路及安装结构确定的、具有显示功能,能通过简单拼装实现显示屏功能的基本单元8. 什么是LED显示屏?通过一定的控制方式,由LED器件阵列组成的显示屏幕9. 什么是直插灯模组?优点和缺点是什么?指DIP封装的LED灯将灯脚穿过PCB板,通过焊接将锡灌满在PCB板孔内,由这种工艺作成的模组就是直插灯模组。
目录一.显示屏线材连接1.显示屏电源线布线和连接 (2)2.屏体功率和电流的计算 (3)3.箱体内的接线实物图 (3)4.显示屏数据网线布线说明 (4)5.网线制作 (5)二.控制系统的调试和软件设置1.电脑配置要求 (6)2.安装显卡驱动和设置 (6)3.LED演播室软件安装和设置 (7)4.接收卡程序的发送和显示屏的连接 (8)4.1接收卡加载程序 (9)4.2显示屏连接 (11)三. 节目制作流程节目窗口都可以播放那些内容 (12)1. 我们建一个整屏播放视频文件窗口 (12)1.1新建节目页 (12)1.2新建节目窗 (13)2.如何在一个屏上分多个窗口播放 (14)3多个不同节目组合 (16)四.LED软件的常见功能1. 网络控制1.1远程实时显示屏管理 (21)1.2远程显示屏管理 (21)1.3 远程控制 (23)2. 定时播放2.1 打开定时指令表 (23)2.2增加定时指令 (24)2.3启动定时指令 (25)2.4示例说明定时 (25)3. 亮度的调节……………………………………………….…26.五.日常保养和常见故障及排除方法1、日常保养 (27)2.常见故障及排除方法 (27)六,培训效果的检测1屏体硬件维护的测试 (29)2.软件的操作功能 (29)3日常保养和故障排除 (29)一、显示屏线材连接1.1 显示屏电源线布线和连接例如:现在一个长四个箱子,高三个箱子的P20全彩的标准显示屏,看如下电源线的布线说明:注意:只画出了火线的连线示意图,零线和接地保护线未表示出来。
说明:(屏体直接使用单相220V/50Hz交流电供电,为了使供电系统平衡采用AC380V三相五线制布线。
该显示屏的最大功率为10kW,正常工作时的功率为6kW。
建议采用线径为5×10mm²三相五线多芯铜芯电线输入到三相100A总空气开关上,从总空气开关输出的电线分多路线路到单相32A空气开关上,从单相空气开关到屏体用3×4 mm²单相三线电线。
LED显示屏知识完整教程LED显示屏,一种以LED为发光原理,通过电路控制和时间分组技术把在某一特定时间点内的一些排列好的像素点一块一块发光,从而形成某种图案和文字。
它不仅广泛应用于广告、展览、演出、舞台背景、大型商场、体育场馆、银行、火车站、公路交通、机场、报刊亭、医院等公共场所,而且在军事、通讯、交通、文化等领域的应用越来越广泛。
在这篇文章中,我们将探讨LED显示屏的知识,包括LED显示屏组成元件、分类、特点及购买建议等方面。
一、LED显示屏组成元件1. LED 元件LED显示屏的核心组成部分是LED元件。
依据不同的应用场景和不同的视觉效果需求,LED元件的颜色、亮度、尺寸等参数都有所不同。
2. 外壳LED元件需要通过外壳来进行保护,并配合各种镜片进行光学设计。
3. 驱动IC驱动IC是LED显示屏控制台发送指令,实现LED元件对应的亮度、颜色等参数的改变。
4. 电源LED显示屏需要一个高质量的电源。
功率及配合控制器稳定性是衡量电源质量好坏的两个重要标准。
5. 控制系统LED显示屏采用数字信号和模拟信号进行信息传输,控制系统用于提供信号处理、解码和转换。
二、LED显示屏分类LED显示屏根据应用和使用场合的不同可以分为以下几类:1.室内SMD LED显示屏室内SMD LED显示屏主要应用于室内各种场所的展示和广告,适合对视觉效果要求和分辨率要求大的场合。
2.户外DIP LED显示屏户外DIP LED显示屏主要应用于室外当地环境比较恶劣的场合,如广告牌、凉亭、公园、购物中心。
适合对耐用性和防水等的要求。
3.户外SMD LED显示屏户外SMD LED显示屏主要应用于户外场所,如大型广场、车站、机场、高速公路等。
其视觉效果和分辨率达到室内SMD LED显示屏的水平,同时也满足户外的要求。
三、LED显示屏的特点1. 显示效果好LED显示屏的显示效果清晰明亮,同时色彩还原效果更好。
2. 低施工成本LED显示屏安装方便、布线简单,施工成本低。
L E D显示屏用户培训手册-中文-图文(精)深圳市XX 芯光电有限公司目录第一章 LED 电子显示屏的概述 1-1 LED 电子显示屏的功能及用途 1-2 运行环境 1-3 系统方框图1-4 电源使用方法及说明第二章 LED 显示屏的系统的安装和设置 2-1 LED 显示屏的系统配置 2-2 硬件的安装 2-3 硬件的端口定义 2-4 软件的安装及使用说明 2-5显卡的设置与LED 显示屏设置第三章 LED 显示屏的基本维护 3-1 控制系统基本维护 3-2 单元板的基本维护第四章综述 4-1 LED 显示屏的注意事项 4-2 通讯线的制作方法深圳市XX 芯光电科技有限公司以专业赢得信赖;以卓越赢得尊重。
是一家主要从事LED 显示屏相关产品的开发\生产\销售\服务为一体的综合性高科技企业。
第一章LED 电子显示屏的概述1-1LED 电子显示屏的功能及用途LED 电子显示屏集光、电、多媒体于一体化,能播放文字、图形、动画、视频等多种多媒体信息;并可以将这些信息集成于系统之中,完成就用系统的开发制作。
LED 电子显示屏广泛应用于银行、证券、保险等金融单位;公安、消防、交通、工商、税务、法院、海关等政府机关;体育馆、大型舞台、电信、学校、医院、商场、车站、机场、码头、会所、大堂、广场、公园、社区等公众服务空间。
1-2 运行环境▲ 操作系统中英文Windows98/me/2000/NT/XP;相关应用软件要安装. 如(Office2000/RealPlayey等▲ 硬件配置CPU: 奔腾300MHz 以上; 内存: 128M ;显卡: 标准VGA 256 显示模式以上1-3 系统方框图▲ 系统结构图:▲ 信号走向图:本系统由电脑同步控制LED 显示屏,用一条超五类网线传送信号给接收卡,接收卡通过转接卡把信号传到LED 屏幕来完成通迅。
1-4电源的使用方法及说明LED 显示屏使用的是AC220v 或AC110V电流供电,要求电网电压波动小于是10%,并有提供良好的地线。
十、大屏幕售后服务
对LED电子显示屏系统来讲,我们为满足其高可靠性要求和在保证工程高质量的同时,更重要的是对于在系统完成后如何向用户提供全面的技术支持和完善的售中、售后服务,如快捷的响应、现场维护、定期检修保养、充足的备品备件以及专业技术服务队伍等各方面。
对此,我们做出如下承诺:
(1)提供壹年的免费维护质保期。
(2)提供显示屏及相关设备的使用说明、安装手册、。
(3)质保期后,提供终身的优惠支持维护和升级服务。
(4)当地设有维护服务机构,现场进行售后服务。
(5)无论是否在质保期,在接到业主通知后,维修工程师在12小时之内赶到现场。
(6)现场定期检修保养服务。
(7)充足的备品备件供应。
十一、08年LED大屏幕市场定位
08年是LED显示屏在全国市场正式运作开始,、为了能让广大经销商对这产品的信心。
本年度的政策是在保证质量和各种技术到位情条件下,公司以低价在市场运行,以占有市场份额为目的。
树立更多便民样板工程,服务于社会!
十二、LED大屏幕产品资料的参数
(待续)
欢迎您的下载,资料仅供参考!。