湿陷性黄土的工程特性
- 格式:doc
- 大小:67.00 KB
- 文档页数:3
湿陷性及湿陷性黄土概念及特征介绍因浸水后土的结或者在自重应力和附加应力共同作用下,在上覆土层自重应力作用下,广有些杂填土也具有湿陷性。
构破坏而发生显著附加变形的土称为湿陷性土,属于特殊土。
(这里所说的黄土泛指泛分布于我国东北、西北、华中和华东部分地区的黄土多具湿陷性。
也有的老黄土不湿陷性黄土又分为自重湿陷性黄土和非自重湿陷性黄土,黄土和黄土状土。
具湿陷性)一、可能造成的危害在湿陷性黄土地基上进行工程建设时,必须考虑因地基湿陷引起附加沉降对工程可能选择适宜的地基处理方法,避免或消除地基的湿陷或因少量湿陷所造成的危害。
造成的危害,二、湿陷性黄土的工程特性在未受水浸湿结构疏松、孔隙发育。
湿陷性黄土是一种特殊性质的土,其土质较均匀、时,一般强度较高,压缩性较小。
当在一定压力下受水浸湿,土结构会迅速破坏,产生较大地基强度迅速降低。
故在湿陷性黄土场地上进行建设,应根据建筑物的重要性、附加下沉,采取以地基处理为主的受水浸湿可能性的大小和在使用期间对不均匀沉降限制的严格程度,综合措施,防止地基湿陷对建筑产生危害。
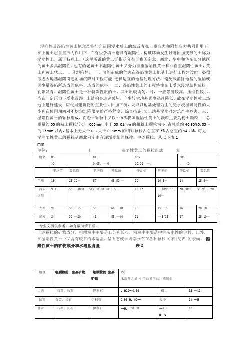
三、湿陷性黄土的颗粒组成,而粉土颗粒中又以~70%我国湿陷性黄土的颗粒主要为粉土颗粒,占总重量约50的粘土颗粒较少,.005mm,小于00.01mm的粗粉土颗粒为多,占总重约40.60%0.05~的25mm以内,基本上无大于0.,大于0.1mm的细砂颗粒占总重在5%占总重约14.28% 可见,湿润陷性黄土的颗粒从西北向东南有逐渐变细的规律。
中砂颗粒。
从以下表1专业文档供参考,如有帮助请下载。
.中土孔隙土中水分不断蒸发,黄土是干旱或半干旱气候条件下的沉积物,在生成初期,的毛细作用,使水分逐渐集聚到较粗颗粒的接触点处。
同时,细粉粒、粘粒和一些水溶盐类也不同程度的集聚到粗颗粒的接触点形成胶结。
由于在湿陷性黄土中砂粒含量试验研究表明,粗粉粒和砂粒在黄土结构中起骨架作用,细粉粒通常依附在较大而且大部分砂粒不能直接接触,能直接接触的大多为粗粉粒。
湿陷性黄土地基湿陷的原理和处理方法分析湿陷性黄土是一种具有湿陷性质的特殊土壤类型,其在遇到水分的作用下会发生体积变化,导致建筑物的沉降和破坏。
湿陷性黄土地基的湿陷原理是由于土壤中的黏性颗粒之间的吸附力和吸水力导致土壤颗粒聚结和体积收缩。
处理湿陷性黄土地基的方法有多种,包括排水处理、改良处理和断层处理等。
1. 吸水性:湿陷性黄土由于土壤的颗粒间隙较大,含有大量的毛细孔,能够很好地吸收和储存水分。
当土壤吸水后,土壤中的黏性颗粒之间的吸水力增强,导致土壤体积发生变化。
2. 颗粒聚结:湿陷性黄土中含有一定量的黏土颗粒,这些颗粒具有黏性和胶结性质。
当水分分子进入黏土颗粒间隙时,颗粒表面的电荷变化,引起吸引力增强,颗粒之间结合力增大,产生颗粒聚结现象。
3. 含水率变化:湿陷性黄土在不同含水率下具有不同的物理特性。
当土壤的含水率增加时,土壤体积会相应增大;而当含水率减小时,土壤体积会相应减小。
湿陷性黄土在遇到水分作用下会发生体积的收缩和膨胀,从而引起地基的沉降和破坏。
对于湿陷性黄土地基的处理方法,常用的有以下几种:1. 排水处理:通过提高地下水位附近的排泄能力,将地下水排出,以降低土壤的含水率,从而减小土壤体积的变化。
这可以通过排水沟、排水管等设施进行实现。
2. 改良处理:通过添加改良材料,改变土壤的物理和力学性质,以改善土壤的稳定性和抗湿陷性能。
常见的改良材料包括石灰、水泥、石粉等,它们的添加可以改变土壤的结构和黏粒的性质,减小土壤的吸水能力和颗粒聚结现象。
3. 断层处理:对于已经严重受损的地基,可以通过开挖和重新填充的方式来重新构筑地基。
这种方法需要专业的工程师进行设计和施工,以确保地基的稳定性和可靠性。
湿陷性黄土的工程特性湿陷性黄土是一种特殊性质的土,其土质较均匀、结构疏松、孔隙发育。
在未受水浸湿时,一般强度较高,压缩性较小。
当在一定压力下受水浸湿,土结构会迅速破坏,产生较大附加下沉,强度迅速降低。
故在湿陷性黄土场地上进行建设,应根据建筑物的重要性、地基受水浸湿可能性的大小和在使用期间对不均匀沉降限制的严格程度,采取以地基处理为主的综合措施,防止地基湿陷对建筑产生危害。
湿陷性黄土的颗粒组成我国湿陷性黄土的颗粒主要为粉土颗粒,占总重量约50~70%,而粉土颗粒中又以0.05~0.01mm的粗粉土颗粒为多,占总重约40.60%,小于0.005mm的粘土颗粒较少,占总重约14.28%,大于0.1mm的细砂颗粒占总重在5%以内,基本上无大于0.25mm的中砂颗粒。
从以下表1可见,湿润陷性黄土的颗粒从西北向东南有逐渐变细的规律。
表l 湿陷性黄土的颗粒组成单位:mm土的湿度和密度湿陷性黄土之所以在一定压力下受水时产生显著附加下沉,除上述在遇水时颗粒接触点处胶结物的软化作用外,还在于土的欠压密状态,干旱气候条件下,无论是风积或是坡积和洪积的黄土层,其蒸发影响深度大于大气降水的影响深度,在其形成过程中,充分的压力和适宜的湿度往往不能同时具备,导致土层的压密欠佳。
接近地表2--3米的土层,受大气降水的影响,一般具有适宜压密的湿度,但此时上覆土重很小,土层得不到充分的压密,便形成了低湿度、高孔隙率的湿陷性黄土。
湿陷性黄土在天然状态下保持低湿和高孔隙率是其产生湿陷的充分条件。
我国湿陷性黄土分布地区大部分年平均降雨量约在250~500mm,而蒸发量却远远超过降雨量,因而湿陷性黄土的天然湿度一般在塑限含水量左右,或更低一些。
表3 我国湿陷性黄土的天然含.it~mm,液限值湿陷性黄土地基处理湿陷性黄土地基处理的目的主要是通过消除黄土的湿陷性,提高地基的承载力。
常用的地基处理方法有:土或灰土垫层、土桩或灰土桩、强夯法、重锤夯实法、桩基础、预浸水法等。
湿陷性黄土地基湿陷的原理和处理方法分析湿陷性黄土是一种具有特殊工程地质性质的土壤,其湿陷性是指在水分条件改变下,土壤发生体积变化,由于土壤颗粒的再排列和骨架的重组导致地基沉降和变形。
湿陷性黄土的湿陷特性与其黏土矿物组成、含水量、结构特征以及土壤重度有关。
1. 颗粒排列重组:湿陷性黄土的颗粒间存在一定的胶结力,当土壤与水分接触时,胶结力被破坏,原本紧密排列的颗粒开始发生重组与再排列。
这导致土壤体积增大,发生沉降和变形。
2. 含水量变化:湿陷性黄土的含水量对其湿陷性有很大影响。
当含水量增加时,黄土中的颗粒间润滑层厚度增大,土体内的空隙剧增,体积扩大,引起地基沉降和变形。
3. 结构透水性:湿陷性黄土具有较好的透水性,但因其颗粒间胶结作用强,使土壤内部存在密实层。
当水分进入土壤后,密实层难以透水,导致上层的土壤水分无法顺利排出,使得地基部分区域沉降。
1. 湿陷区域的预处理:在规划和设计阶段,应对湿陷性黄土地区进行详细的地质调查和勘察,确定湿陷区域的边界和分布,以及湿陷深度、厚度和变形特征等。
在地基工程施工前,对湿陷区域进行预处理,如加固、排水等,减少地基变形。
2. 预压加固法:通过施加预先施加的压力来改善地基的稳定性,减少沉降和变形。
预压可以采用静载试验、土体填充、钢板水平约束等方法进行。
3. 排水处理:通过提高地基的排水能力,及时将土壤中的过多水分排出,减少土壤饱和和润滑导致的体积扩大和变形。
常用的排水方法包括建设排水沟、埋设排水管道等。
4. 土体改良方法:可以通过土体改良来改善湿陷性黄土地基的工程性质。
如采用土壤加固剂、土壤固化剂等提高土体的结实度和稳定性,减小地基的变形。
湿陷性黄土地基的湿陷原理主要涉及颗粒排列重组、含水量变化和结构透水性等因素。
在处理湿陷性黄土地基时,需要综合考虑预处理、预压加固、排水处理和土体改良等方法,以减小地基的沉降和变形,确保工程的安全和稳定性。
一、概念黄土是在第四纪形成的一种特殊的陆相疏松堆积物,颗粒成分以粉粒为主,富含碳酸钙,多孔隙,颜色一般呈棕黄、黄色或黄褐色。
土中含易溶盐类,其中以碳酸盐含量最多,遇水易冲蚀、崩解、湿陷。
黄土按其湿陷特征可分为非湿陷性黄土、湿陷性黄土。
湿陷性黄土是一种非饱和的欠压密土,具有大孔和垂直节理,在天然湿度下,其压缩性较低,强度较高,但遇水浸湿时,土的强度显著降低,在附加压力与土的自重压力下引起的湿陷变形,是一种下沉量大、下沉速度快的失稳性变形,对建筑物的危害性大。
(湿陷性黄土又分为自重湿陷性黄土和非自重湿陷性黄土)。
我国湿陷性黄土的颗粒主要为粉土颗粒,占总重量约50~70%,而粉土颗粒中又以0.05~O .01ram 的粗粉土颗粒为多,占总重约40.60%,小于0.005ram 的粘土颗粒较少,占总重约14.28%,大于0.1rnm 的细砂颗粒占总重在5%以内,基本上无大于0.25mm 的中砂颗粒。
西宁地区的湿陷性黄土是粉质土,且低阶地一般为粉质亚粘土为主,高阶地以粉质亚砂土为主。
西宁市区内的湿陷性黄土进行湿陷类型、湿陷等级划分,河谷低阶地的湿陷性黄一般为I 一Ⅱ级非自重湿陷,高阶地多为Ⅱ级非自重湿陷,洪积裙多为I 一Ⅱ级自重湿陷,黄土丘陵边缘地带多为Ⅲ级自重湿陷。
1.黄土湿陷性判定通过室内压缩试验在一定压力下的湿陷程度。
湿陷性系数's ()/p p o h h h δ=-δs ≧0.15 湿陷性黄土δs<0.15 非湿陷性黄土2.湿陷类型判别1)自重湿陷性判别(在饱和自重压力下的湿陷程度)自重湿陷性系数δzsδzs ≧0.015 自重湿陷性黄土δzs<0.015 非自重湿陷性黄土2)场地湿陷类型(实测自重湿陷量或计算自重湿陷量Δzs )s si o i z z h βδ∆=∑Δzs ≧7cm 自重湿陷性黄土场地Δzs <7cm 非自重湿陷性黄土场地3.湿陷等级判别(总湿陷量s ∆、自重湿陷量Δzs )s si i h βδ∆=∑通常:s ∆≧50,Δzs ≧30可判定为Ⅲ级,30<s ∆<50,7<Δzs <30可判定为Ⅱ级二、工程特性1.湿陷性:在天然含水量时往往具有较高的强度和较小的压缩性,但在浸水后,在土的自重或外部荷载或二者的共同作用下,其结构很快破坏,发生剧烈变形,强度也随之迅速降低,亦即黄土的湿陷性。
湿陷性黄土地区路基施工一、湿陷性黄土的工程特征一般呈黄色或黄褐色,粉土含量常占60%以上,含有大量的碳酸盐、硫酸盐等可溶盐类,天然孔隙比在1左右,肉眼可见大孔隙。
在自重压力或自重压力与附加压力共同作用下,受水浸湿后土的结构迅速破坏而发生显著下沉。
具有湿陷性和易溶蚀、易冲刷、各向异性等工程特征,导致黄土地区的路基易产生多钟问题及危害。
二、湿陷性黄土地基的处理措施湿陷性黄土地基应采取拦截、排除地表水的措施,防止地表水下渗,减少地基地层湿陷下沉。
其地下排水构造物与地面排水沟渠必须采取防渗措施。
若地基土层有强湿陷性或较高的压缩性,且容许承载力低于路堤自重力时,应考虑地基在路堤自重和活载作用下所产生的压缩下沉。
除采用防止地表水下渗的措施外,可根据湿陷性黄土工程特性和工程要求,因地制宜采取换填土、重锤夯实、强夯实、预浸法、挤密法、化学加固法等措施对地基进行处理。
1.换填土—挖除一定深度湿陷性黄土,换以合乎要求的土或灰土分层填筑,分层夯实。
2.强夯法—用几十吨重锤从高处落下,反复多次夯击,对地基进行强力夯实,使浅层、深层得到不同程度的加固,强夯施工法振动大,对附近建筑物有影响,因此应注意施工附近建筑物安全。
采用强夯法处理湿陷性黄土地区路基的地基,土的含水量宜低于塑限含水量1%~3%。
3.预浸法—通过钻孔注水,使其预先湿陷。
可用于湿陷性土层厚度大于10cm,自重湿陷量不小于50cm的地段。
4.挤密法—通过冲击,振动或爆破成孔,再灌以石灰或灰土分层捣实。
5.化学加固法—用硅酸钠溶液,通过有孔的注射管压入土中,使其与土中水溶性盐相互作用,产生硅胶,把土胶结。
地基陷穴处理方法对现有的陷穴、暗穴,可以采用灌砂、灌浆、开挖回填等措施,开挖的方法可以采用导洞、竖井和明挖等。
1.灌砂法:本法适用小而直的陷穴,以干砂灌实整个洞穴。
2.灌浆法:本法适用于洞身不大,但洞壁起伏曲折较大,并离路基中线较远的小陷穴,施工时先将陷穴出口用草袋装土堵塞,再在陷穴顶部每隔4~5m打钻孔作为灌浆孔,待灌好和土浆凝固收缩后,再在各孔作补充灌浆,一般需要2~3次,有时为了封闭水道也可灌水泥砂浆。
浅谈湿陷性黄土地基工程特性及处理措施[摘要] 湿陷性黄土地基是基础工程中最为复杂的地基类型之一,通过分析湿陷性黄土的主要工程特性,采取可靠的地基处理等措施,为铁路建设提供可靠的技术支撑。
[关键词] 湿陷性黄土地基处理工程措施1.湿陷性黄土的主要工程特性黄土在自重压力或附加压力和自重压力共同作用下因受水浸湿而产生急剧、大量的附加下沉变形现象称为湿陷。
湿陷性黄土可分为自重湿陷性黄土和非自重湿陷性黄土,浸水后需在一定附加压力作用下才发生湿陷的黄土称为非自重湿陷性黄土;在饱和自重压力作用下即产生湿陷的称为自重湿陷性黄土,其危害性远较非自重湿陷性黄土严重。
1.1湿陷性黄土的主要物性指标(1)矿物成分和颗粒组成。
湿陷性黄土的矿物成分以石英为主,其含量为60%~70%,其次为长石和云母,约占10%~20%,碳酸盐含量为10%~30%,对黄土湿陷性起主要作用的是细散粘粒的矿物成分和比例。
湿陷性黄土的颗粒成分以粉粒(0.005~0.05mm)为主,约占50%~70%,其次为砂粒(>0.05mm ),约占10%~30%,粘粒含量为8%~26%。
(2)天然容重和孔隙比。
湿陷性黄土的天然容重一般为13.5~19.0 kN/m3,干密度为11~16kN/m3,当干密度超过15kN/m3 时,湿陷性基本消失。
孔隙比是衡量湿陷性黄土密实度的主要指标,一般在0.9~1.1之间,当黄土的孔隙比小于0.9 时,湿陷性明显减弱。
(3)含水量和饱和度。
湿陷性黄土的天然含水量为10%~20%,主要受地形、降水量和地下水位的影响,在塬、梁、峁表层的黄土含水量较低,一般在8%~12%,河谷阶地较高,可达18%~20%,当黄土含水量超过23% 时,湿陷性基本消失,压缩性增加。
湿陷性黄土的饱和度大多为40%~50%,当饱和度超过80%时称为饱和黄土,湿陷性消失,成为高压缩性的软土。
湿陷性黄土的液限一般为22%~32%,塑限在12%~20%之间,液性指数接近于0,甚至小于0。
湿陷性黄土地基湿陷的原理和处理方法分析湿陷性黄土地基是工程施工中常见的一种地基类型,其湿陷性主要是由于黄土中含有较多的黏土颗粒和有机物质,在受水分影响下容易发生变形和沉降。
湿陷性黄土地基湿陷的原理主要包括黄土颗粒结构变化、水分含量变化等因素。
处理这种地基的方法包括改良黄土地基、加固地基等。
一、湿陷性黄土地基的原理分析1. 黄土颗粒结构变化:黄土中含有大量黏土颗粒和粉末状颗粒,当受到水分渗入后,黏土颗粒会吸水膨胀,导致土体结构松散,从而引起地基的变形和沉降。
2. 水分含量变化:黄土地基具有较强的吸水性,当地基处于高含水状态时,土体内部黏土颗粒会膨胀并使土体变软,地基沉降;在干燥状态下,土体内部含水降低,导致土体收缩,也会引起地基的变形和沉降。
由于湿陷性黄土地基自身的特性,其在施工中容易发生变形和沉降的问题,给工程造成一定的安全隐患。
对湿陷性黄土地基进行处理至关重要。
1. 地基改良:地基改良是指通过对地基进行物理或化学的调整,改变其结构和性质,以提高地基的承载能力和稳定性。
对湿陷性黄土地基进行改良可以采用物理方法,如加入填料或者碎石等填充材料,使土体致密化;也可以采用化学方法,如利用固化材料对土体进行固化处理,提高土体的抗湿陷性。
2. 加固地基:对湿陷性黄土地基进行加固可以采用钢板桩、搅拌桩等方法,通过在地基中插入钢板桩或者搅拌桩,加固土体结构,提高地基的稳定性和承载能力。
3. 地基预处理:在施工前对湿陷性黄土地基进行预处理也是一种常用的方法,可以通过降低地基含水率或者对土体进行固结处理,减少地基变形和沉降的风险。
以上处理方法可以单独应用,也可以结合使用,根据具体的工程情况和地基特性进行选用,以达到提高地基的承载能力和稳定性,保障工程的安全和可靠。
湿陷性黄土地基湿陷的原理主要包括土体结构变化和水分含量变化,处理方法主要包括地基改良、加固地基和地基预处理等。
在实际工程中,要根据地基的具体情况和工程要求,综合考虑各种因素,选择合适的处理方法,以确保工程质量和安全。
西北地区湿陷性黄土工程特性综合评价与地基处理试验研究引言西北地区是我国黄土分布较为集中的地区之一,其中湿陷性黄土因其特殊的物理力学性质对工程建设具有重要影响。
本文旨在综合评价西北地区湿陷性黄土的工程特性,并提出相应的地基处理措施,为工程建设提供科学依据。
湿陷性黄土工程特性湿陷性黄土是指其在水分变化下引起显著体积塑性变形的黄土。
西北地区湿陷性黄土具有以下特性:1. 高含水量湿陷性黄土的含水量较高,常在液态状态下存在。
由于吸附力、毛细作用等因素,黄土颗粒与水分子间存在较强的黏结作用,使得黄土表现出较高的塑性和粘性。
2. 显著的膨胀性湿陷性黄土在含水量增加时会发生膨胀,体积塑性变形明显,可导致地面沉降和结构破坏。
湿陷性黄土的膨胀性是由其颗粒结构和黄土矿物成分所决定的。
3. 塑性变形能力强湿陷性黄土具有较强的塑性变形能力,易形成可塑性流动层。
当工程上施加载荷时,黄土会发生流动,导致地基沉降。
塑性变形能力是湿陷性黄土不稳定性的主要表现之一。
4. 含砂量较高湿陷性黄土通常含有一定量的砂粒,并具有较高的含砂量。
砂粒对湿陷性黄土的工程特性产生较大影响,更易引起结构沉降和地面变形。
地基处理试验研究为了解决湿陷性黄土引起的工程问题,需要进行地基处理试验研究,以提高工程建设的稳定性和安全性。
以下是几种常见的地基处理方法:1. 固结预压法固结预压法通过施加垂直荷载,使湿陷性黄土在初期固结,减小其孔隙比和含水量,降低其膨胀性和塑性变形能力。
这种方法适用于湿陷性黄土地区的大型基础工程。
2. 加固处理法加固处理法主要是利用灌浆加固、土工合成材料、桩基础等方式加强湿陷性黄土地基的抗震和抗变形能力。
通过增加地基的强度和刚度,降低黄土的塑性变形能力和膨胀性。
3. 隔离处理法隔离处理法通过在湿陷性黄土地基上设置隔离层,将黄土与结构物隔离开,减小湿陷性黄土对结构物的影响。
隔离层可以采用高强度的土工合成材料或混凝土板等。
4. 排水处理法排水处理法通过在湿陷性黄土地基中设置排水系统,将地下水排泄,减小黄土的含水量和湿陷性。
小议湿陷性黄土地区长输管道地基的处理湿陷性黄土是一种典型的黄土地,其特点是干燥时硬质结实,但一遇水分便容易软化、流失,这给长输管道的地基处理带来了很大的难度。
在处理湿陷性黄土地区长输管道地基时,需要充分考虑黄土的特性,采取科学合理的措施,确保管道安全运行。
本文将从湿陷性黄土地特性、地基处理灵活应对等方面进行探讨,希望对相关工程技术人员有所帮助。
一、湿陷性黄土地特性湿陷性黄土地质条件复杂,含水量大,针对这些特性,需要充分了解湿陷性黄土地特性,才能对地基进行科学处理。
1. 含水量大湿陷性黄土的含水量相对较高,一旦遇水,土壤容易软化,导致地基不稳定。
在长输管道地基处理时,必须充分考虑土壤的含水量,采取措施避免地基软化。
2. 变形性大3. 工程难度大由于湿陷性黄土的特性,长输管道地基处理工程难度较大,需要科学合理的方案和技术手段。
二、地基处理灵活应对针对湿陷性黄土地区长输管道地基处理的难度,需要采取一系列灵活应对的措施,确保地基的稳定性和管道的安全运行。
1. 软化土壤处理针对地基土壤软化的问题,可以通过软土加固技术来处理,如土工格栅加固、土钉墙等技术手段。
这些技术可以增加土壤的承载能力,确保地基稳定。
2. 排水处理针对土壤的含水量大的特性,可以通过排水处理来降低土壤的含水量,减少地基软化的可能性。
可以采用排水管道、沟渠等方式进行排水处理。
3. 地基加固针对土壤的变形性大的特性,可以通过地基加固来增加地基的承载能力,减少变形的可能性。
可以采用地基加固桩、灌浆加固等方式进行地基加固。
4. 监测预警在长输管道地基处理后,需要进行地基的监测和预警工作,及时发现地基变形和软化的情况,采取相应的补救措施,确保管道的安全运行。
桩基础在湿陷性黄土地基处理中的应用摘要:本文首先分析了湿陷性黄土的工程特性,然后结合具体工程案例详细阐述了灰土夯扩桩在湿陷性黄土地基处理中的应用。
关键词:湿陷性黄土;地基处理;灰土夯扩桩;成桩一、湿陷性黄土的工程特性黄土是指第四纪以来在干旱、半干旱气候条件下陆相沉积的一种特殊土,分为老黄土和新黄土,老黄土一般没有湿陷,承载力较高,新黄土广泛覆盖在老黄土之上,与工程建筑关系密切,一般都具有湿陷性,湿陷性黄土在上覆土层自重应力作用下,或者在自重应力和附加应力共同作用下,下沉稳定后,因浸水土的结构迅速破坏而发生显著附加变形,强度迅速降低,体现在建筑物方面: 在框架结构中,对于上部结构的刚度较大的建筑物,发生不均匀沉降,随着不均匀沉降的发展,可能造成上部结构出现45℃斜裂缝,甚至发生破坏,甚至是倒塌; 在砖混结构中,主要体现墙体开裂并附加不均匀沉降引发危险。
所以在湿陷性黄土地基上进行工程建设时,我们应先查明建筑工程特征,根据建筑物的重要性、地基受水浸湿可能性的大小和在使用期间对不均匀沉降限制的严格程度来采取适宜的地基处理方法,防止地基湿陷引起附加沉降对工程造成危害。
二、工程概况沙井子矿区刘园子煤矿位于甘肃省庆阳市环县,坐落在湿陷性黄土分区上。
本工程为刘园子煤矿选煤厂主厂房,地基长度为43.4m,宽度为32.4m。
其地质条件是:根据西安中勘工程有限公司提供的《甘肃华能天竣能源有限公司刘园子煤矿选煤厂的岩土工程勘察报告》(详勘),本场地为自重湿陷性场地,湿陷等级为Ⅱ级。
地层自上而下分为:①素填土:主要由粉土组成,在主房地段,在开挖地基坑时素填土基本被挖除,其剩余厚度小于1.0m。
②黄土:浅黄色,主要为粉土,可塑-硬塑,稍密,稍湿。
具中等~强湿陷性。
本层在场地内普遍分布,层厚12.6~18.6m,其承载力特征值135kpa;③黄土:浅黄色,主要为粉土,可塑-硬塑,稍密,稍湿。
中等压缩性。
该层局部具弱湿陷性。
本层在场地内普遍分布,层厚8.2~11.1m;其承载力特征值160kpa;④卵石:杂色,稍湿,中密-密实,卵石母岩主要成分为灰岩、砂岩等,砂及粘性土充填。
湿陷性黄土的工程特性
摘要:湿陷性黄土使一种特殊性质的土,在一定的压力下,下沉稳定后,受水浸湿,土结构迅速破坏,并产生显著附加下沉,故在润陷性黄土场地上进行建设,应根据建筑物的重要性、地基受水浸湿可能性的大小和在使用期间对不均匀沉降限制的严格程度,采取以地基处理为主的综合措施,防止地基湿陷对建筑产生危害。
关键词:湿陷性黄土;工程特性
l湿陷性黄土的颗粒组成
我国湿陷性黄土的颗粒主要为粉土颗粒,占总重量约50~70%,而粉土颗粒中又以0.05~O.01ram的粗粉土颗粒为多,占总重约40。
60%,小于0.005ram的粘土颗粒较少,占总重约14。
28%,大于0.1rnm的细砂颗粒占总重在5%以内,基本上无大于0.25mm 的中砂颗粒。
从以下表1可见,湿润陷性黄土的颗粒从西北向东南有逐渐变细的规律。
表l 湿陷性黄土的颗粒(mm)组成
上述颗粒的矿物成分,粗颗粒中主要是石英和长石,粘粒中主要是中等亲水性的伊利石(见表2)。
此外,在湿陷性黄土中又含有较多的水溶盐,呈固态或半固态分布在各种颗粒的表面。
黄土是干旱或半干旱气候条件下的沉积物,在生成初期,土中水分不断蒸发,土孔隙中的毛细作用,使水分逐渐集聚到较粗颗粒的接触点处。
同时,细粉粒、粘粒和一些水溶盐类也不同程度的集聚到粗颗粒的接触点形成胶结。
试验研究表明,粗粉粒和砂粒在黄土结构中起骨架作用,由于在湿陷性黄土中砂粒含量很少,而且大部分砂粒不能直接接触,能直接接触的大多为粗粉粒。
细粉粒通常依附在较大颗粒表面,特别是集聚在较大颗粒的接触点处与胶体物质一起作为填充材料。
粘粒以及土体中所含的各种化学物质如铝、铁物质和一些无定型的盐类等,多集聚在较大颗粒的接触点起胶结和半胶结作用,作为黄土骨架的砂粒和粗粉粒,在天然状态下,由于上述胶结物的凝聚结晶作用被牢固的粘结着,故使湿陷性黄土具有较高的强度,而遇水时,水对各种胶结物的软化作用,土的强度突然下降便产生湿陷。
2土的湿度和密度
湿陷性黄土之所以在一定压力下受水时产生显著附加下沉,除上述在遇水时颗粒接触点处胶结物的软化作用外,还在于土的欠压密状态,干旱气候条件下,无论是风积或是坡积和洪积的黄土层,其蒸发影响深度大于大气降水的影响深度,在其形成过程中,充分的压力和适宜的湿度往往不能同时具备,导致土层的压密欠佳。
接近地表2--3米的土层,受大气降水的影响,一般具有适宜压密的湿度,但此时上覆土重很小,土层得不到充分的压密,便形成了低湿度、高孔隙率的湿陷性黄土。
湿陷性黄土在天然状态下保持低湿和高孔隙率是其产生湿陷的充分条件。
我国湿陷性黄土分布地区大部分年平均降雨量约在250~500ram,而蒸发量却远远超过降雨量,因而湿陷性黄土的天然湿度一般在塑限含水量左右,或更低一些。
表4 我国湿陷性黄土的孔隙
在竖向剖面上,我国湿润陷性黄土的孔隙比一般随深度增加而减小,其含水量则随深度增加而增加,有的地区这种现象比较明显,为此较薄的湿陷性土层往往不具自重湿陷或自重湿陷不明显。