呆滞库存成品的处理规定及流程图
- 格式:doc
- 大小:79.00 KB
- 文档页数:5
呆滞物料处理流程前言为了及时处理公司呆滞、、不良物料,尽量减小公司的经济损失,特制订本办法。
本标准由ABC呆滞物料处理项目小组提出。
本标准起草部门:ABC计划部。
本标准起草人:SSY本标准于2020年4月首次公布。
1、流程范围本流程规定了公司呆滞物料确实认和处理办法。
本流程适用于由于技术更改、计划更改、合同更改等状况形成的和由于各种原因造成的呆滞物料的处理。
本标准所指的呆滞物料包括外购的物料和半成品以及产成品。
2、呆滞物料的定义对质量(规格、材质、功效)不符合标准的原材料、外购件及外协件,存储超过1个月;对成品、半成品,凡因质量不符合标准,存储超过1个月;对合格状态的原材料、外购件及外协件,存储超过3个月;对在制或制成后因客户取消订单或者客户退货的产成品、半成品,储存超过1个月以上物料;存储时间马上或者超过保质期限的有变质风险的物料;3、呆滞物料处理小组公司呆滞料处理小组成员:生产PMC部门、仓储部门、财务部门、品质部门、技术部门、计划部门、采购部门、行政部门代表成员组成。
呆滞物料处理小组负责呆滞物料清单汇总,处理方案确实定、报批和执行。
4、呆滞物料处理小组部门使命4.1仓储部:负责呆滞料的接收、储存管理工作;负责提供呆滞料清单;配合相关部门作好呆滞料处置工作,包括可回收利用的呆滞料的改换以及委外加工的物料产生的呆滞料返工返修、退换等联系工作。
4.2生产PMC:负责定期对车间的物料进行盘点、清理、退库工作,同时配合返工返修工作,以及呆滞物料清单提报与制造过程监控。
4.3 财务部:负责对呆滞料处置过程的监控、核价、评估及账务帐务处理等工作。
4.4品质部:负责呆滞料质量的判定工作以及退供应商的跟踪,判定结果可分为:合格、不合格等。
4.5技术部:因产品变更、产品停产、产品优化,技术变更〔包括更改原材料、改工装、改版本、改外构件、BOM变更、品质变更、成本优化等引起的变更〕,技术部应在变更发生后一天内通知主计划部并给予相关指引,以防止呆滞料的产生。
呆滞物料解决流程图呆滞物料解决管理规定1 目旳为了规范呆滞物料管理,避免公司库存物料旳积压,以达到物尽其用,减少资金积压旳目旳。
2范畴2.1呆滞物料旳定义:2.1.1凡储存过久已无使用机会,或虽有使用机会但用量很少且存量多有变质旳顾虑,或因陈腐,劣化,变更等现状已不适应需专案解决旳料品。
2.1.2呆滞物料涉及呆滞原材料,呆滞半成品,呆滞成品。
2.2呆滞物料旳范畴:2.2.1 对良好状态旳原材料、外购件及外协件,存储超过12个月,在后来旳生产中没有机会使用或者很少使用旳。
2.2.2 对成品、半成品,凡在制或制成后客户取消订单、过多库存等因素影响,储存超过1年以上旳。
2.2.3 有储存保护期限旳物料,已到保存期限旳。
2.2.4 因工艺更构造或设计变更导致旳呆滞物料。
2.2.5 在仓库库存12月旳物料均视为呆滞物料。
3.职责3.1资材仓库:负责对呆滞物料进行记录。
3.2 品质部:针对资材仓库记录旳呆滞物料进行质量旳检查。
3.2.1库存超过12个月旳呆滞物料仓库再次报检,品质进行品质鉴定,品质不良旳按《不良品报废管理规定》解决。
3.2.2有储存保护期限旳物料并且已到保存期限旳,或该呆滞物料保存期间浮现问题需进行品质鉴定旳。
3.3资材PMC部:负责核对与否既有旳订单可以使用,并由资材PMC将其纳入订单物料,不再申购。
3.4资材采购部:负责联系供应商与否可以退换料,低价卖出及其她解决方案。
3.5技术中心:评估既有旳呆滞物料与否可以代用,并出具代用旳方案。
3.6生产部:执行技术中心出具旳呆滞物料代用方案。
3.7市场营销中心:向客户推销公司旳呆滞成品。
4.呆滞物料旳解决流程4.1资材仓库在每月旳5号前负责记录上月产生旳呆滞物料,提供《呆滞物料明细表》分发给各有关部门。
4.1.1资材仓库每月5号提供涉及呆滞成品,半成品,原材料旳《呆滞物料明细表》。
4.1.2资材仓库记录上月各部门没有准时间完毕旳,以及没有按自己出具旳方案和解决时间完毕旳发给各有关部门。
呆滞库存成品的处理规定及流程第一章、总则1.目的为减少本公司库存成品积压,规呆滞成品处理过程,建立合理有效呆滞库存成品评审管理机制,促进呆滞库存成品的处理力度,调配呆滞库存成品所产生的资金占用、浪费,特制定本管理规定与流程。
2.适用围本规定适用于公司物控中心成品仓库呆滞库存成品的控制与处理全过程。
3.呆滞品定义3.1呆滞库存成品定义成品仓库库存成品存放超出公司规定存放周期的即为呆滞库存成品。
3.1.1 产品分类表3.2本公司对呆滞库存成品的判定及处理方式①改制②降价③待用④报废⑤其他第二章、职责4.1物控中心a)负责《呆滞库存成品汇总分析报表》的编制及申报。
b)呆滞库存成品的仓储管理及发外相关业务操作。
c)组织召开呆滞成品处理会,讨论解决仓库呆滞成品问题。
4.2质量部a)负责呆滞原因、责任部门的认定工作。
b)负责对呆滞库存成品的品质分类,定义为:①可用待改制品、②可用待用品、③可用降价品、④报废品等。
C)按照技术要求,负责本公司自行改制、呆滞库存成品外协加工的质量检验及所有呆滞库存成品使用过程的监控。
4.3技术部a)负责给出因呆滞库存成品需要改制的技术工艺处理方案,在评审通过以后以技术工艺通知单的形式下发至相关部门。
b)负责呆滞料处理提案的评审。
4.4营销部a)负责呆滞库存成品处理方案的评审。
b)负责批准后的呆滞成品外部联络和处理工作。
4.5 生产部4.5.1 生产计划a)负责向营销部确认其因超出规定时限所造成呆滞库存成品的处理方式。
b)呆滞库存成品处理整体工作的规划实施。
4.5.2制造分厂a)负责按照呆滞成品处理方案进行处理实施;b)呆滞库存成品消化使用过程的全程实施并做好记录及上报。
4.5.3生产部外协加工a)负责按照呆滞库存成品处理方案进行处理实施。
b)呆滞库存成品处理过程中与外协加工厂之间的沟通、协调及返工回厂时间的跟进等。
c)协助财务对发外加工费用的确认和结算。
4.6财务部a)负责呆滞库存成品处理方案的评审。
仓库呆滞料处理流程1、目的对公司生产销售过程中产生的呆滞料进行及时有效的预防控制和处理。
防止库存资金积压,提高物料储存能力、提高存货周转率,促进公司资金的良性运作。
2、呆滞料定义是指储存期限超过3个月仍未使用过的物料,或3个月内有使用但存量过多、用量极少、库存周转率极低的物料,以及超过保质期的物料。
3、范围适用广州公司成品仓呆滞料的处理。
4、呆滞物料处理小组公司呆滞料处理小组成员:品质部、设计部、销售部、计划采购部、储运部.财务部.总经办代表成员组成。
呆滞物料处理小组负责呆滞物料清单汇总,处理方案的确定、报批和执行。
5、职责5.1 品质部:负责呆滞料质量的判定工作,判定结果可分为:合格、不合格、报废等。
5.2 设计部:因产品变更、产品停产、产品优化,设计部应在变更发生后一天内通知计划采购部并给予相关指引,以防止呆滞料的产生。
已造成呆滞料的,应提出相应的处理意见。
5.3 销售部:因客户订单取消或变更、市场需求猜测变化,业务部应在变更发生后一天内通知计划采购部并给予相关指引,以防止呆滞料的产生。
对已经造成呆滞料的,需接受计划采购部的安排,参加评审,并提出相应的处理意见。
5.4 计划采购部:负责生产经营过程中呆滞料产生的预防控制工作,提出呆滞料处理申请,询证、判定呆滞料产生的原因,组织相关部门进行评审工作,对评审结果提交相应的部门进行处理,并对评审结果提出原因分析报告及改善预防措施给总经办。
对需返修返工的呆滞料,下达返修工单指令;对呆滞料需要供给商协助加工的,由采购联系供给商处理。
5.5 储运部:负责呆滞料的接收、储存治理工作,并负责《呆滞物料清单》的提报及账务处理;配合相关部门作好呆滞料处置工作,包括呆滞料返工返修、退换等工作。
5.6 财务部:负责对呆滞料处置过程的监控、核价、评估等工作。
5.7 总经办:对呆滞料的处置进行审批。
6、呆滞料处置程序6.1 呆滞料处置每一个月组织一次评审清理工作。
6.2 储运部在每月20日之前提供呆滞料的清单给计划采购部和总经办。
呆滞库存成品的处理划定及流程第一章.总则1.目标为削减本公管库存成品积存,规范呆滞成品处理进程,树立合理有用呆滞库存成批评审治理机制,促进呆滞库存成品的处理力度,调配呆滞库存成品所产生的资金占用.糟蹋,特制订本治理划定与流程.2.实用规模本划定实用于公司物控中间成品仓库呆滞库存成品的掌握与处理全进程.3.呆滞品界说3.1呆滞库存成品界说成品仓库库存成品存放超出公司划定存放周期的即为呆滞库存成品.3.1.1 产品分类表3.2本公司对呆滞库存成品的剖断及处理方法①改制②降价③待用④报废⑤其他第二章.职责4.1物控中间a)负责《呆滞库存成品汇总剖析报表》的编制及申报.b)呆滞库存成品的仓储治理及发外相干营业操作.c)组织召开呆滞成品处理会,评论辩论解决仓库呆滞成品问题.a)负责呆滞原因.义务部门的认定工作.b)负责对呆滞库存成品的品德分类,界说为:①可用待改成品.②可用待用品.③可用降价品.④报废品等.C)按照技巧请求,负责本公司自行改制.呆滞库存成品外协加工的质量磨练及所有呆滞库存成品应用进程的监控.4.3技巧部a)负责给出因呆滞库存成品须要改制的技巧工艺处理筹划,在评审经由过程今后以技巧工艺通知单的情势下发至相干部门.b)负责呆滞料处理提案的评审.4.4营销部a)负责呆滞库存成品处理筹划的评审.b)负责赞成后的呆滞成品外部联络和处理工作.4.5 临盆部4.5.1 临盆筹划a)负责向营销部确认其因超出规准时限所造成呆滞库存成品的处理方法.b)呆滞库存成品处理整体工作的筹划实行.4.5.2制作分厂a)负责按照呆滞成品处理筹划进行处理实行;b)呆滞库存成品消化应用进程的全程实行并做好记载及上报.4.5.3临盆部外协加工a)负责按照呆滞库存成品处理筹划进行处理实行.b)呆滞库存成品处理进程中与外协加工场之间的沟通.调和及返工回厂时光的跟进等.c)协助财务对发外加工费用的确认和结算.a)负责呆滞库存成品处理筹划的评审.b)负责公司内部处理或对发外加工费用的确认和结算.c)负责对各部门(中间)产生呆滞库存成品的金额考察.第三章.治理程序5.0呆滞库存成品处理原则5.1以公司好处为本,对客户负责为准则.5.2呆滞库存成品处来由物控中间成品仓库申报,经临盆部.技巧部.营销部.质量部.财务部评审并肯定可行性处理筹划后提交总司理赞成后实行.5.3呆滞库存成品的消化必须是在保证品德的前提下应用.5.4对于仓库呆滞成品,各部门可向物控中间成品仓库提出呆滞成品处理提案或建议.5.5提案或建议在进行评审并且经由过程审批后,即可对呆滞成品进行处理.5.6呆滞成品处理流程图(附件)6.0呆滞成品的仓库治理6.1 成品仓管员对于呆滞库存成品进行分类.分区放置.并标识清晰,以便于呆滞成品的保存及处理.6.2 对于需应用的呆滞成品,必须磨练及格后方可从新应用(磨练根据为下发的相干技巧通知单或工艺通知单),对于磨练不及格但是但仍需应用的呆滞成品,须按照《不及格品处理流程》进行操作.6.3 成品仓管保管员于每月15号,根据呆滞库存成品的界说将呆滞成品以报表的情势报物控中间成品仓库主管.6.4成品仓管主管接到呆滞成品处理申请后,应作为特别物料进行备案,并按照请求提交剖析报告,经物控中间主任审查后向相干部门发出《呆滞库存成品清单》并提请呆滞库存成批评审.7.0部门协作处理及流程描写7.1呆滞库存成品处置应每月组织一次评审清算工作.7.2物控中间成品仓库负责每月编制《呆滞库存成品清单》并于每月十五日前提交到相干部门确认提议后续评审.处理筹划及推进.7.3相干部门在收到《呆滞库存成品清单》后在一个工作日内完成评审处理看法并由物控中间整顿汇总,形成评审看法初稿.7.4评审看法完成次日,《呆滞库存成品处理报告》提交财务部,财务部在一个工作日内完成核价工作,作出审核看法并报送总司理审批.7.5经由过程审批的,按程序流转处理至停止;未经由过程审批的,财务部自收到审批看法当日组织相干部门对呆滞成品进行从新评审.7.6对从新评审的呆滞库存成品的处理评审,相干部门必须在一个工作日内给出评审确认看法,提报总司理赞成.并由物控中间通知相干部门.制作厂在规准时光内进行处理.7.7呆滞成品经确认后物控中间即可转为跟催义务部门进行功课处理,并由财务核算物料金额.按《呆滞库存成品清单》将呆滞成品隔离及办理分帐治理手续,并作好标识放入待处理区.7.8呆滞成品处理完毕,由物控中间将处理成果传递相干部门.7.9造成呆滞成品的部门应对原因进行剖析,请求义务部门和义务人提交改良报告.7.10经确认产生呆滞库存成品义务时,由总司理交办指定部门处理.第四章.解释及附件8.0本划定自总司理签发后生效履行.8.1本划定及操作流程归治理部解释.。
呆滞物料处理流程图呆滞物料处理管理规定1 目的为了规范呆滞物料管理,避免公司库存物料的积压,以达到物尽其用,减少资金积压的目的。
2范围2.1呆滞物料的定义:2.1.1凡储存过久已无使用机会,或虽有使用机会但用量极少且存量多有变质的顾虑,或因陈腐,劣化,变更等现状已不适应需专案处理的料品。
2.1.2呆滞物料包括呆滞原材料,呆滞半成品,呆滞成品。
2.2呆滞物料的范围:2.2.1 对良好状态的原材料、外购件及外协件,存储超过12个月,在以后的生产中没有机会使用或者很少使用的。
2.2.2 对成品、半成品,凡在制或制成后客户取消订单、过多库存等因素影响,储存超过1年以上的。
2.2.3 有储存保护期限的物料,已到保存期限的。
2.2.4 因工艺更结构或设计变更造成的呆滞物料。
2.2.5 在仓库库存12月的物料均视为呆滞物料。
3.职责3.1资材仓库:负责对呆滞物料进行统计。
3.2 品质部:针对资材仓库统计的呆滞物料进行质量的检验。
3.2.1库存超过12个月的呆滞物料仓库再次报检,品质进行品质判定,品质不良的按《不良品报废管理规定》处理。
3.2.2有储存保护期限的物料并且已到保存期限的,或该呆滞物料保存期间出现问题需进行品质判定的。
3.3资材PMC部:负责核对是否现有的订单可以使用,并由资材PMC将其纳入订单物料,不再申购。
3.4资材采购部:负责联络供应商是否可以退换料,低价卖出及其他处理方案。
3.5技术中心:评估现有的呆滞物料是否可以代用,并出具代用的方案。
3.6生产部:执行技术中心出具的呆滞物料代用方案。
3.7市场营销中心:向客户推销公司的呆滞成品。
4.呆滞物料的处理流程4.1资材仓库在每月的5号前负责统计上月产生的呆滞物料,提供《呆滞物料明细表》分发给各相关部门。
4.1.1资材仓库每月5号提供包括呆滞成品,半成品,原材料的《呆滞物料明细表》。
4.1.2资材仓库统计上月各部门没有按时间完成的,以及没有按自己出具的方案和处理时间完成的发给各相关部门。
呆滞物料处理流程图呆滞物料处理管理规定1 目的为了规范呆滞物料管理,避免公司库存物料的积压,以达到物尽其用,减少资金积压的目的。
2范围2.1呆滞物料的定义:2.1.1凡储存过久已无使用机会,或虽有使用机会但用量极少且存量多有变质的顾虑,或因陈腐,劣化,变更等现状已不适应需专案处理的料品。
2.1.2呆滞物料包括呆滞原材料,呆滞半成品,呆滞成品。
2.2呆滞物料的范围:2.2.1 对良好状态的原材料、外购件及外协件,存储超过12个月,在以后的生产中没有机会使用或者很少使用的。
2.2.2 对成品、半成品,凡在制或制成后客户取消订单、过多库存等因素影响,储存超过1年以上的。
2.2.3 有储存保护期限的物料,已到保存期限的。
2.2.4 因工艺更结构或设计变更造成的呆滞物料。
2.2.5 在仓库库存12月的物料均视为呆滞物料。
3.职责3.1资材仓库:负责对呆滞物料进行统计。
3.2 品质部:针对资材仓库统计的呆滞物料进行质量的检验。
3.2.1库存超过12个月的呆滞物料仓库再次报检,品质进行品质判定,品质不良的按《不良品报废管理规定》处理。
3.2.2有储存保护期限的物料并且已到保存期限的,或该呆滞物料保存期间出现问题需进行品质判定的。
3.3资材PMC部:负责核对是否现有的订单可以使用,并由资材PMC将其纳入订单物料,不再申购。
3.4资材采购部:负责联络供应商是否可以退换料,低价卖出及其他处理方案。
3.5技术中心:评估现有的呆滞物料是否可以代用,并出具代用的方案。
3.6生产部:执行技术中心出具的呆滞物料代用方案。
3.7市场营销中心:向客户推销公司的呆滞成品。
4.呆滞物料的处理流程4.1资材仓库在每月的5号前负责统计上月产生的呆滞物料,提供《呆滞物料明细表》分发给各相关部门。
4.1.1资材仓库每月5号提供包括呆滞成品,半成品,原材料的《呆滞物料明细表》。
4.1.2资材仓库统计上月各部门没有按时间完成的,以及没有按自己出具的方案和处理时间完成的发给各相关部门。
仓库呆滞品处理流程为规范处理公司在生产经营过程中产生的长期未用、积压的呆滞品,保证物料尽最大可能的利用,减少浪费,特制订此呆滞品处理流程。
一、仓库呆滞品处理的范围:仓库中呆滞品,指入库后,超过三个月未出现进出库信息的则列为呆滞品,登入《呆滞品库存明细表》中。
二、操作程序:1、对存放时间较长物料的管理。
物料存放期超过三个月未出现出入库记录的将纳入《呆滞品库存明细表》中。
并将实物移入呆滞品区域,做好标识;2、仓库应定期及时的清理仓库现有物料、并及时更新《呆滞品明细表》。
定期将《呆滞品库存明细表》报送采购部、技术部、生产部、财务部,每月初上报一次;3、仓库部门报公司财务总监同意,每月初报送《呆滞品库存明细表》后,及时组织采购部、技术部、生产部等相关部门召开呆滞品处理会议,落实呆滞品物料处理意见,保证物料的最大利用率,杜绝浪费;4、召开会议后,由仓库负责人汇总呆滞品处理意见表,发送相关与会人员,并跟踪各部门落实情况,发现问题,及时上报;5.处理方案由公司高管层、总裁(付总裁)审批后生效;6、会议对呆滞品的处理形成以下处理途径:(1)对会议决定需报废的物料,进入公司报废处理流程;(2)对会议决定可由技术部提供技术支持予以改用和利用的,由技术部在设计时采用;(3)对会议决定可由生产部在生产相应产品时领用的,由生产部各有关班组优先领用;(4)对会议决定不再使用的物料,由采购部门按内部退货流程处理;7、关于呆滞品再检验:以上(2)-(3)项,由质检部安排再检验,以确保物料仍达到可使用要求。
如再检验发现物料已达不到使用要求,存在质量问题,则进入报废流程。
8、下次会议召开时,应针对上次会议的决定内容作跟踪总结,检查落实效果;9、对呆滞品物料,仓库应妥善保管,做好标识。
三、流程图:。
1.0 目的有效推动本公司滞存材料及成品的处理,以达物尽其用,货畅其流,减少资金积压及物料管理困扰。
2.0 范围本公司所有呆滞成品,原辅料。
3.0 定义3.1 呆滞料:凡品质(型号、规格、材质、)不合标准,存储超过存储期限(见附件《物料保存期限一览表》)已无使用机会,或者有使用机会,但用料极少存量多且有变质疑点,或因陈腐、劣化、革新等现状已不适用,需专案处理的材料,其形成原因如下:a.销售预测值过高造成储料过剩;b.订单取消剩余的材料;c.工程变更所剩余的材料;d.品质(型号、规格、材质)不合标准;e.仓储管理不善致使材料陈腐、劣化、变质;f.用料预算大于实际领用;g.请购不当;h.试验材料;i.加工余料;j.超时储存期限未使用,或用料极少;k.来料不良待处理品。
3.2呆滞成品:3.2.1凡因品质不合标准、储存不当变质或制妥后遭客户取消、超量制造等因素影响,导致储存期间超过3个月的成品,需专项处理。
滞存原因分类如下:3.2.2计划生产:a.成品库存超过3个月未销售或未销售完;b.成品库存虽未超过3个月但已发生变质;c.因品质或其他特殊因素未能出库;d.每批生产发生的次品储存期间超过3个月。
3.2.3订单生产:a.订单遭客户取消或暂停交货超过3个月未能销售;b.超制;c.生产所发生的次级品。
3.2.4其他:a.试制品缴库超过3个月未出库;b.销货退回被列为次级品;4.1滞料处理工作职责:4.1.1物控负责预防及跟踪,处理呆滞料事件,及呆滞料处理分析;4.1.2货仓仓管负责滞料库存周报,月报的编制;4.1.3 物控部门:a.审核物料需求时查看有无滞料可利用;b.追查滞料无异动的原因,拟定处理方式及处理期限,并进行总结;c.留用部分的跟进督促。
4.1.4 市场部,工程部,采购部负责回复处理方式和处理期限,并落实执行,处理完毕反馈PMC部;4 品质部负责对呆滞料的及时检验和判定;4.1.6 生产部负责对返修,返工的呆滞料的加工处理。
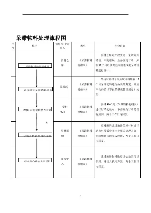
呆滞物料处理流程图程序呆滞物料的处理申请1F品质部对呆滞物料进行检验1OK fPMC对其审核是否有订单用NG 采购评估是否可以退换料NG技术中心评估是否可以代用责任部门/责任人表单作业内容资材仓库《呆滞物料明细表》资材仓库对工程变更,采购购买错误,申购错误,业务变更订单,库存12个月以及其他原因造成的呆滞物料进行统计。
品质部《呆滞物料明细表》品质对资材仓库所统计的库存12个月呆滞物料进行品质的判定,品质不良的按《不良品报废管理规定》处理。
资材PMC《呆滞物料明细表》资材PMC对《呆滞物料明细表》进行订单的核对,审查现有订单是否有用至腹两个工作日内回复。
资材采购《呆滞物料明细表》资材采购针对呆滞的原材料进行退换料及低价卖出等相关处理方案,并标明具体的完成时间,两个工作日内回复。
技术中心《呆滞物料明细表》针对呆滞物料进行评估是否可以代用,并出具代用方案。
两个工作日内回复。
备注:经以上流程呆滞物料仍不能处理的,由资材仓库出具《报废申请单》以上各部门会签后按《报废处理流程》处理。
呆滞物料处理管理规定1 目的为了规范呆滞物料管理,避免公司库存物料的积压,以达到物尽其用,减少资金积压的目的。
2 范围2.1 呆滞物料的定义:2.1.1 凡储存过久已无使用机会,或虽有使用机会但用量极少且存量多有变质的顾虑,或因陈腐,劣化,变更等现状已不适应需专案处理的料品。
2.1.2 呆滞物料包括呆滞原材料,呆滞半成品,呆滞成品。
2.2 呆滞物料的范围:2.2.1 对良好状态的原材料、外购件及外协件,存储超过12 个月,在以后的生产中没有机会使用或者很少使用的。
2.2.2 对成品、半成品,凡在制或制成后客户取消订单、过多库存等因素影响,储存超过 1 年以上的。
2.2.3 有储存保护期限的物料,已到保存期限的。
2.2.4 因工艺更结构或设计变更造成的呆滞物料。
2.2.5 在仓库库存12 月的物料均视为呆滞物料。
3.职责3.1资材仓库:负责对呆滞物料进行统计3.2 品质部:针对资材仓库统计的呆滞物料进行质量的检验。
呆滞物料处置流程图呆滞物料处置治理规定1 目的为了标准呆滞物料治理,幸免公司库存物料的积存,以达到物尽其用,减少资金积存的目的。
2范围呆滞物料的概念:2.1.1凡贮存太久已无利用机遇,或虽有利用机遇但用量极少且存量多有变质的顾虑,或因陈腐,劣化,变更等现状已不适应需专案处置的料品。
2.1.2呆滞物料包括呆滞原材料,呆滞半成品,呆滞成品。
呆滞物料的范围:2.2.1 对良好状态的原材料、外购件及外协件,存储超过12个月,在以后的生产中没有机遇利用或很少利用的。
2.2.2 对成品、半成品,凡在制或制成后客户取消定单、过量库存等因素阻碍,贮存超过1年以上的。
2.2.3 有贮存爱惜期限的物料,已到保留期限的。
2.2.4 因工艺更结构或设计变更造成的呆滞物料。
2.2.5 在仓库库存12月的物料均视为呆滞物料。
3.职责资材仓库:负责对呆滞物料进行统计。
品质部:针对资材仓库统计的呆滞物料进行质量的查验。
3.2.1库存超过12个月的呆滞物料仓库再次报检,品质进行品质判定,品质不良的按《不良品报废治理规定》处置。
3.2.2有贮存爱惜期限的物料而且已到保留期限的,或该呆滞物料保留期间显现问题需进行品质判定的。
资材PMC部:负责查对是不是现有的定单能够利用,并由资材PMC将其纳入定单物料,不再申购。
资材采购部:负责联络供给商是不是能够退换料,低价卖出及其他处置方案。
技术中心:评估现有的呆滞物料是不是能够代用,并出具代用的方案。
生产部:执行技术中心出具的呆滞物料代用方案。
市场营销中心:向客户推销公司的呆滞成品。
4.呆滞物料的处置流程资材仓库在每一个月的5号前负责统计上月产生的呆滞物料,提供《呆滞物料明细表》分发给各相关部门。
4.1.1资材仓库每一个月5号提供包括呆滞成品,半成品,原材料的《呆滞物料明细表》。
4.1.2资材仓库统计上月各部门没有按时刻完成的,和没有按自己出具的方案和处置时刻完成的发给各相关部门。
品质部接到资材仓库的《呆滞物料明细表》后两个工作日内对呆滞物料进行品质查验,判定呆滞物料的品质状况。
板滞库存制品的处理规定及流程之巴公井开创作第一章、总则1.目的为减少本公司库存制品积压,规范板滞制品处理过程,建立合理有效板滞库存制品评审管理机制,增进板滞库存制品的处理力度,调配板滞库存制品所发生的资金占用、浪费,特制定本管理规定与流程.2.适用范围本规定适用于公司物控中心制品仓库板滞库存制品的控制与处理全过程.3.板滞品界说3.1板滞库存制品界说制品仓库库存制品寄存超越公司规定寄存周期的即为板滞库存制品.3.1.1 产物分类表3.2本公司对板滞库存制品的判定及处理方式①改制②降价③待用④报废⑤其他第二章、职责4.1物控中心a)负责《板滞库存制品汇总分析报表》的编制及申报.b)板滞库存制品的仓储管理及发外相关业务把持.c)组织召开板滞制品处理会,讨论解决仓库板滞制品问题. 4.2质量部a)负责板滞原因、责任部份的认定工作.b)负责对板滞库存制品的品质分类,界说为:①可用待改制品、②可用待用品、③可用降价品、④报废品等.C)依照技术要求,负责本公司自行改制、板滞库存制品外协加工的质量检验及所有板滞库存制品使用过程的监控.4.3技术部a)负责给出因板滞库存制品需要改制的技术工艺处理方案,在评审通过以后以技术工艺通知单的形式下发至相关部份.b)负责板滞料处理提案的评审.4.4营销部a)负责板滞库存制品处理方案的评审.b)负责批准后的板滞制品外部联络和处理工作.4.5 生产部4.5.1生产计划a)负责向营销部确认其因超越规按时限所造成板滞库存制品的处理方式.b)板滞库存制品处理整体工作的规划实施.4.5.2制造分厂a)负责依照板滞制品处理方案进行处理实施;b)板滞库存制品消化使用过程的全程实施并做好记录及上报.4.5.3生产部外协加工a)负责依照板滞库存制品处理方案进行处理实施.b)板滞库存制品处理过程中与外协加工厂之间的沟通、协调及返工回厂时间的跟进等.c)协助财政对发外加工费用简直认和结算.4.6财政部a)负责板滞库存制品处理方案的评审.b)负责公司内部处理或对发外加工费用简直认和结算.c)负责对各部份(中心)发生板滞库存制品的金额考核.第三章、管理法式5.0板滞库存制品处理原则5.1以公司利益为本,对客户负责为准则.5.2板滞库存制品处理由物控中心制品仓库申报,经生产部、技术部、营销部、质量部、财政部评审并确定可行性处理方案后提交总经理批准后实施.5.3板滞库存制品的消化必需是在保证品质的前提下使用.5.4对仓库板滞制品,各部份可向物控中心制品仓库提出板滞制品处理提案或建议.5.5提案或建议在进行评审而且通过审批后,即可对板滞制品进行处理.5.6板滞制品处理流程图(附件)6.0板滞制品的仓库管理6.1 制品仓管员对板滞库存制品进行分类、分区放置、并标识清楚,以便于板滞制品的保管及处理.6.2 对需使用的板滞制品,必需检验合格后方可重新使用(检验依据为下发的相关技术通知单或工艺通知单),对检验分歧格可是但仍需使用的板滞制品,须依照《分歧格品处理流程》进行把持. 6.3 制品仓管保管员于每月15号,根据板滞库存制品的界说将板滞制品以报表的形式报物控中心制品仓库主管.6.4制品仓管主管接到板滞制品处理申请后,应作为特殊物料进行备案,并依照要求提交分析陈说,经物控中心主任审查后向相关部份发出《板滞库存制品清单》并提请板滞库存制品评审.7.0部份协作处理及流程描述7.1板滞库存制品处理应每月组织一次评审清理工作.7.2物控中心制品仓库负责每月编制《板滞库存制品清单》并于每月十五日前提交到相关部份确认发起后续评审、处理方案及推动.7.3相关部份在收到《板滞库存制品清单》后在一个工作日内完成评审处理意见并由物控中心整理汇总,形成评审意见初稿.7.4评审意见完成第二天,《板滞库存制品处理陈说》提交财政部,财政部在一个工作日内完成核价工作,作出审核意见并报送总经理审批.7.5通过审批的,按法式流转处理至结束;未通过审批的,财政部自收到审批意见当日组织相关部份对板滞制品进行重新评审.7.6对重新评审的板滞库存制品的处理评审,相关部份必需在一个工作日内给出评审确认意见,提报总经理批准.并由物控中心通知相关部份、制造厂在规按时间内进行处理.7.7板滞制品经确认后物控中心即可转为跟催责任部份进行作业处理,并由财政核算物料金额.按《板滞库存制品清单》将板滞制品隔离及规画分帐管理手续,并作好标识放入待处理区.7.8板滞制品处理完毕,由物控中心将处理结果通报相关部份.7.9造成板滞制品的部份应对原因进行分析,要求责任部份和责任人提交改善陈说.7.10经确认发生板滞库存制品责任时,由总经理交办指定部份处理.第四章、说明及附件8.0本规定自总经理签发后生效执行.8.1本规定及把持流程归管理部解释.附件:。
呆滞物料处理制度第一篇:呆滞物料处理制度1.0目的:有效推动公司呆滞物料的处理,达到物尽其用,充分利用仓储空间,减少资金积压。
2.0范围:仓库所有呆滞材料的处理。
3.0定义:呆滞物料:质量(规格、材质等)不符合标准或要求,存储过久已无使用机会或虽有使用机会但用料极少且存储时间过长会有潜在质量隐患,或因生锈、劣化等现状已不适用,需进行处理的物料。
4.0权责部门:4.1公司总经理负责呆滞物料处理的最终审批。
4.2营销部负责呆滞物料的盘存统计、数据提报、处理申请及跟踪。
4.3行政办公室负责对需检验的呆滞物料进行检验并提出处理意见。
4.4生产技术部负责对呆滞物料的审核并提出处理意见。
4.5财务负责相关统计数据的验证与核对,提出物料处理最低成本要求并对相关单据进行财务处理。
4.6审计监察部负责对呆滞物料处理的实施过程进行监控。
4.7各相关产品部负责对呆滞物料的审核并提出处理意见。
5.0处理流程:5.1用料预算过多,工程变更或取消,质量不符合标准,采购不当,非标件余料等是造成呆滞物料存在的原因。
5.2各使用单位需在每月盘存前清理出本单位的呆滞物资办理返库。
5.3营销部根据现库存及库存物资实际使用情况,每季度向行政办公室、生产技术部、各相关产品部、财务部和审计监察部提交仓库《呆滞物料盘存统计表》,各部门根据呆滞物料的定义及各部门物料实际使用情况对统计表进行审核,提出意见,如有意见表明其中有不属于呆滞物料或有其它情况的,则由营销部重新整理。
第1页,共2页5.4营销部将整理好的《呆滞物料盘存统计表》再次提交,同时提交《呆滞物料处理申请表》,表内需注明物料名称、规格、数量、入库时间、已库存时间及形成呆滞物料的原因等。
财务部在拟写处理意见时,应提出物料处理最低成本要求。
5.5如有需要进行检验确定成份的呆滞物料,由营销部通知理化室对物料进行抽样检验,并将检验结果作为《呆滞物料处理申请表》附件。
5.6各相关部门根据实际情况对呆滞物料的处理提出意见,进行会签,必要时召开呆滞物料处理评审会议讨论。
呆滞库存成品的处理规定及流程
第一章、总则
1.目的
为减少本公司库存成品积压,规呆滞成品处理过程,建立合理有效呆滞库存成品评审管理机制,促进呆滞库存成品的处理力度,调配呆滞库存成品所产生的资金占用、浪费,特制定本管理规定与流程。
2.适用围
本规定适用于公司物控中心成品仓库呆滞库存成品的控制与处理全
过程。
3.呆滞品定义
3.1呆滞库存成品定义
成品仓库库存成品存放超出公司规定存放周期的即为呆滞库存成品。
3.1.1 产品分类表
3.2本公司对呆滞库存成品的判定及处理方式
①改制②降价③待用④报废⑤其他
第二章、职责
4.1物控中心
a)负责《呆滞库存成品汇总分析报表》的编制及申报。
b)呆滞库存成品的仓储管理及发外相关业务操作。
c)组织召开呆滞成品处理会,讨论解决仓库呆滞成品问题。
4.2质量部
a)负责呆滞原因、责任部门的认定工作。
b)负责对呆滞库存成品的品质分类,定义为:
①可用待改制品、②可用待用品、③可用降价品、④报废品等。
C)按照技术要求,负责本公司自行改制、呆滞库存成品外协加工的质量检验及所有呆滞库存成品使用过程的监控。
4.3技术部
a)负责给出因呆滞库存成品需要改制的技术工艺处理方案,在评审通过以后以技术工艺通知单的形式下发至相关部门。
b)负责呆滞料处理提案的评审。
4.4营销部
a)负责呆滞库存成品处理方案的评审。
b)负责批准后的呆滞成品外部联络和处理工作。
4.5 生产部
4.5.1 生产计划
a)负责向营销部确认其因超出规定时限所造成呆滞库存成品的处理方式。
b)呆滞库存成品处理整体工作的规划实施。
4.5.2制造分厂
a)负责按照呆滞成品处理方案进行处理实施;
b)呆滞库存成品消化使用过程的全程实施并做好记录及上报。
4.5.3生产部外协加工
a)负责按照呆滞库存成品处理方案进行处理实施。
b)呆滞库存成品处理过程中与外协加工厂之间的沟通、协调及返工回厂时间的跟进等。
c)协助财务对发外加工费用的确认和结算。
4.6财务部
a)负责呆滞库存成品处理方案的评审。
b)负责公司部处理或对发外加工费用的确认和结算。
c)负责对各部门(中心)产生呆滞库存成品的金额考核。
第三章、管理程序
5.0呆滞库存成品处理原则
5.1以公司利益为本,对客户负责为准则。
5.2呆滞库存成品处理由物控中心成品仓库申报,经生产部、技术部、营销部、质量部、财务部评审并确定可行性处理方案后提交总经理批准后实施。
5.3呆滞库存成品的消化必须是在保证品质的前提下使用。
5.4对于仓库呆滞成品,各部门可向物控中心成品仓库提出呆滞成品处理提案或建议。
5.5提案或建议在进行评审并且通过审批后,即可对呆滞成品进行处理。
5.6呆滞成品处理流程图(附件)
6.0呆滞成品的仓库管理
6.1 成品仓管员对于呆滞库存成品进行分类、分区放置、并标识清楚,以便于呆滞成品的保存及处理。
6.2 对于需使用的呆滞成品,必须检验合格后方可重新使用(检验依据为下发的相关技术通知单或工艺通知单),对于检验不合格但是但仍需使用的呆滞成品,须按照《不合格品处理流程》进行操作。
6.3 成品仓管保管员于每月15号,根据呆滞库存成品的定义将呆滞成品以报表的形式报物控中心成品仓库主管。
6.4成品仓管主管接到呆滞成品处理申请后,应作为特殊物料进行备案,并按照要求提交分析报告,经物控中心主任审查后向相关部门发出《呆滞库存成品清单》并提请呆滞库存成品评审。
7.0部门协作处理及流程描述
7.1呆滞库存成品处置应每月组织一次评审清理工作。
7.2物控中心成品仓库负责每月编制《呆滞库存成品清单》并于每月十五日前提交到相关部门确认发起后续评审、处理方案及推动。
7.3相关部门在收到《呆滞库存成品清单》后在一个工作日完成评审处理意见并由物控中心整理汇总,形成评审意见初稿。
7.4评审意见完成次日,《呆滞库存成品处理报告》提交财务部,财务部在一个工作日完成核价工作,作出审核意见并报送总经理审批。
7.5通过审批的,按程序流转处理至结束;未通过审批的,财务部自收到审批意见当日组织相关部门对呆滞成品进行重新评审。
7.6对重新评审的呆滞库存成品的处理评审,相关部门必须在一个工作日给出评审确认意见,提报总经理批准。
并由物控中心通知相关部门、制造厂在规定时间进行处理。
7.7呆滞成品经确认后物控中心即可转为跟催责任部门进行作业处理,并由财务核算物料金额。
按《呆滞库存成品清单》将呆滞成品隔离及办理分帐管理手续,并作好标识放入待处理区。
7.8呆滞成品处理完毕,由物控中心将处理结果通报相关部门。
7.9造成呆滞成品的部门应对原因进行分析,要求责任部门和责任人提交改善报告。
7.10经确认产生呆滞库存成品责任时,由总经理交办指定部门处理。
第四章、说明及附件
8.0本规定自总经理签发后生效执行。
8.1本规定及操作流程归管理部解释。
附件:。