第三章技术参数及其它商务要求
- 格式:doc
- 大小:35.00 KB
- 文档页数:7
第三章技术规格1、项目概况:财务服务采购项目的内容主要是依据《政府会计制度》、《高等学校财务制度》等国家财经法规制度和华东师范大学各项财经制度的规定,审核票据是否真实、合法、合规,开支范围、标准是否符合规定,报销手续是否完备,报销金额计算是否准确等进行审核,审核无误后进行记账凭证制单处理;协助采购方完善报销核算基础性相关工作(包括但不仅限于以上内容,由采购方根据工作需要安排)。
2、服务内容:投标人应及时完成采购人委托的财务相关工作,工作内容包含但不限于:2.1、根据国家相关财经法规及学校财务制度,为采购人进行票据审核和凭证编制工作;2.2、若非采购人原因,外包人员的全年日均制单量应当290单(全年日均制单量二所有外包人员全年制单总量/所有外包人员全年工作天数总数);2.3、协助采购人完成凭证的整理和装订工作;2.4、协助采购人开展学校财务制度宣传工作;2.5、协助采购人推进会计核算标准化等工作。
3、具体服务要求:3.1\人员要求:(1)投标人拟为采购人投入的外包人员数不得少于4人,外包人员需具备财经类专业大学本科及以上学历,熟悉《政府会计制度》等上级规定。
(2)上述外包人员提供驻点服务工作期间的所有费用(包括伙食费和住宿费等)由投标人自行承担。
合同期内发生外包人员人身意外伤亡、伤害事故的,由投标人承担全部费用和责任。
投标人与外包人员发生劳动纠纷时,不应影响采购人的财务服务委托业务。
(3)投标人负责安排培训老师,及时跟进学校报销规定,为外包员工做好岗位培训工作,培训相关成本由投标方承担。
采购人可协助提供最新报销政策与规定。
之后,外包人员必须参加采购人开展的考核,成绩合格者才可正式上岗,成绩不合格者,投标人须立即更换。
(4)外包人员须遵守采购人劳动纪律,按照采购人的工作时间上下班。
外包期间人员相对稳定,不得随意更换。
3.2、技术要求:(1)若非采购人原因,外包人员的全年日均制单量应当290单;外包人员收到原始凭证、附件材料等各项资料后,应当在2日内(含委托当日)之内完成各类审核与记账凭证制单处理。
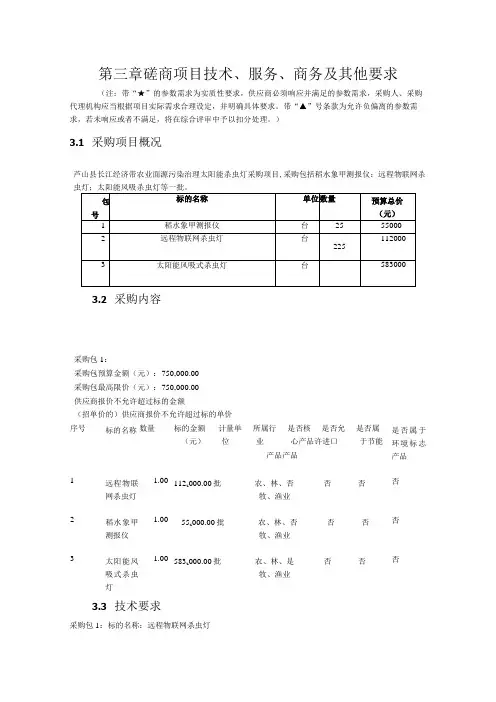
第三章磋商项目技术、服务、商务及其他要求(注:带“★”的参数需求为实质性要求,供应商必须响应并满足的参数需求,采购人、采购代理机构应当根据项目实际需求合理设定,并明确具体要求。
带“▲”号条款为允许负偏离的参数需求,若未响应或者不满足,将在综合评审中予以扣分处理。
)3.1采购项目概况芦山县长江经济带农业面源污染治理太阳能杀虫灯采购项目,采购包括稻水象甲测报仪:远程物联网杀3.2采购内容采购包1:采购包预算金额(元):750,000.00采购包最高限价(元):750,000.00供应商报价不允许超过标的金额(招单价的)供应商报价不允许超过标的单价序号标的名称数量标的金额计量单所属行是否核是否允是否属(元)位业心产品许进口于节能产品产品是否属于环境标志产品1远程物联网杀虫灯1.00112z000.00批农、林、否否否牧、渔业否2稻水象甲测报仪1.0055z000.00批农、林、否否否牧、渔业否3太阳能风吸式杀虫灯1.00583z000.00批农、林、是否否牧、渔业否3.3技术要求采购包1:标的名称:远程物联网杀虫灯参数性质序号技术参数与性能指标1.符合符合24689.2-2017、GB/T19064-2003.GB10396;2.机械强度:杀虫灯外壳应具有足够的机械强度,整机外壳机械强度试验后不应出现破、裂等破损现象;3.绝缘柱(体):绝缘柱(体)应具有可靠的耐腐蚀、耐高电压性能,连续电弧放电至少30min,绝缘柱应无碳化现象;4.外观质量:外观应整齐美观,表面平整光洁,色泽均匀;无裂痕、破损等缺陷;5.高低温贮存:杀虫灯应能在-40℃~70℃环境下存放后,不影响正常工作;6.控制功能:杀虫灯具有光控、雨控、时控和防雷功能;▲7.电击式杀虫灯:高压电网采用耐弧、耐腐蚀材料;高压网线不得有中间接头;网线间距误差不大于平均间距的15%;高压网线不得与电源线同孔;没有昆虫碰撞或靠近时不得产生电弧;高压电网电压:>4kV;8.升压器:升压器应有保护措施,在工作环境中不得有击穿、烧毁现象;将杀虫灯的输出端直接短路,在70°C 时短路4h以上,常温状态下短路24h 以上,不能击穿、损坏,电路恢复正常后,应能正常工作;9.工作电压范围:交流电源供电时,电源电压在160V~280V范围内,直流供电时,在明示工作电压范围内,杀虫灯均应能正常工作,且启动时间不大于10s;▲10.充满断开和恢复功能:按GB/T19064-2003标准第8.2.3条进行试验,控制器具有输入充满断开和恢更连接的功能;AU.LED灯管散热结构:LED灯管应为2六面结构设计;▲12.玻璃罩透光率:杀虫灯灯管玻璃罩的紫外波段透光率>95%;13.灯体和高压电网结构:灯体立柱采用>3根外径28.0mm、内径25mm的铝合金构成;电网圈采用直径为22mm的不锈钢丝构成;网线高度2300mm;14.售后系统功能:每个杀虫灯具有独立二维码,通过扫码可连接到售后系统进行安装和报修,并定位产品安装位置;安装完成后可以用配套的手机APP软件查询产品的定位和产品信息;▲15.杀虫灯计数功能:自动记录并统计每小时、每天、每周、每月的杀虫数量,通过无线电传送技术存储在云服务平台,可以在手机和电脑客户端显示;▲16.温湿度采集功能:本产品能采集安装环境温度、湿度数据,并通过LCD显示屏、手机和电脑登入软件平台查看;▲17.显示屏:不锈钢结构喷塑工艺,镶嵌3组LCD屏幕,尺寸:2140X4Omm/组,实时显示温度、湿度、杀虫数量;▲18.搭载物联网软件平台功能:本产品通过无线网络传输技术链接到专用软件平台,通过手机或电脑访问平台,可以查看产品供电电压、高压、温湿度监测、杀虫数量等参数。
附件一:技术参数及商务要求:
(一)、基本要求(本要求为星号条款,无法满足即为废标)
(二)、技术条款(对于星号条款,无法满足即为废标,其它负偏离每项扣3-5分)
附件二:参与该项目的供应商应具备的资格条件:
1、具有独立承担民事责任的能力;
2、具有良好的商业信誉和健全的财务会计制度;
3、具有履行合同所必须的设备和专业技术能力;
4、具有依法缴纳税收和社会保障资金的良好记录;
5、参加本次政府采购活动前三年内,在经营活动中没有重大违法记录;
6、法律、行政法规规定的其他条件;
7、具有医疗器械生产或经营许可。
第三章技术规格(服务要求)技术规格要求:注:以下内容中凡标有号的,均须无条件满足,否则将被废标。
1、主要用途:爱如生中国近代报刊库精选晚清和民国期间重要报刊类出版物的历史文献数据库,数据库包括了日报、周报、月报、周刊、半月刊、月刊、双月刊、季刊、半年刊、年刊、不定期刊等各种杂志,报导记述了近代国家政治和社会生活的各个方面,对于了解和研究近代中国具有不可替代的作用。
数据库资料存续时间长、影响范围广、史料价值高,具有重要的学术意义。
可为我校研究晚清和近代人文、社会科学等方面提供重要文献保障,适合于我校文史哲、经济、传播、艺术等人文社科学类学科的研究。
2、配置清单:爱如生中国近代报刊数据库(要刊编,一至三辑,含重要期刊300种)3、详细技术要求:3.1、本地镜像安装3. 1.1.在华东师范大学范围内指定计算机系统内安装所订购的数据库平台与数据,向本校IP范围开放,用于教学、研究等相关服务。
无并发用户数限制。
4. 1.2.为本校读者提供数据库检索、浏览、全文图像下载、文本复制、打印等功能。
5. 1.3.本校拥有所购镜像数据库资源的永久使用权。
3.2、远程访问3.2.1.在本地镜像数据库出现故障不能马上修复时,即开通本校IP范围数据库远程网络访问服务,无并发用户数限制。
一旦镜像数据库不能修复再使用,可转为远程网络访问方式。
网络访问模式下本校对所订购的数据库资源仍具有永久使用权。
3.3.知识产权3. 3.1.数据库商须保证所提供的数据资源合理合法取得、具有合法知识产权,所有知识产权问题均由数据库商负责。
4、商务条款要求:3.1、交货地点:货到华东师范大学中山北路校区4.2、质保期:正常使用情况下,数据库厂商对所提供的镜像数据库平台提供终身维护。
保修期自协议签订日算起。
一旦镜像数据库不能修复再使用,可转为远程网络访问方式。
网络访问模式下本校对所订购的数据库资源仍具有永久使用权。
4.1、交货期:合同签定后2周内完成镜像安装;完成安装调试前先开通网络访问服务模式。
招标文件中第三章技术参数详细要求,二、技术需求明细现更改为:二、技术需求明细高压清洗车技术参数要求要求产品设计合理,性能优良,操作灵活,维修方便,可用于水务、市政、环卫、化工、机械、冶金、电力、机场等部门作为高效率冲洗设备。
参数要求如下表所列:1、可以进行连续清洗、疏通、以减少加水次数节约油料和工时。
2、水泵压力大,性能稳定,清洗、疏通效果好。
3、后转盘可90度旋转,在非机动车道疏通时,不需调整停车位置即可作业。
4、采用变速箱夹心取力技术,功率损耗接近为零,噪音小;取力器开启为驾驶室气动操作。
5、高压水泵:SLR212/200。
6、高压泵体保护:低水位报警器及泵体保护装置,报警后油门自动减少至最底速,高压三通阀自动转换使水路系统内部循环从而起到对高压泵的保护。
7、操作控制系统:手自动一体控制操作系统,可无线遥控;具有急停装置使整车配置更安全。
8、低水压冲水装置:清洗车体及周边地面保持整车清洁。
压力50bar,手持式冲洗枪,卷筒可自动收方,高压胶管长15米。
★9、整车要求配置便携式管道影像仪的智能管理系统软件及利用GPS定位软件,实时反馈现场施工作业数据。
10、罐体为不小于4mm的优质钢板材制作而成。
本车的油泵、油马达、多路阀均选用国内名牌产品。
高压三通分配阀内芯(关键零部件)采用不锈钢制作,其密封效果及承受压力是普通铸钢球阀的三倍以上。
耐压胶管选用双层产品,耐压强度超出输入压力的一倍以上,增强操作过程的安全性。
11、罐体及金属附件进行了涂前磷化处理,喷涂高分子防腐底漆和金属面漆。
招标文件中评标文件“3.5.1 商务技术评价指标和各评价权重指标”现更改为:招标文件中评标文件4.评标表格“表二、商务、技术评估表”现更改为:核心提示:在生活中,长相平凡的我们总是羡慕那些“白富美”,觉得那是女人的骄傲,魔鬼身材天使样貌。
而长得逊色的我们总会自卑,样子不好身材不好。
但是,上帝给你关了一扇门,必然会为你开启一扇窗。
第三章项目技术和商务要求一、购置清单及技术要求:分包一:应急防爆装备序号名称产品参数数量备注1手持钢制防暴盾牌1、外观:防暴盾牌的表面光滑,无可视的凹坑、突起、气泡、毛刺、尖角、划伤斑点、脱胶及起皮等缺陷。
防暴盾牌的外露金属结构件无锈蚀。
防护性能佳。
2、防护材料:铝镁合金3、执行标准:GA422—2008《防暴盾牌》4、观察窗尺寸:≥260mm×100mm5、防护面积:≥0.45㎡6、尺寸:≥900×520×2mm7、质量:≤4Kg8、产品通过公安部特种警用装备质量监督检验中心检验,提供检测报告复印件(加盖厂家鲜章)9、产品生产企业通过GJB9001B-2009武器装备质量体系认证,提供相关证明文件复印件(加盖厂家鲜章)。
10、如非生产厂家,提供生产厂家针对本项目的售后服务承诺书原件。
(加盖厂家鲜章)752手持法式防暴盾牌1、产品能驱散制服聚众闹事的犯罪分子,能抵挡罪犯酒瓶,匕首的攻击。
2、产品结构:双把手设计。
3、主要技术指标:材料:采用≥3mm厚PC板制成,规格:≥1000x550x4.0mm,防护面积≥0.45㎡,重量≤4.0Kg,透光率≥85%;耐冲击强度:承受147J动能的冲击符合要求;耐穿刺性能:能承受147J动能穿刺符合要求;握把连接强度能承受500N的拉力不断裂、松动和脱落;臂带连接强度能承受500N的拉力不断裂、松动和脱落;臂带绑扎结构:长、短臂采用粘接扣长带一拉搭扣相粘即可固定,使用方便。
4、执行标准:GA422-2008(防暴盾牌)5、产品通过公安部特种警用装备质量监督检验中心检验,提供相关证明文件复印件(加盖厂家鲜章)。
6、如非生产厂家,提供生产厂家针对本项目的售后服务承诺书原件。
(加盖厂家鲜章)7、现场提供样品一套。
753手持防弹盾牌1、防护等级:GA423-2003《防弹盾牌》5级防护标准(即防1979年式7.62mm轻型冲锋枪发射的DAP51B式7.62mm手枪弹射击);2、重量:≤9Kg3、防护面积:≥0.36㎡;4、观察窗尺寸:透光率≥78%,防弹盾牌由盾体、肩挂系统、手柄、观察窗组成,手持为折叠式。
第三章磋商项目技术、服务、商务及其他要求(注:带“★”的参数需求为实质性要求,供应商必须响应并满足的参数需求,采购人、采购代理机构应当根据项目实际需求合理设定,并明确具体要求。
带“▲”号条款为允许负偏离的参数需求,若未响应或者不满足,将在综合评审中予以扣分处理。
)3.1、采购项目概况展示我州清洁能源开发建设取得的成就,介绍清洁能源发展中长期规划。
清洁能源设备厂家展示,展示产品自主创新、打破国外垄断在我州清洁能源开发的应用等情况。
邀请相关媒体报道我州清洁能源建设成果,扩大影响力。
3.2、服务内容及服务要求321服务内容采购包1:采购包预算金额(元):1,800,000.00采购包最高限价(元):1,800,000.00供应商报价不允许超过标的金额(招单价的)供应商报价不允许超过标的单价序号标的数量标的金额计量所属是否是否是否是否名称(元)单位行业核心允许属于属于产品进口节能环境产品产品标志产品1甘孜 1.001,800z000.00项其他否否否否州清未列洁能明行源发业展大会成果展示3.3、2服务要求采购包1:标的名称:甘孜州清洁能源发展大会成果展示参数性序号技术参数与性能指标1一、项目概况展示我州清洁能源开发建设取得的成就,介绍清洁能源发展中长期规划。
清洁能源设备厂家展示,展示产品自主创新、打破国外垄断在我州清洁能源开发的应用等情况。
邀请相关媒体报道我州清洁能源建设成果,扩大影响力。
二、服务内容(一)展馆主题廿孜州清洁能源大会展会(二)展馆时间2023年6月25日-27日(三)展馆地点道孚县体育馆(四)展馆规模2800平方米三、展馆设计服务要求1供应商整体设计方案应充分展示廿孜州清洁能源特色。
2 .各分展馆应能通过:文字、图片、视频、展品方式,充分展示参展企业特点。
3 .供应商在响应文件提供展馆设计方案的平面图、立面图、效果图并附有关文字说明。
4 .在整体为2800平方的展馆设计17个小展厅及1个主展厅,小展厅面积不得低于25平方/每个,主展厅面积不得低于30平方。
第三章技术规格(服务要求)技术规格要求:注:以下内容中凡标有“*”号的,均须无条件知足,不然将被废标。
1、主要用途:用于表征资料与器件的微观构造及组分信息。
2、配置清单:主机、显微镜、激光器、三维平台、电脑、软件。
3、详尽技术要求:3.1 主机要求3.1.1 要求仪器拥有高度整体性,主要零件如主机、研究级显微镜以及激光器采纳三点机械定位方式固定在同一蜂窝状铝合金刚性底板上,以保证仪器短期及长久稳固性;要求仪器为采纳透射式设计单级光谱仪;要求仪器采纳数字化共焦方式,以防止传统针孔共焦技术所带来仪器的不稳固性以及更多的光学元件带来的信号损失;要求仪用具备以下扩展能力:与原子力显微镜/ 近场光学显微镜联用(RAMAN/ AFM/NSOM),与扫描电子显微镜联用( RAMAN/SEM),与激光共焦显微镜联用( RAMAN / LCSM),并没有需对拉曼光谱仪做任何改造。
3.2光谱仪光谱分辨率:标准全谱段好于-11cm ;空间分辨率:≤ 0.5 μ m( XY);≤ 2μm(Z);敏捷度:硅三阶峰的信噪比好于25:1 ,并能察看到四阶峰。
检测条件:使用单晶硅片,波长 532 nm,激光输出功率 10mW,狭缝宽度(或针孔) <= 50 微米,需使用 2400 线高分辨光栅,曝光时间 100 秒,累加次数 3 次(或曝光时间 60 秒,累加次数 5 次), binning 等于 1,显微镜头为 x50 倍;光谱重复性:≤± 0.02cm-1;查验标准:使用表面抛光的单晶硅做样品,-1采纳 50×物镜,观察硅拉曼峰(520cm ),重复 50 次, 520 峰中心地点重复性≤± 0.02 cm -1;光谱范围:532 nm激发50-9000 cm-1;系统总通光效率≥ 30%;采纳1800gr/mm光栅;3.2.8 软件控制自动切换激发波长,采纳计算机控制全自动切换,切换后无需从头调整仪器光路;*仪用具备全自动校准功能(内置标准硅片及氖灯),包含激光光路的全自动校准、信号光路以及谱峰的全自动校准,校准无需任何手动调理;*要求光路中具备扩束器,保证激光聚焦点实现理论最小值;也可使激光聚焦焦平面光斑尺寸连续可调,并能连续改变到样品上的激光功率密度,以方便信号弱且怕烧样品的检测;*计算机控制激光多级衰减片,≥15 级,以方便针对不一样样品调整激光功率;*滤光片转台、光栅转台、XYZ 自动平台等齿轮传动零件,需具备光栅尺反应赔偿系统,以防止因齿轮长久转动磨损而影响定位精度。
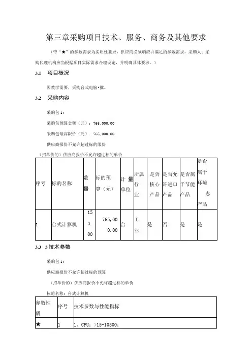
第三章采购项目技术、服务、商务及其他要求(带“★”的参数需求为实质性要求,供应商必须响应并满足的参数需求,采购人、采购代理机构应当根据项目实际需求合理设定,并明确具体要求。
)3.1项目概况因教学需要,采购台式电脑•批。
3.2采购内容采购包1:采购包预算金额(元):765,000.00采购包最高限价(元):765,000.00供应商报价不允许超过标的限价3.33技术参数采购包1:供应商报价不允许超过标的预算(招单价的)供应商报价不允许超过标的单价3.4商务要求3.4.1交货时间采购包1:自合同签订之日起15日3.4.2交货地点采购包1:四川省泸州高级中学校(城西校区)3.4.3支付方式采购包1:分期付款3.4.4支付约定采购包1:付款条件说明:验收合格,达到付款条件起7日,支付合同总金额的95.00%。
采购包1:付款条件说明:验收合格一年后,达到付款条件起7日,支付合同总金额的5.00%o3.4.5验收标准和方法采购包1:按照政府采购相关法律法规以及《财政部关于进一步加强政府采购需求和履约验收管理的指导意见》(财库[2016]205号)的要求进行验收。
由采购人负责组织实施。
采购人将根据项目特点制定验收方案,成立验收小组,按照采购合同的约定对供应商履约情况进行验收,对每一项技术、服务、安全标准的履约情况进行确认。
技术复杂、社会影响较大的货物类项目,可以根据需要设置出厂检验、到货检验、检验、配套服务检验等多重验收环节。
验收结束后,出具验收书,列明各项标准的验收情况及项目总体评价,由验收双方共同签署。
验收结果将与采购合同约定的资金支付挂钩。
3.4.6包装方式及运输采购包1:涉及的商品包装和快递包装,均应符合《商品包装政府采购需求标准(试行)》《快递包装政府采购需求标准(试行)》的要求,包装应适应于远距离运输、防潮、防震、防锈和防野蛮装卸,以确保货物安全无损运抵指定地点。
3.4.7质量保修范围和保修期采购包1:台式电脑质保期为验收合格后3年。
第三章技术规格(服务要求)技术规格要求:1、主要用途:通过搭建高集成、高易用的校园现场制播一体系统,有效利用先进电视及网络技术,开展教学实践课程、文体活动等活动的拍摄制作播出,把先进的教学思路和教学手段真正的运用到课程实训中,满足实施素质教育、培养学生创新精神和实践能力的需要,有效保障教学活动顺利进行、促进教学质量不断提高。
架设专业的现场制作即EFP(Electronic Field Production)系统,视频信号均应以HD-SDI信号为主,达到广电级标准,具备创作、拍摄、录制、编辑、播出功能的现场制播一体系统,结合课程内容培养学生的实践能力。
4G远程新闻采集系统(免费升级5G模块)将远程新闻节目实时采集传输回来,与已有的大型演播室及融媒体中心进行整合,从而提高节目生产能力,满足更多节目制作需求。
2、配置清单:3、详细技术要求:3.1、演播室音频系统升级改造3.1.1 数字模拟双效果调音台16路话筒输入,带有 48V幻象供电,每通道带有HPF24个线路输入 (24个单声道和 4个立体声)6个AUX发送 + 2个FX发送4 GROUP母线 + ST母线2 Matrix 输出1 个单声道输出录音棚级分布式A类“D-PRE”话放,内部配置复合晶体管倒相电路极具音乐韵味的 X-pressive EQ功能源于Yamaha久负盛名的VCM技术专业单旋钮压缩器,带有LED指示灯高级双重数字效果处理器:高级REV-X和Classic SPXStereo Hybrid Channels (立体声混合型通道)iPod/iPhone的数字式连接,用于音频播放与DSP控制MGP Editor可以通过iPod/iPhone详细控制和操作DSP设置3.1.2跳线盘48路长框B标准跳线板适用欧标BPO 316和美标MIL-P-642/2电话插头2行,各24个LF501插口插口由坚固的铝合金构成,镀镍,带“镍镀银”弹簧触点通过不锈钢栅格桁架提供可靠的连接3.1.3辅材音频线材及连接头等辅材3.2、场外制播系统3.2.1 6通道便携式移动演播室移动导播系统内含6通道数字切换台、17.3寸液晶监看屏幕、8通道的通话/Tally系统、内置HD字幕功能。
第六章招标项目技术参数及其他商务要求一、项目介绍1、本项目为:色达县卫生健康局17个乡镇达标卫生院设施设备采购项目。
二、采购项目清单及技术参数要求(实质性要求)附件2健康体检车改装后达到的技术参数要求:(实质性要求)附件3车辆采购相关要求:1、本次采购的车辆须符合国家车辆公告要求,并保证改装后的车辆符合国家、行业相关技术规范和规范,保证能在当地车管部门上牌。
2、本次采购的车辆须适应常年在海拔4200米的高寒地区使用,并且按照采购人要求,须改造安装1台移动式DR(不是本次采购的DR)在车上,达到防辐射标准。
3、中标后,针对X射线防护符合国家有关标准,中标人须提供国家认可或指定的放射研究所出具的检测报告原件,供采购人查验,投标人须针对此项在投标文件中单独提供承诺函原件。
4、本次采购的车辆改装的所有要求,投标人须全部完全响应,不得有负偏离,否则作无效投标处理。
注:1、上述参数带“▲”符号的技术参数为本项目的重要技术参数(或着重的其他要求),不满足的按综合评分明细表的规定作扣分处理。
2、投标人须对本项目的实质性要求进行完全响应,不允许有负偏离,否则作无效投标处理。
三、商务要求1、(实质性要求)合同签订时间:中标通知书发出后5日内签订。
2、(实质性要求)交货时间:合同签订生效后 7 日内完成该项目所有内容,并送货到采购人指定地点,并按招标文件要求和投标文件承诺安装、调试、改造完成,交付采购人验收,正常使用(特别约定:因体检车需进行改装处理,故于合同签订后15日内完成交付)。
3、(实质性要求)交货地点:采购人指定地点。
4、(实质性要求)质保:自验收合格之日起1年。
质保期内免费维修,质保期外的维修按成本价收费。
针对车辆,改装部分质保一年,其余部分质保均按随车三包手册执行。
注:须符合国家三包标准。
5、售后服务要求:1)维修响应时间:提供5×8小时上门服务,故障响应提供7×24小时的故障服务受理,投标人须在2小时内响应,并在12个小时内到达采购人现场处理,24小时内解决问题。
第三章技术规格
1、主要用途:
拟采购的实验动物(舜猴)将用于多感觉整合神经机制研究中瑞猴行为学和大脑皮层电生理记录的研究。
2、配置清单:
4只舜猴
3、详细技术要求:
3.1、品种:舜猴(MacacaMuIatta)
3.2、性别:雄性
3.3、年龄:5-6岁
3.4、体重:6-9kg
3.5、细菌:志贺菌、沙门菌、结核分枝杆菌(人、牛、鸟型),检测均为阴性;
3.6、病毒:猴B病毒(BV)、猴艾滋病毒(SIV)、猴D型逆转录病毒(SRV)、猴T淋巴细胞趋向型病毒1型(ST1V-D抗体检测均要求阴性。
3.7、体内外寄生虫:按国标GB14922.1-2001检测均为阴性;
3.8、外观:健康活泼,体格健壮、健全;无大关节异常、无残疾、五官无缺陷。
没有进行过任何种类药物的试验。
3.9、发货时提供近期的血生化、血常规检测报告。
4、商务条款要求:
4.1、价格条款:货到华东师范大学普陀校区
4.2、质保期:验收合格后1个月
4.3、交货期:合同签订后180天
4.4、付款方式:合同签订后支付90%,验收合格后支付10%。
4.5、售后服务:
因以动物大脑为实验对象,在收货后十天内发现动物大脑功能核磁扫描有结构异常(如有肿瘤或部分脑组织缺失的情况),供应商须能保证问题动物的退换或帮助协调至对脑部结构无要求的使用单位。
若供应商提出异议,双方共同委托第三方检测机构进行检测,最终结果以该检测机构报告为准。
5、验收标准:
验收以采购文件、响应文件、补充文件(若有时)、产品说明书、样品(若有时)、合同、补充合同(若有时)为依据。
第三章技术规格(服务要求)1、主要概况:本项目拟购设备用于生态与环境实验教学中心本科生实验教学,改善实验教学条件。
2、配置清单:教师数码显微镜(1台)、学生显微镜(45台)、教师数码CCD(I套)、学生端软件(45套)、学生平板电脑(45台)。
3、详细技术规格要求:3.1教师数码显微镜3.1.1光学系统及机架无限远色差校正光学系统;一体化机身。
内置且仅有一根电源线。
3.1.2放大倍数40X-1000X3.1.3目镜*平场目镜消色差WF 10X/22mm,双目适度可调,瞳距调节范围48-75mm,有松开防跌落设计。
3.1.4镜筒组铰链式双目镜筒30°倾斜;观察筒可360°旋转或两侧上下翻转改变观察筒高度,适应不同坐高;具备瞳距和屈光度调节功能,视度可调,光瞳间距48-76mm。
3.1.5物镜转换器五孔转换器3.1.6物镜平场消色差物镜4X/0.10 WD=12.1;10X/0.3 WD=8.75;20X/0.50 WD=3.52;40X/1.71 WD=2.8长距;100X/1.25 WD=0.123.1.7机械移动载物台钢丝传动载物台,面积182mm×140 mm;可X、Y向同轴调节移动范围75×50mm,X向钢丝传动,Y向齿轮齿条传动双片夹式结构,片夹带阻力装置,带有0.1mm 刻度的游标尺,预留电动载物台接口;硬质耐磨表面石墨喷涂,耐磨、抗化学溶剂。
3.1.8聚光镜N.A.0.9/1.25,消色差聚光镜,标有对应物镜指示刻度;3.1.9粗微调焦装置粗微动同轴调焦,粗动行程25mm,微调0.1mm/转,格值0.001mm。
粗动松紧可调,工作台上限位置可用镜臂中的滚花螺钉调节,并通过锁紧手轮来限位。
3.1.10照明6V/30W卤素灯和原装一颗3W/LED冷光源照明。
3.1.11整机防霉3.2学生显微镜3.2.1光学系统无限远色差校正光学系统;3.2.2目镜10×大视野、高眼点平场目镜,视场数Φ20mm,带指针;3.2.3目镜观察筒双目镜筒30°倾斜,双目适度可调,瞳距调节范围55-75mm,有松开防跌落设计。
第三章谈判项目技术、服务、商务及其他要求(带“★”的参数需求为实质性要求,供应商必须响应并满足的参数需求,采购人、采购代理机构应当根据项目实际需求合理设定,并明确具体要求。
)3.1、采购项目概况东区疾病预防控制中心信息化建设硬件及软件设备
32、采购内容
采购包1:
采购包预算金额(元):537,557.OO
采购包最高限价(元):537,557.00
3.3、技术参数及要求采购包1:
34、商务要求
3.4.1交货时间
自合同签订之日起30日
3.4.2交货地点和方式
采购包1:
指定地点
3.4.3支付方式
采购包1:
分期付款
3.4.4支付约定
采购包1:付款条件说明:验收合格后,达到付款条件起30日,支付合同总
金额的95.00%o
采购包1:付款条件说明:质保期1年后,达到付款条件起30日,支付合同
总金额的5.00%o
3.4.5验收标准和方法
采购包1:
服务完毕后交付使用进行全面综合验收,如第一次发现验收瑕疵,给与整改期限,在15天内整改完毕进行第二次验收,第二次验收仍不合格,按合同约定追究其违约责任。
3.4.6包装方式及运输
采购包1:
涉及的商品包装和快递包装,均应符合《商品包装政府采购需求标准(试行)》《快递包装政府采购需求标准(试行)》的要求,包装应适应于远距离运输、防潮、防震、防锈和防野蛮装卸,以确保货物安全无损运抵指定地点。
3.4.7质量保修范围和保修期
采购包1:
3年
3.4.8违约责任及解决争议的方法
采购包1:
签订合同时约定
3.5其他要求。
第三章技术规格(服务要求)1、主要用途:用于教室电子信息发布,教学空间资源信息发布和实时查询;教室临时变更实时推送相关师生;数据统计分析等。
2、配置清单:75寸带PC模块(含移动支架)触摸一体机,8台;65寸带PC模块触摸一体机,18台。
3、详细技术要求:3.1、整机屏幕采用 LED 液晶A规屏,显示比例16:9,具备防眩光效果。
3.2、全金属外观,一体化设计, 抗撞抗划抗腐蚀3.3、★整机具有减滤蓝光功能实体键,可通过前置物理功能按键一键启用减滤蓝光模式。
(提供国家广播电视产品质量监督检验中心所出具的权威检测报告)3.4、支持多点书写,书写应速度无延迟3.5、分辨率≥1920*10803.6、采用红外触控技术,支持在Windows系统中进行20点或以上触控。
支持在Android系统中进行10点或以上触控。
3.7、★整机支持机身前置物理按键一键切换画面显示比例(4:3与16:9),可对不同页面比例的PPT课件实现全屏展示。
(提供国家广播电视产品质量监督检验中心所出具的权威检测报告)3.8、电脑配置:CPU≥I5,内存≥4G,硬盘≥128G固态硬盘3.9、OPS电脑主板用H310芯片组,搭载Intel 8代酷睿系列 i5 CPU,采用按压式卡扣方式,无需工具即可快速拆卸电脑模块。
(提供国家广播电视产品质量监督检验中心所出具的权威检测报告)并且提供微软出具的授权教育合作伙伴资质证明(AEP)。
3.10、当整机安装到推拉黑板中时,关闭推拉黑板,整机将在短时间内自动进入黑屏节能模式3.11、整机需经过不低于10万小时的检测3.12、不接受OEM等代工方式产品3.13、每台一体机配一套移动支架3.14、★内置摄像头,可拍摄不低于500万像素的照片。
内置麦克风,可用于对音频进行采集。
内置无线传屏接收器,无需外接接收部件,无线传屏发射器与整机匹配后即可实现传屏功能。
(提供国家广播电视产品质量监督检验中心所出具的权威检测报告)3.15、★外接电脑连接整机且触摸信号联通时,外接电脑可直接读取整机前置USB接口的移动存储设备数据,连接整机前置USB接口的翻页笔和无线键鼠可直接使用于外接电脑。
第三章技术规格(服务要求)1、主要用途:为解决中北校区图书馆图书积压和“涨库”的现状,拟购置一批密集书架,用于对积压图书的存放,同时释放出更多空间用于读者服务。
2、配置清单:3、详细要求:3.1、技术要求(1)产品必须符合相关技术规范“GB/T3325-2008金属家具通用技术条件、GB/T1951.2-1994金属家具质量检验及质量评定、 GB/T13667.3-2003 手动存储设备技术条件”。
产品主要由轨道、底盘、传动机构和架体(包括立柱、挂板、搁板、顶板、门板及侧护板)等零(部)件组成,为保证满载后的安全,各部件应严格按照需求材质和工艺加工。
架顶设有防尘装置,列与列之间装有25mm(含)以上厚特种抗老化磁封条,形成两列间的全封闭,门面列和移动列分别装有锁具和制动装置,每组储存设施闭合后可用总锁锁住,形成一个封闭的整体,各列移开后可单独制动,确保人员安全,底部设有防鼠、防倾倒装置,要求整个架体具有良好的防尘、防鼠、防潮、防火功能。
(2)主要用材及结构配置一览表备注:上述技术要求中如果出现了参考品牌或技术参数指向某特定产品,其目的是为了方便承包人直观和准确地把握相应材料的技术标准,不具指定或唯一的意思表示,供应商可根据自身情况选择质量技术指标及档次不低于或更优的产品参与投标。
3.2、工艺要求(1)涂膜技术标准:光泽测定:>85%;涂膜硬度:≥0.4;耐冲击力:≥ 4N.M;涂膜厚度:60-70微米;涂膜附着力:划格法试验,100%不剥落,不低于1级标准,塑层防锈能力在30年以上,在温度-40℃-250℃,相对湿度40%-90%,海拔高度不大于6000米,地震烈度不大于6级时,产品不生锈、不变形。
耐水性:将涂层试片浸泡于90℃热水中,8小时无变化。
耐腐蚀试验:将涂层试片放置于含盐水蒸汽环境中,250小时无变化。
柔韧性:≤2mm,杯突试验76mm。
稳定性:按GB/T10357.4要求进行。
第三章技术参数及其它商务要求
一、采购清单
二、配置及技术参数要求:
(1)电脑疼痛治疗仪技术参数
1、工作条件
1.1 适于气温-40℃─55℃,相对湿度10─93%的环境下运输;
1.2 能在电源电压220V±22V,50Hz±1Hz,室温5℃─40℃和相对湿度≤80%的环境下工作;
2、技术要求
2.1 可穿入机体有效深度:≥5cm。
2.2 输出波长:0.6—1.7μm。
具有集射式治疗头,散射式治疗头及星状神经节专用治疗头。
*2.3 集射式治疗头发射偏振光口径为ф13mm,输出红外温度0─30级连续可调,最大红外输出温度65℃;波长范围:0.6─1.7μm。
*2.4 散射式治疗头发射红外光口径ф80mm,红外输出温度0─30级连续可调,最大红外输出温度65℃;波长范围:0.6─1.7μm。
*2.5 星状神经节治疗头发射口径ф7mm,红外输出温度0─30级连续可调,最
大红外输出温度65℃:波长范围:0.6─1.7μm。
2.6 偏振光输出模式:连续/间歇两种
(a) 连续模式:在设定的治疗时间内应有连续的光输出;
*(b) 间歇模式:间歇输出方式4种,分别为:2:2,1:1, 1:3;2:2─1:1合成模式(单位:秒),由数码显示。
*2.7 治疗时间:0─99分范围连续可调,步长为1分钟。
3、主要配置和附件
主机:1台;
(双臂)集射式治疗头:2个;
(双臂)散射式治疗头:2个;
(双臂)星状神经节专用治疗头2个;
(双臂)支臂:2套;
电源线:1条;
说明书及临床应用资料:1本;
消耗品和零备件:保险管2支。
(2)十二道心电图机技术参数和功能特点
导联:12导联同步采集、显示、打印
增益:2.5 mm/mv 、5 mm/mv、10 mm/mv、20mm/mv、10/5 mm/mv、20/10 mm/mv、AGC
数字滤波器:交流滤波:50Hz/60Hz,肌电滤波:25Hz/35Hz/45Hz,漂移滤波:0.05Hz/0.15Hz/0.25Hz/0.50Hz,低通滤波:70Hz/100Hz/150Hz滤波器
定标电压:1mV±1%
噪声电平:≤15uVp-p
频率特性:0.05Hz-150Hz
*时间常数:≥5S
输入阻抗:≥50MΩ
输入回路电流:≤50nA
采样速率:1000/CH
*抗击化电压:±650mV
*共模拟制比:≥105dB
A/D位数:24
节律导联方式:单通道与三通道选择,每通道12导联任选.
记录速度:5mm/s、10mm/s、12.5mm/s、25mm/s、50mm/s.
*记录纸:支持卷纸/折叠纸:规格:210mm或216mm,并具有12X1、6X2、6X2+1R、3X4+3R、3X4、一分钟节律导联、平均模板、自动分析、中文自动诊断报告等输出打印格式,可记录清晰准确的十二道不压缩心电波形及导联标记、增益、走纸速度、患者信息、分析报告等详细信息。
*8.4英寸TFT液晶屏,支持触摸屏操作和按键操作。
电脑键盘设计,支持中文、英文输入。
*Cali-RecTM智能打印校正系统。
*具有打印预览功能,诊断报告修改功能
交直流两用,内置环保耐用型锂电电池,能连续工作2小时以上。
可存储最近2分钟12导联波形。
*具有Wilson(标准导联)和Cabrera导联两种导联模式。
分析多达122种心律失常类型。
可存储回放1000例病人数据,并可通过U盘,扩展内存容量。
具有导联连接示意图,能准确判定接触不良的电极,提示各个导联脱落的信息。
可选配连接USB打印机,直接打印普通A4纸
具有便携式提手
*通过CE认证
(3)心电监护仪技术参数
1.心电:
1.1心率检测范围:20~300 bpm。
1.2精度:±1bpm
1.3扫描速度:12.5、25、50mm/s
1.4增益选择:×1/4、×1/2 、×1、×2。
*1.5共模抑制比≥100dB。
2.脉搏氧饱和度:
2.1显示:脉搏氧数值、脉柱图、容积波、脉率
2.2脉搏氧测量范围:0~100 %
2.3精度:(70%~100%)±2%。
2.4脉率测量范围:20~300bpm
2.5脉率精度:±1bpm
3.无创血压:
3.1测量方式:智能振荡法
3.2测量参数:收缩压、舒张压、平均动脉压
3.3自动测量时间间隔:1 min~400 min 任选
3.4单位:mmHg / kPa 可选
3.6测量范围:15~260mmHg
3.7测量精度:±5mmHg
3.8袖带压力范围:10~280 mmHg
3.9过压保护:有硬件和软件双重过压保护
4.体温:
4.1有效测量范围:0~50 ℃
4.2精度:± 0.1℃
4.3单位:℃/ F 可选
5.呼吸
5.1测量方法:胸阻抗法
5.2测量范围:10~110bpm
5.3精度:±1bpm
6、标准配置:心率、脉率、血氧饱和度、无创血压、呼吸、体温
7、采用12.1寸TFT液晶屏显示,显示分辩率为800×600。
8、*简单清爽的大字符界面,一级菜单操作模式,易学易用,避免误操作。
9、机器语言标配有中文、英文语言可选。
10、具有心律失常分析功能、ST段检测功能。
11、心电导联标配3导联,提供3导和5导菜单选择功能。
12、支持数据掉电保存功能(包括趋势图、趋势表、波形回放、血压列表)
13、趋势图和趋势表保存1200小时,按分段保存要求不超过10段,步长为1分钟。
14*支持USB在线升级程序功能。
15、*具有血压插座自动防尘盖,防止异物进入,确保血压的长久准确性。
16、支持护士呼叫系统,三重多级报警功能。
17、内置电池待机时间达2小时以上。
18、采用以太网联网功能,支持有线、无线网络的连接。
19. *采用以太网联网功能,支持有线、无线网络的连接,可组成多达120台中央监护系统
备注:以上*为必备参数。
三:售后服务及保证
1、整机保修一年。
2、如设备出现故障,接到通知后24小时内工程师应到达维修现场。
四:安装调试
1、卖方负责安装调试后,应配合买方对设备进行全面验收。
2、设备由卖方运抵买方后,应在一周内派技术人员到现场,并负责合同设备的安装。
3、卖方必须提供对买方相关医技人员的现场培训。
五:付款方式
分两次付款,设备安装调试培训验收合格后十日内,买方应向卖方支付合同总价的90%,余款一年保修期满后十日内全额无息付清。