货物清单及技术参数要求
- 格式:doc
- 大小:68.00 KB
- 文档页数:4
电动密集架技术参数一、货物清单:二、技术标准及规范:本次采购的电动密集架的技术性能指标需满足GB/T13667.4-2013电动密集架通用技术条件的国家标准。
所用的材料符合GB700-82热轧钢板和GB710-82冷轧钢板的国家标准。
产品表面磷化处理工艺及质量水平符合GB6807-86钢铁涂漆前磷化处理技术条件的国家标准。
三、生产工艺要求:1、架体标准:搁板每层均匀承重,单面最大承重为40kg,双面最大承重为80kg,满负荷24小时以后下弧度不大于3mm,卸载后自动恢复。
每列设有安全限位、防盗及自锁装置。
2、产品结构:主体结构分座、立柱架、搁板及底盘滑轨共四大部分。
底盘采用组合焊接成形,面板采用豪华凹凸式,传动机构采用双轴结构。
3、产品性能:①主轴和轴承的直径为Φ20mm,45#材料,短轴管套连接传动。
具有可靠的中心直线度,架体平稳轻便。
②传动速比:1:5.5,豪华型黑色方向盘式摇把。
③载荷能力:>600kg/m3。
④架体空间利用率:>90%。
⑤传动装置:机构式全自动脱挂驱动装置。
链轮生产标准按GB1135-89和GB1244-84(3R齿型)标准,表面经防锈处理。
⑥传动采用摩托车专用链条、双排列可调滚动轴承,滚动轮采用高强度铸铁材料,传动轴采用45#优质结构,传动机构转动灵活、平稳、强劲有力,不会出现失灵现象。
4、电控部分参数①电源220V±5%50HZ -- 60HZ②单列电机功率 80W--120W③总功率 200 X n(W). 其中n为总列数④噪声≤ 50dB⑤运行速度(自动时) 3.0--4.0/min5、工艺结构:①每列密集架架体结构均装有制动装置于侧面板中侧,开闭方便。
开架查寻资料时,只需按下停止键,架体便不会被他人移动,有效地保证了查阅人员的人身安全。
②密集架各列之间装有磁性极强的橡胶密封条,在顶部装有防尘板,底部装有防鼠装置,全拢后无间缝,基本上做到了防尘、防鼠、防盗、防光的要求。
一、招标货物清单备注:本项目设有预算金额;请各供应商按预算金额内报价,超出预算金额的报价作无效标处理二、招标货物技术规格和要求总的说明和要求1. 相关标准当地使用的电源:电压:单相220V±10%,三相380V±10%;频率:50Hz;符合中华人民共和国有关技术标准。
2. 交货前的买方查验买方有权在产品组装期间到卖方的工厂查验产品及其部件,有权察看图纸和试验结果,买方也可指派其雇员或代理履行这种工厂查验,但这并不免除卖方应按合同履行其义务的责任。
3. 对供应商提供培训、产品安装与验收的要求卖方负责培训操作人员和管理人员,买方有权要求更换卖方指派的不合格的技术人员,由此产生的费用由卖方承担。
卖方应负责产品的安装与调试,并应在规定的期限内完成。
买方验收的目的:(1)确认安装成功;(2)确认设备性能及其它经济技术指标符合合同规定。
验收程序应根据合同确定的“调试验收标准守则”中规定的顺序、标准和实验方法进行。
买方可选购使用后的实验仪器以确保设备的运转。
买方验收:(1)产品运达后的检查:合同项下的产品运达后须在买方负责人确认货物外包装完整的前提下由卖方的安装人员自行检查,如开箱后确认产品错发,丢失及损坏,卖方应承担责任;(2)终交验收:买卖双方按照合同和双方共同商定的验收条款对调试完毕的设备进行验收。
卖方应事先准备好验收文件并获买方的确认,如验收合格,双方代表人在验收文件上签字完成终交验收手续,正式交付使用。
如第一次调试未成功,卖方应找出失败的原因,并应在第一次调试结束后15天内完成再次调试。
卖方应承担因此而产生的全部费用;如第二次调试结果仍不能完全符合验收文件预定的合格条件,买方可拒绝接受全部设备,卖方负责赔偿该项目的一切损失。
表(1)供应商做《技术规格偏离表》要根据“表2”的内容逐条响应,根据投标产品的参数如实地详细地填写,不允许虚假应标,不允许简单应答“符合”、“响应”之类作为作为投标响应,也不允许缺项漏项,否则有可能被评委判定为技术参数的偏离甚至导致投标无效,其一切后果自负。
第1章技术参数及要求1.1.项目概况本次采购内容为高频钼靶乳腺X线机及其配件,共计1个包。
1.2.采购范围采购内容包括:货物生产、包装、运输、仓储、安装调试、与安装施工单位的配合施工、缺陷整改、保修期内的免费维护、维修及更换、售后服务等。
1.3.技术参数及要求1、本项目主要性能参数及技术要求1)KV范围:22~39kV(要求注册证有说明);2)★毫安秒范围:1~600mAS(要求注册证有说明);3)管电流范围:要求控制面板有管电流液晶显示;4)★最大输出电功率:6KW以上(要求注册证有说明);5)计算机控制自检系统:液晶显示,中文提示自检,错误代码提示,机器自动检测和维护;6)★独立高压发生器:稳定的(油箱冷却)55 KHz+/- 10%(要求注册证有说明)7)暗盒仓:前置暗盒仓可放置18*24厘米暗盒,可多拍摄靠近胸壁部分4毫米;8)压力器:双弧型压力器;9)压迫器:手动和自动两种方式,暴光后压板自动升起;10)压力记数器:自动压力记数器,压力控制,液晶(数字)压力显示;11)★X线球管(原装“瓦里安”乳腺专用球管):A.乳腺专用高速球管;B.小焦点0.1mm 大焦点0.3mm;C.大小焦点转换,可升级放大摄影;D.阳极类型:高速旋转阳极,油冷;E.转速:高速球管≧9700转/分钟;12)★SID焦片距:≥650mm;13)散热率:300000HU;14)阳极材料:钼;15)放射线输出:符合国家要求;16)产品适用范围:乳腺和其它软组织(要求注册证有说明);17)旋转:+90°,—90°;18)垂直:500mm;19)C型臂:双侧对称控制上、下压迫器设计,两侧把手设计。
注意:以上打★号的为本次谈判项目的实质性要求,不允许有负偏离。
2、采购项目配件清单3、安装和验收要求医生培训地点:提供在四川、重庆区域内的三级甲等综合医院4、质量保证期要求4.1产品的质量保证期为年,起算日从安装验收书签发后采购人接收之日开始。
招标货物技术规格书、货物清单货物技术规格书一、材质要求1、边台、中央台等:钢木结构2、药品柜:木制结构3、气瓶柜:全钢结构静电喷涂环氧树脂粉末,化学防锈处理,耐酸碱腐蚀,承重性能好。
连接件:模具开发专用连接件,表面镀锌防腐处理。
试剂架立柱:采用40×100×1.2mm上海宝钢产优质冷轧钢板,折弯、冲孔,表面经酸洗、磷化、均匀静电喷涂环氧树脂粉末,化学防锈处理,耐酸碱腐蚀,每15mm有一调节孔位。
试剂架层板:采用10mm厚玻璃层板,四周磨边处理,光滑,不伤手,配玻璃托板及钢板折弯挂钩,可根据舒适要求自由调整高度;边缘配Ø10mm不锈钢管,以防止试剂瓶跌落。
台面:采用16mm厚DurSurf环氧树脂板。
操作面前缘上边经圆滑处理,美观且光滑不伤手。
门板:采用内蒙古根河牌18mm厚三聚氰胺板;所有断面经优质PVC封边防水处理,四边倒角圆滑处理。
柜身:采用内蒙古根河牌18mm厚双面灰色三聚氰胺板;所有断面经优质PVC封边防PVC可调脚:ABS专用注塑可调脚,承重、防潮、防滑、抑菌、耐腐蚀,可根据室内地坪适当调整柜体高度;外形美观,设计人性化。
键盘架:托盘采用ABS工程塑料制作,耐磨抗摔;优质全钢三节导轨,表面电镀处理,耐腐蚀,拉伸灵活;专用全钢键盘连接件。
插座:采用上海观泰万用插座,适合各种国产及进口仪器插头,安全耐用。
插线盒:铝型材塔型结构,表面经酸洗、磷化、均匀喷涂防锈处理,外型美观,使用安全方便。
水槽:采用台湾科恩品牌实验室专用高密度PP一体化成型水槽,易清洁,耐腐蚀,且利于台面残水自然回流,美观实用;壁厚5mm,平整不变形。
水龙头:采用台湾科恩品牌实验室专用水龙头(有三口、双口、单口三种可供选择),主体为加厚铜质合金制,表面高亮度环氧树脂涂层,耐腐蚀、耐热、防紫外线辐射。
可90°旋转陶瓷阀芯;可拆卸铜质水嘴,方便连接各种特殊用水管件,高密度PP/ABS开关旋钮,人体工学设计,手感舒适,并配有可360°旋转鹅颈管。
一、项目名称:XXX项目货物采购二、项目概况:本项目为XXX项目,位于XXX地区,主要建设内容包括XXX、XXX 等。
为确保项目顺利进行,现进行货物采购招标,具体货物清单如下:三、货物清单1. 电气设备类(1)低压配电柜:100套,规格为XXX。
(2)变压器:10台,规格为XXX。
(3)电缆:1000米,规格为XXX。
(4)配电箱:200套,规格为XXX。
(5)电线:5000米,规格为XXX。
2. 通风设备类(1)风机:20台,规格为XXX。
(2)风管:500米,规格为XXX。
(3)风口:50个,规格为XXX。
3. 水暖设备类(1)水泵:10台,规格为XXX。
(2)阀门:200套,规格为XXX。
(3)管道:1000米,规格为XXX。
4. 门窗类(1)铝合金门窗:200套,规格为XXX。
(2)钢制门窗:100套,规格为XXX。
5. 照明设备类(1)LED灯具:1000套,规格为XXX。
(2)节能灯:500套,规格为XXX。
6. 仪器仪表类(1)电流表:100个,规格为XXX。
(2)电压表:100个,规格为XXX。
(3)万用表:50个,规格为XXX。
7. 办公设备类(1)电脑:50台,配置为XXX。
(2)打印机:20台,型号为XXX。
(3)复印机:10台,型号为XXX。
(4)投影仪:10台,型号为XXX。
8. 办公家具类(1)办公桌:100套,规格为XXX。
(2)椅子:200把,规格为XXX。
(3)文件柜:50套,规格为XXX。
9. 建筑材料类(1)钢材:100吨,规格为XXX。
(2)水泥:1000吨,规格为XXX。
(3)砂石:500立方米,规格为XXX。
(4)砖块:100万块,规格为XXX。
10. 其他设备类(1)消防器材:100套,包括灭火器、消防栓等。
(2)安防设备:50套,包括监控摄像头、报警器等。
(3)环保设备:10套,包括除尘器、污水处理设备等。
四、技术要求1. 所提供的货物必须符合国家相关标准、规范和法规要求。
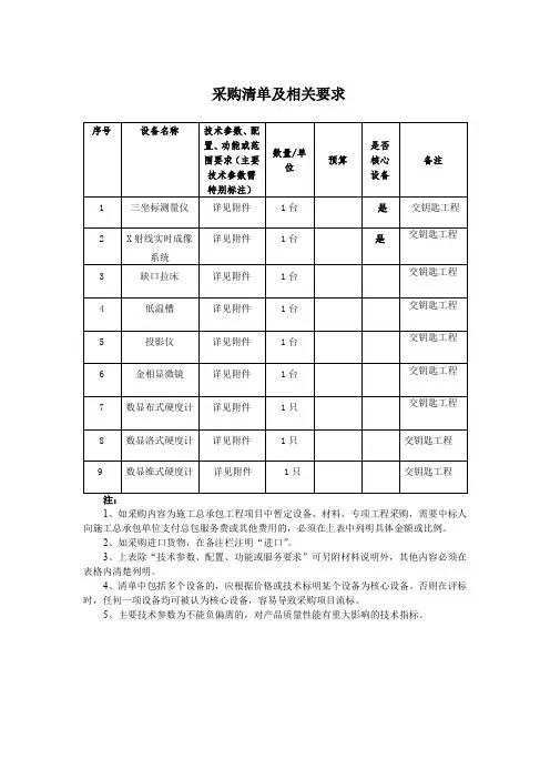
采购清单及相关要求1、如采购内容为施工总承包工程项目中暂定设备、材料、专项工程采购,需要中标人向施工总承包单位支付总包服务费或其他费用的,必须在上表中列明具体金额或比例。
2、如采购进口货物,在备注栏注明“进口”。
3、上表除“技术参数、配置、功能或服务要求”可另附材料说明外,其他内容必须在表格内清楚列明。
4、清单中包括多个设备的,应根据价格或技术标明某个设备为核心设备。
否则在评标时,任何一项设备均可被认为核心设备,容易导致采购项目流标。
5、主要技术参数为不能负偏离的,对产品质量性能有重大影响的技术指标。
附件:检测设备技术参数安徽省铸件产品质量监督检验中心检测设备采购招标技术参数1、三坐标测量机招标技术要求1、品牌要求:知名品牌;主机机械结构采用最先进的活动桥式结构★1.1 Y轴采用优质花岗岩材质,Y轴、Z轴采用四周环抱式气浮导轨,X/Z 轴采用先进的航空铝合金材质;三轴高精度预载荷封闭空气轴承,导轨永无磨损。
1.2 国际知名品牌直流伺服电机1.3 进口光栅尺及读数头1.4 德国FESTO气动系统Z轴气动平衡,可靠、平稳提高定位精度1.5日本SMC三级精密过滤系统,过滤精度0.01μm,确保导轨长寿命1.6 德国GATES柔性钢丝同步带传动,克服了磨擦杆、齿轮齿条、钢带等传动的诸多缺点,无滑差、无噪音、高柔性2、测量范围(mm)宽:长:高 X:Y:Z≥≥1000:1200:8003、测量精度3.1按ISO10360-2标准评定:空间长度测量精度MPE_E≤(2.4+3.3L/1000)μm;3.2空间探测精度MPE_P≤2.4μm,提供标准球;3.3技术参数按照JJF 1064-2004《坐标测量机校准规范》;3.4配置精度校准需要的各种校准工具,提供校准方法。
4、动态功能最大3D运行速度≥530mm/s;最大3D运行加速度≥1500mm/s25、测量功能基本软件软件为国际主流测量软件,具有中文操作系统,通过国际权威PTB认证;5.1特有的交互式三维造型功能,计算机图形化仿真功能模拟测量机图形化脱机式编程,具有内置的强大的分析报告能力★5.2内置智能化功能,可以自动为所测量元素命名★5.3具备完善的图形化测头管理、零件坐标系管理和工件找正功能★5.4应用IGES或DMIS格式,测量机与任何CAD系统可以双向连接处理二维,三维,线框及曲面的CAD文件;应具备二维曲线、三维曲面的扫描测量和评价功能。
技术规格及要求招标编号:CCTC10212114注:1、“*”条款不满足的报价将被否决。
2、以下技术参数及要求中涉及的具体品牌及型号供报价人参考,报价人需提供同等或以上档次品牌型号的产品,设备类适用。
共计:1包,14项。
招标范围:电动机14项招标技术附件目录第1节货物需求及技术规格第2节使用条件第3节技术要求第4节供货范围第5节技术服务、培训第6节质量保证第7节调试、考核和验收第8节售后支持第1节货物需求及技术规格货物需求一览表技术规格*电机采用低能耗节能型三相异步电动机,防护等级为IP55;频率50HZ;绝缘等级F级;工作制:S1;功率因数≥0.8;无固定转向;冷却方式:IC411(全密封风扇自冷却);接线盒可左右互换。
第2节使用条件2.1 地理环境、工作条件及工作制度平朔洗选中心位于山西省朔州市平朔矿区内,南距朔州市15公里,隶属于中煤平朔集团有限公司。
2.1.1 电机工作条件电机工作于下述自然环境中;1、环境温度-35℃~+40℃下能正常工作;2、空气相对湿度达90%以上仍能正常工作;3、海拔高度1400米仍能达到额定能力。
4、抗震设防裂度:8度5、污秽等级:Ⅲ级2.1.2 工作制度平朔洗选中心实行24小时连续作业制,将人员分成三个班组,三个班组实行班组内部轮休制,每班工作八小时,现场交接班。
除计划、轮流检修等原因外,其余时间电机均能投入正常运行。
第3节技术要求3.1总体要求*3.1.1投标人负责现场指导安装、调试电动机,必须满足现场运行安装的精度要求,如果在电动机运行过程中出现质保期内损坏的情况,由投标方负责赔偿。
*3.1.2新电机要符合IEC和国内行业有关最新标准,电机能效标准规范应符合《节能产品惠民工程高效电机推广实施细则》,及GB18613-2012《中小型三相异步电动机能效限定值及能效等级》标准。
*3.1.3投标人所投电机的安装尺寸要完全满足现场安装基础,投标文件中需附所投电机的安装图纸,要求清晰可见。
可编辑修改精选全文完整版丽水市公安局空调设备招标货物清单及技术要求一.概述1项目概述:1.1丽水市公安局信息指挥大楼附属配套用房总面积5500平方米,北面附属楼共四层,东附属楼工三层。
本次招标只设一个标段,投标供应商必须对全部招标内容进行投标,不允许只对其中部分内容进行投标。
2招标主要说明2.1▲本次招标产品有多联机空调、新风系统及家用空调。
多联机空调系统采用变频变冷媒流量多联冷暖型空调系统,空调机组必须采用R410A环保冷媒,新风系统和家用机可以采用R22冷媒。
投标品牌必须为同一品牌。
2.2请投标供应商提供室内机的外型尺寸、外观颜色及相应的产品样本,外观需注意和房间装饰的配合。
3招标范围招标设备内容:3.1本次招标的制冷量按楼房的功能定位不同进行冷量分配,同时参考空调的样本进行冷量选型配比。
3.2▲根据各个投标供应商投标品牌的区别,投标产品制冷量不允许负偏差。
3.3以下的冷量参数基于室内温度27℃DB,19.℃WB,室外温度35.0℃下的数值。
二货物预算▲预算总价(最高限价)人民币捌拾伍万(¥850000)元整。
三 3.设备见下表:(本项目强电由业主方自行负责)3.1多联机及新风系统设备清单3.2多联机冷量配置表3.3家用机设备清单3.4家用机冷量配置表注:家用机报价按5米/台计算安装费,同时单列每增加1米铜管需要的综合费用。
四技术参数及要求四其他4.1工程范围及要求4.1.1中标供应商的工程范围(包括,但不局限于以下内容):深化设计、提供材料、设备供货、工程施工、现场调试、竣工验收、技术服务以及售后服务的工作。
一些虽由中标供应商完成的工程但与第三方完成的工程密切相关,或虽由第三方完成的工程但与本工程密切相关,仍由中标供应商提出要求,提供图纸资料或与相关专业协商工作。
4.2方案设计要求4.2.1按照招标要求完成工程范围内的方案深化设计;送风系统必须满足原设计要求,投标供应商必须符合原电施图中的用电量要求,如牵涉到改造费用,由投标供应商承担。
班班通产品技术参数方案一:电子白板+多媒体一体机货物清单及参数要求序号名称技术参数要求单位1 短焦投影机1、LCD投影技术,液晶板尺寸:≥0.63英寸;2、亮度:≥3200流明;3、标准分辨率:1024×768;4、对比度(全黑/全白):≥10000:1;5、灯泡功率:≥225W,整机功率≥300W;6、灯泡寿命:节能模式下≥10000小时,顶部换灯设计;7、投影距离:实现75cm距离投影出80英寸画面;8、1路HDMI输入,1路VGA输入,1路VGA输出,1路视频输入,1路音频输入,1路音频输出,1组串口(RS232)输入;9、机身侧部更换投影机过滤网,节能模式下更换周期≥10000小时;10、屏幕菜单、操作面板、接口端面板、遥控器为全中文标注;11、具备垂直梯形校正功能,梯形校正范围≤±15度;12、可根据用户需求,自定义开机LOGO及安全设计,具有投影机身份识别系统;13、可根据环境光亮度自动调节投影机灯泡亮度;14、工作电压范围:AC交流电源100-240伏,适应农村教学;其他要求:1、出具制造商加盖公章的授权书、售后服务承诺函、技术参数证明函和产品彩页;2、入围最新一期(第18期)节能产品政府采购清单,产品3C认证、检测报告;3、投标品牌的生产厂家通过ISO9001和ISO14001认证;4、提供中国质量认证中心所颁发的中国节能产品和环保产品认证证书;台2电子白板电子白板技术参数要求1、技术原理:红外线感应技术;2、板体尺寸≥85寸,感应尺寸≥82吋,宽×高≥1693×1211mm;块3、数据传输:≥7.5米USB数据线,具备信号放大器和磁环功能;4、分辨率:≥48000*36000;5、白板材质:金属背板,铝合金边框,坚固耐用,不易变形;6、提供双边物理快捷键,每边≥15个具有中英文标题的快捷键,可通过触摸双边快捷键进行白板定位,启用白板软件,方便使用;7、书写功能:十点触控,6笔书写,无延时和断笔;8、通过手势识别可隐藏电子白板软件,不影响白板软件正常书写功能,支持手势擦除;9、通过触摸白板左右任意一侧的软件快捷键,可使白板软件左右切换,方便使用;10、定位技术:具有四种及以上定位模式,可精准定位;11、红外框前维护:无需拆卸整机情况下,可从前端拆卸红外触摸框,更换电路板,方便日后维护,提供相关证明文件;12、中文标识:白板软件主界面功能菜单及各级下拉菜单界面配有中文标题;13、书写标注笔:提供不低于8种书写笔型。
货物清单参数一览表
采购需求应当完整、明确,包括以下内容:
本章内容是根据招标项目的实际需求制定的。
1、投标人所报价格应为含税全包价,包括产品的设计、制作、包装、保险、运输、装卸、安装、检测、税费、验收、保修等一切费用。
货物必须为合格产品,质量达到国家有关标准,投标人供货时须提供有关货物(包括原材料、燃料、设备、产品等)的合格证明材料、详细技术资料和检测报告等。
2、投标人应保证货物是全新、未使用过的合格产品。
并完全符合合同规定的质量、规格和性能的要求。
投标人应保证所提供的货物经正确安装、正常运转和保养后,在其使用寿命期内应具有满意的性能。
在货物质量保证期内投标人应对由于设计、工艺或者材料的缺陷而发生的任何不足或者故障负责。
3、当招标文件中的技术要求以及货物备品备件的互换性标准与国家标准或者行业标准等不一致时,应以国家标准或者行业标准等为准。
4、供货期:签订合同后接到甲方通知90个日历天内(交货及安装完成)。
招标产品详细技术标准和要求
注: 1、免费维护期(质保期):2年;
2、软件终身免费升级;
3、每年4次日常巡检;
4、重大活动技术人员免费现场保障;
5、售后服务、耗材收费不高于投标价。
采购项目一般技术、服务和商务要求一、项目技术参数要求(实质性要求)(一)采购清单及技术参数注:1、以上带“★”技术参数,谈判文件要求提供佐证材料的按谈判文件要求提供,未要求提供具体佐证材料的,提供2022年以来带CMA和CNAS标识的检验报告佐证(佐证材料必须真实有效,需提供网页查询截图或资料自带二维码查询真伪);其余参数,投标人技术参数响应即视为满足。
2、竞争性谈判文件中的相关内容若存在品牌型号,则仅作为参照,各供应商在满足采购要求的前提下,可以提供质量、技术要求同档次或高于参照品牌要求的其他合格产品。
3、本项目核心产品为:不锈钢盆。
(二)其他技术要求1、供应商所提供的所有货物和服务符合国家现行有关质量标准或者优于国家现行相关行业技术规范(或标准)及国家强制性标准;2、供应商所提供货物为原装全新合格产品,供应商不得以次充好;产品来源渠道必须合法,同时应根据国家有关规定、厂家服务承诺及采购人的要求做好售后服务工作。
3、供应商所提供的产品,如涉及密封包装的,密封包装不得拆开。
若开包检验中发现有诸如数量、型号和外观尺寸与合同不符,或密封包装物本身的短少和损坏,如产生更换或补货等情形并导致工期延误,采购人有权据合同有关条款的规定对因此造成的直接损失向供应商索赔。
二、商务要求(实质性要求)1、交货时间:合同签订后,20天内送货完毕。
2、交货地点:盐源县内采购人指定地点。
3、付款方式:验收合格后30日内支付合同总价100%的货款给成交供应商。
4、验收方式和标准:严格按照《中华人民共和国政府采购法》、《中华人民共和国政府采购法实施条例》和《财政部关于进一步加强政府采购需求和履约验收管理的指导意见》(财库(2016)205号)的要求进行验收。
5、质保期:整体质保三个月。
质保期为最终验收合格后三个月,质保期内出现质量问题,成交供应商在接到通知后48小时内响应到场,24小时内完成更换,并承担调换的费用;如货物经成交供应商2次更换仍不能达到本合同约定的质量标准,视作成交供应商未能按时交货,采购人有权退货并追究成交供应商的违约责任。
招标货物技术规格书、货物清单货物技术规格书一、材质要求1、边台、中央台等:钢木结构2、药品柜:木制结构3、气瓶柜:全钢结构4、通风柜:全钢结构二、产品技术要求1、外形尺寸:长、宽、高误差点≤3mm;邻边垂直度:台面对角线1000mm≤3mm ;2000≤4mm ;3000≤5mm ,地角平稳性:≤2mm。
2、工艺要求:2.1、木质贴面和封边部件应严密,平整,不允许有脱胶、鼓泡、凹陷、压痕以及表面划伤、麻点、裂痕、蹦角和刃口,外表的圆角、倒棱应均匀一致。
2.2、钢制柜体或钢结构部件表面必须经环氧树脂喷涂处理,平整光滑,不允许有喷涂层脱落、鼓泡、凹陷、压痕以及表面划伤、麻点、裂痕、蹦角和刃口等。
钻孔和倒角后应去毛刺。
2.3、各种配件安装应严密,平整、端正牢固,结合处应无崩茬或松动。
三、用材明细1、实验台主框架:采用40×60×2.0mm上海宝钢产优质冷轧钢管,表面经酸洗、磷化、均匀静电喷涂环氧树脂粉末,化学防锈处理,耐酸碱腐蚀,承重性能好。
连接件:模具开发专用连接件,表面镀锌防腐处理。
试剂架立柱:采用40×100×1.2mm上海宝钢产优质冷轧钢板,折弯、冲孔,表面经酸洗、磷化、均匀静电喷涂环氧树脂粉末,化学防锈处理,耐酸碱腐蚀,每15mm有一调节孔位。
试剂架层板:采用10mm厚玻璃层板,四周磨边处理,光滑,不伤手,配玻璃托板及钢板折弯挂钩,可根据舒适要求自由调整高度;边缘配?10mm不锈钢管,以防止试剂瓶跌落。
台面:采用16mm厚DurSurf环氧树脂板。
操作面前缘上边经圆滑处理,美观且光滑不伤手。
门板:采用内蒙古根河牌18mm厚三聚氰胺板;所有断面经优质PVC封边防水处理,四边倒角圆滑处理。
柜身:采用内蒙古根河牌18mm厚双面灰色三聚氰胺板;所有断面经优质PVC封边防水处理,所有板件采用DTC拆装式三合一连接,结构稳固,承重性能好且易于拆迁,利于在实验室这个特殊的工作环境使用。
货物需求及技术要求二、安装、调试、试运行2.1在医疗设备安装前,必需做好环境的设计和准备工作。
医疗设备的安装使用环境要求,包括供电、温度、湿度、空气净度和磁场、电场和电磁波的干扰,以及机房尺寸、屏蔽情况、缆线辅设等。
2.2中标供应商至少派1名商务人员和1名原厂工程师负责安装调试。
2.3测试工作所需的仪器仪表、工具、材料均由中标供应商负责。
2.3调试须按照说明书的要求进行,应对医疗设备的各项技术功能逐一调试。
2.4当医疗设备主要指标(软硬件齐全、技术功能实现、产品稳定性)达到招标文件要求,试运行通过;如果上述条件不满足,需重新进行试运行。
2.5安装、调试并通过试运行所需时间。
三、培训3.1中标方应对设备操作及维修人员进行操作及维修培训,直至临床人员熟练掌握操作及维修技能为止。
3.2对我院使用科室及维修人员关于机器常见故障及解决方案进行培训,培训必须达到我方能熟练掌握机器操作流程,能解决常见故障。
3.3免费培训操作人员至少两名。
提供培训人数、培训时长等详细培训记录。
四、验收3.1验收形式:联合验收。
验收工作由各主管职能科室牵头,临床使用科室、招标办、审计、监察组成联合验收小组共同验收,签字确认。
3.2资料验收:验收资料包含:验收报告、采购合同、进口报关单和商检单(进口产品须附)、产品合格证(或质量保证书)、装箱单或随货同行单、使用说明书、中文版操作和维护手册、常见故障说明等资料。
4.3设备验收。
对设备的到货期是否在合同规定的期限内、生产日期是否在规定的期限、硬件配置是否齐全、软件功能是否能实现、相关信息系统连接是否到位、电气安全等进行验收,确保机器能够安全有效地为临床服务。
4.4培训验收。
中标厂家必须派专业的工程师对相关医护人员进行系统培训,并通过培训考核。
五、售后服务5.1软件系终身免费升级。
5.2质保期内,由原厂工程师每六个月进行一次免费维护保养以及不定期巡查保养服务,并向甲方提供维护保养报告,维护保养报告包括设备清洁、性能测试及校准、必要机械或电气安全检查,以及按照制造商要求保证设备正常运行的其他维护维修。
第一节供货范围、技术规格、参数与要求一、货物需求一览表使用环境:通过罐笼入井,煤矿井下使用,顶板有淋水,底板有渗水。
最高温度:26℃。
最低温度:2℃。
年平均气温:≤25℃。
地震烈度:6级。
海拔高度:235米。
危险区:瓦斯矿井、煤尘有爆炸危险,煤有自燃发火倾向。
三、技术参数及要求1.技术参数△1.1整机重量:≤1500kg。
*1.2装载能力:≥120m3/h。
*1.3挖掘宽度:≥5000mm。
*1.4挖取距离(离铲口):≥2400mm。
*1.5挖掘高度:≥3000mm。
*1.6挖掘深度:≥800mm。
*1.7卸载高度:(1760~2100)mm(可变)。
*1.8卸载距离:3170mm。
△1.9行走速度:≥0.25m/s。
△1.10刮板链速度:≥30m/min△1.11刮板链运输机构形式:双链双驱动。
1.12适用巷道坡度:≥30°。
*1.13最小转弯半径:≤6000mm。
*1.14离地间隙:≥350mm。
△1.15总功率:≤75kW。
*1.16电压等级:660/1140V。
*1.17操纵方式:液控。
△1.18履带内侧宽度:1000mm。
△1.19最大物料通过尺寸(宽×高):≥620×740mm。
△1.20大臂最大回转角度:±55°。
*1.21最大不可拆卸件尺寸(长×宽×高)(设备需经罐笼入井):≤5000×2400×2800mm。
2.技术要求2.1本规范文件对大南湖矿一号井履带挖掘式装载机设备,提出了功能设计、结构、性能、安装和调试等方面的技术要求。
2.2招标方在本技术文件中提供了最低限度的技术要求,并未对一切技术细节作出规定,也未充分引述有关标准和规范的条文,投标方应保证提供符合本投标书和工业标准的设备及其相应服务。
对国家有关安全、消防等强制性标准,必须满足其要求。
2.3如果投标方没有以书面形式对本规范文件的条文提出异议,则招标方认为投标方的产品(包括硬件和软件等)将完全满足本技术规范文件的要求。
货物清单及技术参数要求 一、LED屏 序号 主要部件名称 主要技术参数 单位 数量
1 LED显示屏 像数点间距 2.5mm 像素密度 160000Dots/㎡ 像素构成 1R1G1B 灯管封装 2020 尺寸(长*宽*厚) 320*160*15mm 重量 0.45kg±0.01kg 结构特点 灯驱合一 单元板分辨率 128*64=8192Dots 输入电压(直流) 4.5±0.1V 最大电流 ≤5.2A 单元板功率 ≤24W 驱动方式 1/32 恒流驱动 40A 电源带单元板数 5-6 张 80A 电源带单元板数 10-12 张 亮度 ≥600cd/㎡ 亮度均匀性 >0.95 屏幕水平视角 140±10 度 屏幕垂直视角 130±10 度 最佳视距 ≥2.5m 使用环境 室内 每平方单元板最大功率 ≤457W/㎡ 配电功率(每平方最大功率÷78%÷85%) ≤689W/m2 灰度等级 红、绿、蓝各 12-14bits 显示颜色 43980 亿种 换帧频率 ≥60 帧/秒 刷新频率 ≥1920Hz 控制方式 计算机控制,逐点一一对 应,视频同步,实时显示 亮度调节 256 级手动/自动 输入信号 DVI/VGA,视频(多种制式)RGBHV、复合视频信号、S-VIDEO YpbPr(HDTV) 使用寿命 ≥10 万小时 平均无故障时间 ≥1 万小时 衰减率(工作 3 年) ≤15% 连续失控点 0 离散失控点 <0.0001,出厂时为 0 盲点率 <0.0003,出厂时为 0 工作温度范围 -20-40℃ 工作湿度范围 10%-65%RH(无结露) 防护性能 超温/过载/掉电/图像补偿/各种校正技术/过流/过压/防雷(可选项) 屏幕水平平整度 <1mm/㎡ 屏幕垂直平整度 <1mm/㎡ m2 24
2 视频处理器 1)为满足实际现场的接口需要,应具备完备的视频输入接口,包括2路CVBS,2路VGA,1路DVI,1路HDMI,1路Ypbpr,一路选配SDI,同时单台可带载230万像素点; 2)为满足全屏、分屏和局部显示效果该二合一控制器需支持自动全屏缩放、双画面、输入截取等功能; 3)为方便快捷高效的处理画面完整问题,二合一控制器需支持快捷点屏功能,能够满足大小一致的箱体快速完成画面位置信息处理; 4)支持音频输入,支持高位阶视频输入10bit/8bit; 5)支持视频源输入分辨率可1920*1200向下兼容,并且支持HDMI和DVI等数字信号的分辨率自定义; 6)为确保重要场合的显示稳定,保证画面动态不间断不黑屏,此设备需要具备备份功能,并且可实现网口备份和单台备份功能; 7)支持视频格式:RGB,YCbCr4:2:2,YCbCr4:4:4; 8)该控制器需要满足超大屏体的带载功能,支持多台无台 2 限级连; 9)为保证快捷高效的安装和快速的更换网线等,设备需支持热插拔;
3 接收卡 1)集成 16 个标准 HUB75 接口,免接 HUB 板; 2)采用千兆网口,可以连接 PC 端; 3)支持逐点亮色度校正; 4)支持接收卡预存画面设置; 5)支持温度、电压、网线通讯和视频源信号状态检测; 6)支持 5Pin 液晶模块; 7)为了方便现场的调试和售后维护同一程序问题,接收卡需支持接收卡参数及程序包回读; 张 22
4 钢结构框架 钢结构 40*80镀锌方钢管外框。竖背条30*50镀锌方钢管;间距320mm,横背条30*50镀锌方钢管2道,不锈钢包外框边 m2 24 5 配电柜 空开3*100A、1台;交流接触器2510、2台;小型断路器D60、6台;延时开关(逐级启动等)、1台;远程控制盒、1台;风机控制25度开启风机、1台;指示灯、三挡开关、远程端子 台 1 6 控制电脑 I7处理器;16G内存;1T硬盘;2G独立显卡;19.5寸显示器 台 1 二、音响设备
1 双15寸主音响 产品特点 ²2 x 15"二分频高性能全频音箱 ²大功率、高声压 ²可阵列梯式箱体 ²自恢复式高音过载保护线路 ²恒指向性号角,可获得准确的声场覆盖角度 ²独特的二分频方式,极大减少了中频干涉效应 应用范围 ²专为要求较高的使用场所如学校礼堂、歌舞厅、会所的主扩声 ²中小型户外流动演出、演艺吧等主扩声 技术参数 系 统: 二分频 2 x 15" 频率响应: 40Hz-30KHz(-3dB) 承受功率: 650W 连续 1200W 峰值 灵 敏 度: 98dB/1W/1M 最大声压: 126dB 标称阻抗: 4Ω 覆盖角度: 水平90° 垂直60° 重 量: 54Kg 尺 寸: 455(W) x 515(D) x 1170(H)mm 只 2
2 主音箱功放 参数说明:输出功率(立体声8Ω)600W X 2 输出功率(立体声4Ω) 900W X 2 输出功率(桥接8Ω) 1600W 输入灵敏度 0.775V 输入阻抗 平衡20KΩ/不平衡10KΩ TDH< 0.05%(1KHz ,额定功率以下) 信噪比(A计权) 103dB 谐波失真(100W)< 0.05% 供电电源:220V/AC/50Hz 频率范围:20Hz-20KHz(+/-0.5dB)重量 18KG 产品尺寸:483x89x400mm(W³H³D)冷却 双变速风扇(空闲慢速)功放保护 具有DC保护,RF保护、热保护、限流保护和短路保护线路,确保工作安全可靠,并备有热敏器件控制的低噪音两速风扇 台 1 3 辅助15寸音响 产品特点²15"二分频高性能全频音箱²大功率、高声压²可阵列梯式箱体²自恢复式高音过载保护线路²恒指向性号角,可获得准确的声场覆盖角度²独特的二分频方式,极大减少了中频干涉效应应用范围²专为要求较高的使用场所如学校礼堂、歌舞厅、会所的主扩声²中小型户外流动演出、演艺吧等主扩声技术参数系 统: 二分频15"频率响应: 50Hz-20KHz(-3dB)承受功率: 350W 连续 700W 峰值灵 敏 度: 97dB/1W/1M最大声压: 125dB标称阻抗: 8Ω覆盖角度: 水平90° 垂直60°重 量: 29Kg尺 寸: 455(W) x 428(D) x 790(H)mm 只 4 4 辅助音响功放 参数说明:输出功率(立体声8Ω)600W X 2 输出功率(立体声4Ω) 900W X 2 输出功率(桥接8Ω) 1600W 输入灵敏度 0.775V 输入阻抗 平衡20KΩ/不平衡10KΩ TDH< 0.05%(1KHz ,额定功率以下) 信噪比(A计权) 103dB 谐波失真(100W)< 0.05% 供电电源:220V/AC/50Hz 频率范围:20Hz-20KHz(+/-0.5dB)重量 18KG 产品尺寸:483x89x400mm(W³H³D)冷却 双变速风扇(空闲慢速)功放保护 具有DC保护,RF保护、热保护、限流保护和短路保护线路,确保工作安全可靠,并备有热敏器件控制的低噪音两速风扇 台 1
5 调音台 8路输入、电容话筒+48V幻像电源开关、2组立体声线路输入 2主通路输出、2监听输出、1 AUX/辅助发送、双音轨音源输入/输出RCA莲花方式 1 PHONES/监听耳机输出、7段立体声图示均衡器 主输出左/右(L/R )2衰减推子 频 率 响 应 :20HZ~20KHZ ± 3dB 总 谐 波 失 真 :≤0.05% 通道间的串音衰减:≤-50dB 每通道带静音开关,带有隐蔽话筒前置放大器 所有通道具有音乐表现和调整室内声学参数EQ3段(单声道输入) 阶斜率特性: HIGH: +/-15dB , MID: +/-15dB , LOW: +/-15dB 内置DSP数字效果处理器24比特,40KHz采样,参数可调的16种效果器 高精度三色精确二组10段输出以上LED电平显示电平柱 高精度流线型衰减器推子和密封控制旋钮 台 1 6 电源时序器 适用范围:娱乐工程系列,(可带3~4台1000W~1500W功放)。可选配10米远距离遥控器,最大输入电流:30A,单路最大输出电流:16A。工作电压:220V/50-60Hz,每一路功率:可达3000W,电压:110V输入=110V输出,220V输入=220V输出,万用输出电源插座,符合欧美标准。后面板8个受控万用插座(磷铜),每一路开关间隔时间:1秒 ,每通道带开关指示灯1个,前端配置一个保险开关隐藏按钮;采用60%高纯度锡,高端分流技术,经强化加粗处理,电源线:3*6平方的电缆线,线材配置长度为1.5米,机箱高度:1U ,遥控功能:可选配,遥控器距离范围10米,(没遮挡物范围15米) 台 1 7 无线一拖四会议话筒 1.使用UHF720-820MHz频段,抗干扰性强。2.使用PLL锁相环和高精度石英晶体。3.内置降噪压缩-扩展电路。4.超高灵敏度及高S/N比,不断音,不飘移。5.清晰的RF显示、液晶频率显示 套 1 8 无线手持话筒 采用UHF PLL电路,配合音码及杂音锁定静音控制,不但接收距离远,而且消除断音及接收不稳的缺失,防止点歌机、计算机及DVD光驱等辐射噪声的干扰 ☆具有世界首创的I R自动频道追锁按键,只要一按,就套 1 能立即使发射器自动精确锁定接收机的工作频道,绝不产生错误及故障。 1U金属机箱内建双频道接收模块,具有坚固、耐热及隔离谐波辐射干扰的专业质量。 ☆具有自动搜寻不受干扰频道功能,只要一按 UP / DOWN,接收机就立即自动扫描预设之 200 组互不干扰频率,并锁定不受干扰的工作频道。 本机种是装置最容易、使用最方便、功能最强、特性最稳定的豪华型机种,能在各种复杂的专业演唱环境下,获得最满意的效果。 ☆具有多项专利、通过多国电波法规及安规认证。 频带宽度:50MHz 频率间隔:250KH 载波频段:UHF 620~950MHz 频道组数:双频道 机箱材质:金属机箱 机箱规格:EIA标准1U ☆射频稳定度:±0.005%(-10~50℃) 振荡模式:PLL相位锁定频率合成 ☆可切换频率数:200组 ☆接收方式:双调谐器自动选讯 ☆频率调整:只要一按UP /DOWN功能按键;就能立即自动扫描及锁定预设之 不受干扰的频道。 只要一按SET功能按键,就能立即使发射器自动追锁接 ☆收机同一工作频道。
9 航空机柜 12U防震机柜三开门 套 1
10 话筒落地之架 加粗加厚杆 只 2 11 音箱壁挂架 加粗加厚杆 对 4 12 音响线 纯铜音箱线 盘 2
13 辅材 XLR卡农-XLR卡农头,3.5转莲花头线,3.5耳机头转莲花大二芯线, OX专业接头等 批 1 两项安装调试 项 1