优惠产地证对应关系表
- 格式:doc
- 大小:25.00 KB
- 文档页数:2
《中国—新加坡自贸协定》优惠原产地证样本及填写说明1、样本:
2、填写说明:
第一栏:应填写中国出口商的法人全称、地址(包括国家)。
第二栏:应填写新加坡收货人的法人全称、地址(包括国家)。
第三栏:应填写运输方式、路线,并详细说明离港日期、运输工具的编号及卸货口岸。
第四栏:由进口方海关在相应的栏目内标注(√)。
第五栏:应填写项目号码。
第六栏:应填写唛头及包装号码。
第七栏:应详细明包装数量及种类。
详细列明每种货物的商品描述,以便于海关查验时识别。
商品描述应与发票所述及《协调制度》的商品描述相符。
如果是散装货,应注明“散装”。
第七栏的每种货物应填写《协调制度》八位或十位数编码。
第八栏:若货物符合原产地规则,出口商必须按照下列表格中规定的格式,标明其货物享受优惠关税待遇所依据在原产地标准:
第九栏:毛重应填写“千克”。
可依惯例填写其他计量,如体积、数量等,以准确反映其数量。
FOB价格应在此栏中注明。
第十栏:应填写发票号码及发票的日期。
第十一栏:出口商授权的手签人填写、并盖章。
第十二栏:本栏由签证机构签名、盖章。
附件12006年享受货物贸易优惠措施的澳门货物原产地标准表(一)序号内地2005年税则号列货品名称原产地标准1 04100010 燕窝(a )喷湿处理、清除杂毛、风干及定型;及(b )从价百分比标准。
2 12112010 鲜或干的西洋参在澳门收获或采集的西洋参。
3 20081999 其它坚果及子仁 从未经加工的果仁及种籽制造。
主要制造工序为烘焙或烹煮。
如制造工序中涉及调味及/或涂层,则调味及/或涂层亦须在澳门进行。
4 22011010 未加鞲及未加味的矿泉水 (a)从天然形态的水制造。
主要制造工序为净化、消毒及加入矿物质;及(b)从价百分比标准。
5 22019010 天然水净化及消毒。
6 22089090 酒精浓度在80%以下的未改性乙醇;其它蒸馏酒及酒精饮料(a )混合、提取上清液及勾兑;及(b)从价百分比标准。
7 28510010 饮用蒸馏水从天然水制造。
主要制造工序为过滤、蒸馏及消毒。
8 30045000含有维生素或税目29.36所列产品的其它药品从化学成分制造。
主要制造工序为按比缬调控的溶解及混和,以制成药片、乳剂或软膏、内服药液制剂(酏剂、口服剂、悬浮液)、涂剂、胶囊或其它形式的药用制品。
9 30049051 中药酒(混合或非混合,治病或防病用已配定剂逯或缤售包装)从化学成分制造。
主要制造工序为按比缬调控的溶解及混和,以制成药片、乳剂或软膏、内服药液制剂(酏剂、口服剂、悬浮液)、涂剂、胶囊或其它形式的药用制品。
10 38101000 属表面酸洗剂;休属及其它材梓制成的焊粉或焊膏 由天然物质或化学原梓经化学反应制得。
11 39011000初级形状比重<0.94的聚乙烯(1)从聚合物、强化或催化物梓及其它化学成分制造。
主要制造工序为搅拌或混和、熔化或聚变、压制及制恚;或(2)从塑料废梓制造。
主要制造工序为制恚、瑶压及切割。
12 39012000初级形状比重≥0.94的聚乙烯 (1)从聚合物、强化或催化物梓及其它化学成分制造。
各国各地区原产地证书填制说明一、普惠制原产地证书(Form A)第1栏:出口商名称、地址、国家。
此栏带有强制性,应填明中国境内的详细地址,包括街道名、门牌号码等。
不可打中间商信息。
第2栏:收货人名称、地址、国家。
应填给惠国最终收货人名称。
如最终收货人不明确,除日本、加拿大、澳大利亚、新西兰外,此栏可打“TO ORDER”或“TO WHOM IT MAY CONCERN”,不得留空。
第3栏:运输方式及路线(就所知而言)。
一般填起运港、目的港、运输方式。
转运商品应加上转运港。
第2(、第3)栏国别内容与第12栏进口国保持一致,欧盟内部可视为一个整体。
第4栏:供官方使用(官方声明(咨询Q:695-107-020))。
此栏由签证当局填写,企业申报时留空。
第5栏:商品顺序号。
填写商品顺序号,,单项商品此栏可不填。
第6栏:唛头及包装号。
按照出口发票上所列唛头填写完整,不可简单的填写。
不得只写“As Per Invoice”或“As Per B/L”。
嘜头不得出现中国以外地区或国家制造的字样,也不能出现香港、澳门、台湾原产地字样。
如货物无唛头,应填写N/M(NO MARK)。
此栏不得留空,内容多可用附页,此栏填写“SEE ATTACHMENT”。
第7栏:包装数量、种类、商品名称。
包装数量必须用英文和阿拉伯数字同时表示,散装货物加注“IN BULK”。
商品名称必须具体填明,不能笼统填写“MACHINE”、“GARMENT”等。
商品名称列完后,应在下一行加结束符。
信用证要求填具合同、信用证号码可填在结束符下空白处。
第8栏:原产地标准。
完全原产,不含任何非原产成分,出口到所有给惠国,填“P”。
含有非原产成分的产品,出口到:(a)欧盟、挪威、瑞士、日本、土耳其的,填“W”,后加四位HS编码,如“W”42.02。
原产地标准:(1)产品列入上述给惠国的“加工清单”,符合其加工条件;(2)产品未列入“加工清单”,但产品生产过程中使用的非原产材料和零部件已经过实质加工,产品的HS 品目号不同于所有的原材料或零部件的HS品目号。
附件2.
第二批享受货物贸易优惠措施的澳门货物原产地标准表
注1:本清单中加星号的税则号列及货品名称以《中华人民共和国海关进出口税则》(2005年版) 为准。
注2:表中所列产品必须同时符合《安排》下货物贸易的原产地规则和本表原产地标准的规定,才能视为《安排》下可享受关税优惠的原产于澳门的产品。
注3:表中的"税号改变标准"必须符合《安排》附件2第五条第(三)款的规定。
注4:表中的"从价百份比"标准必须符合《安排》附件2第五条第(四)款的规定。
《中国—新西兰自贸协定》优惠原产地证样本及填写说明1、样本:原产地证书正本2、填写说明:第1栏:填写出口商详细的依法登记的名称、地址(包括国家)。
第2栏:此栏填写生产商详细的依法登记的名称、地址(包括国家)。
如果出口商或生产商希望对信息予以保密,可以填写“应要求提供给授权机构(Available to theauthorized body upon request)”。
如果生产商和出口商相同,应填写“同上(SAME)”。
如果不知道生产商,可填写“不知道(UNKNOWN)”。
第3栏:填写收货人详细的依法登记的名称、地址(包括国家)。
第4栏:填写运输方式及路线,详细说明离港日期、运输工具的编号、装货口岸和卸货口岸。
第5栏:不论是否给予优惠待遇,进口国海关当局必须在相应栏目标注(√)。
第6栏:可以填写顾客订货单号、信用证号等其他信息。
第7栏:填写项目号,但不得超过20项。
第8栏:填写唛头及包装号。
第9栏:详细列明包装数量及种类。
详列每种货物的货品名称,以便于海关关员查验时加以识别。
货品名称应与发票上的描述及货物的协调制度编码相符。
如果是散装货,应注明“散装”。
(当商品描述结束时,系统自动加上“***”(三颗星)或“\”(结束斜线符号))。
第10栏:对应第9栏中的每种货物填写协调制度税则归类编码,以六位数编码为准。
第11栏:若货物符合原产地规则,出口商必须按照下表所示方式,在本证书第11栏中第12来精确地反映数量。
第13栏:应填写发票号、发票日期及发票价格。
第14栏:填写签字的地点及日期。
对于中国出口的货物,本栏必须由货物出口商填写、签字并填写日期,对于新西兰出口至中国的货物,不必填写此栏。
15栏:本栏必须由授权机构的授权人员填写、签字、填写签证日期并盖章。
1如果货物适用附件1所规定的区域价值成分(RVC)要求,应注明百分比。
3、原产地声明:中文样本仅供参考原产地声明中华人民共和国政府和新西兰政府自由贸易协定原产地声明本人_________________________________________________为(打印姓名及职务)出口商/生产商/出口商及生产商(不适用的部分请划去)兹声明发票__________________(填写发票号)所列货物原产自中国/新西兰(不适用的部分请划去)且货物符合《中华人民共和国政府和新西兰政府自由贸易协定》原产地规则的要求。
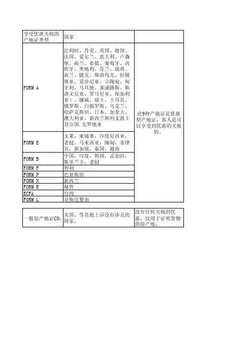
享受优惠关税的产地证类型
国家FORM A 比利时、丹麦、英国、德国、法国、爱尔兰、意大利、卢森堡、荷兰、希腊、葡萄牙、西班牙、奥地利、芬兰、瑞典、波兰、捷克、斯洛伐克、拉脱维亚、爱沙尼亚、立陶宛、匈牙利、马耳他、塞浦路斯、斯洛文尼亚、罗马尼亚、保加利亚)、挪威、瑞士、土耳其、俄罗斯、白俄罗斯、乌克兰、哈萨克斯坦、日本、加拿大、澳大利亚、新西兰和列支敦士登公国.克罗地亚
此9种产地证是优惠型产地证,客人是可以享受到优惠的关税的。
FORM E 文莱,柬埔塞,印度尼西亚,老挝,马来西亚,缅甸,菲律宾,新加坡,泰国,越南FORM B 中国,印度,韩国,孟加拉,斯里兰卡,老挝
FORM F 智利
FORM P 巴基斯坦
FORM N 新西兰
FORM R 秘鲁
ECFA 台湾
FORM L
哥斯达黎加一般原产地证CO:美国,等其他上诉没有涉及的国家。
没有任何关税的优惠,仅用于证明货物
的原产地。
不同的贸易优惠原产地证书的不同格式(一)普惠制原产地证明书(FORM A )普惠制原产地证书是具有法律效力的我国出口产品在给惠国享受在最惠国税率基础上进一步减免进口关税的官方凭证。
目前给予我国普惠制待遇的国家共36个:欧盟25国(比利时、丹麦、英国、德国、法国、爱尔兰、意大利、卢森堡、荷兰、希腊、葡萄牙、西班牙、奥地利、芬兰、瑞典、波兰、捷克、斯洛伐克、拉脱维亚、爱沙尼亚、立陶宛、匈牙利、马耳他、塞浦路斯、斯洛文尼亚)、挪威、瑞士、土耳其、俄罗斯、白俄罗斯、乌克兰、哈萨克斯坦、日本、加拿大、澳大利亚和新西兰。
普惠制原产地证明书格式A (以下简称 FORM A 证书) 共有十二栏, 各栏的填写方法如下: 产地证标题栏(右上角),填上签证当局所规定的证书号。
具体规定如下:A 、证书号码示意图如下:* ** ********* ****企业自编流水号(4位) 企业注册号(9位)年份末二位数(2位)证书识别代码:FORM A证书为G(1位)例如:证书号G063800000050045是注册号为380000005的单位2006年办理的第45票FORMA证书。
B、签证当局已经签发的证书,申报单位如需要更改,须提出更改申请,并退还原签发证书。
更改证的号码与新证的编码规则一致,但改变流水号。
C、如原签发的证书遗失,经签证当局同意重发证书,重发证的号码与新证的编码规则一致,但改变流水号。
D、出口日本产品采用日本原料的证书,其附件《从日本国进口原料的证明书》(CERTIFICATE OF MATERIALS IMPORTED FROM JAPAN)的号码为原产地证书号码后加“A”(A即为ANNEX之意),如:G06380000005004A。
第一栏:出口商的名称,地址,国别例如:NINGBO SKYLAND GROUP CO.,LTD.ROOM 1209,ZHONGSHAN MANSION,93 EAST ZHONGSHAN ROAD,NINGBO CHINA注意:此栏是带有强制性的,应填明在中国境内的出口商详细地址,包括街道名、门牌号码等。
什么是优惠原产地证?出口到哪些国家可以申请优惠原产地证?本文为你详细解读。
问:什么是优惠原产地证?都有哪些类型?答:原产地证,是证明一批货物的原产国或地区、原制造国或地区的一种证书。
其主要作用是申请进口国关税减免和便于进口国进行特定贸易管制。
中国为出口货物签发的原产地证书主要分为三大类——非优惠原产地证书、优惠原产地证书和专用原产地证书。
本文主要针对各种优惠原产地证进行详解!优惠原产地证就是可以享受特定的关税减免优惠的产地证。
优惠原产地证主要用于享受进口国关税减免等优惠待遇。
优惠原产地证可分为普惠制原产地证(FORM A,面对39个发达国家,美国除外)和区域性优惠原产地证(如FORM B、FORM E、FORM P等)。
优惠原产地证书一般由各地出入境检验检疫机构签发。
(1)普惠制原产地证书(FORM A证书)根据普惠制给惠国原产地规则以及有关要求签发的原产地证书就是FORM A证书,FORM A证书是受惠国(主要是发展中国家)货物出口到给惠国(主要是发达国家)时享受普惠制关税优惠待遇的官方原产地凭证。
FORM A证书上所列的商品只有符合对应给惠国的普惠制原产地规则时,才有资格享受减免关税待遇。
给予中国普惠制待遇的国家共有39个:英国、法国、德国、意大利、荷兰、卢森堡、比利时、爱尔兰、丹麦、希腊、西班牙、葡萄牙、奥地利、瑞典、芬兰、波兰、匈牙利、捷克、斯洛伐克、斯洛文尼亚、爱沙尼亚、拉脱维亚、立陶宛、塞浦路斯、马耳他、保加利亚、罗马尼亚、瑞士、列支敦士登、挪威、俄罗斯、白俄罗斯、乌克兰、哈萨克斯坦、日本、澳大利亚、新西兰、加拿大、土耳其共39个。
美国比较奇葩,从来没给予过中国普惠制待遇。
补充说明:普惠制,即普遍优惠制(Generalized system of Preferences),简称GSF,是一种关税制度,指工业发达国家给予发展中国家或地区出口的制成品或半制成品一种普遍的、非歧视的和非互惠的(跟FORM B、FORM E、FORM F、FORM P等互惠、非普遍的原产地证书明显不同)关税优惠制度,旨在增加发展中国家出口收益、促进工业化、加速经济增长等。
《亚太贸易协定》优惠原产地证样本及填写说明1、样本:2、填写说明一、总原则:享受关税减让优惠的货物必须符合以下条件:1. 属于《亚太贸易协定》进口成员国关税减让优惠产品清单的范围。
2. 符合《亚太贸易协定》原产地规则。
同批货物中的每项商品均要符合该规则。
3. 符合《亚太贸易协定》原产地规则中的直接运输条款规定。
一般情况下,货物必须按照第五条的规定从出口国直接运输到进口国。
二、表格各栏应填写的内容:第1栏:货物出口人。
注明出口人的全称、地址和国家。
须与发票上的出口人名称一致。
第2栏:货物收货人。
注明收货人的全称、地址和国家。
该收货人名称必须与发票上的进口商名称一致。
如果属于第三方贸易,应该注明“凭背书”字样。
第3栏:官方使用。
由签发证书机构填写。
第4栏:运输工具和线路。
详细注明出口货物的运输工具和路线。
如果信用证等单证未详细列明时,应注明“空运”或“海运”字样;如果货物运输途中经过第三国时,应当按照下列方式注明:例如:“空运”“从老挝至印度途经曼谷”第5栏:税则号列。
注明各项商品的4位HS编码。
第6栏:包装唛头及编号。
注明包装上的唛头及编号。
应当与货物包装上的唛头及编号相一致。
第7栏:包装件数及种类;货物名称。
注明出口货物名称。
应当与发票上的名称相符。
准确的货物名称有助于进口国海关快速清关。
第8栏:原产地标准。
享受关税减让优惠的货物必须符合《亚太贸易协定》原产地规则第二条规定,是在出口成员国完全获得或者生产的;或者在出口成员国非完全获得或者生产的符合原产地规则第三条、第四条规定的。
1. 完全获得或者生产的:在第8栏中填写字母“A”2. 非完全获得或者生产的:在第8栏中应当按照下列方式填写:(1)如果符合第三条规定的原产地标准,则在第8栏中填写字母“B”。
在字母“B”的后面填上使用非成员国原产或不明原产地的材料、零件或产物的总价值,以在船上交货价格(FOB价格)中所占的百分比表示,(如“B”50%);(2)如果符合第四条规定的原产地标准,则在第8栏中填写字母“C”。
原产地证知识概要一、产地证的分类原产地证分为优惠性产地证和非优惠性产地证一)目前我国可以签发的优惠性产地证有1,普惠制原产地证(FORM A)2,中国—东盟自由贸易区原产地证(FROM E)3,亚太贸易原产地证4,中国—巴基斯坦自由贸易区优惠原产地证5,中国—智利自由贸易区优惠原产地证(FORM F)6,中国—新西兰自由贸易区优惠原产地证7,中国—新加坡自由贸易区优惠原产地证二)非优惠性产地证目前为一般原产地证(CO)三)C O和FORM A 的区别二、各种优惠性原产地证的成员国1,普惠制原产地证(FORM A)普惠制原产地证(FORM A)共40个成员国,但是美国不承认中国是发展中国家,目前不给我国普惠制优惠,所以目前给与中国优惠的只有39个国家。
1)欧盟27国比利时、爱尔兰、意大利、丹麦、法国、德国、卢森堡、荷兰、希腊、西班牙、英国、瑞典、葡萄牙、奥地利、芬兰、波兰、捷克、斯洛伐克、匈牙利、斯洛文尼亚、立陶宛、拉脱维亚、爱沙尼亚、塞浦路斯、马耳他、保加利亚、罗马尼亚注:其中波兰和罗马尼亚既是给惠国也是受惠国2)独联体4国俄罗斯、白俄罗斯、乌克兰、哈萨克斯坦3)其他挪威、瑞士、列支敦士登、土耳其、日本、澳大利亚、新西兰、加拿大2,中国—东盟自由贸易区原产地证(FROM E)中国—东盟自由贸易区原产地证(FROM E)的成员国即东盟十国中国、文莱、印尼、泰国、马来西亚、新加坡、菲律宾、越南、柬埔寨、缅甸、老挝。
注: 柬埔寨、缅甸、老挝这三国属于最不发达国家,还未执行此优惠政策3,亚太贸易原产地证亚太贸易原产地证缔约国有韩国、印度、斯里兰卡、孟加拉、老挝。
注:老挝属于最不发达国家,还未执行此优惠政策4,其他4种都是双方贸易协定三、产地证申请时间一般货物出运前就要申请原产地证;特殊情况在货物出运后10天内申请,商检局仍然接受按正常签证。
四、特殊单证的说明a)后发证书货物出运后,超过10天向商检局申请的证书属于后发证书。
《亚太贸易协定》优惠原产地证明书填制说明《亚太贸易协定》优惠原产地证书(以下简称亚太证书)共有十二栏, 各栏的填写方法如下:产地证标题栏(右上角),填上签证当局所规定的证书号。
具体规定如下:A、证书号码示意图如下:* ** ********* ****┬┬─┬──┬─│││└────企业自编流水号(4位)││││││││└────企业注册号(9位)│││││││└─────────年份末二位数(2位)│└───────证书识别代码:亚太证书为B(1位)例如:证书号B083800000050045是注册号为380000005的单位2008年办理的第45票亚太证书。
B、签证当局已经签发的证书,申报单位如需要更改,须提出更改申请,并退还原签发证书。
更改证的号码与新证的编码规则一致,但改变流水号。
C、如原签发的证书遗失,经签证当局同意一年内重发证书,重发证的号码与新证的编码规则一致,但改变流水号。
第一栏:出口商的名称,地址,国别例如:NINGBO SKYLAND GROUP CO.,LTD.ROOM 1209,ZHONGSHAN MANSION,93 EAST ZHONGSHAN ROAD,NINGBO CHINA注意:此栏是带有强制性的,应填明中国境内的出口商详细地址,包括街道名、门牌号码等。
出口商必须是已办理产地注册的企业,且公司英文名称应与检验检疫局注册备案的一致。
此栏切勿有香港、台湾等中间商出现。
第二栏:收货人的名称,地址,国家例如:DCC CORPORATIN12345BL 3LT, 693-2, GOJAN-DONGNAMDONG-KU, INCHEON, KOREA注意:一般应填《亚太协定》成员国最终收货人名称(即信用证上规定的提单通知人或特别声明的收货人),此栏不能填香港、台湾等其他中间商的名称,在特殊情况下,此栏也可填上TO ORDER 或 TO WHOM IT MAY CONCERN。
区域性优惠原产地证书种类及签证申请规定区域性优惠原产地证书种类及签证申请规定1.普惠制欧盟FORM A2.中国-东盟FORM E3.亚太贸易协定(曼谷协定)FORM B4.中国-智利FORM F5.中国-新加坡6.中国-新西兰7.中国-巴基斯坦Remark:附件为产品成本明细单,下载打印后可使用。
证书种类可用笔更改一下。
一:普惠制Form A目前给予我国普惠制待遇的国家共39个:即欧盟27国(比利时、丹麦、英国、德国、法国、爱尔兰、意大利、卢森堡、荷兰、希腊、葡萄牙、西班牙、奥地利、芬兰、瑞典、波兰、捷克、斯洛伐克、拉脱维亚、爱沙尼亚、立陶宛、匈牙利、马耳他、塞浦路斯、斯洛文尼亚、保加利亚、罗马尼亚)、挪威、瑞士、土耳其、俄罗斯、白俄罗斯、乌克兰、哈萨克斯坦、日本、加拿大、澳大利亚、新西兰和列支敦士登公国。
原产地标准:1.P(完全国产,未使用任何进口材料)2.W其H。
S税目号为:(以四位数码计)3.F(对加拿大出口产品,其进口成份不超过产品出厂价值的40%)4.Y(对东欧出口产品,其进口成份不超过产品FOB 价格的50%)Remark:美国不签FORM A二:中国—东盟自由贸易区Form E10个成员国:文莱、印度尼西亚、马来西亚、菲律宾、新加坡、泰国、柬埔寨、老挝、缅甸和越南第八栏:注明申报货物享受优惠待遇所依据的原产地标准。
(一)如货物完全原产,填写“×”。
(二) 如货物含进口成份,其国产价值成份≥40%,填写国产价值的百分比,例如:“45%”。
(三)货物含进口成份,中国—东盟自贸区累计价值成份≥40%,填写该累计价值的百分比,例如:“45%”。
(Remark: 证书为一正三副,一三联客户,二联商检留存,四联企业留存三:亚太贸易协定(曼谷协定)FORM B现有成员国为中国、孟加拉、印度、老挝、韩国和斯里兰卡。
注明申报货物享受优惠待遇所依据的原产地标准。
(一)如货物为完全原产,填写“A”。
《〈中国东盟自由贸易区〉优惠原产地证明书》FORME的填制说明第一篇:《〈中国东盟自由贸易区〉优惠原产地证明书》FORM E的填制说明《〈中国东盟自由贸易区〉优惠原产地证明书》FORM E的填制说明签发《中国——东盟自由贸易区》优惠原产地证书的国家和代码:105 文莱Brunei、107 柬埔寨Cambodia、112 印尼Indonesia、119 老挝 Laos,PDR、122 马来西亚 Malaysia、106 缅甸 Myanmar、129 菲律宾Philippines、132 新加坡Singapore、136 泰国Thailand、141 越南 Vietnam,给予关税优惠的商品为HS编码中1-8章的农副产品,该项下的产品享受零关税待遇。
1.证书号:证书标题栏(右上角),填上检验检疫机构编定的证书号。
证书号编定规则 E0533020****0001(一共15位)E-FORM E 05-2005年 33020****-公司注册号(9位)0001-证书流水号 2.证书的第1、2、5、6、9、10、11栏内容和填制要求参见《普惠制原产地证明书》FORM A相应各栏的填制要求。
3.第3栏:除运输方式及路线外,还需填制“起运日期,运输工具名称及卸货港”4.第4栏:官方使用不论是否给予优惠待遇,进口成员国海关必须在第4栏作出相应的标注。
5.第7栏:货物名称和HS品目号货物品名必须详细,以便验货的海关官员可以识别。
生产商的名称及任何商标也应列明;HS品目号为国际上协调统一的HS品目号,填6位数HS品目号。
6.第8栏:原产地标准货物为出口国完全生产的,不含任何非原产成分,填写“X”;货物在出口成员国加工但并非完全生产,未使用原产地累计规则判断原产地标准的,填写该国家成份的百分比,例如70%;货物在出口成员国加工但并非完全生产,使用了原产地累计规则判断原产地标准的,填写中国-东盟累计成份的百分比,例如40%;货物符合产品的特定原产地标准的产品,填写“产品特定原产地标准”(点击查看或下载)。