临时用电安全作业证
- 格式:doc
- 大小:47.00 KB
- 文档页数:3
临时用电作业安全许可证
2.本许可证安全员存审批后的纸质版,监理单位留存一份;
3. 安全员/作业所在单位负责人将填写完毕的本许可证,由监理工程师进行审批;
4.表内有“签字”字样的必须本人签字,其他栏内可以代写;
5.《临时用电作业安全许可证》有效期限,一般危险不超过7天,较大危险不超过3天,高度危
险不超过8小时。
临时用电作业安全技术交底表
作业级别:□一般危险□较大危险□高度危险
说明:1.安全交底后,安全措施落实完毕,方可申办《临时用电作业安全许可证》;
2.本交底表和签字后的作业许可证由作业所在单位及监理单位存档(纸版);
3.表中选择项符合或需要的打“√”,不符合或不需要的打“×”。
作业票证办理存在的主要问题1、检修施工单位作业负责人、作业人为同一人签字。
2、电焊、焊接等特种作业人员证件号未填写。
如:动火作业在作业人后面填写,一般是T+身份证号码。
3、动火作业涉及的临时用电作业证未办理。
4、动火作业中未写明动火作业的内容。
表格未设计,需在动火地点中明确。
5、风险分析填写为注意事项。
应填写何种原因可能导致物体打击、车辆伤害、机械伤害、起重伤害、触电、淹溺、灼烫、火灾、高处坠落、容器爆炸、中毒和窒息及其它伤害等。
6、审批时间存在未批先作业情况。
7、动火作业前分析执行不严格,受限空间未每两小时分析一次。
8、班长作业确认未严格执行。
9、作业完工验收后应确认无火星残留,无相关记录。
10、存在空项漏签情况。
11、作业票证第三联未发给施工作业单位。
如:动火安全作业证一式三联,一联:监火人(白);二联:动火人(蓝);三联:存档(粉)。
12、安全措施未落实到位,应急器材未按规定配备。
13、作业票证归档混乱。
按时间先后顺序装订。
14、作业证编号未登记。
涉及到的其它作业也应填写编号。
填写说明:1、动火地点发生变更应重新办理作业证。
2、动火开始时间不能早于审批时间。
3、动火分析与动火作业间隔不应超过30 min,作业中断时间超过60min,应重新分析。
可燃气体浓度(苯)应低于0.2%。
4、涉及其它的特殊作业:同时涉及临时用电、高处、受限空间作业的应办理相应的作业证。
5、危害辨识:何种原因可能导致物体打击、车辆伤害、机械伤害、起重伤害、触电、淹溺、灼烫、火灾、高处坠落、容器爆炸、中毒和窒息及其它伤害等。
6、其它安全措施:如专人监护或其它安全措施。
有施工方案,施工方案的安全技术措施应交底,由作业负责人与属地负责人共同签字确认。
7、实施安全教育人:由作业部安全员和动火作业负责人对现场监护人和作业人进行必要的安全教育,内容应包括所从事作业的安全规章制度、作业场所和作业过程中可能存在的危险、有害因素及应采取的具体安全措施、作业过程所使用的个体防护器具的使用方法及注意事项、事故应急处置措施及有关事故案例、经验和教训等。
临时用电安全作业证管理制度一、引言为了加强对临时用电的安全管理,确保人员和设备的安全,我公司特制定本《临时用电安全作业证》的管理制度。
本制度的目的是规范公司内部对临时用电工作的审核、培训和监管,提高临时用电的安全水平,减少事故发生的风险。
二、适用范围本管理制度适用于我公司的所有部门和岗位,涉及到临时用电操作的人员都必须按照本制度的要求进行操作和管理。
三、申请与审核1.临时用电安全作业证的申请必须由相关部门负责人或项目经理提出,并填写《临时用电安全作业证申请表》。
2.申请表包括申请人姓名、申请部门、用电地点、用电时间等信息。
3.申请表需提交给安全管理部门进行审核,审核通过后方可进行下一步操作。
四、培训与考核1.申请人必须参加由公司安全管理部门组织的临时用电安全培训。
2.培训内容包括临时用电的安全操作方法、事故防范措施等。
3.培训结束后,申请人需要参加考核,合格后方可领取临时用电安全作业证。
五、操作与管理1.持证人员在进行临时用电时,必须佩戴临时用电安全作业证,并按照培训所学内容进行操作。
2.持证人员应当严格按照操作规程进行操作,并及时汇报有关问题和情况。
3.安全管理部门将定期对持证人员进行检查,确保操作的安全和规范。
六、证书使用与维护1.临时用电安全作业证仅限持证人员使用,不得转借他人。
2.证书遗失或损坏时,持证人员应当及时向安全管理部门申请补办。
3.违反证书使用规定的,安全管理部门有权收回证书,并进行相应处理。
七、风险评估与应急措施1.在临时用电前,相关部门应当进行风险评估,确保用电过程中的各项安全措施得以落实。
2.在临时用电过程中,如遇突发情况或安全事故,持证人员应当立即采取相应的应急措施,并向安全管理部门报告。
八、制度执行与监督1.公司安全管理部门负责本制度的执行和监督,对持证人员的操作进行抽查和检查。
2.对于发现的问题和违规行为,安全管理部门将及时进行整改和处理,并记录相关情况。
3.相关部门负责人应当积极配合并支持安全管理部门的工作,并确保本制度得以有效执行。
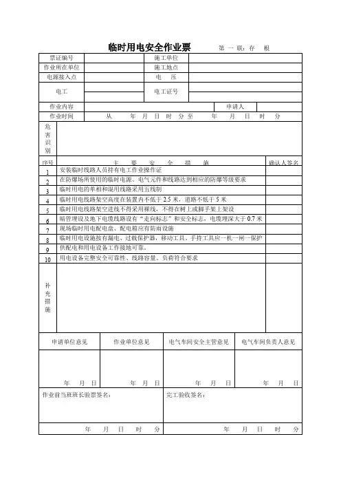
临时用电安全作业证临时用电安全作业证填写说明1、申请作业单位——产权单位。
一般来说是设备主体车间提出申请;2、作业单位——工程项目的承接单位;作业内容——工程项目的名称3、作业地点——工程项目所在车间区域;4、电源接入点——临时用电电源接入位置;由设备主体车间确定,电工执行;5、工作电压——临时用电设备的额定工作电压;6、作业人——主体单位指派的有资质电工;7、电工证号——电工操作证的编号;8、临时用电计划时间——临时用电作业时间,无火票时为一个作业周期(临时用电时间一般不超过15天,特殊情况不应超过一个月),同时办理动火票时,等同于动火票上规定时间;9、作业单位意见——由申请临时用电单位负责人填写;10、配送电单位意见——由设备所在车间(车间工艺员、安全员或值长)填写;11、审批部门意见——由设备所在车间(正、副主任)签发;11、主要安全措施:⑴安装临时线路人员持有电工作业操作证——由作业电工负责确认⑵在防爆场所使用的临时电源、电气元件和线路达到相应的防爆等级要求——由施工单位现场负责人签名确认;⑶临时用电的单相和混用线路采用五线制——由施工单位现场负责人签名确认;⑷临时用电线路架空高度在装置内不低于2.5米,道路不低于5米——由施工单位现场负责人签名确认;⑸临时用电线路架空进线不得采用裸线,不得在树上或脚手架上架设——由施工单位现场负责人签名确认;⑹暗管埋设及地下电缆线路设有“走向标志”和安全标志,电缆埋深大于0.7米——由施工单位现场负责人签名确认;⑺现场临时用电配电盘、箱应有防雨措施——由施工单位现场负责人签名确认;⑻临时用电设施安有漏电保护器,移动工具、手持工具应一机一闸一保护——由施工单位现场负责人签名确认;⑼用电设备、线路容量、负荷符合要求——由作业电工负责确认⑽其他补充安全措施——由所在车间作业电工填写,由施工单位现场负责人签名确认;12、危害辨识——由设备所在车间负责确认;13、完工验收——由施工单位、主体车间共同检查验收签字;14、临时用电安全作业证一式三联,第一联作业时由施工单位留存;第二联由作业电工留存;第三联维保车间存档。
临时用电作业安全审批流程目前,临时用电作业安全许可证审批较混乱。
为了理顺作业管理流程、明确职责分工,进一步规范危险作业审批、落实管理责任,根据集团下发的《临时用电作业安全许可标准》,现将临时用电作业审批流程及职责重新明确:一、临时用电作业相关部门职责1、维修车间负责临时用电条件的确认、线路安装、确认送电及临时用电结束后的线路安全拆除等工作。
对用电负荷、线路绝缘、线路设备安装、作业后拆除线路、用电挂牌、上锁、摘牌、解锁、作业风险分析、落实措施、现场安全培训以及事故应急等安全管理全面负责。
对本车间作业人员进行安全技术交底的同时,对临时用电单位作业人员进行安全技术交底。
2、临时用电单位按照《临时用电作业安全许可标准》要求负责供电后线路的规范使用,检查个人防护用品佩戴情况、落实防火防触电措施、应急管理等。
对临时用电期间的作业安全全面负责。
临时用电期间需要办理其他相关危险作业许可证的,按许可标准办理。
二、《临时用电作业安全许可证》审批流程1、临时用电单位提出用电需求,维修车间负责开具《临时用电作业安全许可证》。
2、《临时用电作业安全许可证》填写要求:①“作业单位”一栏为临时用电单位;②“作业人员”一栏为临时用电单位和维修车间指定的现场作业人员分别签字;③“监护人”一栏由临时用电单位和维修车间分别指定的具备监护能力的人员签字;④“作业单位现场负责人”一栏由临时用电单位和维修车间指定的作业现场负责人分别签字;⑤“供电单位电气专业人员”一栏为维修车间电工班长;⑥“批准人”一栏白班为维修车间主任、副主任或主任授权的值长,晚班为维修车间主任授权的值长。
三、《临时用电作业安全许可证》签、批人员应具备的能力1、“作业人员”一栏为维修车间接线、送电人员及临时用电单位现场作业人员应具备的能力㈠维修车间接线人员应具备的能力(1)持有电工作业证;(2)了解作业的内容、地点、时间、要求,熟知作业过程中的危害及控制措施,并能够按照《临时用电作业安全许可证》规定的要求完成作业;(3)能够分析接线风险,落实安全措施;(4)掌握应急预案,能够执行应急启动程序;(5)会正确使用劳动防护用品;(6)员工没有职业禁忌症(如色盲、癫痫病、精神疾病等)。
《临时用电安全作业证》的管理制度一、前言电是人类社会中最紧要的能源之一,也是最具不安全的能源之一、在使用电力的过程中会产生各种情况,如短路、漏电等,这些情况都可能引起电击、火灾等危害。
因此在现代化的电力设施中,对使用电的人员进行安全管理特别必要。
为了规范企业行为,防范电力事故的发生,建立安全管理的标准化,企业需要订立临时用电安全作业证的管理制度。
二、临时用电安全作业证的定义临时用电安全作业证是由公司颁发给施工方或工作组的证明文件,证明该组人员具备安全操作、维护和排查临时用电设施的必要学问和技能。
它是在施工现场使用临时电源时必需的,标志着使用电安全管理的开始。
三、制度的适用范围本制度适用于公司内的全部施工现场,在施工现场中使用临时电源时为工作组的安全保障供给标准化的管理。
四、临时用电安全作业证的申领1. 申领资格(1)施工人员应具备肯定的电气、电工技术学问和技能,了解电气设备、电力线路的基本操作和常见事故的应急处理方法。
(2)施工人员应当参加公司组织的相关培训,通过考试,拥有相应的证书。
2.申领流程(1)提交申请:施工人员应填写相关申请状,并提交至公司安全管理部门审批。
(2)资格审核:公司安全管理部门审核人员的资格证明,确认符合申请要求后通知申请者进行考试。
(3)考试:施工人员应参加公司布置的考试,并按规定次数合格。
(4)领取证书:合格后,施工人员应到公司安全管理部门领取使用临时用电安全作业证的证书。
五、证书管理1. 使用期限施工人员的使用临时用电安全作业证有效期为1年,证书过期后须重新考试,通过审核方可再次申领。
2. 挂失及补办(1) 证书持有人丢失使用临时用电安全作业证的证书,应立刻向证书颁发单位进行挂失。
(2) 证书持有人应向证书颁发单位提交申请并缴纳补办费用,领取补发的证书。
六、超标标准及惩处1. 超标标准:(1) 未取得临时用电安全作业证的施工人员擅自操作、接线或维护和修理电气设施。
(2) 证书过期或在使用期限以外的施工人员擅自操作、接线或维护和修理电气设施。