XY平台直线电机选型
- 格式:docx
- 大小:29.44 KB
- 文档页数:3
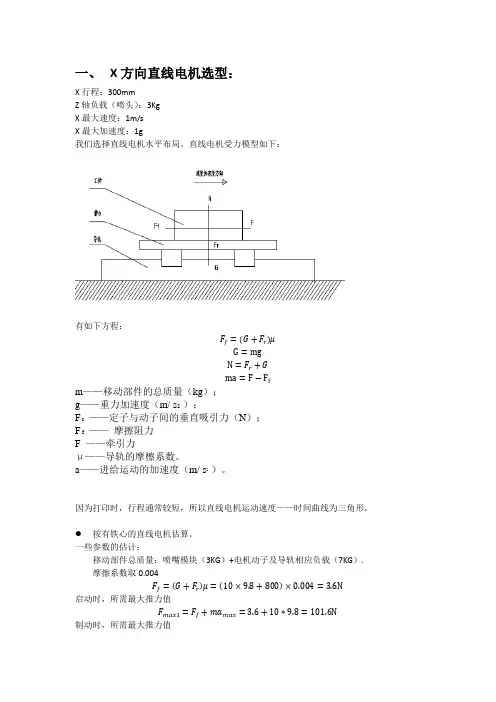
一、X方向直线电机选型:X行程:300mmZ轴负载(喷头):3KgX最大速度:1m/sX最大加速度:1g我们选择直线电机水平布局。
直线电机受力模型如下:有如下方程:F f=(G+F r)μG=mgN=F r+Gma=F−F fm——移动部件的总质量(kg);g——重力加速度(m/ s2 );F r——定子与动子间的垂直吸引力(N);F f——摩擦阻力F ——牵引力μ——导轨的摩檫系数。
a——进给运动的加速度(m/ s2)。
因为打印时,行程通常较短,所以直线电机运动速度——时间曲线为三角形。
按有铁心的直线电机估算。
一些参数的估计:移动部件总质量:喷嘴模块(3KG)+电机动子及导轨相应负载(7KG).摩擦系数取0.004F f=(G+F r)μ=(10×9.8+800)×0.004=3.6N启动时,所需最大推力值F max1=F f+ma max=3.6+10∗9.8=101.6N制动时,所需最大推力值F max2=ma max −F f =10∗9.8−3.6=94.4N匀速时,额定推力值(匀速时间为0)F c =F f =3.6N则系统均方根有效推力值为:F =√F max12×t 1+F max22∗t 2t 1+t 2=98N● 按无铁心的直线电机估算F r =0G 会小些取G=75NF f =(G +F r )μ=(75+0)×0.004=0.3N启动时,所需最大推力值F max1=F f +ma max =0.4+7.5∗10=75.4N制动时,所需最大推力值F max2=ma max −F f =75∗10−0.4=74.6N则系统均方根有效推力值为:F =√F max12×t 1+F max22∗t 2t 1+t 2=75N 二、Y 轴电机计算:Y 行程:200mm总负载:12kgY 最大速度:1m/sY 最大加速度:1g同上● 按有铁心的直线电机估算。
直线电机的选型方法直线电机是一种将电能转换为直线运动的电动机。
在选择直线电机时,需要考虑一系列因素,包括应用环境、负载特性、速度要求、加速度要求、电力驱动系统等。
以下是一些选型方法的详细讨论。
1.确定应用环境:首先需要了解直线电机将被用于何种应用环境。
例如,是用于工业生产线还是用于医疗设备?这些环境通常具有不同的要求和限制,例如防尘、防水等等。
2.确定负载特性:负载特性是选择直线电机的关键因素之一、负载特性通常包括负载的重量、摩擦、惯性等。
这些特性会影响直线电机的选型,例如电机的功率和扭矩。
3.确定速度和加速度要求:直线电机的速度和加速度要求通常与所需的动力负载有关。
例如,一些应用可能需要快速且平稳的直线运动,这意味着需要选择一个具有高速和高加速度的直线电机。
4.确定电力驱动系统:直线电机的驱动通常采用直流或交流电源。
选择电力驱动系统需要考虑电源的可用性、电机控制的复杂性、系统的可靠性等因素。
5.考虑额定负载:直线电机的额定负载通常是指电机能够达到的最大运行负载。
选择直线电机时,应确保其额定负载能够满足应用的需求。
6.了解电机的尺寸和重量:电机的尺寸和重量可以限制其在特定应用中的使用。
例如,在空间有限的环境下,需要选择一个体积小巧的直线电机。
7.考虑成本因素:选择直线电机时也要考虑经济因素。
这包括电机的购买成本、维护成本、性能和质量保证等方面。
8.参考厂家技术规格:电机厂家通常提供有关其产品的技术规格表。
通过参考这些规格,可以了解电机的具体性能指标,以帮助进行更准确的选型。
直线电机选型计算实例直线电机是一种直线运动的电动机,它的工作原理与旋转电机类似,但是它的转子是直线型的,而且它的运动方向也是直线的。
直线电机具有结构简单、精度高、响应快等优点,因此在自动化生产线、半导体设备、医疗器械等领域得到广泛应用。
下面我们将通过一个选型计算实例来介绍直线电机的选型方法。
1. 确定负载参数在选型之前,首先需要确定直线电机所要驱动的负载参数,包括负载的质量、惯性、运动方式等。
例如,假设我们需要驱动一个质量为100kg的物体在水平方向上做往返直线运动,运动速度为1m/s,加速度为2m/s^2,运动距离为500mm。
2. 计算所需力矩根据负载参数,我们可以计算出所需的力矩。
在这个例子中,所需的力矩可以通过以下公式计算:T = m * a * L / 2其中,m为负载质量,a为加速度,L为运动距离。
代入参数可得:T = 100 * 2 * 0.5 = 100N·m3. 选择合适的直线电机型号在确定所需力矩后,我们需要选择合适的直线电机型号。
在选择时,需要考虑直线电机的最大力矩、最大速度、最大加速度等参数。
一般来说,直线电机的最大力矩应该大于所需的力矩,最大速度应该大于所需的运动速度,最大加速度应该大于所需的加速度。
假设我们选择了一款最大力矩为200N·m,最大速度为2m/s,最大加速度为4m/s^2的直线电机。
4. 计算所需电流和功率在确定直线电机型号后,我们需要计算所需的电流和功率。
电流可以通过以下公式计算:I = T / k其中,T为所需力矩,k为直线电机的力矩常数。
功率可以通过以下公式计算:P = F * v其中,F为所需的力,v为运动速度。
代入参数可得:I = 100 / 0.1 = 1000AP = 100 * 1 = 100W5. 确定驱动器和控制器在确定所需电流和功率后,我们需要选择合适的驱动器和控制器。
驱动器需要能够提供足够的电流和电压,控制器需要能够控制直线电机的运动速度和加速度。
直线电机选型方法实例
假设我们需要选用一台直线电机,用于驱动一台重量为100kg 的运动平台,需要满足以下要求:
-最大速度:2m/s
-最大加速度:5m/s²
-持续工作时间:8小时
-工作环境温度:20℃
根据以上要求,我们需要进行选型计算:
1.计算载荷
载荷=运动平台质量×重力加速度
载荷=100kg×9.8m/s²
载荷=980N
2.计算最大力
最大力=载荷×最大加速度
最大力=980N×5m/s²
最大力=4900N
3.计算最大功率
最大功率=最大力×最大速度
最大功率=4900N×2m/s
最大功率=9800W
4.计算额定功率
额定功率=最大功率×1.5
额定功率=9800W×1.5
额定功率=14700W
5.选择适合的直线电机
根据以上计算,我们需要选择额定功率为14700W的直线电机。
同时,我们还需要考虑工作环境温度,应该选择能够在20℃下正常工作的直线电机。
还需要考虑其他因素,如包括电机的体积、重量、噪音、维护成本等因素。
最终选型应该综合考虑以上因素,选择最为适合的直线电机。
直线电机选型计算实例以直线电机选型计算实例为例,本文将详细介绍直线电机选型的过程和计算方法,帮助读者了解直线电机选型的基本原理和步骤。
直线电机是一种将电能直接转换为机械能的装置,广泛应用于工业自动化、半导体生产设备、医疗器械等领域。
选型是指根据实际需求和工作条件,选择合适的直线电机型号和规格参数,以满足工作要求和性能指标。
直线电机选型的基本步骤如下:1. 确定工作负载:首先需要明确直线电机所需承载的负载类型和重量,包括静负载和动负载。
静负载是指直线电机在停止工作时所要承受的重量,动负载是指直线电机在运行时所要承受的重量。
根据工作负载的大小和特点,选择适合的直线电机类型。
2. 确定工作速度:根据实际工作需求,确定直线电机的运行速度。
速度是直线电机选型的重要参数,直线电机的速度范围通常在几毫米/秒到几米/秒之间。
根据工作速度要求,选择合适的直线电机型号和规格。
3. 确定工作行程:直线电机的行程是指直线电机能够移动的距离范围。
根据实际工作需求,确定直线电机的工作行程,以确定直线电机的尺寸和结构形式。
4. 确定工作精度:根据实际工作需求,确定直线电机的工作精度要求,包括位置精度、重复定位精度和运动平稳性等指标。
根据工作精度要求,选择合适的直线电机型号和控制系统。
5. 计算所需力矩:根据工作负载和工作速度,计算出直线电机所需的力矩。
力矩是直线电机选型的重要参数,直线电机的力矩范围通常在几牛米到几十牛米之间。
根据所需力矩,选择合适的直线电机型号和规格。
6. 选择合适的控制系统:根据工作要求和性能指标,选择合适的直线电机控制系统。
直线电机控制系统通常包括驱动器、编码器和控制器等组成部分。
根据实际需求和预算限制,选择合适的控制系统。
以上是直线电机选型的基本步骤和计算方法。
在实际应用中,还需要考虑其他因素,如环境条件、电源要求、可靠性和维护性等。
选型过程中,可以借助厂商提供的选型软件或咨询厂商的工程师,以获得更准确和可靠的选型结果。
如何进行直线电机选型直线电机选型——最大推力和持续推力计算目录直线电机选型 (2)——最大推力和持续推力计算 (2)概述 (4)三角模式 (4)梯形模式 (5)持续推力 (5)计算公式 (5)例子 (6)概述直线电机的选型包括最大推力和持续推力需求的计算。
最大推力由移动负载质量和最大加速度大小决定。
推力 = 总质量 x 加速度 + 摩擦力 + 外界应力例子:当移动负载是2.5千克(包含动子),所需加速度为30m/s²时,那么,电机将产生75N的力(假设,摩擦力和外界应力忽略不计)。
通常,我们不知道实际加速度需求,但是,我们有电机运行实际要求。
给定的运行行程距离和所需要的行程时间,由此可以计算出所需要的加速度。
一般来说,对于短行程,推荐使用三角形速度模式,即无匀速运动,长行程的话,梯形速度模式更有效率。
在三角形速度模式中,电机的运动是没有匀速段的。
三角模式加速度为Acceleration = 4 x Distance / Travel_Time²梯形模式需要提前设置匀速的速度值,由此可以推算出加速度。
加速度 = 匀速 / (运动时间–位移 / 匀速)同理,减速度的计算与加速度的计算是类似的,特殊情况是存在一个不平衡的力(例如重力)作用在电机上。
通常情况下,为了维持匀速过程和停滞阶段,摩擦力和外界应力也要考虑进来,为了维持匀速,电机会对抗摩擦力和外界应力,电机停止时则会对抗外界应力。
持续推力计算公式持续推力的计算公式如下:RMSForce = 持续推力Fa = 加速度力Fc = 匀速段力Fd = 减速度力Fw = 停滞力Ta = 加速时间Tc = 匀速时间Td = 减速时间Tw = 停滞时间又最大推力和持续推力进行电机的选择。
一般情况下,应该将安全系数设置为20~30%,从而抵消外界应力和摩擦力。
例子电机需要在三角模式下,在0.2秒内,把4kg的负载移动0.3米。
电机在同行程中,返程之前停滞时间为0.15秒。
直线电机选型要求准则:直线电机:①峰值推力不小于计算峰值推力;②连续推力不小于计算连续推力
1、直线电机的分类
单轴模组、龙门直线模组、XY直线模组、流水线直线电机、标机设备直线模组直线电机系统配套及选型
1、直线电机的选型要求
如何确定系统能达到最大的速度或者加速度?
选型要求准则:
直线电机:①峰值推力不小于计算峰值推力;
②连续推力不小于计算连续推力;
③计入20%裕度,电机推力要大于或等于1.2计算推力;
承载能力:①(有铁芯电机要考虑直线导轨有足够承载电磁吸力的能力);
②精度等级
③品牌选择(HIWIN、CPC、PIM),一般应用场景
(THK、IKO、INA),高精密应用场景
光栅方面:①光栅尺栅距;
②分辨率;
③最大允许速度=分辨率*采样频率;
④厂家选择:雷尼绍、海德汉、Microe;
驱动器方面:峰值电流大于或等于直线电机峰值电流;
连续电流大于或等于直线电机峰值电流;
母线电压Ubus=VMax Ke+IpR
2、直线电机的计算选型
1、系统运动参数的技术要求
行程:总行程、加减速行程、匀速行程;
运动时间:加速时间Ta,匀速时间Tr,减速时间Td,停歇时间Tdw、运动周期T
运动质量:有效负责、平台质量、动子质量;
运动速度:最大速度;。
直线电机原理与选型直线电机是一种将电能转化为直线运动的电动机。
它与传统的旋转电机不同,直线电机的定子和转子之间的运动是直线的,而不是旋转的。
直线电机在许多领域中得到了广泛应用,如工业自动化、交通运输、医疗设备等。
直线电机的工作原理与传统电动机相似,也是基于洛伦兹力的原理。
洛伦兹力是指导线电流在磁场中产生的力,其大小和方向由洛伦兹力定律决定。
当直线电机的定子和转子之间加上电压,形成电流流经导线时,在磁场的作用下,电流会受到洛伦兹力的作用,从而产生直线运动。
直线电机的选型主要取决于以下几个因素:1.功率需求:根据需要传递的力和速度,选择适当的功率。
功率与输出力和速度成正比。
2.加速度需求:根据需要实现的加速和减速时间,选择适当的加速度。
加速度与电场强度成正比。
3.轴向负载:根据负载的重量和特性,选择适当的轴向力和力矩。
轴向力和力矩与电流和导线长度成正比。
4.空间限制:考虑设备的尺寸和形状,选择适当的直线电机尺寸和布局。
5.工作环境:考虑工作环境的温度、湿度和腐蚀性,选择适当的防护等级和材料。
6.控制系统:根据控制系统的要求,选择适当的编码器和传感器。
除了以上因素,还应考虑直线电机的可维护性、可靠性和成本等因素。
根据直线电机的结构和工作方式,可以将直线电机分为多种类型,如线性感应电机、直线同步电机、刷式直线电机和无刷直线电机等。
-线性感应电机是直线电机中最常见的类型之一、它利用变化的磁场引起定子中的涡流,并产生磁场相互作用产生力。
它具有简单的结构、高效率和高速度的优点。
-直线同步电机是根据同步发电机的原理工作的。
它需要与外部控制器同步,以保持转子和定子之间的同步。
它具有高精度、高刚度和高效率的特点,适用于需要精确定位和高速运动的应用。
-刷式直线电机与传统的直流电动机类似,具有刷子和集电器,通电后通过电刷与转子之间的接触产生直线运动。
它具有较低的成本和较高的输出力,但需要定期维护。
-无刷直线电机没有刷子,通过与电子换向器控制转子的电磁力,实现直线运动。
直线电机选型注意哪些事项一、引言直线电机是一种特殊的电机,其转动运动被转化为直线运动。
在许多工业应用中,直线电机已经取代了传统的液压和气动执行器,成为首选的运动控制解决方案。
然而,要选择合适的直线电机,需要考虑一些关键因素。
本文将介绍直线电机选型时需要注意的事项。
二、负载要求直线电机选型的第一步是明确负载要求。
负载要求包括负载的重量、惯性、速度要求、加速度要求等。
根据负载要求,可以选择适当的直线电机类型和规格。
三、行程长度行程长度是指负载需要移动的距离。
直线电机的行程长度通常有限,因此在选型时要确保直线电机的行程长度能够满足负载的要求。
如果行程长度过长,可能需要考虑使用多个直线电机进行组合。
四、工作环境直线电机的工作环境也是选型时需要考虑的因素之一。
工作环境包括温度、湿度、腐蚀性气体、灰尘等因素。
根据工作环境的要求,选择具有相应防护等级的直线电机。
五、控制要求直线电机的控制方式有很多种,包括位置控制、速度控制、力控制等。
在选型时要明确控制要求,并选择适合的控制方式。
同时,还需要考虑所需的控制精度和响应速度。
六、电源和电压直线电机通常需要外部电源供电,因此需要考虑电源的类型和电压要求。
根据电源的类型和电压要求,选择合适的直线电机。
七、安装和维护直线电机的安装和维护也是选型时需要考虑的因素之一。
不同类型的直线电机安装方式和维护要求可能不同,因此要根据实际情况选择适合的直线电机。
八、可靠性和寿命直线电机的可靠性和寿命也是选型时需要考虑的重要因素。
要选择具有高可靠性和长寿命的直线电机,以确保设备的正常运行和长期使用。
九、成本成本也是选型时需要考虑的因素之一。
直线电机的价格根据不同的品牌、规格和功能而有所差异。
在选型时,要综合考虑性能、质量和价格,并选择性价比较高的直线电机。
总结:在选型直线电机时,需要考虑负载要求、行程长度、工作环境、控制要求、电源和电压、安装和维护、可靠性和寿命以及成本等因素。
只有综合考虑这些因素,选择合适的直线电机,才能确保设备的正常运行和长期稳定性。
怎么选择直线电机的型号
随着直线运动的趋势越来越好,许多高精度和高速的设备使用直线电机,今天带你了解如何选择直线电机。
1、直线电机的推力峰值不应小于计算的推力峰值,连续推力不应小于计算的连续推力,包括20%的余量。
电机推力应大于或等于1.2计算推力。
2、承载能力。
对于铁芯电机,直线导轨应考虑是否有足够的承受电磁吸力的能力和精度等级。
3、光栅尺度的间距和分辨率,最大允许速度=分辨率*采样频率。
4、对于驱动器,峰值电流大于或等于电机峰值电流,连续电流大于或等于电机峰值电流,母线电压Ubus=VMaxKe+IpR。
5、定制定位系统可以提供一个直线电机专家团队,与客户一起定义直线电机定位系统的详细需求。
在此基础上,客户确认解决方案后,即可提供系统解决方案并实施。
提出了大中型移动电话定位系统和常用数值系统软件在电机选型上应采用这种方法,并对电机选型的方法进行了研究,为解决这一问题提供了参考。
6、客户可以组装自己的定位系统。
如果客户想要节省成本和组装能力,他们可以订购标准化的直线电机和定子组件,选择和购买制造
商的控制器和执行器,并组装自己的定位系统。
直线电机选型知识点总结一、直线电机的工作原理直线电机是一种利用电磁感应原理实现的线性运动型电机,工作原理和直流电动机相似,但是线性运动的特点使得直线电机具有更广泛的应用领域。
直线电机由定子和活动子两部分组成,通常定子是由线圈组成,而活动子则是由磁铁组成。
当通电时,定子线圈产生磁场,吸引或排斥活动子的磁铁,从而实现线性运动。
二、直线电机的分类1. 电磁直线电机:利用磁铁和电磁感应原理实现线性运动的电机,包括直线同步电机、直线步进电机等。
2. 永磁直线电机:利用永磁体和电流之间的相互作用实现线性运动的电机,包括直线同步永磁电机、直线步进永磁电机等。
3. 超导直线电机:利用超导材料的独特性质实现超导电磁体和磁场之间的相互作用,实现线性运动的电机。
三、直线电机选型的影响因素1. 负载要求:负载要求包括负载力大小、运动速度、加速度等,这些要求将影响直线电机的功率、扭矩和速度等性能参数的选取。
2. 运动模式:直线电机可以实现直线运动、往复运动、多自由度运动等不同的运动模式,根据具体的应用需求选择不同类型的直线电机。
3. 环境条件:包括工作温度、湿度、防尘防水等环境条件,好的直线电机应具有良好的耐高温、防尘防水等性能。
4. 机械结构:机械结构包括导轨、导向装置等,需要考虑直线电机与周围设备的机械匹配性,确保能够实现稳定的运动。
5. 控制系统:控制系统包括控制方式、控制精度、控制算法等,应根据具体应用场景选择合适的控制系统,确保直线电机的准确性和稳定性。
四、直线电机选型的方法1. 根据负载要求选取合适的型号:首先根据负载的大小、运动速度、加速度等要求选取合适的直线电机型号,通常可以通过查阅相关的技术手册或者咨询厂家进行选型。
2. 根据环境条件选取合适的材料和防护措施:根据具体的环境条件选取能够满足要求的材料和防护措施,例如高温工作环境可以选用耐高温材料,防水防尘环境需要选用防护等级较高的直线电机。
3. 根据机械结构进行匹配:根据直线电机与周围设备的机械匹配性进行选型,确保直线电机能够稳定运行。
x-y平台总结报告姓名:学号:日期:x-y平台总结报告1.设计任务1)任务:设计一种X-Y运动平台设计参数如下:Y向平台;运动范围:160—200mm运动速度:50-60mm/min平台尺寸:220—350mmX向平台;运动范围:100—150mm运动速度:20-30mm/min平台尺寸:200—300mm设计要求:平台设计丝杆设计电机选择轴承选择2.设计内容1)上平台长取300mm,宽取200mm.下平台长取320mm,宽取220mm.2)上平台运动范围为100mm,下平台运动范围200mm.3)上平台丝杆长度取440mm,下平台丝杆长度取660mm.4)上丝杆运动速度取20mm/min,下丝杆运动速度取50mm/min.5)平台厚度均取20mm.2.设计参数1)X方向上的电机速度为:n1=20/5=4r/min;y方向上的速度为n2=50/5=10r/min.2)每分钟x方向上电机所转的角度为a=4×360°=1440°;每分钟y方向上电机所转的角度为b=10×360°=3600°.3)脉冲数:x方向上为c=a÷0.72=2000次/min;y方向上为d=b÷0.72=5000次/min.4)以上符合脉冲控制器所控制的范围.3.电机的选择根据以上参数可选用的步进电机型号为75BC5100 24V: 步角为0.36-0.72度,保持转矩1.5N.mm,相数5,选用的滚珠丝杆类型为JWB005:外径为16mm,底径为13.5mm,导程为5mm.工作框图如下:4.工作原理X-Y数控工作台机电系统设计采用步进电机作为驱动装置。
步进电机是一个将脉冲信号转移成角位移的机电式数模转换器装置。
其工作原理是:每给一个脉冲便在定子电路中产生一定的空间旋转磁场;由于步进电机通的是三相交流电所以输入的脉冲数目及时间间隔不同,转子的旋转快慢及旋转时间的长短也是不同的。
直线电机选型要求准则:直线电机:①峰值推力不小于计算峰值推力;②连续推力不小于计算连续推力
1、直线电机的分类
单轴模组、龙门直线模组、XY直线模组、流水线直线电机、标机设备直线模组直线电机系统配套及选型
1、直线电机的选型要求
如何确定系统能达到最大的速度或者加速度?
选型要求准则:
直线电机:①峰值推力不小于计算峰值推力;
②连续推力不小于计算连续推力;
③计入20%裕度,电机推力要大于或等于1.2计算推力;
承载能力:①(有铁芯电机要考虑直线导轨有足够承载电磁吸力的能力);
②精度等级
③品牌选择(HIWIN、CPC、PIM),一般应用场景
(THK、IKO、INA),高精密应用场景
光栅方面:①光栅尺栅距;
②分辨率;
③最大允许速度=分辨率*采样频率;
④厂家选择:雷尼绍、海德汉、Microe;
驱动器方面:峰值电流大于或等于直线电机峰值电流;
连续电流大于或等于直线电机峰值电流;
母线电压Ubus=VMax Ke+IpR
2、直线电机的计算选型
1、系统运动参数的技术要求
行程:总行程、加减速行程、匀速行程;
运动时间:加速时间Ta,匀速时间Tr,减速时间Td,停歇时间Tdw、运动周期T
运动质量:有效负责、平台质量、动子质量;
运动速度:最大速度;。
直线电机的选型参数计算1.直线电机的选型包括最大推力和持续推力需求的计算。
2.最大推力由移动负载质量和最大加速度大小决定。
推力=总质量*加速度+摩擦力+外界应力例子:(假定摩擦力和外界应力忽略不计)当移动负载是2.5千克(包括动子),所需加速度为30m/s2时,那么电机将产生75N的力。
3.通常,我们不知道实际加速度需求。
但是,我们有直线电机运行时间要求。
给定运动行程距离和所需行程时间,便可以此计算出所需的加速度。
一般,对于短行程来说,我们推荐使用三角型速度模式(无匀速),长行程的话,梯形速度模式会更有效率。
在三角型速度模式中,电机的运动无匀速段。
4.三角模式,加速度为Acceleration = 4 * Distance / Travel_Time²5.梯形模式,预设匀速度可以帮助决定加速度。
加速度=匀速/(运动时间--位移/匀速)6.相类似的,计算减速度大小与计算加速度相类似。
除非存在一个不平衡的力(重力)作用在直线电机上。
7.通常为了要维持匀速过程 (cruising)和停滞阶段 (dwelling),摩擦力和外界应力的施力也需要计算。
注:为了维持匀速,直线电机会对抗摩擦力和外界应力。
直线电机上伺服停滞时则会对抗外界应力。
8.计算持续推力公式如下:RMSForce=持续推力Fa = 加速度力Fc = 匀速段力Fd = 减速度力Fw =停滞力Ta = 加速时间Tc = 匀速时间Td = 减速时间Tw = 停滞时间9.根据最大推力和持续推力选择一个电机。
客户应该将安全系数设为20-30%以便将摩擦力和外界应力抵消为0。
10.举个例子,一个应用中,直线电机需要在三角模式下让电机在0.2秒内,让4KG的负载移动0.3米。
直线电机在同行程中返程前停滞时间为0.15秒。
假设摩擦力和其他不平衡力不存在。
加速度=减速度=4*0.3、(0.2)^2=30m/s2最大推力=加速度力=减速度力=负载*加速度=4*30=120N持续推力=假如安全缓冲系数设为30%,通过选型,合适的直线电机电机就可以选出来了11.电机选型软件自动计算处理过程。
直线电机如何正确选型
直线电机该如何正确选型?这一些要素要了解,直线电机因享有结构简单、高速度、高精度等特性,当前已在包括建筑。
物流、工业、航空航天、生物医疗等在内的各个行业领域起着至关重要的作用。
直线电机通过外形基本可分为无铁芯U型槽直线电机、有铁芯平板直线电机、盘式直线电机几大类,且直线电机对的最为关键的构成部分为定子和动子,即使定子的长度稍微发生变化,电机的常用环境都遭到不良影响,对于此,正确性选取比较适合的直线电机须要了解一下几个方面:
1、都知道电机须要保证的推力大小、合理有效行程和总行程、定位精度和重复精度、速度等,通过上述参数选取相对应的电机。
2、都知道电机的运用环境(温度、湿度、有无阻力)、安装方式等,如此一来,需要充分考虑各个方面,电机制造工程师也能配合保证比较适合的选型。
3、都知道自己的预算,有多少钱买哪样的产品,不可一味追求昂贵的高大上的,也不可一味追求便宜的。
上海徽硕实业销售直线电机、力矩电机、直线电机模组、dd马达等,可提供选型、安装、售后服务。
想要了解更多,欢迎来电咨询。