哈工大机械设计大作业_齿轮传动5.1.3
- 格式:docx
- 大小:722.53 KB
- 文档页数:6
Harbin Institute of Technology机械设计大作业题目:轴系部件设计院系:机电工程学院班级:指导老师:姓名:学号:©哈尔滨工业大学目录一、材料选择 (3)二、初算轴径 (4)三、轴系结构设计 (4)3.1轴承部件的结构型式及主要尺寸 (4)3.2及轴向固定方式 (4)3.3选择滚动轴承类型 (4)3.4 轴的结构设计 (5)3.5 键连接设计 (5)四、轴的受力分析 (6)4.1 画出轴的结构和受力简图 (6)4.2 计算支承反力 (6)4.3 画出弯矩图 (7)4.4 画出扭矩图 (7)五、校核轴的强度 (8)六、校核键连接强度 (9)七、校核轴承寿命 (9)7.1 当量动载荷 (9)7.2 校核轴承寿命 (9)八、轴上的其他零件 (10)8.1 毡圈 (10)8.2 两侧挡油板 (10)8.3 轴承端盖螺钉连接 (10)九、轴承端盖设计 (10)9.1 透盖 (10)9.2 轴承封闭端盖 (10)十、轴承座 (10)十一、参考文献 (11)轴系部件设计任务书题目: 设计绞车(带棘轮制动器)中的齿轮传动高速轴轴系部件结构简图见下图:。
原始数据如下:室内工作、工作平稳、机器成批生产一、材料选择通过已知条件和查阅相关的设计手册得知,该传动机所传递的功率属于中小型功率。
因此轴所承受的扭矩不大。
故选45号钢,并进行调质处理。
二、初算轴径对于转轴,按扭转强度初算直径:min d C ≥其中2P ——轴传递的功率,=2 3.0P KW m n ——轴的转速,r/min ,296.5/min m n r =C ——由许用扭转剪应力确定的系数。
查表10.2得C=106~118,考虑轴端弯矩比转矩小,取C=106。
≥=⨯=min d 10622.93Cmm由于考虑到轴的最小直径处要安装大带轮,会有键槽存在,故将其扩大5%,得min d 1.0524.07k d mm ≥⨯=,按标准GB2822-81的10R 圆整后取125=d mm 。
一、设计题目设计带式运输机中的V带传动:带式运输机的传动方案如下图所示,机器运行平稳、单向回转、成批生产,其他数据参见下方表格。
方案电动机工作功率P d/kW 电动机满载转速n m/(r/min)工作机的转速n w/(r/min)第一级传动比i1轴承座中心高H/mm最短工作年限工作环境5.1.3396011021805年2班室外、有尘二、电动机的选择由本方案原始数据,查阅参考文献[2]表15.1 Y系列三相异步电动机的型号和相关数据,选择Y132S-6。
由参考文献[2]表15.2查得轴径D=38mm,轴颈长E=80mm。
三、确定设计功率设计功率是根据需要传递的名义功率再考虑载荷性质、原动机类型和每天连续工作的时间长短等因素而确定的,表达式为P d=K A P式中P——所需传递的名义功率(kW)K A——工况系数,由参考文献[1]表7.6,取K A=1.2考虑到本装置的工作环境,K A值应扩大1.1倍,因此P d=K A P=1.1×1.2×3=3.96kW四、选择带的型号根据P d、n m,查阅参考文献[1]图7.11,选取A型带。
五、确定带轮基准直径d d1和d d2查参考文献[1]表7.7知A型V带最小基准直径d dmin=75mm,再由表7.3选取小带轮基准直径 d d1=125mm,大带轮基准直径 d d2=i·d d1=2×125=250mm。
六、验算带的速度v=πn1d d160×1000=π×960×12560×1000=6.283m/s式中n1 ——电动机转速d d1——小带轮基准直径即v=6.283m/s< v max=25m/s,符合要求。
七、确定中心距a和V带基准长度d L由公式初步确定中心距:0.7(d d1+d d2)≤a0≤2(d d1+d d2)0.7×(125+250)=262.5≤a0≤750=2×(1125+250)故取a0=400mm,据此初算带的基准长度L’dL′d≈2a+π2(d d1+d d2)+(d d2−d d1)24a=2×400+π2×(125+250)+(250−125)24×400 =1398.814mm由参考文献[1]表7.2确定V带的基准长度d L=1400mm,此时的带长修正系数K L=0.96,则实际中心距:a≈a0+L d−L′d2=400+1400−1398,8142=400.593mm八、计算小轮包角根据公式有:a1≈180°−d d2−d d1a×57.3°=180−250−125400.593×57.3°=162.12°九、确定V带根数zz=P d(P0+∆P0)KαK L式中 Kα——包角修正系数,考虑包角α≠180°对传动能力的影响,由参考文献[1]表7.8得Kα=0.95K L——带长修正系数,考虑考虑带长不为特定带长时对使用寿命的影响,在上文中已得K L=0.96P d—— V带的设计功率P0—— V带的基本额定功率查阅参考文献[1]表7.3得单根V带传递的基本额定功率P0=1.37kW。
Harbin Institute of Technology机械设计大作业说明书大作业名称: 机械设计大作业设计题目: 轴系部件设计班级: 120设计者:学号: 112指导教师: 张锋设计时间: 2014、11、21哈尔滨工业大学设计任务书题目:设计带式传输机中得齿轮传动高速轴得轴系部件设计原始数据:带式传输机得传动方案如图所示,机器工作平稳、单向回转、成批生产,其它数据见表。
带式传输机中齿轮传动得已知数据目录1、选择轴得材料、热处理方式 ........................................ 错误!未定义书签。
2、初步计算轴径 (4)3、结构设计 (4)3、1确定机体与轴得结构形式 (4)3、2 阶梯轴各轴段直径得确定 (5)3、2、1 轴段1与轴段7 (5)3、2、2 轴段2与轴段6 (5)3、2、4 轴段4 (6)3、3 阶梯轴各轴段长度及跨距得确定 (6)3、3、1 轴段4 (6)3、3、2 轴段3与轴段5 (6)3、3、3 轴段2与轴段6 (6)3、3、4 轴段1与轴段7 (6)3、4 键连接设计 (7)4、轴得受力分析 (7)4、1 画轴得受力简图(图3b) (7)4、2 计算支承反力 (7)4、3画弯矩图(图3c、d、e) (7)4、4画弯矩图(图3f) (8)5、校核轴得强度 (8)6、校核键连接得强度 (10)7、校核轴承寿命 (11)7、1 计算当量动载荷 (11)7、2 校核轴承寿命 (11)8、轴上其她零件设计 (12)8、1轴上键连接设计 (12)8、3 轴承端盖设计 (12)8、4 轴端挡圈设计 (13)参考文献 (13)1、选择轴得材料、热处理方式因传递功率不大,且对质量及结构尺寸无特殊要求,故选用常用材料45钢,调质处理。
2、初步计算轴径对于转轴,按扭转强度初算轴径。
式中d——轴得直径;P——轴传递得功率,kW;n——轴得转速,r/min;C——由许用扭转剪应力确定得系数;根据参考文献[2]表9、4查得C=118~106,取C=118,由大作业4可得:所以考虑键槽影响,应将轴径增大5%,即按照得R10系列圆整,取d=25mm。
Harbin Institute of Technology机械原理大作业三课程名称:设计题目:院系:班级:设计者:学号:指导教师:设计时间:哈尔滨工业大学大作业3 齿轮传动设计 1、设计题目1.1机构运动简图1.2机械传动系统原始参数2、传动比的分配计算由已知条件,电动机转速n=1450r/min ,输出转速n 1=27 r/min ,n 2=31 r/min ,n 3=37 r/min ,带传动最大传动比max p i =2.5,滑移齿轮传动最大传动比=4,定轴齿轮传动最大 传动比=4。
可求得:传动系统的总传动比为:11n ni == 1450/27=53.70322n ni == 1450/31=46.774 33n ni == 1450/37=39.189 传动系统的总传动比分别由带传动、滑移齿轮传动和定轴齿轮传动三部分实现。
设带传的传送比为其最大传送比5.2max =p i ,滑移齿轮的传动比为321,,v v v i i i ,定轴齿轮传动的传动比为f i ,则总传动比由于1i > 2i > 3i ,故取1max 4v v i i ==则定轴齿轮传动部分的传动比为1max max5.37f p v i i i i ==滑移齿轮传动的传动比22max3.49v f p i i i i ==33m a x2.92v f p i i i i ==定轴齿轮传动由3对齿轮传动组成, 每对齿轮的传动比为:1.754d i ==≤3、齿轮齿数的确定滑移齿轮齿数3=v i 65622.9521z z == 2=v i 8766 3.4719z z ==1=v i 10967 3.9417z z ==齿轮7,齿轮8:719z = 866z =781()852a m z z =+=齿轮9,齿轮10:917z =1067z =此时已知条件为'a =85mm ,910211()842()ni i a m z z X X ==+=-∑mm ''arccos(cos )21.78a aαα==总变位系数:'910()0.552tan z z x inv inv ααα∑+=-=根据x ∑值和1093.94 3.0z uz ==>,按选择变位系数线图左部斜线⑤分配变位系数,得90.45x =齿轮5,齿轮6:5=21z662z =此时已知'a =85mm ,561()832a m z z =+= ''arccos(cos )23.42a a αα==100.10x =总变位系数:'65() 1.082tan z z x inv inv ααα∑+=-=根据x ∑值和652.953z u z ==>,按选择变位系数线图左部斜线④分配变位系数,得 50.5x =60.58x =定轴圆柱齿轮齿数=d i 1214111326 1.5317z z z z ===齿轮11,齿轮12:角度变位正传动。
Harbin Institute of Technology机械原理大作业3课程名称:机械原理设计题目:齿轮传动设计哈尔滨工业大学一、设计题目:如下图一个机械传动系统,运动运动由电动机1输入,经过机械传动系变速后由圆锥齿轮16输出三种不同转速。
选择一组传动系统的原始参数,据此设计该传动系统。
序号电机转速〔r/min〕输出轴转速〔r/min〕带传动最大传动比滑移齿轮传动定轴齿轮传动最大传动比模数圆柱齿轮圆锥齿轮一对齿轮最大传动比模数一对齿轮最大传动比模数7 1450 17 23 30 ≤2.8 ≤4.5 2 ≤4.5 3 ≤4 3二、传动比的分配计算:电动机转速n=1450r/min,输出转速n1=17r/min,n2=23 r/min,n3=30 r/min,带传动的最大传动比=2.8,滑移齿轮传动的最大传动比=4.5,圆柱齿轮传动的最大传动比=4.5,圆锥齿轮最大传动比=4。
根据传动系统的原始参数可知,传动系统的总传动比为:i1=1450/30=48.333i2=1450/23=63.043i3=1450/17=85.294传动系统的总传动比由带传动、滑移齿轮传动和定轴齿轮传动三局部实现。
设带传动的传动比为ipmax =2.8,滑移齿轮的传动比为iv1,iv2和iv3,令iv3=ivmax=4.5,那么定轴的传动比为if =85.294/(4.5*2.8)=6.769,从而iv1=48.333/〔6.769*2.8〕=2.550,iv2=3.326。
定轴齿轮每对的传动比为id==1.89。
三、滑移齿轮变速传动中每对齿轮的几何尺寸及重合度:经过计算、比拟,确定出三对滑移齿轮的齿数,其分别为:z5=17,z6=44,z 7=14,z8=47,z9=11,z10=50。
变位系数确实定:x5=x6=0; x7≥ha*(17-14)/17=0.176,取x7=0.18,x8=-0.18;x9≥ha*(17-11)/17=0.353,取x9=0.36;x10=-0.36。
机械原理大作业(三)课程名称:设计题目:院系:姓名:学号:指导教师:设计时间:哈尔滨工业大学(威海)设计说明书1.设计题目 (2)2.传动比的分配计算 (3)3. 计算滑移齿轮变速传动中每对齿轮的基本几何尺寸 (3)(1)齿轮5、齿轮6 (4)(2)齿轮7、齿轮8 (4)(3)齿轮9、齿轮10 (5)4.计算定轴齿轮传动中每对齿轮的基本几何尺寸。
(5)(1)齿轮11、齿轮12 (5)(2)齿轮13、齿轮14 (6)(3)齿轮15、齿轮16 (6)5.每对齿轮的几何尺寸及重合度。
(6)7.实际设计参数 (14)1.设计题目如图所示一个机械传动系统,运动由电动机1输入,经过机械传动系统变速后由圆锥齿轮16输出三种不同的转速。
根据表中的传动系统原始参数设计该传动系统。
1.15,16.圆锥齿轮表机械传动系统原始参数2.传动比的分配计算电动机转速ni=1450r/min,输出转速n1=12r/min,n2=17r/min,n3=23r/min,带传动的最大传动比idmax=2.5,滑移齿轮传动的最大传动比ihmax=4,定轴齿轮传动的最大传动比ifmax=4。
根据传动系统的原始参数可知,传动系统的总传动比为i1=nin1=1450÷12=120.833i2=nin2=1450÷17=85.294i3=nin3=1450÷23=63.043传动系统的总传动比由带传动、滑移齿轮传动和定轴齿轮传动三部分实现。
设带传动的传动比为id,滑移齿轮的传动比为ih1、ih2和ih3,定轴齿轮传动的传动比为if,则总传动比i1=id*ih1*ifi2=id*ih2*ifi3=id*ih3*if令=ih1=ihmax=4则可得:定轴齿轮传动部分的传动比为if=i1/(id*ih1)=120.833/(2.5*4)=12.083滑移齿轮传动的传动比ih2=i2/(id*if)=85.294/(2.5*12.083)=2.824Ih3=i3/(id*if)=63.043/(2.5*12.083)=2.087定轴齿轮传动由3对齿轮传动组成,则每对齿轮的传动比为iv*iv*iv=if=12.083,iv=2.2953.计算滑移齿轮变速传动中每对齿轮的基本几何尺寸根据滑移齿轮变速传动系统中对齿轮齿数的要求,选择齿轮5、6、7、8、9和10为角度变位齿轮。
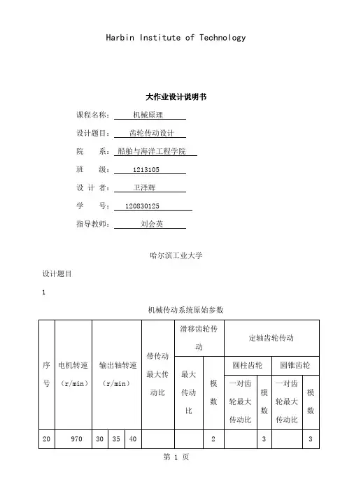
Harbin Institute of Technology大作业设计说明书课程名称:机械原理设计题目:齿轮传动设计院系:船舶与海洋工程学院班级: 1213105设计者:卫泽辉学号: 120830125指导教师:刘会英哈尔滨工业大学设计题目1机械传动系统原始参数1.传动比的分配计算电动机转速n=970r/min ,输出转速n 01=40 r/min ,n 02=35 r/min ,n 03=30 r/min ,带传动的最大传动比=2.5,滑移齿轮传动的最大传动比=4,定轴齿轮传动的最大传动比=4。
根据传动系统的原始参数可知,传动系统的总传动比为=970/40=24.2500 =970/35=27.7143 =970/30=32.3333传动系统的总传动比由带传动、滑移齿轮传动和定轴齿轮传动三部分实现。
设带传动的传动比为,滑移齿轮的传动比为,定轴齿轮传动的传动比为,则总传动比令=4则可得定轴齿轮传动部分的传动比为 = =3.2333 滑移齿轮传动的传动比 = =3.0000==3.4286齿轮传递时候传动比得满足先小后大原则.定轴齿轮传动由3对齿轮传动组成,则每对齿轮的传动比为=42.齿轮齿数的确定在选择齿轮的时候,由于齿轮需要传递动力,齿数不宜过少,为了保证传动的平稳性和啮合精度,因此一般情况下最小齿数不能小于12。
对于压力角为20°这的标准渐开线圆柱齿轮不发生根切的最少齿数为Z=17,或者引入变为系数正变位。
根据滑移齿轮变速传动系统中对齿轮齿数的要求,可大致选择齿轮5、6为高度变位齿轮传动,7、8、9和10为角度变位齿轮传动,其齿数: 19,= 58,17, 59,15,60;它们的齿顶高系数=1,径向间隙系数=0.25,分度圆压力角=20°,根据第一组标准齿轮的中心距确定实际中心距=77mm 。
根据定轴齿轮变速传动系统中对齿轮齿数的要求,可大致选择齿轮11、12、13和14为角度变位齿轮,其齿数:=16,27。
机械原理大作业(三)作业名称:齿轮传动设计设计题目:院系:机电工程学院班级:1108108设计者:许彬彬学号:1110810816指导教师:林琳设计时间:2013年6月1日哈尔滨工业大学机械设计1、设计题目 1.1机构运动简图1.2机械传动系统原始参数电动机转速min /1450r n =,输出转速min/4001r n =,m in /3502r n =,m in /3003r n =,带传动的最大传动比5.2m ax =p i ,滑移齿轮传动的最大传动比4m ax =v i ,定轴齿轮传动的最大传动比4m ax =d i 。
根据传动系统的原始参数可知,传动系统的总传动比为:25.36401450011===n n i43.41351450022===n n i33.48301450033===n n i传动系统的总传动比由带传动、滑移齿轮传动和定轴齿轮传动三部分实现。
设带传动的传动比为5.2m ax =p i ,滑移齿轮的传动比为321v v v i i i 、、,定轴齿轮传动的传动比为f i,则总传动比f v p i i i i 1m ax 1= f v p i i i i 2max 2= fv p i i i i 3max 3= 令4max 3==v v i i则可得定轴齿轮传动部分的传动比为833.44*5.233.48max max 3===v p f i i i i滑移齿轮传动的传动比为000.3833.4*5.225.36max 11===fp v i i i i429.3833.4*5.243.41max 22===fp v i i i i设定轴齿轮传动由3对齿轮传动组成,则每对齿轮的传动比为4691.1833.4max 33=≤===d f d i i i 3、齿轮齿数的确定根据滑移齿轮变速传动系统中对齿轮齿数的要求,可大致选择齿轮5、6、7、8、9和10为角度变位齿轮,其齿数:37,9,35,10,33,111098765======z z z z z z ;它们的齿顶高系数1=*a h ,径向间隙系数25.0=*c ,分度圆压力角020=α,实际中心距mm a 46'=。
Harbin Institute of Technology机械设计大作业题目:V带传动设计院系:机电工程学院班级:姓名:学号:©哈尔滨工业大学目录一 任务书 (2)二 选择电动机 (3)三 确定设计功率d P (3)四 选择带的型号 (3)五 确定带轮的基准直12d d d d 和 (3)六 验算带的速度 (4)七 确定中心距a 和V 带基准长d L (4)八 计算小轮包1 (4)九 确定 V 带Z (4)十 确定初拉0F (5)十一 计算作用在轴上的压Q (6)十二 带轮结构计 (6)十三 运动学计算 (7)十四 参考文献 (7)带传动设计任务书题目: 设计绞车(带棘轮制动器)中的V带传动结构简图见下图:。
原始数据如下:室内工作、工作平稳、机器成批生产一、选择电动机由方案图表中的数据要求,查文献2表2-1 Y系列三相异步电动机的型号及相关数据可选择Y132S-6。
如图1.1,电机尺寸示意图。
可查得轴径D=38mm,E=76mm,F=10mm,G=33mm。
图1.1 电动机尺寸示意图二、确定设计功率d P设计功率是根据需要传递的名义功率、载荷性质、原动机类型和每天连续工作的时间长短等因素共同确定的,表达式如下:d A m P K P =式中 m P ——需要传递的名义功率A K ——工作情况系数,按文献1表5.7工作情况系数A K 选取A K =1.1;考虑到本装置的工作环境,A K 值应扩大1.1倍 所以1.1 1.1 3.0 3.63d A m P K P KW ==⨯⨯=三、选择带的型号根据d P 、n 1,查看文献1表5.7可选取A 型带。
四、确定带轮的基准直径12d d d d 和查文献1表5.8 可得V 带带轮最小基准直径min d d 知A 型带min d d =75mm,又由表5.8选取小带轮基准直径:d1d 112mm =大带轮基准直径:21 3.2112358.4d d d i d mm =⨯=⨯=查文献1表5.4选取大带轮基准直径2355d d mm =;其传动比误差i 3.2-3.17=0.94%5%3.2i ∆=<,故可用。
齿轮传动设计一.设计题目表 机械传动系统原始参数二、传动比的分配计算电动机转速n=970r/min ,输出转速min /231r n =,min /172r n =,min /123r n =,带传动的最大传动比5.2i max =p ,滑移齿轮传动的最大传动比4i max =v ,定轴齿轮传动的最大传动比4i max =d 。
根据传动系统的原始参数可知,传动系统的总传动比17.4223/970/i 11===n n ,06.5717/970/22===n n i ,83.8012/970/i 33===n n 。
传动系统的总传动比由带传动、滑移齿轮传动和定轴齿轮传动三部分实现。
设带传动的传动比为5.2i max =p ,滑移齿轮的传动比为1i v 、2i v 和3i v ,定轴齿轮传动的传动比为f i ,则总传动比f v p i i i ⋅⋅=1max 1i f v p i i i ⋅⋅=2max 2i f v p i i i ⋅⋅=3max 3i令4max 3==v v i i ,则可得到定轴齿轮传动部分的传动比为083.8)/(i 3max 1=⨯=v p v f i i i ;滑移齿轮传动的传动比824.2)/(i max 22=⨯=f p v i i i ,087.2)/(i max 11=⨯=f p v i i i ;定轴齿轮传动由3对齿轮传动组成,则每对齿轮的传动比为4i 007.2i max 3=≤==d f d i三.齿轮齿数及参数确定滑移齿轮根据传动比的应符合v i 要求,中心距应相同,且齿数最好互质,不产生根切以及尺寸尽可能小。
让齿轮5和6采用标准齿轮啮合,20'==αα,125=z ,486=z ;齿轮7和8采用变位啮合,故啮合角20'==αα,157=z , 448=z ;齿轮9和10采用角度变位啮合,199=z ,4010=z 。
齿轮7、8、9、10都是变位齿轮,齿顶高系数*a h =1;径向间隙系数*c =0.25,分度圆压力角α=20°。
一、 设计题目 设计带式运输机中的齿轮传动:带式运输机的传动方案如下图所示,机器运行平稳、单向回转、成批生产,其他数据参见下方表格。
方案 电动机工作功率P d /kW电动机满载转速n m /(r/min) 工作机的转速n w /(r/min) 第一级传动比i 1 轴承座中心高H/mm 最短工作年限 工作环境5.1.3 3 960 110 2 180 5年2班 室外、有尘 二、 选择齿轮材料、热处理方式、精度等级考虑到带式运输机为一般机械,且仅有一级齿轮减速传动,故大、小齿轮均选用40Cr 合金钢,调质处理,采用软齿面。
大小齿面硬度为241~286HBW ,平均硬度264HBW 。
由要求,该齿轮传动按8级精度设计。
三、 初步计算传动主要尺寸本装置的齿轮传动为采用软齿面开式传动,齿面磨损是其主要失效形式。
其设计准则按齿根疲劳强度进行设计,并考虑磨损的影响将模数增大10%~15%。
齿根弯曲疲劳强度设计公式;m ≥√2KT 1ϕd z 12∙Y F Y s Y ε[σ]F3式中Y F——齿形系数,反映了轮齿几何形状对齿根弯曲应力σF的影响。
Y s——应力修正系数,用以考虑齿根过度圆角处的应力集中和除弯曲应力以外的其它应力对齿根应力的影响。
Yε——重合度系数,是将全部载荷作用于齿顶时的齿根应力折算为载荷作用于单对齿啮合区上界点时的齿根应力系数。
[σ]F——许用齿根弯曲应力。
1.小齿轮传递的转矩T1=9.55×106×P1 n1p1=η1η2P d根据参考文献[2]表9.1,取η1=0.96,η2=0.97。
由此P1=η1η2P d=0.96×0.97×3=2.7936KWT1=9.55×106×P11=9.55×106×2.79369602=55581N∙mm2.齿数Z的初步确定为了避免根切,选小齿轮z1=17,设计要求中齿轮传动比i=n1n w =960/2110=4.3636,故z2=i×z1=4.3636×17=74.1818,取z2=75。
此时的传动比误差为ε=|i−i0i|×100%=|4.3636−75/174.3636|×100%=1.1%<5%满足误差要求,故可用。
3.载荷系数K的确定由于v值未知,K v不能确定,故可初选载荷系数K t=1.1~1.8,本设计中初选K t=1.4。
4.齿宽系数ϕd的确定根据参考文献[1]表8.6,齿轮在轴承上为悬臂布置,软齿面,选取齿宽系数ϕd=0.35。
5.齿形系数Y F和应力修正系数Y s的确定根据参考文献[1]图8.19,Y F1=2.95,Y F2=2.25。
根据参考文献[2]图8.20,Y s1=1.52,Y s2=1.76。
6.重合度系数Yε的确定对于标准外啮合直齿圆柱齿轮传动,端面重合度εα=[1.88−3.2(1z1+1z2)]=[1.88−3.2(117+175)]=1.6491Yε=0.25+0.75εα=0.25+0.751.6491=0.727.许用弯曲应力[σ]F的确定[σ]F =σFlim Y N S F式中 σFlim ——计入了齿根应力修正系数之后,试验齿轮的齿根弯曲疲劳极限应力,根据参考文献[1]图8.28,取σFlim1=σFlim2=300MPa 。
S F ——齿根弯曲强度计算的安全系数;与疲劳点蚀相比,断齿的后果更为严重,故一般取S F =1.25。
Y N ——弯曲强度计算的寿命系数。
小齿轮与大齿轮的应力循环次数可按下式计算:N =60naL ℎn ——齿轮转速,r/min;a ——齿轮转一周,同一侧齿面啮合的次数;L ℎ——齿轮的工作寿命,h ;因此,N 1=60×480×1×5×250×2×8=5.76×108ℎN 2=N 1=5.76×108=1.32×108ℎ 根据参考文献[1]图8.30,取Y N1=Y N2=1.0。
因此,需用弯曲应力:[σ]F1=[σ]F2=σFlim Y N S F =300×1.01.25=240MPa 根据参考文献[1]Y F1Y S1[σ]F1=2.95×1.52240=0.01868 Y F2Y S2[σ]F2=2.25×1.76240=0.0165 因此,Y F Y S F =max {Y F1Y S1F1,Y F2Y S2F2}=0.01868 综上,可初算模数:m ≥√2KT 1ϕd z 12∙Y F Y s Y ε[σ]F 3=√2×1.4×555810.35×172×0.01868×0.723=2.746mm 对于开式齿轮传动,为考虑齿面磨损,要将上式计算出来的模数m 后,增 大10%~15%,即m =(1+15%)×2.746=3.157mm四、 计算传动尺寸1. 计算载荷系数K设计要求机器工作平稳,由参考文献[1]表8.3查得使用系数K A =1.00。
v =πdn 60×1000=πmz 1n 160×1000=π×3.157×17×48060×1000=1.349m/s 由参考文献[1]图8.7得动载荷系数K v =1.15。
由参考文献[1]图8.11得齿向载荷分布系数K β=1.10。
由参考文献[1]表8.4得齿间载荷分布系数K α=1.1。
K =K A K v K βK α=1.0×1.15×1.1×1.1=1.392由于该K 值与初设的K t 差距很小,故不必修正。
2. 圆整m n根据参考文献表8.1,圆整取第一系列标准模数4mm 。
3. 其他传动尺寸中心距a =m(z 1+z 2)2=4×(17+75)2=184mm 因此,d 1=mz 1=4×17=68mmd 2=mz 2=4×75=300mmb =ϕd d 1=0.35×68=23.8mm ,取b 2=25mmb 1=b 2+(5~10)mm ,取b 1=30mm五、 齿面接触疲劳强度的校核齿面接触疲劳强度校核计算公式:σH =Z E Z H Z ε√KF t bd 1∙u +1u≤[σ]H 式中 u——齿数比,为大齿轮齿数与小齿轮齿数之比,u =7517=4.41Z E ——材料弹性系数,由参考文献[1]表8.5,得Z E =189.8√MPaZ H ——节点区域系数,由参考文献[1]图8.14,得Z H =2.5Z ε——重合度系数,由参考文献[1]图8.15,得Z ε=0.89σH =Z E Z H Z ε√KF t bd 1∙u +1u =189.8×2.5×0.89×√1.392×2×5558123.8×682×4.41+14.41=554.6MPa许用接触应力:[σ]H =σHmin Z N S H 式中 σHmin ——试验齿轮的齿面接触疲劳极限。
由参考文献[1]图8.28,得σHmin1= σHmin2=770MPaZ N ——接触强度计算的寿命系数。
由参考文献[1]图8.29,得Z N1=1.07,Z N =1.13S H ——接触强度计算的安全系数。
取S H =1.0[σ]H =σHmin Z N S H =770×1.071.0=823.9MPa 因此有σH ≤[σ]H ,满足齿面接触疲劳强度要求。
六、 计算齿轮传动其他尺寸1. 齿轮结构型式的确定对于大齿轮,齿顶圆直径:d a =d 2+2ℎa =mz 2+2mℎ∗=4×75+2×4×1=308mm由于200mm <d a ≤500mm ,故采用腹板式结构。
为降低成本、提高效率、适于批量生产,采用模锻的加工方法,起模斜度为1:10。
同理对于小齿轮,d a =d 1+2ℎa =mz 1+2mℎ∗=76mm由于d a ≤200mm ,采用实心式结构。
2. 轮毂孔径的确定大齿轮轮毂孔径是根据与孔相配合的轴径确定,此处按照扭矩初算轴径d ≥C 3√P n式中 P——轴传递的功率,由参考文献[2]表9.1可知8级精度的一般齿轮传动效率η3=0.97,因此P =η3P 1=0.97×2.7936=2.71kWC——由许用扭转剪应力确定的系数,由参考文献[1]表10.2得C=112~97MPa ,对于大齿轮,不安装在轴端部,取较大值C=110MPa ,因此d ≥C 3√P n =110√2.711103=32.00mm 轴和大齿轮连接时用键连接,轴和联轴器连接时用键连接,即轴颈上有2个键槽,应将轴径增大10%,即d ≥(1+10%)×32.00=35.21mm ,根据参考文献[2]表9.4取d=36mm 。
对于小齿轮,安装在轴端部,其C 值应取较小值,即取C '=100MPa ,因此d ′≥C ′3√P n =100√2.711103=29.10mm 轴和小齿轮连接时用键连接,轴和V 带大轮连接时用键连接,即轴颈上有2个键槽,应将轴径增大10%,即d’≥(1+10%)×29.10=32.01mm ,取d’=32mm 。
3. 大齿轮结构尺寸的确定参照参考文献[1]图8.38:d k=36mm,D1≈1.6d k=57.6mm,取D1=58mmD2≈d a−10m=268mmL=(1.2~1.5)d k=43.2~54mm,取L=50mmc=(0.2~0.3)b=5~7.5mm,取c=7mmD0≈0.5(D1+D2)=163mmd0≈0.25(D2−D1)=52.5mm,取d0=52mmδ0=(2.5~4)m=10~16mm≥10mm,取δ0=10mm4.键连接设计对于大齿轮一侧:使用圆头普通平键(A型),根据参考文献[2]表11.28,可知公称尺寸b×h=10×8,初选L=45mm,材料选用45#优质碳素钢。
根据公式校核强度:σP=2Tkld≤[σ]P式中σP——工作面的挤压应力;T——传递的扭矩,T=T1=55581N∙mm;L——键的工作长度,对于该A型平键,l=L−b=35mmk——键与毂槽的接触高度,取k=h/2=4mm;[σ]P——许用挤压应力,由参考文献[1]表6.1,取[σ]P=120MPaσP=2Tkld=2×555814×35×36=22.05MPa≤[σ]P即该键满足要求。