哈工大机械设计大作业一千斤顶
- 格式:docx
- 大小:320.02 KB
- 文档页数:10
提供完整版的各专业毕业设计,哈尔滨工业大学机械设计大作业设计说明书题目:螺旋起重器的设计专业:学号:姓名:日期:题目:设计起重质量F Q =30kN ,最大起重高度为180mm 的千斤顶. 解:1. 选择螺杆、螺母材料螺杆由45#钢调质,由参考文献查得抗拉强度为600,355b s MPa MPa σσ==。
螺母材料用铝青铜ZCuAl 11Fe 3制作。
2. 耐磨性计算螺杆选用45钢,螺母选用铸造铝青铜ZCuAl 11Fe 3,由参考文献查得[p ]=10~25MPa,查得人力驱动时[p ]值可加大20%,则[p ]=21.6~30MPa ,不妨取[p ]=25MPa.按照耐磨性条件设计螺纹中径d 2(文中出现的尺寸见附图),选用梯形螺纹则2d ≥ 1.2~2.5ψ=,取2ψ=。
则有219.6d mm ≥== 式中:F Q ——轴向载荷,单位N ; d 2 ——螺纹中径,单位mm ; [p ]——许用压强,单位MPa 。
H dψ=查阅参考文献,取公称直径d =28 mm ,螺距P =3 mm ,中径d 2=26.5 mm ,小径d 3=24.5 mm ,内螺纹大径D 4=28.5 mm 。
3螺杆强度校核螺杆危险截面的强度条件为:[]e σσ=≤ 式中:F Q ——轴向载荷,单位N ; d 3 ——螺纹小径,单位mm ;T 1——螺纹副摩擦力矩,21tan('),2Q d T F ψρψ=+为螺旋升角,213arctanarctan 2.063726.5np d ψππ⨯===⨯; []σ——螺杆材料的许用应力,单位MPa 。
查参考文献得钢对青铜的当量摩擦系数'0.08~0.10f =,取'0.09f =,螺纹副当量摩擦角'arctan 'arctan 0.09 5.1427f ρ===。
把已知的值带入T 1的计算公式中,则得130000tan(2.0637 5.1427)28.50.554054T N mm =⨯︒+︒⨯⨯=⋅70.4e MPa σ==查参考文献[1]表5.9可以查得螺杆材料的许用应力[]3~5sσσ=,355s MPa σ=,[]71~118MPa σ=,取[]95MPa σ=。
螺旋千斤顶大作业院系机械工程专业年级车辆工程141设计者周六圆指导教师陈丰2016 年 10 月 6 日..要求1、总体设计结构合理,操作方便(可自己设计结构如用侧面手柄上下往复式或脚踏式等);2、设计要求:绘制千斤顶装配图,主要零件图两张(计算机绘图,二维图必须,三维图随便),完整的设计说明书;3、网上有类似内容(哈工大机械设计大作业),不得抄袭;4、大胆创新,发动脑筋,奇思妙想,功能和结构上创新;5、螺杆和螺母材料自定,原始数据不同,具体分配如下:根据学号1608140134尾数可得:起重量为35KN起重高度为200mm第一部分千斤顶的概述千斤顶又叫举重器、顶重机、顶升机等,是一种用比较小的力就能把重物顶升、下降或移位的简单起重机具,也可用来校正设备安装的偏差和构件的变形等。
千斤顶主要用于厂矿、交通运输等部门作为车辆修理及其它起重、支撑等工作。
其结构轻巧坚固、灵活可靠,一人即可携带和操作。
千斤顶是用刚性顶举件作为工作装置,通过顶部托座或底部托爪在小行程内顶升重物的轻小起重设备,千斤顶的顶升高度一般为400mm,顶升速度一般为10-35mm/min,起重能力最大可达500t。
第二部分螺旋传动的设计与计算2.1螺旋传动的应用和类型螺旋传动是利用螺杆(丝杠)和螺母组成的螺旋副来实现传动要求的。
它主要用于将回转运动转变为直线运动,同时传递运动和动力。
它具有结构紧凑、转动均匀、准确、平稳、易于自锁等优点,在工业中获得了广泛应用。
(1)按螺杆与螺母的相对运动方式,螺旋传动可以有以下四种运动方式:①螺母固定不动,如图(a)螺杆转动并往复移动,这种结构以固定螺母为主要支承,结构简单,但占据空间大。
常用于螺旋压力机、螺旋千斤顶等。
②螺母转动,如图(b)螺杆做直线移动,螺杆应设防转机构,螺母转动要设置轴承均使结构复杂,且螺杆行程占据尺寸故应用较少。
③螺母旋转并沿直线移动,如图(c)由于螺杆固定不动,因而二端支承结构较简单,但精度不高。
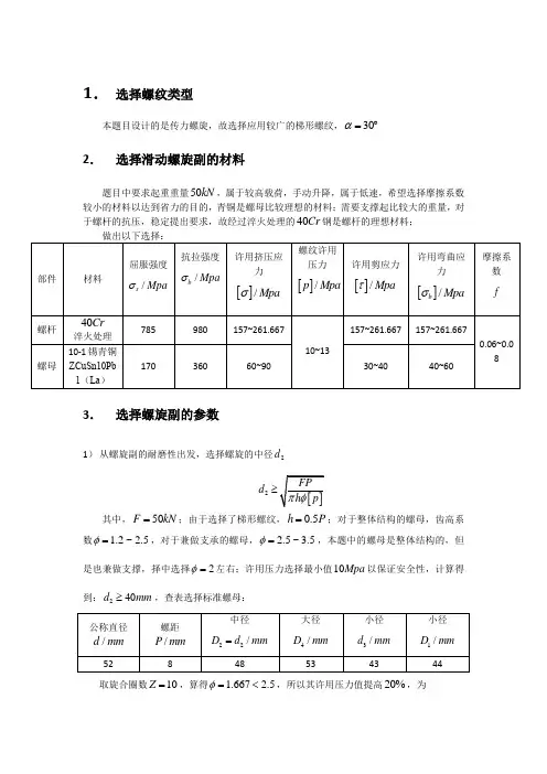
1. 选择螺纹类型本题目设计的是传力螺旋,故选择应用较广的梯形螺纹,30α=︒2. 选择滑动螺旋副的材料题目中要求起重重量50kN ,属于较高载荷,手动升降,属于低速,希望选择摩擦系数较小的材料以达到省力的目的,青铜是螺母比较理想的材料;需要支撑起比较大的重量,对于螺杆的抗压,稳定提出要求,故经过淬火处理的40Cr 钢是螺杆的理想材料;做出以下选择:3. 选择螺旋副的参数1) 从螺旋副的耐磨性出发,选择螺旋的中径2d2d ≥其中,50F kN =;由于选择了梯形螺纹,0.5h P =;对于整体结构的螺母,齿高系数 1.2~2.5φ=,对于兼做支承的螺母, 2.5~3.5φ=,本题中的螺母是整体结构的,但是也兼做支撑,择中选择2φ=左右;许用压力选择最小值10Mpa 以保证安全性,计算得到:240d mm ≥,查表选择标准螺母: 取旋合圈数10Z =,算得 1.667 2.5φ=<,所以其许用压力值提高20%,为12~15.6Mpa ,校核最大压力是不是在许用压力范围之内:[]min 28.28912Fp Mpa p Mpa Z d hπ==<=最大压力在许用压力之内,此选择是安全的。
2) 螺纹牙强度校验:剪切强度校核:[]min 5.77530FMpa Mpa Z Db ττπ==<=弯曲强度校核:()[]422min 316.65840b b F D D Mpa Mpa Db Zσσπ-==<= 由以上两式可以看出该螺母满足螺纹牙强度条件。
3) 螺杆稳定性校验:螺杆的柔度14ld μλ=,其中由于是两端固定支撑,0.5μ=,0.3l m =,1d 的选择考虑到加工时的退刀,所以13d d <,取10.04d m =,所以1560λ=<,根据课本中“优质碳素钢、合金钢的60λ<不必进行稳定性校核”可以保证该螺杆满足稳定性要求。
4) 自锁性校验:自锁发生的条件是:v γρ≤,其中2tan nPd γπ=,由于是单线螺纹,1n =, 3.037γ=︒;arctancos2v f ρα=,取0.07f =,得到 4.145v ρ=︒。
机械设计大作业螺旋千斤顶姓名:学号:专业班级:机制094 班按第四强度理论,压-扭组合校核][)2.0(3)4(2311221σπσ≤+=d T d F ca 22234223/75][/0.60)252.010258.9(3)3510254(mm N mm N ca =<=⨯⨯⨯+⨯⨯⨯=σπσ满足要求图1螺杆受力图 2.自锁性验证 自锁条件 v ϕψ<其中︒=77.3ψ ︒=55.10v ϕ故 v ϕψ<,可用034~4'︒︒<ψ,可靠3.螺杆机构(见图3.1.2) 螺杆上端直径mm d D 8.60~4.5432)9.1~7.1()9.1~7.1(2=⨯== 取 mm D 602=手柄孔径)1~5.0(+≈p k d d 试中:mm d p 28=(计算在后) 则 mm d k 29~5.28)1~5.0(28=+= 取 mm d k 29=,4.22~2.1932)7.0~6.0()7.0~6.0(mm d d =⨯==' 取mm d 22='退刀槽直径8.24~5.24)5.0~2.0(25)5.0~2.0(1=-=-=d d c mm2/0.60mm N ca =σ满足螺杆强度要求mm D 602=mm d k 29= mm d 25='图2 螺杆简图(二)螺母的设计计算螺母的材料选用铸铁HT300 1.确定螺纹旋合圈数Z 依[1]P120式(6-19),根据耐磨性计算螺纹旋合圈数Z ,即]['2p hH d FP P ≤=π hp d Fz ][2π≥ 由[1]P120表6.5,查取2/15][mm N P =(滑动速度<2.4m/min)10.63152910253=⨯⨯⨯⨯≥πz螺母实际圈数6.75.110.65.1'=+=+=z z取 8'=z ,则5.65.185.1'=-=-=z z螺母旋合长度(又叫工作高度) mm P z H 4868''=⨯=⋅=校核螺母的高径比,655.129/48/'2===Φd H ,查[1]P120,兼作支撑的螺母5.3~5.2=φ,不能满足要求。
机械设计大作业二-设计螺旋起重器(千斤顶)机械设计大作业报告二:设计螺旋起重器(千斤顶)一、设计题目:螺旋起重器(千斤顶)的设计二、设计背景与目的在工程领域,起重器是必不可少的设备之一,用于进行物体的提升、降落和搬运。
螺旋起重器作为一种常见的起重器,具有结构简单、操作方便、稳定性好等优点。
本次设计的目的是设计一款结构合理、性能稳定的螺旋起重器(千斤顶),以满足实际工程应用的需求。
三、设计要求与参数1.设计要求(1)最大起重量:1000kg(2)最大起重高度:100mm(3)螺旋直径:16mm(4)螺旋长度:根据实际需要确定(5)设备应具有足够的强度和稳定性,能够承受较大的载荷和冲击。
2.设计参数(1)材料选择:优质碳素结构钢(如Q235)(2)驱动方式:手动操作(3)传动方式:螺旋传动(4)结构形式:采用紧凑型设计,便于携带和使用。
四、设计步骤与方案1.确定总体方案根据设计要求和参数,确定螺旋起重器的总体方案。
主要包括传动方式、结构形式、操作方式等。
考虑到手动操作的特点,设计时应注重设备的便携性和易用性。
2.结构设计根据总体方案,进行结构设计。
主要包括螺旋部分的长度、直径和材质选择,以及支撑部分的材料和结构形式等。
在设计过程中,应考虑到设备的强度、刚度和稳定性要求。
3.传动系统设计根据总体方案和结构设计,进行传动系统的设计。
主要包括传动轴的直径、长度和材质选择,以及齿轮或蜗轮蜗杆等传动元件的选择和设计。
在设计过程中,应考虑到传动效率、平稳性和使用寿命等因素。
4.操作系统设计根据总体方案和结构设计,进行操作系统的设计。
主要包括操作手柄的形状、长度和材质选择,以及操作机构的运动方式和结构设计等。
在设计过程中,应考虑到操作简便、省力和安全等因素。
5.校核与分析对所设计的螺旋起重器进行校核与分析,主要包括强度校核、刚度校核和稳定性分析等。
确保设备能够满足实际工程应用的要求,具有较高的安全性和可靠性。
6.图纸绘制与说明根据所设计的螺旋起重器,绘制相关图纸,包括总装图、部件图和零件图等。
哈尔滨工业大学机械设计作业设计计算说明书题目: 设计螺旋起重器(千斤顶)系别: 机电工程学院班号: ******姓名: *******日期: 2013年10月3日哈尔滨工业大学哈尔滨工业大学 机械设计大作业任务书题目: 设计螺旋起重器1.选择螺杆、螺母的材料螺杆采用45#钢调制,由参考文献[2]表10.2查得抗拉强度600b Mpa σ=,355s Mpa σ=。
螺母材料用铝黄铜ZCuAl10Fe3(考虑速度低)。
2.耐磨性计算螺杆选用45#钢,螺母选用铸造铝黄铜ZCuAl10Fe3,由参考文献[1]表 5.8 查得[]p =1825Mpa从表 5.8 的注释中可以查得,人力驱动时[]p 值可以加大20%,则[]p =21.630Mpa ,取[]25p Mpa =。
按耐磨性条件设计螺纹中径2d ,选用梯形螺纹,则2d ≥由参考文献[1]查得,对于整体式螺母系数2ψ==1.2—2.5,取2ψ=。
则 QF F式中:Q F ——————轴向载荷,N ;2d ——————螺纹中径,mm ;[]p ——————许用压强,Mpa ;查参考文献[2]表11.5取公称直径28d mm =,螺距3P mm =,中径226.5d mm =,小径324.5d mm =,内螺纹大径428.5D mm =。
3.螺杆强度校核螺杆危险截面的强度条件为e []σσ=≤式中:Q F -----轴向载荷,N ;3d -----螺纹小径,mm ;1T -----螺纹副摩擦力矩,21tan(')2Q d T F ψρ=+ψ为螺纹升角,213arctanarctan 2.063726.5np d ψππ⨯===︒⨯; []σ-----螺杆材料的许用应力,Mpa 。
查参考文献[1]表5.10得钢对青铜的当量摩擦因数'0.08~0.10f =,取'0.09f =,螺纹副当量摩擦角'arctan 'arctan 0.09 5.1427p f ===︒,取' 5.7106ρ=。
H a r b i n I n s t i t u t e o f T e c h n o l o g y机械设计大作业说明书大作业名称:机械设计大作业设计题目:螺旋传动设计班级:设计者:学号:指导教师:设计时间:哈尔滨工业大学目录一. 设计任务书∙∙∙∙∙∙∙∙∙∙∙∙∙1 二.千斤顶设计∙∙∙∙∙∙∙∙∙∙∙∙∙1 1材料选则∙∙∙∙∙∙∙∙∙∙∙∙∙1 2耐磨性计算∙∙∙∙∙∙∙∙∙∙∙∙∙1 3强度及稳定性校核∙∙∙∙∙∙∙∙∙∙∙∙∙24螺母及手柄设计∙∙∙∙∙∙∙∙∙∙∙∙∙45底座设计∙∙∙∙∙∙∙∙∙∙∙∙∙5 三.参考文献∙∙∙∙∙∙∙∙∙∙∙∙∙6一、设计任务书:设计一个起重器F Q =40KN ,最大起重高度H=200mm 的螺旋起重器。
二、设计千斤顶: 1.选择螺杆、螺母的材料螺杆采用45钢调质,由参考文献[1]查表10.2得600,355b s MPa MPa σσ==。
螺母材料用铝青铜ZCuA110Fe3(考虑速度低) 2.耐磨性计算螺杆选用45钢,螺母选用铸造铝青铜ZCuA110Fe3,由参考文献[2]表8.11查得[p]=18~25MPa ,从注释中可以查得,人力驱动时[p]值可加大20%,则[p]=21.6~30MPa ,取[p]=25MPa 。
按耐磨性条件设计螺纹中径d 2,选用梯形螺纹,则2d ≥[2]查得,对于整体式螺母系数ψ=1.2 2.5,取ψ=2,则式中:F Q ——轴向载荷,N ; d 2——螺纹中径,mm ; [p]——许用压强,MPa 。
查参考文献[3]附表5取公称直径d=30mm ,螺距P=3mm ,中径d 2=28.5mm ,小径d 3=26.5mm ,内螺纹大径D 4=30.5mm22.6mm =2d ≥3.螺杆强度校核螺杆危险截面的强度条件为:式中:F Q ——轴向载荷,N ; d 3——螺纹小径,mm ;T 1——螺纹副摩擦力矩,21tan()2Q d T F ψρ'=+,ψ为螺纹升角,213arctanarctan 2.0637;26.5np d ψππ⨯===︒⨯ [σ]——螺纹材料的许用应力,MPa 。
目 录一、设计题目-----------------------------------------------------------------------------------------------------2 二、螺母、螺杆选材-------------------------------------------------------------------------------------------2 三、螺杆、螺母设计计算3.1 耐磨性计算-----------------------------------------------------------------------------------------------2 3.2 螺杆强度校核--------------------------------------------------------------------------------------------3 3.3 螺纹牙强度校核-----------------------------------------------------------------------------------------3 3.4 螺纹副自锁条件校核----------------------------------------------------------------------------------4 3.5 螺杆稳定性校核-----------------------------------------------------------------------------------------4 四、螺母外径及凸缘设计------------------------------------------------------------------------------------5 五、手柄设计----------------------------------------------------------------------------------------------------5 六、底座设计----------------------------------------------------------------------------------------------------6 七、其余各部分尺寸及参数---------------------------------------------------------------------------------7 八、参考资料-----------------------------------------------------------------------------------------------------8一、 设计题目螺旋起重器(千斤顶)已知条件:起重量F Q =40KN ,最大起重高度H=200mm 。
H a r b i n I n s t i t u t e o f T e c h n o l o g y机械设计大作业说明书设计题目:螺旋起重器院系:能源科学与工程学院班级:设计者:学号:指导教师:张锋设计时间: 2015.10.18目录一、设计题目.................................. - 1 -二、螺杆、螺母选材............................ - 2 -三、螺杆、螺母设计计算........................ - 2 -3.1 耐磨性计算............................ - 2 -3.2 螺杆强度校核.......................... - 3 -3.3螺母螺纹牙的强度校核.................... - 4 -3.4 螺纹副自锁条件校核.................... - 5 -3.5螺杆的稳定性校核........................ - 5 -四、螺母外径及凸缘设计........................ - 6 -五、手柄设计.................................. - 6 -5.1手柄长度................................ - 6 -5.2手柄直径................................ - 7 -六、底座设计.................................. - 7 -七、其余各部分尺寸及参数...................... - 8 -八、参考文献.................................. - 8 -哈尔滨工业大学机械设计作业任务书一、设计题目螺旋起重器是一种简单的起重装置,用手推动手柄即可提升重物。
H a r b i n I n s t i t u t e o f T e c h n o l o g y机械设计大作业说明书设计题目:螺旋起重器院系:能源科学与工程学院班级:设计者:学号:11指导教师:**设计时间:2015.10.18目录一、设计任务书--------------------------------------------------------------------------------------------------2二、螺母、螺杆选材-------------------------------------------------------------------------------------------3三、螺杆、螺母设计计算3.1 耐磨性计算-----------------------------------------------------------------------------------------------3 3.2 螺杆强度校核--------------------------------------------------------------------------------------------3 3.3 螺纹牙强度校核-----------------------------------------------------------------------------------------4 3.4 螺纹副自锁条件校核----------------------------------------------------------------------------------53.5 螺杆稳定性校核-----------------------------------------------------------------------------------------5四、螺母外径及凸缘设计------------------------------------------------------------------------------------6五、手柄设计----------------------------------------------------------------------------------------------------7六、底座设计----------------------------------------------------------------------------------------------------7七、其余各部分尺寸及参数---------------------------------------------------------------------------------8八、参考资料-----------------------------------------------------------------------------------------------------9哈尔滨工业大学机械设计作业任务书设计题目:螺旋起重器是一种简单的起重装置,用手推动手柄即可提升重物。
设计作业一
设计一种用于小型汽车、轿车的螺旋起重器(千斤
顶)。
已知起重量15kN,升程300mm。
工作量:装配图一张(A4),设计计算说明书一份。
结构方案设计参考图如图1,其它参考方案见专利
(申请号95105009)和专利(申请号98103186)。
检索项目:摘要
关键字:千斤顶
设计作业二
(1)轴与曲柄之间采用了图2所示的双销联接方式,所传递的力矩T=35m
N⋅。
请设计该销联接,并写出销的标准代号。
已知轴的材料为Q275钢,曲柄的材料为HT200。
(2)另一轴与曲柄采用了图3所示的胶接联接,传递力矩T=35m
N⋅,胶粘剂的剪切强度极限τB=25MPa,安全系数S=1.2,请设计该联接(求L)。
轴和曲柄的材料均为Q235。
(3)曲柄采用了图4所示方式直接焊接在轴端。
传递的力矩T=100m
N⋅,焊缝的许用切应力[τ′]=59MPa。
请核算该焊缝的强度,轴和曲柄的材料均为Q235。
图1
图2 图3 L
3
图4。
哈尔滨工业大学机械设计作业设计说明书题目:设计螺旋起重器(千斤顶)姓名:柳成林系别:机电工程学院班号:0608109学号:1060810928日期:2009年10月5日哈尔滨工业大学机械设计作业任务书题目:设计螺旋起重器(千斤顶)设计原始数据:起重量Q=50kN, 最大起重高度H=150mm,用力F在250N与500N之间.说明螺旋起重器的结构见图,螺杆7和螺母6是它的主要零件。
螺母6用紧定螺钉5固定在底座8上。
转动手柄4时,螺杆即转动并上下运动。
托杯1直接顶住重物,不随螺杆转动。
安全板3防止托杯脱落,安全板9防止螺杆由螺母中全部脱出。
对这一装置主要的要求是:保证各零件有足够的强度、耐磨性、能自锁、稳定性合格等。
工作量1.设计计算说明书一份,主要包括起重器各部分尺寸的计算,强度,自锁性,稳定性校核等。
2.装配图一张,画出起重器的全部结构,标注出必要的尺寸与零件编号,填写标题栏与明细表。
目录一、强度校核- 3 -1.耐磨性计算-3-2.螺杆强度校核-3-3.螺纹牙的强度校核-4-4.自锁条件校核-5-5.螺杆的稳定性校核-5-6.螺母外径及凸缘设计-6-7.手柄设计-6-8.底座设计-7-二、主要部件尺寸- 8 -三、设计总结- 8 -参考文献- 9 -一、强度校核1.耐磨性计算螺杆选用45号钢正火,螺母选用铸造铝青铜ZCUAl10Fe3,选用梯形螺纹,0.5h p=228.3d m m ≥==式中2d ——梯形螺纹的中径(mm ) F——起重载荷(N )ψ——系数,整体式螺母,取2ψ=[]p ——螺旋副的许用压强(MPa ),由参考文献[1]表5.8,钢对青铜,人力驱动,取[]20p MPa =2.螺杆强度校核[]σσ=≤对于梯形螺纹122.3d m m ≥==1d ——螺杆螺纹小径(mm )[]σ——螺杆材料的需用应力(MPa ),这里取[]1603sM P a σσ==F——螺杆所受轴向力(N )综合1、2的计算结果,保守考虑,由参考文献[2]表11.5得到,选用第二系列127d m m =,231d m m =,34d m m =,6p mm = 又由2tan npd ψπ=式中 n ——线数,这里1n =p——螺距得到16tan 0.0616313.525ψπψ⨯==⨯=3.螺纹牙的强度校核a)螺纹牙危险截面处的剪切强度式:[]Fd bzττπ=≤'式中F——轴向载荷(N)'d——螺母螺纹大径(mm)z——螺纹旋合圈数H z p=,其中262H d m m ψ== ,则62106z ==b——螺纹牙根部厚度,梯形螺纹b=0.65p=0.656=3.9mm ⨯[]τ—螺母材料的许用剪应力,由参考文献[1]查表5.9得到MPa 35][=τ5011.66035 3.910kM P aτπ==⨯⨯⨯显然满足][ττ≤ b)弯曲强度条件式:23[]b bF hd zbσσπ=≤'式中h——螺纹牙的工作高度(mm),梯形螺纹0.50.563h p mm ==⨯= []bσ—螺母材料的许用弯曲应力,由参考文献[1]查表 5.9得到[]60b M P a σ=其它如上2350326.9073510 3.9b k M P aσπ⨯⨯==⨯⨯⨯显然满足[]b bσσ≤综上所述,螺纹牙的强度满足条件4.自锁条件校核由参考文献[1]表5.10得到当量摩擦系数,钢对青铜:0.08~0.10f =(运转时~启动时)得到4.574'5.710ρ≤≤而3.525ψ=显然满足ψρ'≤,故满足自锁条件5.螺杆的稳定性校核受压螺杆的稳定性条件式为2.5~4c F F≥式中c F ——螺杆稳定的临界载荷(N)螺杆的柔度值14l d μλ=式中 μ——螺杆长度系数,由参考文献[1]查表5.11得到2μ=l ——螺杆最大工作长度,取l 为螺母中部到另一支点间的距离11502H l h l =+++退刀槽初选手柄直径为26d m m =手柄,1(1.8~2)46.8~52h d m m ==手柄,取147h m m =、62m mH =,查参考文献[2]表11.25得7.5m m l =退刀槽,则62150477.5235.52l m m=+++=1d ——螺杆螺纹小径(mm )此时有1442235.569.825l d μλ⨯⨯===对于淬火钢螺杆85λ<21249010.00024c d F πλ=+式中 λ——螺杆的柔度值1d ——螺杆螺纹小径(mm )此时有2249027142.110.000269.84c F kN π==+142.1 2.8450c F F ==满足稳定性条件6.螺母外径及凸缘设计2321.5 1.534511.4 1.44871.4(0.2~0.3)(0.2~0.3)6212.4~18.6D d m m D D m mb H m m≈=⨯=≈=⨯===⨯=取15b m m =7.手柄设计加在手柄上的力需要克服螺纹副之间相对转动的阻力矩和托杯支承面间的摩擦力矩设s F 为加在手柄上的力,取250s F N =,'L 为手柄长度。
机械设计大作业螺旋起重器设计说明书一、 设计题目(3.1.3)螺旋起重器(千斤顶)已知条件:起重量F Q =50KN ,最大起重高度H=150mm 。
二、 螺杆、螺母选材本千斤顶设计采用梯形螺纹螺旋传动。
由于螺杆承受载荷较大,而且是小截面,故选用45#钢,调质处理。
查参考文献[2]表10.2得σs=355MPa,5~3][s σσ=,取[σ]=110MPa; σb =600MPa 。
由于千斤顶属于低速重载的情况,且螺母与螺杆之间存在滑动磨损,故螺母采用强度高、耐磨、摩擦系数小的铸铝青铜ZCuAl10Fe3(考虑速度低),查表得螺母材料的许用切应力M P a 40~30][=τ,取][τ=35MPa ;许用弯曲应力 [σb ]=40~60MPa, 取[σb ]=50MPa 。
托杯和底座均采用铸铁材料。
三、 螺杆、螺母设计计算3.1 耐磨性计算由耐磨性条件公式:][2p Hh d pF A F Ps ≤⋅⋅⋅⋅==π对于梯形螺纹,有h=0.5p,那么耐磨性条件转化为: 20.8[]Fd p ψ≥式中 2d ——螺纹中径,mm;F ——螺旋的轴向载荷,N ; H ——螺母旋合高度,mm;ψ ——引入系数,ψ=H/2d ;[p]——材料的许用压强,MPa;查机械设计表 5.8,得[p]=18~25MPa ,取[p]=20MPa ,对于整体式螺母,5.2~2.1=ψ,取ψ=2.0,那么有mm MPaKN d 3.2820*0.2508.02=≥。
查参考文献[4]表H.5,试取公称直径d=36mm,螺距p=6mm,中径d 2=33mm,小径d 1=29mm,内螺纹大径D 4=37mm 。
那么螺母高度mm d H 6633*0.22==⋅=ψ,螺纹圈数11666===pH z ,按要求取10,α=2β=30°。
3.2 螺杆强度校核千斤顶螺杆危险截面受轴向力F 和扭转力矩T 1的作用,这里的扭转力矩是螺纹副的摩擦转矩T 1。
Harbin Institute of Technology 哈尔滨工业大学 机械设计作业设计计算说明书
题目:设计螺旋起重器(千斤顶) 系别: 班号: 姓名: 日期: Harbin Institute of Technology 哈尔滨工业大学 机械设计作业任务书
题 目:设计螺旋起重器 设计原始数据:题号3.1.1 起重量Fq=30 kN 最大起重高度H=180mm 一 选择螺杆、螺母的材料 螺杆采用45#调制钢,由参考文献[2]表10.2查得抗拉强度b600 MPa,s355 MPa。 螺母材料用铝黄铜ZCuAl10Fe3。
二 耐磨性计算
螺杆选用45# 钢,螺母选用铸造铝黄铜ZCuAl10Fe3,由参考文献[1]表 5.8 查得[]p=18~25MPa 从表 5.8 的注释中可以查得,人力驱动时[]p值可以加大20%,则[]p=21.6~30MPa
取[]25MPap 。 按耐磨性条件设计螺纹中径2d,选用梯形螺纹,则
20.8[]QFdp 由参考文献[1]查得,对于整体式螺母系数2=1.2—2.5,取2。 则
式中:QF-----轴向载荷,N; 2d-----螺纹中径,mm;
[]p-----许用压强,MPa;
查参考文献[2]表11.5取公称直径28dmm,螺距3Pmm,中径226.5dmm,小径
324.5dmm,内螺纹大径428.5Dmm。
三 螺杆强度校核 螺杆危险截面的强度条件为:
2300000.80.819.6[]225QFdmmmmp
221e23
33
4163[]QFT
dd
(2)
式中:QF-----轴向载荷,N; 3d-----螺纹小径,mm;
1T-----螺纹副摩擦力矩,2
1tan(')2Q
dTF (3)
为螺纹升角,=arctan
np𝜋𝑑2=arctan1×3
𝜋×26.5=2.0637°;
[]-----螺杆材料的许用应力,MPa。
查参考文献[1]表5.10得钢对青铜的当量摩擦因数'0.08~0.10f,螺纹副当量摩擦角'arctan'arctan0.08~arctan0.104.5739~5.7106f,取'5.7106(由表5.10的注
释知,大值用于启动时,人力驱动属于间歇式,故应取用大值)。把数据代入(3)式中,得
把数据代入(2)式中,得
由参考文献[1]表5.9可以查得螺杆材料的许用应力 s[]4 (4)
其中s355 MPa,则 []88.75aMP 显然,e[],螺杆满足强度条件。
四 螺母螺牙强度校核 螺母螺纹牙根部的剪切强度条件为 4[]QFZDb (5)
式中:QF-----轴向载荷,N; 4D-----螺母螺纹大径,mm;
126.530000tan(2.06375.1427)502612TNmm•
2233
4300001650261()3()70.424.524.5eMPa
Z-----螺纹旋合圈数,取10Z;
b-----螺纹牙根部厚度,梯形螺纹0.650.653 mm1.95 mmbp;
[]-----螺母材料的许用切应力。
代入数据计算得
查参考文献[1]表5.9螺母材料的许用切应力[]30~40 MPa,显然[]。 螺纹牙根部的弯曲强度条件为
bb2
4
3[]QFlDZb (6)
式中:QF-----轴向载荷,N;
l-----弯曲力臂,; 4D-----螺母螺纹大径,mm;
Z-----螺纹旋合圈数,取10Z;
b-----螺纹牙根部厚度,mm;
b[]-----螺母材料的许用弯曲应力。
数据代入式(6)得
查参考文献[1]表5.9螺母材料的许用切应力b[]40~60 MPa。 显然bb[],即满足螺纹牙的强度条件。
五 自锁条件校核 因螺纹升角2.0637,螺纹副当量摩擦角'5.1427 ' 所以满足自锁条件。
六 螺母外径及凸缘设计
3000017.21028.519.5MPaMPa
4228.526.5122Ddlmmmm
2330000126.4351028.51.95bMPaMPa
由经验公式知, 螺纹外径21.51.52mm42mmDd
螺纹凸缘外径3231.41.44258.8,D60mmDDmmmm取。 螺纹凸缘厚b=(0.2~0.3)H=(0.2~0.3)×30=6~9mm,取b=8mm。
七 手柄设计 加在手柄上的力需要克服螺纹副之间相对转动的阻力矩和托杯支承面间的摩擦力矩。 设F为加在手柄上的力,L为手柄长度,则
12FLTT (7)
式中:1T-----螺纹副摩擦力矩,Nmm;
2T-----托杯支承面间的摩擦力矩,Nmm。
其中 1T=59971Nmm, 3312221[(2~4)](2)13[(2~4)](2)Q
DDTfFDD
(8)
式中:f-----托杯支承面间摩擦因数; QF-----轴向载荷,N; (2~4)D、1D见下图。 (1.6~1.8)(1.6~1.8)28 mm=(44.8~50.4) mm 50mmDd,取48mm。 1(0.6~0.8)(0.6~0.8)28 mm(16.8~22.4) mm20mmDd,取。
(0.8~1)(0.8~1)50 mm(40~50)mm44hD,取46mm。
21(0.6~0.8)(0.6~0.8)20 mm(12~16)mm14mmhD,取。
𝐷𝑡=(2.0~2.5)𝑑=(2.0~2.5)×28mm=(48~70)mm,取56mm。 110 mm,6 mma,6 mmt
。
Q2150.12f托杯铸铁,手柄,摩擦因数 3312221[(2~4)](2)13[(2~4)](2)Q
DDTfFDD
得262669 NmmT。 取F=200N,则12
59971.4662668.657mm408.8 mm300TTLF59971.46+62668.657
200=613.2 mm,取200 mmL,加套筒长
550~650 mm。 手柄直径
30.1[]
b
FLd手柄 (9)
手柄材料的许用弯曲应力s[]1.5~2b (10) 其中s205 MPa,则可取[]110MPab。设F=200 N 数据代入式(9),得
𝑑手柄≥√200×613.20.1×1103=22.4 mm 取手柄直径24 mmd手柄。
八 螺杆的稳定性校核 螺杆的柔度值 · 3
4ll
id
(12)
式中:-----长度系数,对千斤顶,可看作一端固定、一端自由,取2; 3d-----螺纹小径,mm;
l-----螺杆的最大工作长度,取螺母中部到另一端支点间的距离,则
11802Hlhl螺母退刀槽 (13)
103 mm30 mmHZP螺母
l退刀槽指螺杆与手柄座相接处的尺寸,查手册知,9mml退刀槽。
手柄直径24 mmd手柄,由结构尺寸经验公式1(1.8~2)43.2~48 mmhd手柄,取
145 mmh,则
(18015459)mm249mml 数据代入式(12),得
344224970.09028.5ld
对于45调质钢,当90时: 22
1c22
34034024.5F8847110.00013410.00013794dN
因此,满足稳定性要求。 九 底座设计 螺杆下落到底面,再留20~30 mm空间,底座铸造起模斜度1:10,厚度为10 mm。 5D由结构设计确定,5100 mmD104。
451.41.4100 mm140 mmDD1.4×110=154。
校核底面的挤压应力:
4P2222
5
400003.64 MPa()(146104)44QFDD
40000
𝜋4(1542−1042)
=3.64MPa
底面材料选择铸铁HT100,查参考文献[2]表10.3得铸件壁厚S=(1.5~2)15~20 mm时,
884712.952.530000cFF