重庆建设工程竣工验收意见书(最新)
- 格式:doc
- 大小:183.50 KB
- 文档页数:23
建设工程质量竣工验收意见书范本的验收评定与评分尊敬的业主:经过质量监督和验收专家组的共同努力,对贵公司所承接的建设工程项目进行了全面的竣工验收评定与评分。
根据国家相关法规和标准的要求,结合实际情况进行综合评估。
现将验收评定与评分结果向贵公司汇报如下,并提出相关的建议和意见。
一、项目信息概述:1. 项目名称:2. 项目地点:3. 建设单位:4. 监理单位:5. 施工单位:6. 综合验收时间:二、工程质量评定:1. 基础设施:评定结果:评分依据:质量问题及建议: 2. 结构工程:评定结果:评分依据:质量问题及建议: 3. 建筑工程:评定结果:评分依据:质量问题及建议: 4. 电气工程:评定结果:评分依据:质量问题及建议: 5. 暖通工程:评定结果:评分依据:质量问题及建议:三、安全质量评分:1. 施工安全:评分依据:质量问题及建议:2. 设备安全:评分依据:质量问题及建议:3. 施工工艺:评分依据:质量问题及建议:四、环境保护评分:1. 施工期环境保护措施:评分依据:质量问题及建议:2. 竣工环境保护措施:评分依据:质量问题及建议:五、验收总评及建议:1. 验收总评:综上所述,本次建设工程的质量验收表现为(优良/合格/不合格)。
2. 建议:a. 建议贵公司在施工中加强质量控制,特别是注意xxx方面的问题;b. 建议加强施工安全管理,确保工人的人身安全;c. 建议相关方面加大对环境保护工作的投入,减少对周边环境的影响。
六、验收意见书的后续处理:根据本次质量竣工验收评定与评分结果,贵公司需对存在的问题进行整改并报监理单位进行复验。
整改期限为(自本意见书接到之日起,X个工作日),整改后请向监理单位提交整改报告。
注意事项:1. 贵公司在整改过程中应按照合同约定,确保整改效果符合规范要求;2. 贵公司应密切配合监理单位的复验工作,确保整改合格,以便顺利完成项目的竣工验收和移交程序。
以上为质量竣工验收评定与评分结果及相关意见。
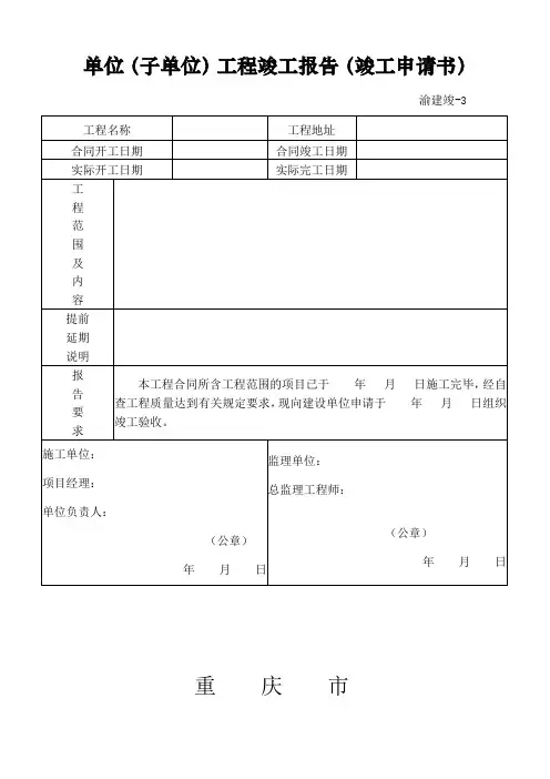
单位(子单位) 工程竣工报告 (竣工申请书)渝建竣 -3工程名称合同开工日期实际开工日期工程范围及内容 提前延期说明报 月告年要求施工单位:项目经理:单位负责人: (公章)(公章)年月日年月 日总监理工程师:监理单位: 本工程合同所含工程范围的项目已于 年查工程质量达到有关规定要求, 现向建设单位申请于竣工验收。
工程地址合同竣工日期实际完工日期重庆市建设工程竣工验收意见书《市政基础设施工程》工程名称:工程地址:重庆市建设工程质量监督总站监制工程范围结算总造价结构类型实际开工时间规划许可证工程建设单位建监理单位设设计单位参与勘察单位各施工单位方(含主要分包单位)隐蔽验收情况执行强制性标准和设计要求情况四新技术执行情况结构安全、主要使用功能检查结果工程竣工技术资料核查情况监督机构责令整改问题整改情况万元总长km主体宽度最大跨度m设计合理使用年限实际竣工时间验收日期施工许可证单位名称资质法定项目证书号代表人工程范围等级负责人全部经过监理、设计、建设等单位的验收严格执行国家强制性标准、满足设计要求无符合国家强制性标准,满足设计要求竣工资料真实、可靠、齐全、经审查评定技术档案资料质量优良严格按监督机构责令进行整改完成工程设计与合严格按合同和补充协议执行同约定内容情况工程质量缺陷和主要无遗留问题处理意见保修书签署情况已签署规划、消防、环保合格、准予投入使用等专项验收情况1、完成了本段合同约定和工程设计各项内容。
2、工程资料及时收集整理、数据真实、可靠、齐全,经检查工程档案合格。
验3、各项工程内在外观质量满足规范要求。
4、主要技术成果指标、各种试验成果均达到设计、规范和强制性标准要求满足使用功能,工程质量合格,收同意验收。
意见工程质量认定结果合格单位(项目)负责人:单位(项目)负责人:建监设理验单(公章)单(公章)位位收小年月日年月日单位(项目)负责人:单位(项目)负责人:单位(项目)负责人:组成设勘施员计察工单(公章)单(公章)单(公章)位位位年月日年月日年月日1、“主体宽度”栏如系道路、桥梁工程,只填写车道宽度;如系给排水工程填写最大管径。
重庆市
建设工程竣工验收意见书
工程名称:
工程地址:
重庆市建设工程质量监督总站监制
竣工工程有关质量问题
整改、处理情况回执
质量监督(总站):
由承建的工程,在年月日预验收会议上提出的有关质量问题已进行了下述处理:
按相关规范及强条对预验收会上提出问题进行逐条整改(整改内容见附件),并经施工单位自检合格并报监理复查验收合格。
工程已无遗留质量问题,特此函复。
施工单位:(公章)项目经理:(签字)
监理单位:(公章)总监理工程师:(签字)
建设单位:(公章)工程项目负责人:(签字)
年月日
重庆市建设工程质量监督总站监制
工程竣工验收通知书
注:本通知应在竣工验收7个工作日前通知本工程质量监督机构及有关单位。
勘察文件质量检查报告
注:表格不够填写时,可以增加附页。
工程质量保证体系审查表
注:本表由建设单位组织填写,其中审查意见见由监督机构填写。
单位(子单位)工程施工质量竣工检查报告
单位(子单位)工程质量竣工评估报告
注:表格不够填写时,可以增加附页。
建设工程竣工验收意见书(一)
建设工程竣工验收意见书(二)
单位工程参建单位有关责任人员名单
设计文件及设计变更质量检查报告
注:表格不够填写时,可以增加附页。
Welcome To Download !!!
欢迎您的下载,资料仅供参考!。
重庆竣工验收意见书尊敬的业主:根据您委托我们进行的重庆某住宅项目竣工验收工作,我们在综合考虑项目实际情况的基础上,对其进行了全面检查和评估。
现将我们的意见书如下:一、项目概况该项目位于重庆市某区,总建筑面积为XXX平方米,由多栋住宅楼组成。
该项目经过开发商的多次努力,已基本完成各项工程。
二、质量评估1. 建筑结构根据我们的检查,该项目的建筑结构符合国家相关标准和设计要求。
钢筋混凝土结构牢固稳定,无明显质量问题。
建筑物的正常使用和安全性能达到预期标准。
2. 室内装修我们对住户们的反馈进行了调研,多数业主对室内装修表示满意。
但也存在少部分业主对部分装修质量不满意的情况。
我们建议开发商加强对室内装修的质量控制,持续优化装修效果,以提升业主们的满意度。
3. 管道电气我们对该项目的管道和电气设备进行了检查,发现部分地方存在漏水和漏电的情况。
我们建议开发商加强对管道和电气设备的检测和维护,确保其安全可靠性。
三、问题整改根据我们的检查结果,我们提出以下整改意见:1. 加强室内装修质量管控,特别是对材料的选择和安装工艺的把关,确保装修质量达到预期标准。
2. 对于存在的管道漏水和电气故障情况,开发商应尽快修复,确保住户日常生活的正常使用。
3. 完善消防设施和安全出口设置,确保项目的消防安全。
四、验收结论根据对该项目的综合评估和问题整改,我们认为该项目基本符合竣工验收的相关要求。
但还需开发商进一步加强对室内装修、管道电气以及消防设施的质量控制和整改,确保项目的质量和安全。
最后,感谢业主的信任与支持,我们将一如既往地致力于为业主提供更加优质的服务,确保项目的顺利交付和业主的满意度。
此致敬礼验收单位:XXX日期:XXXX年XX月XX日。
重庆市竣工验收意见书尊敬的建设单位:根据我对贵单位临江一号项目现场的实地考察和相关文件的审查,现将有关竣工验收意见书如下:一、项目基本情况贵单位所承建的临江一号项目位于重庆市渝中区望龙门街道,总建筑面积约为XXXX平方米,共分为住宅楼、商业楼和停车场三个部分。
项目总投资为XXXX万元,工程建设于XXX年XX月开始,至XXX年XX月完工。
二、竣工验收情况1. 建筑结构验收:建筑结构验收主要对住宅楼、商业楼和停车场的结构进行检查。
经过现场检查和相关资料核对,建筑结构符合相关设计规范和施工图纸要求,各项参数满足规定标准。
建筑结构整体稳定可靠,耐久性良好。
2. 消防验收:消防验收主要对建筑物的消火栓、喷淋系统、消防电源等消防设施进行检查。
经查,该项目的消防设施建设符合《消防法》及其相关规定,主要设施齐全,设备运行正常,达到了消防安全要求。
3. 电气验收:电气验收主要对建筑物的总配电箱、线路布置、照明设备等电气设备进行检查。
经过检验,该项目的电气设备符合国家电气安全标准,线路布置合理,照明设备的亮度满足使用需求。
4. 给水排水验收:给水排水验收主要对建筑物的供水系统、排水系统进行检查。
经过检验,该项目的给水排水设施符合相关规范,供水系统正常运行,排水系统通畅,各项指标符合国家标准。
5. 安全生产验收:安全生产验收主要对项目的安全环保设施、安全管理制度、安全技术措施等进行检查。
经现场勘察和相关资料核对,该项目的安全管理制度健全,处理异常情况的应急预案完善,安全设备齐全,安全技术措施到位。
三、存在问题与建议在竣工验收过程中,发现了以下问题:1. 某些区域的墙面涂料存在起皮现象,需要及时整修。
2. 某些住宅楼电梯的运行噪音较大,需要进行噪音处理。
在此,我向贵单位提出以下建议:1. 对涂料起皮的墙面,应及时派人进行修复,保证建筑物外观美观。
2. 针对电梯噪音问题,贵单位应请专业人员对电梯进行检修和调试,确保其正常运行并降低噪音。
建设工程质量竣工验收意见书范本尊敬的业主:经过工程施工单位的精心施工,经层层验收,我司组织了本次建设工程的质量竣工验收工作。
现将具体情况汇报如下:一、项目概况本次建设工程项目位于XXX地区,总建筑面积XXX平方米,包括主体建筑、园区景观等各项工程内容。
该项目验收时限为XXX天,施工单位按照合同要求完成施工任务,并经资料核查和实地检查,现对建设工程进行质量竣工验收。
二、验收范围及过程本次质量竣工验收范围主要包括建筑物结构、设备安装、装饰装修、工程外观等方面。
验收过程按照国家有关标准和规范进行,包括资料审核、实地检查、检测报告分析等环节。
1. 资料审核在验收前,施工单位提交了一系列相关资料,包括施工图设计文件、工程质量监督报告、施工记录等。
我司认真审核了这些资料,确保其符合法律法规和相关规范要求。
2. 实地检查我司组织专业验收人员进行了实地检查,对建筑物结构的整体稳定性、设备安装的运行情况、装饰装修的质量等进行了详细的检查和评估。
3. 检测报告分析针对一些特殊工程部位或关键节点,我司委托了第三方检测机构进行了相关的检测和试验,出具了检测报告。
我司对这些报告进行了认真分析,确保工程质量符合要求。
三、质量验收结果经过严格的资料审核、实地检查和检测报告分析,本次建设工程的质量达到了设计要求和验收标准。
具体质量验收结果如下:1. 建筑物结构建筑物结构稳定可靠,符合相关设计要求和国家建筑标准。
主体结构采用了优质材料,施工工艺规范,未发现重大构造安全隐患。
2. 设备安装设备安装工程符合设计要求和相关规范,各项设备运行正常、安全可靠。
设备安装工程过程中,采用了合理的调试和检测程序,确保设备运行效果符合预期。
3. 装饰装修装饰装修工程质量良好,符合设计要求和验收标准。
各项装饰材料选用环保型材料,施工工艺规范,室内外装饰效果整体美观。
4. 工程外观建设工程外观整体美观大方,建筑风格与周边环境协调一致。
外墙装饰、景观绿化等工程外观部分经过验收合格,达到设计要求。
重庆市
建设工程竣工验收意见书
工程名称:
工程地址:
重庆市建设工程质量监督总站监制
工程质量评估报告
注:表页不够填写时,可增加附页。
工程竣工报告书
工程竣工验收通知书
注:本通知应在竣工验收7 个工作日前通知本工程质量监督机构及有关单位。
竣工工程有关质量问题
整改、处理情况回执
质量监督(总)站:
由承建的工程,在年月日预验收会议上提出的有关质量问题已进行了下述处理:
工程已无遗留质量问题,特此函复。
施工单位:(公章)项目经理:(签字)
监理单位:(公章)总监理工程师:(签字)
建设单位:(公章)工程项目负责人:(签字)
年月日
重庆市建设工程质量监督总站监制
工程质量保证体系审查表
单位(子单位)工程施工质量竣工检查报告
注: 表格不够填写时,可以增加附页。
单位(子单位)工程质量竣工评估报告
注:表格不够填写时,可以增加附页。
设计单位设计文件及设计变更质量检查报告
注: 表格不够填写时,可以增加附页。
勘察单位勘察文件质量检查报告
监理单位总监理工程师质量责任书
监理单位总监理工程师代表质量责任书
建设单位工程项目负责人质量责任书
施工单位项目施工管理负责人质量责任书
勘察单位项目负责人质量责任书
施工单位项目经理质量责任书
设计单位项目负责人质量责任书
建设单位工程项目专业负责人质量责任书
工程有关人员质量责任书(通用)
施工单位项目技术负责人质量责任书
设计单位项目()专业负责人质量责任书
监理单位()专业监理工程师质量责任书。