水质分析方法国家标准汇总
- 格式:doc
- 大小:33.50 KB
- 文档页数:4
针对实验室超纯水行业现在存在的具体问题,朴精水处理科技有限公司的资深水处理专家从实际出发,用心精心打造朴精普净牌实验室超纯水机!
朴精普净的含义是:设计质朴,品质精良,普遍适用,净化好水!最终目标是:为普及实验室超纯水设备尽一份力,为净化实验室超纯水行业现在风气尽一份力!
朴精普净牌实验室超纯水机,其产品设计质朴,杜绝一切概念花哨,品质精良,讲求实效,操作方便,性价比极高!
可以生产优质的实验室一级水,二级水,三级水来满足各种实验的需要。
性价比极高,可以完全取代蒸馏水机器,品质精良,完全可以替代进口设备,例如密理博,威立雅等
相关水质标准
中国国家实验室分析用水标准(GB/T6682-2008)
注1:由于在一级水、二级水的纯度下,难于测定其真实的PH值,因此,对于一级水、二级水的PH值范围不做规定。
注2:由于一级水的纯度下,难于测定可氧化物质和蒸发残渣,对其限量不做规定,可用其他条件和制备方法来保证一级水的质量。
水质分析方法国家标准水质分析是指对水体中各种物质的成分、性质和浓度等进行定量或定性分析的一种技术手段。
水质分析方法国家标准的制定,对于保障水质安全、环境保护和人民健康具有重要意义。
本文将对水质分析方法国家标准的相关内容进行详细介绍。
首先,水质分析方法国家标准主要包括对水中各种污染物的检测方法、分析技术要求、仪器设备和实验室条件等方面的规定。
其中,对于水中常见的有机物、无机物、微生物等污染物的检测方法,国家标准都有详细的规定,包括采样方法、样品处理、分析仪器的选择和操作流程等内容,确保了水质分析的准确性和可靠性。
其次,水质分析方法国家标准的制定还涉及到了各种水体的分类和相应的分析方法。
比如,对于地表水、地下水、饮用水、工业废水、生活污水等不同类型的水体,国家标准都有相应的分析方法和技术要求,以适应不同水体的特点和污染物的特性,保证了水质分析的全面性和适用性。
此外,水质分析方法国家标准还对实验室的条件和质量控制等方面进行了规定。
实验室在进行水质分析时,必须具备一定的设备和条件,比如洁净的实验室环境、精密的分析仪器、经验丰富的分析人员等,以确保分析结果的准确性和可靠性。
同时,还需要进行质量控制,包括实验室内部的质量控制和外部的质量评价,以验证实验室的分析能力和水质分析结果的可信度。
总之,水质分析方法国家标准的制定对于规范水质分析工作、提高分析水平、保障水质安全具有重要意义。
只有严格遵守国家标准的要求,才能够保证水质分析的准确性、可靠性和可比性,为保障水质安全和环境保护提供可靠的数据支持。
希望广大水质分析工作者和相关单位能够严格按照国家标准进行水质分析工作,共同努力保障人民群众的饮水安全和环境健康。
以上就是关于水质分析方法国家标准的相关内容介绍,希望对大家有所帮助。
谢谢阅读!。
水质检测标准概况:水质是指水与水中杂质共同表现的综合特征。
评价水质优劣受污染程度的参数,称为水质指标。
水质指标通常可分为物理性指标、化学性指标和生物性指标三类。
常见的水质指标见下表。
2、水质检测中常用的水质分析方法有哪些?(1)国家标准分析方法:我国已编制60多项包括采样在内的标准分析方法,这些方法比较经典、准确度较高,是环境污染纠纷法定的仲裁方法,也是用于评价其他分析方法的基本方法。
(2)统一分析方法:有些项目的检测方法尚不够成熟,没有形成国家标准,但经过研究可以作为统一方法予以推广,在使用中积累经验,不断完善,为上升为国家标准方法创造条件。
(3)等效方法:与前两类方法的灵敏度、准确度具有可比性的分析方法。
等效方法必须经过方法验证和对比实验,证明其与标准方法或统一方法是等效时才能使用。
按照检测方法所依据的原理,水质检测常用的方法有化学法、电化学法、原子吸收分光光度法、离子色谱法、气相色谱法、等离子体发射光谱(ICP-AE S)法等。
其中,化学法包括重量法、容量滴定法和分光光度法,目前在国内外水质常规检测中被普遍采用。
3、怎样选择水质检测分析方法?正确选择检测分析方法,是获得准确结果的关键因素之一。
选择分析方法应遵循的原则是:灵敏度能满足定量要求;方法成熟、准确;操作简便,易于普及;抗干扰能力好。
非饮用水检测标准1.污水检测污水通常指受一定污染的、来自生活和生产的废弃水。
污水主要有生活污水,工业废水和初期雨水。
污水的主要污染物有病原体污染物,耗氧污染物,植物营养物,有毒污染物等.主要检测标准的依据是:污水综合排放标准GB 8978-1 996。
该标准中已经部分被本标准部分内容被GB 20425-2006 皂素工业水污染物排放标准、GB 20426-2006 煤炭工业污染物排放标准代替。
2.地下水检测是贮存于包气带以下地层空隙,包括岩石孔隙、裂隙和溶洞之中的水。
地下水是水资源的重要组成部分,由于水量稳定,水质好,是农业灌溉、工矿和城市的重要水源之一,但在一定条件下,地下水的变化也会引起沼泽化、盐渍化、滑坡、地面沉降等不利自然现象。
水质检验方法和相关标准
水质检验是指对水体中各种物质的含量、性质和环境条件进行检测和分析,以评价水质是否达到相关标准和要求。
水质检验方法和相关标准主要包括以下几个方面:
1. 总大肠菌群检测:检测水体中的总大肠菌群数量,是评价水体卫生状况的重要指标。
常用的检测方法包括发酵管法、荧光法、PCR法等。
2. 氨氮检测:检测水中氨氮的含量,是评价水体污染程度的重要指标。
常用的检测方法包括纳氏试剂分光光度法、水杨酸法等。
3. 总磷检测:检测水中总磷的含量,是评价水体营养盐含量和水体富营养化程度的重要指标。
常用的检测方法包括钼酸铵分光光度法、紫外分光光度法等。
4. 化学需氧量(COD)检测:检测水样中的有机污染物含量,是评价水体有机污染程度的重要指标。
常用的检测方法包括密闭燃烧法、紫外吸收法等。
5. 氨氮、硝态氮、亚硝态氮检测:检测水中氨氮、硝态氮、亚硝态氮的含量,是评价水体营养盐含量和水体富营养化程度的重要指标。
常用的检测方法包括纳氏试剂分光光度法、水杨酸法等。
以上标准和方法只是其中一部分,不同的水质检测项
目和标准可能会有所不同。
在实际检测中,需要根据实际情况选择合适的检测方法和标准,以确保检测结果的准确性和可靠性。
水质检测指标国标法综合版水质各种项目检测国标方法综合版关键字:水质监测,国标法,汇总1 【pH值】水质 pH值的测定玻璃电极法GB/T6920-19862 【溶解氧】水质溶解氧的测定电化学探头法GB/T11913-1989碘量法《水和废水监测分析方法》(第四版)国家环保总局2002年3 【臭和味】文字描述法《水和废水监测分析方法》(第四版)国家环保总局2002年4 【侵蚀性二氧化碳】甲基橙指示剂滴定法《水和废水监测分析方法》(第四版)国家环保总局2002年5 【酸度】酸度指示剂滴定法《水和废水监测分析方法》(第四版)国家环保总局2002年6 【碱度(总碱度、重碳酸盐和碳酸盐)】酸碱指示剂滴定法《水和废水监测分析方法》(第四版)国家环保总局2002年7 【色度】水质色度的测定GB/T11903-19898 【浊度】水质浊度的测定GB/T13200-19919 【悬浮物(SS)】水质悬浮物的测定重量法GB/T11901-198910【总可滤残渣】重量法《水和废水监测分析方法》(第四版)国家环保总局2002年11【总残渣】重量法《水和废水监测分析方法》(第四版)国家环保总局2002年12【全盐量(溶解性固体)】水质全盐量的测定重量法HJ/T51-199913【总硬度(钙和镁总量)】水质钙和镁总量的测定 EDTA滴定法GB/T7477-198714【高锰酸盐指数】水质高锰酸盐指数的测定GB/T11892-198915【化学需氧量(COD)】水质化学需氧量的测定重铬酸盐法GB/T11914—198916【生物需氧量】水质生物需氧量的测定稀释与接种法GB/T7488—198717【氨氮】水质铵的测定纳氏试剂比色法 GB/T7479-1987水杨酸-次氯酸盐光度法《水和废水监测分析方法》(第四版)国家环保总局2002年18【硝酸盐氮】水质硝酸盐氮的测定酚二磺酸分光光度法》GB/T7480-1987水质硝酸盐氮的测定紫外分光光度法》HJ/T346-200719【亚硝酸盐氮】《水质亚硝酸盐氮的测定分光光度法》GB/T7493-198720【六价铬】水质六价铬的测定二苯碳酸二肼分光光度法GB/T7467-198721【总氮】水质总氮的测定碱性过硫酸钾消解紫外分光光度法》GB/T11894-198922【总磷】水质总磷的测定钼酸铵分光光度法》GB/T11893-198923【磷酸盐】钼酸铵分光光度法《水和废水监测分析方法》(第四版)国家环保总局(2002年)24【硝基苯类】还原-偶氮光度法《水和废水监测分析方法》(第四版)国家环保总局(2002年)25【苯胺类】水质苯胺类化合物的测定N-(1-萘基)乙二胺偶氮分光光度法 GB/T11889-198926【游离氯】水质游离氯和总氯的测定 N,N-二乙基-1,4-苯二胺滴定法 GB/T11897-198927【总氯】水质游离氯和总氯的测定N,N-二乙基-1,4-苯二胺滴定法 GB/T11897-198928【氟化物】水质氟化物的测定离子选择电极法GB/T7484-198729【氯化物】水质氯化物的测定硝酸银滴定法GB/T11896-1987930【硫酸盐】水质硫酸盐的测定重量法 GB/T11899-89铬酸钡分光光度法《水和废水监测分析方法》(第四版)国家环保总局(2002年)31【硫化物】水质硫化物的测定亚甲基兰分光光度法GB/T16489-199632【阴离子表面活性剂】水质阴离子表面活性剂的测定亚甲蓝分光光度法 GB/T7494-198733【石油类】水质石油类和动植物油的测定红外光度法GB/T 16488-199634【动植物油】水质石油类和动植物油的测定红外光度法 GB/T 16488-199635【总铬】水质总铬的测定高锰酸钾氧化-二苯碳酰二肼分光光度法GB/T7466-1987 火焰原子吸收分光光度法《水和废水监测分析方法》(第四版)国家环保总局(2002年) 36【铜】水质铜、锌、铅、镉的测定原子吸收分光光度法 GB/T 7475-198737【锌】水质铜、锌、铅、镉的测定原子吸收分光光度法 GB/T 7475-198738【铅】水质铜、锌、铅、镉的测定原子吸收分光光度法 GB/T 7475-198739【镉】水质铜、锌、铅、镉的测定原子吸收分光光度法 GB/T 7475-198740【镍】水质镍的测定火焰原子吸收分光光度法 GB/T 11912-198941【钾】水质钾、钠的测定火焰原子吸收分光光度法GB/T 11904-198942【钠】水质钾、钠的测定火焰原子吸收分光光度法GB/T 11904-198943【钙】水质钙、镁的测定原子吸收分光光度法 GB/T 11905-198944【镁】水质钙、镁的测定原子吸收分光光度法 GB/T 11905-198945【铁】水质铁、锰的测定火焰原子吸收分光光度法GB/T 11911-198946【锰】水质铁、锰的测定火焰原子吸收分光光度法GB/T 11911-198947【溶解性铁】水质铁、锰的测定火焰原子吸收分光光度法GB/T 11911-198948【银】水质银的测定火焰原子吸收分光光度法 GB/T 11907-198949【甲醛】水质甲醛的测定乙酰丙酮分光光度法GB/T13197-1991。
WOIRD 格式专业资料整理表地表水环境质量标准基本项目分析方法序号项目分析方法最低检出限 (mg/L ) 方法来源 1水温温度计法GB13195-912PH 值玻璃电极法GB6920-86碘量法0.2GB7489-873溶解氧电化学探头法GB11913-894高锰酸盐指数0.5GB11892-895化学需氧量重铬酸盐法10GB11914-896五日生化需氧量稀释与接种法2GB7488-87纳氏试剂比色法0.05GB7479-877氨氮水杨酸分光光度法0.01GB7481-878总磷钼酸铵分光光度法0.01GB11893-899总氮碱性过硫酸钾消解紫外分光光度法0.05GB11894-892,9-二甲基-1,10-菲啰啉分光光度法0.06GB7473-8710铜二乙基二硫代氨基甲酸钠分光光度法0.010GB7474-87原子吸收分光光度法(螯合萃取法)0.001GB7475-8711锌原子吸收分光光度法0.05GB7475-87氟试剂分光光度法0.05GB7483-8712氟化物离子选择电极法0.05GB7484-87离子色谱法0.02HJ/T84-20012,3-二氨基萘荧光法0.00025GB11902-8913硒石墨炉原子吸收分光光度法0.003GB/T15505-1995二乙基二硫代氨基甲酸银分光光度法0.007GB7485-8714砷冷原子荧光法0.000061)冷原子荧光法0.000051)15汞冷原子吸收分光光度法0.00005GB7468-8716镉原子吸收分光光度法(螯合萃取法)0.001GB7475-87 17铬(六价)二苯碳酰二肼分光光度法0.004GB7467-87表地表水环境质量标准基本项目分析方法序号项目分析方法最低检出限(mg/L)方法来源1水温温度计法GB13195-912PH值玻璃电极法GB6920-86碘量法0.2GB7489-873溶解氧电化学探头法GB11913-894高锰酸盐指数0.5GB11892-895化学需氧量重铬酸盐法10GB11914-896五日生化需氧量稀释与接种法2GB7488-87纳氏试剂比色法0.05GB7479-877氨氮水杨酸分光光度法0.01GB7481-878总磷钼酸铵分光光度法0.01GB11893-899总氮碱性过硫酸钾消解紫外分光光度法0.05GB11894-892,9-二甲基-1,10-菲啰啉分光光度法0.06GB7473-8710铜二乙基二硫代氨基甲酸钠分光光度法0.010GB7474-87原子吸收分光光度法(螯合萃取法)0.001GB7475-8711锌原子吸收分光光度法0.05GB7475-87氟试剂分光光度法0.05GB7483-8712氟化物离子选择电极法0.05GB7484-87离子色谱法0.02HJ/T84-20012,3-二氨基萘荧光法0.00025GB11902-8913硒石墨炉原子吸收分光光度法0.003GB/T15505-1995二乙基二硫代氨基甲酸银分光光度法0.007GB7485-8714砷冷原子荧光法0.000061)冷原子荧光法0.000051)15汞冷原子吸收分光光度法0.00005GB7468-8716镉原子吸收分光光度法(螯合萃取法)0.001GB7475-8717铬(六价)二苯碳酰二肼分光光度法0.004GB7467-87表地表水环境质量标准基本项目分析方法序号项目分析方法最低检出限(mg/L)方法来源1水温温度计法GB13195-912PH值玻璃电极法GB6920-86碘量法0.2GB7489-873溶解氧电化学探头法GB11913-894高锰酸盐指数0.5GB11892-895化学需氧量重铬酸盐法10GB11914-896五日生化需氧量稀释与接种法2GB7488-87纳氏试剂比色法0.05GB7479-877氨氮水杨酸分光光度法0.01GB7481-878总磷钼酸铵分光光度法0.01GB11893-899总氮碱性过硫酸钾消解紫外分光光度法0.05GB11894-892,9-二甲基-1,10-菲啰啉分光光度法0.06GB7473-8710铜二乙基二硫代氨基甲酸钠分光光度法0.010GB7474-87原子吸收分光光度法(螯合萃取法)0.001GB7475-8711锌原子吸收分光光度法0.05GB7475-87氟试剂分光光度法0.05GB7483-8712氟化物离子选择电极法0.05GB7484-87离子色谱法0.02HJ/T84-20012,3-二氨基萘荧光法0.00025GB11902-8913硒石墨炉原子吸收分光光度法0.003GB/T15505-1995二乙基二硫代氨基甲酸银分光光度法0.007GB7485-8714砷冷原子荧光法0.000061)冷原子荧光法0.000051)15汞冷原子吸收分光光度法0.00005GB7468-8716镉原子吸收分光光度法(螯合萃取法)0.001GB7475-8717铬(六价)二苯碳酰二肼分光光度法0.004GB7467-87。
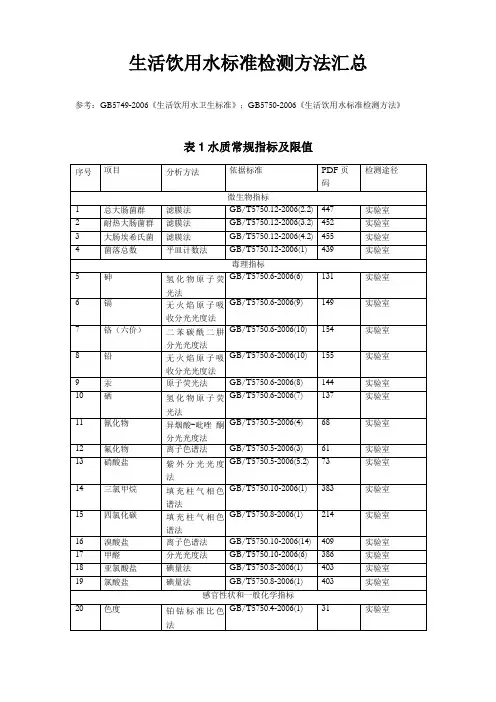
生活饮用水标准检测方法汇总
参考:GB5749-2006《生活饮用水卫生标准》;GB5750-2006《生活饮用水标准检测方法》
表1水质常规指标及限值
表2饮用水中消毒剂常规指标及要求
表3 水质非常规指标及限值
关于水质在线监控
关于在线监测设备,需要根据我们兼顾水源、处理方法及消毒方法来选择。
例如,世博会直饮水系统是“活性炭+PVC合金超滤膜+紫外线”工艺,该系统24小时在线监控的指标有浊度、pH值、电导率、消毒剂余量和水温等。
如果我们选用的是海水经过“反渗透膜+ 氯消毒+紫外”,需要在线监控的指标应该是:
pH 计+氯离子分析仪+电导率仪+浊度仪+余氯/总氯/一氯胺分析仪/二氧化氯分析仪+TOC分析仪
如有侵权请联系告知删除,感谢你们的配合!。
/search/s_d_%CB%AE%D6%CA%B7%D6%CE%F6%B7%BD%B7%A8%B9%FA%BC %D2%B1%EA%D7%BC%BB%E3%D7%DC_1.htm下载网址水质分析方法国家标准汇总详细下载目录水质分析方法国家标准汇总(一)目录:pH水质自动分析仪技术要求氨氮水质自动分析仪技术要求超声波明渠污水流量计地表水和污水监测技术规范地下水环境监测技术规范电导率水质自动分析仪技术要求高氯废水化学需氧量的测定(碘化钾碱性高锰酸钾法)高氯废水-化学需氧量的测定(氯气校正法)高锰酸盐指数水质自动分析仪技术要求工业废水总硝基化合物的测定(分光光度法)工业废水总硝基化合物的测定(气相色谱法)海洋监测规范第一部分:总则环境甲基汞的测定(气相色谱法)水质分析方法国家标准汇总(二)目录:环境中有机污染物遗传毒性检测的样品前处理规范近岸海域环境功能区划分技术规范溶解氧(DO)水质自动分析仪技术要求水和土壤质量有机磷农药的测定(气相色谱法)水污染物排放总量监测技术规范水质-1,2-二氯苯、1,4-二氯苯、1,2,4-三氯苯的测定(气相色谱法)水质-甲基肼的测定(对二甲氨基苯甲醛分光光度法)水质-pH值的测定(玻璃电极法)水质-氨氮的测定(气相分子吸收光谱法)水质-铵的测定(水杨酸分光光度法)水质-铵的测定(纳氏试剂比色法)水质-铵的测定(蒸馏和滴定法)水质-钡的测定(电位滴定法)水质-钡的测定(原子吸收分光光度法)水质-苯胺类化合物的测定(N-(1-萘基)乙二胺偶氮分光光度法)水质-苯并(a)芘的测定(乙酰化滤纸层析荧光分光光度法)水质-苯系物的测定(气相色谱法)水质-吡啶的测定(气相色谱法)水质-丙烯腈的测定(气相色谱法)水质采样样品的保存和管理技术规定水质分析方法国家标准汇总(三)(已下载)目录:水质-采样方案设计技术规定水质采样技术指导水质-二硫化碳的测定(二乙胺乙酸铜分光光度法)水质-二硝基甲苯的测定(示波极谱法)水质-二乙烯三胺的测定(水杨醛分光光度法)水质-钒的测定(石墨炉原子吸收分光光度法)水质-钒的测定(钽试剂(bpha)萃取分光光度法)水质-氟化物的测定(氟试剂分光光度法)水质-氟化物的测定(离子选择电极法)水质-氟化物的测定(茜素磺酸锆目视比色法)水质-钙的测定(EDTA滴定法)水质-钙和镁的测定(原子吸收分光光度法)水质-钙和镁总量的测定(EDTA滴定法)水质-高锰酸盐指数的测定水质-镉的测定(双硫腙分光光度法)水质-河流采样技术指导水质-黑索今的测定(分光光度法)水质-痕量砷的测定(硼氢化钾-硝酸银分光光度法)水质-湖泊和水库采样技术指导水质-化学需氧量的测定(重铬酸盐法)水质-挥发酚的测定(蒸馏后4-氨基安替比林分光光度法)水质-挥发酚的测定(蒸馏后溴化容量法)水质-挥发性卤代烃的测定(顶空气相色谱法)水质-急性毒性的测定(发光细菌法)水质-甲醛的测定(乙酰丙酮分光光度法)水质-钾和钠的测定(火焰原子吸收分光光度法)水质-肼的测定(对二甲氨基甲醛分光光度法)水质-凯氏氮的测定水质-凯氏氮的测定(气相分子吸收光谱法)水质-可吸附有机卤素(AOX)的测定(离子色谱法)水质-可吸附有机卤素(AOX)的测定(微库仑法)水质-邻苯二甲酸二甲(二丁、二辛)酯的测定(液相色谱法)水质分析方法国家标准汇总(四)目录:水质-硫化物的测定(碘量法)水质-硫化物的测定(气相分子吸收光谱法)水质-硫化物的测定(亚甲基蓝分光光度法)水质-硫化物的测定(直接显色分光光度法)水质-硫氰酸盐的测定(异烟酸-吡唑啉酮分光光度法)水质-硫酸盐的测定(火焰原子吸收分光光度法)水质-硫酸盐的测定(重量法)水质-六价铬的测定(二苯碳酰二肼分光光度法)水质-六六六、滴滴涕的测定(气相色谱法)水质-六种特定多环芳烃的测定(高效液相色谱法)水质-氯苯的测定(气相色谱法)水质-氯化物的测定(硝酸银滴定法)水质-锰的测定(高碘酸钾分光光度法)水质-镍的测定(丁二酮肟分光光度法)水质-镍的测定(火焰原子吸收分光光度法)水质-硼的测定(姜黄素分光光度法)水质-铍的测定(铬菁R分光光度法)水质-铍的测定(石墨炉原子吸收分光光度)水质-偏二甲基肼的测定(氨基亚铁氰化钠分光光度法)水质-铅的测定(示波极谱法)水质-铅的测定(双硫腙分光光度法)水质-氰化物的测定(第一部分总氰化物的测定)水质-氰化物的测定(第二部分氰化物的测定)水质-全盐量的测定(重量法)水质-溶解氧的测定(碘量法)水质-溶解氧的测定(电化学探头法)水质-三氯乙醛的测定(吡啶啉酮分光光度法)水质-三乙胺的测定(溴酚蓝分光光度法)水质-色度的测定水质-生化需氧量(BOD)的测定(微生物传感器快速测定法)水质-石油类和动植物油的测定(红外光度法)水质-水温的测定(温度计或颠倒温度计测定法)水质-梯恩梯、黑索今、地恩梯的测定(气相色谱法)水质-梯恩梯的测定(分光光度法)水质-梯恩梯的测定(亚硫酸钠分光光度法)水质-铁(Ⅱ、Ⅲ)氰络合物的测定(三氯化铁分光光度法)水质-铁(Ⅱ、Ⅲ)氰络合物的测定(原子吸收分光光度法)水质-铁、锰的测定(火焰原子吸收分光光度法)水质-铜、锌、铅、镉的测定(原子吸收分光光度法)水质分析方法国家标准汇总(五)目录:水质-铜的测定(2,9-二甲基-1,10-菲啰啉分光光度法)水质-铜的测定(二乙基二硫代氨基甲酸钠分光光度法)水质-烷基汞的测定(气相色谱法)水质-无机阴离子的测定(离子色谱法)水质-五氯酚的测定(藏红T分光光度法)水质-五氯酚的测定(气相色谱法)水质-五日生化需氧量(BOD5)的测定(稀释与接种法)水质-物质对淡水鱼(斑马鱼)急性毒性测定方法水质-物质对蚤类(大型蚤)急性毒性测定方法水质-硒的测定(2,3-二氨基萘荧光法)水质-硒的测定(石墨炉原子吸收分光光度法)水质-硝化甘油的测定(示波极谱法)水质-硝基苯、硝基甲苯、硝基氯苯、二硝基甲苯的测定(气相色谱法)水质-硝酸盐氮的测定(酚二磺酸分光光度法)水质-硝酸盐氮的测定(气相分子吸收光谱法)水质-锌的测定(双硫腙分光光度法)水质-悬浮物的测定(重量法)水质-亚硝酸盐氮的测定(分光光度法)水质-亚硝酸盐氮的测定(气相分子吸收光谱法)水质-阴离子表面活性剂的测定(亚甲基蓝分光光度法)水质—阴离子洗涤剂的测定(电位滴定法)水质-银的测定(3,5-Br2-PADAP分光光度法)水质-银的测定(镉试剂2B分光光度法)水质-银的测定(火焰原子吸收分光光度法)水质-游离氯和总氯的测定(N,N-二乙基-1,4-苯二胺滴定法)水质-游离氯和总氯的测定(N,N-二乙基-1,4-苯二胺分光光度法)水质-有机磷农药的测定(气相色谱法)水质-浊度的测定水质-总氮的测定(碱性过硫酸钾消解紫外分光光度法)水质-总氮的测定(气相分子吸收光谱法)水质-总铬的测定水质-总汞的测定(高锰酸钾-过硫酸钾消解法双硫腙分光光度法)水质-总汞的测定(冷原子吸收分光光度法)水质-总磷的测定(钼酸铵分光光度法)水质-总砷的测定(二乙基二硫代氨基甲酸银分光光度法)水质-总有机碳(TOC)的测定(非色散红外线吸收法)水质-总有机碳的测定(燃烧氧化-非分散红外吸收法)浊度水质自动分析仪技术要求紫外(UV)吸收水质自动在线监测仪技术要求总氮水质自动分析仪技术要求总磷水质自动分析仪技术要求总有机碳(TOC)水质自动分析仪技术要求。
完整版)水质监测国标汇总1.GB-91规定了水质采样样品的保存和管理技术,以确保样品的准确性和可靠性。
2.碳硫分析仪器的基本操作步骤是必须掌握的,以确保测试结果的准确性和可靠性。
3.中国电子行业超纯水国家标准规定了超纯水的生产和使用标准,以确保电子产品的质量和可靠性。
4.水质采样样品的保存和管理技术规定(GB-91)是确保水质监测结果准确可靠的重要指南。
5.GB7468-87规定了使用冷原子吸收分光光度法测定水质总汞的标准方法。
6.《中华人民共和国地下水质量标准》规定了地下水质量的指标和限值,以保护地下水资源和公众健康。
7.GB5084-92规定了农田灌溉水质量标准,以确保农作物的生长和人们的健康。
8.GB-T6682-2008规定了分析实验室用水的质量和试验方法,以确保实验结果的准确性和可靠性。
9.GB5084-2005规定了农田灌溉水质标准,以确保农作物的生长和人们的健康。
10.GB-2007规定了用于城市污水再利用农田灌溉的水质标准,以确保人们的健康和环境的安全。
11.GB3838-2002规定了地表水环境质量标准,以保护水资源和公众健康。
13.GBT-2007规定了锅炉用水和冷却水中油含量的测定方法,以确保锅炉的安全和可靠性。
14.水质硫化物的测定是确保水质安全和环境保护的重要指标。
15.GB5749-2006规定了生活饮用水的卫生标准,以保护公众健康。
16.生活饮用水卫生标准是保障人们健康的重要指南。
17.工业锅炉水质检测是确保锅炉的安全和可靠性的重要措施。
18.水中溶解氧的测定是确保水体中生物生存和水质安全的重要指标。
19.GB-89规定了化学需氧量的测定方法,以确保水质监测结果的准确性和可靠性。
22.GBT-2006规定了工业循环冷却水总碱及酚酞碱度的测定方法,以确保水质监测结果的准确性和可靠性。
23.感官性状和物理指标是《生活饮用水卫生标准》GB5749-2006中的重要指标之一。
水质分析方法国家标准汇总详细下载目录水质分析方法国家标准汇总(一)目录:pH水质自动分析仪技术要求氨氮水质自动分析仪技术要求超声波明渠污水流量计地表水和污水监测技术规范地下水环境监测技术规范电导率水质自动分析仪技术要求高氯废水化学需氧量的测定(碘化钾碱性高锰酸钾法)高氯废水-化学需氧量的测定(氯气校正法)高锰酸盐指数水质自动分析仪技术要求工业废水总硝基化合物的测定(分光光度法)工业废水总硝基化合物的测定(气相色谱法)海洋监测规范第一部分:总则环境甲基汞的测定(气相色谱法)水质分析方法国家标准汇总(二)目录:环境中有机污染物遗传毒性检测的样品前处理规范近岸海域环境功能区划分技术规范溶解氧(DO)水质自动分析仪技术要求水和土壤质量有机磷农药的测定(气相色谱法)水污染物排放总量监测技术规范水质-1,2-二氯苯、1,4-二氯苯、1,2,4-三氯苯的测定(气相色谱法)水质-甲基肼的测定(对二甲氨基苯甲醛分光光度法)水质-pH值的测定(玻璃电极法)水质-氨氮的测定(气相分子吸收光谱法)水质-铵的测定(水杨酸分光光度法)水质-铵的测定(纳氏试剂比色法)水质-铵的测定(蒸馏和滴定法)水质-钡的测定(电位滴定法)水质-钡的测定(原子吸收分光光度法)水质-苯胺类化合物的测定(N-(1-萘基)乙二胺偶氮分光光度法)水质-苯并(a)芘的测定(乙酰化滤纸层析荧光分光光度法)水质-苯系物的测定(气相色谱法)水质-吡啶的测定(气相色谱法)水质-丙烯腈的测定(气相色谱法)水质采样样品的保存和管理技术规定水质分析方法国家标准汇总(三)(已下载)目录:水质-采样方案设计技术规定水质采样技术指导水质-二硫化碳的测定(二乙胺乙酸铜分光光度法)水质-二硝基甲苯的测定(示波极谱法)水质-二乙烯三胺的测定(水杨醛分光光度法)水质-钒的测定(石墨炉原子吸收分光光度法)水质-钒的测定(钽试剂(bpha)萃取分光光度法)水质-氟化物的测定(氟试剂分光光度法)水质-氟化物的测定(离子选择电极法)水质-氟化物的测定(茜素磺酸锆目视比色法)水质-钙的测定(EDTA滴定法)水质-钙和镁的测定(原子吸收分光光度法)水质-钙和镁总量的测定(EDTA滴定法)水质-高锰酸盐指数的测定水质-镉的测定(双硫腙分光光度法)水质-河流采样技术指导水质-黑索今的测定(分光光度法)水质-痕量砷的测定(硼氢化钾-硝酸银分光光度法)水质-湖泊和水库采样技术指导水质-化学需氧量的测定(重铬酸盐法)水质-挥发酚的测定(蒸馏后4-氨基安替比林分光光度法)水质-挥发酚的测定(蒸馏后溴化容量法)水质-挥发性卤代烃的测定(顶空气相色谱法)水质-急性毒性的测定(发光细菌法)水质-甲醛的测定(乙酰丙酮分光光度法)水质-钾和钠的测定(火焰原子吸收分光光度法)水质-肼的测定(对二甲氨基甲醛分光光度法)水质-凯氏氮的测定水质-凯氏氮的测定(气相分子吸收光谱法)水质-可吸附有机卤素(AOX)的测定(离子色谱法)水质-可吸附有机卤素(AOX)的测定(微库仑法)水质-邻苯二甲酸二甲(二丁、二辛)酯的测定(液相色谱法)水质分析方法国家标准汇总(四)目录:水质-硫化物的测定(碘量法)水质-硫化物的测定(气相分子吸收光谱法)水质-硫化物的测定(亚甲基蓝分光光度法)水质-硫化物的测定(直接显色分光光度法)水质-硫氰酸盐的测定(异烟酸-吡唑啉酮分光光度法)水质-硫酸盐的测定(火焰原子吸收分光光度法)水质-硫酸盐的测定(重量法)水质-六价铬的测定(二苯碳酰二肼分光光度法)水质-六六六、滴滴涕的测定(气相色谱法)水质-六种特定多环芳烃的测定(高效液相色谱法)水质-氯苯的测定(气相色谱法)水质-氯化物的测定(硝酸银滴定法)水质-锰的测定(高碘酸钾分光光度法)水质-镍的测定(丁二酮肟分光光度法)水质-镍的测定(火焰原子吸收分光光度法)水质-硼的测定(姜黄素分光光度法)水质-铍的测定(铬菁R分光光度法)水质-铍的测定(石墨炉原子吸收分光光度)水质-偏二甲基肼的测定(氨基亚铁氰化钠分光光度法)水质-铅的测定(示波极谱法)水质-铅的测定(双硫腙分光光度法)水质-氰化物的测定(第一部分总氰化物的测定)水质-氰化物的测定(第二部分氰化物的测定)水质-全盐量的测定(重量法)水质-溶解氧的测定(碘量法)水质-溶解氧的测定(电化学探头法)水质-三氯乙醛的测定(吡啶啉酮分光光度法)水质-三乙胺的测定(溴酚蓝分光光度法)水质-色度的测定水质-生化需氧量(BOD)的测定(微生物传感器快速测定法)水质-石油类和动植物油的测定(红外光度法)水质-水温的测定(温度计或颠倒温度计测定法)水质-梯恩梯、黑索今、地恩梯的测定(气相色谱法)水质-梯恩梯的测定(分光光度法)水质-梯恩梯的测定(亚硫酸钠分光光度法)水质-铁(Ⅱ、Ⅲ)氰络合物的测定(三氯化铁分光光度法)水质-铁(Ⅱ、Ⅲ)氰络合物的测定(原子吸收分光光度法)水质-铁、锰的测定(火焰原子吸收分光光度法)水质-铜、锌、铅、镉的测定(原子吸收分光光度法)水质分析方法国家标准汇总(五)目录:水质-铜的测定(2,9-二甲基-1,10-菲啰啉分光光度法)水质-铜的测定(二乙基二硫代氨基甲酸钠分光光度法)水质-烷基汞的测定(气相色谱法)水质-无机阴离子的测定(离子色谱法)水质-五氯酚的测定(藏红T分光光度法)水质-五氯酚的测定(气相色谱法)水质-五日生化需氧量(BOD5)的测定(稀释与接种法)水质-物质对淡水鱼(斑马鱼)急性毒性测定方法水质-物质对蚤类(大型蚤)急性毒性测定方法水质-硒的测定(2,3-二氨基萘荧光法)水质-硒的测定(石墨炉原子吸收分光光度法)水质-硝化甘油的测定(示波极谱法)水质-硝基苯、硝基甲苯、硝基氯苯、二硝基甲苯的测定(气相色谱法)水质-硝酸盐氮的测定(酚二磺酸分光光度法)水质-硝酸盐氮的测定(气相分子吸收光谱法)水质-锌的测定(双硫腙分光光度法)水质-悬浮物的测定(重量法)水质-亚硝酸盐氮的测定(分光光度法)水质-亚硝酸盐氮的测定(气相分子吸收光谱法)水质-阴离子表面活性剂的测定(亚甲基蓝分光光度法)水质—阴离子洗涤剂的测定(电位滴定法)水质-银的测定(3,5-Br2-PADAP分光光度法)水质-银的测定(镉试剂2B分光光度法)水质-银的测定(火焰原子吸收分光光度法)水质-游离氯和总氯的测定(N,N-二乙基-1,4-苯二胺滴定法)水质-游离氯和总氯的测定(N,N-二乙基-1,4-苯二胺分光光度法)水质-有机磷农药的测定(气相色谱法)水质-浊度的测定水质-总氮的测定(碱性过硫酸钾消解紫外分光光度法)水质-总氮的测定(气相分子吸收光谱法)水质-总铬的测定水质-总汞的测定(高锰酸钾-过硫酸钾消解法双硫腙分光光度法)水质-总汞的测定(冷原子吸收分光光度法)水质-总磷的测定(钼酸铵分光光度法)水质-总砷的测定(二乙基二硫代氨基甲酸银分光光度法)水质-总有机碳(TOC)的测定(非色散红外线吸收法)水质-总有机碳的测定(燃烧氧化-非分散红外吸收法)浊度水质自动分析仪技术要求紫外(UV)吸收水质自动在线监测仪技术要求总氮水质自动分析仪技术要求总磷水质自动分析仪技术要求总有机碳(TOC)水质自动分析仪技术要求。
下列标准所包含的条文,通过在本标准中引用而构成为本标准的条文。
本标准出版时,所示版本均为有效。
所有标准都会被修订,使用本标准的各方应探讨使用下列标准最新版本的可能性。
GB 5084-1992农田灌溉水质标准GB/T 6920-1986水质pH值的测定玻璃电极法GB/T 7466-1987水质总铬的测定GB/T 7467-1987水质六价铬的测定二苯碳酰二肼分光光度法GB/T 7468-1987水质总汞的测定冷原子吸收分光光度法GB/T 7469-1987水质总汞的测定高锰酸钾-过硫酸钾消解法双硫腙分光光度法GB/T 7470-1987水质铅的测定双硫腙分光光度法GB/T 7471-1987水质镉的测定双硫腙分光光度法GB/T 7472-1987水质锌的测定双硫腙分光光度法GB/T 7474-1987水质铜的测定二乙基二硫代氨基甲酸钠分光光度法GB/T 7475-1987水质铜、锌、铅、镉的测定原子吸收分光光度法GB/T 7478-1987水质铵的测定蒸馏和滴定法GB/T 7479-1987水质铵的测定纳氏试剂比色法GB/T 7484-1987水质氟化物的测定离子选择电极法GB/T 7485-1987水质总砷的测定二乙基二硫代氨基甲酸银分光光度法GB/T 7487-1987水质氰化物的测定第二部分:氰化物的测定GB/T 7488-1987水质五日生化需氧量(BOD↓5)稀释与接种法的测定GB/T 7490-1987水质挥发酚的测定蒸馏后4-氨基安替比林分光光度法GB/T 749l-1987水质挥发酚的测定蒸馏后溴化容量法GB/T 7494-1987水质阴离子表面活性剂的测定亚甲蓝分光光度法GB 8703-1988 辐射防护规定GB 8978-1996 污水综合排放标准GB/T 11889-1989水质苯胺类化合物的测定N-(1-萘基)乙二胺偶氮分光光度法GB/T 11890-1989水质苯系物的测定气相色谱法GB/T 11893-1989水质总磷的测定钼酸铵分光光度法中华人民共和国建设部1999-01-26批准1999-08-01实施GB/T 11899-1989水质硫酸盐的测定重量法GB/T 11901-1989水质悬浮物的测定重量法GB/T 11902-1989水质硒的测定2,3-二氨基萘荧光法GB/T 11903-1989水质色度的测定GB/T 11906-1989水质锰的测定高碘酸钾分光光度法GB/T 11910-1989水质镍的测定丁二酮肟分光光度法GB/T 11911-1989水质铁、锰的测定火焰原子吸收分光光度法GB/T 11912-1989水质镍的测定火焰原子吸收分光光度法GB/T 11914-1989水质化学需氧量的测定重铬酸盐法GB/T 13192-1991水质有机磷农药的测定气相色谱法GB/T 13194-1991水质硝基苯、硝基甲苯、硝基氯苯、二硝基甲苯的测定气相色谱法GB/T 13195-1991水质水温的测定温度计或颠倒温度计测定法GB/T 13196-1991水质硫酸盐的测定火焰原子吸收分光光度法GB/T 13199-1991水质阴离子洗涤剂的测定电位滴定法GB/T 15505-1995水质硒的测定石墨炉原子吸收分光光度法GB/T 16488-1996水质石油类和动植物油的测定红外光度法GB/T 16489-1996水质硫化物的测定亚甲基蓝分光光度法CJ 26.3-1991 城市污水易沉固体的测定体积法CJ 26.7-1991 城市污水油的测定重量法CJ 26.10-1991 城市污水硫化物的测定CJ 26.25-1991 城市污水氨氮的测定CJ 3025-1993 城市污水处理厂污水污泥排放标准。
/search/s_d_%CB%AE%D6%CA%B7%D6%CE%F6%B7%BD%B7%A8%B9%FA%BC %D2%B1%EA%D7%BC%BB%E3%D7%DC_1.htm下载网址
水质分析方法国家标准汇总详细下载目录
水质分析方法国家标准汇总(一)
目录:pH水质自动分析仪技术要求
氨氮水质自动分析仪技术要求
超声波明渠污水流量计
地表水和污水监测技术规范
地下水环境监测技术规范
电导率水质自动分析仪技术要求
高氯废水化学需氧量的测定(碘化钾碱性高锰酸钾法)
高氯废水-化学需氧量的测定(氯气校正法)
高锰酸盐指数水质自动分析仪技术要求
工业废水总硝基化合物的测定(分光光度法)
工业废水总硝基化合物的测定(气相色谱法)
海洋监测规范第一部分:总则
环境甲基汞的测定(气相色谱法)
水质分析方法国家标准汇总(二)
目录:环境中有机污染物遗传毒性检测的样品前处理规范
近岸海域环境功能区划分技术规范
溶解氧(DO)水质自动分析仪技术要求
水和土壤质量有机磷农药的测定(气相色谱法)
水污染物排放总量监测技术规范
水质-1,2-二氯苯、1,4-二氯苯、1,2,4-三氯苯的测定(气相色谱法)
水质-甲基肼的测定(对二甲氨基苯甲醛分光光度法)
水质-pH值的测定(玻璃电极法)
水质-氨氮的测定(气相分子吸收光谱法)
水质-铵的测定(水杨酸分光光度法)
水质-铵的测定(纳氏试剂比色法)
水质-铵的测定(蒸馏和滴定法)
水质-钡的测定(电位滴定法)
水质-钡的测定(原子吸收分光光度法)
水质-苯胺类化合物的测定(N-(1-萘基)乙二胺偶氮分光光度法)
水质-苯并(a)芘的测定(乙酰化滤纸层析荧光分光光度法)
水质-苯系物的测定(气相色谱法)
水质-吡啶的测定(气相色谱法)
水质-丙烯腈的测定(气相色谱法)
水质采样样品的保存和管理技术规定
水质分析方法国家标准汇总(三)(已下载)
目录:水质-采样方案设计技术规定
水质采样技术指导
水质-二硫化碳的测定(二乙胺乙酸铜分光光度法)
水质-二硝基甲苯的测定(示波极谱法)
水质-二乙烯三胺的测定(水杨醛分光光度法)
水质-钒的测定(石墨炉原子吸收分光光度法)
水质-钒的测定(钽试剂(bpha)萃取分光光度法)
水质-氟化物的测定(氟试剂分光光度法)
水质-氟化物的测定(离子选择电极法)
水质-氟化物的测定(茜素磺酸锆目视比色法)
水质-钙的测定(EDTA滴定法)
水质-钙和镁的测定(原子吸收分光光度法)
水质-钙和镁总量的测定(EDTA滴定法)
水质-高锰酸盐指数的测定
水质-镉的测定(双硫腙分光光度法)
水质-河流采样技术指导
水质-黑索今的测定(分光光度法)
水质-痕量砷的测定(硼氢化钾-硝酸银分光光度法)
水质-湖泊和水库采样技术指导
水质-化学需氧量的测定(重铬酸盐法)
水质-挥发酚的测定(蒸馏后4-氨基安替比林分光光度法)
水质-挥发酚的测定(蒸馏后溴化容量法)
水质-挥发性卤代烃的测定(顶空气相色谱法)
水质-急性毒性的测定(发光细菌法)
水质-甲醛的测定(乙酰丙酮分光光度法)
水质-钾和钠的测定(火焰原子吸收分光光度法)
水质-肼的测定(对二甲氨基甲醛分光光度法)
水质-凯氏氮的测定
水质-凯氏氮的测定(气相分子吸收光谱法)
水质-可吸附有机卤素(AOX)的测定(离子色谱法)
水质-可吸附有机卤素(AOX)的测定(微库仑法)
水质-邻苯二甲酸二甲(二丁、二辛)酯的测定(液相色谱法)
水质分析方法国家标准汇总(四)
目录:水质-硫化物的测定(碘量法)
水质-硫化物的测定(气相分子吸收光谱法)
水质-硫化物的测定(亚甲基蓝分光光度法)
水质-硫化物的测定(直接显色分光光度法)
水质-硫氰酸盐的测定(异烟酸-吡唑啉酮分光光度法)
水质-硫酸盐的测定(火焰原子吸收分光光度法)
水质-硫酸盐的测定(重量法)
水质-六价铬的测定(二苯碳酰二肼分光光度法)
水质-六六六、滴滴涕的测定(气相色谱法)
水质-六种特定多环芳烃的测定(高效液相色谱法)
水质-氯苯的测定(气相色谱法)
水质-氯化物的测定(硝酸银滴定法)
水质-锰的测定(高碘酸钾分光光度法)
水质-镍的测定(丁二酮肟分光光度法)
水质-镍的测定(火焰原子吸收分光光度法)
水质-硼的测定(姜黄素分光光度法)
水质-铍的测定(铬菁R分光光度法)
水质-铍的测定(石墨炉原子吸收分光光度)
水质-偏二甲基肼的测定(氨基亚铁氰化钠分光光度法)
水质-铅的测定(示波极谱法)
水质-铅的测定(双硫腙分光光度法)
水质-氰化物的测定(第一部分总氰化物的测定)
水质-氰化物的测定(第二部分氰化物的测定)
水质-全盐量的测定(重量法)
水质-溶解氧的测定(碘量法)
水质-溶解氧的测定(电化学探头法)
水质-三氯乙醛的测定(吡啶啉酮分光光度法)
水质-三乙胺的测定(溴酚蓝分光光度法)
水质-色度的测定
水质-生化需氧量(BOD)的测定(微生物传感器快速测定法)
水质-石油类和动植物油的测定(红外光度法)
水质-水温的测定(温度计或颠倒温度计测定法)
水质-梯恩梯、黑索今、地恩梯的测定(气相色谱法)
水质-梯恩梯的测定(分光光度法)
水质-梯恩梯的测定(亚硫酸钠分光光度法)
水质-铁(Ⅱ、Ⅲ)氰络合物的测定(三氯化铁分光光度法)
水质-铁(Ⅱ、Ⅲ)氰络合物的测定(原子吸收分光光度法)
水质-铁、锰的测定(火焰原子吸收分光光度法)
水质-铜、锌、铅、镉的测定(原子吸收分光光度法)
水质分析方法国家标准汇总(五)
目录:水质-铜的测定(2,9-二甲基-1,10-菲啰啉分光光度法)
水质-铜的测定(二乙基二硫代氨基甲酸钠分光光度法)
水质-烷基汞的测定(气相色谱法)
水质-无机阴离子的测定(离子色谱法)
水质-五氯酚的测定(藏红T分光光度法)
水质-五氯酚的测定(气相色谱法)
水质-五日生化需氧量(BOD5)的测定(稀释与接种法)
水质-物质对淡水鱼(斑马鱼)急性毒性测定方法
水质-物质对蚤类(大型蚤)急性毒性测定方法
水质-硒的测定(2,3-二氨基萘荧光法)
水质-硒的测定(石墨炉原子吸收分光光度法)
水质-硝化甘油的测定(示波极谱法)
水质-硝基苯、硝基甲苯、硝基氯苯、二硝基甲苯的测定(气相色谱法)
水质-硝酸盐氮的测定(酚二磺酸分光光度法)
水质-硝酸盐氮的测定(气相分子吸收光谱法)
水质-锌的测定(双硫腙分光光度法)
水质-悬浮物的测定(重量法)
水质-亚硝酸盐氮的测定(分光光度法)
水质-亚硝酸盐氮的测定(气相分子吸收光谱法)
水质-阴离子表面活性剂的测定(亚甲基蓝分光光度法)
水质—阴离子洗涤剂的测定(电位滴定法)
水质-银的测定(3,5-Br2-PADAP分光光度法)
水质-银的测定(镉试剂2B分光光度法)
水质-银的测定(火焰原子吸收分光光度法)
水质-游离氯和总氯的测定(N,N-二乙基-1,4-苯二胺滴定法)
水质-游离氯和总氯的测定(N,N-二乙基-1,4-苯二胺分光光度法)水质-有机磷农药的测定(气相色谱法)
水质-浊度的测定
水质-总氮的测定(碱性过硫酸钾消解紫外分光光度法)
水质-总氮的测定(气相分子吸收光谱法)
水质-总铬的测定
水质-总汞的测定(高锰酸钾-过硫酸钾消解法双硫腙分光光度法)水质-总汞的测定(冷原子吸收分光光度法)
水质-总磷的测定(钼酸铵分光光度法)
水质-总砷的测定(二乙基二硫代氨基甲酸银分光光度法)
水质-总有机碳(TOC)的测定(非色散红外线吸收法)
水质-总有机碳的测定(燃烧氧化-非分散红外吸收法)
浊度水质自动分析仪技术要求
紫外(UV)吸收水质自动在线监测仪技术要求
总氮水质自动分析仪技术要求
总磷水质自动分析仪技术要求
总有机碳(TOC)水质自动分析仪技术要求。