浙江水利水电工程安全台帐
- 格式:doc
- 大小:465.50 KB
- 文档页数:42
(建筑工程安全)水利水电工程安全台帐水利工程安全技术资料台帐之壹安全生产管理制度施工单位:工程名称:负责人:安全员:开竣工日期:安全生产管理制度目录壹、各项安全生产管理制度二、各工种安全技术作业指导书三、各种机械作业指导书水利工程安全技术资料台帐之壹安全会议台帐施工单位:工程名称:负责人:安全员:开竣工日期:目录安全例会记录工地安全会议记录建设工程施工现场安全保证资料安全例会记录施工企业:工程名称:NO:工地安全会议记录水利工程安全技术资料台帐之二安全检查台帐施工单位:苍南县水利水电工程XX公司工程名称:曹娥江至慈溪引水工程(余姚段)虞东河南段河道负责人:周仕畅安全员:陈友益开竣工日期:2008年9月12日—目录安全生产检查制度安全生产检查记录事故隐患整改通知书和回执施工现场安全管理检查表安全生产检查记录施工现场安全管理检查表被检单位:工程名称:负责人:检查时间:水利工程安全技术资料台帐之三安全宣传教育培训台帐施工单位:苍南县水利水电工程XX公司工程名称:曹娥江至慈溪引水工程(余姚段)虞东河南段河道负责人:周仕畅安全员:陈友益开竣工日期:2008年9月12日—目录安全教育制度三级安全教育花名册职工安全教育登记表变换工种记录外来人员注册登记表三级安全教育花名册职工(新工人)安全教育登记表单位:职工(新工人)安全教育登记表单位:职工(新工人)安全教育登记表单位:本表壹式四份,负责人壹份,留存台帐、公司壹份、受教育者壹份、班组长壹份(活页)变换工种记录外来人员注册登记表注:身份证、外出做工证明、计划生育证明复印件附后表中水利工程安全技术资料台帐之四特种行业和特种作业人员台帐施工单位:苍南县水利水电工程XX公司工程名称:曹娥江至慈溪引水工程(余姚段)虞东河南段河道负责人:周仕畅安全员:陈友益开竣工日期:2008年9月12日—目录作业人员登记表特种作业人员上岗证复印件建设工程施工现场安全保证资料作业人员登记表NO:填表人:日期:水利工程安全技术资料台帐之五重大危险源和重大隐患台帐施工单位:苍南县水利水电工程XX公司工程名称:曹娥江至慈溪引水工程(余姚段)虞东河南段河道负责人:周仕畅安全员:陈友益开竣工日期:2008年9月12日—目录重大危险源和重大隐患及预防处置措施水利工程安全技术资料台帐之六安全事故查处台帐施工单位:苍南县水利水电工程XX公司工程名称:曹娥江至慈溪引水工程(余姚段)虞东河南段河道负责人:周仕畅安全员:陈友益开竣工日期:2008年9月12日—目录安全生产奖罚制度安全生产奖罚记录伤亡事故记录伤亡事故调查分析、处理方案安全生产奖罚记录伤亡事故记录水利工程安全技术资料台帐之七安全生产日记施工单位:苍南县水利水电工程XX公司工程名称:曹娥江至慈溪引水工程(余姚段)虞东河南段河道负责人:周仕畅安全员:陈友益开竣工日期:2008年9月12日—目录工地安全日记班组安全活动制度班组安全活动记录工地安全日记班组活动记录水利工程安全技术资料台帐之八施工现场安全防护(安全技术措施、安全技术交底)施工单位:苍南县水利水电工程XX公司工程名称:曹娥江至慈溪引水工程(余姚段)虞东河南段河道负责人:周仕畅安全员:陈友益开竣工日期:2008年9月12日—目录施工组织设计(安全技术措施)安全防护技术交底记录安全防护技术交底记录本表壹式俩份,负责人壹表留存台帐,被交底人壹表(活页)安全防护技术交底记录本表壹式俩份,负责人壹表留存台帐,被交底人壹表(活页)安全防护技术交底记录本表壹式俩份,负责人壹表留存台帐,被交底人壹表(活页)安全防护技术交底记录。
内部资料仅供参考全省水利建设系统安全生产台帐表式安全生产台帐是施工单位安全生产管理的资料记录,是档案管理和创建省级文明工地的重要组成部分。
在台帐资料的记录、整理和积累的过程中起到自我督促、强化安全生产管理的作用。
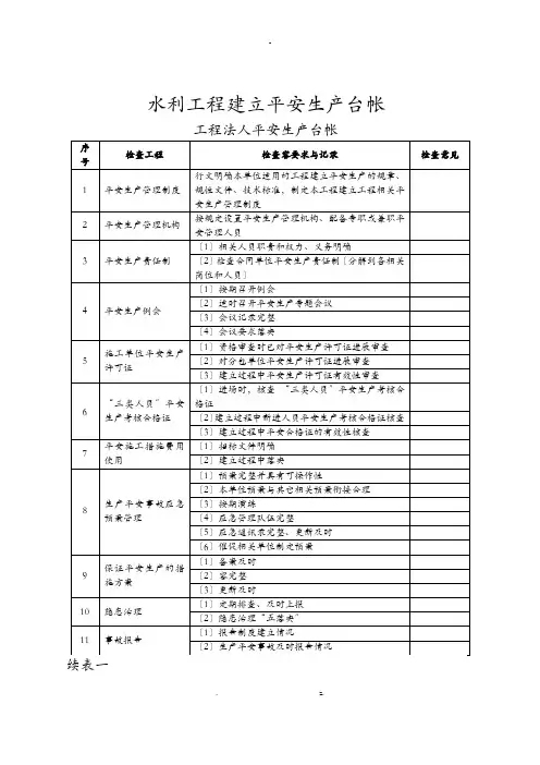
施工企业安全生产台帐一般包括:1、安全责任书(与主管单位及内部各班组签订的安全生产目标管理责任书、合同);2、安全生产机构设置的文件(领导小组、安全组织等);3、安全生产管理制度(安全生产责任制、安全技术措施计划、安全生产教育、安全生产定期检查、伤亡事故的调查和处理制度和各级安全人员岗位职责等);4、上级有关安全生产管理部门制订和下发的制度性文件、通知、通报等;5、安全宣传教育培训、学习、活动资料;6、安全生产检查资料;7、安全会议记录;8、花名册:全员花名册,特种作业人员花名册;9、新工人(含民工和临时工)三级教育;10、机械、电气等设备管理资料;11、安全技术交底资料;12、危险源管理台帐;13、事故应急预案、事故记录和报告资料,安全事故调查处理材料;14、安全设施和劳保用品购买、发放登记台帐;15、企业“三类人”安全考核证书管理台帐;16、职业病危害及处理记录资料;17、劳动保护用品发放记录资料;18、工伤保险、意外伤害保险;19、安全费用投入清单;20、职工教育培训;21、应急演练记录;22、劳务(专业)分包合同管理台帐。
具体表式如下:附表1:安全生产管理人员台帐附表2:企业“三类人”安全考核证书管理台帐附表3:特殊工种人员培训花名册附表4:安全费用投入清单附表5:职工教育培训档案附表6:企业培训记录附表7:安全检查记录附表8:限期/停工整改指令书附表9:应急演练记录附表10:工伤事故台帐附表11:设备管理台帐附表12:劳务(专业)分包合同管理台帐附表13:劳动保护用品发放记录附表14:安全生产劳动保护工作检查记录附表15:职业病危害及处理记录附表16:重大危险源管理台帐附表17:文件/资料清单安全生产管理人员台帐序号姓名类别身份证号码安全考核证书编号单位1234567891011121314151618企业“三类人”安全考核证书管理台帐序号姓名类别身份证号码证书编号单位1234567891011121314151617附表3特殊工种人员培训花名册姓名性别出生年月参加工作时间文化程度工种发证时间复检时间有效期证书编号身份证号5附表4安全费用投入清单(一)名称规格数量金额(元)相关票据证号一、安全技术措施费用(安全防护设施费用)安全帽平顶三筋玻璃钢安全带密目式安全网安全网闸箱总配电箱分配电箱开关箱漏电保护器6电缆扣件对接、旋转、直角脚手版钢管绝缘手套绝缘鞋安全警示标志牌安全设施搭设人工费小计7安全费用投入清单(二)单位:单位:元名称规格数量金额(元)相关票据证号二、安全教育培训费用安全员培训学习的费用特种作业人员培训学习的费用员工日常安全培训的费用小计三、文明施工增加的费用办公室及宿舍等五小设施等大门围挡场地硬化临建板房床铺食堂设施消防设施绿化导向牌其他省市级文明工地的申报省级市级小记四、安全专职机构的日常费用及工器具费用五、用于安全生产奖励的费用六、其它总计8附表5职工教育培训档案姓名性别工作岗位学历专业职称身份证号内容时间考核成绩备注教育培训情况9附表6企业培训记录年月日培训项目组织部门培训对象培训时间培训地点应参培人数实际参培人数培训内容授课教师时间安排培训情况记录及总结:填表人:审核人:附表7安全检查记录受检单位检查部门检查内容检查日期检查记录(存在问题)检查人:日期:整改意见受检负责人:日期:整改效果验证人:日期:附表8限期/停工整改指令书工程名称检查项目存在问题处理意见工地负责人(签字)检查单位(签章)附表9应急演练记录演练名称演练时间组织人演练地点记录内容:记录人:参加部门附表10工伤事故台帐序号姓名性别年龄工种级别参加工作时间从事本工种时间文化程度事故类别伤害程度发生时间发生地点备注14附表11设备管理台帐单位:设备名称型号编号数量购置时间上次大修时间上次中修时间运转时间16附表12劳务(专业)分包合同管理台帐序号分包合同名称开工日期竣工日期签定日期备注17附表13劳动保护用品发放记录工程名称应发劳动保护用品人数发放时间备注附表14安全生产劳动保护工作检查记录单位时间名称检查人员存在问题:记录人:处理结果记录人:年月日附表15职业病危害及处理记录时间单位名称检查人员现场记录:记录人:整改措施:记录人:整改效果:记录人:年月日20附表16重大危险源管理台帐序号重大危险源施工现场监控措施应急措施备注22附表17文件/资料清单序号文件名称文件编号发文单位接收人接收日期备注23。
水利工程安全台账水利工程是国民经济的支柱之一,包括水库、大中型灌溉工程、漫灌、渠道、泵站、排涝等。
然而这些工程建筑物的安全问题,一直是我们必须面对的问题。
因此,建立水利工程安全台账,可以及时监测、控制各项风险与安全隐患,对维护水利工程设施的稳定运行、提高运行效益、减少损失具有极其重要的作用。
首先,水利工程安全台账必须包含水利工程的基本信息。
例如:工程名称、工程规模及状态,工程所在地、地形地貌、水源、洪水、雷电等自然条件,工程建设年代、工程技术指标等。
这些基本信息可以方便快捷地为水利工程的日常运作和安全管理提供有关的数据及依据。
其次,水利工程安全台账也必须对某些具有重要影响因素的安全管理目标进行评估。
例如,水位监测、雨量监测、水利工程水土保持现状调查等评估信息。
这些评估信息可以帮助我们快速根据实时数据进行监管,有效降低各类危害所带来的安全风险以及保障水利工程健康发展。
第三,水利工程安全台账还应该列出工艺安全管控的基本措施。
例如,工程设施使用管理、安全生产制度、安全文明的宣传和教育等。
通过建立科学的安全管理机制和标准化的作业流程将水利工程安全目标有效推行,同时也可以提高工程的操作性效率,利于控制安全风险、更好地发挥工程的经济社会效益。
第四,水利工程安全台账还应该包含重大安全事件的记录,警示事故。
因为水利工程故障或者事故通常带来的后果非常严重,甚至会造成人员伤亡或者经济损失。
警示事故的事件记录可以为我们发现潜在的安全隐患提供早期预警,促进我们加强对于水利工程安全的有效管理和控制。
总之,水利工程安全台账是水利工程建设与运营管理一个很重要的工具。
建立后,能够帮助我们做好水利工程的日常维护管理、尽可能降低水利工程建设过程中的安全风险,保护水利工程设施的完整性、安全稳定运行,为水利工程的可持续发展提供有效维护保障。
目录1、安全管理1.1工程基本情况1.1.1建设工程项目安全监督登记表1.1.2建设工程项目基本情况表1.1.3证书清单1.1.4危险性较大分部分项工程清单1.1.5危险源识别与风险评价表1.1.6重大危险源动态管理控制表1.1.7施工现场管理人员及资格证书登记表1.1.8施工现场特种作业人员及操作资格证书登记表1.1.9施工现场主要机械设备一览表1.1.10施工现场总平面图布置图1.1.11施工现场安全标志(含消防标志)平面布置图1.1.12施工现场安全防护用具一览表1.1.13施工现场安全生产文明施工措施费用预算表1.1.14施工现场安全生产文明施工措施费用投入统计表1.2安全规章制度1.2.1建设工程安全生产法律、法规、规章和规范性文件清单1.2.2建设工程安全生产技术标准、规范清单1.2.3建筑施工企业安全生产规章制度清单1.2.4建设工程项目部安全管理机构网络1.2.5建设工程项目部安全生产责任制1.2.6建设工程项目部各级安全生产责任书1.2.7建设工程项目安全生产事故应急救援预案1.2.8工程建设安全事故快报表1.3安全教育与交底1.3.1施工现场建筑工人三级教育登记表1.3.2建筑工人三级安全教育登记卡1.3.3项目管理人员年度安全培训登记表1.3.4安全技术交底记录汇总表1.3.5安全技术交底记录表1.3.6民工学位有关资料1.4安全活动1.4.1工地安全日记1.4.2班组安全活动记录表1.4.3企业负责人施工现场带班检查记录1.4.4项目负责人施工现场带班记录1.4.5各类安全专项活动实施情况检查记录表2、文明施工与消防管理2.1文明施工2.1.1文明施工专项方案2.1.2临时设施专项施工方案2.1.3文明施工验收表2.1.4施工临时用房验收表2.2消防管理2.2.1消防安全管理方案及应急预案2.2.2消防安全检查记录表2.2.3三级动火许可证2.2.4二级动火许可证2.2.5一级动火许可证3、安全检查与验收3.1安全检查3.1.1安全生产检查记录汇总表3.1.2项目安全生产检查记录表3.2高处作业3.2.1高出作业防护设施安全验收表3.2.2“三宝”质量证明文件清单3.3基坑工程3.3.1基坑支护设计方案3.3.2基坑安全专项施工方案及专家论证报告3.3.3基坑监测方案和监测报告(巡查记录)3.4模板支架工程3.4.1模板支架工程安全专项施工方案及专家论证报告3.4.2模板支架验收记录表3.4.3模板支架工程安全技术综合验收表3.4.4模板支架工程安全技术交底记录3.4.5模板拆除申请表3.4.6钢管、扣件等材料质量证明清单3.5脚手架工程3.5.1脚手架工程安全专项施工方案及专家论证报告3.5.2钢管扣件式脚手架安全技术综合验收表3.5.3悬挑式脚手架安全技术综合验收表3.5.4附着式升降脚手架安全技术综合验收表3.5.5原材料及有关设备部件的质量证明文件3.5.6脚手架工程安全技术交底3.5.7脚手架拆除申请表3.5.8高处作业吊篮安装拆卸方案3.5.9高处作业吊篮安全技术综合验收表3.5.10高处作业吊篮安装及使用人员安全技术交底3.5.11高处作业吊篮合格证及检验报告3.6施工用电3.6.1施工用电专项施工方案3.6.2施工用电安全技术综合验收表3.6.3接地电阻测验记录表3.6.4绝缘电阻和漏电保护器检测记录表3.7安全防护设施3.7.1安全防护设施交接验收记录3.7.2安全防护用品发放记录表4.施工机械4.1建筑起重机械4.1.1建筑起重机械安装拆卸专项施工方案4.1.2建筑起重机械基础工程资料4.1.3建筑起重机械安全事故应急救援预案4.1.4建筑起重机械产权备案表4.1.5建筑起重机械安装(拆卸)告知表4.1.6建筑起重机械使用登记表4.1.7塔式起重机安装自检表4.1.8塔式起重机安装验收表4.1.9塔式起重机安全监控系统安装验收表4.1.10塔式起重机顶升加节验收表4.1.11塔式起重机每日使用前检查表4.1.12塔式起重机月度安全检查表4.1.13建筑起重机基础验收表4.1.14施工升降机安装自检表4.1.15施工升降机安装验收表4.1.16施工升降机每日使用前检查表4.1.17施工升降机月度安全检查表4.1.18施工升降机交接班记录表4.1.19物料提升机基础验收表4.1.20物料提升机安装自检表4.1.21物料提升机安装验收表4.1.22物料提升机每日使用前检查表4.1.23物料提升机月度安全检查表4.1.24其他有关资料4.2打(沉)桩机械4.2.1桩基工程安全生产文明施工措施4.2.2桩机工程安全技术综合验收表4.3起重吊装机械4.3.1起重吊装工程安全专项施工方案4.3.2起重吊装机械安全技术综合验收表4.3.3起重吊装机械作业试吊记录表4.3.4起重吊装作业安全技术交底记录4.3.5起重吊装作业人员上岗证4.4施工机具4.4.1平刨机安全技术验收表4.4.2圆盘锯安全技术验收表4.4.3钢筋机械安全技术验收表4.4.4电焊机安全技术验收表4.4.5搅拌机安全技术验收表4.4.6挖土机械安全技术验收表4.4.7施工机械操作人员上岗证浙江省建设工程施工现场安全管理台账之一1、安全管理1.1工程基本情况工程名称施工单位浙江省建筑业管理局浙江省建筑业行业协会施工安全与设备管理分会编1.1.1建设工程项目安全监督登记表建设单位(章):施工单位(章):登记日期:安监编号:建设单位:安全目标:工程名称:工程地点:项目负责人:联系电话:建设行政主管部门安全监督机构(章)年月日1.1.2建设工程项目基本情况表建设单位(章):项目负责人(建设单位):1.1.3证书清单工程名称:1.1.4危险性较大分部分项工程清单工程名称:日期:施工单位项目负责人签字:监理单位项目负责人签字:建设单位项目负责人签字:1.1.5危险源识别与风险评价表工程名称:1.1.6重大危险源动态管理控制表工程名称:1.1.7施工现场管理人员及资格证书登记表工程名称:1.1.8施工现场特种作业人员及操作自合证书登记表工程名称:1.1.9施工现场主要机械设备一览表工程名称:1.1.10施工现场总平面布置图工程名称:1.1.11施工现场安全标志(含消防标志)平面图工程名称:1.1.12施工现场安全防护用具一览表工程名称:1.1.13施工现场安全生产文明施工措施费用预算表工程名称:1.1.14施工现场安全生产文明施工措施费用投入统计表工程名称:浙江省建设工程施工现场安全管理台账之一1、安全管理1.2安全规章制度工程名称施工单位浙江省建筑业管理局浙江省建筑业行业协会施工安全与设备管理分会编1.2.1建设工程安全生产法律、法规、规章和规范性文件清单工程名称:1.2.2建设工程安全生产技术标准、规范清单工程名称:1.2.3建筑施工企业安全生产规章制度清单工程名称(章):1.2.4建设工程项目部安全管理机构网络工程名称:编制人职务审核人职务批准人职务编制日期1.2.5建设工程项目部安全生产责任制工程名称:施工单位:1.2.6建设工程项目部各级安全生产责任书工程名称:施工单位:1.2.7建设工程项目安全生产事故应急救援预案工程名称:编制人职务审核人职务批准人职务编制日期1.2.8工程建设安全事故快报表备注:加*的项目为第一次快报必填项浙江省建设工程施工现场安全管理台账之一1、安全管理1.3安全教育与交底工程名称施工单位浙江省建筑业管理局浙江省建筑业行业协会施工安全与设备管理分会编1.3.1施工现场建筑工人三级教育登记表工程名称:1.3.2建筑工人三级安全教育登记卡工程名称:工种:编号:1.3.3项目管理人员年度安全培训登记表填表人:填写日期:1.3.4安全技术交底记录汇总表填表人:填写日期:1.3.5安全技术交底记录表1.3.6民工学校有关资料工程名称:施工单位:浙江省建设工程施工现场安全管理台账之一1、安全管理1.4安全活动工程名称施工单位浙江省建筑业管理局浙江省建筑业行业协会施工安全与设备管理分会编1.4.1工地安全日记1.4.2班组安全活动记录表注:本记录由带班人签字在项目存档备查项目负责人施工现场带班记录1.4.5各类安全专项活动实施情况检查记录表记录人:年月日浙江省建设工程施工现场安全管理台账之二2、文明施工与消防管理2.1文明施工工程名称施工单位浙江省建筑业管理局浙江省建筑业行业协会施工安全与设备管理分会编2.1.1文明施工专项方案工程名称:编制人职务审核人职务批准人职务编制日期2.1.2临时设施专项施工方案工程名称:编制人职务审核人职务批准人职务编制日期2.1.3文明施工验收表2.1.4施工临时用房验收表工程名称:浙江省建设工程施工现场安全管理台账之二2、文明施工与消防管理2.2消防管理工程名称施工单位浙江省建筑业管理局浙江省建筑业行业协会施工安全与设备管理分会编。
水利水电工程安全台帐水利水电工程是一个国家基础设施建设的重要领域,工程建设的安全管理是关键。
为了有效地管理水利水电工程的安全,建立一个完善的安全台帐是必不可少的。
一、水利水电工程安全的重要性水利水电工程的安全管理是非常重要的,因为水利水电工程涉及到水利大坝、水电站、水渠和闸门等重要设施。
一旦发生安全事故,将会对社会、经济和环境带来重大损失。
近年来,国内外都发生过多起水利水电工程事故,这些事故不仅造成了巨大财产损失,更对人民的生命和财产安全造成了威胁。
二、水利水电工程安全台帐的定义水利水电工程安全台帐是指将水利水电工程安全管理的各项措施进行统一的收集、整理和记录的账簿,以确保各项工作的全面、规范、科学、有效。
三、水利水电工程安全台帐的内容1. 安全管理制度:包括安全制度、应急管理制度、安全检查与评价制度、事故管理制度等,这些制度是建立在水利水电工程安全管理的基础上,确保安全管理工作的有效性。
2. 安全生产责任制:包括安全生产责任制、安全生产机构设置和工程安全责任划分等,明确各级责任,做到权责对等,为责任追究提供准确的依据。
3. 安全培训:包括培训计划、培训内容、培训时间和培训证书等,确保相关人员具备安全生产知识和技能,从而增强安全意识。
4. 安全设施:包括安全防护设施、安全监测设施、安全救援设施等,确保工程运行过程中的安全。
5. 安全检查与评价:包括各类检查报告和评价报告,对水利水电工程建设过程中可能存在的隐患进行检查评价,及时发现和解决问题。
6. 安全记录与报告:包括安全事故记录和安全报告,记录安全事故发生的时间、地点、原因、损失等信息,及时上报,为下一步处理提供科学依据。
7. 安全生产监管:包括安全生产督查和安全生产评估等,确保水利水电工程安全生产工作保证有序开展。
四、水利水电工程安全台帐的建立与使用为了确保水利水电工程安全台帐建立和使用的有效性和合理性,以下是其建立与使用的一些建议:1. 建立水利水电工程安全台帐的责任人和负责人,并明确其职责和工作内容。
水利水电施工企业安全管理台账编制说明1.本台账供水利水电施工企业负责人、安全管理人员以及特种设备维护管理人员使用。
2.本文根据《水利水电施工企业安全生产标准化评审标准》将水利水电施工企业安全生产标准化的台账资料划分成八个文件夹,企业可参考并建立适合自身的安全管理台账。
3.企业安全管理人员应根据企业自身安全生产特点,在本台账的基础上逐步建立起完善的、适合本企业安全管理的台账资料。
文件夹一:目标职责一、目标台账资料:①安全生产目标管理制度;②关于发布总目标、年度目标、分解目标的通知;③各层级签订的安全生产责任书;④安全生产目标实施情况监督检查表;⑤安全生产目标完成情况考核表。
二、机构与职责台账资料:①成立安全生产委员会(领导小组)的通知;②成立安全环保部(安全科)的决定;③安全生产管理人员任命书;④安全生产责任制;⑤安全生产委员会会议纪要。
三、全员参与台账资料:①安全生产责任制落实与考核工作表;②安全生产长效激励约束机制。
四、安全生产投入台账资料:①安全生产费用保障制度;②投标文件中工程造价清单;③安全生产投入计划与台账;④安全生产费用使用票据与使用台账;⑤安全生产费用检查考核及使用情况公开记录;⑥相关保险凭证。
五、安全文化建设台账资料:①安全生产和职业病危害防治理念及行为准则;②安全文化建设规划和计划;③安全文化活动记录。
六、安全生产信息化建设台账资料:无(见安全生产信息化管理系统)。
文件夹二:制度化管理一、法规标准识别台账资料:①安全生产法律法规、标准规范管理制度;②法律法规清单及印发通知;③安全生产法律法规发放记录。
二、规章制度台账资料:①公司、项目部发放规章制度的通知;②安全生产制度汇编;③安全生产规章制度发放、培训记录。
三、操作规程台账资料:①安全操作规程汇编;②安全操作规程发放记录;③安全操作规程培训、考核记录。
四、文档管理台账资料:①公司、项目部年度安全生产法律法规及各项规章制度执行和适用情况评估报告;②安全生产规章制度、安全操作规程修订记录。
目录1、平安管理建设工程工程平安监督登记表建设工程工程根本情况表证书清单危险性较大分局部项工程清单危险源识别与风险评价表重大危险源动态管理控制表施工现场管理人员及资格证书登记表施工现场特种作业人员及操作资格证书登记表施工现场主要机械设备一览表施工现场总平面图布置图施工现场平安标志〔含消防标志〕平面布置图施工现场平安防护用具一览表施工现场平安生产文明施工措施费用预算表施工现场平安生产文明施工措施费用投入统计表建设工程平安生产法律、法规、规章和标准性文件清单建设工程平安生产技术标准、标准清单建筑施工企业平安生产规章制度清单建设工程工程部平安管理机构网络建设工程工程部平安生产责任制建设工程工程部各级平安生产责任书建设工程工程平安生产事故应急救援预案工程建设平安事故快报表施工现场建筑工人三级教育登记表建筑工人三级平安教育登记卡工程管理人员年度平安培训登记表平安技术交底记录汇总表平安技术交底记录表民工学位有关资料工地平安日记班组平安活动记录表企业负责人施工现场带班检查记录工程负责人施工现场带班记录各类平安专项活动实施情况检查记录表2、文明施工与消防管理文明施工专项方案临时设施专项施工方案文明施工验收表施工临时用房验收表消防平安管理方案及应急预案消防平安检查记录表三级动火许可证二级动火许可证一级动火许可证3、平安检查与验收平安检查平安生产检查记录汇总表工程平安生产检查记录表高出作业防护设施平安验收表“三宝〞质量证明文件清单基坑支护设计方案基坑平安专项施工方案及专家论证报告基坑监测方案和监测报告〔巡查记录〕模板支架工程平安专项施工方案及专家论证报告模板支架验收记录表模板支架工程平安技术综合验收表模板支架工程平安技术交底记录模板撤除申请表钢管、扣件等材料质量证明清单脚手架工程平安专项施工方案及专家论证报告钢管扣件式脚手架平安技术综合验收表悬挑式脚手架平安技术综合验收表附着式升降脚手架平安技术综合验收表原材料及有关设备部件的质量证明文件脚手架工程平安技术交底脚手架撤除申请表高处作业吊篮安装拆卸方案高处作业吊篮平安技术综合验收表高处作业吊篮安装及使用人员平安技术交底高处作业吊篮合格证及检验报告施工用电专项施工方案施工用电平安技术综合验收表接地电阻测验记录表绝缘电阻和漏电保护器检测记录表平安防护设施交接验收记录平安防护用品发放记录表建筑起重机械安装拆卸专项施工方案建筑起重机械根底工程资料建筑起重机械平安事故应急救援预案建筑起重机械产权备案表建筑起重机械安装〔拆卸〕告知表建筑起重机械使用登记表塔式起重机安装自检表塔式起重机安装验收表塔式起重机平安监控系统安装验收表塔式起重机顶升加节验收表塔式起重机每日使用前检查表塔式起重机月度平安检查表建筑起重机根底验收表施工升降机安装自检表施工升降机安装验收表施工升降机每日使用前检查表施工升降机月度平安检查表施工升降机交接班记录表物料提升机根底验收表物料提升机安装自检表物料提升机安装验收表物料提升机每日使用前检查表物料提升机月度平安检查表其他有关资料4.2打〔沉〕桩机械桩基工程平安生产文明施工措施桩机工程平安技术综合验收表起重吊装工程平安专项施工方案起重吊装机械平安技术综合验收表起重吊装机械作业试吊记录表起重吊装作业平安技术交底记录起重吊装作业人员上岗证平刨机平安技术验收表圆盘锯平安技术验收表钢筋机械平安技术验收表电焊机平安技术验收表搅拌机平安技术验收表挖土机械平安技术验收表施工机械操作人员上岗证浙江省建设工程施工现场平安管理台账之一1、平安管理工程名称施工单位浙江省建筑业管理局浙江省建筑业行业协会施工平安与设备管理分会编建设工程工程平安监督登记表建设单位〔章〕:施工单位〔章〕:登记日期:安监编号:建设单位:平安目标:工程名称:工程地点:工程负责人:联系:建设行政主管部门平安监督机构〔章〕年月日建设工程工程根本情况表建设单位〔章〕:工程负责人〔建设单位〕:证书清单工程名称:危险性较大分局部项工程清单工程名称:日期:施工单位工程负责人签字:监理单位工程负责人签字:建设单位工程负责人签字:危险源识别与风险评价表工程名称:重大危险源动态管理控制表工程名称:施工现场管理人员及资格证书登记表工程名称:施工现场特种作业人员及操作自合证书登记表工程名称:施工现场主要机械设备一览表工程名称:施工现场总平面布置图工程名称:施工现场平安标志〔含消防标志〕平面图工程名称:施工现场平安防护用具一览表工程名称:施工现场平安生产文明施工措施费用预算表工程名称:施工现场平安生产文明施工措施费用投入统计表工程名称:浙江省建设工程施工现场平安管理台账之一1、平安管理工程名称施工单位浙江省建筑业管理局浙江省建筑业行业协会施工平安与设备管理分会编建设工程平安生产法律、法规、规章和标准性文件清单工程名称:建设工程平安生产技术标准、标准清单工程名称:建筑施工企业平安生产规章制度清单工程名称〔章〕:建设工程工程部平安管理机构网络工程名称:编制人职务审核人职务批准人职务编制日期1.2.5建设工程工程部平安生产责任制工程名称:施工单位:1.2.6建设工程工程部各级平安生产责任书工程名称:施工单位:建设工程工程平安生产事故应急救援预案工程名称:编制人职务审核人职务批准人职务编制日期工程建设平安事故快报表备注:加*的工程为第一次快报必填项浙江省建设工程施工现场平安管理台账之一1、平安管理1.3平安教育与交底工程名称施工单位浙江省建筑业管理局浙江省建筑业行业协会施工平安与设备管理分会编施工现场建筑工人三级教育登记表工程名称:建筑工人三级平安教育登记卡工程名称:工种:编号:工程管理人员年度平安培训登记表填表人:填写日期:平安技术交底记录汇总表填表人:填写日期:平安技术交底记录表民工学校有关资料工程名称:施工单位:浙江省建设工程施工现场平安管理台账之一1、平安管理1.4平安活动工程名称施工单位浙江省建筑业管理局浙江省建筑业行业协会施工平安与设备管理分会编工地平安日记班组平安活动记录表企业负责人施工现场带班检查记录工程负责人施工现场带班记录注:本记录由带班人签字在工程存档备查工程负责人施工现场带班记录各类平安专项活动实施情况检查记录表记录人:年月日浙江省建设工程施工现场平安管理台账之二2、文明施工与消防管理工程名称施工单位浙江省建筑业管理局浙江省建筑业行业协会施工平安与设备管理分会编文明施工专项方案工程名称:编制人职务审核人职务批准人职务编制日期2.1.2临时设施专项施工方案工程名称:编制人职务审核人职务批准人职务编制日期文明施工验收表施工临时用房验收表工程名称:浙江省建设工程施工现场平安管理台账之二2、文明施工与消防管理工程名称施工单位浙江省建筑业管理局浙江省建筑业行业协会施工平安与设备管理分会编。
目录1、安全管理1.1工程基本情况1.1.1建设工程项目安全监督登记表1.1.2建设工程项目基本情况表1.1.3证书清单1.1.4危险性较大分部分项工程清单1.1.5危险源识别与风险评价表1.1.6重大危险源动态管理控制表1.1.7施工现场管理人员及资格证书登记表1.1.8施工现场特种作业人员及操作资格证书登记表1.1.9施工现场主要机械设备一览表1.1.10施工现场总平面图布置图1.1.11施工现场安全标志(含消防标志)平面布置图1.1.12施工现场安全防护用具一览表1.1.13施工现场安全生产文明施工措施费用预算表1.1.14施工现场安全生产文明施工措施费用投入统计表1.2安全规章制度1.2.1建设工程安全生产法律、法规、规章和规范性文件清单1.2.2建设工程安全生产技术标准、规范清单1.2.3建筑施工企业安全生产规章制度清单1.2.4建设工程项目部安全管理机构网络1.2.5建设工程项目部安全生产责任制1.2.6建设工程项目部各级安全生产责任书1.2.7建设工程项目安全生产事故应急救援预案1.2.8工程建设安全事故快报表1.3安全教育与交底1.3.1施工现场建筑工人三级教育登记表1.3.2建筑工人三级安全教育登记卡1.3.3项目管理人员年度安全培训登记表1.3.4安全技术交底记录汇总表1.3.5安全技术交底记录表1.3.6民工学位有关资料1.4安全活动1.4.1工地安全日记1.4.2班组安全活动记录表1.4.3企业负责人施工现场带班检查记录1.4.4项目负责人施工现场带班记录1.4.5各类安全专项活动实施情况检查记录表2、文明施工与消防管理2.1文明施工2.1.1文明施工专项方案2.1.2临时设施专项施工方案2.1.3文明施工验收表2.1.4施工临时用房验收表2.2消防管理2.2.1消防安全管理方案及应急预案2.2.2消防安全检查记录表2.2.3三级动火许可证2.2.4二级动火许可证2.2.5一级动火许可证3、安全检查与验收3.1安全检查3.1.1安全生产检查记录汇总表3.1.2项目安全生产检查记录表3.2高处作业3.2.1高出作业防护设施安全验收表3.2.2“三宝”质量证明文件清单3.3基坑工程3.3.1基坑支护设计方案3.3.2基坑安全专项施工方案及专家论证报告3.3.3基坑监测方案和监测报告(巡查记录)3.4模板支架工程3.4.1模板支架工程安全专项施工方案及专家论证报告3.4.2模板支架验收记录表3.4.3模板支架工程安全技术综合验收表3.4.4模板支架工程安全技术交底记录3.4.5模板拆除申请表3.4.6钢管、扣件等材料质量证明清单3.5脚手架工程3.5.1脚手架工程安全专项施工方案及专家论证报告3.5.2钢管扣件式脚手架安全技术综合验收表3.5.3悬挑式脚手架安全技术综合验收表3.5.4附着式升降脚手架安全技术综合验收表3.5.5原材料及有关设备部件的质量证明文件3.5.6脚手架工程安全技术交底3.5.7脚手架拆除申请表3.5.8高处作业吊篮安装拆卸方案3.5.9高处作业吊篮安全技术综合验收表3.5.10高处作业吊篮安装及使用人员安全技术交底3.5.11高处作业吊篮合格证及检验报告3.6施工用电3.6.1施工用电专项施工方案3.6.2施工用电安全技术综合验收表3.6.3接地电阻测验记录表3.6.4绝缘电阻和漏电保护器检测记录表3.7安全防护设施3.7.1安全防护设施交接验收记录3.7.2安全防护用品发放记录表4.施工机械4.1建筑起重机械4.1.1建筑起重机械安装拆卸专项施工方案4.1.2建筑起重机械基础工程资料4.1.3建筑起重机械安全事故应急救援预案4.1.4建筑起重机械产权备案表4.1.5建筑起重机械安装(拆卸)告知表4.1.6建筑起重机械使用登记表4.1.7塔式起重机安装自检表4.1.8塔式起重机安装验收表4.1.9塔式起重机安全监控系统安装验收表4.1.10塔式起重机顶升加节验收表4.1.11塔式起重机每日使用前检查表4.1.12塔式起重机月度安全检查表4.1.13建筑起重机基础验收表4.1.14施工升降机安装自检表4.1.15施工升降机安装验收表4.1.16施工升降机每日使用前检查表4.1.17施工升降机月度安全检查表4.1.18施工升降机交接班记录表4.1.19物料提升机基础验收表4.1.20物料提升机安装自检表4.1.21物料提升机安装验收表4.1.22物料提升机每日使用前检查表4.1.23物料提升机月度安全检查表4.1.24其他有关资料4.2打(沉)桩机械4.2.1桩基工程安全生产文明施工措施4.2.2桩机工程安全技术综合验收表4.3起重吊装机械4.3.1起重吊装工程安全专项施工方案4.3.2起重吊装机械安全技术综合验收表4.3.3起重吊装机械作业试吊记录表4.3.4起重吊装作业安全技术交底记录4.3.5起重吊装作业人员上岗证4.4施工机具4.4.1平刨机安全技术验收表4.4.2圆盘锯安全技术验收表4.4.3钢筋机械安全技术验收表4.4.4电焊机安全技术验收表4.4.5搅拌机安全技术验收表4.4.6挖土机械安全技术验收表4.4.7施工机械操作人员上岗证浙江省建设工程施工现场安全管理台账之一1、安全管理1.1工程基本情况工程名称施工单位浙江省建筑业管理局浙江省建筑业行业协会施工安全与设备管理分会编1.1.1建设工程项目安全监督登记表建设单位(章):施工单位(章):登记日期:安监编号:建设单位:安全目标:工程名称:工程地点:项目负责人:联系电话:建设行政主管部门安全监督机构(章)年月日1.1.2建设工程项目基本情况表建设单位(章):项目负责人(建设单位):1.1.3证书清单工程名称:1.1.4危险性较大分部分项工程清单工程名称:日期:施工单位项目负责人签字:监理单位项目负责人签字:建设单位项目负责人签字:1.1.5危险源识别与风险评价表工程名称:1.1.6重大危险源动态管理控制表工程名称:1.1.7施工现场管理人员及资格证书登记表工程名称:1.1.8施工现场特种作业人员及操作自合证书登记表工程名称:1.1.9施工现场主要机械设备一览表工程名称:1.1.10施工现场总平面布置图工程名称:1.1.11施工现场安全标志(含消防标志)平面图工程名称:1.1.12施工现场安全防护用具一览表工程名称:1.1.13施工现场安全生产文明施工措施费用预算表工程名称:1.1.14施工现场安全生产文明施工措施费用投入统计表工程名称:浙江省建设工程施工现场安全管理台账之一1、安全管理1.2安全规章制度工程名称施工单位浙江省建筑业管理局浙江省建筑业行业协会施工安全与设备管理分会编1.2.1建设工程安全生产法律、法规、规章和规范性文件清单工程名称:1.2.2建设工程安全生产技术标准、规范清单工程名称:1.2.3建筑施工企业安全生产规章制度清单工程名称(章):1.2.4建设工程项目部安全管理机构网络工程名称:编制人职务审核人职务批准人职务编制日期1.2.5建设工程项目部安全生产责任制工程名称:施工单位:1.2.6建设工程项目部各级安全生产责任书工程名称:施工单位:1.2.7建设工程项目安全生产事故应急救援预案工程名称:编制人职务审核人职务批准人职务编制日期1.2.8工程建设安全事故快报表备注:加*的项目为第一次快报必填项浙江省建设工程施工现场安全管理台账之一1、安全管理1.3安全教育与交底工程名称施工单位浙江省建筑业管理局浙江省建筑业行业协会施工安全与设备管理分会编1.3.1施工现场建筑工人三级教育登记表工程名称:1.3.2建筑工人三级安全教育登记卡工程名称:工种:编号:1.3.3项目管理人员年度安全培训登记表填表人:填写日期:1.3.4安全技术交底记录汇总表填表人:填写日期:1.3.5安全技术交底记录表1.3.6民工学校有关资料工程名称:施工单位:浙江省建设工程施工现场安全管理台账之一1、安全管理1.4安全活动工程名称施工单位浙江省建筑业管理局浙江省建筑业行业协会施工安全与设备管理分会编1.4.1工地安全日记1.4.2班组安全活动记录表注:本记录由带班人签字在项目存档备查项目负责人施工现场带班记录1.4.5各类安全专项活动实施情况检查记录表记录人:年月日浙江省建设工程施工现场安全管理台账之二2、文明施工与消防管理2.1文明施工工程名称施工单位浙江省建筑业管理局浙江省建筑业行业协会施工安全与设备管理分会编2.1.1文明施工专项方案工程名称:编制人职务审核人职务批准人职务编制日期2.1.2临时设施专项施工方案工程名称:编制人职务审核人职务批准人职务编制日期2.1.3文明施工验收表2.1.4施工临时用房验收表工程名称:浙江省建设工程施工现场安全管理台账之二2、文明施工与消防管理2.2消防管理工程名称施工单位浙江省建筑业管理局浙江省建筑业行业协会施工安全与设备管理分会编。
一、安全生产管理网络和
规章制度
施工单位:
工程名称:
项目经理:
安全员:
开竣工日期:年月日—年月日
安全生产管理网络及制度
目录
一、安全生产管理网络(附管理人员安全考核合格证复印件)
二、各项安全生产管理制度
三、各工种安全技术操作规程
四、各种机械操作规程
镇江市水利建设工程安全技术资料台帐
二、安全会议台帐
施工单位:
工程名称:
项目经理:
安全员:
开竣工日期:年月日—年月日
目录
安全例会记录
工地安全会议记录
安全例会记录
施工企业:
工程名称:NO:
工地安全会议记录
镇江市水利建设工程安全技术资料台帐
三、安全检查台帐
施工单位:
工程名称:
项目经理:
安全员:
开竣工日期:年月日—年月日
目录
安全生产检查制度
安全生产检查记录
事故隐患整改通知书和回执
施工现场安全管理检查表
安全生产检查记录
施工现场安全管理检查表
镇江市水利建设工程安全技术资料台帐
四、安全宣传教育培训台帐
施工单位:
工程名称:
项目经理:
安全员:
开竣工日期:年月日—年月日
目录
安全教育制度
三级安全教育花名册
职工安全教育登记表
变换工种记录
外来人员注册登记表
三级安全教育花名册
职工(新工人)安全教育登记表
职工(新工人)安全教育登记表
职工(新工人)安全教育登记表
变换工种记录
外来人员注册登记表
镇江市水利建设工程安全技术资料台帐
五、特种行业和特种作业
人员台帐
施工单位:
工程名称:
项目经理:
安全员:
开竣工日期:年月日—年月日
目录
作业人员登记表
特种作业人员上岗证复印件
作业人员登记表
填表人:日期:
镇江市水利建设工程安全技术资料台帐
六、重大危险源和重大隐
患台帐
施工单位:
工程名称:
项目经理:
安全员:
开竣工日期:年月日—年月日
目录重大危险源和重大隐患及预防处置措施
镇江市水利建设工程安全技术资料台帐
七、安全生产奖罚、事故
预案及查处台帐
施工单位:
工程名称:
项目经理:
安全员:
开竣工日期:年月日—年月日
目录
安全生产奖罚制度
安全生产奖罚记录
安全生产事故应急预案
防汛度汛应急预案(经防汛主管部门批准的)安全事故记录
安全事故调查分析、处理报告
安全生产奖罚记录
事故记录
镇江市水利建设工程安全技术资料台帐
八、安全生产日记
施工单位:
工程名称:
项目经理:
安全员:
开竣工日期:年月日—年月日
目录
工地安全日记
班组安全活动制度
班组安全活动记录
工地安全日记
镇江市水利建设工程安全技术资料台帐
九、施工现场安全防护
(安全技术措施、安全技术交底)
施工单位:
工程名称:
项目经理:
安全员:
开竣工日期:年月日—年月日
目录
施工组织设计(安全技术措施)
安全防护技术交底记录
安全防护技术交底记录
本表一式两份,负责人一表留存台帐,被交底人一表(活页)。