三轴搅拌桩施工规范
- 格式:docx
- 大小:25.88 KB
- 文档页数:17
三轴水泥土搅拌桩施工 1、三轴水泥土搅拌桩施工流程2、三轴水泥土搅拌桩施工方法A、测量放线、开挖沟槽(1)测量放线。
施工平台测量放样,搅拌机定位对中,保持设备水平,钻机主轴垂直误差不大于0.5%。
桩机垂直度采用三种方式进行控制,先采用桩机自身水泡进行初调,然后采用两台经纬仪按90°进行准确控制,为防止施工过程中钻杆发生偏斜,在钻杆架体上吊线锤,如发现线锤有偏斜,施工时及时调整钻机相关参数,保证桩机垂直度偏差不得大于1/250。
为方便夜间施工时垂直度检测,在桩机顶部、底部设置照明灯具。
(2)开挖沟槽。
根据放样出的搅拌桩中心线,挖掘机沿中心线放线开挖工作沟槽,沟槽宽度为1m,深度为1.0m~2.0m之间。
B、路面处理,桩机就位(1)路面处理先用挖机挖除预计行走路面表层浮土,用现场挖机来回碾压。
并铺设钢板,保证行走路面的平整度。
机身行走时,先进行机身调平,保证行进过程中机身平稳,桩架垂直。
大船或小船提起行走时,提起高度不大于5cm,确保出现地面下沉时,能迅速着地起支撑作用。
(2)桩机就位统一指挥桩机就位,移动前看清上、下、左、右各方面情况,发现有障碍物应及时清除,移动结束后检查定位情况并及时纠正,桩机应平稳、平正。
施工前应用水平尺将平台调平,并调直机架,确保机架垂直度不小于1/250.C、三轴搅拌桩孔定位搅拌桩机上的2根吊锥线距钻杆中心线为600mm~1200mm,导沟开挖好后,在沟漕中心线向外600mm~1200mm处用固定物做出标记,并在固定物上标记好每幅桩的中心点。
这样,桩机吊锥线对准定标记,即完成孔位定位。
D、制备水泥浆液及浆液注入在施工现场布设水泥浆搅拌系统(自动搅拌站),附近安置水泥罐,在开机前按要求进行水泥浆液的搅制。
将配制好的水泥浆送入贮浆桶内备用。
水泥浆配制好后,停滞时间不得超过2小时,搭接施工的相邻搅拌桩施工间隔不得超过12小时(初凝时间)。
注浆时通过2台注浆泵2条管路注入。
三轴水泥搅拌桩施工方案
一、施工前准备工作
1.根据设计要求和工程图纸,明确搅拌桩的位置、长度和直径等尺寸参数。
2.了解工地的地质情况,包括土壤类型、含水量、坚硬程度等,并将其纳入施工方案中。
3.准备好所需的设备和材料,包括搅拌车、水泥、沙子、水和其他辅助材料等。
二、施工步骤
1.划定搅拌桩的位置:根据设计要求,在地面上标出搅拌桩的位置,并在每个位置处钻孔。
2.钻孔:根据设计要求选择合适直径的钻头,将钻孔机按垂直方向插入土壤中进行钻孔。
钻孔深度一般略大于设计要求的搅拌桩长度。
3.搅拌:将搅拌车倒入钻孔中,通过搅拌车设置的三个轴旋转和高压喷水的方式,将水泥和土壤充分混合,形成稳定的搅拌桩。
4.抽取搅拌车:待搅拌完成后,将搅拌车缓慢抽取,确保搅拌桩的质量和形状得以保持。
5.后续处理:如果需要,可以在搅拌桩顶部进行后续处理,如切割、加固等。
三、施工注意事项
1.施工过程中需要严格控制水泥和水的比例,确保搅拌桩的强度和稳
定性。
2.在施工过程中,对于有特殊要求的搅拌桩(如在软土地层中),需
要根据实际情况进行加固处理。
3.施工中需定期检查搅拌桩的质量和形状,及时发现和解决问题。
4.施工现场应做好相应的安全措施,并遵守相关操作规程和安全标准,确保施工人员的安全。
5.施工完成后,应进行必要的验收和记录,以便后续工程的参考。
通过以上施工方案的实施,能够使三轴水泥搅拌桩在进行地基处理的
过程中,提高土壤的承载力和稳定性,确保工程的安全性和可靠性。
同时
也能够根据实际情况调整施工步骤和注意事项,以满足具体工程的要求。
三轴搅拌桩施工方案
目录
1.1 三轴搅拌桩施工方案
1.1.1 施工前准备工作
1.1.2 施工方法及流程
1.1.3 施工注意事项
1.1.4 施工质量控制
1.1.1 施工前准备工作
在进行三轴搅拌桩施工前,首先需要进行现场勘察,确定地质情
况和设计要求。
接着要进行设备调试和操作人员培训,并准备好必要
的施工材料和备件。
另外,还需制定详细的施工方案和安全预案,确
保施工过程中安全可靠。
1.1.2 施工方法及流程
三轴搅拌桩施工一般分为孔内搅拌和孔外搅拌两种方法。
孔内搅
拌是在孔内进行搅拌桩的施工,适用于较小规模的工程;而孔外搅拌
则是在孔外进行搅拌桩的施工,适用于大型基坑工程。
在进行施工时,需按照设计要求和施工方案进行操作,确保施工质量。
1.1.3 施工注意事项
在进行三轴搅拌桩施工时,需要注意搅拌桩的深度、直径和密实度,避免出现施工质量问题。
此外,还要注意施工过程中的安全防护
措施,确保施工人员的人身安全。
另外,还需定期对施工现场和设备
进行检查和维护,确保施工的顺利进行。
1.1.4 施工质量控制
为保证三轴搅拌桩施工质量,需要进行施工过程中的质量控制。
这包括对混凝土配合比、搅拌桩的密实度和强度等进行检测,并按照
设计要求进行调整。
同时,还需对施工过程中的各个环节进行监控和
验收,确保施工质量达到要求。
(1)三轴搅拌桩成桩直径可达850~1200mm ,桩身强度较为均匀,成桩桩长较长,可达30m 以上,设备贯入土层的能力较强,适合用于标惯<25三轴搅拌桩施工技术要求击的土层中。
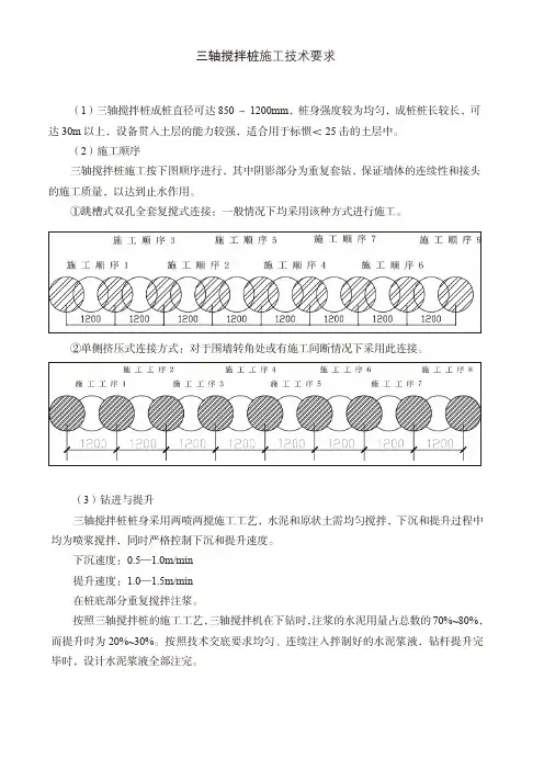
(2)施工顺序三轴搅拌桩施工按下图顺序进行,其中阴影部分为重复套钻,保证墙体的连续性和接头的施工质量,以达到止水作用。
①跳槽式双孔全套复搅式连接:一般情况下均采用该种方式进行施工。
②单侧挤压式连接方式:对于围墙转角处或有施工间断情况下采用此连接。
下沉速度:0.5—1.0m/min提升速度:1.0—1.5m/min在桩底部分重复搅拌注浆。
按照三轴搅拌桩的施工工艺,三轴搅拌机在下钻时,注浆的水泥用量占总数的70%~80%,而提升时为20%~30%。
按照技术交底要求均匀、连续注入拌制好的水泥浆液,钻杆提升完三轴搅拌桩桩身采用两喷两搅施工工艺,水泥和原状土需均匀搅拌,下沉和提升过程中(3)钻进与提升均为喷浆搅拌,同时严格控制下沉和提升速度。
毕时,设计水泥浆液全部注完。
(4)水泥用量计算开钻前对拌浆工作人员做好交底工作,在施工现场配备电脑计量的自动搅拌系统和散装水泥罐,以确保浆液质量的稳定。
水泥浆液的水灰比为0.5,水泥掺量不小于20%(注:弱加固区水泥掺入量为8%)。
水泥用量计算:M=H*S*P*IM——单排桩水泥用量,单位为吨。
(单排桩为咬合的三排桩。
)H——为桩基长度,单位为m。
S——单排桩截面积,取1.5m2。
P——被搅拌土体密度,淤泥质粘土取1740Kg/m3。
I——水泥掺入量,取20%。
(5)水泥浆液制备与注入水泥浆配置好后,停滞时间不得超过2小时,因故搁置2小时以上的拌制浆液,应作废浆处理,严禁使用搭接施工的相邻搅拌桩施工间隔不得超过12小时。
注浆时通过2台注浆泵2条管路进行混合,注浆压力为1.5Mpa~2.5Mpa,注浆流量为80~120L/min/每台。
(6)施工冷缝处理施工过程一旦中断超过24h时出现冷缝,则采取在冷缝处围护桩外侧补搅素桩方案。
三轴搅拌桩操作规程
《三轴搅拌桩操作规程》
一、概述
三轴搅拌桩是一种用于土壤改良和混凝土桩施工的重要设备,其操作规程对保障施工质量和安全具有重要意义。
以下是三轴搅拌桩操作规程的要点:
二、操作前准备
1. 进行设备检查,确保设备完好无损;
2. 查看搅拌桩施工方案,确认施工范围和要求;
3. 安排好施工人员和设备,做好通讯和安全设施的准备。
三、施工操作
1. 按照施工方案的要求定位和标志施工要点和控制点;
2. 根据土壤情况和搅拌桩的规格选择合适的搅拌刀和搅拌速度;
3. 开始搅拌桩施工,保持机器平稳运行,注意搅拌过程中的土壤变化;
4. 在搅拌完成后进行桩位和桩身的检查及测量,确保符合要求;
5. 检查和清理搅拌桩设备以及施工场地,确保施工安全和整洁。
四、注意事项
1. 施工现场应设立明显的安全警示标志,保持施工场地的秩序;
2. 操作过程中应严格按照搅拌桩施工要求进行,不得擅自更改;
3. 施工人员应遵守施工作业规范,不得擅自违章操作;
4. 在搅拌桩施工过程中如遇险情应立即停机,保障人员和设备安全。
以上就是《三轴搅拌桩操作规程》的要点,希望能够帮助施工人员和相关工作人员做好搅拌桩的施工工作,确保施工安全和质量。
三轴水泥搅拌桩施工质量措施
1、桩位偏差不大于50mm,标高误差不大于+100mm、不小于-50mm,桩径偏差不大于0.04Dmm,桩身垂直度按设计要求,误差不超过1/200L(L为桩长,自沟槽面算起)。
施工前严格按照设计提出的搅拌桩两边尺寸外放100㎜要求进行定位放样。
2、严格控制浆液配比,做到挂牌施工,并配有专职人员负责管理浆液配置。
严格控制钻机提升及下沉速度,下沉速度不大于0.5m/min,提升速度控制在1m-1.5m/min范围内。
3、施工前对搅拌桩机进行维护保养,尽量减少施工过程中由于设备故障而造成的质量问题。
设备由专人负责操作,上岗前必须检查设备的性能,确保设备运转正常。
4、看桩架垂直度指示针调整装架垂直度,并用线锤进行校核。
5、工程实施过程中,严禁发生定位拉线移位,一旦发现挖土机在清除沟槽土时碰撞定位型钢使其跑位,立即重新放线,严格按照设计图纸施工。
6、场地布置综合考虑各方面因素,避免设备多次搬迁、移位,减少搅拌的间隔时间,尽量保证施工的连续性。
7、对于施工工期较紧的施工部分,严格按照设计要求掺入外加剂。
8、严禁使用过期水泥、受潮水泥,对每批水泥进行复试,合格后方可使用。
一、工程概况本工程隧道主体围护结构在基坑深度小于10m时采用Φ800mm的钻孔灌注桩+三轴水泥搅拌桩止水帷幕。
三轴水泥搅拌桩施工范围为:K1+615~K1+795及K2+585~K2+765,分基坑南北两侧,桩径均为Φ850mm,桩间距1.8m,桩与桩之间搭接25cm,桩长根据基坑深度分为10m、12m、15m、17m、18m五种。
二、编制依据1、XX《基坑围护工程设计施工图》;2、XX《工程地质勘查报告》;3、《建筑地基基础工程施工质量验收规范》GB50202-2023;4、相关各地下管线权属单位交底记录;5、国家现行有关技术标准、规程、规范。
三、组织管理机构四、施工方案1、设计规定Φ850mm三轴水泥搅拌桩水泥采用P42.5级普通硅酸盐水泥,水泥掺入比不小于20%,即每立方米被搅拌土体中水泥掺入量不小于360Kg。
水泥搅拌桩28天无侧限抗压强度qu不小于1.0MPa,渗透系数不超过10-7cm/s。
2、施工重要设备配备三轴水泥搅拌桩施工投入重要机械设备为(按照进度规定可增长机械数量):其他相关设备如测量经纬仪、水准仪、长卷尺及重线锤、水泥浆比重计等若干。
3、施工工艺流程三轴水泥搅拌桩施工工艺流程如下:4、施工准备①、熟悉并掌握设计施工图纸,充足了解设计意图,如有疑问,及时向设计单位报告解决。
②、编制相关施工方案,并报业主、监理单位审批批准后执行。
③、按规定对甲供材料进行抽样送检,原材复试合格后投入使用。
④、召开项目部全体人员会议,向施工人员及操作人员做好施工技术和安全技术交底,使职工了解设计意图,掌握施工要领和关键工序及安全操作规程,做到分工明确,职责分明。
5、测量放样和场地清理根据设计规定,先把场地进行清理整平,然后进行放样,该项工作的测量放样涉及两个内容:一是根据设计资料放出打设宽度;二是根据设计画出布桩平面图,标明排列编号,放出具体桩位,施工前必须通过监理复核。
三轴水泥搅拌桩桩位搭接示意图6、开挖沟槽根据三轴搅拌桩桩位中心线用PC200挖机开挖槽沟,沟槽尺寸为宽1.2m,深1~1.2m,并清除地下障碍物。
竭诚为您提供优质文档/双击可除三轴水泥搅拌桩规范篇一:三轴水泥搅拌桩质量控制1.三轴搅拌桩加固优、缺点1.1采用专用三轴搅拌机施工,两轴同向旋转喷浆与土拌合,中轴逆向高压喷气在孔内与水泥土充分翻搅拌和,而且由于中轴高压喷出的气体在土中逆向翻转,使原来已拌合的土体更加均匀,成桩直径更加有效,加固效果更优。
1.2三轴搅拌机械施工效率高,相对单轴或双轴搅拌机械施工工期大大缩短,对于施工工期要求紧的工程,此法施工特别有效。
1.3适用范围广。
水泥深层搅拌桩适用于处理正常固结的淤泥与淤泥质土、粉土、饱和黄土、素填土、粘性土、泥炭土、有机质土等地基。
同时,水泥深层搅拌桩所形成的水泥土固体可作为竖向承载的复合地基,基坑工程围护挡墙、被动区加固、防渗帷幕等。
1.4地基加固施工时,将要置换出一部分泥浆。
由于施工前开挖沟槽,避免了泥浆的溢出,但由于加固深度的增加置换出的泥浆将会逐渐增多,置换出的泥浆在短时间内无法固结至使无法及时运到指定的弃土场,对施工现场的文明施工造成一定的影响。
1.5施工机械设备比较大,现场组装需要提供很大的施工场地。
机械设备从现场组装到调试需要一个星期的时间,所以三轴搅拌桩加固需要较大的施工场地。
2.工程概述木渎站位于苏州市城市主干道-竹园路与金山路交叉口正下方,沿竹园路路中设站,跨金山路口东西向布置。
车站为地下两层10m站台岛式车站。
车站外包长度256.2m,宽18.7~24.9m,净宽17.3~23.3m,车站主体埋深16.05~17.9m。
车站设置6个出入口(一个为预留)、3组风亭、一个应急出入口。
车站为双跨整体式现浇钢筋混凝土框架结构,采用明挖顺作法施工,基槽四周有厚度800㎜的地下连续墙作围护,基坑底均位于第5工程地质粉质粘土层。
地基加固采用Φ850@600三轴水泥土搅拌桩。
基坑内部被动区土体加固深度为基坑底以下3m,基坑外侧主阴角处加固深度为地表下2m 至基坑底以下3m。
三轴水泥土搅拌桩采用p.c32.5级复合型水泥,基底以下部分(实桩)水泥掺量为16%,基底以上部分(空桩)水泥掺量为7%,水灰比控制在0.8~1.5,实桩桩体28天无侧限抗压强度≥1.2mpa,需保证桩体具有良好的均匀性。
三轴搅拌桩施工方案三轴搅拌桩施工方案一、引言三轴搅拌桩是一种广泛应用于地基处理、基坑支护、止水帷幕等工程领域的施工工艺。
其原理是通过三轴搅拌桩机的搅拌头将水泥等固化剂与原土体充分搅拌,形成具有良好止水性能和土壤改良效果的搅拌桩。
本文旨在阐述三轴搅拌桩的施工方案,为相关工程提供参考。
二、相关技术在进行三轴搅拌桩施工前,需要了解以下相关技术:1、设计理论:根据工程需求和地质条件,确定搅拌桩的布置、深度、直径等参数,并依据设计要求选择合适的搅拌头和配套设备。
2、施工流程:三轴搅拌桩的施工流程包括桩位放样、钻孔、灌注水泥浆、提升搅拌头、切割搅拌等步骤。
3、质量控制:为确保三轴搅拌桩的施工质量,需对施工过程中的各项参数进行监控,如水泥用量、水灰比、输浆速度等,并对成桩质量进行检测。
三、施工方案具体三轴搅拌桩施工方案如下:1、选址:根据工程需求和地质报告,选择合适的施工场地。
确保施工范围内无障碍物,地面平整,并具备足够的承载力。
2、桩位放样:根据设计要求,使用全站仪等测量设备进行桩位放样,并做好标记。
3、钻孔:使用三轴搅拌桩机按照设计深度进行钻孔,确保孔径、孔深符合要求。
4、灌注水泥浆:将按照设计要求配制好的水泥浆通过输浆管注入孔内,同时控制输浆速度,确保注浆顺利。
5、提升搅拌头:在灌注水泥浆的过程中,同时提升搅拌头,使其在钻孔内进行充分搅拌。
搅拌头的提升速度应根据地质条件和设计要求进行控制。
6、切割搅拌:在提升搅拌头的过程中,同时进行切割搅拌,使水泥与原土体充分混合。
根据地质条件和设计要求,选择合适的切割搅拌方式。
7、成桩检测:完成每根搅拌桩后,对其质量进行检测,确保其满足设计要求。
如有需要,对不符合要求的桩体进行补强处理。
四、安全措施为确保三轴搅拌桩施工的安全进行,应采取以下安全措施:1、施工前对全体施工人员进行安全培训,提高安全意识。
2、严格遵守施工规范,确保各项操作符合安全要求。
3、钻孔和灌注水泥浆时,应对设备进行经常性检查和维护,确保其正常运行。
三轴搅拌桩控制标准三轴搅拌桩是一种常用的地基处理方法,它通过机械搅拌将水泥混合土和原土进行混合,从而改善土壤的力学性质。
在进行三轴搅拌桩施工时,需要严格遵守相关的控制标准,以保证施工质量和工程安全。
本文将对三轴搅拌桩控制标准进行详细介绍。
首先,对于搅拌桩的施工材料,应该选择优质的水泥、砂和骨料,并严格按照配合比进行搅拌。
在搅拌过程中,应该确保搅拌时间和速度符合要求,从而保证混合土的均匀性和稳定性。
此外,施工现场应该配备完善的搅拌设备,并对设备进行定期检查和维护,以确保施工过程中设备的正常运转。
其次,对于搅拌桩的施工工艺,应该严格按照相关规范进行操作。
在进行搅拌桩施工前,需要对施工现场进行勘察,了解地质情况和地下管线等情况,以便合理安排搅拌桩的位置和深度。
在进行搅拌桩施工时,应该根据设计要求选择合适的搅拌桩直径和长度,并严格控制搅拌桩的下沉和偏移情况,以确保搅拌桩的垂直度和稳定性。
此外,对于搅拌桩的质量控制,应该进行全程监控和检测。
在搅拌桩施工过程中,应该对混合土的配合比、强度和密实度进行定期检测,以确保混合土的质量符合要求。
同时,应该对搅拌桩的成型质量和垂直度进行全程监控,及时发现和处理施工中的质量问题,以确保搅拌桩的施工质量。
最后,对于搅拌桩的验收和验收标准,应该根据相关规范进行验收。
在搅拌桩施工完成后,应该对搅拌桩的成型质量、垂直度和混合土的质量进行验收,并出具相应的验收报告。
同时,应该对搅拌桩的使用性能进行检测,以确保搅拌桩的使用安全和可靠性。
综上所述,三轴搅拌桩控制标准涉及到施工材料、施工工艺、质量控制和验收等方面,只有严格遵守相关标准和规范,才能保证搅拌桩施工的质量和工程安全。
希望施工人员能够严格按照标准要求进行操作,确保搅拌桩施工的顺利进行和施工质量的有效控制。
基坑支护工程三轴搅拌桩施工方案一、工程概述基坑支护工程是土木工程中的一项重要工程,主要目的是保护基坑四周土体的稳定和防止基坑变形。
三轴搅拌桩作为一种常用的基坑支护方式,其施工方案包括以下几个方面:施工前的准备工作、施工工艺流程、施工工艺参数及监控措施等。
二、施工前的准备工作1.组织施工前的技术交底会议,明确工程施工方案和安全措施。
2.准备施工所需的材料和设备,包括搅拌桩机、钢筋、水泥、石子等。
3.建立施工现场安全警示标志,确保施工的安全性。
三、施工工艺流程1.在施工现场进行勘探,确定搅拌桩的位置和数量。
2.使用铁锹或挖掘机将搅拌桩周围的土体挖掉,直到达到设计要求的深度。
3.启动搅拌桩机,将水泥、石子和水混合成糊状砂浆。
4.将砂浆注入到挖掘的土中,同时通过搅拌桩机搅拌,使砂浆与土体充分混合。
5.搅拌桩达到设计要求后,停止搅拌,继续加固基坑的其他位置。
6.将钢筋固定在挖掘的土体中,用于增强搅拌桩的整体强度。
7.进行二次搅拌,确保搅拌桩与土体的充分结合。
8.检查搅拌桩的施工质量,确保搅拌桩的强度和稳定性。
四、施工工艺参数及监控措施1.设计搅拌桩的直径和深度,根据工程要求进行调整。
2.控制搅拌桩的搅拌时间,以保证搅拌桩的质量。
3.加强对施工现场的监控,确保施工的安全性和质量。
4.进行现场质量检测,对施工过程中的质量问题进行及时发现和处理。
5.对搅拌桩进行荷载试验,评估其承载能力。
五、施工安全措施1.制定安全操作规程,确保施工人员的安全。
2.设置防护栏杆和安全警示标志,保护施工现场的安全。
3.使用挖掘机时,注意操作规范,避免事故发生。
4.施工现场禁止吸烟、明火等火源,防止火灾事故的发生。
5.做好施工现场的环境保护,减少对周围环境的影响。
六、施工质量控制1.加强对施工材料的检查,确保其质量达标。
2.严格按照施工方案进行操作,确保施工质量。
3.在施工过程中进行现场质量检测,对不合格的搅拌桩及时处理。
以上是三轴搅拌桩施工方案的基本内容。
三轴水泥土搅拌桩施工方案一、施工前准备1.确定桩的位置和布置方案,根据工程要求进行桩间距和桩深的设计。
2.选择适当的搅拌机械和工具材料,确保施工过程顺利进行。
3.进行现场踏勘和勘测,确定地质情况和设计施工参数。
4.制定详细的施工方案,包括施工工艺、施工顺序和施工步骤等。
二、施工工艺1.开挖:根据设计要求和标高要求,在桩位点进行挖土。
开挖的深度一般为1.5-2.5米,根据地质情况决定。
2.搅拌:将水泥、土壤和水按照一定比例投入搅拌机械进行搅拌。
搅拌时间一般为2-4分钟,确保搅拌均匀。
3.注入:将搅拌好的水泥土装入注浆管,由注浆机进行注浆。
注浆时要使浆液均匀填充桩孔,确保桩体质量。
4.提升:注浆完成后,使用提升机或起重机将注浆管缓慢提升,保证桩体质量和施工效果。
5.整形:桩体提升后,用抹平工具对桩体进行整形,使外观平整。
6.养护:桩体完成后,进行养护,保证桩体的强度和稳定性。
养护时间一般为7-14天。
三、施工注意事项1.施工人员必须熟悉操作规程,掌握安全注意事项,确保施工过程安全。
2.严格按照设计要求和施工工艺进行施工,严禁违章施工和偷工减料。
3.在注浆过程中,要确保注浆均匀、浆液充实,严禁出现漏浆、气泡等问题。
4.在整形过程中,要保持桩的外观平整,防止桩体出现裂缝和变形。
5.施工过程中要密切关注周边建筑物和管线的稳定性,防止因施工过程中的振动和沉降导致的损害。
6.施工完毕后,要进行养护,保证桩体的强度和稳定性。
养护期间要避免外力破坏桩体。
四、施工质量检查施工过程中应进行质量检查,确保施工质量符合设计要求。
检查内容包括:1.桩孔开挖是否规范,深度和直径是否满足设计要求。
2.搅拌过程中搅拌机的工作状态是否正常,投料是否均匀。
3.注浆过程中注浆是否均匀充实,浆液质量是否满足要求。
4.桩体提升过程中是否平稳、无变形、无漏浆。
5.桩体外观是否平整、无裂缝。
通过以上施工方案和注意事项,能够保证三轴水泥土搅拌桩的施工质量和施工效率,提高工程的安全性和稳定性,确保工程顺利进行。
三轴搅拌桩水泥施工方案1. 概述三轴搅拌桩是一种混凝土桩基施工技术,在土层中通过上下运动的搅拌桩钻机,将桩机底部连接的三个搅拌刀臂穿过钻杆插入土层中,然后通过旋转和提升搅拌刀臂的方式,将土壤与水泥掺和搅拌,形成一根细圆柱形的水泥土桩体。
本文将介绍三轴搅拌桩水泥施工方案的具体流程和注意事项。
2. 施工流程2.1 土壤调查与试验在进行三轴搅拌桩工程前,需要对施工区域的地质情况进行详细调查和试验。
包括地下水位的测定、土层分层、土壤类型、土壤密度、含水率等参数的测试和分析,以确定施工参数和工艺。
2.2 桩位标定与设备布置按照设计要求和施工图纸,确定三轴搅拌桩的桩位,并进行标定。
然后按照桩位布置搅拌桩钻机、土方设备等施工设备。
2.3 前期准备工作进行施工区域的临时围护,清除桩位上的杂物和碎石。
确保施工区域的平整和清洁。
2.4 开始施工2.4.1 钻机打桩将三轴搅拌钻机移至施工位置,安装钻杆和搅拌刀臂。
然后启动钻机,将搅拌刀臂插入土层中,进行搅拌。
2.4.2 搅拌桩的混凝土浇筑在搅拌的同时,往搅拌孔中注入水泥浆,与土壤充分混合。
水泥浆的注入应控制好流量和速度,以确保搅拌桩与土壤之间的充分溶合。
2.4.3 搅拌桩的提升搅拌桩的提升分为两个阶段:一是在搅拌过程中逐步提升搅拌刀臂,以确保搅拌混凝土充满搅拌孔;二是在浇筑完混凝土后,继续提升搅拌刀臂,以确定搅拌桩的长度。
2.5 后期处理搅拌桩施工完成后,需要对桩位周围进行清理和美化,还原施工现场。
同时,对搅拌桩的水泥混凝土进行养护,防止早期龟裂和渗漏。
3. 施工注意事项•施工前需进行地质调查和试验,并根据试验结果调整施工参数和工艺;•施工过程中需控制水泥浆注入的流量和速度,以确保水泥与土壤充分混合;•在安装钻杆和搅拌刀臂时,需注意操作规范,确保设备安装稳固;•搅拌桩提升过程中,需注意提升速度和力度,避免因过度提升导致桩体断裂或变形;•施工完成后,需及时清理施工现场和对搅拌桩进行必要的养护工作。
三轴搅拌桩安全操作规程正式版三轴搅拌桩是常用的基础施工设备,它能够在短时间内完成桩的钻孔、搅拌和灌浆等工序,提高施工效率。
然而,由于操作不当可能导致事故的发生,因此制定一套科学合理的操作规程对于保障施工人员的安全至关重要。
下面是三轴搅拌桩安全操作规程的正式版。
一、总则1.本规程的内容适用于所有使用三轴搅拌桩进行施工作业的人员。
2.所有参与搅拌桩施工作业的人员,必须接受相关培训并持有相应的操作证书。
3.所有施工人员必须严格遵守本规程的要求,确保施工安全和质量。
4.施工人员在作业前必须验收所用设备是否符合施工要求,并做好准备工作。
二、施工前准备1.验收设备:检查搅拌桩机的主要部件是否齐全、完好,并定期检查设备的检查记录。
2.现场布置:对施工区域进行必要的标示和安全警示,确保施工场地整洁和通风良好。
3.安全防护措施:施工人员必须配备符合标准的个人防护装备,包括安全帽、安全鞋、手套、护目镜等。
4.信号通讯:建立起施工人员之间的明确的信号通讯方式,确保安全指示的有效传递。
5.废弃物处理:确保废弃物妥善处理,不得随意丢弃,并建立垃圾分类制度。
三、施工操作1.操作人员必须熟练掌握搅拌桩的操作原理和步骤,并按照操作手册和规范要求进行操作。
2.在施工过程中,操作人员必须保持清醒,不得饮酒、吸烟或服用影响操作安全的药物。
3.检查设备:施工前必须检查设备的运行状况,确保无异常情况后方可进行操作。
4.操作稳定:搅拌桩机必须放置在平稳的地面上,操作时要保持机身稳定,防止出现倾翻危险。
5.搅拌桩深度:根据设计要求和土层情况,设定合理的搅拌桩深度,并确保施工过程中的精度。
6.作业间距:保持合理的搅拌桩之间的间距,避免相互干扰,确保桩的质量。
7.灌浆操作:搅拌桩施工过程中的灌浆操作必须符合规范要求,并保持恰当的灌浆压力和流量。
8.施工结束:施工完成后,及时清理施工现场和设备,做好防尘、防雨等工作。
四、应急处理1.发生事故时,施工人员必须第一时间采取应急措施,确保自身安全和现场秩序。
三轴水泥土搅拌桩施工方案1. 引言三轴水泥土搅拌桩是一种常用的地基处理方法,主要适用于各类土层和地基条件下的建筑工程。
本文将介绍三轴水泥土搅拌桩的施工方案。
2. 施工前准备在进行三轴水泥土搅拌桩施工前,需要进行以下准备工作:•完善施工图纸:根据项目需求,制定详细的施工图纸,并确保施工图纸的准确性;•确定桩基布置:根据设计要求和土壤情况,确定桩基布置方案;•确定施工设备:选择合适的搅拌机、钢管、钻具等施工设备,确保施工设备的质量和性能满足要求;•确定施工人员:组建施工队伍,并确保施工人员具备相应的技术能力和专业知识;•准备原材料:准备好水泥、砂土、骨料等搅拌桩所需的原材料。
3. 施工步骤3.1 钻孔钻孔是三轴水泥土搅拌桩施工的第一步,具体步骤如下:1.在设计的桩位上,使用钻机进行钻孔。
根据实际情况,确定钻孔的深度和直径;2.钻孔完成后,使用压土机将钻孔周围的土壤夯实,确保钻孔的稳定性。
3.2 搅拌搅拌是三轴水泥土搅拌桩施工的核心步骤,具体步骤如下:1.将搅拌机置于钻孔位置,通过旋转搅拌机的叶片,将水泥、砂土、骨料等原材料混合搅拌;2.搅拌过程中,适当添加适量的水,以确保搅拌混合物的湿度和流动性;3.搅拌的时间和速度根据设计要求和土壤情况调整,确保达到预期的搅拌效果。
3.3 桩身成型在搅拌完成后,需要进行桩身的成型,具体步骤如下:1.使用钻具将搅拌完成的混合物压实,确保桩身的密实性;2.在桩身表面进行光饰修整,以提高桩身的美观度和质量。
4. 施工注意事项在进行三轴水泥土搅拌桩施工时,需要注意以下事项:1.施工现场的准备工作要充分,包括清理地面、安排施工设备等;2.检查施工设备的工作状态和性能,确保设备的安全和正常运行;3.施工人员要穿戴好安全装备,遵守安全操作规范;4.在进行桩身成型时,要保持桩身的垂直性和稳定性,防止桩身倾斜或倒塌。
5. 施工质量控制为了确保三轴水泥土搅拌桩施工质量,需要进行质量控制措施,包括:•实施现场监测:监测搅拌桩的孔径、深度、直径等参数,并及时纠正不合格的情况;•进行取样检测:定期对搅拌桩的混合物进行取样检测,确保搅拌桩的配合比和强度符合要求;•进行现场试验:对已完成的搅拌桩进行现场试验,检测其受力性能和稳定性;•编制施工记录:详细记录施工的过程和结果,为后续工程验收提供依据。
三轴搅拌桩施工规范三轴搅拌桩施工规范?以下带来关于三轴搅拌桩施工规范,相关内容供以参考。
1、三轴搅拌桩加固优、缺点1.1 采用专用三轴搅拌机施工,两轴同向旋转喷浆与土拌合,中轴逆向高压喷气在孔内与水泥充分翻搅拌和,而且由于中轴高压喷出的气体在土中逆向翻转,使原来已拌合的土体更加均匀,成桩直径更加有效,加固效果更优。
1.2 三轴搅拌机械施工效率高,相对单轴或双轴搅拌机械施工工期大大缩短,对于施工工期要求紧的工程,此法施工特别有效。
1.3 使用范围广。
水泥深层搅拌桩适用于处理正常固结的淤泥与淤泥质土、粉土、饱和黄土、素填土、粘性土、泥炭土、有机质土等地基。
同时,水泥深层搅拌桩所形成的水泥土固体可作为竖向荷载的复合地基,基坑工程围护挡墙、被动区加固、防水帷幕等。
1.4 地基加固施工时,将要置换出一部分泥浆。
由于施工前开挖沟槽,避免了泥浆的益处,但由于加固深度的增加置换出的泥浆将会逐渐增多,置换出的泥浆在短时间内无法固结至使无法及时运到指定的弃土场,对施工现场的文明施工造成一定影响。
1.5 施工机械设备比较大,现场组装需要提供很大的施工场地。
机械设备从现场组装到调试需要一个星期的时间,所以三轴搅拌桩加固需要较大的施工场地。
2、工程概述3、三轴搅拌桩地基加固施工3.1 施工准备3.1.1 材料准备本标段车站地基加固采用P.C32.5复合型散装水泥,在使用前,应按规定频率对水泥进行抽检,现场应搭设2个存储60t水泥的水泥罐,以确保连续生产。
3.1.2 机械准备三轴搅拌桩地基加固主要机械有三轴深层搅拌机、灰浆泵、灰浆搅拌机、储浆罐、电脑流量计、所有计量设备均应通过检测机构标定合格后,方可用于生产。
3.1.3 加固体水泥用量的确定:根据地质报告确定被加固土体的性质,按设计要求水泥掺入比为实桩16%,空桩7%的水泥掺入量,计算出没延米的水泥用量。
其常规计算方法为:水泥用量(t)=加固体体积(m3)×土的天然密度(t/m3)×设计水泥掺量三轴搅拌桩每幅所加固的面积为1.495m3,但在设计和施工过程中每幅桩在横向和纵向都存在一定的搭接,以木渎站位例在设计上要求桩搭接250mm。
关于三轴水泥土搅拌桩的施工要求:一、三轴搅拌桩施工:1、三轴搅拌桩孔位定位三轴搅拌桩三轴中心间距为900mm,根据这个尺寸在铁枕导向或探沟内插钢筋标记,作为搅拌桩孔位定位。
施工按图三顺序进行,其中阴影部分为重复套钻,以保证墙体的连续性和接头的施工质量,水泥搅拌桩的搭接依靠重复套钻来保证,以达到止水的作用。
a) 跳槽式双孔全套复搅式连接:一般情况下均采用该种方式进行施工。
b) 单侧挤压式连接方式:对于围护墙转角处或有施工间断情况下采用此连接2、桩机就位a) 由当班机长统一指挥,桩机行走就位,移动前看清上、下、左、右各方面的情况,发现障碍物应及时清除,桩机移动结束后认真检查定位情况并及时纠正。
b) 桩机应平稳、平正,利用桩机内水平、垂直仪表校核桩机的垂直度,定期和必要时用经纬仪校正桩机的垂直度。
c) 三轴水泥搅拌桩桩位定位后需进行定位复核,偏差值应小于2cm。
3、搅拌速度及注浆控制a) 三轴水泥搅拌桩在下沉和提升过程中均应注入水泥浆液,同时按照不同地层和后台浆液输送量等因素调整控制好下沉和提升速度。
为确保搅拌均匀,根据设计要求和有关技术资料规定,下沉速度不大于1m/min,提升速度不大于2m/min,必要时在桩底3m处适当上下搅拌注浆,做好每次成桩的原始记录。
b) 制备水泥浆液及浆液注入在施工现场搭建拌浆施工平台,平台附近搭建水泥库,在开机前应进行浆液的搅制,提前对拌浆工作人员做好技术交底工作。
根据设计要求和现场土质情况,控制水泥浆液的水灰比为1.5 ,试成桩后予以调整,详见施工参数表,拌浆及注浆量以每钻的加固土体方量换算,注浆压力为4Mpa~5Mpa。
c)前台桩机操作和后台供浆、停浆应保持联系,供浆、停浆应及时。
本工地采用对讲机联系。
二、质量管理措施在该工程施工中,开展全面质量管理,用优良的工程质量来保证工程管理目标的落实。
(一)、加强技术管理,认真贯彻落实各项国标规范及质量管理责任制。
开工前组织有关人员对设计图纸、标准图集等规范规程进行熟悉,吃透设计精神,在施工过程中掌握要点,坚持三检一验制度,做到班组在施工中随时自检,对完成的每道工序由专职质检员组织班组长进行全面质量检查,对所发现的问题,提出整改措施,限期整改,对重大问题追究责任人责任。
三轴搅拌桩施工规范三轴搅拌桩施工规范?以下带来关于三轴搅拌桩施工规范,相关内容供以参考。
1、三轴搅拌桩加固优、缺点1.1 采用专用三轴搅拌机施工,两轴同向旋转喷浆与土拌合,中轴逆向高压喷气在孔内与水泥充分翻搅拌和,而且由于中轴高压喷出的气体在土中逆向翻转,使原来已拌合的土体更加均匀,成桩直径更加有效,加固效果更优。
1.2 三轴搅拌机械施工效率高,相对单轴或双轴搅拌机械施工工期大大缩短,对于施工工期要求紧的工程,此法施工特别有效。
1.3 使用范围广。
水泥深层搅拌桩适用于处理正常固结的淤泥与淤泥质土、粉土、饱和黄土、素填土、粘性土、泥炭土、有机质土等地基。
同时,水泥深层搅拌桩所形成的水泥土固体可作为竖向荷载的复合地基,基坑工程围护挡墙、被动区加固、防水帷幕等。
1.4 地基加固施工时,将要置换出一部分泥浆。
由于施工前开挖沟槽,避免了泥浆的益处,但由于加固深度的增加置换出的泥浆将会逐渐增多,置换出的泥浆在短时间内无法固结至使无法及时运到指定的弃土场,对施工现场的文明施工造成一定影响。
1.5 施工机械设备比较大,现场组装需要提供很大的施工场地。
机械设备从现场组装到调试需要一个星期的时间,所以三轴搅拌桩加固需要较大的施工场地。
2、工程概述3、三轴搅拌桩地基加固施工3.1 施工准备3.1.1 材料准备本标段车站地基加固采用P.C32.5复合型散装水泥,在使用前,应按规定频率对水泥进行抽检,现场应搭设2个存储60t水泥的水泥罐,以确保连续生产。
3.1.2 机械准备三轴搅拌桩地基加固主要机械有三轴深层搅拌机、灰浆泵、灰浆搅拌机、储浆罐、电脑流量计、所有计量设备均应通过检测机构标定合格后,方可用于生产。
3.1.3 加固体水泥用量的确定:根据地质报告确定被加固土体的性质,按设计要求水泥掺入比为实桩16%,空桩7%的水泥掺入量,计算出没延米的水泥用量。
其常规计算方法为:水泥用量(t)=加固体体积(m3)×土的天然密度(t/m3)×设计水泥掺量三轴搅拌桩每幅所加固的面积为1.495m3,但在设计和施工过程中每幅桩在横向和纵向都存在一定的搭接,以木渎站位例在设计上要求桩搭接250mm。
如果按照每幅桩1.495m3计算每幅桩的水泥用量,在250mm搭接处的水泥掺量由于搅拌成桩两次,在每次成桩都掺入水泥,这样在搭接处的水泥掺量将大于设计水泥掺量,水泥用量就会相应的增加。
在实际施工过程中,为了更好的解决该问题,同时又保证被加固土体的质量,一般做法为首先按照施工图纸计算出被加固体的体积,然后根据加固体的体积计算出加固体的总的水泥用量,在CAD图上按照比例画出桩位图,并计算出总的加固幅数。
然后用总的水泥用量除以总的加固幅数,就是没幅桩所需的水泥用量,这样能保证地基加固所需总的水泥用量不超过总的设计用量。
3.1.4 水泥浆液的配制:水灰比是影响工程质量的一个重要因素,过浓或浆液不足都会导致部分桩段少浆或缺浆;过稀,浆液冒出地表过多,不但浪费材料,而且影响桩身强度质量。
两者都会造成质量下降。
因此,合理地掌握浆液的水灰比是十分重要的,水灰比的调整按一下原则处理:1)在桩口有少量冒浆的前提下,应尽量采用浓度较高的水泥浆。
2)当水灰比确定下来后,不应随便更改,每桶水泥浆液通过体积比计量注入清水,添加水泥、外加剂,经充分搅拌后方能使用。
水泥浆液要严格按照设计控制水灰比,一般为0.8~1.5。
要求配制出的水泥浆具有较好的流动性、和易性。
施工中可用泥浆比重计控制水泥浆稠度以保证最佳的水灰比。
3.1.5 合理选好后台供浆位置,避免供浆线路过长,造成注浆压力损失及管道堵塞。
3.2 工艺试桩按照设计要求、地质实际情况和机械设备性能进行工艺试验桩。
3.2.1 深层搅拌桩施工是搅拌头将水泥浆和软土强制拌合,搅拌次数越多,拌合越均匀,水泥土的强度也越高。
但是搅拌次数越多,施工时间也越长,工效越低。
试桩的目的是为了寻求最佳的搅拌次数、进尺速度,确定不同土层的水泥用量、水灰比、泵送压力及施工工艺等。
以指导下一步水泥搅拌桩的大规模施工。
3.2.2 试桩不少于3根,在成桩7d后采取轻便触探法,根据触探击数判断桩身强度,14d后进行抽芯,观察搅拌和喷浆的均匀程度,判定各种水泥掺量及施工工艺的施工效果。
3.3 施工工艺3.3.1 平整场地:清除施工场地上的障碍物及杂物,将原地整平,一般整平后地表高程必须高出桩顶50cm左右,以便施工,并在地基加固范围内标出基坑内的障碍物,包括格构柱等。
如遇有池塘及洼地时应抽水清淤,回填粘性土料并予以压实,不得回填杂填土或生活垃圾。
导沟采用挖机开挖工作沟槽,沟槽宽度为1m,深度1m。
3.3.2 桩机就位:钻机就位应满足图纸要求,垂直度偏差不大于1.0%(垂球法检测),为了确保垂直度控制良好,在钻机四个支座处加设较大面积的钢垫箱,使钻机在钻进中保持平稳,钻进时要经常检查垂直度,如发现偏差则边钻进边调整,对于设计长度较长的水泥搅拌桩,在开始保持较慢的钻进速度,待机身稳定后再加快钻进速度。
桩的孔位置与图纸偏差不得大于50mm。
3.3.3 水泥浆的制备须有充分的时间,要求大于3分钟,以保证搅拌均匀性。
水泥浆从灰浆拌合机倒入储浆罐时,必须通过过滤网,把水泥硬块剔出。
浆液进入储浆罐中必须不停地搅拌,以保证浆液不离析。
拌制浆液的时间超过二个小时的应作为废浆处理,施工时泵送水泥浆必须连续,水泥浆用量以及泵送水泥浆的时间应有专人记录。
3.3.4 钻头到桩底后搅拌喷浆1~2min,间歇后提钻,确保底部有足够的灰量,提钻速度不大于0.5m/min,确保搅拌均匀。
喷浆量应由电子显示器和提升速度进行控制,水泥浆用量的误差不得大于±5%。
施工时严格控制喷浆时间,停浆时间和水泥浆喷入量,确保水泥搅拌桩质量,发现喷浆量不足时,应整桩复打,因客观原因喷浆中断时,复打重叠段不应小于1.0m。
3.3.5 工艺试桩施工采用参数搅拌桩采用“二喷二搅”施工工艺,第一次喷浆量控制在60%,第二次喷浆量控制在40%;严格控制每桶搅拌桶的水泥用量及液面高度,用水量采取总量控制,严禁桩顶漏喷现象发生,确保桩顶水泥土的强度控制下沉速度V≤1.0m/min,重复搅拌提升速度V≤0.8m~1.0m/min,注浆压力:1.5~2.5Mpa,水灰比:0.8~1.5,搅拌速度:大于30~50转/分3.4 施工过程控制3.4.1 三轴水泥搅拌桩施工过程中,应全过程旁站水泥搅拌桩的施工过程。
所有施工机械均应编号,应将现场技术员、钻机长、现场负责人、水泥搅拌桩桩长、桩距等制成标牌悬挂于钻机明显处,确保人员到位,责任到人。
3.4.2 水泥搅拌桩开钻之前,应采用水清洗整个管道并检验管道中有无堵塞现象,待水排尽后方可下钻。
3.4.3 为保证水泥搅拌桩桩体垂直度满足规范要求,在主机上悬挂一吊锤,通过控制吊锤与钻杆上、下、左、右距离相等来进行垂直度控制。
3.4.4 重点检查每根成型的搅拌桩准确的水泥用量、水泥浆拌制的稠度、压浆过程中是否有断浆现象,喷浆搅拌提升时间以及复搅次数。
3.4.5 为了确保桩体每米掺和量以及水泥浆用量达到设计要求,每台机械均应配备电脑记录仪。
同时现场应配备水泥浆比重测定仪,以备质检人员随时抽查检验水泥浆水灰比是否满足设计要求。
3.4.6 为保证水泥搅拌桩桩端、桩顶及桩身质量,第一次提钻喷浆时应在桩底部停留30s,进行磨桩端,余浆上提过程中全部喷入桩体,且在桩顶部位进行磨桩头,停留时间为30s。
3.4.7 施工时应严格控制喷浆时间和停浆时间,每根桩开钻后应连续作业,不得中断喷浆,严禁在尚未喷浆的情况下进行钻杆提升作业,储浆罐内的储浆量应不小于一根桩的用量加50Kg,若储浆量小于上述重量时,不得进行下一根桩的施工。
3.4.8 施工中发现喷浆不足,应要求整桩复搅,复喷的喷浆量不小于设计用量。
如遇停电、机械故障原因,喷浆中断时应及时记录中断深度。
在12h内采取喷浆处理措施,并将补喷情况填报施工记录内。
补喷重叠段应大于100cm,超过12h应采取补桩措施。
以上是为建筑人士收集整理的关于“三轴搅拌桩施工规范”等建筑相关的知识可以登入建设通进行查询。
,俗话说得好:“滴水之恩,当涌泉相报”.知恩图报,是做人的良知;忘恩负义,被人们所不齿。
何谓恩情?恩情即施惠人给受惠人的好处,恩惠情谊。
恩情言其大,有“养育之恩”、“救命之恩”;恩情言其小,有“滴水之恩”、“帮扶之恩”……大恩大德,人们会没齿不忘,刻骨铭心;小的恩惠,我们同样会念念不忘,记挂在心。
恩情,难以用确切的言辞来表述,只能用心灵去感受,用行动去报答。
恩情,就是当你身处困境时,有人愿意帮你的那份情;恩情,就是当你失意落魄时,有人不离不弃的那份情;恩情,就是当你遇事有难时,有人无私帮助你的那份情。
做人千万不能忘恩,忘了恩,就负了义;忘了恩,就负了人;忘了恩,就没有了良心!何谓真情?真情,就是寒冷时的一把火,让人感觉暖意融融;真情,就是严冬里的一轮暖阳,它的光和热都洒在了你的身上;真情,就是黑暗中的一盏灯,照亮了你前行的方向;真情就是一眼清泉,滋润着每个人的心田,让我们精神旺盛,生命茁壮!真情,就是一首动听的歌曲,它能将你的烦恼驱赶;真情,就是一个灿烂的微笑,它能让你心花怒放;真情,就是一场及时雨,它能让你干涸的心灵滋润舒畅!真情,是无私的奉献;真情,是真诚的情谊;真情,是纯洁的爱心。
做人,真情不可少,感恩最重要。
一颗感恩的心,人人都需要;有了感恩的心,彼此都温暖;捧出感恩的心,个个皆欢笑。
恩情很贵,真心难得,真情莫伤。
伤了真情,就伤了真心,伤了真心,就伤了好人,伤了好人,就落下了悔恨。
恩情最怕忘,真情最怕伤!母亲的恩情不能忘,生我九死一生,养我含辛茹苦,襁褓中奶我喂我,怀抱中亲我宠我,双手中托我举我,出门时想我盼我,病痛中怜我惜我。
父母的真情不能伤。
自古以来,父母千万倍的付出,难以换回子女百分之一的回报。
父母一生真情付出,他们用心血和汗水滋养我们成长、成熟和成功,谁如果伤害了父母的真心真情,谁将悔恨终生!老师的恩情不可忘,老师的真情不可伤。
为人之师,尽心尽力,小小三尺讲台,乃育人之天地;看那满头银发,皆是岁月里积聚。
绞尽脑汁,为让学生们多获取些知识;千方百计,为的是让自己问心无愧,良心得到慰藉。
朋友的恩情不可忘,朋友的真情不可伤。
真正的朋友,总能想你所想,急你所急;真正的朋友,总是雪中为你送炭,风雨中为你遮风挡雨。
当你遇有不顺时,他总是无私的帮助你,热情的鼓励你,真心的支持你,关键时候能够舍己为你!我们怎能忘记好朋友的恩德?我们怎能伤害好朋友的纯真情谊?恩情,不分轻与重。
养育之恩,指点之恩,滴水之恩,所有的恩,都是不容忘记的恩!真情,不分淡与浓。
父母真情,恩师真情,朋友真情,所有的真情,都是不容伤害的情!人生在世鸣警钟,为人行事要记清:恩情无关大与小,真情不在富与穷。