表A 管道补偿器预变位记录
- 格式:xls
- 大小:15.00 KB
- 文档页数:1
CJJ28 – 2014城镇供热管网工程施工及验收规范检测报告、记录及质量验收报告表式
A.0.1 地基处理记录
A.0.2 隐蔽工程检查记录
A.0.5 暗挖法施工检查记录
A.0.6 基础/主体结构工程验收记录
A.0.7 顶管施工记录
A.0.8 支架、吊架安装调整记录
A.0.9 固定支架制作检查记录编号:
A.0.10 管道补偿器预变位记录编号:
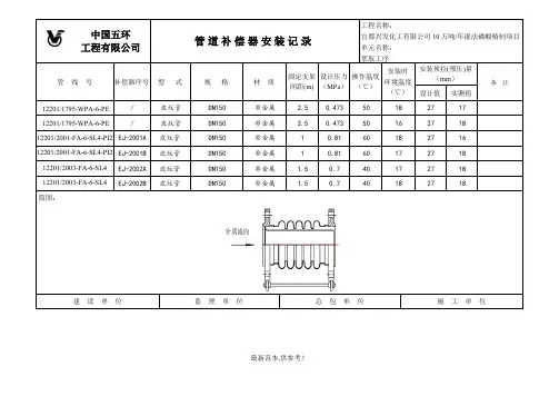
A.0.11 补偿器安装记录
A.0.12 自然补偿管段预变位记录
A.0.13 阀门试验记录
A.0.14 材料牌号、化学成分和机械性能复验报告录
编号:
A.0.15 焊工资格备案
A.0.16 焊缝表面检测报告
A.0.17 磁粉检测报告
A.0.20 射线检测报告(底片评定记录)
A.0.21 超声波检测报告
A.0.22 超声波检测报告(缺陷记录)
A.0.23 焊缝综合质量记录表
A.0.24 焊缝排位记录及示意图
A.0.25 固定支架安装检查记录
编号:
A.0.26 安全阀调试记录
A.0.27 管道/设备保温施工检查记录
A.0.28 供热管道水压试验记录
A.0.29 设备强度/严密性试验记录
A.0.30 供热管网工程清洗检验记录
A.0.31 工程竣工验收鉴定书
A.0.32 补偿器热伸长记录
A.0.33 供热管网(场站)试运行记录
A.0.34 供热管网工程竣工交接书
编号:
B.0.1 工序(分项)质量验收报告
B.0.2 工程部位(分部)质量验收报告
B.0.3 单位工程质量验收报告。
地基处理记录地基处理记录编号工程名称施工单位处理依据处理部位(或简图):处理过程简述:检查意见:年月日监理(建设)单位勘察单位设计单位施工单位注:地基处理记录应由施工单位填写,城建档案馆、建设单位、施工单位保存。
隐蔽工程检查记录隐蔽工程检查记录编号工程名称施工单位隐检部位隐检内容填表人:检查结果及处理意见检查日期:年月日复查结果复查人:复查日期:年月日监理(建设)单位设计单位施工单位技术负责人施工员质检员注:地基处理记录应由施工单位填写,城建档案馆、建设单位、施工单位保存。
基础/主体结构工程验收记录基础/主体结构工程验收记录编号工程名称施工单位结构名称结构类型构筑物断面尺寸验收日期年月日管沟长度/层数建筑面积㎡施工日期年月日至年月日检查内容工程实体质量技术资料验收意见监理(建设)单位设计单位施工单位项目经理技术部门质量部门注:地基处理记录应由施工单位填写,城建档案馆、建设单位、施工单位保存。
顶管施工记录顶管施工记录编号工程名称施工单位位置(桩号)管材管径mm顶进设备规格顶进推力顶进措施接管形式土质水文状况日期(月/日)班次进尺累计进尺中线位移偏差(mm)管底高程偏差(mm)相邻管间错口(mm)对顶管间错口(mm)发生意外情况及采取的措施偏左偏右(+)(-)技术负责人质检员测量人注:该表应由施工单位填写并保存。
支架、吊架安装调整记录支架、吊架安装调整记录编号工程名称施工单位工程部位调整日期年月日管架编号形式安装位置固定状况调整值备注监理(建设)单位施工单位技术负责人施工员质检员注:地基处理记录应由施工单位填写,、建设单位、施工单位保存。
固定支架制作检查记录工程名称设计图号施工单位监理单位固定支架位置:固定支架结构检查情况(钢材型号、材质、外形尺寸等):固定支架制作检查情况(钢材、钢筋型号、焊接质量等):固定支架卡板、卡环、制作检查情况(卡板、卡环尺寸、焊接质量等):建设单位监理单位设计单位施工单位参见单位及人员签字管道补偿器预变位记录工程名称施工单位单位工程名称补偿器编号补偿器所在图号管段长度直径(mm)补偿量预变位量(mm)预变位时间预变位时气温(℃)预变位示意图:备注:建设单位设计单位施工单位监理单位参见单位及人员签字注:本表由施工单位填写,参试单位各保存一份。
地基处理记录地基处理记录编号工程名称施工单位处理依据处理部位(或者简图):处理过程简述:检查意见:年月日监理(建设)单位勘察单位设计单位施工单位注:地基处理记录应由施工单位填写,城建档案馆、建设单位、施工单位保存。
隐蔽工程检查记录隐蔽工程检查记录编号工程名称施工单位隐检部位隐检内容填表人:检查结果及处理意见检查日期:年月日复查结果复查人:复查日期:年月日监理(建设)单位设计单位施工单位技术负责人施工员质检员注:地基处理记录应由施工单位填写,城建档案馆、建设单位、施工单位保存。
基础/主体结构工程验收记录基础/主体结构工程验收记录编号工程名称施工单位结构名称结构类型构筑物断面尺寸验收日期年月日管沟长度/层数建造面积㎡施工日期年月日至年月日检查内容工程实体质量技术资料验收意见监理(建设)单位设计单位施工单位项目经理技术部门质量部门注:地基处理记录应由施工单位填写,城建档案馆、建设单位、施工单位保存。
顶管施工记录顶管施工记录编号工程名称施工单位位置(桩号)管材管径mm顶进设备规格顶进推力顶进措施接管形式土质水文状况日期(月/日)班次进尺累计进尺中线位移偏差(mm)管底高程偏差(mm)相邻管间错口(mm)对顶管间错口(mm)发生意外情况及采取的措施偏左偏右(+)(-)技术负责人质检员测量人注:该表应由施工单位填写并保存。
支架、吊架安装调整记录支架、吊架安装调整记录编号工程名称施工单位工程部位调整日期年月日管架编号形式安装位置固定状况调整值备注监理(建设)单位施工单位技术负责人施工员质检员注:地基处理记录应由施工单位填写,、建设单位、施工单位保存。
固定支架制作检查记录工程名称设计图号施工单位监理单位固定支架位置:固定支架结构检查情况(钢材型号、材质、外形尺寸等):固定支架制作检查情况(钢材、钢筋型号、焊接质量等):固定支架卡板、卡环、制作检查情况(卡板、卡环尺寸、焊接质量等):建设单位监理单位设计单位施工单位参见单位及人员签字管道补偿器预变位记录工程名称施工单位单位工程名称补偿器编号补偿器所在图号管段长度直径(mm)补偿量预变位量(mm)预变位时间预变位时气温(℃)预变位示意图:备注:建设单位设计单位施工单位监理单位参见单位及人员签字注:本表由施工单位填写,参试单位各保存一份。
空调水系统管道补偿器的预拉伸或预压缩安装记录
GB50243-2002
工程名称子分部工程名称
施工单位系统名称
设计工作压力MPa 安装日期年月日
伸
固定设计最高安装安装预拉伸量
缩型材公称或时( mm)
支架
器管径最低热媒环境
间距
位式质( mm)温度温度计算伸长或实际预拉伸或预
(m)
号(℃ ) (℃ ) 收缩值 l 压缩值
计算及简图:
施工单位监理(建设)单位
结论:结论:
项目专业负责人:项目专业监理工程师:
项目专业质量检查员:
年月日(公章)年月日(公章)
郑州市重点建设工程质量监督中心监制。
编号: 05 12□□□单位工程名称永康广电广场(主楼)分部工程名称通风与空调
分项工程名称阀门及部件安装项目经理
施工执行标准名称及编号试验日期
补偿器名称安装位置管径
(mm)
环境温度
(℃)
介质名称
预拉伸尺寸
(mm)
说明
验
收结论施工单位
项目专业质量检查员(签名):
项目专业技术负责人(签名):
年月日
专业监理工程师(签名):
(建设单位项目专业技术负责人)
年月日
编号: 05 12□□□单位工程名称永康广电广场(主楼)分部工程名称建筑给水、排水及采暖
分项工程名称室内消火栓系统项目经理陆优民
施工执行标准名称及编号通风与空调工程施工质量验收规范
《GB50243-2002》
试验日期2004.1.30
补偿器名称安装位置管径
(mm)
环境温度
(℃)
介质名称
预拉伸尺寸
(mm)
说明
不锈钢波纹
软管
主楼立管DN150 8 水50 合格验
收结论施工单位
项目专业质量检查员(签名):
项目专业技术负责人(签名):
年月日
专业监理工程师(签名):
(建设单位项目专业技术负责人)
年月日。
地基处理记录地基处理记录编号地基处理记录工程名称施工单位处理依据处理部位(或简图):处理过程简述:检查意见:年月日勘察单位设计单位施工单位监理(建设)单位注:地基处理记录应由施工单位填写,城建档案馆、建设单位、施工单位保存。
隐蔽工程检查记录隐蔽工程检查编号记录工程名称施工单位隐检部位隐检内容填表人:检查结果及处理意见检查日期:年月日复查结果复查人:复查日期:年月日监理(建设)单位设计单位施工单位技术负责人施工员质检员注:地基处理记录应由施工单位填写,城建档案馆、建设单位、施工单位保存。
基础/主体结构工程验收记录基础/主体结构工程验收记录编号工程名称施工单位结构名称结构类型构筑物断面尺寸验收日期年月日管沟长度/层数建筑面积㎡施工日期年月日至年月日检查内容验收意见工程实体质量技术资料监理(建设)单位设计单位施工单位项目经理技术部门质量部门注:地基处理记录应由施工单位填写,城建档案馆、建设单位、施工单位保存。
顶管施工记录顶管施工记录编号工程名称施工单位位置(桩号)管材管径mm顶进设备规格顶进推力顶进措施接管土水文形式质状况日期(月/日)班次进尺累计进尺中线位移偏差(mm)管底高程偏差(mm)相邻管间错口(mm)对顶管间错口(mm)发生意外情况及采取的措施偏左偏右(+)(-)技术负责人质检员测量人注:该表应由施工单位填写并保存。
支架、吊架安装调整记录支架、吊架安装调整记录编号工程名称施工单位工程部位调整日期年月日管架编号形式安装位置固定状况调整值备注监理(建设)单位施工单位技术负责人施工员质检员注:地基处理记录应由施工单位填写,、建设单位、施工单位保存。
固定支架制作检查记录工程名称设计图号施工单位监理单位固定支架位置:固定支架结构检查情况(钢材型号、材质、外形尺寸等):固定支架制作检查情况(钢材、钢筋型号、焊接质量等):固定支架卡板、卡环、制作检查情况(卡板、卡环尺寸、焊接质量等):参见单位及人员签字建设单位监理单位设计单位施工单位管道补偿器预变位记录工程名称施工单位单位工程名称补偿器编号补偿器所在图号管段长度直径(mm)补偿量预变位量(mm)预变位时间预变位时气温(℃)预变位示意图:备注:参见单位及人员签字建设单位设计单位施工单位监理单位注:本表由施工单位填写,参试单位各保存一份。