卫生器具排水管道安装工程检验批质量验收记录表(精)
- 格式:doc
- 大小:62.00 KB
- 文档页数:2
卫生器具排水管道安装工程检验批质量验收记录表项目名称
[填写项目名称]
工程验收
在项目建设过程中,为了确保卫生器具排水管道安装工程质量达到标准,我们强制执行工程验收步骤。
本文档记录了卫生器具排水管道安装工程检验批质量验收记录表。
安装单位/监理单位
[填写单位名称]
质量验收时间
[填写验收时间]
施工人员
[填写施工人员姓名]
检验人员
[填写检验人员姓名]
工程项目
[填写工程项目名称]
业主单位
[填写业主单位名称]
所在地区
[填写工程所在地区名称]
工程概况
[填写工程概况,包括工程范围、施工单位、监理单位等]
检查内容和结果
以下是卫生器具排水管道安装工程检验内容和验收标准,共计n 项。
其中符合标准的为“√”,不符合标准的为“×”。
不符合标准的项目需要重新整改并提交复检。
每项验收内容均需被签字认可。
### 管道材料 | 管道材料名称 | 公称直径 | 检验结果 | |————–|———-|———| | PVC-U管道 | 塑料| √ | | 不锈钢管道 | 不锈钢 | √ | | 铸铁管道 | 铸铁| √ |
管件材料
管件名称公称口径检验结果
三通50√
弯头50√
等径法兰DN100×
管道安装
安装环节检验结果
外观检查√
管道走向√
排水能力√
管道支架√
接口密封性√
总结
本文档为卫生器具排水管道安装工程检验批质量验收记录表,该表格所记录的内容应详尽、准确并规范,以证明该工程符合相关质量验收标准。
卫生器具排水管道安装工程检验批质量验收记录表GB50242-2002京建050402 001卫生器具排水管道安装工程检验批质量验收记录表GB50242-2002京建050402 002卫生器具排水管道安装工程检验批质量验收记录表GB50242-2002京建050402 003卫生器具排水管道安装工程检验批质量验收记录表GB50242-2002京建050402 004卫生器具排水管道安装工程检验批质量验收记录表GB50242-2002京建050402 005卫生器具排水管道安装工程检验批质量验收记录表GB50242-2002京建050402 006卫生器具排水管道安装工程检验批质量验收记录表GB50242-2002京建050402 007卫生器具排水管道安装工程检验批质量验收记录表GB50242-2002京建050402 008卫生器具排水管道安装工程检验批质量验收记录表GB50242-2002京建050402 009卫生器具排水管道安装工程检验批质量验收记录表GB50242-2002京建050402 010卫生器具排水管道安装工程检验批质量验收记录表GB50242-2002京建050402 011卫生器具排水管道安装工程检验批质量验收记录表GB50242-2002京建050402 012卫生器具排水管道安装工程检验批质量验收记录表GB50242-2002京建050402 013卫生器具排水管道安装工程检验批质量验收记录表GB50242-2002京建050402 014卫生器具排水管道安装工程检验批质量验收记录表GB50242-2002京建050402 015卫生器具排水管道安装工程检验批质量验收记录表GB50242-2002京建050402 016。
卫生器具排水管道安装分项工程检验批质量验收记录(精)前言本记录是建设工程卫生器具排水管道的安装分项工程检验批质量验收记录,旨在记录该项工程的各项检验内容、情况及验收结果。
具体的检验内容包括材料检验、构件安装、水压试验、漏水检查等。
一、材料检验1. 排水管1.规格:φ75mm。
2.材质:聚氯乙烯(PVC)。
3.原材料合格证明:符合国家标准,无需特别检验。
2. 排水管管件1.规格:φ75mm。
2.材质:聚氯乙烯(PVC)。
3.原材料合格证明:符合国家标准,无需特别检验。
3. 排水阀1.规格:DN50。
2.材质:黄铜。
3.原材料合格证明:符合国家标准,无需特别检验。
4. 密封圈、密封膏1.规格:φ75mm。
2.材质:EPDM密封圈、油性密封膏。
3.原材料合格证明:符合国家标准,经检验合格。
二、构件安装1. 准备工作1.施工现场:清洁,无杂物。
2.材料与构件:数量与规格符合设计要求。
2. 排水管安装1.安装方法:粘结。
2.安装要求:水平,垂直。
3.粘结膏型号:X51粘结剂。
4.粘结剂使用方法:按说明书使用。
3. 排水管管件安装1.安装方法:插口焊接。
2.安装要求:垂直,无旁向位移。
3.焊接方法:火烧焊炬焊。
4.焊接使用材料:Φ2.5电焊条。
4. 排水阀安装1.安装方法:焊接。
2.安装要求:垂直,无旁向位移。
3.焊接方法:钎焊。
4.焊接使用材料:黄铜焊料。
5. 密封圈、密封膏安装1.安装方法:嵌入、涂抹。
2.安装要求:紧密嵌合、均匀涂抹。
三、水压试验1. 前置条件全部安装完毕并确认无漏装漏接、错安装、内藏杂物等缺陷存在。
2. 检查方法1.加压试验:阀门关闭,将设计压力的1.5倍加压后保压5min,全程无明显漏气或渗漏为合格。
2.降压试验:阀门关闭,将设计压力的0.6倍加压后保压5min,全程无明显漏气或渗漏为合格。
四、漏水检查1. 检查方法检查时关闭其余排水管道,将对应检验单元内排水设施进行使用,全程观察无漏水现象或其他异常情况,则为合格。
卫生器具排水管道安装工程检验批质量验收记录表GB50242-2002京建050402 001卫生器具排水管道安装工程检验批质量验收记录表GB50242-2002京建050402 002卫生器具排水管道安装工程检验批质量验收记录表GB50242-2002京建050402 003卫生器具排水管道安装工程检验批质量验收记录表GB50242-2002京建050402 004卫生器具排水管道安装工程检验批质量验收记录表GB50242-2002京建050402 005卫生器具排水管道安装工程检验批质量验收记录表GB50242-2002京建050402 006卫生器具排水管道安装工程检验批质量验收记录表GB50242-2002京建050402 007卫生器具排水管道安装工程检验批质量验收记录表GB50242-2002京建050402 008卫生器具排水管道安装工程检验批质量验收记录表GB50242-2002京建050402 009卫生器具排水管道安装工程检验批质量验收记录表GB50242-2002京建050402 010卫生器具排水管道安装工程检验批质量验收记录表GB50242-2002京建050402 011卫生器具排水管道安装工程检验批质量验收记录表GB50242-2002京建050402 012卫生器具排水管道安装工程检验批质量验收记录表GB50242-2002京建050402 013卫生器具排水管道安装工程检验批质量验收记录表GB50242-2002京建050402 014卫生器具排水管道安装工程检验批质量验收记录表GB50242-2002京建050402 015卫生器具排水管道安装工程检验批质量验收记录表GB50242-2002京建050402 016。
卫生器具排水管道安装工程检验批质量验收记录表GB50242-2002京建050402 001卫生器具排水管道安装工程检验批质量验收记录表GB50242-2002京建 050402 002卫生器具排水管道安装工程检验批质量验收记录表GB50242-2002京建 050402 003卫生器具排水管道安装工程检验批质量验收记录表GB50242-2002京建 050402 004卫生器具排水管道安装工程检验批质量验收记录表GB50242-2002京建 050402 005卫生器具排水管道安装工程检验批质量验收记录表GB50242-2002京建 050402 006卫生器具排水管道安装工程检验批质量验收记录表GB50242-2002京建 050402 007卫生器具排水管道安装工程检验批质量验收记录表GB50242-2002京建 050402 008卫生器具排水管道安装工程检验批质量验收记录表GB50242-2002京建 050402 009卫生器具排水管道安装工程检验批质量验收记录表GB50242-2002京建 050402 010卫生器具排水管道安装工程检验批质量验收记录表GB50242-2002京建 050402 011卫生器具排水管道安装工程检验批质量验收记录表GB50242-2002京建 050402 012卫生器具排水管道安装工程检验批质量验收记录表GB50242-2002京建 050402 013卫生器具排水管道安装工程检验批质量验收记录表GB50242-2002京建 050402 014卫生器具排水管道安装工程检验批质量验收记录表GB50242-2002京建 050402 015卫生器具排水管道安装工程检验批质量验收记录表GB50242-2002京建 050402 016。
卫生器具排水管道安装工程检验批质量验收记录表一、工程概述本工程安装的是卫生器具排水管道,包括工程量8个单位,共计500米的排水管道。
本次验收对工程的材料和安装工艺进行检查,以保证工程质量。
二、材料验收情况本次材料使用规格均符合要求,具体数据如下:材料名称规格型号数量PVC排水管Φ110mm200mPVC弯头Φ45°20个PVC法兰Φ100mm12个玻璃钢井盖600×600mm8个对于材料的验收工作,经现场检查,材料的尺寸、型号、数量、质量都符合设计及技术要求。
三、安装工艺验收情况本次安装工程分为以下几个部分:管道安装、弯头安装、法兰安装、阀门安装、井盖安装等。
3.1 管道安装管道安装工艺主要涉及管道的铺装、支架的设置、管道的连接等。
经过检查,管道的铺设姿态符合要求,接口处连接紧密,不存在脱落、漏水等现象。
3.2 弯头安装弯头的安装关系到管道的转角、弯曲度等,其质量对整个工程具有重要影响。
现场检查弯头的角度、半径、连接处的紧密度,符合设计要求。
3.3 法兰安装法兰是管道连接的重要部分,其密封性很大程度上影响着管道的运行是否畅通。
现场检查法兰的连接处、垫片的设置等,符合设计要求,无滞留现象。
3.4 阀门安装阀门是管道的流量调节和控制的关键部分。
现场检查阀门的安装、接口的紧密性等,符合设计要求,且开关顺畅。
3.5 井盖安装井盖是管道的出入口,其工程质量是衡量工程安装水平的重要标准。
现场检查井盖的尺寸、型号、铺设姿态等,符合设计要求。
四、工程质量验收结论该卫生器具排水管道安装工程,经检查质量符合要求,各项技术指标均在设计及工艺标准要求范围之内,无明显质量缺陷和问题,经验收合格。
五、工程缺陷和整改要求检验过程中未发现缺陷,请施工人员注意安装细节,确保项目进度及施工质量。
六、验收人员签字验收人员姓名专业签字李四管道工程师张三建筑工程师王五城市规划师。
卫生器具排水管道安装工程检验批质量验收记录表1. 项目背景本次卫生器具排水管道安装工程检验批质量验收记录表,是根据工程质量管理规范和相关标准要求编写的,旨在确保卫生器具排水管道安装工程的质量达到规定标准,满足使用要求。
2. 项目内容本次卫生器具排水管道安装工程检验批包括以下内容:•排水管道的铺设和固定;•排水管道与卫生器具的连接;•排水管道与污水收集器的连接;•排水管道的疏通和冲洗;•排水管道的防水处理。
3. 检验标准本次检验按照《建筑给水排水工程施工及验收规范》和《局部排水系统工程质量验收规范》相关要求进行检验。
4. 检验要求本次检验要求:•工程质量符合相关标准要求;•工程施工顺序、施工方法、材料规格符合规范或设计要求;•包括管道接口、缺陷、标志、保护、通风和清洁等方面;•管道系统注水后无渗漏或渗漏现象小于规定限值;•维护和验收过程中无损坏、丢失零部件或桥架等情况。
5. 检验记录按照工程验收规定,对本次卫生器具排水管道安装工程进行了检验,检验结果见下表:工程项目报告编号监理单位验收结果施工单位整改内容备注排水管道铺设和固定001 合格无排水管道与卫生器具的连接002 暂不合格更换连接件检验人员:张三排水管道与污水收集器的连接003 合格无排水管道的疏通和冲洗004 合格无排水管道的防水处理005 合格无6. 检验本次检验发现排水管道与卫生器具的连接不符合规范要求,经施工单位整改后符合要求。
其他项目均合格,经监理单位验收合格。
7. 检验人员签字检验人员:____________________ 日期:__________________以上为本次卫生器具排水管道安装工程检验批质量验收记录表。
卫生器具排水管道安装工程检验批质量验收记录表GB50242-2002京建050402 001卫生器具排水管道安装工程检验批质量验收记录表GB 50242-2002京建 050402 002卫生器具排水管道安装工程检验批质量验收记录表GB50242-2002京建050402 003卫生器具排水管道安装工程检验批质量验收记录表GB50242-2002京建050402 004卫生器具排水管道安装工程检验批质量验收记录表GB50242-2002京建050402 005卫生器具排水管道安装工程检验批质量验收记录表GB50242-2002京建050402 006卫生器具排水管道安装工程检验批质量验收记录表GB50242-2002京建050402 007卫生器具排水管道安装工程检验批质量验收记录表GB 50242-2002京建 050402 008卫生器具排水管道安装工程检验批质量验收记录表GB50242-2002京建050402 009卫生器具排水管道安装工程检验批质量验收记录表GB50242-2002京建050402 010卫生器具排水管道安装工程检验批质量验收记录表GB50242-2002京建050402 011卫生器具排水管道安装工程检验批质量验收记录表GB50242-2002京建050402 012卫生器具排水管道安装工程检验批质量验收记录表GB50242-2002京建050402 013卫生器具排水管道安装工程检验批质量验收记录表GB50242-2002京建050402 014卫生器具排水管道安装工程检验批质量验收记录表GB50242-2002京建050402 015卫生器具排水管道安装工程检验批质量验收记录表GB50242-2002京建050402 016。
卫生器具排水管道安装工程检验批质量验收记录表GB50242-2002京建050402 001卫生器具排水管道安装工程检验批质量验收记录表GB50242-2002京建050402 002卫生器具排水管道安装工程检验批质量验收记录表GB50242-2002京建050402 003卫生器具排水管道安装工程检验批质量验收记录表GB50242-2002京建050402 004卫生器具排水管道安装工程检验批质量验收记录表GB50242-2002京建050402 005卫生器具排水管道安装工程检验批质量验收记录表GB50242-2002京建050402 006卫生器具排水管道安装工程检验批质量验收记录表GB50242-2002京建050402 007卫生器具排水管道安装工程检验批质量验收记录表GB50242-2002京建050402 008卫生器具排水管道安装工程检验批质量验收记录表GB50242-2002京建050402 009卫生器具排水管道安装工程检验批质量验收记录表GB50242-2002京建050402 010卫生器具排水管道安装工程检验批质量验收记录表GB50242-2002京建050402 011卫生器具排水管道安装工程检验批质量验收记录表GB50242-2002京建050402 012卫生器具排水管道安装工程检验批质量验收记录表GB50242-2002京建050402 013卫生器具排水管道安装工程检验批质量验收记录表GB50242-2002京建050402 014卫生器具排水管道安装工程检验批质量验收记录表GB50242-2002京建050402 015卫生器具排水管道安装工程检验批质量验收记录表GB50242-2002京建050402 016高考是我们人生中重要的阶段,我们要学会给高三的自己加油打气。
卫生器具排水管道安装工程检验批质量验收记录表
GB50242—2002
说明
050402
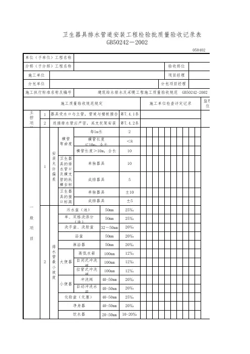
主控项目
1、与排水横管连接的各卫生器具受水口和立管均应采取妥善可靠的固定措施;管道与楼板
的接合部位应采取牢固可靠的防渗、防漏措施。
观察和手扳检查。
2、连接卫生器具的排水管道接口应紧密不漏,其固定支架、管卡等支撑位置应正确、牢固。
与管的接触应平整。
观察及通水检查。
一般项目:
1、卫生器具排水管道安装的允许偏差应符合本规范表7.4.3规定。
水平尺和尺量检查。
2、连接卫生器具的排水管管径和最小坡度,按设计要求。
如设计无要求时,应符合本规范
表7.4.4规定。
水平尺和尺量检查。