电力负荷分级明细表
- 格式:xls
- 大小:43.00 KB
- 文档页数:4
电力负荷等级划分一、根据国标GB50052—95供配电系统设计规范,对电力负荷的分级规定如下:1、符合下列情况之一的应为一级负荷:1.1中断供电将造成人身伤亡事故的;1.2中断供电将在政治、经济上造成重大损失的,例如,造成重大设备损坏或重大产品报废、用重要原料生产的产品大量报废、国民经济中的重点企业的连续生产过程被打乱且需要较长时间才能恢复等;1.3中断供电将会影响有重大政治、经济意义的用电单位的正常工作的,例如:重要交通枢纽、重要通讯枢纽、重要宾馆、大型体育场馆、经常用于国际活动的大量人员集中的公共场所等用电单位中的重要电力负荷;2、在一级负荷中,若中断供电将发生中毒、爆炸和火灾等情况的负荷,以及特别重要场所不容许中断供电的负荷,应视为特别重要客户;3、符合下列情况之一的应视为二级负荷:3.1中断供电将在政治、经济上造成重大损失,例如:主要设备损坏、大量产品报废、连续生产过程被打乱等;3.2中断供电将影响重要单位的正常工作,例如:交通枢纽、通讯枢纽、大型电影院、大型商场等公共场所;4、其余的都属于三类客户;二、为满足一级负荷供电可靠性要求,一级负荷的供电电源应符合下列规定:1、一级负荷应有双电源,当一个电源发生故障时,另一个电源不应同时受到损坏;2、一级负荷中的特别重要的负荷,除由两个电源供电外,尚应增设应急电源,并严禁将其他负荷接入应急供电系统;三、凡同一客户引进两回路及以上供电线路不论电压等级并能将两回及以上供电线路在内部互相联锁或并列运行的客户,均称为双多电源客户;自电网引进一回供电线路,但客户有自备电源并能在其内部互相切换或并列的客户,视同双电源客户管理;四、由电网以双路或多路供电的客户申请被批准后,必须按照供电部门批准的供电方案进行设计,设计图纸经批准后方可施工;对原审核的设计不得擅自改变;五、双多电源客户投入运行时,必须先作核相检查,以防非同相并列;双多电源客户在架空线路或电缆线路上从事有可能导致相位变化的工作、变电站主接线发生变化、主变压器更换或大修后在重新投运时也必须作核相工作;六、高低压双多电源客户凡不允许并列电源运行者,必须在电源开关或刀闸上装设可靠的闭锁装置;七、双多电源客户其主、备电源均不得擅自变更运行方式;客户不得超过批准的备用用电容量用电;八、无联锁装置的高压双多电源客户必须同供电企业调度部门签订调度协议;其倒闸操作必须按照调度协议执行;高压双多电源客户的运行方式和倒闸方式应在调度协议中予以明确;九、双多电源客户的电气值班人员,必须熟悉双多电源管理的要求及调度协议内容、设备调度权限的划分、运行方式的有关规定以及现场操作规程;十、双多电源客户必须向供电企业的调度部门报送变电值班人员名单及专用值班联系电话,如值班人员及专用值班联系电话有变动时,必须书面通知供电企业的调度部门;十一、低压双电源客户不允许并列运行,客户有自备发电机者,其自备电源与电网联接处必须装设双投刀闸,不得使用电气闭锁;十二、用电检查部门应填制双多电源客户名册,并存档备查;。
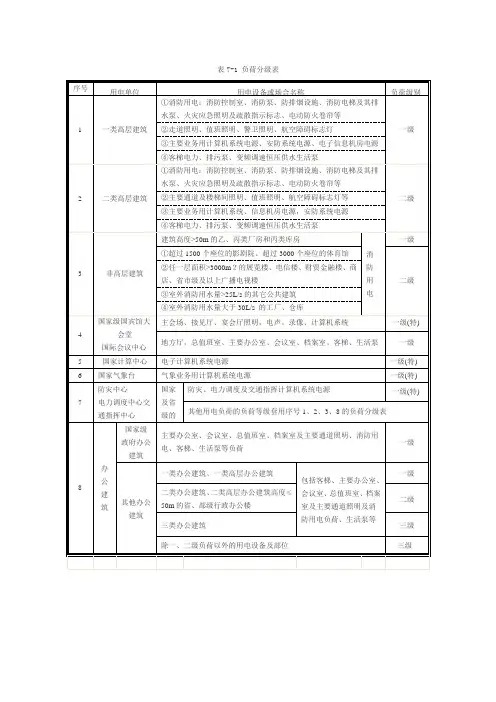
最新各类负荷分级明细表(含人防负荷分级)表7-1 负荷分级表注:我国的用电负荷只有一、二、三共三个负荷等级。
表格中“一级(特)”表示一级负荷中的特别重要负荷,它也属于一级负荷,不能将其与一、二、三级负荷并列为第四种负荷级别。
关于负荷分级需要注意以下几点:(1)用电单位的负荷级别取决于该单位内最高级别用电设备的负荷等级。
(2)表中所列序号1~3分别为一类高层建筑、二类高层建筑和非高层建筑的通用性负荷等级划分,其它则为专项性负荷等级划分。
(3)电气工程师应首先根据建筑专业提供的设计资料并会同建筑专业共同确认一项建筑工程的建筑类别和等级,然后对照负荷等级划分表确定电能用户(用电单位)及用电设备的负荷等级,当某种用电负荷在通用性与专项性负荷等级表的负荷级别相矛盾时,应按等级较高者划分执行。
(4)当主体建筑内有特别重要的一级负荷(即所谓的特别重要负荷)时,与特别重要负荷相关的空调负荷应划为一级负荷。
(5)当主体建筑内有一级负荷时,与一级负荷有关的主要通道照明应为一级负荷。
二级负荷用电单位同理类推。
(6)重要电讯机房的电源为一级负荷,其交流电源的负荷级别应与该用电单位的最高等级的电力负荷相同。
(7)主体建筑内有大量一级负荷设备时,其附属的锅炉房、冷冻站、空调机房的电力和照明应为二级负荷。
(8)民用建筑中消防用电的负荷等级,应符合国家现行的《供配电系统设计规范》、《高层民用建筑设计防火规范》、《建筑设计防火规范》等相关规范的规定。
一类和二类高层建筑的消防用电应分别按一级和二级负荷要求供电,非高层民用建筑的消防用电除表7-1所列项目及专项设计规范另有规定外均可按三级负荷要求供电。
(9)表7-1中列为一级负荷的电子计算机及其系统机房和已记录的媒体存放间的应急照明应为一级负荷。
(10)非高层住宅(包括底部设置商业服务用房的非高层住宅)的电梯电力应为三级负荷。
注:我国的用电负荷只有一、二、三共三个负荷等级。
表格中“一级(特)”表示一级负荷中的特别重要负荷,它也属于一级负荷,不能将其与一、二、三级负荷并列为第四种负荷级别。
关于负荷分级需要注意以下几点:(1)用电单位(建筑物、群)的负荷级别由该建筑物的规模、性质、功能及单位内各类用电设备的负荷等级共同确定。
对建筑内部的最高等级用电设备而言,其负荷级别可能与该建筑物的负荷等级相同,也可能高出一级(例如当某建筑内一级负荷设备用电量很小时,经技术经济比较后该建筑物可能按二级负荷用户供电)。
电气工程师应首先根据建筑专业提供的设计资料并会同建筑专业共同确认一项建筑工程的建筑类别和等级,然后对照负荷等级划分表确定电能用户(用电单位)及用电设备的负荷等级,当某种用电负荷在通用性与专项性负荷等级表的负荷级别相矛盾时,应按等级较高者划分执行。
表中未列出的负荷可以类比确定负荷等级。
(2)表中所列序号1~3分别为一类高层建筑、二类高层建筑和非高层建筑的通用性负荷等级划分,其它则为专项性负荷等级划分。
(3)当主体建筑内有特别重要的一级负荷(即所谓的特别重要负荷)时,与特别重要负荷相关的空调负荷应划为一级负荷;当主体建筑内有一级负荷时,与一级负荷有关的主要通道照明应为一级负荷,二级负荷用电单位同理类推;主体建筑内有大量一级负荷设备时,其附属的锅炉房、冷冻站、空调机房的电力和照明应为二级负荷;重要电讯机房的电源为一级负荷,其交流电源的负荷级别应与该用电单位的最高等级的电力负荷相同;表7-1中列为一级负荷的电子计算机及其系统机房和已记录的媒体存放间的应急照明应为一级负荷。
(4)民用建筑中消防用电的负荷等级,应符合国家现行的《供配电系统设计规范》、《高层民用建筑设计防火规范》、《建筑设计防火规范》等相关规范的规定。
一类和二类高层建筑的消防用电应分别按一级和二级负荷要求供电,非高层民用建筑的消防用电除表7-1所列项目及专项设计规范另有规定外均可按三级负荷要求供电。
注:我国的用电负荷只有一、二、三共三个负荷等级。
表格中“一级(特)”表示一级负荷中的特别重要负荷,它也属于一级负荷,不能将其与一、二、三级负荷并列为第四种负荷级别。
关于负荷分级需要注意以下几点:(1)用电单位(建筑物、群)的负荷级别由该建筑物的规模、性质、功能及单位内各类用电设备的负荷等级共同确定。
对建筑内部的最高等级用电设备而言,其负荷级别可能与该建筑物的负荷等级相同,也可能高出一级(例如当某建筑内一级负荷设备用电量很小时,经技术经济比较后该建筑物可能按二级负荷用户供电)。
电气工程师应首先根据建筑专业提供的设计资料并会同建筑专业共同确认一项建筑工程的建筑类别和等级,然后对照负荷等级划分表确定电能用户(用电单位)及用电设备的负荷等级,当某种用电负荷在通用性与专项性负荷等级表的负荷级别相矛盾时,应按等级较高者划分执行。
表中未列出的负荷可以类比确定负荷等级。
(2)表中所列序号1~3分别为一类高层建筑、二类高层建筑和非高层建筑的通用性负荷等级划分,其它则为专项性负荷等级划分。
(3)当主体建筑内有特别重要的一级负荷(即所谓的特别重要负荷)时,与特别重要负荷相关的空调负荷应划为一级负荷;当主体建筑内有一级负荷时,与一级负荷有关的主要通道照明应为一级负荷,二级负荷用电单位同理类推;主体建筑内有大量一级负荷设备时,其附属的锅炉房、冷冻站、空调机房的电力和照明应为二级负荷;重要电讯机房的电源为一级负荷,其交流电源的负荷级别应与该用电单位的最高等级的电力负荷相同;表7-1中列为一级负荷的电子计算机及其系统机房和已记录的媒体存放间的应急照明应为一级负荷。
(4)民用建筑中消防用电的负荷等级,应符合国家现行的《供配电系统设计规范》、《高层民用建筑设计防火规范》、《建筑设计防火规范》等相关规范的规定。
一类和二类高层建筑的消防用电应分别按一级和二级负荷要求供电,非高层民用建筑的消防用电除表7-1所列项目及专项设计规范另有规定外均可按三级负荷要求供电。
最新各类负荷分级明细表(含人防负荷分级)表7-1 负荷分级表注:我国的用电负荷只有一、二、三共三个负荷等级。
表格中“一级(特)”表示一级负荷中的特别重要负荷,它也属于一级负荷,不能将其与一、二、三级负荷并列为第四种负荷级别。
关于负荷分级需要注意以下几点:(1)用电单位的负荷级别取决于该单位内最高级别用电设备的负荷等级。
(2)表中所列序号1~3分别为一类高层建筑、二类高层建筑和非高层建筑的通用性负荷等级划分,其它则为专项性负荷等级划分。
(3)电气工程师应首先根据建筑专业提供的设计资料并会同建筑专业共同确认一项建筑工程的建筑类别和等级,然后对照负荷等级划分表确定电能用户(用电单位)及用电设备的负荷等级,当某种用电负荷在通用性与专项性负荷等级表的负荷级别相矛盾时,应按等级较高者划分执行。
(4)当主体建筑内有特别重要的一级负荷(即所谓的特别重要负荷)时,与特别重要负荷相关的空调负荷应划为一级负荷。
(5)当主体建筑内有一级负荷时,与一级负荷有关的主要通道照明应为一级负荷。
二级负荷用电单位同理类推。
(6)重要电讯机房的电源为一级负荷,其交流电源的负荷级别应与该用电单位的最高等级的电力负荷相同。
(7)主体建筑内有大量一级负荷设备时,其附属的锅炉房、冷冻站、空调机房的电力和照明应为二级负荷。
(8)民用建筑中消防用电的负荷等级,应符合国家现行的《供配电系统设计规范》、《高层民用建筑设计防火规范》、《建筑设计防火规范》等相关规范的规定。
一类和二类高层建筑的消防用电应分别按一级和二级负荷要求供电,非高层民用建筑的消防用电除表7-1所列项目及专项设计规范另有规定外均可按三级负荷要求供电。
(9)表7-1中列为一级负荷的电子计算机及其系统机房和已记录的媒体存放间的应急照明应为一级负荷。
(10)非高层住宅(包括底部设置商业服务用房的非高层住宅)的电梯电力应为三级负荷。
最新各类负荷分级明细表(含人防负荷分级)表7-1 负荷分级表注:我国的用电负荷只有一、二、三共三个负荷等级。
表格中“一级(特)”表示一级负荷中的特别重要负荷,它也属于一级负荷,不能将其与一、二、三级负荷并列为第四种负荷级别。
关于负荷分级需要注意以下几点:(1)用电单位的负荷级别取决于该单位内最高级别用电设备的负荷等级。
(2)表中所列序号1~3分别为一类高层建筑、二类高层建筑和非高层建筑的通用性负荷等级划分,其它则为专项性负荷等级划分。
(3)电气工程师应首先根据建筑专业提供的设计资料并会同建筑专业共同确认一项建筑工程的建筑类别和等级,然后对照负荷等级划分表确定电能用户(用电单位)及用电设备的负荷等级,当某种用电负荷在通用性与专项性负荷等级表的负荷级别相矛盾时,应按等级较高者划分执行。
(4)当主体建筑内有特别重要的一级负荷(即所谓的特别重要负荷)时,与特别重要负荷相关的空调负荷应划为一级负荷。
(5)当主体建筑内有一级负荷时,与一级负荷有关的主要通道照明应为一级负荷。
二级负荷用电单位同理类推。
(6)重要电讯机房的电源为一级负荷,其交流电源的负荷级别应与该用电单位的最高等级的电力负荷相同。
(7)主体建筑内有大量一级负荷设备时,其附属的锅炉房、冷冻站、空调机房的电力和照明应为二级负荷。
(8)民用建筑中消防用电的负荷等级,应符合国家现行的《供配电系统设计规范》、《高层民用建筑设计防火规范》、《建筑设计防火规范》等相关规范的规定。
一类和二类高层建筑的消防用电应分别按一级和二级负荷要求供电,非高层民用建筑的消防用电除表7-1所列项目及专项设计规范另有规定外均可按三级负荷要求供电。
(9)表7-1中列为一级负荷的电子计算机及其系统机房和已记录的媒体存放间的应急照明应为一级负荷。
(10)非高层住宅(包括底部设置商业服务用房的非高层住宅)的电梯电力应为三级负荷。
电力工程总包及物资用电负荷等级分类及供电方案福建美宁电力电子工程公司二0一三年三月用电负荷等级分类及供电方案一、负荷分级由于不可能对所有的用电单位和用电设备都采取相同的供电措施,所以供配电设计应首先对用电单位和用电设备进行负荷分级。
负荷分级应根据用电单位(即电能用户)和用电设备的规模、功能、性质及其在政治、经济上的重要性进行确定。
负荷分级的目的和意义在于根据不同的负荷级别确定用电单位和用电设备的供电要求和供电措施,以保证供电系统的安全性、可靠性、先进性和合理性。
国际上普遍的做法是将负荷按应急电源自动切换的允许中断供电时间划分为0s、小于0.15s、0.5s、15s和大于15s五个级别,而我国则是沿用前苏联的做法,按用电单位或用电设备突然中断供电所导致后果的危险性和严重程度分为一、二、三级。
1.1符合下列一种或几种条件者,应划分为一级负荷:(1)中断供电将造成人身伤亡者。
例如医院手术室的照明及电力负荷、婴儿恒温箱、心脏起搏器等单位或设备。
(2)中断供电将在政治、经济上造成重大损失者。
例如国宾馆、国家级会堂以及用于承担重大国事活动的场所,中断供电将造成重大设备损坏、重大产品报废、连续生产过程被打乱需要长时间才能恢复的重点企业、一类高层建筑的消防设备等用电单位或设备。
(3)中断供电将影响有重大政治、经济意义的用电单位的正常工作者。
例如:重要交通枢纽、重要通信枢纽、不低于四星级标准的宾馆、大型体育场馆、大型商场、大型对外营业的餐饮单位以及经常用于国际活动的大量人员集中的公共场所等重要用电单位或设备。
(4)中断供电将造成公共秩序严重混乱的特别重要公共场所。
例如大型剧院、大型商场、重要交通枢纽等。
对于重要的交通枢纽、重要的通信枢纽、国宾馆、国家级及承担重大国事活动的会堂、国家级大型体育中心、经常用于重要国际活动的大量人员集中的公共场所等的中断供电将影响实时处理计算机及计算机网络正常工作或者中断供电将会发生爆炸、火灾、严重中毒以及特别重要场所中不允许中断供电的一级负荷为特别重要负荷。
最新各类负荷分级明细表(含人防负荷分级)最新各类负荷分级明细表(含人防负荷分级)表7-1 负荷分级表注:我国的用电负荷只有一、二、三共三个负荷等级。
表格中“一级(特)”表示一级负荷中的特别重要负荷,它也属于一级负荷,不能将其与一、二、三级负荷并列为第四种负荷级别。
关于负荷分级需要注意以下几点:(1)用电单位的负荷级别取决于该单位内最高级别用电设备的负荷等级。
(2)表中所列序号1~3分别为一类高层建筑、二类高层建筑和非高层建筑的通用性负荷等级划分,其它则为专项性负荷等级划分。
(3)电气工程师应首先根据建筑专业提供的设计资料并会同建筑专业共同确认一项建筑工程的建筑类别和等级,然后对照负荷等级划分表确定电能用户(用电单位)及用电设备的负荷等级,当某种用电负荷在通用性与专项性负荷等级表的负荷级别相矛盾时,应按等级较高者划分执行。
(4)当主体建筑内有特别重要的一级负荷(即所谓的特别重要负荷)时,与特别重要负荷相关的空调负荷应划为一级负荷。
(5)当主体建筑内有一级负荷时,与一级负荷有关的主要通道照明应为一级负荷。
二级负荷用电单位同理类推。
(6)重要电讯机房的电源为一级负荷,其交流电源的负荷级别应与该用电单位的最高等级的电力负荷相同。
(7)主体建筑内有大量一级负荷设备时,其附属的锅炉房、冷冻站、空调机房的电力和照明应为二级负荷。
(8)民用建筑中消防用电的负荷等级,应符合国家现行的《供配电系统设计规范》、《高层民用建筑设计防火规范》、《建筑设计防火规范》等相关规范的规定。
一类和二类高层建筑的消防用电应分别按一级和二级负荷要求供电,非高层民用建筑的消防用电除表7-1所列项目及专项设计规范另有规定外均可按三级负荷要求供电。
(9)表7-1中列为一级负荷的电子计算机及其系统机房和已记录的媒体存放间的应急照明应为一级负荷。
(10)非高层住宅(包括底部设置商业服务用房的非高层住宅)的电梯电力应为三级负荷。
最新各类负荷分级明细表〔含人防负荷分级〕欢迎参考斧正,如发现有不妥处或有更好的完善意见请马上联络阿斯表7-1 负荷分级表注:我国的用电负荷只有一、二、三共三个负荷等级。
表格中“一级〔特〕〞表示一级负荷中的特别重要负荷,它也属于一级负荷,不能将其与一、二、三级负荷并列为第四种负荷级别。
关于负荷分级需要注意以下几点:〔1〕用电单位的负荷级别取决于该单位内最高级别用电设备的负荷等级。
〔2〕表中所列序号1~3分别为一类高层建筑、二类高层建筑和非高层建筑的通用性负荷等级划分,其它那么为专项性负荷等级划分。
〔3〕电气工程师应首先根据建筑的设计资料并会同建筑专业共同确认一项建筑工程的建筑类别和等级,然后对照负荷等级划分表确定电能用户〔用电单位〕与用电设备的负荷等级,当某种用电负荷在通用性与专项性负荷等级表的负荷级别相矛盾时,应按等级较高者划分执行。
〔4〕当主体建筑内有特别重要的一级负荷〔即所谓的特别重要负荷〕时,与特别重要负荷相关的空调负荷应划为一级负荷。
〔5〕当主体建筑内有一级负荷时,与一级负荷有关的主要通道照明应为一级负荷。
二级负荷用电单位同理类推。
〔6〕重要电讯机房的电源为一级负荷,其交流电源的负荷级别应与该用电单位的最高等级的电力负荷一样。
〔7〕主体建筑内有大量一级负荷设备时,其附属的锅炉房、冷冻站、空调机房的电力和照明应为二级负荷。
〔8〕民用建筑中消防用电的负荷等级,应符合国家现行的《供配电系统设计规X》、《高层民用建筑设计防火规X》、《建筑设计防火规X》等相关规X的规定。
一类和二类高层建筑的消防用电应分别按一级和二级负荷要求供电,非高层民用建筑的消防用电除表7-1所列项目与专项设计规X另有规定外均可按三级负荷要求供电。
〔9〕表7-1中列为一级负荷的电子计算机与其系统机房和已记录的媒体存放间的应急照明应为一级负荷。
〔10〕非高层住宅〔包括底部设置商业服务用房的非高层住宅〕的电梯电力应为三级负荷。
〔11〕飞机库、冷库、煤炭工业矿井、殡仪馆等用电单位〔电能用户〕与其用电设备的用电负荷级别参见有关现行的设计规X,对无明确规定的较重要的用电负荷,应与有关部门共同协商确定其负荷等级。
最新各类负荷分级明细表(含人防负荷分级)表7-1 负荷分级表序号用电单位用电设备或场合名称负荷级别1 一类高层建筑①消防用电:消防控制室、消防泵、防排烟设施、消防电梯及其排水泵、火灾应急照明及疏散指示标志、电动防火卷帘等一级②走道照明、值班照明、警卫照明、航空障碍标志灯③主要业务用计算机系统电源、安防系统电源、电子信息机房电源④客梯电力、排污泵、变频调速恒压供水生活泵2 二类高层建筑①消防用电:消防控制室、消防泵、防排烟设施、消防电梯及其排水泵、火灾应急照明及疏散指示标志、电动防火卷帘等二级②主要通道及楼梯间照明、值班照明、航空障碍标志灯等③主要业务用计算机系统、信息机房电源,安防系统电源④客梯电力、排污泵、变频调速恒压供水生活泵3 非高层建筑建筑高度>50m的乙、丙类厂房和丙类库房消防用电一级①超过1500个座位的影剧院、超过3000个座位的体育馆二级②任一层面积>3000m2的展览楼、电信楼、财贸金融楼、商店、省市级及以上广播电视楼③室外消防用水量>25L/s的其它公共建筑④室外消防用水量大于30L/s 的工厂、仓库4国家级国宾馆、大会堂、国际会议中心主会场、接见厅、宴会厅照明,电声、录像、计算机系统一级(特) 地方厅,总值班室、主要办公室、会议室、档案室、客梯、生活泵一级5 国家计算中心电子计算机系统电源一级(特)6 国家气象台气象业务用计算机系统电源一级(特)7 防灾中心电力调度中心交通指挥中心国家及省级的防灾、电力调度及交通指挥计算机系统电源一级(特)其他用电负荷的负荷等级套用序号1、2、3、8的负荷分级表8 办公建筑国家级政府办公建筑主要办公室、会议室、总值班室、档案室及主要通道照明、消防用电、客梯、生活泵等负荷一级其他办公建筑一类办公建筑、一类高层办公建筑包括客梯、主要办公室、会议室、总值班室、档案室及主要通道照明及消防用电负荷、生活泵等一级二类办公建筑、二类高层办公建筑高度≤50m的省、部级行政办公楼二级三类办公建筑三级除一、二级负荷以外的用电设备及部位三级序号用电单位用电设备或场合名称负荷级别9 旅馆建筑一、二级经营及设备管理计算机系统的电源一级(特) 电子计算机、电话、电声及录像设备电源、新闻摄影电源地下室污水泵、雨水泵,主要客梯宴会厅、餐厅、康乐设施、门厅及高级客房、主要通道等场所的照明用电一级其余如普通客房照明、厨房用电等负荷二级三级相应项目的负荷等级比一、二级旅馆低一级四至六级三级10 商店建筑大型经营管理用计算机系统电源一级(特)营业厅,门厅,主要通道的照明,事故照明一级自动扶梯,客梯,空调设备二级中型营业厅,门厅,主要通道的照明,事故照明,客梯二级其它大中型商店的其余负荷及小型商店的全部负荷三级高层建筑附设商店负荷等级同其最高负荷等级11 医疗建筑急诊部的所有用房;监护病房、产房、婴儿室、血液病房的净化室、血液透析室;病理切片分析、磁共振、手术部、CT扫描室、高压氧仓、加速器机房、治疗室、血库、配血室的电力照明,以及培养箱、冰箱,恒温箱和其它必须持续供电的精密医疗装备;走道照明;重要手术室空调一级电子显微镜、X光机电源、高级病房、肢体伤残康复病房照明、一般手术室空调二级12科研院所高等院校重要实验室电源:生物制品、培养剂用电等一级高层教学楼客梯、主要通道照明二级13 民用机场航空管制,导航,通信,气象,助航灯光系统设施和台站;边防、海关的安全检查设备;航班预报设备;三级以上油库,为飞机及旅客服务的办公用房一级(特)候机楼、外航驻机场办事处、机场宾馆及旅客过夜用房、站坪照明、站坪机务用电一级除一级负荷和特别重要负荷外的其他用电二级14铁路客运站(火车站)最高聚集人数≥4000人的旅客车站和国境站包括旅客站房、站台、天桥及地道等的用电负荷一级最高聚集人数<4000人的大型站和中型站用电二级小型站的用电负荷三级15 港口客运站通信、导航设施用电负荷一级港口重要作业区,一、二级站的用电负荷二级16 汽车客运站一、二级站用电负荷二级四级站用电负荷三级17 图书馆藏书量超过100万册的图书馆的主要用电设备≥二级其他图书馆的用电负荷等级≥三级序号用电单位用电设备或场合名称负荷级别18剧场特、甲等剧场的调光用计算机系统电源一级(特) 特、甲等剧场的舞台照明、贵宾室、演员化妆室、舞台机械设备、电声设备、电视转播、消防设备、事故照明及疏散指示标志等一级甲等剧场观众厅照明、空调机房电力和照明、炉房电力和照明等;乙、丙等剧场的消防设备和应急照明二级19电影院甲等电影院(不包括空气调节设备用电)二级乙等特大型电影院的消防用电和应急照明20博物馆展览馆大型馆安防设备电源,珍贵展品展室的照明一级(特) 大型馆的电气负荷≥二级中、小型馆的电气负荷≥三级21体育建筑特级体育场馆、游泳馆的比赛场(厅)、主席台、贵宾室、接待室、新闻发布厅、广场及主要通道照明、计时记分装置、计算机房、电话机房、广播机房、电台和电视转播、新闻摄影及应急照明等用电一级(特)甲级体育场馆、游泳馆的比赛场(厅)、主席台、贵宾室、接待室、新闻发布厅、广场及主要通道照明、计时记分装置、计算机房、电话机房、广播机房、电台和电视转播、新闻摄影及应急照明等用电一级特、甲级体育场馆、游泳馆非比赛使用的电气设备二级乙级及以**育建筑的用电设备22省,地,市气象主要业务用计算机系统电源一级(特)台气象雷达、电报及传真收发设备、卫星云图接收机及语言广播电源、气象绘图及预报照明一级23电视台广播电台计算机系统电源一级(特) 直播的语音播音室、电视演播厅、控制室、录像室、中心机房、微波机房及其发射机房的用电一级洗印室、电视电影室、审听室,主客梯,楼梯照明二级24汽车库、修车库、停车场Ⅰ类汽车库,机械停车设备及采用升降梯作车辆疏散出口的升降梯含消防用电一级Ⅱ、Ⅲ类汽车库和Ⅰ类修车库用电(含消防用电)二级25汽车加油加气站加油加气站的供电负荷等级可以是二级或三级,但消防水泵及事故应急照明用电应为二级负荷26银行金融中心证交中心重要计算机系统和防盗报警系统一级(特) 大型银行营业厅及门厅照明,一般银行的防盗照明一级小型银行营业厅营业厅及门厅照明二级27监狱警卫照明、提审室一级28冷库大型冷库、冷库电梯、库内照明二级公称体积在2500m3以下的小型冷库≥三级29粮食仓库室外消防用水量≤30L/s 的平房仓电力负荷室外消防用水量≤30L/s 的钢板筒仓仓群的电力三级序号用电单位称用电设备或场合名称负荷级别30人防工程消防用电建筑面积>5000m2的人防工程一级建筑面积≤5000m2的人防工程≥二级中心医院急救医院基本通信设备、应急通信设备用电,应急照明,三种通风方式装置系统用电;主要医疗救护房间内的设备和照明用电,柴油电站配套的附属设备的自用电一级重要的风机、水泵二级辅助医疗救护房间内的设备和照明用电洗消用的电加热淋浴器医疗救护必需的空调、电热等设备用电电动防护密闭门,电动密闭门;电动密闭阀门用电正常照明除一、二级外的其它负荷的设备三级救护站防空专业队工程一等人员掩蔽基本通信设备、应急通信设备一级柴油电站配套的附属设备的自用电应急照明重要的风机、水泵二级三种通风方式装置系统洗消用的电加热淋浴器所完成防空专业队任务所必须的用电设备电动防护密闭门,电动密闭门;电动密闭阀门正常照明除一、二级外的其它负荷的设备三级二等人员掩蔽所生产车间食品站区域电站区域供水站基本通信设备、音响警报接收设备、应急通信设备一级柴油电站配套的附属设备的自用电应急照明重要的风机、水泵二级三种通风方式装置系统正常照明洗消用的电加热淋浴器区域水源的用电设备电动防护密闭门,电动密闭门;电动密闭阀门除一、二级外的其它负荷的设备三级物资库汽车库基本通信设备、应急通信设备一级柴油电站配套的附属设备的自用电应急照明重要的风机、水泵二级电动防护密闭门,电动密闭门;电动密闭阀门正常照明除一、二级外的其它负荷的设备三级注:我国的用电负荷只有一、二、三共三个负荷等级。
8除一、二级负荷以外的用电设备及部位 三级最新各类负荷分级明细表(含人防负荷分级)表 7-1 负荷分级表③室外消防用水量 >25L/s 的其它公共建筑 ④室外消防用水量大于 30L/s 的工厂、仓库国家级国宾馆、 主会场、 接见厅、宴会厅照明,电声、录像、计算机系统 一级( 特)4大会堂、 国际会地方厅, 总值班室、 主要办公室、 会议室、 档案室、 客梯、一级议中心生活泵5 国家计算中心电子计算机系统电源一级( 特)6国家气象台气象业务用计算机系统电源一级( 特)防灾中心* J& F. y8 L5b8 W3 J# r4 d+ m国家 防灾、电力调度及交通指挥计算机系统电源一级( 特)7电力调度中心 及省交通指挥中心 级的其他用电负荷的负荷等级套用序号1、 2、 3、 8 的负荷分级表国家级4 Q2 f) L4 K5 M" J$主要办公室、 会议室、 总值班室、 档案室及主要通道照明、序号用电单位一类高层建筑二类高层建筑非高层建筑用电设备或场合名称①消防用电:消防控制室、消防泵、防排烟设施、消防电 梯及其排水泵、火灾应急照明及疏散指示标志、电动防火 卷帘等②走道照明、值班照明、警卫照明、航空障碍标志灯③主要业务用计算机系统电源、安防系统电源、电子信息 机房电源④客梯电力、排污泵、变频调速恒压供水生活泵① 消防用电:消防控制室、消防泵、防排烟设施、消防电 梯及其排水泵、火灾应急照明及疏散指示标志、电动防火卷帘等② 主要通道及楼梯间照明、值班照明、航空障碍标志灯等③ 主要业务用计算机系统、信息机房电源,安防系统电源④客梯电力、排污泵、变频调速恒压供水生活泵 建筑高度>50m 的乙、丙类厂房和丙类库房 ① 超过 1500个座位的影剧院、 超过 3000个座位的体育馆② 任一层面积>3000r τ⅛的展览楼、电信楼、财贸金融楼、商店、省市级及以上广播电视楼负荷级别一级二级一级消防 用电二级8除一、二级负荷以外的用电设备及部位 三级消防用电、客梯、生活泵等负荷建筑办公 建筑其他办公 建筑一类办公建筑、一类高层办公建筑二类办公建筑、二类高层办公 建筑高度≤ 50m 的省、部级行政办公楼 三类办公建筑包括客梯、主要办公 室、会议室、总值班室、 档案室及主要通道照 明及消防用电负荷、活泵等一级二级三级序号用电单位用电设备或场合名称经营及设备管理计算机系统的电源负荷级别一级(特)旅馆建筑、二级三级四至六级10商店建筑大型中型其它11医疗建筑科研院所12高等院校13民用机场电子计算机、电话、电声及录像设备电源、新闻摄影电源地下室污水泵、雨水泵,主要客梯一级宴会厅、餐厅、康乐设施、门厅及高级客房、主要通道等场所的照明用电其余如普通客房照明、厨房用电等负荷相应项目的负荷等级比一、二级旅馆低一级经营管理用计算机系统电源营业厅, 门厅, 主要通道的照明,事故照明自动扶梯,客梯,空调设备营业厅,门厅,主要通道的照明,事故照明,客梯大中型商店的其余负荷及小型商店的全部负荷高层建筑附设商店负荷等级同其最高负荷等级急诊部的所有用房;监护病房、产房、婴儿室、血液病房的净化室、血液透析室;病理切片分析、磁共振、手术部、CT扫描室、高压氧仓、加速器机房、治疗室、血库、配血室的电力照明,以及培养箱、冰箱,恒温箱和其它必须持续供电的精密医疗装备;走道照明;重要手术室空调电子显微镜、X 光机电源、高级病房、肢体伤残康复病房照明、一般手术室空调重要实验室电源: 生物制品、培养剂用电等高层教学楼客梯、主要通道照明航空管制, 导航, 通信, 气象,助航灯光系统设施和台站;边防、海关的安全检查设备;航班预报设备;三级以上油库, 为飞机及旅客服务的办公用房候机楼、外航驻机场办事处、机场宾馆及旅客过夜用房、站坪照明、站坪机务用电除一级负荷和特别重要负荷外的其他用电二级三级一级(特)一级二级二级三级一级二级一级二级一级(特)一级二级铁路客运站(火车站)港口客运站汽车客运站图书馆用电单位剧场电影院博物馆展览馆体育建筑省,地, 市气象台最高聚集人数≥4000人的旅客车站和国境站包括旅客站房、站台、最高聚集人数<4000人的大型站天桥及地道等的用电和中型站用电负荷小型站的用电负荷通信、导航设施用电负荷港口重要作业区,一、二级站的用电负荷一、二级站用电负荷四级站用电负荷藏书量超过100万册的图书馆的主要用电设备其他图书馆的用电负荷等级一级二级三级一级二级二级三级≥二级≥三级用电设备或场合名称特、甲等剧场的调光用计算机系统电源特、甲等剧场的舞台照明、贵宾室、演员化妆室、舞台机械设备、电声设备、电视转播、消防设备、事故照明及疏散指示标志等甲等剧场观众厅照明、空调机房电力和照明、! u! _4 W( { x炉房电力和照明等;乙、丙等剧场的消防设备和应急照明甲等电影院(不包括空气调节设备用电)乙等特大型电影院的消防用电和应急照明大型馆安防设备电源,珍贵展品展室的照明大型馆的电气负荷中、小型馆的电气负荷特级体育场馆、游泳馆的比赛场(厅)、主席台、贵宾室、接待室、新闻发布厅、广场及主要通道照明、计时记分装置、计算机房、电话机房、广播机房、电台和电视转播、新闻摄影及应急照明等用电甲级体育场馆、游泳馆的比赛场(厅)、主席台、贵宾室、接待室、新闻发布厅、广场及主要通道照明、计时记分装置、计算机房、电话机房、广播机房、电台和电视转播、新闻摄影及应急照明等用电特、甲级体育场馆、游泳馆非比赛使用的电气设备乙级及以** 育建筑的用电设备主要业务用计算机系统电源气象雷达、电报及传真收发设备、卫星云图接收机及语言广播电源、气象绘图及预报照明负荷级别一级(特)一级二级二级一级(特)≥二级≥三级一级(特)一级二级一级(特)一级1415 16 17序号1819202122防空专业队工程 应急照明序号用电单位称用电设备或场合名称 负荷级别消防用电建筑面积>5000m2的人防工程 一级建筑面积≤ 5000m2的人防工程≥二级基本通信设备、应急通信设备用电,应急照明,三 种通风方式装置系统用电;主要医疗救护房间内的一级人设备和照明用电,柴油电站配套的附属设备的自用电防中心医院 重要的风机、水泵30辅助医疗救护房间内的设备和照明用电工急救医院洗消用的电加热淋浴器二级程医疗救护必需的空调、电热等设备用电电动防护密闭门 , 电动密闭门;电动密闭阀门用电正常照明除一、二级外的其它负荷的设备三级救护站基本通信设备、应急通信设备 一级柴油电站配套的附属设备的自用电23 电视台 广播电台24 汽车库、修车库、 停车场 汽车计算机系统电源 直播的语音播音室、电视演播厅、控制室、录像室、中心 机房、微波机房及其发射机房的用电 洗印室、电视电影室、审听室 ,主客梯 ,楼梯照明I 类汽车库,机械停车设备及采用升降梯作车辆疏散出口的升降梯n 、川类汽车库和I 类修车库用电 (含消防用电)一级(特)一级 二级25 加油加气站 银行 加油加气站的供电负荷等级可以是二级或三级,急照明用电应为二级负荷26 金融中心证交中心 27 监$ ]$ u8 P,_% V狱28 29粮食仓库含消防 用电一级二级但消防水泵及事故应重要计算机系统和防盗报警系统大型银行营业厅及门厅照明 , 一般银行的防盗照明小型银行营业厅营业厅及门厅照明警卫照明、提审室大型冷库、冷库电梯、库内照明公称体积在2500m3以下的小型冷库室外消防用水量≤30L∕s 的平房仓电力负荷室外消防用水量≤ 30L∕s 的钢板筒仓仓群的电力一级(特)一级 二级一级 二级≥三级三级重要的风机、水泵等人员掩蔽所三种通风方式装置系统注:我国的用电负荷只有一、二、三共三个负荷等级。
电力负荷级别划分标准
电力负荷级别的划分标准通常涉及到负荷的大小、用电设备的类型、用电行业的性质等因素。
以下是一般性的电力负荷级别划分标准:
1.低压负荷(Low Voltage Load):
•通常指家庭、小型商业、小型工业等规模相对较小的用电设施。
在低压电网中,这些设施的电压通常在1000V以
下。
2.中压负荷(Medium Voltage Load):
•包括中型工业、商业综合体等规模较大的用电设施。
中压电网的电压范围通常在1000V到35,000V之间。
3.高压负荷(High Voltage Load):
•涵盖大型工业、大型商业、大型公共设施等规模更大的用电设施。
高压电网的电压范围通常在35,000V以上。
4.特高压负荷(Extra High Voltage Load):
•主要涉及到国家或区域范围内的大型发电厂、大型能源互联网项目等。
特高压电网的电压范围通常在345,000V及
以上。
需要注意的是,这些级别的划分标准可能因国家和地区而异。
不同国家或地区的电力系统架构和标准可能有所不同。
在某些情况下,还可以根据负荷的性质、用电设备的特殊要求等因素来进一步细分电力负荷级别。
最新各类负荷分级明细表负荷分级表注:我国的用电负荷只有一、二、三共三个负荷等级。
表格中“一级(特)”表示一级负荷中的特别重要负荷,它也属于一级负荷,不能将其与一、二、三级负荷并列为第四种负荷级别。
关于负荷分级需要注意以下几点:(1)用电单位的负荷级别取决于该单位内最高级别用电设备的负荷等级。
(2)表中所列序号1~3分别为一类高层建筑、二类高层建筑和非高层建筑的通用性负荷等级划分,其它则为专项性负荷等级划分。
(3)电气工程师应首先根据建筑专业提供的设计资料并会同建筑专业共同确认一项建筑工程的建筑类别和等级,然后对照负荷等级划分表确定电能用户(用电单位)及用电设备的负荷等级,当某种用电负荷在通用性与专项性负荷等级表的负荷级别相矛盾时,应按等级较高者划分执行。
(4)当主体建筑内有特别重要的一级负荷(即所谓的特别重要负荷)时,与特别重要负荷相关的空调负荷应划为一级负荷。
(5)当主体建筑内有一级负荷时,与一级负荷有关的主要通道照明应为一级负荷。
二级负荷用电单位同理类推。
(6)重要电讯机房的电源为一级负荷,其交流电源的负荷级别应与该用电单位的最高等级的电力负荷相同。
(7)主体建筑内有大量一级负荷设备时,其附属的锅炉房、冷冻站、空调机房的电力和照明应为二级负荷。
(8)民用建筑中消防用电的负荷等级,应符合国家现行的《供配电系统设计规范》、《高层民用建筑设计防火规范》、《建筑设计防火规范》等相关规范的规定。
一类和二类高层建筑的消防用电应分别按一级和二级负荷要求供电,非高层民用建筑的消防用电除表7-1所列项目及专项设计规范另有规定外均可按三级负荷要求供电。
(9)表7-1中列为一级负荷的电子计算机及其系统机房和已记录的媒体存放间的应急照明应为一级负荷。
(10)非高层住宅(包括底部设置商业服务用房的非高层住宅)的电梯电力应为三级负荷。
最新各类负荷分级明细表含人防负荷分级表7-1负荷分级表序号用电单位用电设备或场合名称负荷级别1 一类高层建筑①消防用电:消防控制室、消防泵、防排烟设施、消防电梯及其排水泵、火灾应急照明及疏散指示标志、电动防火卷帘等一级②走道照明、值班照明、警卫照明、航空障碍标志灯③主要业务用计算机系统电源、安防系统电源、电子信息机房电源④客梯电力、排污泵、变频调速恒压供水生活泵2 二类高层建筑①消防用电:消防控制室、消防泵、防排烟设施、消防电梯及其排水泵、火灾应急照明及疏散指示标志、电动防火卷帘等二级②主要通道及楼梯间照明、值班照明、航空障碍标志灯等③主要业务用计算机系统、信息机房电源,安防系统电源④客梯电力、排污泵、变频调速恒压供水生活泵3 非高层建筑建筑高度>50m的乙、丙类厂房和丙类库房消防用电一级①超过1500个座位的影剧院、超过3000个座位的体育馆二级②任一层面积>3000m2的展览楼、电信楼、财贸金融楼、商店、省市级及以上广播电视楼③室外消防用水量>25L/s的其它公共建筑④室外消防用水量大于30L/s的工厂、仓库4 国家级国宾馆、大会堂、国际会议中心主会场、接见厅、宴会厅照明,电声、录像、计算机系统一级特地方厅,总值班室、主要办公室、会议室、档案室、客梯、生活泵一级5 国家计算中心电子计算机系统电源一级特6 国家气象台气象业务用计算机系统电源一级特7防灾中心电力调度中心交通指挥中心国家及省级的防灾、电力调度及交通指挥计算机系统电源一级特其他用电负荷的负荷等级套用序号1、2、3、8的负荷分级表8 办公建筑国家级政府办公建筑主要办公室、会议室、总值班室、档案室及主要通道照明、消防用电、客梯、生活泵等负荷一级其他办公建筑一类办公建筑、一类高层办公建筑包括客梯、主要办公室、会议室、总值班室、档案室及主要通道照明及消防用电负荷、生活泵等一级二类办公建筑、二类高层办公建筑高度≤50m的省、部级行政办公楼二级三类办公建筑三级除一、二级负荷以外的用电设备及部位三级序号用电单位用电设备或场合名称负荷级别9 旅馆建筑一、二级经营及设备管理计算机系统的电源一级特电子计算机、电话、电声及录像设备电源、新闻摄影电源地下室污水泵、雨水泵,主要客梯宴会厅、餐厅、康乐设施、门厅及高级客房、主要通道等场所的照明用电一级其余如普通客房照明、厨房用电等负荷二级三级相应项目的负荷等级比一、二级旅馆低一级四至六级三级10 商店建筑大型经营管理用计算机系统电源一级特营业厅,门厅,主要通道的照明,事故照明一级自动扶梯,客梯,空调设备二级中型营业厅,门厅,主要通道的照明,事故照明,客梯二级其它大中型商店的其余负荷及小型商店的全部负荷三级高层建筑附设商店负荷等级同其最高负荷等级11 医疗建筑急诊部的所有用房;监护病房、产房、婴儿室、血液病房的净化室、血液透析室;病理切片分析、磁共振、手术部、CT扫描室、高压氧仓、加速器机房、治疗室、血库、配血室的电力照明,以及培养箱、冰箱,恒温箱和其它必须持续供电的精密医疗装备;走道照明;重要手术室空调一级电子显微镜、X光机电源、高级病房、肢体伤残康复病房照明、一般手术室空调二级12科研院所高等院校重要实验室电源:生物制品、培养剂用电等一级高层教学楼客梯、主要通道照明二级13 民用机场航空管制,导航,通信,气象,助航灯光系统设施和台站;边防、海关的安全检查设备;航班预报设备;三级以上油库,为飞机及旅客服务的办公用房一级特候机楼、外航驻机场办事处、机场宾馆及旅客过夜用房、站坪照明、站坪机务用电一级除一级负荷和特别重要负荷外的其他用电二级14铁路客运站火车站最高聚集人数≥4000人的旅客车站和国境站包括旅客站房、站台、天桥及地道等的用电负荷一级最高聚集人数<4000人的大型站和中型站用电二级小型站的用电负荷三级15 港口客运站通信、导航设施用电负荷一级港口重要作业区,一、二级站的用电负荷二级16 汽车客运站一、二级站用电负荷二级四级站用电负荷三级17 图书馆藏书量超过100万册的图书馆的主要用电设备≥二级其他图书馆的用电负荷等级≥三级序号用电单位用电设备或场合名称负荷级别18剧场特、甲等剧场的调光用计算机系统电源一级特特、甲等剧场的舞台照明、贵宾室、演员化妆室、舞台机械设备、电声设备、电视转播、消防设备、事故照明及疏散指示标志等一级甲等剧场观众厅照明、空调机房电力和照明、炉房电力和照明等;乙、丙等剧场的消防设备和应急照明二级19电影院甲等电影院不包括空气调节设备用电二级乙等特大型电影院的消防用电和应急照明20博物馆展览馆大型馆安防设备电源,珍贵展品展室的照明一级特大型馆的电气负荷≥二级中、小型馆的电气负荷≥三级21体育建筑特级体育场馆、游泳馆的比赛场厅、主席台、贵宾室、接待室、新闻发布厅、广场及主要通道照明、计时记分装置、计算机房、电话机房、广播机房、电台和电视转播、新闻摄影及应急照明等用电一级特甲级体育场馆、游泳馆的比赛场厅、主席台、贵一级宾室、接待室、新闻发布厅、广场及主要通道照明、计时记分装置、计算机房、电话机房、广播机房、电台和电视转播、新闻摄影及应急照明等用电特、甲级体育场馆、游泳馆非比赛使用的电气设备二级乙级及以育建筑的用电设备22省,地,市气象台主要业务用计算机系统电源一级特气象雷达、电报及传真收发设备、卫星云图接收机及语言广播电源、气象绘图及预报照明一级23电视台广播电台计算机系统电源一级特直播的语音播音室、电视演播厅、控制室、录像室、中心机房、微波机房及其发射机房的用电一级洗印室、电视电影室、审听室,主客梯,楼梯照明二级24汽车库、修车库、停车场Ⅰ类汽车库,机械停车设备及采用升降梯作车辆疏散出口的升降梯含消防用电一级Ⅱ、Ⅲ类汽车库和Ⅰ类修车库用电含消防用电二级25汽车加油加气站加油加气站的供电负荷等级可以是二级或三级,但消防水泵及事故应急照明用电应为二级负荷26银行金融中心证交中心重要计算机系统和防盗报警系统一级特大型银行营业厅及门厅照明,一般银行的防盗照明一级小型银行营业厅营业厅及门厅照明二级27监狱警卫照明、提审室一级28冷库大型冷库、冷库电梯、库内照明二级公称体积在2500m3以下的小型冷库≥三级29粮食仓库室外消防用水量≤30L/s的平房仓电力负荷室外消防用水量≤30L/s的钢板筒仓仓群的电力三级序号用电单位称用电设备或场合名称负荷级别30 人防工程消防用电建筑面积>5000m2的人防工程一级建筑面积≤5000m2的人防工程≥二级中心医院急救医院基本通信设备、应急通信设备用电,应急照明,三种通风方式装置系统用电;主要医疗救护房间内的设备和照明用电,柴油电站配套的附属设备的自用电一级重要的风机、水泵二级辅助医疗救护房间内的设备和照明用电洗消用的电加热淋浴器医疗救护必需的空调、电热等设备用电电动防护密闭门,电动密闭门;电动密闭阀门用电正常照明除一、二级外的其它负荷的设备三级救护站防空专业队工程一等人员掩蔽所基本通信设备、应急通信设备一级柴油电站配套的附属设备的自用电应急照明重要的风机、水泵二级三种通风方式装置系统洗消用的电加热淋浴器完成防空专业队任务所必须的用电设备电动防护密闭门,电动密闭门;电动密闭阀门正常照明除一、二级外的其它负荷的设备三级二等人员掩蔽所生产车间食品站区域电站区域供水站基本通信设备、音响警报接收设备、应急通信设备一级柴油电站配套的附属设备的自用电应急照明重要的风机、水泵二级三种通风方式装置系统正常照明洗消用的电加热淋浴器区域水源的用电设备电动防护密闭门,电动密闭门;电动密闭阀门除一、二级外的其它负荷的设备三级物资库汽车库基本通信设备、应急通信设备一级柴油电站配套的附属设备的自用电应急照明重要的风机、水泵二级电动防护密闭门,电动密闭门;电动密闭阀门正常照明除一、二级外的其它负荷的设备三级注:我国的用电负荷只有一、二、三共三个负荷等级;表格中“一级特”表示一级负荷中的特别重要负荷,它也属于一级负荷,不能将其与一、二、三级负荷并列为第四种负荷级别;关于负荷分级需要注意以下几点:1用电单位的负荷级别取决于该单位内最高级别用电设备的负荷等级;2表中所列序号1~3分别为一类高层建筑、二类高层建筑和非高层建筑的通用性负荷等级划分,其它则为专项性负荷等级划分;3电气工程师应首先根据建筑专业提供的设计资料并会同建筑专业共同确认一项建筑工程的建筑类别和等级,然后对照负荷等级划分表确定电能用户用电单位及用电设备的负荷等级,当某种用电负荷在通用性与专项性负荷等级表的负荷级别相矛盾时,应按等级较高者划分执行;4当主体建筑内有特别重要的一级负荷即所谓的特别重要负荷时,与特别重要负荷相关的空调负荷应划为一级负荷;5当主体建筑内有一级负荷时,与一级负荷有关的主要通道照明应为一级负荷;二级负荷用电单位同理类推;6重要电讯机房的电源为一级负荷,其交流电源的负荷级别应与该用电单位的最高等级的电力负荷相同;7主体建筑内有大量一级负荷设备时,其附属的锅炉房、冷冻站、空调机房的电力和照明应为二级负荷;8民用建筑中消防用电的负荷等级,应符合国家现行的供配电系统设计规范、高层民用建筑设计防火规范、建筑设计防火规范等相关规范的规定;一类和二类高层建筑的消防用电应分别按一级和二级负荷要求供电,非高层民用建筑的消防用电除表7-1所列项目及专项设计规范另有规定外均可按三级负荷要求供电;9表7-1中列为一级负荷的电子计算机及其系统机房和已记录的媒体存放间的应急照明应为一级负荷;10非高层住宅包括底部设置商业服务用房的非高层住宅的电梯电力应为三级负荷;。
注:我国的用电负荷只有一、二、三共三个负荷等级。
表格中“一级(特)”表示一级负荷中的特别重要负荷,它也属于一级负荷,不能将其与一、二、三级负荷并列为第四种负荷级别。
关于负荷分级需要注意以下几点:
(1)用电单位(建筑物、群)的负荷级别由该建筑物的规模、性质、功能及单位内各类用电设备的负荷等级共同确定。
对建筑内部的最高等级用电设备而言,其负荷级别可能与该建筑物的负荷等级相同,也可能高出一级(例如当某建筑内一级负荷设备用电量很小时,经技术经济比较后该建筑物可能按二级负荷用户供电)。
电气工程师应首先根据建筑专业提供的设计资料并会同建筑专业共同确认一项建筑工程的建筑类别和等级,然后对照负荷等级划分表确定电能用户(用电单位)及用电设备的负荷等级,当某种用电负荷在通用性与专项性负荷等级表的负荷级别相矛盾时,应按等级较高者划分执行。
表中未列出的负荷可以类比确定负荷等级。
(2)表中所列序号1~3分别为一类高层建筑、二类高层建筑和非高层建筑的通用性负荷等级划分,其它则为专项性负荷等级划分。
(3)当主体建筑内有特别重要的一级负荷(即所谓的特别重要负荷)时,与特别重要负荷相关的空调负荷应划为一级负荷;当主体建筑内有一级负荷时,与一级负荷有关的主要通道照明应为一级负荷,二级负荷用电单位同理类推;主体建筑内有大量一级负荷设备时,其附属的锅炉房、冷冻站、空调机房的电力和照明应为二级负荷;重要电讯机房的电源为一级负荷,其交流电源的负荷级别应与该用电单位的最高等级的电力负荷相同;表7-1中列为一级负荷的电子计算机及其系统机房和已记录的媒体存放间的应急照明应为一级负荷。
(4)民用建筑中消防用电的负荷等级,应符合国家现行的《供配电系统设计规范》、《高层民用建筑设计防火规范》、《建筑设计防火规范》等相关规范的规定。
一类和二类高层建筑的消防用电应分别按一级和二级负荷要求供电,非高层民用建筑的消防用电除表7-1所列项目及专项设计规范另有规定外均可按三级负荷要求供电。
(5)非高层住宅(包括底部设置商业服务用房的非高层住宅)的电梯电力应为三级负荷。
(6)飞机库、冷库、煤炭工业矿井、殡仪馆等用电单位(电能用户)及其用电设备的用电负荷级别参见有关现行的行业或专业设计规范,对无明确规定的较重要的用电负荷,应与有关部门共同协商确定其负荷等级。
6.规范中关于负荷分级的几个问题
(1)关于医院:相关规范用词是县级及县级以上的医院,设置这种前提条件有所不妥,因为有些县级以下的医院同样有手术部、CT扫描室等重要用电负荷。
编者认为取消县级及县级以上的附加条件为好,最起码应该根据医疗机构的分级方法,用“二级”取代“县级”或将二者并列。
(2)关于旅馆饭店:关于旅馆分级,现行规范多是套用《旅馆建筑设计规范》JGJ 62-90的提法,将旅馆建筑由高至低划分为一、二、三、四、五、六级6个建筑等级。
由于JGJ62-90制定和实施较早,当今社会经济得到长足的发展,国际和国内社会普遍用星级来划分等级,故本书将“星级”提法列入旅游建筑划分等级表。
(3)关于排污泵和航空障碍标志灯:规范规定一类高层建筑的排污泵和航空障碍标志灯应按一级负荷要求供电,二类高层建筑的排污泵和航空障碍标志灯应按二级负荷要求供电;由于变配电房、柴油发电机房、消防水泵房内及消防电梯机
坑内的排污泵、变配电设备机房所在地下层的排污泵(人防口部排污泵除外),以及航空障碍标志灯在火灾情况下也不能断电,所以可以考虑将其划归消防设备,由屋顶消防专用电源箱供电。
(4)关于生活水泵:为避免生活水泵负荷级别过低导致火灾发生时生活用水过早被切断,可能因此“延误战机”,酿成严重后果,因此可以考虑一类和二类高层建筑的所有生活水泵分别按一级和二级负荷供电。