地质勘察岩心鉴定和描述模板
- 格式:doc
- 大小:84.50 KB
- 文档页数:12
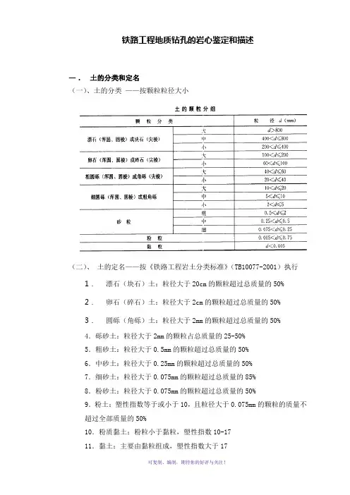
铁路工程地质钻孔的岩芯鉴定和描述一.土的分类和定名(一)、土的分类——按颗粒粒径大小1.漂石(块石)土漂石(浑圆、圆棱)或块石(尖棱、次尖棱)粒径(mm)大d>800 中400<d≤800 小200<d≤400;2.卵石(碎石)土卵石(浑圆、圆棱)或碎石(尖棱、次尖棱)粒径(mm)60<d≤2003. 粗圆砾(角砾)土圆砾(浑圆、圆棱)或角砾(尖棱、次尖棱)粒径(mm)20<d≤60;4、细圆砾(角砾)土圆砾(浑圆、圆棱)或角砾(尖棱、次尖棱)粒径(mm)大10<d≤20 中5<d≤10 小2<d≤5;5. 砂粒砂粒粒径(mm)粗0.5<d≤2 中0.25<d≤0.5 细0.075<d≤0.256. 粉粒粒径(mm)0.005<d≤0.0757. 黏土粒粒径(mm)d<0.005(二)、土的定名——按《铁路工程岩土分类标准》(TB10077-2001)执行1、漂石(块石)土:粒径大于20cm的颗粒超过总质量的50%1.卵石(碎石)土:粒径大于6cm的颗粒超过总质量的50%2.粗圆砾(角砾)土:粒径大于2cm的颗粒超过总质量的50% 3.细圆砾(角砾)土:粒径大于2mm的颗粒超过总质量的50% 5.砾砂土:粒径大于2mm的颗粒占总质量的25-50%6.粗砂土:粒径大于0.5mm的颗粒超过总质量的50%7.中砂土:粒径大于0.25mm的颗粒超过总质量的50%8.细砂土:粒径大于0.075mm的颗粒超过总质量的85%9.粉砂土:粒径大于0.075mm的颗粒超过总质量的50%10.粉土:塑性指数等于或小于10,且粒径大于0.075mm的颗粒的质量不超过全部质量的50%11.粉质黏土:粉粒小于黏粒,塑性指数10-1712.黏土:主要由黏粒组成,塑性指数大于17注:定名时应根据颗粒级配,由大到小,以最先符合者确定。
(三)、黏性土的分类及野外鉴别1.黏土:极细的均匀土块,搓捻无砂感,黏塑滑腻,易搓成细于0.5mm的长条2.粉质黏土:无均质感,搓捻时有砂感,塑性,弱黏结,能搓成比黏土较粗的短土条3.粉土:有干面似的感觉,砂粒少,粉粒多,潮湿时呈流体状,不能搓成土条、土球(四)、土的潮湿程度的划分2、砂性土——含漂(块)石土、卵(碎)石土、圆砾(角砾)土、砂土,分为稍湿、潮湿及饱和稍湿—呈松散状,手摸时感到潮,饱和度Sr 50%潮湿—手捏时手上有湿印,Sr=50-80%饱和—空隙中的水可自由流出(地下水位以下),Sr>80%3、粉土潮湿程度的划分稍湿—天然含水率w<20%潮湿—天然含水率w=20-30%饱和—天然含水率w>30%4、土的潮湿程度在钻孔中的表达方法黏性土砂性土、粉土、碎石类土K0代码坚硬稍湿 5硬塑、软塑潮湿 6流塑饱和7(五)、土的密实程度的划分及在钻孔中的反映(1)碎石类土及砂类土分为密实、中密、稍密、松散四类1.密实—钻进困难,给进震动厉害,孔内响动大,孔壁稳定,不易坍垮。
铁路工程地质钻孔的岩心鉴定和描述一.土的分类和定名(一)、土的分类——按颗粒粒径大小(二)、土的定名——按《铁路工程岩土分类标准》(TB10077-2001)执行1.漂石(块石)土:粒径大于20cm的颗粒超过总质量的50%2.卵石(碎石)土:粒径大于2cm的颗粒超过总质量的50%3.圆砾(角砾)土:粒径大于2mm的颗粒超过总质量的50%4.砾砂土:粒径大于2mm的颗粒占总质量的25-50%5.粗砂土:粒径大于0.5mm的颗粒超过总质量的50%6.中砂土:粒径大于0.25mm的颗粒超过总质量的50%7.细砂土:粒径大于0.075mm的颗粒超过总质量的85%8.粉砂土:粒径大于0.075mm的颗粒超过总质量的50%9.粉土:塑性指数等于或小于10,且粒径大于0.075mm的颗粒的质量不超过全部质量的50%10.粉质黏土:粉粒小于黏粒,塑性指数10-1711.黏土:主要由黏粒组成,塑性指数大于17注:定名时应根据颗粒级配,由大到小,以最先符合者确定。
(三)、黏性土的分类及野外鉴别1.黏土:极细的均匀土块,搓捻无砂感,黏塑滑腻,易搓成细于0.5mm 的长条2.粉质黏土:无均质感,搓捻时有砂感,塑性,弱黏结,能搓成比黏土较粗的短土条3.粉土:有干面似的感觉,砂粒少,粉粒多,潮湿时呈流体状,不能搓成土条、土球(四)、土的潮湿和塑性程度的划分1、黏性土——含粉质黏土、黏土,分为坚硬、硬塑、软塑、流塑状态名称坚硬硬塑软塑流塑粉质黏土扰动后一般不能捏成团,用锤击和手压土块易碎开,I L<0不能捏成饼,手捏压不易见手指印,易成碎块和粉末I L=0-0.5能捏成饼,手指轻压可见手印,手捏稍有出水I L=0.5-1.0手捏表层出水,手上有明显湿印,土体坍流成扁圆形I L>1.0黏土不能捏成饼,I L<0能捏成饼,边上多裂口I L=0-0.5两手相压成饼状,粘于手掌,掌中有湿印I L=0.5-1.0手捏粘于手上,I L>1.0塑性状态标准贯入锤击数N(击/30cm)坚硬N>32硬塑8<N≤32软塑2<N≤8流塑N≤22、砂性土的潮湿程度的划分——含漂(块)石土、卵(碎)石土、圆砾(角砾)土、砂土,分为稍湿、潮湿及饱和稍湿—呈松散状,手摸时感到潮,饱和度Sr50%潮湿—手捏时手上有湿印,Sr=50-80%饱和—空隙中的水可自由流出(地下水位以下),Sr>80%3、粉土潮湿程度的划分稍湿—天然含水率w<20%潮湿—天然含水率w=20-30%饱和—天然含水率w>30%4、土的潮湿程度在钻孔中的表达方法黏性土砂性土、粉土、碎石类土坚硬稍湿硬塑、软塑潮湿流塑饱和(五)、土的密实程度的划分及在钻孔中的反映(1)碎石类土及砂类土分为密实、中密、稍密、松散四类1.密实—钻进困难,给进震动厉害,孔内响动大,孔壁稳定,不易坍垮。
地质勘察岩心鉴定和描述一.土的分类和定名(一)、土的分类——按颗粒粒径大小1.漂石(块石)漂石(浑圆、圆棱)或块石(尖棱、次尖棱)粒径(mm)大d>800 中400<d≤800 小200<d≤400;2.卵石(碎石)卵石(浑圆、圆棱)或碎石(尖棱、次尖棱)粒径(mm)大60<d≤200 中40<d≤60 小20<d≤40;3. 圆砾(角砾)圆砾(浑圆、圆棱)或角砾(尖棱、次尖棱)粒径(mm)大10<d≤20 中5<d≤10 小2<d≤5;4. 砂粒砂粒粒径(mm)粗0.5<d≤2 中0.25<d≤0.5 细0.075<d≤0.255. 粉粒粒径(mm)0.005<d≤0.0756. 黏土粒粒径(mm)d<0.005(二)、土的定名——按《铁路工程岩土分类标准》(TB10077-2001)执行1.漂石(块石)土:粒径大于20cm的颗粒超过总质量的50%2.卵石(碎石)土:粒径大于2cm的颗粒超过总质量的50%3.圆砾(角砾)土:粒径大于2mm的颗粒超过总质量的50%4.砾砂土:粒径大于2mm的颗粒占总质量的25-50%5.粗砂土:粒径大于0.5mm的颗粒超过总质量的50%6.中砂土:粒径大于0.25mm的颗粒超过总质量的50%7.细砂土:粒径大于0.075mm的颗粒超过总质量的85%8.粉砂土:粒径大于0.075mm的颗粒超过总质量的50%9.粉土:塑性指数等于或小于10,且粒径大于0.075mm的颗粒的质量不超过全部质量的50% 10.粉质黏土:粉粒小于黏粒,塑性指数10-1711.黏土:主要由黏粒组成,塑性指数大于17注:定名时应根据颗粒级配,由大到小,以最先符合者确定。
(三)、黏性土的分类及野外鉴别1.黏土:极细的均匀土块,搓捻无砂感,黏塑滑腻,易搓成细于0.5mm的长条2.粉质黏土:无均质感,搓捻时有砂感,塑性,弱黏结,能搓成比黏土较粗的短土条3.粉土:有干面似的感觉,砂粒少,粉粒多,潮湿时呈流体状,不能搓成土条、土球(四)、土的潮湿程度的划分——含漂(块)石土、卵(碎)石土、圆砾(角砾)土、砂土,分为稍湿、潮湿及饱和稍湿—呈松散状,手摸时感到潮,饱和度Sr 50%潮湿—手捏时手上有湿印,Sr=50-80%饱和—空隙中的水可自由流出(地下水位以下),Sr>80%3、粉土潮湿程度的划分稍湿—天然含水率w<20%潮湿—天然含水率w=20-30%饱和—天然含水率w>30%4、土的潮湿程度在钻孔中的表达方法黏性土砂性土、粉土、碎石类土坚硬稍湿硬塑、软塑潮湿流塑饱和(1)碎石类土及砂类土分为密实、中密、稍密、松散四类1.密实—钻进困难,给进震动厉害,孔内响动大,孔壁稳定,不易坍垮。
工程地质钻孔的岩心鉴定和描述一.土的分类和定名(一)、土的分类——按颗粒粒径大小1.漂石(块石)漂石(浑圆、圆棱)或块石(尖棱、次尖棱)粒径(mm)大d>800 中400<d≤800 小200<d≤400;2.卵石(碎石)卵石(浑圆、圆棱)或碎石(尖棱、次尖棱)粒径(mm)大60<d≤200 中40<d≤60 小20<d≤40;3. 圆砾(角砾)圆砾(浑圆、圆棱)或角砾(尖棱、次尖棱)粒径(mm)大10<d≤20 中5<d≤10 小2<d≤5;4. 砂粒砂粒粒径(mm)粗0.5<d≤2 中0.25<d≤0.5 细0.075<d≤0.255. 粉粒粒径(mm)0.005<d≤0.0756. 黏土粒粒径(mm)d<0.005(二)、土的定名——按《铁路工程岩土分类标准》(TB10077-2001)执行1.漂石(块石)土:粒径大于20cm的颗粒超过总质量的50%2.卵石(碎石)土:粒径大于2cm的颗粒超过总质量的50%3.圆砾(角砾)土:粒径大于2mm的颗粒超过总质量的50%4.砾砂土:粒径大于2mm的颗粒占总质量的25-50%5.粗砂土:粒径大于0.5mm的颗粒超过总质量的50%6.中砂土:粒径大于0.25mm的颗粒超过总质量的50%7.细砂土:粒径大于0.075mm的颗粒超过总质量的85%8.粉砂土:粒径大于0.075mm的颗粒超过总质量的50%9.粉土:塑性指数等于或小于10,且粒径大于0.075mm的颗粒的质量不超过全部质量的50%10.粉质黏土:粉粒小于黏粒,塑性指数10-1711.黏土:主要由黏粒组成,塑性指数大于17注:定名时应根据颗粒级配,由大到小,以最先符合者确定。
(三)、黏性土的分类及野外鉴别1.黏土:极细的均匀土块,搓捻无砂感,黏塑滑腻,易搓成细于0.5mm的长条2.粉质黏土:无均质感,搓捻时有砂感,塑性,弱黏结,能搓成比黏土较粗的短土条3.粉土:有干面似的感觉,砂粒少,粉粒多,潮湿时呈流体状,不能搓成土条、土球(四)、土的潮湿程度的划分1、黏性土——含粉质黏土、黏土,分为坚硬、硬塑、软塑、流塑2、砂性土——含漂(块)石土、卵(碎)石土、圆砾(角砾)土、砂土,分为稍湿、潮湿及饱和稍湿—呈松散状,手摸时感到潮,饱和度Sr 50%潮湿—手捏时手上有湿印,Sr=50-80%饱和—空隙中的水可自由流出(地下水位以下),Sr>80%3、粉土潮湿程度的划分稍湿—天然含水率w<20%潮湿—天然含水率w=20-30%饱和—天然含水率w>30%4、土的潮湿程度在钻孔中的表达方法黏性土砂性土、粉土、碎石类土坚硬稍湿硬塑、软塑潮湿流塑饱和(五)、土的密实程度的划分及在钻孔中的反映(1)碎石类土及砂类土分为密实、中密、稍密、松散四类1.密实—钻进困难,给进震动厉害,孔内响动大,孔壁稳定,不易坍垮。
铁路工程地质钻孔的岩心鉴定和描述一.土的分类和定名(一)、土的分类——按颗粒粒径大小(二)、土的定名——按《铁路工程岩土分类标准》(TB10077-2001)执行1.漂石(块石)土:粒径大于20cm的颗粒超过总质量的50%2.卵石(碎石)土:粒径大于2cm的颗粒超过总质量的50%3.圆砾(角砾)土:粒径大于2mm的颗粒超过总质量的50%4.砾砂土:粒径大于2mm的颗粒占总质量的25-50%5.粗砂土:粒径大于0.5mm的颗粒超过总质量的50%6.中砂土:粒径大于0.25mm的颗粒超过总质量的50%7.细砂土:粒径大于0.075mm的颗粒超过总质量的85%8.粉砂土:粒径大于0.075mm的颗粒超过总质量的50%9.粉土:塑性指数等于或小于10,且粒径大于0.075mm的颗粒的质量不超过全部质量的50%10.粉质黏土:粉粒小于黏粒,塑性指数10-1711.黏土:主要由黏粒组成,塑性指数大于17注:定名时应根据颗粒级配,由大到小,以最先符合者确定。
(三)、黏性土的分类及野外鉴别1.黏土:极细的均匀土块,搓捻无砂感,黏塑滑腻,易搓成细于0.5mm的长条2.粉质黏土:无均质感,搓捻时有砂感,塑性,弱黏结,能搓成比黏土较粗的短土条3.粉土:有干面似的感觉,砂粒少,粉粒多,潮湿时呈流体状,不能搓成土条、土球(四)、土的潮湿和塑性程度的划分1、黏性土——含粉质黏土、黏土,分为坚硬、硬塑、软塑、流塑状态名称坚硬硬塑软塑流塑粉质黏土扰动后一般不能捏成团,用锤击和手压土块易碎开,I L<0 不能捏成饼,手捏压不易见手指印,易成碎块和粉末I L=0-0.5能捏成饼,手指轻压可见手印,手捏稍有出水I L=0.5-1.0手捏表层出水,手上有明显湿印,土体坍流成扁圆形I L>1.0黏土不能捏成饼,I L<0 能捏成饼,边上多裂口I L=0-0.5两手相压成饼状,粘于手掌,掌中有湿印I L=0.5-1.0手捏粘于手上,I L>1.0塑性状态标准贯入锤击数N(击/30cm)坚硬N>32硬塑8<N≤32软塑2<N≤8流塑N≤22、砂性土的潮湿程度的划分——含漂(块)石土、卵(碎)石土、圆砾(角砾)土、砂土,分为稍湿、潮湿及饱和稍湿—呈松散状,手摸时感到潮,饱和度Sr 50%潮湿—手捏时手上有湿印,Sr=50-80%饱和—空隙中的水可自由流出(地下水位以下),Sr>80%3、粉土潮湿程度的划分稍湿—天然含水率w<20%潮湿—天然含水率w=20-30%饱和—天然含水率w>30%4、土的潮湿程度在钻孔中的表达方法黏性土砂性土、粉土、碎石类土坚硬稍湿硬塑、软塑潮湿流塑饱和(五)、土的密实程度的划分及在钻孔中的反映密实程度标准贯入锤击数N(击/30cm)密实N>30中密15<N≤30稍密10<N≤15松散N≤10(1)碎石类土及砂类土分为密实、中密、稍密、松散四类1.密实—钻进困难,给进震动厉害,孔内响动大,孔壁稳定,不易坍垮。
铁路工程地质钻孔的岩心鉴定和描述一.土的分类和定名(一)、土的分类——按颗粒粒径大小1.漂石(块石)漂石(浑圆、圆棱)或块石(尖棱、次尖棱)粒径(mm)大d>800 中400<d≤800 小200<d≤400;2.卵石(碎石)卵石(浑圆、圆棱)或碎石(尖棱、次尖棱)粒径(mm)大60<d≤200 中40<d≤60 小20<d≤40;3. 圆砾(角砾)圆砾(浑圆、圆棱)或角砾(尖棱、次尖棱)粒径(mm)大10<d≤20 中5<d≤10 小2<d≤5;4. 砂粒砂粒粒径(mm)粗0.5<d≤2 中0.25<d≤0.5 细0.075<d≤0.255. 粉粒粒径(mm)0.005<d≤0.0756. 黏土粒粒径(mm)d<0.005(二)、土的定名——按《铁路工程岩土分类标准》(TB10077-2001)执行1.漂石(块石)土:粒径大于20cm的颗粒超过总质量的50%2.卵石(碎石)土:粒径大于2cm的颗粒超过总质量的50%3.圆砾(角砾)土:粒径大于2mm的颗粒超过总质量的50%4.砾砂土:粒径大于2mm的颗粒占总质量的25-50%5.粗砂土:粒径大于0.5mm的颗粒超过总质量的50%6.中砂土:粒径大于0.25mm的颗粒超过总质量的50%7.细砂土:粒径大于0.075mm的颗粒超过总质量的85%8.粉砂土:粒径大于0.075mm的颗粒超过总质量的50%9.粉土:塑性指数等于或小于10,且粒径大于0.075mm的颗粒的质量不超过全部质量的50%10.粉质黏土:粉粒小于黏粒,塑性指数10-1711.黏土:主要由黏粒组成,塑性指数大于17注:定名时应根据颗粒级配,由大到小,以最先符合者确定。
(三)、黏性土的分类及野外鉴别1.黏土:极细的均匀土块,搓捻无砂感,黏塑滑腻,易搓成细于0.5mm的长条2.粉质黏土:无均质感,搓捻时有砂感,塑性,弱黏结,能搓成比黏土较粗的短土条3.粉土:有干面似的感觉,砂粒少,粉粒多,潮湿时呈流体状,不能搓成土条、土球(四)、土的潮湿程度的划分1、黏性土——含粉质黏土、黏土,分为坚硬、硬塑、软塑、流塑2、砂性土——含漂(块)石土、卵(碎)石土、圆砾(角砾)土、砂土,分为稍湿、潮湿及饱和稍湿—呈松散状,手摸时感到潮,饱和度Sr 50%潮湿—手捏时手上有湿印,Sr=50-80%饱和—空隙中的水可自由流出(地下水位以下),Sr>80%3、粉土潮湿程度的划分稍湿—天然含水率w<20%潮湿—天然含水率w=20-30%饱和—天然含水率w>30%4、土的潮湿程度在钻孔中的表达方法黏性土砂性土、粉土、碎石类土坚硬稍湿硬塑、软塑潮湿流塑饱和(五)、土的密实程度的划分及在钻孔中的反映(1)碎石类土及砂类土分为密实、中密、稍密、松散四类1.密实—钻进困难,给进震动厉害,孔内响动大,孔壁稳定,不易坍垮。
铁路工程地质钻孔的岩心鉴定和描述一.土的分类和定名(一)、土的分类——按颗粒粒径大小(二)、土的定名——按《铁路工程岩土分类标准》(TB10077-2001)执行1.漂石(块石)土:粒径大于20cm的颗粒超过总质量的50%2.卵石(碎石)土:粒径大于2cm的颗粒超过总质量的50%3.圆砾(角砾)土:粒径大于2mm的颗粒超过总质量的50%4.砾砂土:粒径大于2mm的颗粒占总质量的25—50%5.粗砂土:粒径大于0。
5mm的颗粒超过总质量的50%6.中砂土:粒径大于0。
25mm的颗粒超过总质量的50%7.细砂土:粒径大于0.075mm的颗粒超过总质量的85%8.粉砂土:粒径大于0。
075mm的颗粒超过总质量的50%9.粉土:塑性指数等于或小于10,且粒径大于0。
075mm的颗粒的质量不超过全部质量的50%10.粉质黏土:粉粒小于黏粒,塑性指数10-1711.黏土:主要由黏粒组成,塑性指数大于17注:定名时应根据颗粒级配,由大到小,以最先符合者确定。
(三)、黏性土的分类及野外鉴别1.黏土:极细的均匀土块,搓捻无砂感,黏塑滑腻,易搓成细于0.5mm 的长条2.粉质黏土:无均质感,搓捻时有砂感,塑性,弱黏结,能搓成比黏土较粗的短土条3.粉土:有干面似的感觉,砂粒少,粉粒多,潮湿时呈流体状,不能搓成土条、土球(四)、土的潮湿和塑性程度的划分1、黏性土—-含粉质黏土、黏土,分为坚硬、硬塑、软塑、流塑2、砂性土的潮湿程度的划分——含漂(块)石土、卵(碎)石土、圆砾(角砾)土、砂土,分为稍湿、潮湿及饱和稍湿—呈松散状,手摸时感到潮,饱和度Sr 50%潮湿—手捏时手上有湿印,Sr=50—80%饱和—空隙中的水可自由流出(地下水位以下),Sr>80%3、粉土潮湿程度的划分稍湿—天然含水率w〈20%潮湿- 天然含水率w=20-30%饱和—天然含水率w〉30%4、土的潮湿程度在钻孔中的表达方法黏性土砂性土、粉土、碎石类土坚硬稍湿硬塑、软塑潮湿流塑饱和(五)、土的密实程度的划分及在钻孔中的反映(1)碎石类土及砂类土分为密实、中密、稍密、松散四类1.密实—钻进困难,给进震动厉害,孔内响动大,孔壁稳定,不易坍垮。
土类岩心的鉴定和描述黏性土、粉土岩心的鉴定和描述1.土的名称:黏性土类的黏土(塑性指数Ip<=17、粉质黏土(塑性指数10<Ip≤=17和粉土(塑性指数Ip≤10,且粒径Φ>0.075mm颗粒的质量不超过全部质量的50%的土)等;2.土的颜色:一般为复色,次色在前,主色在后;3.黏性土的塑性状态、粉土的潮湿状态,成层性,质地强度:黏性土的塑性状态分为坚硬(液性指数IL≤0),硬塑(液性指数0<IL≤0.5),软塑(液性指数0.5<IL≤1),流塑 (液性指数IL>1);粉土的潮湿程度分为稍湿(天然含水率w<20%),潮湿(天然含水率20%≤w≤30%),饱和(w<30%);粉土的密实程度按孔隙比(e)分为密实(e<0.75),中密(0.75≤e≤0.9),稍密(e>0.9),4.夹杂物:成分,含量百分比,粒径,形状等;无夹杂物则描述土质均一或质纯;5.其它:如搓条,滑腻感,斑纹,干裂,虫孔,嗅味等。
(二)砂类土岩心的鉴定和描述1.土的名称:砾砂(Φ>2mm的颗粒质量占总质量的25~50%),粗砂(Φ>0.5mm的颗粒质量占总质量的50%),中砂(Φ>0.25mm的颗粒质量占总质量的50%),细砂(Φ>0.075mm的颗粒质量占总质量的85%),粉砂(Φ>0.075mm 的颗粒质量占总质量的50%);2.土的颜色:一般为复色,次色在前,主色在后;3.潮湿程度:根据砂类土的饱和度Sr划分,稍湿(Sr≤50%),潮湿(50%<Sr≤80%),饱和(Sr>80%);4.密实程度:砂类土密实程度按标准贯入锤击数N或相对密度Dr划分,密实(N>30),中密(15<N≤30),稍密(10<N≤15),松散(N≤10);5.颗粒成分及其含量百分比;6.颗粒大小,形状及级配情况(均匀性);7.夹杂物及其百分比:如砾石、黏性土、腐植物等;(三)碎石类(碎、块、卵、漂石;圆砾、角砾)土岩心的鉴定和描述1.土的名称:卵石土,碎块石,漂石土,块石土,圆砾土,角砾土等;2.土的颜色:一般为复色,次色在前,主色在后;3.潮湿程度:根据砂类土的饱和度Sr划分,稍湿(Sr≤50%),潮湿(50%<Sr≤80%),饱和(Sr>80%);4.密实程度:密实,中密,稍密,松散5.颗粒成分及其含量:石质与土质名称,各占含量百分比;6.颗粒形状及大小:指碎石类土中石质块体的磨圆度(分浑圆,圆棱,次尖棱,尖棱状)及块径尺寸等;7.颗粒级配及分布情况:指颗粒有无排列和分布规律,颗粒的均匀性,分选性,分布呈层状或透镜状、尖灭状等;8.颗粒的风化程度:全风化(W4),强风化(W3),弱风化(W2),微风化(W1)等;9.夹杂物及其含量:如黏粒,砂,树皮草根,腐木,结核等及其含量;对成韵律沉积的土层,当薄层与厚层厚度之比为1/10~1/3时,宜定名为“夹层”,厚层的土名写在前面,如黏土夹粉砂层;当厚度之比大于1/3时,宜定名为“互层”,如黏土与粉砂互层;当厚度之比小于1/10,且有规律多次出现时,宜定名为“夹薄层”,如黏土夹薄层粉砂。
岩心的鉴定和描述铁路工程地质钻孔的岩心鉴定和描述(一)黏性土、粉土岩心的鉴定和描述1.土的名称:黏性土类的黏土(塑性指数Ip<17)、粉质黏土(塑性指数10<Ip≤17)和粉土(塑性指数Ip≤10,且粒径∮>0.075mm颗粒的质量不超过全部质量的50%的土)等;2.土的颜色:一般为复色,次色在前,主色在后;3.黏性土的塑性状态、粉土的潮湿状态,成层性,质地强度:黏性土的塑性状态分为坚硬(液性指数IL≤0),硬塑(液性指数0<IL≤0.5),软塑(液性指数0.5<IL≤1),流塑 (液性指数IL>1);粉土的潮湿程度分为稍湿(天然含水率w<20%),潮湿(天然含水率20%≤w≤30%),饱和(w<30%);粉土的密实程度按孔隙比(e)分为密实(e<0.75),中密(0.75≤e≤0.9),稍密(e>0.9),4.夹杂物:成分,含量百分比,粒径,形状等;无夹杂物则描述土质均一或质纯;5.其它:如搓条,滑腻感,斑纹,干裂,虫孔,嗅味等。
(二)砂类土岩心的鉴定和描述1.土的名称:砾砂(∮>2mm的颗粒质量占总质量的25~50%),粗砂(∮>0.5mm的颗粒质量占总质量的50%),中砂(∮>0.25mm的颗粒质量占总质量的50%),细砂(∮>0.075mm的颗粒质量占总质量的85%),1粉砂(∮>0.075mm的颗粒质量占总质量的50%);2.土的颜色:一般为复色,次色在前,主色在后;3.潮湿程度:根据砂类土的饱和度Sr划分,稍湿(Sr≤50%),潮湿(50%<Sr≤80%),饱和(Sr>80%);4.密实程度:砂类土密实程度按标准贯入锤击数N或相对密度Dr划分,密实(N>30),中密(15<N≤30),稍密(10<N≤15),松散(N≤10);5.颗粒成分及其含量百分比;6.颗粒大小,形状及级配情况(均匀性);7.夹杂物及其百分比:如砾石、黏性土、腐植物等;(三)碎石类(碎、块、卵、漂石;圆砾、角砾)土岩心的鉴定和描述1.土的名称:卵石土,碎块石,漂石土,块石土,圆砾土,角砾土等; 2.土的颜色:一般为复色,次色在前,主色在后;3.潮湿程度:根据砂类土的饱和度Sr划分,稍湿(Sr≤50%),潮湿(50%<Sr≤80%),饱和(Sr>80%);4.密实程度:密实,中密,稍密,松散5.颗粒成分及其含量:石质与土质名称,各占含量百分比; 6.颗粒形状及大小:指碎石类土中石质块体的磨圆度(分浑圆,圆棱,次尖棱,尖棱状)及块径尺寸等;7.颗粒级配及分布情况:指颗粒有无排列和分布规律,颗粒的均匀性,分选性,分布呈层状或透镜状、尖灭状等;8.颗粒的风化程度:全风化(W4),强风化(W3),弱风化(W2),2微风化(W1)等;9.夹杂物及其含量:如黏粒,砂,树皮草根,腐木,结核等及其含量;对成韵律沉积的土层,当薄层与厚层厚度之比为1/10~1/3时,宜定名为“夹层”,厚层的土名写在前面,如黏土夹粉砂层;当厚度之比大于1/3时,宜定名为“互层”,如黏土与粉砂互层;当厚度之比小于1/10,且有规律多次出现时,宜定名为“夹薄层”,如黏土夹薄层粉砂。
岩芯鉴定手煤田地质部8月6日一、岩煤芯分层原则(一)、岩芯分层根据是岩性变化和厚度两个因素。
普通状况下,凡同一岩性厚度不不大于0.5m以上时,都应独立分层描述。
(二)、凡属标志层,无论厚度大小均做为独立分层描述。
(三)、第四系碎屑堆积物,凡相似物质厚度在1m以上者,均应独立分层描述。
对富含水砾石层和砂层,厚度在0.5m以上者应独立分层。
(四)、岩层中夹层,系指厚度不大于0.5m薄层,夹层虽不做独立分居,但必要进行夹层岩性特性描述;若是薄,煤夹层,无论其多薄,必要按可采煤层规定,做详细描述,并注明其深度、厚度。
(五)、互层,系指不同岩性薄层有规律交替现象。
若二种或二种以上薄层有规律交替浮现厚度达0.5m以上者,可做为独立互层进行描述。
但对于每个单层已不不大于0.5m者,不能做互层描述,应做独立分层描述。
(六)、复构造额煤层煤芯分层描述,与储量计算中分层及合层办法,意义是不完全相似。
普通在复构造煤层中,凡夹矸不不大于0.05m时都要做独立分层描述;夹矸不大于0.05m时,虽不做独立分层,但要对夹矸岩性特性做详细描述,为储量计算中煤层厚度计算提供精确完整数据根据。
在特厚煤层中,夹矸厚度不不大于0.1m时做独立分层,而不大于0.1m时不做独立分层。
二、第四系松散堆积物鉴定和描述第四系堆积物(除土壤之外)和陆源沉积岩粒度是判断搬运、沉积介质能量和沉积盆地能量重要标志,因而它们命名和分类首现考虑粒级。
关于粒级划分曾有十进位分类、自然粒级分类、对数粒级分类等方案,此前煤炭部门采用是前两者综合。
当前国外多采用对数粒级分类,此分类,对于粒度分析资料整顿,作图及数理记录非常以便,考虑到此后国内外资料交流需要,八〇年国内沉积岩分类会议建议此后使用对数粒级分类。
为此咱们规定此后统一用对数粒级进行分类。
∮值粒级原则是颗粒直径d(毫米)以2为底负对数值,即∮=㏒2d依照∮值粒级原则可将送散堆积物和陆源沉积岩分四个级:砾、砂、粉砂、粘土。
地质钻孔岩心鉴定及描述地质钻孔岩心鉴定及描述土类岩心的鉴定和描述黏性土、粉土岩心的鉴定和描述1.土的名称:黏性土类的黏土(塑性指数Ip<=17、粉质黏土(塑性指数10<Ip≤=17和粉土(塑性指数Ip≤10,且粒径Φ>0.075mm颗粒的质量不超过全部质量的50%的土)等;2.土的颜色:一般为复色,次色在前,主色在后;3.黏性土的塑性状态、粉土的潮湿状态,成层性,质地强度:黏性土的塑性状态分为坚硬(液性指数IL≤0),硬塑(液性指数0<IL≤0.5),软塑(液性指数0.5<IL≤1),流塑 (液性指数IL>1);粉土的潮湿程度分为稍湿(天然含水率w<20%),潮湿(天然含水率20%≤w≤30%),饱和(w<30%);粉土的密实程度按孔隙比(e)分为密实(e<0.75),中密(0.75≤e≤0.9),稍密(e>0.9),4.夹杂物:成分,含量百分比,粒径,形状等;无夹杂物则描述土质均一或质纯;5.其它:如搓条,滑腻感,斑纹,干裂,虫孔,嗅味等。
(二)砂类土岩心的鉴定和描述1.土的名称:砾砂(Φ>2mm的颗粒质量占总质量的25~50%),粗砂(Φ>0.5mm的颗粒质量占总质量的50%),中砂(Φ>0.25mm的颗粒质量占总质量的50%),细砂(Φ>0.075mm的颗粒质量占总质量的85%),粉砂(Φ>0.075mm的颗粒质量占总质量的50%);2.土的颜色:一般为复色,次色在前,主色在后;3.潮湿程度:根据砂类土的饱和度Sr划分,稍湿(Sr≤50%),潮湿(50%<Sr≤80%),饱和(Sr>80%);4.密实程度:砂类土密实程度按标准贯入锤击数N或相对密度Dr划分,密实(N>30),中密(15<N≤30),稍密(10<N≤15),松散(N≤10);5.颗粒成分及其含量百分比;6.颗粒大小,形状及级配情况(均匀性);7.夹杂物及其百分比:如砾石、黏性土、腐植物等;(三)碎石类(碎、块、卵、漂石;圆砾、角砾)土岩心的鉴定和描述1.土的名称:卵石土,碎块石,漂石土,块石土,圆砾土,角砾土等;2.土的颜色:一般为复色,次色在前,主色在后;3.潮湿程度:根据砂类土的饱和度Sr划分,稍湿(Sr≤50%),潮湿(50%<Sr≤80%),饱和(Sr>80%);4.密实程度:密实,中密,稍密,松散5.颗粒成分及其含量:石质与土质名称,各占含量百分比;6.颗粒形状及大小:指碎石类土中石质块体的磨圆度(分浑圆,圆棱,次尖棱,尖棱状)及块径尺寸等;7.颗粒级配及分布情况:指颗粒有无排列和分布规律,颗粒的均匀性,分选性,分布呈层状或透镜状、尖灭状等;8.颗粒的风化程度:全风化(W4),强风化(W3),弱风化(W2),微风化(W1)等;9.夹杂物及其含量:如黏粒,砂,树皮草根,腐木,结核等及其含量;对成韵律沉积的土层,当薄层与厚层厚度之比为1/10~1/3时,宜定名为“夹层”,厚层的土名写在前面,如黏土夹粉砂层;当厚度之比大于1/3时,宜定名为“互层”,如黏土与粉砂互层;当厚度之比小于1/10,且有规律多次出现时,宜定名为“夹薄层”,如黏土夹薄层粉砂。
地质勘察岩心鉴定和描述一.土的分类和定名(一)、土的分类——按颗粒粒径大小1.漂石(块石)漂石(浑圆、圆棱)或块石(尖棱、次尖棱)粒径(mm)大d>800 中400<d≤800 小200<d≤400;2.卵石(碎石)卵石(浑圆、圆棱)或碎石(尖棱、次尖棱)粒径(mm)大60<d≤200 中40<d≤60 小20<d≤40;3. 圆砾(角砾)圆砾(浑圆、圆棱)或角砾(尖棱、次尖棱)粒径(mm)大10<d≤20 中5<d≤10 小2<d≤5;4. 砂粒砂粒粒径(mm)粗0.5<d≤2 中0.25<d≤0.5 细0.075<d≤0.255. 粉粒粒径(mm)0.005<d≤0.0756. 黏土粒粒径(mm)d<0.005(二)、土的定名——按《铁路工程岩土分类标准》(TB10077-2001)执行1.漂石(块石)土:粒径大于20cm的颗粒超过总质量的50%2.卵石(碎石)土:粒径大于2cm的颗粒超过总质量的50%3.圆砾(角砾)土:粒径大于2mm的颗粒超过总质量的50%4.砾砂土:粒径大于2mm的颗粒占总质量的25-50%5.粗砂土:粒径大于0.5mm的颗粒超过总质量的50%6.中砂土:粒径大于0.25mm的颗粒超过总质量的50%7.细砂土:粒径大于0.075mm的颗粒超过总质量的85%8.粉砂土:粒径大于0.075mm的颗粒超过总质量的50%9.粉土:塑性指数等于或小于10,且粒径大于0.075mm的颗粒的质量不超过全部质量的50% 10.粉质黏土:粉粒小于黏粒,塑性指数10-1711.黏土:主要由黏粒组成,塑性指数大于17注:定名时应根据颗粒级配,由大到小,以最先符合者确定。
(三)、黏性土的分类及野外鉴别1.黏土:极细的均匀土块,搓捻无砂感,黏塑滑腻,易搓成细于0.5mm的长条2.粉质黏土:无均质感,搓捻时有砂感,塑性,弱黏结,能搓成比黏土较粗的短土条3.粉土:有干面似的感觉,砂粒少,粉粒多,潮湿时呈流体状,不能搓成土条、土球(四)、土的潮湿程度的划分——含漂(块)石土、卵(碎)石土、圆砾(角砾)土、砂土,分为稍湿、潮湿及饱和稍湿—呈松散状,手摸时感到潮,饱和度Sr 50%潮湿—手捏时手上有湿印,Sr=50-80%饱和—空隙中的水可自由流出(地下水位以下),Sr>80%3、粉土潮湿程度的划分稍湿—天然含水率w<20%潮湿—天然含水率w=20-30%饱和—天然含水率w>30%4、土的潮湿程度在钻孔中的表达方法黏性土砂性土、粉土、碎石类土坚硬稍湿硬塑、软塑潮湿流塑饱和(1)碎石类土及砂类土分为密实、中密、稍密、松散四类1.密实—钻进困难,给进震动厉害,孔内响动大,孔壁稳定,不易坍垮。
钻孔描述一、杂填土:杂色,松散,大孔隙,上部为砼地坪,含较多的碎石。
二、淤泥质粉质粘土:灰色~灰黑色,流塑,部分夹有机质;无摇振反应,稍有光滑,干强度低,韧性低,有腐味三、粘土:灰黄色,可塑,无摇振反应、光滑,干强度高,韧性高,局部分布。
四、粘土:灰黄~褐黄色,硬塑,含少量的铁,锰质结核,可塑,无摇振反应,光滑,干强度高,韧性高。
五、粉质粘土:青灰色,软~可塑状,为后期沉积,摇振反应无,稍有光滑,干强度中等,韧性中等.六、粉质粘土:灰黄~褐黄色,硬塑,含青灰色粘土团块无摇振反应,稍有光滑,干强度中等,韧性中等.七、粉质粘土:灰黄~褐黄色,可塑,无摇振反应,稍有光滑,干强度中等,韧性中等.八、粉质粘土:灰黄色,可塑,稍有光滑,干强度中等,韧性中等。
局部含团块状密实粉土。
九、粉质粘土:灰黄~褐黄色,钙质结核,硬塑,无摇振反应,稍有光滑,干强度中等,韧性中等。
十、粉质粘土:灰黄~灰色,软~可塑,粉粒含量高,无摇振反应,稍有光滑,干强中等,韧性中等。
十一、粉质粘土:上部浅灰色,中下部褐黄色,硬塑,含少量铁锰质结核,无摇振反应,切面光滑,干强度高,韧性高。
十二、粉质粘土夹粉土:灰黄~青灰色,可塑,含少量云母片,无摇振反应,稍有光滑,干强度中等,韧性中等.十三、粉砂:黄色,含云母片,中密。
主要由石英等矿物组成,饱和状态。
十四、粉砂:上部灰黄色,底部浅灰色,含云母片,饱和状态,密实.十五、粉质粘土夹粉土:灰黄色,软~可塑,无摇振反应,稍有光滑,干强度中等,韧性中等。
局部夹薄层粉土。
十六、粉土:灰黄,含云母片,很湿,稍密。
摇振反应中等,无光泽反应,干强度低,韧性低. 十七、粉砂:灰黄,含云母片,饱和,密实,主要成分由长石、石英、云母等组成,磨园度好、分、选性好。
十八、粉土:浅灰色,含云母片,摇振反应中等,无泽反应, 干强度低, 韧性低.十九、粘土夹粉砂:灰黄色,褐黄色,可塑,含少量钙质结核核径为3cm。
夹薄层壮中密粉砂,具水平层理,无摇振反应,切面稍光滑,干强度高,韧性高。
岩心、岩屑、描述内容模式泥岩类:紫红色砂质泥岩:砂质分布较均匀,较硬,加HCl—。
紫红色泥岩:质纯,较硬,加HCl—。
灰质泥岩:灰质分布较均匀(不均匀,局部较重,呈条带状(或团块状)分布),较硬(软),加HCl++。
黑色炭质泥岩:炭质分布较均匀,较硬,加HCl-。
点火不燃,具煤烟味。
灰褐色油页岩:页理发育,可剥成薄片,页片厚0.5~1mm,具挠性,页理间夹灰质薄膜,加HCl+。
点火可燃,具沥青味。
灰质油泥岩:褐灰色,灰质分布均匀,较硬,加HCl++。
点火不燃,具沥青味。
灰色含砾泥岩:砾石成分以石英为主,长石次之,砾径最大8mm,一般2~5mm,次棱角状,较软,加HCl—。
黑色炭质页岩:页理较发育,页片厚约0.1mm~0.2mm,可剥成薄片,炭质分布较均匀,较硬,加HCl-。
点火不燃,具煤烟味。
浅灰色(紫红、灰黄色)铝土质泥岩:质纯,断口较光滑,舌舔有涩感,较硬,加HCl-。
无色盐岩:质纯,透明,脆,味咸,易溶于水,加HCl-。
无色含膏盐岩:石膏质分布不均匀,呈团块状分布,味咸,易溶于水,较硬,加HCl-。
深灰色含膏泥岩:石膏质分布不均匀,呈条带状分布,吸水较强,手捻易碎,较软,加HCl¯。
砂岩类:(砾石井壁取心、岩心描述加砾石球度,岩屑描述中不描。
岩屑描述中只有特殊岩性及含油岩性描述滴水试验。
)灰白色含砾砂岩:砂、砾成分以石英为主,长石次之,砾径最大3~4mm,一般1~2mm,次圆状,砂以细砂为主,含少量中砂,次棱角状,泥质胶结,松散,加HCl—。
荧光试验无显示。
灰色含砾泥质砂岩:砾石为片麻岩岩块和石英,砾径最大3mm,一般1~2mm,次棱角状,椭球体,砂粒成分以石英为主,长石次之,砂以细砂为主,少量粉砂,棱角状,泥质分布不均匀,呈条带状分布,较疏松,加HCl-,滴水渗入,荧光试验无显示,含气试验无显示。
灰色粉砂岩:泥质胶结,含灰质,较疏松,加HC l+。
荧光试验无显示。
灰色泥质粉砂岩:泥质分布较均匀,较疏松,加HCl—。
工程地质岩芯描述细则及范例有机质土的描述颜色、状态、气味、有机质含量及其分解情况、夹杂物质量等特征。
★描述范例:淤泥:灰黑色,流塑,饱和。
含贝壳及有机质,手捻具滑腻感,略具腥臭味。
淤泥质土:深灰色,软塑,主要由河流环境沉积而成的软土,大多数为粉质粘土和粘质粉土,含各种有机质和贝壳。
泥炭质土:深灰色或黑色,主要由炭质有机质及粘土组成,有腥臭味,能看到未完全分解的植物残渣。
浸水体胀,易崩解,干缩现象明显。
泥炭:深灰色或黑色,主要由炭质有机质组成,结构松散,土质很轻,暗无光泽,浸水体胀,易崩解,干缩现象极为明显。
土类的描述碎石类土的描述颜色、颗粒级配、颗粒形状、颗粒排列、颗粒的母岩成份及其大小(一般和最大粒径)、含量、硬度(风化程度)、湿度、密实度,充填物的性质、物质成份、充填程度等。
★描述范例:碎石土:黄褐色,饱和中密,主要成分为弱风化页岩、砂岩等,呈尖棱状及少量岩夹土状。
充填物为杂粒砂和粘性土,其中7-7.2m为粘性土,灰褐色,软塑。
岩芯采取率=75%。
细圆砾土:褐黄色,母岩为花岗岩、闪长岩、片麻岩,粒径2-20mm约占60﹪、20-40mm约占20﹪,余为砂类土充填,多呈圆棱状,大小混杂,分选性差,稍密-中密,1.70-2.40m潮湿,2.40m以下饱和。
或:2-20mm的占55﹪、20-60mm的占10﹪、大于60mm 的占5﹪,余为杂砂充填…岩芯呈散状。
粗圆砾土:褐黄色,母岩为片麻岩、花岗岩,砾径20-40mm约占10﹪、40-60mm约占20﹪、60-100mm约占60﹪,间隙充填物为石英砂和粘性土,岩石多呈圆棱状,稍密,潮湿,饱和。
或:20-60mm的占55﹪,60-100mm的占5﹪,100-200mm的10﹪,余为土砂充填…。
卵石土:灰褐色,密实,饱和母岩以砂岩为主,少量花岗岩,呈圆棱状,质硬,粒径60-80mm,最大120mm,含量约60%,间隙充填石英砂及粘性土...。
粗角砾土:灰褐色,中密,稍湿。
工程地质钻孔的岩心鉴定和描述一.土的分类和定名(一)、土的分类——按颗粒粒径大小1.漂石(块石)漂石(浑圆、圆棱)或块石(尖棱、次尖棱)粒径(mm)大d>800 中400<d≤800 小200<d≤400;2.卵石(碎石)卵石(浑圆、圆棱)或碎石(尖棱、次尖棱)粒径(mm)大60<d≤200 中40<d≤60 小20<d≤40;3. 圆砾(角砾)圆砾(浑圆、圆棱)或角砾(尖棱、次尖棱)粒径(mm)大10<d≤20 中5<d≤10 小2<d≤5;4. 砂粒砂粒粒径(mm)粗0.5<d≤2 中0.25<d≤0.5 细0.075<d≤0.255. 粉粒粒径(mm)0.005<d≤0.0756. 黏土粒粒径(mm)d<0.005(二)、土的定名——按《铁路工程岩土分类标准》(TB10077-2001)执行1.漂石(块石)土:粒径大于20cm的颗粒超过总质量的50%2.卵石(碎石)土:粒径大于2cm的颗粒超过总质量的50%3.圆砾(角砾)土:粒径大于2mm的颗粒超过总质量的50%4.砾砂土:粒径大于2mm的颗粒占总质量的25-50%5.粗砂土:粒径大于0.5mm的颗粒超过总质量的50%6.中砂土:粒径大于0.25mm的颗粒超过总质量的50%7.细砂土:粒径大于0.075mm的颗粒超过总质量的85%8.粉砂土:粒径大于0.075mm的颗粒超过总质量的50%9.粉土:塑性指数等于或小于10,且粒径大于0.075mm的颗粒的质量不超过全部质量的50%10.粉质黏土:粉粒小于黏粒,塑性指数10-1711.黏土:主要由黏粒组成,塑性指数大于17注:定名时应根据颗粒级配,由大到小,以最先符合者确定。
(三)、黏性土的分类及野外鉴别1.黏土:极细的均匀土块,搓捻无砂感,黏塑滑腻,易搓成细于0.5mm的长条2.粉质黏土:无均质感,搓捻时有砂感,塑性,弱黏结,能搓成比黏土较粗的短土条3.粉土:有干面似的感觉,砂粒少,粉粒多,潮湿时呈流体状,不能搓成土条、土球(四)、土的潮湿程度的划分1、黏性土——含粉质黏土、黏土,分为坚硬、硬塑、软塑、流塑2、砂性土——含漂(块)石土、卵(碎)石土、圆砾(角砾)土、砂土,分为稍湿、潮湿及饱和稍湿—呈松散状,手摸时感到潮,饱和度Sr 50%潮湿—手捏时手上有湿印,Sr=50-80%饱和—空隙中的水可自由流出(地下水位以下),Sr>80%3、粉土潮湿程度的划分稍湿—天然含水率w<20%潮湿—天然含水率w=20-30%饱和—天然含水率w>30%4、土的潮湿程度在钻孔中的表达方法黏性土砂性土、粉土、碎石类土坚硬稍湿硬塑、软塑潮湿流塑饱和(五)、土的密实程度的划分及在钻孔中的反映(1)碎石类土及砂类土分为密实、中密、稍密、松散四类1.密实—钻进困难,给进震动厉害,孔内响动大,孔壁稳定,不易坍垮。
工程地质钻孔的岩心鉴定和描述一.土的分类和定名(一)、土的分类——按颗粒粒径大小1.漂石(块石)漂石(浑圆、圆棱)或块石(尖棱、次尖棱)粒径(mm)大d>800 中400<d≤800 小200<d≤400;2.卵石(碎石)卵石(浑圆、圆棱)或碎石(尖棱、次尖棱)粒径(mm)大60<d≤200 中40<d≤60 小20<d≤40;3. 圆砾(角砾)圆砾(浑圆、圆棱)或角砾(尖棱、次尖棱)粒径(mm)大10<d≤20 中5<d≤10 小2<d≤5;4. 砂粒砂粒粒径(mm)粗0.5<d≤2 中0.25<d≤0.5 细0.075<d≤0.255. 粉粒粒径(mm)0.005<d≤0.0756. 黏土粒粒径(mm)d<0.005(二)、土的定名——按《铁路工程岩土分类标准》(TB10077-2001)执行1.漂石(块石)土:粒径大于20cm的颗粒超过总质量的50%2.卵石(碎石)土:粒径大于2cm的颗粒超过总质量的50%3.圆砾(角砾)土:粒径大于2mm的颗粒超过总质量的50%4.砾砂土:粒径大于2mm的颗粒占总质量的25-50%5.粗砂土:粒径大于0.5mm的颗粒超过总质量的50%6.中砂土:粒径大于0.25mm的颗粒超过总质量的50%7.细砂土:粒径大于0.075mm的颗粒超过总质量的85%8.粉砂土:粒径大于0.075mm的颗粒超过总质量的50%9.粉土:塑性指数等于或小于10,且粒径大于0.075mm的颗粒的质量不超过全部质量的50%10.粉质黏土:粉粒小于黏粒,塑性指数10-1711.黏土:主要由黏粒组成,塑性指数大于17注:定名时应根据颗粒级配,由大到小,以最先符合者确定。
(三)、黏性土的分类及野外鉴别1.黏土:极细的均匀土块,搓捻无砂感,黏塑滑腻,易搓成细于0.5mm的长条2.粉质黏土:无均质感,搓捻时有砂感,塑性,弱黏结,能搓成比黏土较粗的短土条3.粉土:有干面似的感觉,砂粒少,粉粒多,潮湿时呈流体状,不能搓成土条、土球(四)、土的潮湿程度的划分1、黏性土——含粉质黏土、黏土,分为坚硬、硬塑、软塑、流塑2、砂性土——含漂(块)石土、卵(碎)石土、圆砾(角砾)土、砂土,分为稍湿、潮湿及饱和稍湿—呈松散状,手摸时感到潮,饱和度Sr 50%潮湿—手捏时手上有湿印,Sr=50-80%饱和—空隙中的水可自由流出(地下水位以下),Sr>80%3、粉土潮湿程度的划分稍湿—天然含水率w<20%潮湿—天然含水率w=20-30%饱和—天然含水率w>30%4、土的潮湿程度在钻孔中的表达方法黏性土砂性土、粉土、碎石类土(1)碎石类土及砂类土分为密实、中密、稍密、松散四类1.密实—钻进困难,给进震动厉害,孔内响动大,孔壁稳定,不易坍垮。
地质勘察岩心鉴定和描述
一.土的分类和定名
( 一) 、土的分类——按颗粒粒径大小
1.漂石( 块石)
漂石( 浑圆、圆棱) 或块石( 尖棱、次尖棱) 粒径( mm)
大d>800 中400<d≤800 小200<d≤400;
2.卵石( 碎石)
卵石( 浑圆、圆棱) 或碎石( 尖棱、次尖棱) 粒径( mm)
大60<d≤200 中40<d≤60 小20<d≤40;
3. 圆砾( 角砾)
圆砾( 浑圆、圆棱) 或角砾( 尖棱、次尖棱) 粒径( mm)
大10<d≤20 中5<d≤10 小2<d≤5;
4. 砂粒
砂粒粒径( mm) 粗0.5<d≤2 中0.25<d≤0.5 细0.075<d≤0.25
5. 粉粒粒径( mm) 0.005<d≤0.075
6. 黏土粒粒径( mm) d<0.005
( 二) 、土的定名
——按《铁路工程岩土分类标准》( TB10077- ) 执行
1.漂石( 块石) 土: 粒径大于200mm的颗粒超过总质量的50%
2.卵石( 碎石) 土: 粒径大于20mm的颗粒超过总质量的50%
3.圆砾( 角砾) 土: 粒径大于2mm的颗粒超过总质量的50%
4.砾砂土: 粒径大于2mm的颗粒占总质量的25-50%
5.粗砂土: 粒径大于0.5mm的颗粒超过总质量的50%
6.中砂土: 粒径大于0.25mm的颗粒超过总质量的50%
7.细砂土: 粒径大于0.075mm的颗粒超过总质量的85%
8.粉砂土: 粒径大于0.075mm的颗粒超过总质量的50%
9.粉土: 塑性指数等于或小于10, 且粒径大于0.075mm的颗粒的质量不超过全部质量的50%
10.粉质黏土: 粉粒小于黏粒, 塑性指数10-17
11.黏土: 主要由黏粒组成, 塑性指数大于17
注: 定名时应根据颗粒级配, 由大到小, 以最先符合者确定。
( 三) 、黏性土的分类及野外鉴别
1.黏土: 极细的均匀土块, 搓捻无砂感, 黏塑滑腻, 易搓成细于
0.5mm的长条
2.粉质黏土: 无均质感, 搓捻时有砂感, 塑性, 弱黏结, 能搓成比黏土较粗的短土条
3.粉土: 有干面似的感觉, 砂粒少, 粉粒多, 潮湿时呈流体状, 不能搓成土条、土球
( 四) 、土的潮湿程度的划分
1、黏性土——含粉质黏土、黏土, 分为坚硬、硬塑、软塑、流塑
状态
名称
坚硬硬塑软塑流塑
粉质黏土扰动后一般不
能捏成团, 用
锤击和手压土
块易碎开, I L<0 不能捏成饼,
手捏压不易见
手指印, 易成
碎块和粉末
I L=0-0.5
能捏成饼, 手
指轻压可见手
印, 手捏稍有
出水
I L=0.5-1.0
手捏表层出水,
手上有明显湿
印, 土体坍流
成扁圆形
I L>1.0
黏土不能捏成饼,
I L<0 能捏成饼, 边
上多裂口
I L=0-0.5
两手相压成饼
状, 粘于手掌,
掌中有湿印
I L=0.5-1.0
手捏粘于手上,
I L>1.0
塑性状态标准贯入锤击数N( 击/30cm)
坚硬N>32
硬塑8<N≤32
软塑2<N≤8
流塑N≤2
——含漂( 块) 石土、卵( 碎) 石土、圆砾( 角砾) 土、砂土, 分为稍湿、潮湿及饱和
稍湿—呈松散状, 手摸时感到潮, 饱和度Sr50%
潮湿—手捏时手上有湿印, Sr=50-80%
饱和—空隙中的水可自由流出( 地下水位以下) , Sr>80%
3、粉土潮湿程度的划分
稍湿—天然含水率w<20%
潮湿—天然含水率w=20-30%
饱和—天然含水率w>30%
4、土的潮湿程度在钻孔中的表示方法
黏性土砂性土、粉土、碎石类土
坚硬稍湿
硬塑、软塑潮湿
流塑饱和
( 五) 、土的密实程度的划分及在钻孔中的反映
( 1) 碎石类土及砂类土分为密实、中密、稍密、松散四类1.密实—钻进困难, 给进震动厉害, 孔内响动大, 孔壁稳定, 不易坍垮。
2.中密—钻进较困难, 给进震动不剧烈, 孔壁常有坍塌现象, 需跟管钻进。
3.稍密—钻进较困难, 给进震动剧烈, 孔壁较易坍塌, 需跟管钻进。
4.松散—钻进较容易, 给进稍有震动, 孔壁严重坍塌, 必须跟管钻进。
( 2) 粉土的密实程度按孔隙比( e) 分为:
密实( e<0.75) , 中密( 0.75≤e≤0.9) , 稍密( e>0.9)
注: 无”松散”之描述法。
二.土类岩心的鉴定和描述
( 一) 黏性土、粉土岩心的鉴定和描述
1.土的名称: 黏性土类的黏土( 塑性指数I p<17=、粉质黏土( 塑性指数10<I p≤17=和粉土( 塑性指数I p≤10, 且粒径Φ>0.075mm颗粒的质量不超过全部质量的50%的土) 等;
2.土的颜色: 一般为复色, 次色在前, 主色在后;
3.黏性土的塑性状态、粉土的潮湿状态, 成层性, 质地强度:
黏性土的塑性状态分为坚硬( 液性指数I L≤0) , 硬塑( 液性指数0<I L≤0.5), 软塑( 液性指数0.5<I L≤1), 流塑(液性指数I L>1);
粉土的潮湿程度分为稍湿( 天然含水率w<20%), 潮湿( 天然含水率20%≤w≤30%), 饱和( w<30%); 粉土的密实程度按孔隙比( e) 分为密实( e<0.75) , 中密( 0.75≤e≤0.9) , 稍密( e>0.9) ,
4.夹杂物: 成分, 含量百分比, 粒径, 形状等; 无夹杂物则描述土质均一或质纯;
5.其它: 如搓条, 滑腻感, 斑纹, 干裂, 虫孔, 嗅味等。
( 二) 砂类土岩心的鉴定和描述
1.土的名称: 砾砂( Φ>2mm的颗粒质量占总质量的25~50%) , 粗砂( Φ>0.5mm的颗粒质量占总质量的50%) , 中砂( Φ>0.25mm的颗粒。