楼梯栏杆平台钢爬梯制作规范及着色标准_9521
- 格式:ppt
- 大小:1.90 MB
- 文档页数:10
中华人民共和国国家标准固定式钢梯及平台安全要求1钢直梯:1.1范围本部分规定了固定式钢直梯的设计、制造和安装方面的基本安全要求。
本部分适用于工业企业内工作场所中使用的固定式钢直梯(另有标准规定的除外)。
1.2规范性引用文件:下列文件中的条款通过本部分的引用而成为本部分的条款。
凡是注日期的引用文件,其随后所有的修改单(不包括勘误的内容)或修订版均不适用于本部分。
然而,鼓励根据本部分达成协议的各方研究是否可使用这些文件的最新版本。
凡是不注日期的引用文件,其最新版本适用于本部分。
GB 4053.3 固定式钢梯及平台安全要求第3 部分:工业防护栏杆及钢平台GB 50057 建筑物防雷设计规范GB 50205 钢结构工程施工质量验收规范1.3术语和定义1.3.1固定式钢直梯fixed steel ladder:永久性安装在建筑物或设备上,与水平面成75°~90°倾角主要构件为钢材制造的直梯(见图1)。
1.3.2梯梁(梯框)stile(rail):用来安装踏棍或其它横向承载件的梯子侧边构件。
1.3.3踏棍rung:供使用者上下梯时脚踩踏的梯子构件。
1.3.4护笼(安全护笼)cage(cage guard):安装在梯梁或固定结构上,封闭梯子周围攀登空间防止人员坠落的框架结构。
1.3.5支撑support:用来将钢直梯固定在建筑物或设备上的构件。
1.3.6(直梯)扶手handrail:钢直梯顶端供攀登者手握的构件。
1.3.7内侧净宽度inside clear width :两梯梁内侧平行于踏棍测量的距离,简称梯宽。
1.3.8梯段高度height of the ladder:梯子上端基准面至下端基准面间的垂直距离,简称梯高。
1.4一般要求:1.4.1材料:1.4.1.1钢直梯采用钢材的力学性能应不低于Q235-B,并具有碳含量合格保证。
1.4.1.2支撑宜采用角钢、钢板或钢板焊接成T型钢制作,埋没或焊接时必须牢固可靠。
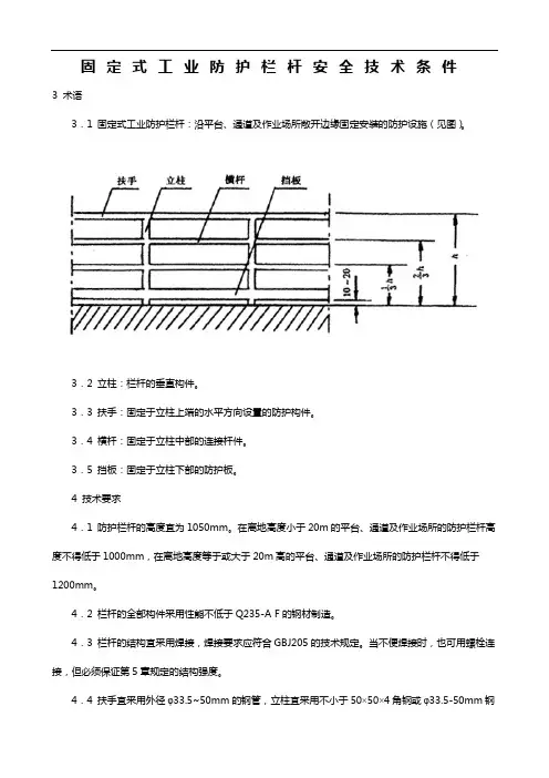
固定式工业防护栏杆安全技术条件3 术语3.1 固定式工业防护栏杆:沿平台、通道及作业场所敞开边缘固定安装的防护设施(见图)。
3.2 立柱:栏杆的垂直构件。
3.3 扶手:固定于立柱上端的水平方向设置的防护构件。
3.4 横杆:固定于立柱中部的连接杆件。
3.5 挡板:固定于立柱下部的防护板。
4 技术要求4.1 防护栏杆的高度宜为1050mm。
在离地高度小于20m的平台、通道及作业场所的防护栏杆高度不得低于1000mm,在离地高度等于或大于20m高的平台、通道及作业场所的防护栏杆不得低于1200mm。
4.2 栏杆的全部构件采用性能不低于Q235-A·F的钢材制造。
4.3 栏杆的结构宜采用焊接,焊接要求应符合GBJ205的技术规定。
当不便焊接时,也可用螺栓连接,但必须保证第5章规定的结构强度。
4.4 扶手宜采用外径φ33.5~50mm的钢管,立柱宜采用不小于50×50×4角钢或φ33.5-50mm钢管,立柱间隙宜为1000mm。
4.5 横杆采用不小于25×4扁钢或φ16的圆钢。
横杆与上、下构件的净间距不得大于380mm。
4.6 挡板宜采用不小于100×2扁钢制造。
如果平台设有满足挡板功能及强度要求的其他结构边沿时,允许不另设挡板。
4.7 室外栏杆、挡板与平台间隙为10~20mm,室内不留间隙。
4.8 栏杆端部必须设置立柱或与建筑物牢固连接。
4.9 所有结构表面应光滑、无毛刺,安装后不应有歪斜、扭曲、变形及其他缺陷。
4.10 栏杆表面必须认真除锈,并做防腐涂装。
5 强度要求栏杆的设计,必须保证其扶手所能承受水平方向垂直施加的载荷不小于500N/m。
固定式钢斜梯安全技术条件1 主题内容与适用范围本标准规定了固定式钢斜梯的设计、制造和安装的主要技术要求。
本标准适用于工业企业中生产用固定式钢斜梯。
本标准不适用于交通及其他移动设备上用的钢斜梯。
2 引用标准GB4053.3 固定式工业防护栏杆安全技术条件GBJ205 钢结构工程施工与验收规范3 术语3.1 固定式钢斜梯:固定在建筑物或设备上,与水平面成30°~75°角的钢梯(见图)。
固定式工业防护栏杆安全技术条件3 术语3.1 固定式工业防护栏杆:沿平台、通道及作业场所敞开边缘固定安装的防护设施(见图)。
3.2 立柱:栏杆的垂直构件。
3.3 扶手:固定于立柱上端的水平方向设置的防护构件。
3.4 横杆:固定于立柱中部的连接杆件。
3.5 挡板:固定于立柱下部的防护板。
4 技术要求4.1 防护栏杆的高度宜为1050mm。
在离地高度小于20m的平台、通道及作业场所的防护栏杆高度不得低于1000mm,在离地高度等于或大于20m高的平台、通道及作业场所的防护栏杆不得低于1200mm。
4.2 栏杆的全部构件采用性能不低于Q235-A·F的钢材制造。
4.3 栏杆的结构宜采用焊接,焊接要求应符合GBJ205的技术规定。
当不便焊接时,也可用螺栓连接,但必须保证第5章规定的结构强度。
4.4 扶手宜采用外径φ33.5~50mm的钢管,立柱宜采用不小于50×50×4角钢或φ33.5-50mm钢管,立柱间隙宜为1000mm。
4.5 横杆采用不小于25×4扁钢或φ16的圆钢。
横杆与上、下构件的净间距不得大于380mm。
4.6 挡板宜采用不小于100×2扁钢制造。
如果平台设有满足挡板功能及强度要求的其他结构边沿时,允许不另设挡板。
4.7 室外栏杆、挡板与平台间隙为10~20mm,室内不留间隙。
4.8 栏杆端部必须设置立柱或与建筑物牢固连接。
4.9 所有结构表面应光滑、无毛刺,安装后不应有歪斜、扭曲、变形及其他缺陷。
4.10 栏杆表面必须认真除锈,并做防腐涂装。
5 强度要求栏杆的设计,必须保证其扶手所能承受水平方向垂直施加的载荷不小于500N/m。
固定式钢斜梯安全技术条件1 主题内容与适用范围本标准规定了固定式钢斜梯的设计、制造和安装的主要技术要求。
本标准适用于工业企业中生产用固定式钢斜梯。
本标准不适用于交通及其他移动设备上用的钢斜梯。
2 引用标准GB4053.3 固定式工业防护栏杆安全技术条件GBJ205 钢结构工程施工与验收规范3 术语3.1 固定式钢斜梯:固定在建筑物或设备上,与水平面成30°~75°角的钢梯(见图)。
固定式工业防护栏杆安全技术条件3 术语3.1 固定式工业防护栏杆:沿平台、通道及作业场所敞开边缘固定安装的防护设施(见图)。
3.2 立柱:栏杆的垂直构件。
3.3 扶手:固定于立柱上端的水平方向设置的防护构件。
3.4 横杆:固定于立柱中部的连接杆件。
3.5 挡板:固定于立柱下部的防护板。
4 技术要求4.1 防护栏杆的高度宜为1050mm。
在离地高度小于20m的平台、通道及作业场所的防护栏杆高度不得低于1000mm,在离地高度等于或大于20m高的平台、通道及作业场所的防护栏杆不得低于1200mm。
4.2 栏杆的全部构件采用性能不低于Q235-A·F的钢材制造。
4.3 栏杆的结构宜采用焊接,焊接要求应符合GBJ205的技术规定。
当不便焊接时,也可用螺栓连接,但必须保证第5章规定的结构强度。
4.4 扶手宜采用外径φ33.5~50mm的钢管,立柱宜采用不小于50×50×4角钢或φ33.5-50mm钢管,立柱间隙宜为1000mm。
4.5 横杆采用不小于25×4扁钢或φ16的圆钢。
横杆与上、下构件的净间距不得大于380mm。
4.6 挡板宜采用不小于100×2扁钢制造。
如果平台设有满足挡板功能及强度要求的其他结构边沿时,允许不另设挡板。
4.7 室外栏杆、挡板与平台间隙为10~20mm,室内不留间隙。
4.8 栏杆端部必须设置立柱或与建筑物牢固连接。
4.9 所有结构表面应光滑、无毛刺,安装后不应有歪斜、扭曲、变形及其他缺陷。
4.10 栏杆表面必须认真除锈,并做防腐涂装。
5 强度要求栏杆的设计,必须保证其扶手所能承受水平方向垂直施加的载荷不小于500N/m。
固定式钢斜梯安全技术条件1 主题内容与适用范围本标准规定了固定式钢斜梯的设计、制造和安装的主要技术要求。
本标准适用于工业企业中生产用固定式钢斜梯。
本标准不适用于交通及其他移动设备上用的钢斜梯。
2 引用标准GB4053.3 固定式工业防护栏杆安全技术条件GBJ205 钢结构工程施工与验收规范3 术语3.1 固定式钢斜梯:固定在建筑物或设备上,与水平面成30°~75°角的钢梯(见图)。
(新)护栏、爬梯相关标准中华⼈民共和国国家标准固定式钢梯及平台安全要求1钢直梯:1.1范围本部分规定了固定式钢直梯的设计、制造和安装⽅⾯的基本安全要求。
本部分适⽤于⼯业企业内⼯作场所中使⽤的固定式钢直梯(另有标准规定的除外)。
1.2规范性引⽤⽂件:下列⽂件中的条款通过本部分的引⽤⽽成为本部分的条款。
凡是注⽇期的引⽤⽂件,其随后所有的修改单(不包括勘误的内容)或修订版均不适⽤于本部分。
然⽽,⿎励根据本部分达成协议的各⽅研究是否可使⽤这些⽂件的最新版本。
凡是不注⽇期的引⽤⽂件,其最新版本适⽤于本部分。
GB 4053.3 固定式钢梯及平台安全要求第3 部分:⼯业防护栏杆及钢平台GB 50057 建筑物防雷设计规范GB 50205 钢结构⼯程施⼯质量验收规范1.3术语和定义1.3.1固定式钢直梯fixed steel ladder:永久性安装在建筑物或设备上,与⽔平⾯成75°~90°倾⾓主要构件为钢材制造的直梯(见图1)。
1.3.2梯梁(梯框)stile(rail):⽤来安装踏棍或其它横向承载件的梯⼦侧边构件。
1.3.3踏棍rung:供使⽤者上下梯时脚踩踏的梯⼦构件。
1.3.4护笼(安全护笼)cage(cage guard):安装在梯梁或固定结构上,封闭梯⼦周围攀登空间防⽌⼈员坠落的框架结构。
1.3.5⽀撑support:⽤来将钢直梯固定在建筑物或设备上的构件。
1.3.6(直梯)扶⼿handrail:钢直梯顶端供攀登者⼿握的构件。
1.3.7内侧净宽度inside clear width :两梯梁内侧平⾏于踏棍测量的距离,简称梯宽。
1.3.8梯段⾼度height of the ladder:梯⼦上端基准⾯⾄下端基准⾯间的垂直距离,简称梯⾼。
1.4⼀般要求:1.4.1材料:1.4.1.1钢直梯采⽤钢材的⼒学性能应不低于Q235-B,并具有碳含量合格保证。
1.4.1.2⽀撑宜采⽤⾓钢、钢板或钢板焊接成T型钢制作,埋没或焊接时必须牢固可靠。
楼梯栏杆(含临空栏杆)的工艺标准与施工要点工艺标准:( 1 )栏杆排列均匀、竖直有序,栏杆与埋件及扶手连接处焊接牢固、接缝严密,焊缝饱满、均匀,不得有咬边、未焊满、裂纹、渣滓、焊瘤、烧穿、电弧擦伤、弧坑和针状气孔等缺陷。
打磨光滑,光洁度一致。
( 2 )栏杆表面光滑无毛刺,漆层厚度均匀。
( 3 )栏杆垂直度偏差≤2mm 。
栏杆间距偏差≤3mm 。
扶手直线度偏差≤3mm 。
扶手高度偏差≤3mm 。
( 4 )护栏高度、栏杆间距、安装位置必须符合设计要求。
护栏必须牢固。
大于24m 时栏杆高度不低于1.1 m ,小于24m 时栏杆高度不低于1.05m ,栏杆底部设100mm 高的挡板施工要点:( 1 )楼梯木制扶手用硬杂木加工,其树种、规格、尺寸形状符合设计要求。
木材不得有腐朽、节疤、裂缝、扭曲等,含水率<12% 。
木材基面打磨去毛刺后刷水性聚氨酯漆;钢制栏杆的油漆材料可使用喷塑或喷涂氟碳漆,栏杆表面应光滑,不得有毛刺;表面防护漆采用聚酯底漆一道、聚酯腻子刮平打磨后喷涂聚酯磁漆两道。
( 2 )预埋件按立杆位置预埋,焊接前应检查标高及位置。
( 3 )护栏安装必须牢靠,室外金属栏杆应可靠接地。
( 4 )安装木扶手前,木扶手的扁钢固定件应预先打好孔(间距控制在400mm 内),再进行焊接。
( 5 )木扶手安装应进行分段预装粘结,操作温度不得低于 5 ℃。
( 6 )栏杆喷漆应尽量在工厂完成,现场只做补漆工作。
现场补漆由生产厂家完成。
(7 )扶手施工时应做好成品保护,防止焊接火花烧坏地面;木扶手安装完毕后,刷一道底漆后加包裹,以免撞击损坏和受潮变色。
工业爬梯护栏标准
工业爬梯护栏标准具体会根据不同的国家和地区的法律法规、行业标准以及安全要求而有所不同。
以下是一些可能适用的工业爬梯护栏标准的一般要求:
1. 高度要求:一般要求工业爬梯护栏的高度为1100mm以上,以确保人员在爬升过程中的安全。
2. 栏杆设计:护栏应采用坚固的材料制作,如钢铁,并经过防腐处理,以确保护栏的稳固和耐用。
3. 栏杆间距:护栏的栏杆之间的间距不得大于100mm,以防
止人员的头部或身体穿过栏杆。
4. 护栏门:对于爬梯的入口处,应设计安装可开启和关闭的护栏门,以方便人员进入或离开爬梯。
护栏门应具备自锁功能,以确保门关闭时能够自动锁定。
5. 视觉标识:护栏应设置明显的视觉标识,警示人员注意安全,包括标识牌、防滑线和明亮的颜色。
6. 抗风能力:护栏应具备足够的抗风能力,以确保在恶劣的天气条件下也能保持稳固。
7. 承重能力:护栏的设计要足够强度,能够承受人员倚靠和冲击,防止发生护栏失效导致意外。
需要注意的是,以上是一些可能适用的标准要求,具体标准应参考当地相关法规和行业标准的要求。
在实际应用中,还应根据具体情况进行风险评估和安全设计,以确保工业爬梯护栏的安全性。
建筑栏杆施工规范要求
梯子平台栏杆施工技术规范要求
为了规范本区域钢结构平台、梯子栏杆施工要求及现场标准化管理,制定以下梯子、平台栏杆的施工规范要求。
1、栏杆制作时保证下料精度,同一平台上的栏杆立柱按图
集要求高度必须一致。
2、栏杆立杆与横杆的结合处要按照结合线切割马鞍口,并
且间隙控制在3mm以内。
3、栏杆所有转角处(任何角度)要使用冲压弯头或使用弯
管机加工。
4、梯子、平台栏杆必须按照图集要求的高度制作安装。
5、立柱上的带钢、踢脚板安装时必须平直拉紧无松动现
象,带钢踢脚板的对接位置要留在立柱处。
6、所有焊口的焊接要保证平滑(否则进行打磨处理),横
杆焊接处必须使用磨光机打磨处理。
7、所有栏杆安装前要对地脚标高进行复测,如果有偏差进
行找平处理,保证栏杆上平面在一个水平面上。
8、所有栏杆待安装完后再进行涂刷面漆。
9、栏杆的黄、黑安全色每300mm一道,保证黄、黑色结
合处整齐。
涂装前在黄黑结合处,使用胶带在其中一种颜色的油漆侧对横杆进行缠绕(注意:缠绕的端头必须平齐)。
护栏、爬梯标准中华人民共和国国家标准固定式钢梯及平台安全要求 1 钢直梯 1.1 范围本部分规定了固定式钢直梯的设计、制造和安装方面的基本安全要求。
本部分适用于工业企业内工作场所中使用的固定式钢直梯另有标准规定的除外。
1.2 规范性引用文件下列文件中的条款通过本部分的引用而成为本部分的条款。
凡是注日期的引用文件其随后所有的修改单不包括勘误的内容或修订版均不适用于本部分。
然而鼓励根据本部分达成协议的各方研究是否可使用这些文件的最新版本。
凡是不注日期的引用文件其最新版本适用于本部分。
GB 4053.3 固定式钢梯及平台安全要求第3 部分工业防护栏杆及钢平台 GB 50057 建筑物防雷设计规范 GB 50205 钢结构工程施工质量验收规范 1.3 术语和定义 1.3.1 固定式钢直梯fixed steel ladder永久性安装在建筑物或设备上与水平面成75?90?倾角主要构件为钢材制造的直梯见图1。
1.3.2 梯梁梯框stilerail用来安装踏棍或其它横向承载件的梯子侧边构件。
1.3.3 踏棍rung供使用者上下梯时脚踩踏的梯子构件。
1.3.4 护笼安全护笼cagecage guard安装在梯梁或固定结构上封闭梯子周围攀登空间防止人员坠落的框架结构。
1.3.5 支撑support用来将钢直梯固定在建筑物或设备上的构件。
1.3.6 直梯扶手handrail钢直梯顶端供攀登者手握的构件。
1.3.7 内侧净宽度inside clear width 两梯梁内侧平行于踏棍测量的距离简称梯宽。
1.3.8 梯段高度height of the ladder梯子上端基准面至下端基准面间的垂直距离简称梯高。
1.4 一般要求 1.4.1 材料 1.4.1.1 钢直梯采用钢材的力学性能应不低于Q235-B并具有碳含量合格保证。
1.4.1.2 支撑宜采用角钢、钢板或钢板焊接成T型钢制作埋没或焊接时必须牢固可靠。
固定式钢斜梯安全技术条件(GB4053.2-93)1、固定式钢斜梯与水平面的夹角应在30°〜75不同角度钢斜梯,其踏步高(相临两踏板间的垂直距离)R,踏板宽度T的尺寸对照下表:2、踏板应采用厚度不得小于4毫米的A3F花纹钢板或经防滑处理的普通A3 F钢板,梯宽超过7 0 0 毫米时,踏板必须设加钢筋。
3、扶手高(扶手顶到梯梁上边缘的铅垂距离)为900毫米,采用外径为30-40毫米、壁厚不小于2.5毫米的电焊钢管,也可用机械性能不低于这种电焊钢管的管材,但扶手的外径必须在30—40毫米之间。
4、扶手的立柱采用直径为2 0毫米圆钢,从第一级踏板开设置,间距不大于1000毫米。
横杆采用直径为2 0毫米圆钢或3 0X4的扁钢。
5、梯宽应为7 0 0毫米,最大不得大于10 0 0 毫米,最小不得小于6 0 0毫米。
6、梯高(梯横梁顶端到其底部基准面的垂直距离)一般不大于5米。
大于5米的必须设梯间平台,梯间平台的设计应符合GB 4 0 5 3 . 4 —8 3标准,分段设梯。
7、钢斜梯最大均布载荷不得超过3 5 0 Kg/m2。
8、钢斜梯全部采用焊接连接。
焊接要求符合《钢结构焊接规范》。
9、所有构件表面必须光滑、无毛刺,安装后的钢斜梯不应有歪斜、扭曲、变形及其他缺陷。
10、钢斜梯必须涂防锈漆,安装后再涂表面漆。
固定式钢直梯安全技术要求( GB4053.1-93 )1、钢直梯应采用A3F或性能不低于A3F的钢2、梯梁(钢直梯两侧的边梁)必须采用不小于/50 X5角钢或一60X 8的扁钢。
3、踏棍易采用圆钢制作,直径不得小于20毫米,踏棍间距应为300毫米等距分布。
4、支撑(固定连接钢直梯与建筑物或设备的构件)必须采用/ 70X 6的角钢,埋设或焊接时必须牢固可靠。
5、最下端一对支撑距基准面距离为300毫米,支撑竖向间距不得大于1500毫米,一段直梯至少焊两对支撑,钢直梯与建筑物或设备之间的距离为150〜250毫米。
中华人民共和国国家标准固定式钢梯及平台安全要求1钢直梯:1.1范围本部分规定了固定式钢直梯的设计、制造和安装方面的基本安全要求。
本部分适用于工业企业内工作场所中使用的固定式钢直梯(另有标准规定的除外)。
1.2规范性引用文件:下列文件中的条款通过本部分的引用而成为本部分的条款。
凡是注日期的引用文件,其随后所有的修改单(不包括勘误的内容)或修订版均不适用于本部分。
然而,鼓励根据本部分达成协议的各方研究是否可使用这些文件的最新版本。
凡是不注日期的引用文件,其最新版本适用于本部分。
GB 4053.3 固定式钢梯及平台安全要求第3 部分:工业防护栏杆及钢平台GB 50057 建筑物防雷设计规范GB 50205 钢结构工程施工质量验收规范1.3术语和定义1.3.1固定式钢直梯fixed steel ladder:永久性安装在建筑物或设备上,与水平面成75°~90°倾角主要构件为钢材制造的直梯(见图1)。
1.3.2梯梁(梯框)stile(rail):用来安装踏棍或其它横向承载件的梯子侧边构件。
1.3.3踏棍rung:供使用者上下梯时脚踩踏的梯子构件。
1.3.4护笼(安全护笼)cage(cage guard):安装在梯梁或固定结构上,封闭梯子周围攀登空间防止人员坠落的框架结构。
1.3.5支撑support:用来将钢直梯固定在建筑物或设备上的构件。
1.3.6(直梯)扶手handrail:钢直梯顶端供攀登者手握的构件。
1.3.7内侧净宽度inside clear width :两梯梁内侧平行于踏棍测量的距离,简称梯宽。
1.3.8梯段高度height of the ladder:梯子上端基准面至下端基准面间的垂直距离,简称梯高。
1.4一般要求:1.4.1材料:1.4.1.1钢直梯采用钢材的力学性能应不低于Q235-B,并具有碳含量合格保证。
1.4.1.2支撑宜采用角钢、钢板或钢板焊接成T型钢制作,埋没或焊接时必须牢固可靠。
中华人民共和国国家标准固定式钢梯及平台安全要求1钢直梯:1.1范围本部分规定了固定式钢直梯的设计、制造和安装方面的基本安全要求。
本部分适用于工业企业内工作场所中使用的固定式钢直梯(另有标准规定的除外)。
1.2规范性引用文件:下列文件中的条款通过本部分的引用而成为本部分的条款。
凡是注日期的引用文件,其随后所有的修改单(不包括勘误的内容)或修订版均不适用于本部分。
然而,鼓励根据本部分达成协议的各方研究是否可使用这些文件的最新版本。
凡是不注日期的引用文件,其最新版本适用于本部分。
GB 4053.3 固定式钢梯及平台安全要求第3 部分:工业防护栏杆及钢平台GB 50057 建筑物防雷设计规范GB 50205 钢结构工程施工质量验收规范1.3术语和定义1.3.1固定式钢直梯fixed steel ladder:永久性安装在建筑物或设备上,与水平面成75°~90°倾角主要构件为钢材制造的直梯(见图1)。
1.3.2梯梁(梯框)stile(rail):用来安装踏棍或其它横向承载件的梯子侧边构件。
1.3.3踏棍rung:供使用者上下梯时脚踩踏的梯子构件。
1.3.4护笼(安全护笼)cage(cage guard):安装在梯梁或固定结构上,封闭梯子周围攀登空间防止人员坠落的框架结构。
1.3.5支撑support:用来将钢直梯固定在建筑物或设备上的构件。
1.3.6(直梯)扶手handrail:钢直梯顶端供攀登者手握的构件。
1.3.7内侧净宽度inside clear width :两梯梁内侧平行于踏棍测量的距离,简称梯宽。
1.3.8梯段高度height of the ladder:梯子上端基准面至下端基准面间的垂直距离,简称梯高。
1.4一般要求:1.4.1材料:1.4.1.1钢直梯采用钢材的力学性能应不低于Q235-B,并具有碳含量合格保证。
1.4.1.2支撑宜采用角钢、钢板或钢板焊接成T型钢制作,埋没或焊接时必须牢固可靠。
护栏、爬梯标准中华人民共和国国家标准固定式钢梯及平台安全要求 1 钢直梯 1.1 范围本部分规定了固定式钢直梯的设计、制造和安装方面的基本安全要求。
本部分适用于工业企业内工作场所中使用的固定式钢直梯另有标准规定的除外。
1.2 规范性引用文件下列文件中的条款通过本部分的引用而成为本部分的条款。
凡是注日期的引用文件其随后所有的修改单不包括勘误的内容或修订版均不适用于本部分。
然而鼓励根据本部分达成协议的各方研究是否可使用这些文件的最新版本。
凡是不注日期的引用文件其最新版本适用于本部分。
GB 4053.3 固定式钢梯及平台安全要求第3 部分工业防护栏杆及钢平台 GB 50057 建筑物防雷设计规范 GB 50205 钢结构工程施工质量验收规范 1.3 术语和定义 1.3.1 固定式钢直梯fixed steel ladder永久性安装在建筑物或设备上与水平面成75?90?倾角主要构件为钢材制造的直梯见图1。
1.3.2 梯梁梯框stilerail用来安装踏棍或其它横向承载件的梯子侧边构件。
1.3.3 踏棍rung供使用者上下梯时脚踩踏的梯子构件。
1.3.4 护笼安全护笼cagecage guard安装在梯梁或固定结构上封闭梯子周围攀登空间防止人员坠落的框架结构。
1.3.5 支撑support用来将钢直梯固定在建筑物或设备上的构件。
1.3.6 直梯扶手handrail钢直梯顶端供攀登者手握的构件。
1.3.7 内侧净宽度inside clear width 两梯梁内侧平行于踏棍测量的距离简称梯宽。
1.3.8 梯段高度height of the ladder梯子上端基准面至下端基准面间的垂直距离简称梯高。
1.4 一般要求 1.4.1 材料 1.4.1.1 钢直梯采用钢材的力学性能应不低于Q235-B并具有碳含量合格保证。
1.4.1.2 支撑宜采用角钢、钢板或钢板焊接成T型钢制作埋没或焊接时必须牢固可靠。
中华人民共和国国家标准固定式钢梯及平台安全要求1钢直梯:1.1范围本部分规定了固定式钢直梯的设计、制造和安装方面的基本安全要求。
本部分适用于工业企业内工作场所中使用的固定式钢直梯(另有标准规定的除外)。
1.2规范性引用文件:下列文件中的条款通过本部分的引用而成为本部分的条款。
凡是注日期的引用文件,其随后所有的修改单(不包括勘误的内容)或修订版均不适用于本部分。
然而,鼓励根据本部分达成协议的各方研究是否可使用这些文件的最新版本。
凡是不注日期的引用文件,其最新版本适用于本部分。
GB 4053.3 固定式钢梯及平台安全要求第3 部分:工业防护栏杆及钢平台GB 50057 建筑物防雷设计规范GB 50205 钢结构工程施工质量验收规范1.3术语和定义1.3.1固定式钢直梯fixed steel ladder:永久性安装在建筑物或设备上,与水平面成75°~90°倾角主要构件为钢材制造的直梯(见图1)。
1.3.2梯梁(梯框)stile(rail):用来安装踏棍或其它横向承载件的梯子侧边构件。
1.3.3踏棍rung:供使用者上下梯时脚踩踏的梯子构件。
1.3.4护笼(安全护笼)cage(cage guard):安装在梯梁或固定结构上,封闭梯子周围攀登空间防止人员坠落的框架结构。
1.3.5支撑support:用来将钢直梯固定在建筑物或设备上的构件。
1.3.6(直梯)扶手handrail:钢直梯顶端供攀登者手握的构件。
1.3.7内侧净宽度inside clear width :两梯梁内侧平行于踏棍测量的距离,简称梯宽。
1.3.8梯段高度height of the ladder:梯子上端基准面至下端基准面间的垂直距离,简称梯高。
1.4一般要求:1.4.1材料:1.4.1.1钢直梯采用钢材的力学性能应不低于Q235-B,并具有碳含量合格保证。
1.4.1.2支撑宜采用角钢、钢板或钢板焊接成T型钢制作,埋没或焊接时必须牢固可靠。
护栏、爬梯标准中华人民共和国国家标准固定式钢梯及平台安全要求 1 钢直梯 1.1 范围本部分规定了固定式钢直梯的设计、制造和安装方面的基本安全要求。
本部分适用于工业企业内工作场所中使用的固定式钢直梯另有标准规定的除外。
1.2 规范性引用文件下列文件中的条款通过本部分的引用而成为本部分的条款。
凡是注日期的引用文件其随后所有的修改单不包括勘误的内容或修订版均不适用于本部分。
然而鼓励根据本部分达成协议的各方研究是否可使用这些文件的最新版本。
凡是不注日期的引用文件其最新版本适用于本部分。
GB 4053.3 固定式钢梯及平台安全要求第3 部分工业防护栏杆及钢平台 GB 50057 建筑物防雷设计规范 GB 50205 钢结构工程施工质量验收规范 1.3 术语和定义 1.3.1 固定式钢直梯fixed steel ladder永久性安装在建筑物或设备上与水平面成75?90?倾角主要构件为钢材制造的直梯见图1。
1.3.2 梯梁梯框stilerail用来安装踏棍或其它横向承载件的梯子侧边构件。
1.3.3 踏棍rung供使用者上下梯时脚踩踏的梯子构件。
1.3.4 护笼安全护笼cagecage guard安装在梯梁或固定结构上封闭梯子周围攀登空间防止人员坠落的框架结构。
1.3.5 支撑support用来将钢直梯固定在建筑物或设备上的构件。
1.3.6 直梯扶手handrail钢直梯顶端供攀登者手握的构件。
1.3.7 内侧净宽度inside clear width 两梯梁内侧平行于踏棍测量的距离简称梯宽。
1.3.8 梯段高度height of the ladder梯子上端基准面至下端基准面间的垂直距离简称梯高。
1.4 一般要求 1.4.1 材料 1.4.1.1 钢直梯采用钢材的力学性能应不低于Q235-B并具有碳含量合格保证。
1.4.1.2 支撑宜采用角钢、钢板或钢板焊接成T型钢制作埋没或焊接时必须牢固可靠。