关于路基填料分类和分组
- 格式:doc
- 大小:415.00 KB
- 文档页数:6
路基填料分组
1
2
巨粒土、粗粒土填料分组
注:1 颗粒级配分为良好(C u≥5,且C c=1~3)和不良(C u<5,且C c≠1~3)。
式中:不均匀系数C u=d60/d10;曲率系数C c=d302/(d10×d60)
d
、 d30、 d60分别为颗粒级配曲线上相应于总质量10%、30%、60%含量颗粒的粒径。
10
2 硬块石为单轴饱和抗压强度R c>30MPa的块石;软块石为单轴饱和抗压强度R c≤30MPa的块石。
3 细粒含量指黏粒(d≤0.075mm)的质量占总质量的百分数。
3细粒土填料应根据土的塑性指数Ip和液限含水率W
,进行分组。
L
细粒土填料分组
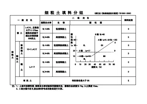
注:1 液限含水率试验采用圆锥仪法,圆锥仪总质量为76g,入土深度10mm。
2 A线方程中的w L按去掉%后的数值进行计算。
公路路基归纳总结公路路基是公路工程中的重要组成部分,是承载车辆荷载、传递荷载到地基的基础设施。
它对道路的安全性、稳定性和耐久性起着关键作用。
本文将对公路路基的定义、分类、设计要点、施工工艺以及养护管理进行归纳总结。
一、公路路基的定义公路路基是指公路工程中为铺设路面而在地表上开挖或填筑的土体基础。
它承载着道路行车荷载的作用,将荷载传递到地基,同时还具备排水、稳定道路结构的功能。
二、公路路基的分类1. 按路基与地基的相对高程关系来分类,可分为高填路基、低填路基、隔离式路基和悬索式路基。
2. 按路基的填筑材料不同,可分为软土路基、砂土路基、粉土路基和岩石路基。
3. 按路基的设计要求和功能不同,可分为一般路基、加固路基、遇水路基和特殊路基等。
三、公路路基的设计要点1. 路基宽度和横断面形状的确定:根据设计荷载、交通流量和地质条件等因素,合理确定路基的宽度和横断面形状,以满足安全、稳定、经济和环保的要求。
2. 路基的侧坡设计和排水系统:合理设置路基的侧坡坡度和排水系统,确保路基稳定和排水良好,避免积水和坡面滑坡等问题。
3. 路基填筑材料的选择和处理:根据地质条件和工程要求,选择合适的填筑材料,并进行必要的场地处理和加固措施。
四、公路路基的施工工艺1. 地基处理:包括土方开挖、土石方运输、石料碎石、场地平整等工序,确保地基的均匀和稳定。
2. 路基填筑:根据设计要求,按照分层填筑、压实和检测的原则进行施工,保证路基填筑质量和稳定性。
3. 路基边沟和排水系统的建设:包括边沟开挖、砼排水沟、管道敷设等工序,确保路基有良好的排水功能。
五、公路路基的养护管理1. 定期巡检:对公路路基进行定期巡检,发现和及时修复路基表面的裂缝、坑洼和滑坡等问题。
2. 排水系统的维护:清理和疏通路基排水系统,保持良好的排水功能,防止积水和冲刷现象。
3. 路基侧坡的维护:定期检查和加固路基侧坡,避免坡面滑坡和塌方等安全隐患。
4. 防止超载和超速:严禁超载超速行驶,减轻对路基的荷载和破坏,延长路基的使用寿命。
铁路路基工程填料分类铁路路基设计手册(新修订)附录二路基填料分类第一节巨粒土、粗粒土填料分组巨粒土、粗粒土填料应根据颗粒组成、颗粒形状、细粒含量、颗粒级配、抗风化能力等,按附表2-1分为A、B、C、D组。
附表2-1 巨粒土、粗粒土填料分组续上表续上表注: 1.颗粒级配分为:良好(Cu ≥5,并且Cc=1~3)、不良(Cu<5,或Cc ≠1~3)。
1060d d u C =不均匀系数;6010302d d d c C ⨯=曲率系数;式中:d 10、d 30、d 60分别为颗粒级配曲线上相应于10%、30%、60%含量的粒径。
2. 硬块石的单轴饱和抗压强度Rc >30MPa,软块石的单轴抗压强度Rc ≤30Mpa 。
3. 细粒含量指细粒(d ≤0.075mm )的质量占总质量的百分数。
4.A 、B 组填料中,细粒土含量小于10%、渗透系数大于10-3cm/s 的巨粒土、粗粒土(细砂除外)为渗水土。
第二节 细粒土填料分组细粒土填料应按附表2-2分为粉土、黏性土和有机土。
粉土、黏性土应采用液限含水率ωL 进行填料分组:当ωL <40%时,为C 组;当ωL ≥40%时,为D 组。
有机土为E 组。
附表2-2 细粒土填料分组注:1.液限含水率试验采用圆锥仪法,圆锥仪总质量为76g,入土深度10mm。
2.A线方程中的ωL按去掉%符号后的数值进行计算。
第三节级配碎石、级配砂砾石级配碎石和级配砂砾石是由开山或天然块石、碎石、卵石、砂砾石经破碎、筛选后配制而成。
客货共线铁路基床表层级配碎石或级配砂砾石填料的粒径级配应分别符合附表2-3、附表2-4的规定,且0.5mm筛以下的细集料中通过0.075mm筛的颗粒含量应小于等于66% 。
附表2-3 级配碎石的粒径级配范围附表2-4 级配砂砾石的粒径级配范围注:用圆孔筛时,采用1~3号级配;用方孔筛时,采用2~3号级配。
级配碎石或级配砂砾石的质量应符合《铁路碎石道床底碴》(TB/T2897-1998)的有关规定:1. 在粒径大于16mm的粗颗粒中带有破碎面的颗粒所占的质量百分率不少于30%。
道路路基详细分类及施⼯要求路基:按断⾯型式分为:路堤、路堑、填挖结合路基、零填零挖路基四种;按材料分为:⼟路基、⽯路基、⼟⽯路基三种1、路堤:概念①路床:路⾯底⾯以下0.8m范围内的路基部分。
在结构上分为上路床(0~0.30m)及下路床(0.30~0.80m)两层。
②路堤:⾼于原地⾯的填⽅路基。
路堤在结构上分为上路堤和下路堤,上路堤指路⾯底⾯以下0.80~1.50m 范围内的填⽅部分;下路堤指上路堤以下的填⽅部分。
按填⼟⾼度分①矮路堤:H<1.0~1.5m②⼀般路堤:H=1.5~18m③⾼路堤:H>18~20m常⽤横断⾯形式a)矮路堤 b)⼀般路堤 c)浸⽔路堤 d)护脚路堤 e)挖沟填筑路堤2、路堑常见断⾯形式a)全挖路基 b)台⼝式路基 c)半⼭洞路基3、填挖结合常⽤断⾯形式:a)⼀般填挖路基 b)矮挡⼟墙路基 c)护肩路基 d)砌⽯护坡路基 e)砌⽯护墙路基 f)挡⼟墙⽀撑路基 g)半⼭桥路基路基施⼯程序(1)准备⼯作(2)修建⼩型构造物与埋设地下管线:⼩型构造物和地下管线是城市道路路基⼯程中必不可少的组成部分。
⼩型构造物可与路基(⼟⽅)同时进⾏,但地下管线必须遵循“先地下,后地上”、“先深后浅”的原则来完成。
修筑地表⽔和地下⽔排除设施,为后续⼟⽯⽅⼯程施⼯创造条件。
(3)路基(⼟、⽯⽅)⼯程(4)质量检查与验收路基施⼯要点1.路基施⼯测量1)恢复中线测量:恢复道路设计中线,对道路中线的各点进⾏复测,确认⽆误后进⼊施⼯测量。
2)钉线外边桩:由道路中⼼线测出道路宽度,在道路两侧边线外0.5—1.0m处,以5m、10m或15m为间距钉⽊(边)桩。
3)测标⾼:测出道路中⼼⾼程,标于边桩上(即“红印”),以供施⼯2.填⼟路基1)路基填⼟不得使⽤腐殖⼟、⽣活垃圾⼟、淤泥、冻⼟块或盐渍⼟。
填⼟内不得含有草、树根等杂物,粒径超过100mm的⼟块应打碎。
2)排除原地⾯积⽔,清除树根、杂草、淤泥等。
A组-优质填料。
包括硬块石,级配良好和细粒土含量小于15%的漂石土、卵石土、碎石土、圆砾土、角砾土、砾砂、粗砂、中砂。
B组-良好集料。
包括不易风化的软块石(胶结物为硅质或钙质),级配不良的漂石土、卵石土、碎石土、圆砾土、角砾土、砾砂、粗砂、中砂、细粒土含量在15%~30%的漂石土、卵石土、碎石土、圆砾土、角砾土和细砂、黏砂、砂粉土、砂黏土。
C组-一般填料。
包括易风化的软块石(胶结物为泥质),细粒土含量在30%以上的漂石土、卵石土、碎石土、圆砾土、角砾土和粉砂、粉土、黏粉土。
D组-不易使用的差质填料。
包括强风化及全风化的软块石、黏粉土和黏土。
E组-严禁使用的劣质填料。
包括有机土。
详见《铁路路基施工规范》附录B 填料分类、野外鉴别与室内试验。
细粒土填料分组(摘引至《铁路路基设计规范》TB10001-2005)
按去掉%符号后的数值进行计算。
2、A线方程中的W
L
巨粒土、粗粒土填料分组(摘引至《铁路路基设计规范》TB10001-2005)
巨粒土、粗粒土填料分组(摘引至《铁路路基设计规范》TB10001-2005)
巨粒土、粗粒土填料分组(摘引至《铁路路基设计规范》TB10001-2005)
C601030106010
d
30、d
60
分别为颗粒级配曲线上相应于10%、30%及60%含量的粒径。
2、硬石块的单轴饱和抗压强度Rc>30Mpa;软块石的单轴饱和抗压强度Rc≤30Mpa。
3、细粒含量指细粒(d≤0.075mm)的质量占总质量的百分数。
铁路路基施工规范P18
在每一区段的填筑过程中,应按下列范围、频次和取样要求,对细粒土采用压实系数或地基系数、粗粒土采用相对密度或地基系数进行分段检测。
1、压实系数与相对密度
基床及基床以下部分每层检测一次;在长度不大于100m范围内检测不少于6点;
检测点应包括填层中部2点,距填层两侧边缘0.5~1.0m各2点.用环刀法检测时应在压实层下2/3处取样.
每个检测点应做两次平行密度测定,两次相差不大于0.02g/cm3时,取其平均值.
2、地基系数
基床及基床以下部分每层检测一次;在长度不大于100m范围内检测不少于2点。
检测点应包括填层中部一点,距填层边缘2m处一点。
按左、中、右大致均匀分布。
路基填筑施工一、填料选择1、《铁路路基设计规范》TB10001-2005中要求1.1、普通填料按颗粒粒径大小可分为三大类别:巨粒土、粗粒土和细粒土。
巨粒土、粗粒土填料应根据颗粒组成、颗粒形状、细粒含量、颗粒级配、抗风化能力等分为A、B、C、D组。
填料分组见“附表1”填料根据土质类型和渗水性可分为渗水土、非渗水土。
A、B组填料中,细粒土含量小于10%、渗水系数大于10-3cm/s的巨粒土、粗粒土(细砂除外)为渗水土,其余为非渗水土。
1.2、我项目部填料选择定名按照“巨粒土、粗粒土填料分组表”根据粒径分组,由大到小,以最先符合者确定进行一级定名,再根据细粒含量进行二级定名。
对选定填料进行以下分组:①块石土B组料:对粒径大于200mm颗粒的质量超过总质量的50%(包括易风化,尖棱状为主)的弱风化软块石定名为块石土;再对单轴饱和抗压强度Rc≤15MPa的不易风化的软块石定名为B组;②软块石土C组料:对粒径大于200mm颗粒的质量超过总质量的50%(包括易风化,尖棱状为主)的强风化软块石定名为块石土;再对易风化的软块石定名为C组;③碎石土B组料:对粒径大于60mm颗粒的质量超过总质量的50%(尖棱状为主)的定名为块石土;再对细粒含量在15%~30%的土质碎石定名为B组;④碎石土C组料:对粒径大于60mm颗粒的质量超过总质量的50%(尖棱状为主)的定名为块石土;再对细粒含量大于30%的土质碎石定名为C组;⑤粗角砾土B组料:对粒径大于20mm颗粒的质量超过总质量的50%(尖棱状为主)的定名为块石土;再对细粒含量在15%~30%的土质粗角砾定名为B组;⑥粗角砾土C组料:对粒径大于20mm颗粒的质量超过总质量的50%(尖棱状为主)的定名为块石土;再对细粒含量大于30%的土质粗角砾定名为C组;2、兰渝路施专-01-2/3、兰渝路施专-03-1~2/8的相关要求2.1、基床以下路堤填料及压实标准⑴路堤基床以下部分填料,宜选用A、B组、C组填料,不宜采用粉砂、细砂作填料。
路基填筑施工一、填料选择1、《铁路路基设计规范》TB10001-2005中要求1.1、普通填料按颗粒粒径大小可分为三大类别:巨粒土、粗粒土和细粒土。
巨粒土、粗粒土填料应根据颗粒组成、颗粒形状、细粒含量、颗粒级配、抗风化能力等分为A、B、C、D组。
填料分组见“附表1”填料根据土质类型和渗水性可分为渗水土、非渗水土。
A、B组填料中,细粒土含量小于10%、渗水系数大于10-3cm/s的巨粒土、粗粒土(细砂除外)为渗水土,其余为非渗水土。
1.2、我项目部填料选择定名按照“巨粒土、粗粒土填料分组表”根据粒径分组,由大到小,以最先符合者确定进行一级定名,再根据细粒含量进行二级定名。
对选定填料进行以下分组:①块石土B组料:对粒径大于200mm颗粒的质量超过总质量的50%(包括易风化,尖棱状为主)的弱风化软块石定名为块石土;再对单轴饱和抗压强度Rc≤15MPa的不易风化的软块石定名为B组;②软块石土C组料:对粒径大于200mm颗粒的质量超过总质量的50%(包括易风化,尖棱状为主)的强风化软块石定名为块石土;再对易风化的软块石定名为C组;③碎石土B组料:对粒径大于60mm颗粒的质量超过总质量的50%(尖棱状为主)的定名为块石土;再对细粒含量在15%~30%的土质碎石定名为B组;④碎石土C组料:对粒径大于60mm颗粒的质量超过总质量的50%(尖棱状为主)的定名为块石土;再对细粒含量大于30%的土质碎石定名为C组;⑤粗角砾土B组料:对粒径大于20mm颗粒的质量超过总质量的50%(尖棱状为主)的定名为块石土;再对细粒含量在15%~30%的土质粗角砾定名为B组;⑥粗角砾土C组料:对粒径大于20mm颗粒的质量超过总质量的50%(尖棱状为主)的定名为块石土;再对细粒含量大于30%的土质粗角砾定名为C组;2、兰渝路施专-01-2/3、兰渝路施专-03-1~2/8的相关要求2.1、基床以下路堤填料及压实标准⑴路堤基床以下部分填料,宜选用A、B组、C组填料,不宜采用粉砂、细砂作填料。
路基调料分组
一、一般土作为路基调料时,可按土颗粒的粒径大小分为巨粒土、粗粒土和细粒土。
二、巨粒土、粗粒土填料应根据颗粒组成、颗粒形状、细粒含量、颗粒级配、抗风化能力等,按表B.0.2进行分组。
注:1 颗粒级配分为良好(C u≥5,且Cc=1~3)和不良(C u<5,或Cc≠1~3)
式中:不均匀系数Cu=d60/d10;曲率系数Cc=d230/(d10×d60)。
d10、d30、d60分别为颗粒级配曲线上相应于总质量10%、30%、60%含量颗粒的粒径。
2 硬块石为单轴饱和抗压强度Rc>30Mpa的块石;软块石为单轴饱和抗压强度Rc≤30Mpa的块石。
3 细粒含量指黏粒(d≤0.075mm)的质量占总质量的百分数。
率w L,按表B.0.3进行分组.。
路基填料总结引言路基填料是用于道路建设中的一种主要材料,它承担着支撑路面和分散荷载的重要作用。
合理选择和使用路基填料对保障道路工程的质量和安全至关重要。
本文将对路基填料进行总结和分析,从填料的分类、特性、选择和使用等方面进行介绍和讨论。
填料分类路基填料可根据其原料的不同进行分类。
根据原料的来源,常见的填料可分为天然填料和人工填料两大类。
天然填料主要包括石料、沙土等。
人工填料主要包括再生混凝土、矿渣等。
填料特性物理特性路基填料的物理特性是衡量其适用性的重要指标。
常见的物理特性包括颗粒级配、含水量、密实度等。
颗粒级配反映了填料的颗粒分布情况,影响着填料的排水性和抗剪强度。
含水量则直接影响填料的力学性质和稳定性。
密实度是衡量填料固结程度和稠度的指标。
力学特性填料的力学特性直接关系到路基工程的稳定性和承载力。
常见的力学特性包括抗剪强度、压缩模量等。
抗剪强度是填料抵抗剪切破坏的能力,其大小决定了路基的稳定性。
压缩模量反映了填料在受到压力时的变形特性,对路基的变形和沉降特性有着重要影响。
工程特性填料的工程特性是指填料在道路工程中的应用性能。
常见的工程特性包括易处理性、抗冻性等。
易处理性是指填料在施工过程中的加工性和可塑性。
抗冻性是填料抵抗低温冻胀破坏的能力,对寒冷地区的道路工程尤为重要。
填料选择与使用合理选择和使用路基填料是保证道路工程质量的关键。
在填料选择时需要考虑填料的物理特性、力学特性和工程特性,以及工程的具体要求和环境条件。
合适的填料能够增强路基的稳定性、减少沉降和变形,提高道路的承载力和使用寿命。
填料的使用也需要遵循相关规范和标准,确保施工质量和工程安全。
填料的铺设和压实应按照规范要求进行,确保填料能够达到预期的力学性能和工程要求。
同时,填料的维护和管理也是保证道路使用寿命的重要环节,及时进行养护和修复能够延长道路的使用寿命,减少维修成本。
结论路基填料在道路工程中起着重要作用,合理选择和使用填料对保障道路工程的质量和安全至关重要。
第四部分路基填料分类和分组一、为什么要进行土的工程分类土在工程建设中的作用:建筑物地基,构筑物填料。
前者是保持天然结构状态的土,后者是经由人工扰动或配制的土。
对不同工程用途的土,选取影响显著的指标,按其差异划分成类或组,给予合适的定名,可从土类和土名中初步了解其主要的工程特性。
当用作地基土时,可结合其它指标确定地基土的承载力,初步估计建筑物的沉降;当用于路基填料时,可初步评估填料的压实强度、透水性和稳定性,合理地选择施工方案。
二、由于历史和专业的原因,我国铁路系统长期存在两种“土的工程分类”,即:——铁路路基设计规范中的“填料分类”——铁路工程地质技术规范中的“岩土分类”两种分类方法服务于不同的工程目的,针对的是两种不同状态的土。
1、“铁路工程岩土分类”的服务对象主要是自然界中保持天然结构状态的地基土,它的土性决定于土的地质成因、矿物成分、粒径组成和水的含量,将它们按一定的规律划分成类或组,其主要目的是确定地基土的承载力,初步估算构筑物的沉降,如:①用孔隙比和含水量等指标确定地基承载力;②用含水量确定淤泥质土地基承载力;③进行相关原位试验确定地基承载力。
2、“铁路路基工程填料分类”是针对天然结构已被破坏的扰动土,将其按粒径组成、按细粒含量和级配情况等划分成类和组,用以估算填料压实后的强度、可压实性和渗透性、冻胀性等。
三、填料分组“填料分类”定名后,即可根据填料的工程性质和适用性进行“填料分组”。
以填料的剪切强度、可压实性、压缩性、对气候环境的敏感性等为依据,将填料分为A、B、C、D、E共五组。
A组——优质填料:级配良好的碎石、含土碎石,级配良好的粗圆砾、粗角砾、细圆砾、细角砾,级配良好的含土粗圆砾、含土粗角砾、含土细圆砾、含土细角砾,级配良好的砾砂、粗砂、中砂、,含土砾砂、含土粗砂、含土中砂、含土细砂。
B组——良好填料:级配不好的碎石、含土碎石,细粒含量15%~30%的土质碎石,级配不好的粗圆砾、粗角砾、细圆砾、细角砾,级配不好的含土粗圆砾、含土粗角砾、含土细圆砾、含土细角砾,细粒含量15%~30%的土质粗圆砾、土质粗角砾、土质细圆砾、土质细角砾,级配良好的细砂,级配不好的砾砂、粗砂、中砂,细粒含量大于15%的含土砾砂、含土粗砂、含土中砂。
路基填筑规范路基填筑规范是指在道路建设过程中,对路基填筑工程所进行的规范性要求。
下面是路基填筑规范的相关内容。
一、路基填筑的种类路基填筑分为主填、夯筑、辅填等三种类型。
主填是指在原有路基上以填筑料为主体进行填筑的一种填筑工程;夯筑是指在原有路基上同时采取夯实和填筑的一种填筑工程;辅填是指在原有路基上用辅填料进行填筑的一种填筑工程。
二、填筑料的选择填筑料要满足下面的要求:1.填筑料的颗粒应均匀,不得含有大块状或粉状物质;2.填筑料的粒径应符合规定的要求,不得超过最大粒径;3.填筑料的含水量应符合规定的要求,不得超过最大允许含水量;4.填筑料的质量应符合规定的要求。
三、填筑层的厚度填筑层的厚度应该根据具体的工程条件来确定,一般来说,填筑层的厚度应该保证填筑后的路基能够满足设计要求,并且能够满足使用寿命的要求。
四、填筑层的夯实填筑层的夯实应该严格按照规定的方法和要求进行,主要包括下面的几个方面:1.填筑料的均匀性夯实;2.填筑料的密实夯实;3.填筑料的强度夯实。
五、填筑层的辅填填筑层的辅填是指在填筑层上进行的补充填筑工程,主要是为了修复填筑层的不均匀或不完整的地方,以及为了提高填筑层的整体强度。
六、填筑层的检测与验收填筑层在施工完成后,应该对其进行检测和验收,主要内容包括下面的几个方面:1.填筑层的面积和厚度的测量;2.填筑层的密实度和强度的检测;3.填筑层的平整度和质量的检查;4.填筑层的辅填情况的检查。
七、填筑层的保护与维护填筑层在完成后,应该加强对其的保护与维护,主要包括下面的几个方面:1.填筑层的防护措施;2.填筑层的日常维护;3.填筑层上的车辆与行人通行的管理。
综上所述,路基填筑规范是为了保证道路建设的质量和安全性而制定的一系列规定和要求。
对于路基填筑工程来说,规范的执行对于保证道路的使用寿命和使用性能非常重要,因此,在进行道路建设时,应该严格按照规范来进行填筑工程的施工。
5填料5.1 一般规定5.1.1 路基填料应通过地质调绘和足够的勘探、试验工作,查明其性质和分布,并开展填料设计工作。
5.1.2 填料设计的内容应包括:填料的来源选择、分布、运距、土石特性、名称、分组、改良措施、施工工艺、无侧限抗压强度、压实标准及检测要求等,取料场的生态恢复。
5.2 普通填料5.2.1路基普通填料按颗粒粒径大小分为三大类别:巨粒土、粗粒土和细粒土。
5.2.2巨粒土、粗粒土填料应根据颗粒组成、颗粒形状、细粒含量、颗粒级配、抗风化能力等,按表5.2.2分为A、B、C、D组。
注: 1 颗粒级配分为:良好(C u ≥5,并且C c =1~3),不良(C u <5,或C c ≠1~3)。
式中:不均匀系数1060d d C u =;曲率系数6010302d d d C c ⨯=;d 10、d 30、d 60分别为颗粒级配曲线上相应于10%、30%、60%含量的粒径。
2 硬块石的单轴饱和抗压强度Rc >30MPa,软块石的单轴抗压强度Rc ≤30Mpa 。
3 细粒含量指细粒(d ≤0.075mm )的质量占总质量的百分数。
5.2.3 细粒土填料应按表5.2.3分为粉土类、黏土类和有机土。
粉土类、黏土类应采用液限含水量ωL 进行填料分组:当ωL <40%时,为C 组;当ωL ≥40%时,为D 组;有机质土为E 组。
注:1 液限含水率试验采用圆锥仪法,圆锥仪总质量为76g ,入土深度10mm 。
2A 线方程中的w L 按去掉%后的数值进行计算。
5.2.4 填料根据土质类型和渗水性可分为渗水土、非渗水土。
A 、B 组填料中,细粒土含量小于10%、渗透系数大于10-3cm/s 的巨粒土、粗粒土(细砂除外)为渗水土,其余为非渗水土。
5.3级配碎石、级配砂砾石5.3.1级配碎石或级配砂砾石填料的粒径级配应分别符合表5.3.1-1、表5.3.1-2的规定,且0.5mm筛以下的细集料中通过0.075mm筛的颗粒含量应小于等于66% 。
路基时A、B组填料是什么
A组为优质填料;B组为良好填料
A组填料:岩块和粗粒土其中岩块又分:块石类和碎石类粗粒土分砂类和砾石类。
块石类下的硬块石、漂石土,碎石类的卵石土、碎石土,砾石类的圆砾土、角砾土,
砂类的砾砂、粗纱、中砂,这些土均可作为A、B组填料.
A B组填料的区别在与细粒土的含量,细粒土小于15%为A组15%~30%之间为B组,大于30%为C 组
改良土:通过在土中掺入砂、砾石、碎石或石灰、水泥、粉煤灰等物理或化学材料以改善其工程特性的混合料。
客运专线路基用A\B组填料的定义及特性?
A组料是指适应于填筑的土,B组料是指粒径不大于7.5mm的卵石或碎石,按一定比例搀和而成的路基填筑材料。
一般比例为:土60%:石40%,要求级配良好,含水量适中(具体根据标准击实试验确定)。
A/B组料分为天然和场拌两种,天然料含水量较难控制,典型的靠天施工;场拌料含水量可以自由控制,缺点是成本较高。
施工单位可根据料源的运距、合同工期合理选择。
铁路路基A组填料是什么?
A组-优质填料。
包括硬块石,级配良好和细粒土含量小于15%的漂石土、卵石土、碎石土、圆砾土、角砾土、砾砂、粗砂、中砂。
B组-良好集料。
包括不易风化的软块石(胶结物为硅质或钙质),级配不良的漂石土、卵石土、碎石土、圆砾土、角砾土、砾砂、粗砂、中砂、细粒土含量在15%~30%的漂石土、卵石土、碎石土、圆砾土、角砾土和细砂、黏砂、砂粉土、砂黏土。
扩展知识点:填方路基由路床和路堤两部分组成,路床由上路床和下路床组成,路堤由上路堤和下路堤组成。
轻交通、中交通和重交通:上路床是路面结构层底往下30cm范围,上路床的厚度为30cm ;下路床是上路床底往下50cm范围,下路床厚度为50cm ;上路堤是下路床底往下70cm范围,上路堤厚度为70cm ;下路堤是上路堤底往下均为下路堤,下路堤没有规定的厚度。
特重和极重交通:只下路床厚度有区别,下路床厚度为90cm o零填和挖方路基有路床,没有路堤。
土的分类和土颗粒粒径关系:粒径小于0.005mm的是黏质土,属于细粒料;粒径在0.005- 0.075mm 之间的粉质土属于细粒料;粒径在0.075-2mm之间的砂属于粗粒料;粒径在2- 60mm之间的砾属于粗粒料;粒径在60-200mm之间的卵石属于巨粒料;粒径在200mm以上的漂石属于巨粒料。
填石路堤:粒径大于40mm且含量超过总质量的70%的石料填筑而成。
土石路堤:石料的含量超过总质量30% ~ 70%的土石混合材料填筑而成。
填土路堤:石料的含量少于30%的填料填筑而成。
硬质岩石的代表有:花岗岩、闪长岩、玄武岩等岩浆岩类。
中硬岩石的代表有:硅质、铁质胶结的砾岩及砂岩、石灰岩、白云岩等沉积岩类;片麻岩、石英岩、大理岩、板岩、片岩等变质岩类。
软质岩石的代表有:凝灰岩、泥砾岩、泥质砂岩、泥岩、云母片岩、千枚岩等。
填方路基施工-路基填料路床和浸水部分的路堤。
路堤填料最小承载比和最大粒径的要求填料应用部位(路面底面以下深度)(m)填料最小承载比CBR (%)填料最大粒 径(mm)高速、一 级公路 二级 公路 三、四级公路 填方 路基上路床0-0.3 8 6 5100 下路 床 轻、中、重交通 0.3 ~ 0.8 5 4 3 100 特重、极重交通 0.3 ~ 1.2 上路 堤 轻、中、重交通 0.8 ~ 1.5 4 3 3 150 特重、极重交通 1.2 ~ 1.9 下路 堤 轻、中、重交通 >1.5 3 2 2 150 特重、极重交通>1.9 零 填、 挖方 路基上路床 0-0.3 865100下路床 轻、中、重交通0.3 ~ 0.8 543100特重、极重交通0.3 ~ 1.2说明:不管是填土路堤、填石路堤还是土石路堤的路床填料最大粒径均为100mm 。
第四部分路基填料分类和分组
一、为什么要进行土的工程分类
土在工程建设中的作用:建筑物地基,构筑物填料。
前者是保持天然结构状态的土,后者是经由人工扰动或配制的土。
对不同工程用途的土,选取影响显著的指标,按其差异划分成类或组,给予合适的定名,可从土类和土名中初步了解其主要的工程特性。
当用作地基土时,可结合其它指标确定地基土的承载力,初步估计建筑物的沉降;
当用于路基填料时,可初步评估填料的压实强度、透水性和稳定性,合理地选择施工方案。
二、由于历史和专业的原因,我国铁路系统长期存在两种“土的工程分类”,即:
——铁路路基设计规范中的“填料分类”
——铁路工程地质技术规范中的“岩土分类”
两种分类方法服务于不同的工程目的,针对的是两种不同状态的土。
1、“铁路工程岩土分类”的服务对象主要是自然界中保持天然结构状态的地基土,它的土性决定于土的地质成因、矿物成分、粒径组成和水的含量,将它们按一定的规律划分成类或组,其主要目的是确定地基土的承载力,初步估算构筑物的沉降,如:
①用孔隙比和含水量等指标确定地基承载力;
②用含水量确定淤泥质土地基承载力;
③进行相关原位试验确定地基承载力。
2、“铁路路基工程填料分类”是针对天然结构已被破坏的扰动土,将其按粒径组成、按细粒含量和级配情况等划分成类和组,用以估算填料压实后的强度、可压实性和渗透性、冻胀性等。
三、填料分组
“填料分类”定名后,即可根据填料的工程性质和适用性进行“填料分组”。
以填料的剪切强度、可压实性、压缩性、对气候环境的敏感性等为依据,将填料分为A、B、C、D、E共五组。
A组——优质填料:级配良好的碎石、含土碎石,级配良好的粗圆砾、粗角砾、细圆砾、细角砾,级配良好的含土粗圆砾、含土粗角砾、含土细圆砾、含土细角砾,级配良好的砾砂、粗砂、中砂、,含土砾砂、含土粗砂、含土中砂、含土细砂。
B组——良好填料:级配不好的碎石、含土碎石,细粒含量15%~30%的土质碎石,级配不好的粗圆砾、粗角砾、细圆砾、细角砾,级配不好的含土粗圆砾、含土粗角砾、含土细圆砾、含土细角砾,细粒含量15%~30%的土质粗圆砾、土质粗角砾、土质细圆砾、土质细角砾,级配良好的细砂,级配不好的砾砂、粗砂、中砂,细粒含量大于15%的含土砾砂、含土粗砂、含土中砂。
C组——一般填料:细粒含量大于30%的土质碎石,级配不好的细砂,含土细砂,粉砂,低液限粉土、粉质粘土、粘土。
D组——不宜使用的差质填料:高液限粉土、粉质粘土、粘土
E组——严禁使用的劣质填料:如有机土。
四、不同类型填料的工程性质
1、坚硬的石块,如花岗岩、石灰岩、石英岩等岩石块体,具较最高的抗
压强度和抗剪强度,作为填料,浸水后强度不变,耐风化、抗冻、抗磨,为最佳的路堤填料。
适用于各种气候条件下的路堤,最适宜浸水路堤。
在施工时,不应乱堆乱填,否则石块间的孔隙过大,可能引起沉落变性。
A、B类填料路基边缘和边坡的散落问题,以及压实控制问题、坡面防护问题。
2、中砂、粗砂、砾石土、碎石土、卵石土,这些土体无粘聚力或粘聚力很小,其抗剪强度以内摩擦角为主,这类砂石土体颗粒之间的摩擦系数大,压缩性小,透水性大,强度不受含水量影响,是很好的填料,适用于浸水路堤。
这类土体中如果粘性土含量较小(≤15%),因颗粒之间无粘聚力,施工时在边坡表面容易散落,因此应该分层填筑。
A、B类填料路基边缘和边坡的散落问题,以及压实控制问题,坡面防护问题。
3、粘土:土体抗剪强度以粘聚力为主,内摩擦角较小。
土体浸水后,强度将大大降低。
当粘土的塑性指数小于25时,仍可以用作填料。
当塑性指数再大时,浸水后土体膨胀,干燥时龟裂,且冬季冻胀剧烈,雨季容易翻浆冒泥,因而不易用作填料。
如果,不得不用时,只能用于路堤内部,周围用其它较好的填料包起来。
4、一般粘性土:包括粘砂土和砂粘土,其抗剪强度由内摩擦角和粘聚力组成,强度的大小主要取决于土体密实程度和含水量,密实程度越高,强度越大;土体浸水后,其抗剪强度显著降低,粘土颗粒含量越多,强度降低越显著。
这类土体分布广泛,是常用的路堤填料之一。
按规定夯填压密后,得到足够的强度和稳定性,是较好的路堤填料。
施工时宜在最佳含水量的条件下进行压实。
5、粉砂、细纱:这类土的抗剪强度较低,稳定性差。
干燥时容易被风蚀流散,遇到水时容易液化,是较差的填料之一。
若不得不用时,应该放缓边坡,
并应该采取相应的边坡防护。
由于这类土体容易发生振动液化,故不易用作浸水路堤。
6、易风化软岩:这类填料在未风化之前强度相对较大,所以在施工时不易被压实,石块间孔隙大。
运营后,随着时间的推移,岩石不断被风化,特别是遇水后,产生崩解,强度显著降低,稳定性较差,使路堤产生较大的沉陷,因而易风化软岩是稳定性较差的填料。
7、其它填料:如各种矿碴,当其强度较大,并有良好的透水性时,也是较好的填料。
淤泥、淤泥质土、白垩及滑石类土等都是容易吸水,稳定性差的土,因此,一般都不作为填料。
带草皮的表层土体因不易压实,草皮易腐烂,一般也不用作填料。
特殊土类型填料,如膨胀土的胀缩性、黄土的湿陷性、冻土的冻胀融沉、盐渍土的膨胀与腐蚀等,应该注意其特殊性,予以考虑减小或消除特殊性质对路基稳定性的影响。
五、路基监测的方法
近二十几年,尤其是近十年来我国铁路路基压实与压实标准发展变化有以下主要技术特点:
1、在检测指标方面,由单指标控制向多指标(双指标、三指标、四指标)控制变化,由单一的压密检测指标向同时检测压密、抗力指标发展,由静态指标检测向同时检测静动态指标发展。
(K或n、K30、Evd、Ev2 )
2、在压实标准方面,压实系数由轻型击实试验标准向重型击实试验标准
变化,压实质量检测值由低标准向高标准变化,压实标准随线路等级而逐渐提高,地基系数K30控制值随填料类型变化,碎砾石土的检测由现场鉴定法的定性检测变为抗力检测法的定量检测。
(对块石类土仍采用现场鉴定法的定性检测)
3、在技术思想方面,由物理性质检测向物理力学性质检测变化,由静态性质检测向动态性质检测发展;通过提高填料和压实标准来实现路基质量提高(尤其是路堤浸水、桥涵缺口及过渡段部位的填筑);粗粒土不具击实特性,不能获得压实系数,用体积比指标表述密实程度;粗粒土的压实密度检测由控制填料的相对密度转而控制填料的孔隙率。
4、最新发展
规范体系调整(减少层次——2级);
检测指标减少(双指标);
物理指标——压实系数
抗力指标——K30或Ev2(Ev2 / Ev1)
辅助指标——Evd
对高速铁路更严格控制填料粒径(≤45、60、75mm);
5、各项指标的使用情况。