辽宁土建资料归档表格DB21 1234
- 格式:doc
- 大小:73.47 KB
- 文档页数:8
附录C:向城建档案管报送的施工文件和组卷表、相关表格及编制说明C.1 施工文件内容和组卷表C.2 施工文件表格及编制说明C1施工技术管理文件C1-3 图纸会审记录一、图纸会审的主要内容一般应包括:1、是否齐全,引用标准图号是否明确,重要结构、防火、防毒、防雷、抗震设施等是否符合国家现行规范、标准要求。
2、地基基础的设计是否符合该工程地质勘察报告结论要求。
3、对照施工图建设(监理)单位、设计单位、施工单位、监理单位协商施工条件。
4、解决图纸中存在的土建、水、电、通风、空调、设备安装中各类管道敷设过程中出现的矛盾。
5、对在图纸中发现的尺寸、坐标、标高、说明、索引等错误,加以更正。
二、图纸会审记录由组织单位进行临时记录,当形成协议后,形成正式会审记录。
记录中应填写工程名称、设计单位、建设单位、施工单位名称。
会审内容应按土、水、电顺序分别整理,并按下列要求填写:1、的问题,凡需经设计单位出设计变更通知单或会审确定下来的解决意见,均需在结论意见栏内填写清楚,并由设计单位发设计变更通知单。
2、加会审的设计、建设、监理、施工单位负责人必须在会审记录上签字并盖公章。
归档编号:C1-3 图纸会审记录C1-4设计交底记录一、设计交底的主要内容1、展示出施工图审查批准书;2、建筑物合理使用年限;3、采用的工程勘察成果报告,4、消防、节能、环保、抗震、卫生、人防、智能等方面主要专业的设计意图;5、施工应注意的技术问题;6、结构部位、节点构造施工中应注意的问题;7、采用的新技术、新工艺、新设备、新材料的依据和可行性以及施工注意事项。
二、设计交底记录的填写1、由组织单位进行临时记录,,有关各方提出相关问题解答后,形成条理事项,即可打印成正式记录;2、接受交底各方代表签字;3、记录可连续多页,总页数应写在第一页上。
归档编号:C1-4 设计交底记录年月日第页(共页)C1-5设计变更通知单汇总目录为了保证设计变更的完整性,更便于查找和统计,在工程交工时应填写设计变更通知单汇总目录,并应符合下列要求:1、通知单编号:是设计单位向施工单位发出设计变更通知单时的编号,如果没有编号时,由档案员在编制档案时统一编写;2、概括内容:是指变更的内容摘要,如果有多项变更时,可指其中主要一项;3、发送人:提出通知单位制稿人;4、接受人:指负责处理该项任务的人;5、实施情况:指该项变更任务的完成情况,归档编号:C1-5-1 设计变更通知单汇总目录共页(第页)C1-5-2设计变更通知单1、设计变更通知单是竣工图编制的依据之一,是建设、施工双方竣工结算的依据,其文字记录应清楚,时间要准确,责任人签署意见应简单明确。
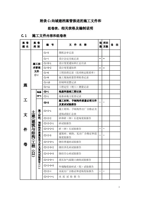
案卷类别序号编号归案文件名称档案馆建设施工施工技术管理文件C1 3 C1-3 图纸会审√长期长期4 C1-4 设计交底记录√长期长期5 C1-5-1 设计变更通知单汇总目录√永久长期6 C1-5-2 设计变更通知单√永久长期7 C1-6 工程洽商记录(技术核定联系单)√永久长期9 C1-8 施工日志长期10 C1-9 施工现场质量管理检查记录√长期长期11 C1-10 控制网设置记录√长期长期12 C1-11 工程定位(竣工)测量记录√长期长期土建(建筑与结构)工程C2地基和基础C2-1○1C2-1 地基承载力复查记录√永久长期施工材料、预制构件出厂合格证及进场试验汇总表C2-2○1C2-2-1 施工材料、预制构件出厂合格证及进场试验汇总表√长期长期○2C2-2-2 砂、石出厂证明文件及进场复试报告√长期长期○3C2-2-3 建筑砖、砌块、瓦出厂合格证和进场复试报告√长期长期○4C2-2-4 水泥出厂合格证和进场复试报告√长期长期○5C2-2-5 钢材、焊接材料出厂合格证进场复验报告√长期长期○6C2-2-6 防水材料产品合格证和进场抽样复试报告√长期长期○7C2-2-7 隔热、保温材料产品合格证和进场抽样复试报告√长期长期○8C2-2-8 预制构件出厂合格证√长期长期施工实验记录C2-3○1C2-3-1 施工试验记录汇总表√长期长期○2C2-3-2 土壤(素土、灰土)击实及干土质量密度试验报告√长期长期○3C2-3-3砂浆抗压强度试验报告、配合比通知单及砂浆抗压强度统计评定记录√长期长期○4C2-3-4混凝土抗压强度试验报告、配合比通知单及混凝土试件抗压强度统计评定记录√长期长期○5C2-3-5 钢筋接头试验报告√长期长期○6C2-3-6 金属及塑料外门窗物理性能试验报告√长期长期○7C2-3-7 饰面砖粘结强度试验报告√长期长期○8C2-3-8-1 建筑幕墙物理性能试验报告√长期长期○9C2-3-8-2 锚固螺栓锚固力试验报告√长期长期○10C2-3-8-3 建筑用硅酮结构密封胶试验报告√长期长期工程检测报告C2-44 C2-4 工程检测报告√长期长期施工记录C2-5○1C2-5-1 隐蔽工程记录√长期长期○2C2-5-2 屋面、楼面蓄水淋水检验记录√长期长期○3C2-5-3 烟(风)道工程检查记录√长期长期○4C2-5-4 沉降观测记录√长期长期○5C2-5-5 结构吊装工程检查验收记录√长期长期质量事故C2-6○1C2-6-1 工程质量事故报告表√永久永久○2C2-6-2 工程质量事故处理记录√永久永久工程质量验收C2-7○1C2-7-1 检验批质量验收记录长期长期○2C2-7-2 分项工程质量验收记录长期长期○3C2-7-3 分部(子分部)工程验收记录√长期长期○4C2-7-4 质量控制资料√长期长期○5C2-7-5 安全和功能检验(检测)报告√长期长期○6C2-7-6 观感质量验收√长期长期单位(子单位)工程质量竣工验收记录表G.0.1-1工程名称结构类型层数/建筑面积施工单位技术负责人开工日期项目经理项目技术负责人竣工日期序号项目验收记录验收结论1 分部工程共分部,经查分部(地基与基础、混凝土工程、砌体工程、屋面工程、装饰装修工程、电梯工程、电气工程、水暖工程)符合标准及设计要求分部2 质量控制资料核查共项,经审查符合要求项,经核查定符合规范要求项3 安全和主要使用功能核查及抽查结果共核查项,符合要求项,共抽查项,符合要求项,经返工处理符合要求项4 观感质量验收共抽查项,符合要求项,不符合要求项5 综合验收结论参加验收单位建设单位监理单位施工单位设计单位(公章)单位(项目)负责人200 年月日(公章)总监理工程师200 年月日(公章)单位负责人200 年月日(公章)单位(项目)负责人200 年月日单位(子单位)工程质量控制资料核查记录表G.0.1-2工程名称施工单位序号项目资料名称份数核查意见核查人1建筑与结构图纸会审、设计变更、洽商记录齐全有效、符合要求2 工程定位测量、放线记录齐全有效、符合要求3 原材料出厂合格证书及进场检(试)验报告齐全有效、符合要求4 施工试验报告及见证检测报告齐全有效、符合要求5 隐蔽工程验收记录齐全有效、符合要求6 施工记录齐全有效、符合要求7 预制构件、预制混凝土合格证齐全有效、符合要求8 地基基础、主体结构检验及抽样资料齐全有效、符合要求9 分项、分部工程质量验收记录齐全有效、符合要求10 工程质量事故及事故调查处理资料11 新材料、新工艺施工记录1给排水采暖与燃气图纸会审、设计变更、洽商记录 1 齐全有效、符合要求2 材料、配件、设备出厂合格证及进场检(试)报告18 齐全有效、符合要求3 管道、设备强度试验、严密性试验记录14 齐全有效、符合要求4 隐蔽工程验收记录24 齐全有效、符合要求5 系统清洗、灌水、通水、通球试验记录25 齐全有效、符合要求6 施工记录7 分项、分部工程质量验收记录 1 齐全有效、符合要求81建筑电气图纸会审、设计变更、洽商记录齐全有效、符合要求2 材料、设备出厂合格证及进场检(试)验报告齐全有效、符合要求3 设备调试记录齐全有效、符合要求4 接地、绝缘电阻测试记录齐全有效、符合要求5 隐蔽工程验收记录齐全有效、符合要求6 施工记录齐全有效、符合要求7 分项、分部工程质量验收记录齐全有效、符合要求8工程名称施工单位序号项目资料名称份数核查意见核查人1通风与空调图纸会审、设计变更、洽商记录齐全有效、符合要求2 原材料出厂合格证及进场检(试)验报告齐全有效、符合要求3 制冷、空调、水管道强度试验,严密性试验记录齐全有效、符合要求4 隐蔽工程验收记录齐全有效、符合要求5 制冷设备运行调试记录齐全有效、符合要求6 通风、空调系统调试记录齐全有效、符合要求7 施工记录齐全有效、符合要求8 分项、分部工程质量验收记录齐全有效、符合要求91电梯土建布置图纸会审、设计变更、洽商记录齐全有效、符合要求2 设备出厂合格证及开箱检验记录齐全有效、符合要求3 隐蔽工程验收记录齐全有效、符合要求4 施工记录齐全有效、符合要求5 接地、绝缘电阻测试记录齐全有效、符合要求6 负荷试验、安全装置检查记录齐全有效、符合要求7 分项、分部工程质量验收记录齐全有效、符合要求8建筑智能化图纸会审、设计变更、洽商记录、竣工图及设计说明齐全有效、符合要求材料、设备出厂合格证、技术文件及进场检(试)验报告齐全有效、符合要求隐蔽工程验收记录齐全有效、符合要求系统功能测定及设备调试记录齐全有效、符合要求系统技术、操作和维护手册齐全有效、符合要求系统管理、操作人员培训记录齐全有效、符合要求系统检测报告齐全有效、符合要求分项、分部工程质量验收记录齐全有效、符合要求结论:总监理工程师:施工单位项目经理:(建设单位项目负责人)年月日年月日DB21/1234-2003单位(子单位)工程安全和功能检验工程名称施工单位序号项目安全和功能检查项目份数核查意见抽查结果核查人1建筑与结构屋面淋水试验记录2 地下室防水效果检查记录3 有防水要求的地面蓄水试验记录4 建筑物垂直度、标高、全高测量记录5 抽气(风)道检查记录6 幕墙及外窗气密性、水密性、耐风压检测报告7 建筑物沉降观测测量记录8 节能、保温测试记录9 室内环境检测报告1 给排水、采暖与燃气给排水管道通水试验记录8合格2 暖气管道、散热器压力试验记录10 合格3 卫生器具满水试验记录4 消防管道、压力试验记录 1 合格5 排水干管通球试验记录 1 合格6 燃气系统强度和严密性试验记录1电气照明全负荷试验记录2 大型灯具牢固性试验记录3 避雷接地电阻测试记录4 线路、插座、开关接地检验记录51通风与空调通风与空调系统试运行记录2 风量、温度测试记录3 洁净室洁净度测试记录4 制泠机组试运行调试记录51电梯电梯运行记录2 电梯安全装置检测报告1 智能建筑系统试运行记录2 系统电源及接地检测报告3结论:施工单位项目经理:总监理工程师:年月日(建设单位项目负责人)年月日注:抽查项目由验收组协商确定。
竭诚为您提供优质文档/双击可除
db21表格
篇一:辽宁土建资料归档表格db211234
归档编号:c2-1
注:此表可作为“验槽记录”表使用。
土方开挖工程检验批质量验收记录
钢筋工程(原材料、加工)检验批质量验收记录
表l.1.4009
钢筋工程(连接、安装)检验批质量验收记录
表l.1.5009
模板工程(安装)检验批质量验收记录
表l.1.1009
篇二:辽档全套归档资料
表a.0.2-2
监b-02
监理业务联系(通知)单
备忘录
监b-05
统监表c—04
工程名称:20xx年月日
材料/构配件/设备报验表
项目监理(db21表格)机构收存三份。
本表由承包单位填报,一式三份,经项目监理机构审批后,承包单位留存一份,
项目监理机构收存二份。
篇三:辽宁建筑工程向监理报验的部分表格
db21t1342---20xx
辽统监表a-2工程名称:第()号
本表由施工单位填报,一式四份,经项目监理机构审核后,施工单位留存一份,项目监理机构收存三份。
b1-7
辽统监表a-17工程名称:第()号
本表由施工单位填写,一式四份,经项目监理机构签收后,施工单位留存一份,项目监理机构收存三份。
辽统监表b-1
本表由项目监理机构填写,份数依据具体情况决定。
项目监理机构留存三份。
辽统监表a-10
本表由施工单位填写、一式四份,施工单位、建设单位各一份,项目监理机构收存二份。
辽统监表c-5编报日期:第()月份第1。
筑业辽宁省建筑工程资料表格填写范例与指南
一、定价:118元
二、编制依据:
《辽宁省建筑工程施工质量验收实施细则(DB21/1234-2003)》《辽宁省建筑工程文件编制归档规程(DB21/T1324-2004)》《建筑工程资料管理规程(JGJ/T185-2009)》
《建设工程文件归档整理规范(GB/T 50328)》
三、配套资料软件:筑业辽宁省建筑工程资料管理软件
四、本书主要内容:
本书共分15章,内容如下:
第一章综述
第二章工程竣工验收资料
第三章建筑地基基础工程质量验收记录
第四章地下防水工程质量验收记录
第五章砌体结构工程质量验收记录
第六章混凝土结构工程质量验收记录
第七章钢结构工程质量验收记录
第八章屋面工程质量验收记录
第九章地面工程质量验收记录
第十章装饰装修工程质量验收记录
第十一章给水、排水、采暖及燃气工程质量验收记录第十二章通风与空调工程质量验收记录
第十三章电气工程质量验收记录
第十四章分户验收资料
第十五章建筑节能工程。
《辽宁省建筑工程施工技术资料表格(DB21/ 1234-2003)》(目录)一、地面工程质量验收记录安全和功能检验(检测)报告(P.0.1-2)地面大理石和花岗岩、料石面层检验批质量验收记录地面隔离层、填充层检验批质量验收记录地面灰土、三合土、炉渣垫层检查批质量验收记录地面基土检验批质量验收记录地面砂和砂石、碎石和碎砖、水泥混凝土垫层检查批质量验收记录地面水泥混凝土、水泥砂浆面层检验批质量验收记录P.1.6地面找平层检验批质量验收记录地面砖面层、预制板块面曾检验批质量验收记录表P.1.9分项工程质量验收记录(P.0.2)建筑地面整体面层工程观感质量验收建筑屋面分部(子分部)工程验收记录表P.0.1质量控制资料(P.0.1-1)二、给水、排水、采暖及燃气工程质量验收记录安全和功能检验(检测)报告(S.0.1-2)分项工程质量验收记录(S.0.2)各类民用建筑和建筑群(住宅小区)的中水各类型铸铁、钢制、铝制片式、整组散热器、铜管铝片对流散观感质量验收(S.0.1-3)民用建筑群(住宅小区)及厂区给水硬聚氯乙烯管(PVC-U)、给水高密度聚乙烯管(HDPE)、埋地低密度聚乙烯管(LDPE)、镀锌钢管和给水铸铁管管道安装分项工程检验批质量验收记录室内采暖非镀锌和镀锌钢管、铝塑复合管(PAP-R)、交联铝塑复合管(XPAP -R)、交联表乙烯管(PEX)、聚丙烯这(PP)和钢塑复合管管道安装分项工程检验批质量验收记录室内单、双阀消火栓安装分项工程检验批质量验收记录室内给水钢塑复合管、热浸镀锌钢管、给水(承压)室内给水设备的气压罐、水箱及水泵安装室内给水硬聚氯乙烯(PVC-U)塑料管室内排水硬聚氯乙烯管、硬聚氯乙烯螺旋管、硬聚氯乙卫生器具给水、排水配件安装分项工程雨水内部排水给水铸铁管、硬聚氯乙烯给水塑料管、钢管、质量控制资料(S.0.1-1)三、混凝土结构工程质量验收记录分项工程质量验收记1(L.0.2)钢筋工程(连接、安装)检验批质量验收记录钢筋工程(原材料、加工)检验批质量验收记录钢筋焊接工程(电弧焊接头)检验批质量验收记录钢筋焊接工程(电渣压力焊、气压焊、闪光对焊接头)检验批质量验收记录钢筋焊接工程(焊接骨架、焊接网)检验批质量验收记录钢筋焊接工程(预埋件钢筋T型接头)检验批质量验收记录混凝土工程检验批质量验收记录混凝土工程检验批质量验收记录2混凝土结构(子分部)工程质量验收记录混凝土结构分部观感质量验收记录混凝土结构实体检验资料混凝土结构子分部工程质量控制资料模板工程(安装)检验批质量验收记1(L.1.1-2)模板工程(安装)检验批质量验收记录(L.1.1-1)模板工程(拆除)检验批质量检查记录模板工程(预制构件)检验批质量验收(检查)记录模板工程(预制构件)检验批质量验收(检查)记录L.1.2-1现浇结构工程(设备基础)检验批质量验收记录现浇结构工程检验批质量验收记录预制构件结构性能检验资料装配式结构工程(安装连接)检验批质量验收记录装配式结构工程(预制构件)检验批质量验收记录四、建筑工程施工质量验收统一标准安全和功能检验检测报告单位(子单位)工程安全和功能检验资料核查及主要功能抽查记录单位(子单位)工程观感质量检查记录单位(子单位)工程质量竣工验收记录单位(子单位)工程质量控制资料核查记录分部(子分部)工程质量验收记录分项工程质量验收记录观感质量验收检验批质量验收记录施工现场质量管理检查记录质量控制资料五、木结构工程质量验收记录安全和功能检查(检测)报告(N.0.1)木结构(子分部)工程验收记录表N.0.1质量控制资料(N.0.1-1)六、砌体工程质量验收记录安全和功能检验检测报告分项工程质量验收记录混凝土小型空心砌块工程检验批质量验收记录配筋砌体工程检验批质量验收记录(K.1.4-1)配筋砌体工程检验批质量验收记录(K.1.4-2)砌体分部(子分部)工程检验批质量验收记录砌体结构子分部工程观感质量验收石砌体工程检验批质量验收记录填充墙砌体工程检验批质量验收记录质量控制资料砖砌体工程检验批质量验收记录七、通风与空调工程质量验收记录安全和功能检验(检测)报告防腐与绝热工程检验批质量验收记录(风管系统)防腐与绝热工程检验批质量验收记录(管道系统)分项工程质量验收记录分项工程质量验收记录(表U.0.2)风管部件与消声器制作检验批质量验收记录风管系统安装检验批质量验收记录(净化空调系统)风管系统安装检验批质量验收记录(空调系统)风管系统安装检验批质量验收记录(送、排风、排烟系统)风管与配件制作检验批质量验收记录风管与配件制作检验批质量验收记录(非金属、复合材料风管)工程系统调试检验批质量验收记录观感质量验收空调水系统安装检验批质量验收记录(非金属管道)空调水系统安装检验批质量验收记录(金属管道)空调水系统安装检验批质量验收记录(设备)空调制冷系统设备安装检验批质量验收记录通风机安装检验批质量验收记录通风与空调分部工程验收记录通风与空调设备安装检验批质量验收记录(净化空调系统)通风与空调设备安装检验批质量验收记录(空调系统)通风与空调设备安装检验批质量验收记录(通风系统)通风与空调子分部工程质量验收记录(除尘系统)通风与空调子分部工程质量验收记录(防、排烟系统)通风与空调子分部工程质量验收记录(净化空调系统)通风与空调子分部工程质量验收记录(空调风系统)通风与空调子分部工程质量验收记录(送、排风系统)通风与空调子分部工程质量验收记录(制冷系统)质量控制资料八、屋面工程质量验收记录安全和功能检验(检测)报告(R.0.1)分项工程质量验收记录表R.0.2刚性防水屋面工程检验批质量验收记录观感质量验表R.O.1-3-1建筑屋面分部(子分部)工程验收记录表R.0.1卷材防水屋面工程检验批质量验收记录密封材料嵌缝检验批质量验收记录平瓦屋面工程检验批质量验收记录涂膜防水屋面工程检验批质量验收记录屋面保温层工程检验批质量验收记录屋面找平层工程检验批质量验收记录表R.1.1细部构造检验批质量验收记录油毡屋面工程检验批质量验收记录质量控制资1(R.0.1-1)九、装饰装修工程质量验收记录(高级、普通级)水溶性涂料工程检验批质量验收记录安全和功能检验(检测)报告(Q.0.1-2)暗龙骨吊顶工程检验批质量验收记录板材隔墙工程检验批质量验收记录分项工程质量验收记录(Q.0.2)观感质量验收(Q.0.1-3-1)建筑装饰装修分部(子分部)工程验收表Q.0.1门窗玻璃安装工程检验批质量验收记录明龙骨吊顶工程检验批质量验收记录木门窗安装工程检验批质量验收记录木门窗制作工程检验批质量验收记录石材幕墙工程检验批质量验收记录饰面板安装工程检验批质量验收记录饰面砖粘贴检验批质量验收记录塑料门窗安装工程检验批质量验收记录特种门安装工程检验批质量验收记录一般抹灰(级)工程检验批质量验收记录质量控制资料(Q.0.1-1)装饰抹灰工程检验批质量验收记录(高级、普通级)溶剂型涂料工程检验批质量验收记录护栏和扶手制作与安装工程检验批质量验收记录花饰制作与安装工程检验批质量验收记录门窗套、护墙板制作与安装工程检验批质量验收记录隐蔽工程验收记录表。
辽宁省工程档案表格辽宁省建设工程档案整理技术要求档案整理技术要求保证工程竣工文件档案质量,更好地为城市绿化建设、全市景观规划、建设管理服务,根据国家有关法律、法规、规范和标准,结合当地景观绿化工程管理的实际情况,特对竣工文件立卷归档工作提出如下要求。
一、竣工文件立卷、归档是按照辽宁省地方标准DB21/T1212-2001《建设工程监理档案编制规程》和当地档案馆的相关技术要求,进行景观工程竣工文件、资料分类、整理、装订立卷、登记移交的工作。
二、城市景观工程竣工,在监理预验收合格后,由施工单位、监理单位编制竣工资料档案。
监理单位由总监负责,施工单位由项目技术负责人负责。
配备专职资料档案员负责竣工资料的收集、整理、档案编制工作。
三、城市景观工程档案内容按附页所列项目编制。
四、城市景观工程档案的收集、整理、档案编制工作从工序环节抓起,保证施工资料的真实、齐全、完整。
承包人必须做到资料归档与施工进度同步,监理对施工单位资料进行检查指导。
五、竣工图要求能够全面准确反映施工实际情况和特征。
在施工中,完全按照设计图纸施工没有变动的,可以由竣工图编制单位在设计图上加盖竣工图章,作为竣工图。
在施工中,变动较大的,要在施工图的基础上,将工程变更内容改绘为正式竣工图。
六、本工程按照《建设工程监理档案编制规程》和《市政基础设施工程施工技术文件管理规定》规定填写检查记录、工序、部位、单位工程按行业标准进行质量评定。
工程开工/复工报审表工程名称:第()号承包单位监理单位致(项目监理机构)我方承担的工程,已完成了以下各项工作,具备了开工/复工条件,特此申请施工,请核查并签发开工/复工指令。
附件:1、开工报告2、证明文件项目经理(签字):年月日审批意见:审批结论:同意不同意总监理工程师(签字):年月日本表由承包单位填报,一式四份,经项目监理机构审批后,承包单位留存一份,项目监理机构收存三份。
施工组织设计(方案)报审表工程名称:第()号承包单位监理单位致(项目监理机构)我方已根据施工合同的有关规定完成了工程的施工组织设计(方案)的编制,并经我单位技术负责人审查批准,请语义审查。
筑业辽宁省建筑工程资料表格填写范例与指南
一、定价:118元
二、编制依据:
《辽宁省建筑工程施工质量验收实施细则(DB21/1234-2003)》《辽宁省建筑工程文件编制归档规程(DB21/T1324-2004)》《建筑工程资料管理规程(JGJ/T185-2009)》
《建设工程文件归档整理规范(GB/T 50328)》
三、配套资料软件:筑业辽宁省建筑工程资料管理软件
四、本书主要内容:
本书共分15章,内容如下:
第一章综述
第二章工程竣工验收资料
第三章建筑地基基础工程质量验收记录
第四章地下防水工程质量验收记录
第五章砌体结构工程质量验收记录
第六章混凝土结构工程质量验收记录
第七章钢结构工程质量验收记录
第八章屋面工程质量验收记录
第九章地面工程质量验收记录
第十章装饰装修工程质量验收记录
第十一章给水、排水、采暖及燃气工程质量验收记录第十二章通风与空调工程质量验收记录
第十三章电气工程质量验收记录
第十四章分户验收资料
第十五章建筑节能工程。
筑业辽宁省建筑工程资料表格填写范例与指南筑业辽宁省建筑工程资料表格填写范例与指南
一、定价:118元
二、编制依据:
《辽宁省建筑工程施工质量验收实施细则(DB21/1234-2003)》《辽宁省建筑工程文件编制归档规程(DB21/T1324-2004)》《建筑工程资料管理规程(JGJ/T185-2009)》
《建设工程文件归档整理规范(GB/T 50328)》
三、配套资料软件:筑业辽宁省建筑工程资料管理软件
四、本书主要内容:
本书共分15章,内容如下:
第一章综述
第二章工程竣工验收资料
第三章建筑地基基础工程质量验收记录第四章地下防水工程质量验收记录第五章砌体结构工程质量验收记录第六章混凝土结构工程质量验收记录第七章钢结构工程质量验收记录第八章屋面工程质量验收记录
第九章地面工程质量验收记录
第十章装饰装修工程质量验收记录第十一章给水、排水、采暖及燃气工程质量验收记录
第十二章通风与空调工程质量验收记录第十三章电气工程质量验收记录第十四章分户验收资料
第十五章建筑节能工程。
归档编号:B1-9辽统监表A—10工程竣工验收报审表工程名称:第()号辽统监表A—2施工组织设计(方案)报审表工程名称:穗港公园里三期第()号本表由施工单位填报,一式四份,经项目监理机构审核后,施工单位留存一份,项目监理机构收存三份。
归档编号:B1-6、B1-7辽统监表A——17施工单位申请书工程名称:穗港公园里三期第()号本表由施工单位填写,一式四份,经项目监理机构签收全,施工单位留存一份,项目监理机构三份。
归档编号:B1-8辽统监表B1—1监理工程师通知书工程名称:第()号本表由项目监理机构填写,份数依据具体情况决定,项目监理机构留存三份。
归档编号:B1-13辽统监表C—5监理月报编报日期:第()月份第页工程名称:设计单位:建设单位:施工单位:建筑面积:项目经理:结构形式:总监理工程师:一工程形象进度1、实际完成与计划进度比较:(注:a.计划进度; b.实际进度。
)2.对进度完成情况及采取措施效果的分析;归档编号:B1-13巡统监表C—5监理月报编报日期:第()月份第2页二、工程质量三、工程计量与工程支付四、合同其它事项的处理情况五、本月监理工作小结归档编号:B2-2辽统监表A—1工程开工/复工报审表工程名称:第()号本表由施工单位填报,一式四份,经项目监理机构审批后,施工单位留存一份,项目监理机构收存三份。
归档编号:B1-13辽统监表C—5工程暂停令工程名称:第()号本表由项目监理机构填写,一式四份,经施工单位签收后,施工单位留存一份,项目监理机构收存三份。
归档编号:B3-1辽统监表A—12施工测量放线报验表工程名称:第()号本表由施工单位填写,一式四份,经项目监理机构审批后,施工单位留存一份,项目监理机构收存三份。
归档编号:B3-2辽统监表A—9材料/构配件/设备报验表工程名称:第()号本表由施工单位填写,一式四份,经项目监理机构审批后,施工单位留存一份,项目监理机构收存三份。
归档编号:B5-3辽统监表A—6工程临时/最终延期申请表工程名称:第()号本表由施工单位填写,一式四份,经项目监理机构签收后,报建设单位一份,施工单位留存一份;项目监理机构收存二份。
辽宁省建筑工程资料管理软件(34合1范例版)一、软件主要编制依据:1.辽宁省《建筑工程施工质量验收实施细则 DB21/T1234-2003》2.辽宁省《建筑工程文件编制归档规程 DB21/T1342-2004》3.《智能建筑工程施工质量验收实施细则 DB21/T1341-2004》二、适用对象:辽宁省建筑、安装、市政等施工企业或监理企业编制内业技术资料三、包含内容:01.辽宁省《建筑工程施工质量验收实施细则 DB21/T1234-2003》配套表格02.辽宁省《建筑工程文件编制归档规程 DB21/T1342-2004》配套表格03.《智能建筑工程施工质量验收实施细则 DB21/T1341-2004》配套表格,赠国标智能资料04.辽宁省建筑安全资料表格,沈阳安全资料表格,辽宁省市政资料配套表格05.沈阳市优良工程评价表格,沈阳地区质量验收专用表格06.地铁表格、高级建筑装饰工程验收表格07.《建筑施工安全检查标准 JGJ59-2011》配套表格08.《施工企业安全生产评价标准 JGJ/T77-2010》配套表格09.地标分户验收表格、国标分户验收表格10.《建设工程监理规范 GB50319-2000》配套表格11.《园林绿化施工技术资料编制手册》配套表格12.《自动喷水灭火系统施工及验收规范 GB50261-2005》配套表格13.《人民防空工程施工及验收规范 GB50134-2004》配套表格14.《建筑节能工程施工质量验收规范 GB50411-2007》配套表格15.提供建筑工程常用技术规范、交底资料、海量施工图库等(赠送)16.施工方案132篇(word格式)、应急预案37篇(word格式)、施工工法与施工工艺223篇(word格式)17.施组设计:建筑\安装\市政工程施组设计精选模板50多份(包含住宅\商用\学校建筑工程,市政工程,装饰工程等)18.提供如下规程以供查询辽宁省建设工程监理档案编制规程(DB2l/T212—2001)(DB21/T1342-2004)_辽宁省《建筑工程文件编制归档规程》(DB21/T1234-2003)_辽宁省《建筑工程施工质量验收实施细则》大连市档案管理规定辽宁归档规程及指南的土建部分1定位记录、隐蔽等说明辽宁省工程监理档案编制规程(DB2l/T212—2001)沈阳城建档案馆交档资料沈阳市城建档案馆_建筑工程竣工档案归档材料内容19.《GB50203-2011砌体结构工程施工质量验收规范》20.《GB50208-2011地下防水工程质量验收规范》21.《GB50209-2010建筑地面工程施工质量验收规范》22.GB50693-2011坡屋面工程技术规范23.屋面工程质量验收规范GB50207-201224.建筑物防雷工程施工与质量验收规范(GB50601—2010)四、产品清单请确认您购买的软件产品,应有以下几部分:软件说明书、加密狗、软件光盘、售后服务卡、产品精美包装盒、赠送900元筑业卡五、部分客户:丹东星火锅炉安装工程公司沈阳建筑装饰装修有限公司南阳分公司沈阳天北建筑安装工程公司辽宁省东帝建筑公司中建六局第二建筑工程有限公司沈阳市工程咨询监理有限公司际圆房产开发公司中建一局集团建设发展有限公司辽宁城建集团工程总承包有限公司辽宁金世界房地产开发有限公司辽宁辽安消防工程有限公司辽宁天河装饰装修有限公司沈阳大宇世政工程有限公司中油抚顺工程建设有限公司消防工程公司辽宁建设安装集团有限公司地源热泵空调工程公司沈阳新元建设集团有限公司辽宁省城顺工程造价咨询事务所有限责任公司空军第一建筑安装工程总队海军舰艇军院政治系沈阳空军质量监督站六、发布单位:辽宁省建筑工程质量监督站,辽宁省建筑工程标准化办公室软件开发单位:北京筑业软件公司出版单位:清华同方光盘电子出版社七、产品清单:。
恒智天成辽宁省建筑工程第二代资料管理软件 800元权威规范《辽宁建筑工程文件编制归档规程(DB21/1342-2004)》《辽宁建筑工程施工质量验收实施细则(DB21/1234—2003)》沈阳市《DB21/1234—2003系列质量验收规范》包含内容:建筑工程表格:《辽宁建筑工程文件编制归档规程(DB21/1342—2004)》、《辽宁建筑工程施工质量验收实施细则(DB21/1234—2003)》、沈阳市《DB21/1234-2003系列质量验收规范》、沈阳优良工程评价表、沈阳文件编制归档用表、《沈阳市地铁土建工程施工及监理文件统一用表》、《沈阳市地铁土建工程施工质量验收实施细则》、《沈阳市地铁土建工程施工质量验收实施细则(附册)》、铁道工程用表、《建筑节能验收规范(GB50411—2007)》、《建设工程监理规范(GB50319—2000)》、高级建筑装饰、家庭居室装饰工程参考表、《建筑工程资料管理规程(JGJ/T185-2009)》、《智能建筑工程质量验收规范(GB50339-2003)》等配套表格《GB50203—2011砌体结构工程施工质量验收规范》《GB50208—2011地下防水工程质量验收规范》《GB50209-2010建筑地面工程施工质量验收规范》《GB50693—2011坡屋面工程技术规范》市政工程表格:城镇道路、城市桥梁、给水排水、地铁工程施工管理统一用表;《建筑工程管理文件资料形成及常用表式(吴松勤)》书配表、《城镇道路规范CJJ1-2008》、《城市桥梁规范CJJ2—2008》、《城镇供热管网规范CJJ28—2004》、《给排水构筑物规范GB50141-2008》《给排水管道规范GB50268—2008》、《城市污水处理厂GB50334—2002》、《市政施工技术文件管理规定(城建[2002]221号)》、市政工程施工质量验收标准与通用表格对照应用手册等配套表格安全资料表格:辽宁省安全资料、沈阳安全资料、《施工企业安全生产评价标准(JGJ/T77-2010)》等配套表格园林工程表格:园林(绿化+土建)工程施工技术资料及质量评定表、园林绿化工程监理表、古建筑修建工程资料等表格消防工程表格:辽宁省消防资料参考表、《自动喷水灭火系统施工及验收规范(GB50261—2005)》、《火灾自动报警系统施工及验收规范(GB50166-2007)》等配套表格人防工程表格:《人民防空工程质量检验评定标准RFJ01—2002》配套表格安装工程表格:《锅炉安装工程施工及验收规范GB50273-2009》配套表格常用参考资料:包含海量技术规范、安全规范、施工图库、安全应急预案;建筑安装技术交底、安全交底模板,涵盖所有分部分项工程;建筑/安装/市政工程施工组织设计精选模板。