真空玻璃传热系数计算
- 格式:doc
- 大小:98.00 KB
- 文档页数:9
真空玻璃具有优异的隔热保温性能和和良好的隔声降噪性能,并且已经开始在国内外得到广泛的应用。
在对比真空玻璃的隔热性能时,国内和国外的业界所用的表述有所不同,中国和欧洲用K值,美国用U值,还有的用R值。
那么U值、K值、R值三者到底有什么区别呢?U值和K值的概念和定义完全相同,都是衡量材料传热性能的物理量,即传热系数。
真空玻璃的U值和K值都定义为:在标准条件下,真空玻璃两侧在一定的温差下,单位时间通过单位面积传递到另一侧的热量。
U值和K值的公制单位都是W/㎡·K。
但U值与K值又不完全相同,其不同在于,各自所采用的测试标准所要求的边界条件是不一样的。
中国K值的测试依据是中国GB10294标准,欧洲K值的测试依据是欧洲EN673标准,美国U值的测试依据是美国ASHRAE标准,且美国ASHRAE标准将U值的测试条件分为冬、夏季两种。
三种传热系数的测试条件对比如下表所示:所以,同一片真空玻璃,采用不同的标准测得的传热系数,在数值上具有不同的结果。
欧美国家习惯使用英制单位,传热系数U值(或K值)的英制单位是BTU/h·ft2·℉。
传热系数(U值或K值)的公制单位和英制单位之间的换算关系为:1 BTU/h·ft2·℉=5.678 W/㎡·K或1 W/㎡·K=0.176 BTU/h·ft2·℉欧美国家习惯于使用玻璃的热阻值(R值)来对比不同玻璃材料的隔热性能。
热阻值R,是用来反映隔热材料阻止热量穿过的能力。
材料的热阻值R越大,其阻止热量穿过的能力就越强,就越适合作为保温材料。
热阻值R与传热系数U值(或K值)互为倒数关系,即:U=1/R或R=1/U热阻值R的公制单位是㎡·K/W,英制单位是:ft2·h·°F/BTU。
下表列举了几个U值数据的公制、英制及相应热阻值R(英制)的对应关系:兰迪真空玻璃产品的U值及R值兰迪全钢化真空玻璃U值为0.4W/(㎡·K)注:T——钢化玻璃,L——Low-E镀膜,V——真空层,A——空气层。
贴膜中空玻璃传热系数值结露点抗风压设计中心温度和边框温度计算方法贴膜中的空气层可以起到隔热的作用,降低传热系数,因此贴膜中空玻璃的传热性能相对较好。
本文将介绍贴膜中空玻璃的传热系数值、结露点、抗风压设计、中心温度和边框温度的计算方法。
一、传热系数值:U=1/(1/U1+1/U2+1/U3+...+1/Un)其中U1、U2、U3等分别是贴膜中空玻璃的每一层的传热系数值。
在计算传热系数值时,需要考虑到每一层材料的传热特性,以及空气层的厚度等因素。
二、结露点:结露点是指在一定温度和湿度条件下,空气中的水蒸气由气态转变为液态的温度。
结露点的计算可以使用以下公式:Tdew = T - ((100 - RH) / (25 - RH)) * (T - 14.55)其中Tdew为结露点,T为室内温度,RH为相对湿度。
通过计算结露点,可以判断空气中是否会出现结露现象。
三、抗风压设计:四、中心温度和边框温度计算方法:贴膜中空玻璃的中心温度和边框温度可以通过热传导计算方法来估算。
通过考虑边框的传热系数值、边框的长度和宽度等因素,可以得到边框的热流量。
然后结合中心玻璃的传热系数、中心玻璃的面积和室内外温度差等因素,可以计算出中心玻璃的热流量。
综合考虑边框和中心玻璃的热流量,可以得到贴膜中空玻璃的中心温度和边框温度。
总结:贴膜中空玻璃的传热系数值、结露点、抗风压设计、中心温度和边框温度的计算方法是复杂的,并且需要考虑到多种因素。
在实际应用中,需要参考相关标准和规范,结合具体的情况进行设计和计算。
希望本文的介绍对您有所帮助。
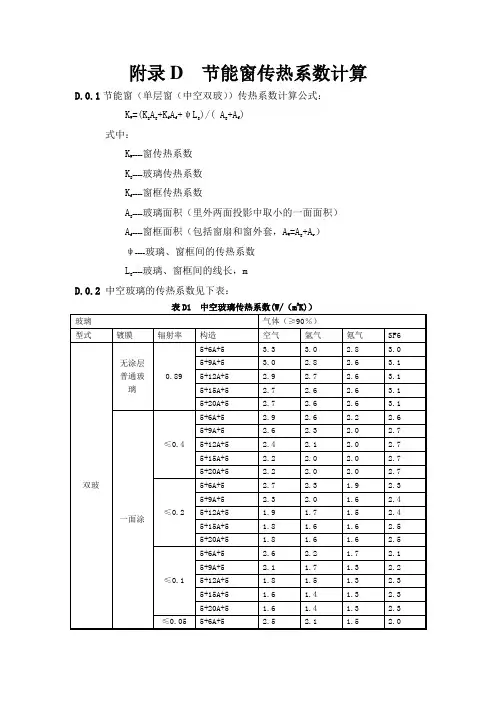
附录D 节能窗传热系数计算D.0.1节能窗(单层窗(中空双玻))传热系数计算公式:K W =(KgAg+KfAf+ψLg)/( Ag+Af)式中:KW----窗传热系数Kg----玻璃传热系数Kf----窗框传热系数Ag----玻璃面积(里外两面投影中取小的一面面积)Af----窗框面积(包括窗扇和窗外套,AW=Ag+Ar)ψ----玻璃、窗框间的传热系数Lg----玻璃、窗框间的线长,mD.0.2中空玻璃的传热系数见下表:表D1 中空玻璃传热系数(W/(m2K))D.0.3窗框传热系数以下数据仅用于垂直窗情况(屋顶窗及其它可参考)。
(1)塑料型材下面给出金属加强的塑料型材的传热系数,无金属加强的也可选用。
表D2 塑料型材的传热系数(W/(m 2K))(2)金属材料①无断热桥的金属窗框,其传热系数也受空腔的影响,一般空腔不多的情况下,型材传热系数取K f =5.9W/(m 2K)。
②断热桥的金属窗框传热系数受断热材的影响大(图D1)。
图D1 断热桥最小高度d(两金属框之间的距离)与传热系数关系D.0.4窗框窗玻璃间线传热系数线传热系数用于计算窗框与玻璃接触处传热量,它与填入材料的导热系数及接触长度有关(表D3)。
表D3 铝合金框与玻璃的线传热系数ψ(W/(m.K))D.0.5窗传热系数可参考表D4,表D5:窗传热系数不但受玻璃和框的传热系数影响,还受窗框比影响。
表D4 窗框比为30%的窗传热系数(W/(m2K))表D5 窗框比为20%的窗传热系数(W/(m2K))D.0.6中空玻璃遮阳系数,可见光透射比(透过率)。
外窗传热系数计算公式
外窗的传热系数(U值)可以通过以下公式来计算:
U = 1 / (R1 + R2 + R3)。
其中,R1代表玻璃的热阻,R2代表窗框的热阻,R3代表玻璃与窗框之间的空气层的热阻。
玻璃的热阻(R1)可以通过玻璃的导热系数(λ)和玻璃厚度(d)来计算:
R1 = d / λ。
窗框的热阻(R2)可以通过窗框的导热系数(λ)和窗框的厚度(d)来计算:
R2 = d / λ。
玻璃与窗框之间的空气层的热阻(R3)可以通过空气层的厚度(d)来计算:
R3 = 0.17 / d.
将以上三个热阻代入第一个公式中,就可以得到外窗的传热系数(U值)。
这个公式可以帮助我们评估外窗的隔热性能,指导我们在选择外窗材料和设计外窗结构时做出合理的决策。
同时,它也是建筑节能设计中重要的参数之一,有助于提高建筑的能源利用效率,减少能源消耗。
真空玻璃热工参数与建筑节能我国建筑能耗占全国总能耗30%以上,而且此比例还在不断上升。
每年我国竣工建筑面积为20亿平方米,其中95%以上是高能耗建筑。
我国单位建筑面积能耗是发达国家的2-3倍以上,而窗户是建筑围护结构的开口部,是建筑能耗的关键部位,窗户能耗占整个建筑能耗的一半左右,改进窗户的节能是提高建筑节能水平有效、快捷的措施。
玻璃占整窗面积80%以上,而具有多种优点的玻璃幕墙更是成为墙的主体,但已建成的许多玻璃幕墙保温隔热性能差成为一大弱点,影响其推广使用。
所以提高玻璃的保温隔热性能更是重中之重。
通过建筑物玻璃的传热途径有二:一是由内外温差引起的传热QT,二是太阳辐射引入的热量Qe,二者之和称为相对增热,用RHG表示:RHG= QT +Qe=K(T0-Ti)+Se×SHGF式中K为传热系数,也称K值,其含义是当室内外温差为1度时,单位时间通过1㎡面积玻璃从室内空气传到室外空气的热量,我国法定计量单位为Wm-2K-1。
T0为室外温度,Ti为室内温度,Se为遮阳系数,其含义是透过玻璃的太阳辐射总透射比与3mm厚普通平板玻璃的太阳辐射总透射比的比值。
Se值越高,说明透过的太阳辐射比例越高。
SHGF为太阳辐射得热因子,其含义是当时当地,单位时间内透过3mm 厚普通玻璃的太阳辐射能量。
如果以室外向室内传热为正,则上式中当T0>Ti时(例如夏季)第一项为正,表明热量从室外传入室内,当T0<Ti时(例如冬季)则第一项为负,表明热量从室内传到室外。
对于大多数地区,只要室内外温差较大且持续时间较长,为了减少能耗,K 值总是越小越好。
特别是门窗的K值要与当地墙体的K值相匹配,才能有效节能。
由于太阳辐射是由外向内的,所以上式中第二项总是正值。
要根据地区、朝向等因素来选取玻璃的Se参数。
例如在太阳辐射强(SHGF高)的气候炎热地区,应选Se低的遮阳型玻璃。
以减少太阳能进入,节省空调能耗;在太阳辐射弱(SHGF低)的气候寒冷地区,应选Se高的高透型玻璃,增加太阳能进入,节省取暖能耗。
窗户传热系数单位-概述说明以及解释1.引言1.1 概述概述部分的内容:在建筑和能源领域中,窗户传热系数(也称为U值或热传递系数)是评估窗户隔热性能的重要参数之一。
它衡量了窗户在温度差异作用下传递热量的能力。
较低的窗户传热系数表示窗户具有较好的隔热性能,能够减少室内外温度的传递,提高建筑的能效。
窗户传热系数的计算方法通常是通过测量和分析窗户的结构、材料、尺寸等因素,来确定窗户传热系数的数值。
一般来说,窗户的传热系数等于窗户单位面积的热流量除以单位温度差异,单位为瓦特/平方米·开尔文(W/m²·K)。
窗户传热系数的大小直接影响着建筑的能耗和室内外温度的交换。
因此,了解窗户传热系数的概念、计算方法以及影响因素对于设计、选择和评估窗户的性能至关重要。
本文将详细介绍窗户传热系数的定义和意义,窗户传热系数的计算方法以及窗户传热系数的影响因素。
此外,我们还将探讨窗户传热系数单位的重要性、常见表示方法以及应用范围,希望能够为读者提供有关窗户传热系数的全面了解和应用指导。
1.2文章结构文章结构:本文主要包括引言、正文和结论三个部分。
引言部分包括概述、文章结构和目的三个小节。
在概述中,将简要介绍窗户传热系数的概念和相关背景知识。
文章结构部分即本小节,将详细说明文章的组织结构和各个部分的主要内容。
目的部分将明确指出本文的研究目的和意义。
正文部分主要包括窗户传热系数的定义和意义、计算方法以及影响因素三个小节。
在定义和意义部分,将详细解释窗户传热系数的含义和作用。
计算方法部分将介绍窗户传热系数的计算方式和相关公式。
影响因素部分将列举并解析影响窗户传热系数的诸多因素,如窗户材料、结构设计等。
结论部分包括窗户传热系数单位的重要性、常见表示方法以及应用范围三个小节。
在单位重要性部分,将探讨窗户传热系数单位选择的重要性和对研究、应用的影响。
常见表示方法部分将介绍窗户传热系数的常见单位表示方式,如W/(m^2·K)。
6+12+6中空玻璃传热系数k值6+12+6中空玻璃的传热系数K值具体取决于各个层中的玻璃和中间隔热层的厚度和导热系数、密封气体的种类和压力等多方面因素。
一般而言,其总传热系数K值大约在2.8-2.9W/(m²·K)左右,以下将介绍其计算方法。
传热系数k值的计算公式是:K=1/(1/h1+A/h2+σ/h)+δs/V+R其中,h1、h2分别表示玻璃的导热系数,A表示中间玻璃层的面积,σ表示中间隔热层的导热系数,h表示气体的导热系数,δs表示密封间隙的厚度,V 表示密封间隙的体积,R表示表面辐射传热系数。
对于6+12+6中空玻璃,假设两层玻璃厚度均为6毫米,则中间的12毫米为玻璃层之间的隔热层。
一般情况下,铝隔条的厚度为6毫米,隔热层为气体(如空气或氩气),密封间隙的厚度为16毫米。
根据上述条件,经过计算可得到其传热系数K值大约在2.8-2.9W/(m²·K)左右。
以下是将6+12+6中空玻璃的具体数值带入计算公式,得到传热系数K值的具体计算过程:1.计算玻璃导热系数首先,需要计算两层6毫米厚度的玻璃的导热系数。
根据标准资料,普通玻璃的导热系数在0.8-1.2W/m·K之间,可取平均值1W/m·K。
因此,h1 = h2 = 1W/m·K。
2.计算隔热层的导热系数和面积中间隔热层一般为气体,常见的有空气、氩气等。
在此假设中间隔热层为氩气,导热系数为0.017W/m·K。
此时,隔热层的面积为中空玻璃的总面积减去两层玻璃面积,即:A = (1m×1m) - 2×(0.6m×0.6m) = 0.76m²3.计算气体导热系数和密封间隙的体积对于氩气,其导热系数约为0.02W/m·K。
根据题意可知,密封间隙的宽度为16毫米,可算出密封间隙的体积为:V = 0.16m×0.76m×1m = 0.1216m³4.计算密封间隙的厚度、表面辐射传热系数根据题意,铝隔条的厚度为6毫米。
[新版]玻璃传热系数k值玻璃传热系数K值幕墙中空玻璃传热系数计算方法如下: 1.公式P r=μc /λ式中μ——动态黏度,取1.761×10-5kg/(m?s);c——比热容,空气取1.008×103J/(kg?K)、氩气取0.519×103J/(kg?K);λ——导热系数,空气取2.496×10-2W/(m?K)、氩气取1.684×10-2W/(m?K)。
G r=9.81s 3ΔTρ2/Tmμ2式中 s——中空玻璃的气层厚度(m);ΔT ——外片玻璃表面温差,取15K;ρ——密度,空气取1.232kg/m3、氩气取1.669 kg/m3;T m——玻璃的平均温度,取283K;μ——动态黏度,空气取1.761×10-5kg/(m?s)、氩气取2.164×10-5kg/(m?s)。
N u= 0.035(G r Pr)0.38,如计算结果Nu,1,取Nu=1。
H g= N u λ/s W/(m2?K)H T =4ζ(1/ε1+1/ε2-1)-1×Tm 3 式中ζ——常数,取5.67×10-8W/(m2?K4);ε1 ——外片玻璃表面的校正辐射率;ε2——内片玻璃表面的校正辐射率;ε1、ε2取值:普通透明玻璃ην,15% 0.837(GB/T2680表4)真空磁控溅射镀膜玻璃ην?15% 0.45 (GB/T2680表4)ην,15% 0.70 (GB/T2680表4) LOW-E镀膜玻璃ην,15% 应由试验取得,如无试验资料时可取0.09~0.115。
h s = h g + h T1/h t=1/h s+δ/ r1式中δ——两片玻璃总厚度;r1——玻璃热阻,取1(m?K)/W。
1/U=1/h e +1/h i+1/h t式中 h e——玻璃外表面换热系数,取23(19)W/(m2?K);h i——玻璃内表面换热系数,取8(8.7)W/(m2?K)。
中空三银lowe玻璃传热系数计算公式
中空三银lowe玻璃传热系数的计算公式如下:
U值= 1 / [(1 / h1) + (s / λ2) + (1 / h2)]
其中,
U值是中空三银lowe玻璃的传热系数;
h1和h2分别是内外表面的对流传热系数;
s是中空间距离;
λ2是玻璃的导热系数。
适当拓展:
中空三银lowe玻璃是一种高效、低透热的建筑玻璃材料。
其首先利用三层银膜的反射性能,减少了对热辐射的吸收和传导;其次,通过中空层的设计,减少了热传导和对流传热的通路;最后,利用高效低E膜层的特性,降低了对太阳紫外线和红外线的吸收。
中空三银lowe玻璃的传热系数U值越低,其隔热性能越好。
通过以上的计算公式,我们可以计算出U值,评估玻璃的隔热效果。
在建筑设计中,选择适当的低U值玻璃,可以有效地降低冬季散热和夏季进热,实现节能和舒适环境的目标。
值得注意的是,不同厂家和型号的中空三银lowe玻璃的传热系数会有所差异,因此在实际应用中,需要结合具体情况选择合适的玻璃材料。
我国的建筑行业近年来正迅速发展,而随之而来的是对建筑材料和技术的不断追求和创新。
在建筑设计中,中空玻璃作为一种重要的建筑材料,其隔热性能受到了越来越多的关注。
在本文中,我们将深入探讨中空玻璃稳态u值(传热系数)的计算及测定,并解释其在建筑领域的重要性。
一、中空玻璃稳态u值的计算1. 理论基础:中空玻璃的隔热性能主要由U值来衡量,而U值则是通过热传导系数和热对流系数来计算的。
2. 计算方法:根据热传导系数和热对流系数的定义和公式,可以得出中空玻璃稳态U值的计算公式。
需要注意的是,在实际应用中,还需要考虑气体导热系数、玻璃的热辐射系数等一系列影响因素的综合作用。
3. 实际工程中的应用:中空玻璃U值的计算对于建筑节能设计和室内舒适度的提高非常重要。
在建筑设计过程中,设计师需要根据建筑的功能和要求,选择合适的中空玻璃U值,以在保证隔热性能的同时尽可能减小能耗。
二、中空玻璃稳态u值的测定1. 实验装置和方法:为了准确地测定中空玻璃的U值,需要利用热箱实验方法或热流计测定法来进行测试。
在实验过程中,需要严格控制实验条件和环境,以获得可靠的测试结果。
2. 实验数据处理:实验获得的数据需要经过精确的处理和分析,计算得出中空玻璃的稳态U值。
还需要对比不同厚度、不同结构的中空玻璃的U值,以指导实际工程中的选择和应用。
三、对中空玻璃稳态u值的个人观点和理解中空玻璃的U值是评估其隔热性能的重要参数,其准确计算和测定对于建筑节能和环境保护具有重要意义。
在未来的建筑设计和施工中,我相信中空玻璃的U值将会成为更加重要的考量因素,为建筑能源消耗和室内舒适度的提高提供保障。
总结回顾通过本文的探讨,我们对中空玻璃稳态U值的计算和测定有了更加深入的了解。
我们了解到了U值的理论计算方法和实测方法,并且明白了它对建筑能源消耗和室内舒适度的重要性。
在未来的建筑行业中,中空玻璃的U值将扮演着越来越重要的角色。
在知识的文章格式中,以上内容将通过序号标注和详细阐述,以提供全面深刻的理解。
12a的白玻钢化中空玻璃的传热系数
摘要:
1.概述12A的白玻钢化中空玻璃
2.介绍传热系数的概念
3.计算12A的白玻钢化中空玻璃的传热系数
4.分析影响传热系数的因素
5.总结12A的白玻钢化中空玻璃在节能中的应用
正文:
【1】概述12A的白玻钢化中空玻璃
12A的白玻钢化中空玻璃是一种常见的建筑材料,由两片玻璃中间夹一层氩气组成。
这种玻璃具有良好的保温、隔音性能,广泛应用于门窗、幕墙等建筑装饰领域。
【2】介绍传热系数的概念
传热系数(U值)是指在单位时间内,单位厚度条件下,通过单位面积的热量传递。
传热系数越低,说明材料的保温性能越好。
【3】计算12A的白玻钢化中空玻璃的传热系数
根据提供的参考信息,我们可以采用NFRC100-2001标准来计算12A的白玻钢化中空玻璃的传热系数。
计算公式如下:
U = (ρcλ) / (πdt)
其中,ρ为玻璃的密度,c为比热容,λ为导热系数,d为玻璃厚度,t为温差。
【4】分析影响传热系数的因素
传热系数受多种因素影响,主要包括玻璃类型、厚度、氩气层厚度、温度差等。
在12A的白玻钢化中空玻璃中,氩气层的厚度对传热系数的影响尤为显著。
【5】总结12A的白玻钢化中空玻璃在节能中的应用
12A的白玻钢化中空玻璃具有较低的传热系数,因此在建筑中应用可以有效降低室内外的热量传递,提高能源利用效率。
在我国推广使用这种玻璃,有助于实现建筑节能的目标。
请注意,本文提供的传热系数仅供参考,实际应用时需根据具体情况进行计算。