桥梁工程大作业3
- 格式:pdf
- 大小:1.11 MB
- 文档页数:25
桥梁工程作业3北交大简介桥梁作为重要的交通设施,具有支撑和传递荷载的作用。
在桥梁工程中,地基是最为重要的基础。
本篇文档将从地基设计、桥墩设计和荷载分析三个方面,对北交大桥梁工程作业3进行分析和说明。
地基设计在北交大桥梁工程作业3中,地基是支撑整个桥梁结构的基础。
因此,地基的设计至关重要。
首先需要对场地的地质条件进行详细的勘探和分析。
在北交大作业3的场地勘测中,主要考虑了地质层次、岩土工程性质等因素,根据这些数据进行了地基的设计。
地基设计中需要考虑的因素有很多,如地下水位、土壤承载力等。
北交大桥梁工程作业3中的地下水位较低,处于较干燥的状态,这对地基的设计带来了很大的便利。
考虑到土壤承载力等因素,地基设计选用了沉箱式基础。
这种基础结构稳定性好,耐久性强,在桥梁工程中广泛使用。
桥墩设计桥墩作为桥梁结构的主要支撑点,其设计也非常关键。
桥墩的设计需要根据桥的结构形式和荷载大小来确定。
在北交大桥梁工程作业3中,桥墩采用多级支撑的结构形式。
这种结构形式能够更好地分担荷载,提高结构的稳定性。
桥墩的材料选用的是混凝土,这种材料具有良好的耐久性和稳定性,适合用于桥墩的建造。
荷载分析荷载分析是桥梁工程中非常重要的一环,其结果直接关系到桥梁结构是否能够安全、稳定地承受荷载。
荷载分析需要考虑到桥梁结构的质量、形式等多个因素。
在北交大桥梁工程作业3中,荷载分析采用ANSYS模拟软件进行。
模拟过程中,分别考虑了静荷载、动荷载等多种情况,并进行了反复测试和分析,确保结果准确可靠。
根据计算结果,桥梁结构的稳定性较好,能够承受预定的荷载。
桥梁工程作业3是一项非常关键的工程项目,其地基设计、桥墩设计和荷载分析等方面需要进行仔细的分析和论证。
通过本文档的分析,我们可以看出,北交大桥梁工程作业3的设计方案是完备合理的,其稳定性和耐久性具有较高的保障,能够为社会和人民服务很长一段时间。
国家开放大学《桥梁工程技术》形考任务三试题答案一、判断题(答案在最后)题目:成品构件组装是钢箱梁装配的最小单元的组合。
题目:大跨度石拱桥的拱圈施工,可采用分层分段相结合的砌筑法。
题目:大跨径圬工拱桥拱圈砌筑宜采用连续砌筑法。
题目:钢结构桥梁采用顶推法进行施工,只能在顶推平台上进行各钢结构节段的拼装。
题目:钢结构桥梁架设中,可以只考虑现场的安全性,采用最佳的架设方法。
题目:钢结构桥梁具有自重轻、材料力学性能明确、破坏机理清晰、不易工厂化自动生产等特点。
题目:钢结构桥梁悬臂拼装法施工适合进行梁高相差很大的桥梁的拼接。
题目:钢筋混凝土桥梁存在结构自重大、使用性能退化机理不明确、拆除后建筑垃圾难以处理等问题。
题目:钢箱梁的工厂组装易于实现生产规范化、产品标准化、质量稳定化。
题目:拱桥的矢跨比越小,拱越陡,水平推力越小。
题目:拱桥类型中的三铰拱是三次超静定结构。
题目:拱桥支架法施工,为了使拱圈在修建完成后,拱轴线符合设计要求,施工时必须在拱架上预加拱度。
题目:连续梁是超静定结构,基础不均匀沉降将在结构中产生附加内力。
题目:桥梁钢结构在各种大气环境条件作用下产生腐蚀是一种难以避免的自然现象,为防止钢桥腐蚀,需要在钢桥表面进行防腐涂装。
题目:为了减少钢箱梁的这种变形,防止过大的局部应力,需要在钢箱梁的跨间和支点处设置横隔板。
题目:为了提高桥梁在风荷载作用下的性能,特大跨度缆索承重桥梁采用流线型截面而非简单的矩形截面,一般称为扁平钢箱梁。
题目:相同跨径的连续梁桥跨中弯矩比简支梁大。
题目:悬臂施工法可用于预应力混凝土悬臂梁桥、连续梁桥、刚构桥、桁架桥、拱桥及斜拉桥等桥梁的施工。
题目:悬臂施工法也称分段施工法,是以桥墩为中心向两岸对称、逐节悬臂接长的施工方法。
题目:预应力混凝土现浇箱梁张拉完成,压浆完毕,经养护达到要求后,可进行支架拆除。
支架拆除应按从上层往下层的顺序进行。
二、单项选择题(答案在最后)题目:()也称分段施工法,是以桥墩为中心向两岸对称、逐节悬臂接长的施工方法。
填空题:1.拱桥上部结构的主要受力构件是拱圈。
2.上承式拱桥的上部结构由主拱圈和拱上建筑组成。
3.拱桥的下部结构由桥墩、桥台及基础等组成,用以支承桥跨结构。
4.按照截面的型式可以分为板拱桥、混凝土肋拱桥、箱型拱桥、双曲拱桥、钢管混凝土拱桥和劲性混凝土拱桥。
5.梁拱组合体系桥是将梁和拱两种基本结构组合起来,一般可分为有推力和无推力两种类型。
6.拱桥的标高主要有四个:即桥面标高、拱顶面标高、起拱线标高和基础底面标高。
7.起拱线标高由矢跨比要求确定。
8.拱的水平推力与垂直反力之比值,随矢跨比的减少而增大。
9.一般情况下,多孔拱桥最好选用等跨分孔的方案。
10.在不等跨连续拱桥相邻两孔中,大跨径用矢跨比较大的拱。
11.拱肋是拱桥的主要承重结构,可由混凝土、钢筋混凝土、劲性骨架混凝土组成。
12.拱肋的截面型式分为实体矩形、工字形、箱形、管形和劲性骨架混凝土箱形等。
选择题:1.拱桥在竖向荷载作用下,两端支承处除有竖向反力外,还产生(C )A.拉力B.水平拉力C.水平推力D.竖直拉力2.拱桥按结构的体系分类,下列不属于此划分范畴的是(D )A.简单体系B.桁架拱桥D.刚架拱桥D.板拱桥3.拱的垂直反力与水平推力之比值,随矢跨比的增大而( D)A.减小B.不变C.无关D.增大4.桥梁的(B)反映了其泄洪能力A.计算跨径B.总跨径C.净跨径D.桥梁高度5.斜拉桥的上部结构中塔柱的主要受力特点是(A )A.受拉为主B.受剪为主C.受弯为主D.受压为主6.斜拉桥的上部结构主要由( A)组成A.塔柱、主梁和斜拉索B. 塔柱、主梁C.主缆、塔柱、主梁D. 主缆、塔柱、吊杆判断题:1.拱桥当采用无铰拱时对地基的条件要求高。
(√)2.拱桥跨越能力较大,耐久性能好,维修、养护费用少。
(×)3.在简单体系拱桥中,桥面系结构参与主拱肋(圈)一起受力。
(×)4.钢管混凝土拱桥属于钢 混凝土组合结构中的一种,主要用于以受弯为主的结构。
桥梁工程习题及答案[全文5篇]第一篇:桥梁工程习题及答案《桥梁工程》习题及答案一、填空题1)公路桥梁的作用按其随时间变化的性质,分为永久作用、可变作用、偶然作用。
2)按结构体系及其受力特点,桥梁可划分为梁桥、拱桥、悬索桥以及组合体系。
3)桥跨结构在温度变化、混凝土的收缩和徐变、各种荷载引起的桥梁挠度、地震影响、纵坡等影响下将会发生伸缩变形。
4)钢筋混凝土梁梁内钢筋分为两大类,有受力钢筋和构造钢筋。
5)作用代表值包括标准值、准永久值、频遇值。
6)桥梁纵断面设计包括桥梁总跨径的确定、桥梁的分孔、桥面的标高及桥下净空、桥上及桥头引导纵坡的布置和基础埋置深度。
7)桥台的常见型式有重力式桥台、轻型桥台、组合式桥台和框架式桥台等。
8)公路桥面构造包括桥面铺装、防水和排水系统、桥面伸缩装置、人行道及附属设施等。
9)悬索桥主要由桥塔、锚碇、主缆和吊索等组成。
10)重力式桥墩按截面形式划分,常见的有矩形、圆形、圆端形和尖端形等。
11)常见的轻型桥台有薄壁轻型桥台、支撑梁轻型桥台、框架式轻型桥台、组合式轻型桥台等。
12)设计钢筋混凝土简支T梁,需拟定的主要尺寸有梁宽、梁高、腹板厚度、翼缘板厚度。
13)柱式桥墩的主要型式主要有独柱式、双柱式、多柱式和混合式。
14)桥梁支座按其变为的可能性分为活动支座和固定支座。
15)支座按其容许变形的可能性分为固定支座、单向支座和多向支座。
16)常用的重力式桥台有 U形桥台、埋置式桥台、八字式桥台、一字式桥台等。
17)桥梁的主要组成部分包括桥墩、桥台及桥跨结构等。
18)桥梁设计一般遵循的原则包括安全性、适用性、经济性、先进性和美观等。
19)荷载横向分布影响线的计算方法主要有:杠杆原理法、偏心压力法、铰接板法、比拟正交异性板法。
20)通常将桥梁设计荷载分为三大类:永久荷载、可变荷载、偶然荷载。
21)公路桥梁设计汽车荷载分为公路-I级、公路-II级两个等级,它包括车道荷载和车辆荷载,其中车辆荷载用于桥梁结构的局部加载和桥台验算。
大工23春《桥梁工程》在线作业3-00001
试卷总分:100 得分:100
一、单选题(共5 道试题,共20 分)
1.目前,我国主梁用得最多的装配肋梁式横截面形式是()形截面。
A.T
B.I
C.A
D.任意
答案:A
2.目前,国内外在小跨径简支梁桥、悬臂梁桥中仍然采用多片装配式预制主梁的肋梁式横截面,它具有的优点不包括()。
A.简化了模板,可工厂化成批生产,降低了制作费用
B.可相对减小整个桥梁自重
C.可缩短桥梁施工工期
D.施工不受季节气候限制
答案:D
3.对于跨径大于等于20m的梁式桥,为更好保证梁端的自由变形,一般采用()。
A.橡胶支座
B.钢筋混凝土摆柱式支座
C.弧形钢板活动支座
D.以上都不对
答案:B
4.以下不属于组合梁桥常用类型的是()。
A.钢筋混凝土工字梁+板+现浇桥面
B.预应力混凝土梁+板+现浇桥面
C.预应力混凝土箱梁+板+现浇桥面
D.钢筋混凝土箱梁+板+现浇桥面
答案:D
5.简支梁桥的设计计算一般先()。
A.定尺寸
B.计算荷载和荷载效应
C.进行荷载不利组合
D.验算
答案:A
二、多选题(共5 道试题,共30 分)
6.梁式桥支座的作用包括()。
A.将荷载直接传至地基
B.传递上部结构的支撑反力
C.使结构产生同计算图式一致的自由变形。
2014-2015学年第一学期期末《路基路面工程》大作业一、名词解释(共20分,每小题4分)1.路基的压实度:是指路基路面施工质量检测的关键指标之一,表征现场压实后的密度状况,压实度越高,密度越大,材料整体性能越好。
2.半刚性基层材料:由无机结合料、水、土等组成的,经搅拌压实强度达到一定要求时所形成的材料。
3.加州承载比(CBR):承载能力以材料抵抗局部荷载压入变形的能力表征,并采用高质量标准碎石为标准,以它们的相对比值表示CBR。
4.路基工作区:在路基的某一深度处,车辆荷载引起的应力与路基自重引起的应力相比只占一小部分(1/5~1/10),在此深度以下,车辆荷载对土基的作用影响很小,可以忽略不计。
将此深度Za范围内的路基称为路基工作区。
5.设计弯沉值:是根据设计年限内每个车道的累计当量轴次、公路等级、面层和基层类型确定的,相当于路面竣工后第一年不利季节、路面在标准轴载100KN作用下,测得的最大回弹弯沉值。
二、填空(20分,每小题2分)1.路基按其干湿状态不同分为四类:(干燥)、(中湿)、(潮湿)和(过湿)。
2.路面结构是分层铺筑的,通常按照各个层位功能的不同,划分为三个层次即(面层)、(基层)和(垫层)。
3.跌水的基本构造为(进水口)、(消力池)和(出水口)。
4.加筋土挡土墙是由(填土)、(填土中布置的拉筋条)以及(墙面板)三部分组成。
5.路基土中水的来源(大气降水)、(地面水)、(地下水)、(毛细水)、(水蒸气)。
6.影响水泥稳定类基层强度的因素有(土质)、(水泥成分和剂量)(含水量)、(施工工艺过程)。
7.常用的路面地下排水设施有(边沟、截水沟、排水沟、跌水与急流槽、倒虹吸与渡水槽)。
8.我国路面设计以(双轮组单轴载100KN )为标准轴载,以( BZZ—100 )表示。
9.沥青路面的基层按材料和力学特性的不同可以分为(柔性基层)、(半刚性基层)和(半刚性基层)三种。
10.常用的坡面防护有(植物防护)和(工程防护)两大类。
西安交大桥梁工程作业及答案3西安交大《桥梁工程》作业3A. 180KNB. 270KNC. 320KND. 360KNA. 0. 3mB. 0.5mC. 0.6mD. 0.7mA.B.C.D. 人群荷载和土侧压力满分:2 分得分:24. 根据连续梁受力特点,一般采用变截面梁设计,哪种变截面线形与连续梁弯矩变化规律相近?A. 斜直线B. 悬链线C. 二次抛物线D. 圆弧线满分:2 分得分:25. 下列哪种作用是不属于永久作用。
()A. 预加力B. 混凝土收缩及徐变作用C. 基础变位D. 温度作用满分:2 分得分:06. 截面的效率指标是______A. 预应力束筋偏心距与梁高的比值B. 截面上核心距与下核心距的比值C. 截面上下核心距与梁高的比值D. 截面上下核心距与预应力束筋偏心距的比值满分:2 分得分:27. 对于专用人行桥梁,其人群荷载标准值 KN/m。
A. 2.5B. 3C. 3.5D. 4满分:2 分得分:28. 下列哪种作用是不属于可变作用。
()A. 人群荷载B. 混凝土收缩及徐变作用C. 风荷载D. 温度作用满分:2 分得分:09. 桥梁的建筑高度是指_______A. 桥面与桥跨结构最低边缘的高差B. 桥面与墩底之间的高差C. 桥面与地面线之间的高差D. 桥面与基础地面之间的高差满分:2 分得分:210. 混凝土的收缩和徐变属于A. 永久作用B. 可变作用C. 偶然作用D. 上述三个答案都不对满分:2 分得分:211. 桥梁总长是指____A. 桥梁两桥台台背前缘间的距离B. 桥梁结构两支点间的距离C. 桥梁两个桥台侧墙尾端的距离D. 各孔净跨径的总和满分:2 分得分:212. 拱桥中,两相邻拱脚截面形心点之间的水平距离称为()跨径。
A. 净跨径B. 计算跨径C. 标准跨径D. 总跨径满分:2 分得分:213. 在影响斜板桥受力的主要因素中,下列_______不是主要因素A. 斜交角B. 宽跨比C. 支承形式D. 板的厚度满分:2 分得分:214. 在结构功能方面,桥台不同于桥墩的地方是()。
《桥梁工程》课程作业评讲(3)重庆电大建筑学院蒋代波本次作业对应于教材第3章的内容。
我将主观题列举出来,供大家参考。
希望对大家的学习有所帮助。
下面文字,黑色的是问题与答案,其它颜色是说明和解释。
五、问答题1.为什么考虑荷载横向分布计算时,常用正弦荷载代替跨间作用的集中荷载?(1)考核知识点:本题考查梁桥荷载横向分布的相关知识点。
(2)解题思路:在计算横载时,除主梁的自重外,一般将桥面铺装、人行道、栏杆等的重量近视平均分配给各片主梁,即计算出桥面铺装、人行道、栏杆等的总重量除以梁的片数,得到每片主梁承担的桥面铺装、人行道、栏杆的重量。
在实际的设计计算中,对于集中荷载,因为其与假设荷载存在差异,故采用横向分别的计算方法仅为一个近似的方法。
(3)参考答案:用正弦荷裁代替跨中的集中荷载,在计算各梁跨中挠度时的误差很小,而且,计算内力时虽有稍大的误差,但考虑到实际计算时有许多车轮沿桥跨分布,误差又进一步减少,因此常用正弦荷载代替跨间作用的集中荷载2.桥梁支座必须满足哪些要求?简述橡胶支座的优缺点。
(1)考核知识点:本题考查梁桥荷载横向分布的问题的相关知识点。
(2)解题思路:桥梁支座是连接上部结构和下部结构的重要结构构件。
它能将桥梁上部结构的反力和变形(位移和转角)可靠地传递给桥梁下部结构,从而使结构的实际受力情况与计算的理论图式相符合。
(3)参考答案:桥梁支座必须满足以下要求:①具有足够的承载力(包括荷载和活载引起竖向力和水平力),以保证安全可靠地传递支座反力;②对桥梁变形(位移、转角)的约束尽可能地小,以保证结构在活载、温度变化、混凝土收缩和徐变等因素作用下的自由变形,以使是上、下部结构的实际受力情况符合结构的力学图式;③支座便于安装、养护和维修,并在必要时进行更换。
板式橡胶支座具有以下优点:1.可吸收上部结构各方向的变形;2.圆形支座的承压面与矩形支座相比,没有应力集中现象;3.安装方便,可不考虑方向性。
大工15春《桥梁工程》在线作业3
一、简介
本文档是针对大工15春《桥梁工程》在线作业3的回答和解析。
作业3包含以下内容:...
二、问题解答
1. 问题1:请解释桥梁设计中的施工坡度如何影响桥梁结构的稳定性?
答:施工坡度是指在建造桥梁时,桥墩和桥梁连接处的坡度。
施工坡度的大小会直接影响桥梁的稳定性。
当施工坡度太大时,桥墩的承载能力会减弱,从而影响桥梁的稳定性。
反之,施工坡度过小会增加桥墩的强度,但会增加施工难度和成本。
2. 问题2:什么是预应力混凝土桥梁?它与普通混凝土桥梁有何不同?
答:预应力混凝土桥梁是指在施工过程中施加预应力或拉力的混凝土结构。
通过施加预应力,可以使桥梁更加坚固和耐久,提高桥梁的承载能力。
与普通混凝土桥梁相比,预应力混凝土桥梁具有更高的抗拉强度,更好的抗震能力和更长的使用寿命。
3. 问题3:请简要描述悬索桥和斜拉桥的主要区别。
答:悬索桥和斜拉桥都属于悬臂梁桥的一种,但它们具有不同的结构形式。
悬索桥是通过主塔和吊索来支撑桥面的,吊索向下呈悬垂状态。
而斜拉桥是通过主塔和斜拉索来支撑桥面的,斜拉索呈角度与桥面交叉。
在结构上,悬索桥的桥面自重主要通过吊索传递到主塔上,而斜拉桥则主要通过斜拉索传递。
此外,斜拉桥的设计更加复杂,悬索桥的施工和维护成本较低。
三、总结
本文档对大工15春《桥梁工程》在线作业3中的问题进行了回答和解析。
通过了解施工坡度对桥梁的稳定性影响、预应力混凝土桥梁的特点以及悬索桥和斜拉桥的区别,我们可以更好地理解桥梁工程的相关知识。
混凝土简支梁桥内力计算交通1001 绿学长一.桥面内力计算A.按T 梁翼板所构成铰接悬臂板的设计计算(一)恒载及其内力(以纵向1m 宽的板条进行计算) 1.每米板上的恒载g : 沥青混凝土面层g 1:0.05×1.0×23=1.15kN/m C55混凝土垫层g 2:0.08×1.0×24=1.92kN/m T 梁翼板自重g 3:(0.15+0.05×500/1150)×1.0×25=4.29 kN/m 人行道及栏杆自重g 1p :3.5kN/m 合计:g=∑g i = 10.86kN/m 2.每米宽板条的恒载内力弯矩 m kN 187975086102121220Ag ⋅-=⨯⨯-=-=...gl M剪力 Q Ag =g · l 0=10.86×0.975=12.49kN (二)车辆荷载产生的内力将后轮作用于铰缝轴线上,后轴作用力为P=140kN ,轮压分布宽度如图所示。
对于车轮荷载中后轮的着地长度为a 2=0.20m ,宽度为b 2=0.60m[由《公路桥涵设计通用规范》(JTG D60-2004)查得],则得:a 1=a 2+2H =0.02+2×0.13=0.46mb 1=b 2+2H =0.06+2×0.13=0.86m荷载对于悬臂根部的有效分布宽度:a =a 1+2l 0+d=0.46+2×0.975+1.4=3.81m冲击系数:1+μ=1.3作用于每米宽板条上的弯矩为:m kN 1518)4860)(0.97581341402(1.3)4(42)(110Ap ⋅-=-⨯⨯⨯-=-+-=...b l a P M μ作用于每米宽板条上的剪力为:23.88kN 813414021.342)(1Ap =⨯⨯⨯=+=.a P Q μ(三)荷载组合 恒+汽:M A =M Ag +M Ap =-7.18+(-18.15)=-25.33kN·mQ A =Q Ag +Q Ap =12.49+23.88=36.37kN所以,行车道板的设计内力为:M A =-25.33kN·m Q A =36.37kNB.按悬臂板设计计算 (一) 恒载及其内力此部分与铰接悬臂板部分相同(二)车辆荷载产生的内力车轮加载最不利位置为边缘,后轴作用力P=140kN,车轮荷载中后轮荷载着地长度a 2=0.20m ,宽度b 2=0.60m ,则得:a 1=a 2+2H =0.02+2×0.13=0.46mb 1=b 2+H =0.06+0.13=0.73m荷载对于悬臂根部的有效部分宽度:a =a 1+2l 0+d=0.46+2×0.975+1.4=3.81m冲击系数:1+μ=1.3作用于每米板宽上的弯矩为(b 1<l 0):m kN 5714)2730)(0.97581341402(1.3)2(42)(110Ap ⋅-=-⨯⨯⨯-=-+-=...b l a P M μ作用于半米宽板上的剪力为:.76kN 74813214021.322)(1Ap =⨯⨯⨯=+=.a P Q μ(三)荷载组合 恒+汽:M A =M Ag +M Ap =-7.18+(-14.57)=-21.75kN·mQ A =Q Ag +Q Ap =12.49+47.76=60.25kN所以,行车道板的设计内力为:M A =-21.75kN·m Q A =60.25kNC.按连续单跨板设计计算(一)恒载及其内力(以纵向1m 宽的板条进行计算) 1.每米板上的恒载g : 沥青混凝土面层g 1:0.05×1.0×23=1.15kN/m C55混凝土垫层g 2:0.08×1.0×24=1.92kN/m T 梁翼板自重g 3:(0.15+0.05×500/1150)×1.0×25=4.29 kN/m 人行道及栏杆自重g 1p :3.5kN/m 合计:g=∑g i = 10.86kN/m 2.每米宽板条的恒载内力 弯矩:m kN 488528610818122⋅=⨯⨯==...gl M Og剪力:kN 2959750861021210...gl Q Og =⨯⨯==(二)车辆荷载产生的内力 由于:a 1=a 2+2H =0.02+2×0.13=0.46mb 1=b 2+2H =0.06+2×0.13=0.86m荷载对于悬臂根部的有效分布宽度:a =a 1+l /3+d=0.46+2.5/3+1.4=2.69m<2l /3+d =3.06m故:a =3.06m荷载加于支撑处时对于悬臂根部的有效部分宽度:a =a 1+t +d=0.46+0.15+1.4=2.01m<l /3+d =2.23m故:a =3.06m每米宽简支板条的跨中活载弯矩:221400.86(1)1.3(2.5)30.78883.062op p M kN m a μ⨯=+=⨯⨯-=⋅⨯支点处剪力:12/245.75A P a kN == '2'12() 4.118PA a a kN aa b =-= '131226.602Pb A kNab =='24''12() 2.398PA a a kN aa b =-=10.828y = 20.945y = 30.100y = 40.055y = (1)57.32opi i V A y kN μ=+∑= (三)荷载组合 恒+汽:M 0=M Og +M Op =8.48+30.78=39.26kN·m因为:t/h <1/4,即主梁抗扭能力较大,故: 跨中弯矩: M 中=0.5M 0=19.63kN·m 支点弯矩: M 支=-0.7M 0=-27.48kN·m支点剪力: Q 支=Q Og +Q Op =5.29+57.32=62.61kN二.横向分布系数计算荷载位于支点处时,杠杆原理法计算荷载横向分布系数。
装配式预应力混凝土梁配筋作业1、试述简支梁纵向预应力主筋布置原理。
(要求图文并茂)2、试述简支梁纵向预应力主筋与普通钢筋协同布置原理。
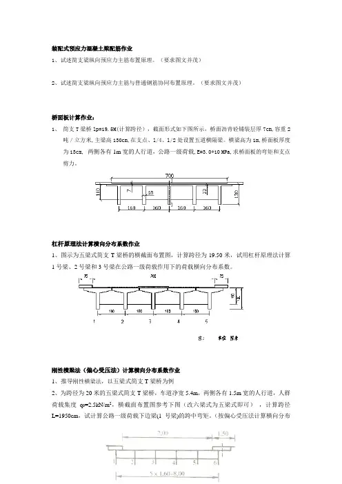
(要求图文并茂)桥面板计算作业:1、简支T梁桥lp=19.5M(计算跨径),截面形式如下图所示,桥面沥青砼铺装层厚7cm,容重2吨/立方米,主梁高130cm,在支点、l/4、l/2处设置五道横隔梁。
横梁高为1m,桥面板厚度为13cm,两侧各有1m宽的人行道,公路一级荷载,E=3.0*10 MPa,求桥面板的弯矩和支点剪力。
杠杆原理法计算横向分布系数作业1、图示为五梁式简支T梁桥的横截面布置图,计算跨径为19.50米,试用杠杆原理法计算1号梁、2号梁和3号梁在公路一级荷载作用下的荷载横向分布系数。
刚性横梁法(偏心受压法)计算横向分布系数作业1、推导刚性横梁法,以五梁式简支T梁桥为例2、为跨径为20米的五梁式简支T梁桥,车道净宽5.4m,两侧各有1.5m宽的人行道,人群荷载集度q0=2.5kN/m2,横截面布置图参考下图(改六梁式为五梁式即可),计算跨径L=1950cm,试计算公路一级荷载下边梁(1号梁)的跨中弯矩。
(按偏心受压法计算横向分布系数,冲击系数为1.2,车道折减系数为1.0)3、证明:在刚接梁法中∑==nkik11η(n为主梁数目)。
铰接板梁法计算横向分布系数作业1、铰接空心板由8块组成,l=13m,空心板计算截面如下图所示,查表计算并画出边块板的荷载分布影响线。
G-M法计算横向分布系数作业1、简支T梁桥lp=19.5M(计算跨径),截面形式如下图所示,桥面沥青砼铺装层厚7cm,容重2吨/立方米,主梁高130cm,在支点、l/4、l/2处设置五道横隔梁。
横梁高为1m,桥面板厚度为13cm,两侧各有0.75m宽的人行道,公路一级荷载,E=3.0*10 MPa。
(1)用G-M法查表计算并画出边梁横向分布影响线。
(2)如题一所述,用G-M法求跨中横梁截面Ⅰ-Ⅰ的弯矩影响线并求出汽-15最大弯矩。
------------------------------------------------------------------------------------------------------------------------------ (单选题)1: 公路&mdashⅡ级车道荷载的均布荷载标准值为( )kN/m。
A: 10.5B: 7.875C: 8.4D: 7.35正确答案:(单选题)2: 对于行车道板厚度应不小于10cm的要求是为了()。
A: 方便模板的制作B: 方便钢筋的布置C: 保证板的刚度D: 保证混凝土的浇筑质量正确答案:(单选题)3: ( )反映了桥下宣泄洪水的能力。
A: 桥梁全长B: 总跨径C: 计算跨径D: 标准跨径正确答案:(单选题)4: 在装配式预应力混凝土简支T形梁跨中部分采用下马蹄形截面的目的是( )。
A: 便于布置预应力筋B: 增强梁的稳定性C: 承受梁跨中较大的正弯矩D: 增强构件美观正确答案:(单选题)5: 对于一般小跨径的钢筋混凝土梁桥,当由结构自重和汽车荷载所计算的长期挠度不超过计算跨径的()时,可以不设预拱度。
A: 1/600B: 1/1300C: 1/1000D: 1/1600正确答案:(单选题)6: 在地基比较差的地区修建拱桥时,最好修建()。
A: 空腹式拱B: 无铰拱C: 两铰拱D: 三铰拱正确答案:(单选题)7: 整体式钢筋混凝土板桥承重板的计算单元是()。
A: 整体承重板B: 1m宽板带C: 荷载有效分布宽度的板D: 行车道宽度的板正确答案:------------------------------------------------------------------------------------------------------------------------------ (单选题)8: 钢筋混凝土结构按承载能力极限状态计算是以()为基础的。
2015—2016第2学期离线作业科目:桥梁工程姓名:罗菲学号:专业:土木工程工程造价2014-48班专本西南交通大学远程与继续教育学院直属学习中心桥梁工程第一次离线作业三、主观题共3道小题17.请归纳桥上可以通行的交通物包括哪些不少于三种请总结桥梁的跨越对象包括哪些不少于三种答:桥梁可以实现不同的交通物跨越障碍;最基本的交通物有:汽车、火车、行人等;其它的还包括:管线管线桥、轮船运河桥、飞机航站桥等; 桥梁跨越的对象包括:河流、山谷、道路、铁路、其它桥梁等;18.请给出按结构体系划分的桥梁结构形式分类情况,并回答各类桥梁的主要受力特征;答:桥梁按结构体系可以分为:梁桥、拱桥、悬索桥、组合体系桥梁;梁桥是主要以主梁受弯来承受荷载;拱桥主要是以拱圈受压来承受荷载;悬索桥主要是以大缆受拉来承受荷载;组合体系桥梁则是有多种受力构件按不同受力特征组合在一起共同承受荷载;19.请简述桥梁设计的基本原则包括哪些内容答:桥梁的基本设计原则包括:安全、适用、经济和美观;桥梁的安全既包括桥上车辆、行人的安全,也包括桥梁本身的安全;桥梁的适用能保证行车的通畅、舒适和安全;桥梁运量既能满足当前需要,也可适当照顾今后发展等方面内容;在安全、适用的前提下,经济是衡量技术水平和做出方案选择的主要因素;桥梁设计应体现出经济特性;在安全、适用和经济的前提下,尽可能使桥梁具有优美的外形,并与周围的环境相协调;桥梁工程第二次离线作业一、主观题共4道小题1.请归纳简支梁桥的主要特点包括哪些答:简支梁桥的主要特点是:受力明确静定结构、构造简单、易于标准化设计,易于标准化工厂制造和工地预制,易于架设施工,易于养护、维修和更换;但简支梁桥不适用于较大跨度的桥梁工程;2.综合题-计算题3仅限道桥专业:一个30m跨度的装配式简支梁,已知其1片边梁的跨中横向分布系数m c=,试计算其在公路-I级车道荷载和车辆荷载分别作用下的跨中弯矩值;并对比二者的大小关系;车道荷载和车辆荷载简图参见附图;计算中假定计算跨度也为30m;不计冲击系数;不计车道折减系数;并假定横向分布系数沿全桥均取相同数值10分答:根据车道荷载和车辆荷载中的均布与集中力大小,计算出30m简支梁的跨中弯矩;均布荷载跨中弯矩公式为M=1/8qLL;每一个集中荷载产生的跨中弯矩按结构力学公式计算或依据其产生的支点反力后进行计算;3.综合题-计算题类1:仅限道桥专业下图为一双车道布置的多主梁公路桥横截面布置,主梁间距为1.5m+2.0m+2.0m+1.5m;试采用杠杆原理法,求3主梁中梁在车辆荷载作用下的荷载横向分布系数m c;10分答:4.综合题-计算类2:仅限道桥专业如图所示为一双主梁公路桥的横截面布置,行车道宽9m即1.5m+6.0m+1.5m;试应用杠杆原理法,求解任一主梁在车辆荷载作用下的荷载横向分布系数m C;10分答:桥梁工程第三次离线作业三、主观题共5道小题24.试从强度、刚度、自重、造价、维护性能、跨越能力等方面,对比钢桥和混凝土桥的主要特点;答:混凝土桥主要特点是:强度低、刚度大、自重大、造价低、维修成本低、维修方便、跨越能力低;钢桥主要特点是:强度高、刚度小、自重轻、造价高、维修成本高、跨越能力大;25.简述钢桥连接的主要方式,并解释栓焊钢桥的含义;答:钢桥的主要连接方式包括:铆接、焊接和高强度螺栓连接;栓焊连接是我国铁路钢桁架梁桥建造常用的一种连接方式,其涵义是在工厂连接采用焊接形成杆件,工地连接采用高强度螺栓杆件形成桥梁;26.请解释什么是叠合梁结合梁桥,并说明其主要优点包括哪些以简支结合梁桥为例答:用剪力键或抗剪结合器或其它方法将混凝土桥面板与其下的钢板梁结合成整体的梁式结构,成称为结合梁桥;在结合梁桥中,混凝土桥面板参与钢板梁上翼缘受压,提高了桥梁的抗弯能力,从而可以节省用钢量或降低建筑高度27.请说明桥梁中板式橡胶支座的活动机理包括转动和水平移动;答:板式橡胶支座的活动机理是利用橡胶的不均匀弹性压缩和剪切变形来实现;当支座需要适用转动变形时,支座板面上的局部荷载呈现出梯形分布,一侧压力变大、一侧压力变小,两侧的橡胶板出现不同的弹性压缩变形,这种支座上产生的相对不均匀压缩,便可以适用梁端的转动变形量; 板式橡胶支座本身具有一定的厚度,当支座承受到梁底通过摩擦传递的水平力作用时,由于支座的抗剪切刚度相对较小,支座顶部会发生横向剪切变形,可以适用桥梁的梁端纵向伸长的活动;28.请列出桥梁基础采用的主要形式,并回答哪些基础形式不适用于深水大跨结构答:基础类型-根据埋置深度,分为浅置基础和深置基础浅置基础:埋深较浅一般小于5m,扩大基础深置基础深水基础:桩基础,沉井,沉箱,管柱等;一般浅置基础不适用于哪些基础形式不适用于深水大跨结构桥梁工程第四次离线作业三、主观题共7道小题20.大跨径公路预应力混凝土连续梁桥为什么大多采用不等跨和变截面的形式以三跨为例说明答:连续梁跨径的布置一般采用不等跨的形式,如果采用等跨布置,则边跨内力将控制全桥设计,这样是不经济的;此外,边跨过长,削弱了边跨刚度,将增大活载在中跨跨中截面的弯矩变化幅值,增加预应力束筋数量;从预应力混凝土连续梁受力特点来分析,连续梁的立面以采用变截面的布置为宜;由于大跨度连续梁一般采用悬臂施工方法,连续梁在恒载作用下,支点截面将出现较大的负弯矩,从绝对值来看,支点截的负弯矩往往大于跨中截面的正弯矩,因此采用变截面梁能较好地会合梁的内力分布规律;21.一座三跨预应力混凝土连续箱梁桥,主跨100m;讨论在下列各种情况下,其合适的施工方法;a跨越无水区域,桥下无通车需求,桥面不高;b跨越河流,桥下有通航需求,桥面较高;c跨越铁路干线,桥面不高,铁路部门允许断道的时间极为有限,沿铁路线有施工场地;答:A情况适用有支架就地浇筑施工;B情况适用悬臂施工法;C情况适用于转体施工法;22.对比梁桥与拱桥,为什么小跨径拱桥可以采用圬工结构来修建为什么拱桥对基础条件要求高答:梁桥主要是以主梁受弯来实现承载的;拱桥是在竖直荷载作用下,作为承重结构的拱肋主要承受压力;由于中小跨度拱桥拱肋主要承受压力,因此可以采用抗压能力较强而抗拉能力较弱的圬工结构修建;拱桥的拱脚则不但要承受竖直方向的力,还要承受水平方向的力;因此拱桥对基础与地基的要求比梁桥要高;23.下图所示的两种拱桥结构,哪种可用于地基不够坚实之处为什么a下承式系杆拱b上承式无铰拱答:图a的下承式系杆拱桥可以适用于地基不够坚固处;图b等的常规拱桥,在荷载作用下拱脚会产生较大的水平推力,因此对基础要求较高;图a的系杆拱桥,设置有系杆可以在内部平衡拱脚的水平推力,整个结构在体外类似于静定结构,对基础只产生竖向力,不产生水平推力,因此对基础的要求相对较小;24.绘制出上承式拱桥、中承式拱桥、下承式拱桥的示意图,标注出桥面位置和承重结构位置,并解释上承式桥梁、中承式桥梁和下承式桥梁的含义;答:25.对比说明斜拉桥和悬索桥的组成部分,并回答它们各自的主要承重结构包括哪些答:斜拉桥的组成包括:主梁、斜拉索、索塔;悬索桥的组成包括:大缆、锚碇、塔、加劲梁、吊索、鞍座等;斜拉桥为组合受力体系结构,其承重结构为:主梁、斜拉索、索塔,悬索桥的承载结构主要是大缆,其次包括桥塔和锚碇;26.为什么悬索桥是跨越能力最大的桥梁结构形式答: 1.在材料用量和截面设计方面,其他河中桥型的主要承重构件的截面积总是随着跨度的增加而增加,致使材料用量增加很快;但大跨悬索桥的加劲梁却不是主要承重构件,其截面积并不需要随着跨度而增加;2.在构件设计方面,许多构件截面积的增大时容易受到客观制约的,例如梁的高度,杆件的截面尺寸、钢材的供料规格等,但是悬索桥的大缆锚碇和塔这三项主要承重构件在扩充其截面积或承载能力方面所遇到的困难较小;3.作为承重构建的大缆具有非常合理的受力形式 4.在施工方面;悬索桥的施工总是先将大缆架好,这已是现成的悬吊式脚手架桥梁工程第五次离线作业三、主观题共6道小题33.公路车道荷载需要进行横向和纵向折减,为什么答:公路的车道荷载是是规范规定要求使用的一种虚拟荷载,其标准值是在特定条件下根据统计和分析确定的;对于多车道桥梁,其上行驶的汽车荷载使桥梁构件的某一截面产生最大效应时,其同时处于最不利位置的可能性不大,显然根据概率,这种可能性随车道数的增加而减小,而桥梁设计是各个车道上的汽车荷载都是按最不利的位置布置,因此计算结果应根据上述可能性的大小就行折减,即存在横向折减的问题;汽车荷载的标准值在制定的时候对于计算结构效应的车道荷载,参考了自然堵车下的车距统计和重载车辆的调查资料而加以抽象化,实际桥梁上通行的车辆不一定能达到上述条件,特别是对于大跨度桥梁,依据概率分布的特点,跨度越大,出现上述情况的可能性越小,因此计算汽车荷载效应的时候需要就行相应的纵向折减;34.桥梁设计时为什么需要考虑作用荷载组合答:桥梁结构在修建和使用时会承受多种多样的作用的影响,不同作用产生的可能性不一样,影响结构的特征也不一样;为获得施工和运营时可能处于最不利的受力状态,以确保结构的安全性,需要将各种作用效应加以组合;组合时还需考虑不同作用同时发生的可能性;35.试比较公路和铁路桥梁的作用组合方式有什么不同答:公路桥梁设计中作用荷载分为永久作用、可变作用和偶然作用;公路桥梁设计中作用的组合分为多种类型;如考虑承载能力极限状态下的基本组合与偶然组合,考虑正常使用极限状态下的长期组合、短期组合、应力计算组合等;组合时,需要考虑不同作用的分项系数与组合系数;铁路桥梁设计中作用荷载分为主力包括恒载和活载、附加力、特殊荷载;铁路桥梁设计中的荷载组合方式主要为三种:1主力组合:恒载+活载;2附加力组合:恒载+活载+附加力;3特殊荷载组合:恒载+活载+特殊荷载;在组合中,铁路荷载效应的组合是各项荷载效应的直接叠加,不考虑荷载的组合系数和分项系数;36.桥面上设置横、纵坡的作用各是什么当桥宽很大时,横坡能否仍采用三角垫层的方式设置为什么答:桥梁上设置纵坡首先是为了适应线路竖向曲线的需求或者是为了满足跨越净空的需要;设置纵坡也能够为桥面排水提供充分的条件;桥梁上设置横坡的目的主要是便于桥面横向汇水与排水;在弯道桥上,桥面横坡也用于适应线路横向超高的需求;当桥宽很大时不宜采用三角垫层方式设置桥面横坡;因为三角垫层的厚度受桥面横坡大小与桥面宽度影响;如果设计横坡是一个定值,在宽桥中为实现桥面横坡,会需要较大的垫层厚度;这会导致桥面铺装系统的重量增加,即不利于承重结构和桥面结构受力,也不经济;37.简述桥梁结构中桥面铺装层的主要作用;答:桥梁铺装的主要作用在于:防止车辆轮胎或履带直接磨耗行车道板、保护主梁免受雨水侵蚀对车辆轮重的集中荷载起分布作用;图中,车轮行进时,需要桥面铺装层提供摩擦力,反过来摩擦力的存在要求桥面铺装应具有一定的耐磨性;桥面铺装的存在也避免了车轮直接磨耗桥梁的受力构件-行车道板;图中,车轮因其承重会对桥梁结构产生竖向局部压力,铺装层的存在可以将车轮的集中压力扩散到桥梁的受力构件行车道板,减小车轮荷载的局部效应;反过来,由于需要直接承受轮压荷载,这也需要桥面铺装层必需具备一定的强度;图中还可以看到,桥面铺装层下直接对应桥梁结构的行车道主梁,无论采用钢筋混凝土结构还是钢结构,都需要桥面铺装在摩擦力和轮压力小应有较好的抗裂性,避免桥面雨水通过桥面裂缝渗透到梁体引起主梁钢筋或钢结构的锈蚀;因此,桥面铺装要求有一定的强度,防止开裂,并保证耐磨;38.在桥梁工程中,设置伸缩缝的作用是什么答:桥跨结构在气温变化、活载作用、混凝土收缩徐变等影响下将会发生伸缩变形;为满足桥面按照设计的计算图式自由变形,同时又保证车辆能平顺通过,就要在相邻两梁端之间以及在梁端与桥台或桥梁的铰接位置上预留断缝,并在桥面公路桥是路面,铁路桥是钢轨设置伸缩装置;桥梁工程第六次离线作业三、主观题共4道小题31.请绘制一2×30m简支梁桥立面布置的示意图,要求包括并标注:桥台、桥墩、主梁、支座、桥面铺装、栏杆、伸缩缝;并归纳简支梁桥的主要特点包括哪些参考答案:简支梁桥的主要特点包括:1受力明确;静定结构,受力明确,不会产生次内力如沉降、温度、预应力等次内力;构造简单;因为受力明确构造相对简单,可采用拼装式结构;2易于设计;易于设计成系列化和标准化;3易于施工;有利于在工厂内或工地上广泛采用工业化施工,组织大规模预制生产,显着加快建桥速度 ;4便于管养;病害少,维修、更换容易;5跨度受限;在中小跨径桥梁应用广泛,不能作为大跨度桥梁的适用形式;32.2012年3月13日,湖南省娄底市涟水河大桥桥面发生下塌的事故,大桥进入钢管拱施工阶段的第十跨桥面发生局部下塌;由于当时没有施工人员作业,没有造成人员伤亡;发生事故的桥梁设计为下承式钢管混凝土系杆拱桥,桥面宽28.5米,双向6车道布置;请根据案例分析以下问题:1请根据所学知识,说明什么是系杆拱桥,并绘制一个完整的下承式系杆拱桥示例;2分2下承式系杆拱桥属于拱-梁组合体系桥梁,请回答拱-梁组合体系桥梁的受力特点,并回答系杆拱桥中系杆的作用;2分3发生事故时,该桥处于主梁系杆浇筑完成后的施工阶段,发生事故的主要原因是施工单位违规操作将主梁支架提前拆架;请根据图片说明,该拱桥采用的是什么样的施工方法2分4请说明为什么主梁支架提前拆架会引起桥梁事故2分5请给出该类桥梁的合理施工步骤顺序建议;2分参考答案:1系杆拱桥是采用设置水平系杆来平衡拱脚水平推力的一种拱桥结构形式;这种结构形式在体外形成静定结构,对下部结构不会产生推力;在体内通常设置为拱梁组合而成的超静定结构;2拱梁组合体系桥梁是由主梁和主拱共同承受外部荷载的桥型,主梁受力以受弯为主,主拱受力以受压为主;根据拱、梁刚度的差异可以划分为刚梁刚拱、刚梁柔拱、柔梁刚拱等不同形式;系杆拱桥中的系杆主要用于平衡自重和车辆荷载作用下产生的拱脚水平推力,通过系杆的受力,形成无推力拱桥结构,从而减小对基础设置时对抵抗水平推力的要求;3根据图片该桥采用的是支架现浇的施工方法施工主梁;拱圈架设采用主梁上少支架支撑拼装形式架设拱圈钢管;4拱梁组合体系桥梁需要由拱和梁共同承受自重和外荷载作用;施工当中主梁浇筑完毕后,拱肋并没有完成架设,也没有施工吊杆;这种情况下提前拆除主梁支架,由于没有拱圈的帮助,主梁不能承受如此跨度下自重产生的弯矩,因而出现了主梁大变形竖向变形;5根据拱梁组合体系的受力特点,在该桥的施工中合理的施工步骤应为:A.搭设支架,支架法浇筑主梁,张拉主梁预应力;B.在主梁上搭设支架,拼装拱圈钢管;浇筑拱圈钢管内混凝土;形成钢管混凝土拱肋;C.安装吊杆;形成拱梁组合受力体系;D.拆除桥面拱肋支架、拆除主梁支架;桥面拱肋拼装支架可以在拱肋钢管完成连接后拆除E.完成桥面铺装及其它附属结构施工;33.2012年8月24日5点30分左右,哈尔滨阳明滩大桥疏解工程一上行匝道垮塌,桥上4辆货车侧翻至桥下,致使3人死亡5人受伤;经专家组认定,事故性质为由于车辆严重超载而导致匝道倾覆、车辆翻落地面,造成人员伤亡的特大道路交通事故;经调查和实际称重,事故发生时的4台货车核载总量为吨,实载总量为吨,总超载为吨,车货总重吨;由于超载货车在121.96米的长梁体范围内同时集中靠右行驶,造成钢混叠合梁一侧偏载受力严重超载荷,从而导致倾覆;该倾覆的匝道桥面宽度为9m,采用三跨连续梁结构,主梁为变截面结合梁叠合梁;连续梁下部结构中连续梁中墩采用独柱墩的形式柱顶设1个支座、边墩采用独柱盖梁形式盖梁上横向设多个支座1什么是叠合梁结合梁结构2分2根据材料性能的差异,在相同跨度情况下,试将钢梁、混凝土梁、叠合梁结构自重的大小排序进行排序;2分4根据事故桥梁设计的独柱墩及其支座平面布置情况,试分析独柱墩为什么在车辆偏载靠边行驶时容易出现倾覆的事故2分3事故桥梁的支座立面和平面布置情况参见图D;请说明在连续梁结构中当采用钢梁或叠合梁时为什么边跨支座容易出现支座脱空情况即支座出现拉力而退出工作 2分5试从桥梁结构设计与桥梁运营管理角度论述如何避免类似事故发生2分参考答案:1、用剪力键或抗剪结合器或其它方法将混凝土桥面板与其下的钢板梁结合成整体的梁式结构,成称为结合梁桥;在结合梁桥中,混凝土桥面板参与钢板梁上翼缘受压,提高了桥梁的抗弯能力,从而可以节省用钢量或降低建筑高度;2、因为钢材的强度高,在相同跨径的情况下,钢梁的自重较混凝土梁轻;叠合梁的材料受力介于钢梁和混凝土梁之间,故通常情况下在相同跨径条件下结构自重的排序为:钢梁<叠合梁<混凝土梁;3、连续梁中在结构自重恒载作用下,边墩的支座反力通常会小于中墩的支座反力;如果边中跨布置不合理,在自重情况下边墩的支座反力通常会很小,特别是对于钢梁或结合梁这类自重较轻的桥梁结构;连续梁结构如果中跨布置汽车荷载时,汽车荷载会产生边跨支座的负反力拉力,如果汽车荷载产生的拉力大样自重产生的压力,那么恒载与活载组合后的边支座反力可能是拉力效应;通常的支座设计是只能承受压力而不能承受拉力的,组合后的拉力效应直接将使得边跨支座出现受拉后脱空的情况;钢梁或叠合梁由于自重较轻更容易出现这种情况;4、事故桥梁的连续梁支座平面布置中,两个中墩采用了独柱桥墩单点支座布置形式,对结构抵抗偏载扭矩没有帮助;车辆荷载偏载布置时所产生的横向扭矩完全由边墩的独柱双点支座来抵抗;汽车活载作用下,横向双点支座对扭矩的抵抗反映为一个支座受拉、一个支座受压而形成的抵抗扭矩;由于连续梁结构本身边跨支点的恒载压力储备就较小,在全球满布偏载特别是超重车辆偏载的情况,外侧扭转受拉侧、车辆偏载的反方向侧角点的支座反力更容易出现拉力而导致支座脱空;一侧支座脱空后,边墩双点支座抗扭的能力会丧失,将直接导致桥梁出现侧向倾覆失稳现象的发生;对于钢桥或结合梁桥,这种倾覆非风险因结构恒载自重轻的原因而更容易产生;5、从桥梁结构设计上的措施:采用合理的连续梁边中跨比;钢梁或叠合梁边跨支点可适当压重以提高恒载压力储备;尽量避免采用独柱桥墩,特别是单点支座的独柱桥墩,条件适宜的地方宜尽量采用双柱或多柱桥墩提高体系的抗扭能力;提供横向抗扭的多支点支座的布置间距宜适当加大;连续的叠合梁结构预应力张拉应避免导致边墩支点的二次负反力;从桥梁运营管理上的措施:严格控制超重车辆上桥;匝道桥中设置独柱墩及桥面较窄的情况下宜提示重车居中形式,减下偏载下的结构倾覆风险。
《桥梁工程》作业一、桥面板内力计算作业1:单向板内力计算条件:①桥主梁跨径为19.5m,桥墩中心距为20m,横隔梁间距4.85m,桥宽为5×1。
6+2×0。
75=9。
5m,主梁为5片.铺装层由沥青面层(0.03m)和混凝土垫层(0。
09m)组成.板厚120mm,主梁宽180mm,高1300mm。
②桥面荷载:公路Ⅰ级要求:确定板内弯距作业2:铰接悬臂板内力计算已知:铰接悬臂板,公路-Ⅰ级;桥面铺装:3cm沥青混凝土面层,γ1=24kN/m3;平均12cm厚C30号混凝土垫层,γ2=25kN/m3;T梁翼板:γ3=25kN/m3。
求算:设计内力作业1:用杠杆原理法求支点处各梁的横向分布系数条件:如图所示一桥面净空为净-7。
4+2×1.0m人行道的钢筋混凝土T梁桥,共5根主梁。
作业2:用偏心压力法求跨中处各梁的荷载横向分布系数条件:如图所示一桥面净空为净-7。
4+2×1。
0m 人行道的钢筋混凝土T 梁桥,共5根主梁,各主梁横截面相同,计算跨径为19。
5m 。
要求:求荷载位于跨中处时各梁的荷载横向分布系数作业3:用修正的偏心压力法求跨中处各梁的荷载横向分布系数条件:如图所示一桥面净空为净-7。
4+2×1。
0m 人行道的钢筋混凝土T 梁桥,共5根主梁,各主梁横截面相同,计算跨径为19。
5m. 要求:求荷载位于跨中处时各梁的荷载横向分布系数主梁一般构造图桥梁横断面桥梁横断面桥梁横断面三、主梁内力计算条件:如图所示钢筋混凝土简支梁桥,桥梁宽净7。
4+2×1。
0m,各主梁横截面相同,设计荷载为公路-Ⅰ级,人群荷载为3。
52/m KN ,计算跨径为19.5m,冲击系数μ=0。
13。
要求:计算①号梁在活载作用下跨中弯距和支点剪力 四、横隔梁内力计算条件:如图所示钢筋混凝土简支梁桥,桥梁宽净7。
4+2×1。
0m ,各主梁横截面相同,设计荷载为公路-Ⅰ级,人群荷载为3。