DM8002部标车载终端使用说明.
- 格式:doc
- 大小:302.50 KB
- 文档页数:19
4、3G车载终端操作手册3G车载终端操作手册一、概述3G车载终端是一种集成GPS定位、无线通信和汽车行驶数据采集于一体的设备,通过连接汽车OBD接口实现与车辆的通信。
本操作手册旨在为使用3G车载终端的用户提供操作指南,帮助您了解设备功能、安装及使用方法,同时提高车辆行驶安全和车辆管理效率。
二、设备安装1、连接OBD接口:将3G车载终端的OBD适配器正确插入车辆的OBD 接口,确保连接稳定。
2、安装SIM卡:按照设备说明书中的指示,安装SIM卡,确保SIM 卡正确插入。
3、开启设备:打开设备的电源开关,等待设备启动。
三、设备功能1、GPS定位:3G车载终端内置GPS模块,可实时获取车辆位置信息,精度可达到5-10米。
2、无线通信:通过内置的3G/4G通信模块,实现与远程服务器的数据传输和语音通信。
3、汽车行驶数据采集:设备可采集车辆行驶速度、发动机转速、车速等关键数据,帮助用户更好地了解车辆运行状态。
4、报警功能:当发生异常情况,如车辆被盗、行驶速度过快等,设备会自动发送报警信息至预设的手机或后台服务器。
四、操作步骤1、设备连接:确保3G车载终端已连接汽车OBD接口,设备电源已开启。
2、账户登录:打开设备配套的移动应用程序,输入账户信息进行登录。
3、设备配置:在移动应用程序中,根据实际需求配置设备参数,如报警触发条件、通信模块设置等。
4、报警设置:在移动应用程序中设置报警条件,如车辆被盗、行驶速度过快等,确保设备能够在异常情况下及时发出报警信息。
5、数据查看:在移动应用程序中查看车辆行驶数据,包括车辆位置、速度、发动机转速等,帮助用户了解车辆运行状态。
五、常见问题及解决方法1、设备无法连接OBD接口:检查OBD接口是否正常,重新插拔OBD 适配器并确保连接稳定。
2、设备无法登录账户:检查网络连接是否正常,如使用3G/4G网络,请确认SIM卡是否正确安装并已激活。
3、无法收到报警信息:请检查移动应用程序中的报警设置是否正确,同时确认设备是否在移动网络覆盖范围内。
博实结车载终端设备产品使用说明书法律声明:首先感谢阁下使用惠州市博实结科技有限公司(以下称为“博实结科技”)的产品。
如果您已同意以下条款,将获得我们提供的支持与服务。
当您对此有疑义,欢迎来电咨询。
若您不能接受以下条款,请停止使用本手册。
本文手册所有权归惠州市博实结科技有限公司。
保留任何未在本手册中明示授予的权利。
手册中涉及博实结科技的专有信息。
未经博实结科技事先书面许可,任何单位和个人不得复制、传递、分发、使用和泄漏该手册以及该手册包含的任何图片、表格、数据及其他信息。
“博实结”和“”是博实结科技的注册商标。
在未经博实结科技事先书面同意的情况下,阅读本文档并不表示以默示、不可反言或其他方式授予阅读者任何使用本文档中出现的任何标记的权利。
本产品的存放、使用应遵照产品手册、相关合同或相关法律、法规的要求进行。
本公司保留在不预先通知的情况下,对此手册中描述的产品进行修改和改进的权利;同时保留随时修订或收回本手册的权利。
本用户手册中如有文字不明之处,请您及时向本公司或者代理商、销售商咨询。
目录第一章产品组成及接口定义 (4)一、产品概况 (4)二、产品配置清单 (5)三、产品接口定义及接线说明 (6)第二章整机参数及功能操作说明 (8)一、产品整机参数表 (8)二、产品整机功能表 (8)三、产品安装操作流程 (9)第三章常见问题分析与售后服务 (13)一、常见问题分析 (13)二、注意事项 (14)三、售后服务 (14)第一章产品组成及接口定义一、产品概况汽车行驶记录仪是一款集定位、2G/3G/4G通讯、车辆远程监控于一体的车载监控终端。
内置行驶记录仪,即汽车“黑匣子”,方便交警执法和政府监管。
本产品可外装油量采集设备、温度采集设备使用;支持双IP、IC 卡登签、实时监控、拍照等功能;车载监控终端符合北斗部标北斗协议(JT/T794-2019、JT/T808-2019)、国标协议(GB/T19056-2012)等国家相关政策标准,可适用于两客一危、货运车、出租车、网约车、校车、押运车等车辆行业监管需求。
道路运输车辆卫星定位系统车载终端用户手册V1.0目录V1.0 (1)目录 (1)产品概述 (3)技术指标 (4)功能详细介绍 (6)3.1查询功能 (6)3.1.1位置查询(支持SMS模式) (6)3.1.2参数状态查询(支持SMS模式) (6)3.1.3定时回传参数查询(支持SMS模式) (6)3.1.4查询车辆历史轨迹 (6)3.1.5查询车辆参数 (6)3.1.6版本查询(支持SMS模式) (6)3.2设置 (6)3.2.1定时回传位置信息的时间间隔设置(支持SMS模式) (6)3.2.2超速报警门阀设置(支持SMS模式) (7)3.2.3停车超时报警门阀设置(支持SMS模式) (7)3.2.4电子围栏设置(支持SMS模式) (7)3.2.5多边形电子围栏设置(支持SMS模式) (7)3.2.6 IP、端口及APN设置(支持SMS模式) (7)3.2.7远程设置GPRS通讯方式(支持SMS模式) (7)3.2.8远程设置本机号(支持SMS模式) (7)3.2.9远程下载集团电话号码(支持SMS模式) (7)3.2.10通讯限制(支持SMS模式) (7)3.2.11远程修改短信中心号码(支持SMS模式) (8)3.2.12初始化里程(支持SMS模式) (8)3.2.13心跳时间设置(支持SMS模式) (8)3.2.14线路规划设置 (8)3.2.15车速传感器传递系数设置(支持SMS模式) (8)3.2.16车辆参数设置 (8)3.2.17自定义检测口配置 (8)3.3、远程控制 (8)3.3.1远程重启(支持SMS模式) (8)3.3.2远程控制油路(支持SMS模式) (9)3.3.3收发调度信息(支持SMS模式) (9)3.3.4远程监听(支持SMS模式) (9)3.3.5支持远程软件升级(支持SMS模式) (9)3.4报警 (9)3.4.1超速报警 (9)3.4.2停车超时报警 (9)3.4.3 GPS天线开路短路报警 (10)3.4.4终端主电源断电报警 (10)3.4.5电源过高/低报警 (10)3.4.6自定义报警(高低传感器报警) (10)3.4.7抢劫/求助报警 (10)3.4.8进出围栏报警 (10)3.4.9疲劳驾驶报警 (10)3.5其它 (10)3.5.1图像采集 (10)3.5.2定时拍照 (11)3.5.3触发拍照 (11)3.5.4里程统计 (11)3.5.5盲区补传 (11)3.5.6打印功能 (11)3.5.7行驶记录仪功能 (11)3.5.8、读取事故疑点数据 (11)四、外带接口和扩展功能 (11)4.1 带USB host接口 (11)4.2 DB9串口连接PC电脑 (12)4.3 无线红外接口 (12)4.4 带IC卡接口 (12)4.5 带速度传感器接口 (12)五、使用说明 (12)5.2主机参数设置 (13)5.2.1 菜单结构示意图: (14)5.2.2 菜单设置 (15)七安装及调试流程 (17)七包装清单 (18)八注意事项 (18)产品概述道路运输车辆卫星定位系统车载终端、符合汽车行驶记录仪国标GB/T GBT19056-2003和交通运输部JT/T 794-2011《道路运输车辆卫星定位系统车载终端技术要求》、JT/T808-2011《道路运输车辆卫星定位系统车载终端通讯协议及数据格式》标准。
甲天行BD/GPS主机系列北斗部标一体机车载定位终端产品使用说明书(DM8002-30)深圳市甲天行科技有限公司目录1 产品简介 02 注意事项 03 技术参数 (1)4 装箱清单及外观 (1)5 主要功能 (2)5.1实时定位监控 (2)5.2实时时间、日期及驾驶时间的记录、存储、采集的功能 (2)5.3行驶管理功能 (3)5.4车辆信息、驾驶员档案的采集管理功能 (3)5.5显示打印功能 (3)5.6监听和通话功能 (3)5.7报警/行驶记录功能 (3)5.8断电保护 (5)5.9数据通讯功能 (5)5.10轨迹回放 (5)5.11远程数据提取 (5)5.12远程断油/断电 (5)5.13信息服务功能 (5)5.14图像监控,图片储存功能 (6)5.15 双IP上线 (6)5.16休眠功能 (6)6 使用流程 (6)7 安装步骤 (6)7.1装好SIM 卡 (6)7.2选好终端安装位置 (7)7.3 接线 (7)7.4 安装卫星天线 (8)7.5安装GSM/GPRS 天线 (8)7.6终端安装固定 (9)7.7 选配件的安装 (9)7.8 检查无误后上电试车 (10)8 常见问题 (10)9 售后服务 (12)附件A DM8002-30主机接线示意图 (13)附件B保修单 (14)1 产品简介本产品属道路运输车辆卫星定位系统车载终端,型号为DM8002-30。
产品的设计和生产完全符合《道路运输车辆卫星定位系统车载终端技术要求》(JT/T794—2011)、《道路运输车辆卫星定位系统终端通讯协议及数据格式》(JT/T808—2011)和《汽车行驶记录仪》(GB/T19056-XXXX)标准要求。
主要实现了标准车辆的信号状态、卫星位置定位、速度里程统计、报警信息等的采集、计算、整理、存储和查询等。
并能通过无线通讯网络,向监控中心主动或被动上传各类信息,实现IC卡信息读取、打印、信息显示等功能。
2 注意事项(1)请确保购买的SIM卡符合通讯要求,并可以正常使用(咨询当地运营商是否开通SIM卡的GPRS功能和APN是什么)中国大陆的中国移动APN是CMNET(本终端不需设置),若是专用卡,请提供专用的APN。
DM23终端用户使用说明书请在下载前认真阅读本说明书。
一、准备工作准备工作只须在第一次使用时操作,如果不是第一次在本机上操作,可以直接进入下载功能!第1步运行Dm23 Terminate.exe,如果是第一次运行,则使用默认打开串口1,如果打开失败,则出现如下图所示提示:点击“确认”键,出现如下图所示提示。
第2步如果是第一次运行此程序,点击“设置”键设置串口。
请选择正确的串口,波特率、数据位、校验、停止位和流控制通常使用默认配置。
配置完成后按“确认”键。
第3步点击“连接”键如果连接成功,出现如下图所示:否则下图所示失败提示,此时请检查串口是否被占用或不存在。
二、下载应用程序第1步用DM23下载线连接设定串口和DM23下载口,双击运行Dm23 Terminate.exe。
第2步给DM23A通电。
在听到“嘀”一声后3秒内按下PC键盘的“A”进入MONITOR程序,DM23终端显示如下:红色圈指示的是MONITOR的版本号如果要执行[下载LOGO]的操作,MONITOR版本必须是V3.02或以上版本。
如果版本不对,则首先要升级MONITOR!如果版本正确,根据需要进行后续的操作。
第3步输入“XA”,回车确认进行程序擦除(输入“?”可查询命令),等待擦除成功提示:第3步擦除成功后,点击“发送”键,下载编辑框中所示应用程序(*.txt),如果下载其他程序,请先点击“浏览”键选择相应文件。
等待如下图下载成功提示。
下载完成后可输入“G”,直接进入应用程序,不用重新上电。
注意:下载的文件如图中编辑框所示,如果需要更换下载文件,请点击“浏览”键选择。
下载过程中选择无效。
三、下载LOGO“厂家自定义画面”只有部分DM23程序支持,详情请咨询!第1步建立连接(参考下载应用程序的第1步和第二步),然后输入“XF”,回车确认,进行擦除“厂家自定义画面”,等待擦除成功提示:第2步按“浏览”键选择要下载的LOGO文件(*.txt)进行下载,然后点击“发送”键等待下载成功提示。
DM8000Advanced Digital Audio Processor for Installation Applications with Configurable DSP, Audio Networking and Acoustic Echo CancellationV 1.0保修条款法律声明带有此标志的终端设备具有强大的电流, 存在触电危险。
仅限使用带有 ¼'' TS 或扭锁式插头的高品质专业扬声器线。
所有的安装或调整均须由合格的专业人员进行。
此标志提醒您, 产品内存在未绝缘的危险电压, 有触电危险。
此标志提醒您查阅所附的重要的使用及维修说明。
请阅读有关手册。
小心为避免触电危险, 请勿打开机顶盖 (或背面挡板)。
设备内没有可供用户维修使用的部件。
请将维修事项交由合格的专业人员进行。
小心为避免着火或触电危险, 请勿将此设备置于雨淋或潮湿中。
此设备也不可受液体滴溅, 盛有液体的容器也不可置于其上, 如花瓶等。
小心维修说明仅是给合格的专业维修人员使用的。
为避免触电危险, 除了使用说明书提到的以外, 请勿进行任何其它维修。
所有维修均须由合格的专业人员进行。
1. 请阅读这些说明。
2. 请妥善保存这些说明。
3. 请注意所有的警示。
4. 请遵守所有的说明。
5. 请勿在靠近水的地方使用本产品。
6. 请用干布清洁本产品。
7. 请勿堵塞通风口。
安装本产品时请遵照厂家的说明。
8. 请勿将本产品安装在热源附近,如 暖 气 片, 炉子或其它产生热量的设备( 包 括功放器)。
9. 请勿移除极性插头或接地插头的安全装置。
接地插头是由两个插塞接点及一个接地头构成。
若随货提供的插头不适合您的插座, 请找电工更换一个合适的插座。
10. 妥善保护电源线, 使其不被践踏或刺破, 尤其注意电源插头、多用途插座及设备连接处。
11. 请只使用厂家指定的附属设备和配 件。
12. 请只使用厂家指定的或随货销售的手推车, 架子, 三 角架, 支架和桌子。
一、GPS终端定位系统安装接线图
二、安全注意事项
1、安装前,接上GPS和GSM天线,注意两根天线不要接反,扁扁长长的为GSM天线,正方型带磁铁的为GPS天线。
2、摆放GPS天线时,带磁铁的一面向下用双面胶贴好,GPS天线头的上方不能有金属物遮档,玻璃和塑料不会影响GPS信号的接收。
3、6P线定义:接上主机的电源线,红色接电源的正极,黑色的接电源的负极。
白色线为ACC感应线,其余的线为预留线,无需理会。
4、通上电以后观察两个指示灯的状态。
黄色灯与红色灯交替闪烁,说明设备定位通讯正常。
5、主机正常,固定好GPS主机,安装完成。
“银雀”(4G)XSE-G05-BD2(GPS+BD)型车载终端技术规格功能及使用说明书(V2019.1)北京朝宇慧科信息技术有限公司2019.1目录一、概述 (2)二、技术指标及规格 (3)三、主要功能 (4)四、操作使用及调试说明 (6)五、维护常识 (10)六、保修服务说明 (10)一、概述“银雀”(4G)XSE-G05-BD2(GPS+BD)型(V130版)北斗车载定位终端,集北斗+GNSS 定位系统技术、4G无线数据技术、智能自动化控制技术、防盗、防报警技术于一体,可对移动目标的位置、安全、运行、技术状态进行全天候的的监控,能够提供实时定位、车队管理、车辆防盗、采集数据、求助、故障维护、双向信息通信等多项服务。
本文主要介绍该设备的主要功能、配件清单、使用维护常识及制造商的售后服务方式等;本文的解释权只归本产品制造商,如需咨询,请联系制造商技术服务机构。
标配附件:外置通信天线、外置北斗/GPS双模卫星定位天线、车载终端主线束。
本车载终端的功能配置,方便用户根据自身的功能需求选择不同配置,达到节约投资,性价比最佳配置的目的;本产品耗电低、环保节能,也便于散热,更易于安装和维护。
本车载终端由主机、电源及控制电缆、外置通信天线、外置GNSS天线等组成。
可选的外接设备有:摄像头、OBD采集器、以及其他智能串口外设等。
图1“银雀”产品图片二、技术指标及规格1.主机定位方式:具备GNSS接受信号及定位;GPS+BDS联合定位能力;数据传送方式:2G/3G/4G(具体见通信单元说明)终端与监控中心(平台)的通信方式:采用TCP协议与中心连接机制:自动连线,掉线重连;备用中心IP地址(可选):可以预存2个备用中心的IP地址,当主IP在一定周期连接不上时,终端将采用备用IP连线中心电源:9V~36V,额定12V平均工作电流:≤80mA(12V)休眠电流:≤5mA(12V)(当终端检测ACC关即熄火后5分钟,进入休眠状态)备用电池:锂聚合物电池+4.2V/500mA工作温度:-20℃~+70℃存贮温度:-40℃~+85℃相对湿度:93%(常温)机型尺寸:90mm(长)×63mm(宽)×33mm(高)重量:170g平均无故障时间(MTBF):≥3000h2.定位单元天线接口形式:SMA天线阻抗:50Ω定位精度:<10m(普通)定位速度精度:≤0.1m/s接收频段:GPS:L1:1575.42MHz;C/A Code50信道BDS:B1:1561.098MHz;定位接收机灵敏度:-165dBm(跟踪);-153dBm(捕获)定位冷启动时间:<30s定位热启动时间:<5s重新捕获时间:<1s定位更新周期:1秒/次,可终止并进入休眠状态;差分功能:支持RTD方式的地基增强差分,支持兼容RTCM3.2格式的差分数据解算;差分定位精度:小于3米。
GPS车载监控管理终端T80-1/T80C使用说明书广州超前计算机科技有限公司版权所有侵权必究(版本2.0 修改时间20XX-10-13)请先阅读本节◎感谢您购买本公司的产品,在使用产品之前,请认真阅读本说明书,并请遵守本书每一章节的操作和注意事项。
当您开始使用产品时,本公司认为您已经认真地阅读了本说明书。
◎本说明书提供的信息,经仔细核对,务求精准。
如有任何印刷或翻译错误,本公司不承担因此产生的后果。
◎本设备属于高技术产品,本公司在硬件的制造过程和软件的开发以及运用过程中已经尽到了充分的注意义务,以确保产品能够正常工作。
如果产品发生故障,本公司除了根据品质保证规定承担维修责任之处,对于用户因使用本产品而导致的财产损害和经济损失不承担任何赔偿责任。
◎此说明书的所有著作权都归本公司所有,不得随意复制或翻译此说明书的全部或部分进行商业活动,本公司保留对此说明书内容的最终解释权。
◎本设备产品相关参数如有变更,恕不另行通知。
目录一.概述 (1)二.产品主要功能 (1)三.主要功能介绍 (2)3.1重点推荐功能 (2)3.2定位监控功能 (2)3.3报警装置功能 (2)3.4综合管理功能 (2)3.5地图功能 (3)四.GPS定位原理图 (3)五.产品安装与接线 (3)5.1手机卡安装 (3)5.2报警开关安装 (3)5.3现场调试检测 (3)5.4主机接线图 (4)六.包装清单 (4)七.安装注意事项及维护常识 (5)7.1安装注意事项 (5)7.2维护常识 (5)八.主要技术参数 (5)九.故障排除 (5)十.售后服务 (6)一.概述T80系列产品(T80-1/T80C)是由广州超前计算机科技有限公司研发,具有卫星定位、手机查车功能、车辆实时报警、历史行驶轨迹回放及报表分析等功能,可对行驶车辆进行远程监控的车载监控管理终端。
T80系列车载监控管理终端,通过GPS系统提高了对车辆的有效管理,掌握车辆实时位置、行驶速度、里程信息,可对车辆状况进行控制,获得车辆安全信息等,对道路安全运输,预防道路交通事故发生,提高安全管理水平,落实科技兴安战略起到了决定性的作用。
V AJRA@ Navi210-DM车载导航终端V1.0(2012-3)1 简介Navi210-DM双模式车载卫星导航终端,实时接收BD2和GPS导航卫星信号,实现机动载体的实时三维定位、三维测速、精确授时,应用于航运、公路交通、车载监控、车载导航、手持及物品跟踪等领域。
主要有以下特点:积小,仅有125×104×23mm(不含天线和通信线);同时支持BD2 B1和GPS L1两个频点,并行双32通道;标准NMEA0183数据输出,数据刷新率为1Hz;配置灵活,电源输入支持宽压,天线支持多种类型。
Figure 1 Out-looking Top2 技术参数2.1 输入输出指标输入信号:GPS L1和BD2 B1通道数:并行双32通道定位输出速率:1Hz通讯端口:一个串口输出信息:NMEA0183数据传输协议:支持UDP、TCP、TETRA数据协议2.2 精度指标水平位置精度: 5米, 1σ垂直位置精度:10米, 1σ可使用范围:高度<18000米,速度<515米/秒速度精度:0.1米/秒, 1σ2.3 时间指标重捕获时间:≤1秒(失锁时间≤5s条件下);冷启动时间:37秒(平均)热启动时间:≤2秒2.4 秒脉冲输出指标脉宽:500ms;秒脉冲周期:1s;秒脉冲精度:100ns;2.5 电源功耗指标工作电压:DC12V(适用范围DC9V-28V);功耗:≦320mW;天线馈电输出:0.3 W@3.0V (最大)2.6 环境指标工作温度:-20°C ~ +85°C;相对湿度:20%-90%无凝结2.7 机械尺寸(1)外形:125×104×23mm(不含天线和通信线);(2)重量为:6.5g。
2.8 指示灯状态说明GPRS灯正常状态:✧GPRS状态指示灯正常工作,每5-6秒钟闪亮一次。
✧GPRS收指示灯正常工作,每5-6秒钟闪亮一次,闪亮停留时间2秒钟。
北斗高精度车载定位终端使用手册(T23S-INS/ T43S-INS)欢迎您使用我公司生产的北斗高精度车载定位终端。
为确保北斗高精度车载定位终端能够安全、正常、高效地工作,在使用产品之前,请您务必仔细阅读本手册。
本手册适用于北斗高精度车载定位终端标准产品,对于用户有特殊要求的特制产品,根据用户需求另附特别说明。
目录1 产品概述 (1)1.1 主要功能简述 (1)1.2 产品性能参数 (2)1.3 产品包装清单 (3)2 安装指南 (4)2.1 接线方式 (4)2.2 安装SIM卡 (4)3 操作说明 (4)3.1 指示灯 (4)3.2远程升级 (5)1 产品概述GPS/北斗双模高精度车载定位终端(以下简称“终端”)是依据国标GB/T 19056-2012《汽车行驶记录仪》、交通运输部部标JT/T 794-2011《道路运输车辆卫星定位系统车载终端技术要求》及JT/T 808-2013《道路运输车辆卫星定位系统车载终端通讯协议及数据格式》等标准推出的新一代汽车行驶随车监测管理设备,能对驾驶人员的工作质量进行有效监控,降低交通事故的发生,提高车辆运营管理水平。
1.1 主要功能简述1、记录功能终端持续记录并存储行驶过程中速度、位置和时间等状态信息。
2、报警功能报警功能包括:驾驶员主动紧急报警、超速报警、碰撞与侧翻预警、越界报警、主电断电报警、熄火上报等功能。
3、电子围栏设置电子围栏区域后,当终端不在安全警戒区内时,通过远程控制对其报警和管理。
4、远程控制通过网络,可在服务器端对终端进行参数配置与数据查看等。
5、行驶记录当汽车处于打火、启动、停车、熄火、超速等状态时,终端可对此状态进行记录。
6、里程统计终端可对车辆的行驶里程进行统计。
7、远程升级远程升级由监控中心发指令执行,终端远程升级过程在终端后台进行,在远程升级过程中不影响当前版本的正常运行。
8、盲区补传当终端通信环境较差时,会自动保存定位结果,待环境改善后,终端自动上传至平台。
KLD-8002通讯管理机说明书石家庄科林自动化有限公司SHIJIAZHUANG KEILIN AUTOMATION CO.,LTD.科林自动化公司KLD-8002通讯管理机1概述1.1适用范围KLD-8002通讯管理机(以下简称KLD-8002)作为变电站综合自动化系统的一个重要组成部分,是采集与控制网络层的管理单元,它通过多种类型的标准通讯接口和通讯规约来沟通多种类型的继电保护装置、数据采集装置、智能测控装置与后台监控系统和电网调度系统之间的信息联系。
该装置一方面通过与继电保护装置、数据采集装置、智能测控装置进行通讯,搜集变电站运行中的各类实时信息送往后台监控系统和电网调度系统,供它们对变电站进行运行监视,另一方面接收和转发来自后台监控系统和电网调度系统的各类操作命令,对变电站的断路器、刀闸、变压器分接头等进行遥控、遥调操作和发电机组出功的遥调操作。
1.2装置主要特点➢采用高性能的Intel586芯片➢基于Linux操作系统,网络功能十分强大➢液晶显示采用320×240大屏幕液晶显示器➢灵活多样的通信配置➢软硬件的模块化设计➢每一通信接口都可灵活选择各种通信协议➢功能强大的维护工具,细致的信息提示,多种维护和监测手段➢信息合成1.3装置遵循的标准和规范➢C37.1-1987用于监控、数据采集和控制系统的定义、技术规范和分析➢C37.90.1-1974 抗浪涌能力(SWC)测试导则➢IEC 1000-4-2/3/4-1995电磁兼容➢GB/T13279-1992 远动终端通用技术条件➢GB2423.1/2/3 电工电子产品基本环境试验规程2技术条件2.1装置工作电源a)电压范围:AC220V±20%(50Hz)、DC220V±10%b)交直流电源双冗余设计,具备无间断自动切换功能c)电源功率:80VAd)功耗: <30W,取决于所配置的模块数KLD-8002通讯管理机2.2环境条件装置在以下环境条件下能正常工作:a)工作环境温度:-20℃~+60℃,运输中适时贮存温度:-25℃~+65℃b)工作相对湿度:≤95%,无凝结c)大气压力:66kPa~108kPad)使用场所不得有火灾、爆炸、腐蚀等危及装置安全的危险和超出本说明书规定的振动、冲击和碰撞。
汽车电子诊断仪使用说明书尊敬的用户:感谢您选择我们的汽车电子诊断仪。
为了帮助您更好地使用和了解我们的产品,特提供本使用说明书。
在使用之前,请仔细阅读并按照说明操作。
一、产品概述汽车电子诊断仪是一款针对汽车故障快速诊断和维修的高效工具。
通过与车辆的电子控制单元(ECU)通信,该诊断仪可以读取故障码、清除故障码、提供实时数据流、执行特殊功能等功能,帮助您准确快速地定位和解决汽车故障。
二、使用步骤1. 连接汽车电子诊断仪将汽车电子诊断仪的OBD II接口连接至车辆的OBD II诊断接口。
确保连接稳固,无松动。
2. 打开电源按下汽车电子诊断仪的电源开关,开启仪器。
3. 选择车辆信息在仪器显示屏上,按照提示选择或输入相应的车辆品牌和型号等车辆信息。
4. 执行诊断功能根据您的需求选择相应的功能,如故障码读取、实时数据流、特殊功能等。
根据仪器屏幕上的指引操作,等待仪器自动诊断并显示结果。
5. 分析和解决问题根据仪器显示的结果,进行故障分析和解决方案的制定。
根据实际情况,您可以参考相关的汽车技术手册或咨询专业技术人员来寻找故障原因和解决方法。
6. 断开连接在完成诊断和维修后,将汽车电子诊断仪与车辆的连接断开。
关闭仪器的电源开关。
三、常见问题1. 为什么没有检测到车辆?请确保汽车电子诊断仪与车辆的连接正常,检查连接是否牢固,接口是否干净无异物。
还可以尝试重新启动仪器。
2. 仪器显示错误码怎么办?根据仪器显示的错误码,您可以查询相关的错误代码表,了解故障的具体含义和对应的解决方案。
3. 诊断仪无法执行某些功能怎么办?请确保您已正确选择了车辆信息,部分功能可能受限于不同车辆的系统和型号。
四、注意事项1. 请遵循仪器的使用说明操作,不要进行不必要的操作或误操作,以免对车辆造成损坏。
2. 使用汽车电子诊断仪时,请确保车辆处于安全停放状态,并关闭引擎。
3. 在进行诊断和维修时,请务必遵守相关的安全操作规程,避免电击、烧伤等意外伤害。
AM/FM Tuner OperationQuick Start GuideDC208BT t h i n kb ef o r e y o u p r i n tTo download the complete Owner’s Manual for your radio,please visit /support/manuals.php.Seek Tuning Manual TuningBandStoring PresetsRecalling PresetsPress TUNE or TUNE to seek to previous or next strong station.nn llPress and hold the TUNEorTUNE to enter manual tuning mode. Then press TUNE or TUNE momentarily to move radio frequency down or up one step at a time.Press and hold TUNE orTUNE to advance quickly. Press BAND to select between FM1, FM2, FM3, AM1 and AM2 bands. Up to six presets can be programmed for each band, enabling up to 18 FM stations and 12 AM stations to be stored in memory.Up to 18 FM and 12 AM stations can be stored. To store a station, select the desired band and station. Press and hold the desired preset button (1-6) for more than two seconds. When stored, the preset number will appear in the display.Preset stations can be recalled any time by pressing the corresponding preset button.InstallationBefore You Start• Consult a qualified technician for instructions. Dual always recommends professional installation.• Disconnect negative battery terminal.• Remove trim ring from unit (if installed).• Remove 2 transit screws located on top of the unit (if applicable).• Insert the removal keys, and remove the mounting sleeve from the head unit.Note: Most vehicles require an installation kit, wiring harness and/or antenna adapter (all sold separately) to properly install the head unit in the vehicle.Installation Process1. Carefully remove the existing head unit.2. Connect wiring harness. Consult a qualified technician if you are unsure.3. Mount the head unit using the mounting sleeve or ISO brackets (depending on your vehicle’s dashboard).4. Connect wiring harness and antenna. Test the head unit for correct operation.5. Slide into mounting sleeve to secure, or mount the ISO brackets to the vehicle.6. Snap trim ring into place.Wiring ConnectionsThe chart below the connection for each wire in the wiring harness.Fuse :When replacing the fuse, make sure new fuse is the correct type and amperage. Using an incorrect fuse could damage the radio.Tip:When a suitable ground wire is not present in the vehicle wiring harness, connect the black groundwire to the vehicle chassis.To download the complete Owner’s Manual for your radio,please visit /support/manuals.php.To download the complete, model-specific manual, please visit /support/manuals.phpor call 1-866-382-5476, 9AM-5PM EST (Monday-Friday).Auto store Press and hold AS for more than 2 seconds to store 18 FM stations and 12 AM stations automatically. To download the complete Owner’s Manual for your radio,please visit /support/manuals.php.CD Receiver With BluetoothPreparationPairing a NewDeviceTo download the complete Owner’s Manual for your radio,please visit /support/manuals.php.Bluetooth ®Before using a Bluetooth device, it must be paired and connected. Ensure that Bluetooth is activated on your device before beginning the pairing process.The head unit broadcasts the pairing signal constantly when no devices are connected. Complete the pairing sequence from your Bluetooth device. Refer to the owner’s manual for your device for more details.The device name is “DC208BT” The Bluetooth passcode is "1234”Streaming Audio Troubleshooting•Press ll to skip to the next available audio track.•Press nnto skip to the previous audio track.•Press l/ II to toggle between play and pause during playback.Note: If passcode "1234" does not pair your device to the receiver, use passcode "0000".Note : The head unit can be in any mode of operation when pairing is performed.The head unit supports A2DP wireless streaming audio from a Bluetooth mobile device directly to your head unit. The following functions can be used to control the music: Operation Limited One-Year WarrantyThis warranty gives you specific legal rights. You may also have other rights which vary from state to state. Dual Electronics Corp. warrants this product to the original purchaser to be free from defects in material and workmanship for a period of one year from the date of the original purchase. (Note that select marine products carry a 2-year warranty. Please visit for details.) Dual Electronics Corp. agrees, at our option, during the warranty period, to repair any defect in material or workmanship or to furnish an equal new, renewed or comparable product (whichever is deemed necessary) in exchange without charges, subject to verification of the defect or malfunction and proof of the date of purchase. Subsequent replacement products are warranted for the balance of the original warranty period.Who is covered? This warranty is extended to the original retail purchaser for products purchased and used in the U.S.A.What is covered? This warranty covers all defects in material and workmanship in this product. The following are not covered: installation/removal costs, damage resulting from accident, misuse, abuse, neglect, product modification, improper installation, incorrect line voltage, unauthorized repair or failure to followinstructions supplied with the product, or damage occurring during return shipment of the product.What to do?1. Before you call for service, check the troubleshooting guide in your owner’smanual. A slight adjustment of any custom controls may save you a service call.2. If you require service during the warranty period, you must carefully pack the product (preferably in the original package) and ship it by prepaid transportation with a copy of the original receipt from the retailer to an authorized service center.3. Please describe your problem in writing and include your name, a return UPS shipping address (P.O. Box not acceptable), and a daytime phone number with your shipment.4. For more information and for the location of the nearest authorized service center ****************************************************************.Exclusion of Certain Damages: This warranty is exclusive and in lieu of any and all other warranties, expressed or implied, including without limitation the implied warranties of merchantability and fitness for a particular purpose and any obligation, liability, right, claim or remedy in contract or tort, whether or not arising from the company’s negligence, actual or imputed. No person or representative is authorized to assume for the company any other liability in connection with the sale of this product. In no event shall the company be liable for indirect, incidental or consequential damages.FCC ComplianceThis device complies with Part 15 of the FCC Rules. Operation is subject to the following two conditions:(1) this device may not cause harmful interference, and(2) this device must accept any interference received, including interference that may cause undesired operation.Warning : Changes or modifications to this unit not expressly approved by the party responsible for compliance could void the user’s authority to operate the equipment.Note : This equipment has been tested and found to comply with the limits for a Class B digital device, pursuant to Part 15 of the FCC Rules. These limits are designed to provide reasonable protection against harmful interference in a residential installation. This equipment generates, uses and can radiate radio frequency energy and, if not installed and used in accordance with the instructions, may cause harmful interference to radio communications. However, there is no guarantee that interference will not occur in a particular installation. If this equipment does cause harmful interference to radio or television reception, which can be determined by turning the equipment off and on, the user is encouraged to try to correct the interference by one or more of the following measures:• Reorient or relocate the receiving antenna.•Increase the separation between the equipment and receiver.•Connect the equipment into an outlet on a circuit different from that to which the receiver is connected.•Consult the dealer or an experienced radio technician for help.Dual Electronics Corp.Toll Free: 1-866-382-5476Monday-Friday, 9AM-5PM©2018Dual Electronics Corp. All rights reserved.Other trademarks and trade names are those of their respective owners.NSC0318-V01nnllnnllnn llPreset Scan Press the AS/PS (on remote control) to recall each preset station that stored in the memories in each band.InstallationStep 1:Insert the mounting sleeve into the installation kit or dashboard.Step 2:Bend multiple mounting tabs around the mounting sleeve until the mounting sleeve is secure.Step 3:Connect all wiring harnesses and slide the head unit into the mounting sleeve until it clicks into place.Using the existingbrackets or the brackets supplied with the installation kit, mount the brackets to the sides of the head unit with the screws supplied with the head unit.Mounting the Head Unit: ISO mountingMounting the Head Unit:Typical DIN mountingSingle DINSingle DINSingle DINSingle DINGeneral OperationTo download the complete Owner’s Manual for your radio,please visit /support/manuals.php.Power On/Off Changing ModesVolume MuteAuxiliary InputsResetSetting the ClockAudio / MenuPress the /MODE button to turn the unit on. Press and hold /MODE button to turn unit off.Press MODE to select between Radio, DISC, USB, AUX IN, Bluetooth.Modes of operation are shown in the display.Adjust volume using volume knob.Press to silence the audio. Press again to resume listening at the previously selected volume.Insert a 3.5mm cable in the units front AUX port.Press the RESET button to reset the unit back to the factory settings if abnormal operation occurs. The reset button is located behind the front panel.Press and hold volume knob to select clock setting mode. Rotate the volume knob to right to adjust hours and rotate volume knob to left to adjust the minutes.DisplayWith the unit on, press and hold DISP to display clock time. Press and hold DISP to toggle display between various displayed information.Press volume knob momentarily to select between the audio functions. Press and hold volume knob for morethan two seconds to select between the menu functions. Rotate the volume knob left/right to adjust or activate the desired function/audio.Faceplate RemovalPress RELEASE and pull away from the right side to remove. To re-install, insert left side of faceplate first then push right side to secure.CD OperationInsert CD Eject CD Track SelectFast Forward/ReversePause IntroRepeatRandomCD-R/CD-RW CompatibilityWith the label facing up, insert a standard size CD intothe CD slot. Playback will begin automatically.Press TUNEto skip to the beginning of the next track. Press TUNEto skip to the beginning of the previous track.Press and hold TUNE ll or TUNE nn to fast forwardor reverse a track.Press l /II to temporarily stop CD playback.Pressl / II again to resume playback.Press INT to plays first 10 seconds of each track. • INT ON - Plays the first 10 seconds of each track.• INT OFF - Cancels the INT function.Press RPT to toggle between RPT FLR, RPT ALL, and RPT ONE.• RDM ON - Plays all tracks in random order.• RDM OFF - Cancels the RDM function.Some CD-Rs and CD-RWs may be incompatible with this unit, depending on media type and recording method. Refer to the online owner’s manual for details.Press again to cancel the INT function.• RPT FLR - Continuously repeats all files in current folder.• RPT ONE - Continuously repeats selected track.• RPT ALL - Plays all tracks on CD.Press RDM to play tracks in random order, press again to cancel the RDM function.IntroRepeatRandomPress INT to plays first 10 seconds of each track. • INT ON - Plays the first 10 seconds of each track.• INT OFF - Cancels the INT function.Press RPT to toggle between RPT FLR, RPT ALL, and RPT ONE.• RDM ON - Plays all tracks in random order.• RDM OFF - Cancels the RDM function.Press again to cancel the INT function.• RPT FLR - Continuously repeats all files in current folder.• RPT ONE - Continuously repeats selected track.• RPT ALL - Plays all tracks on USB device.Press RDM to play songs in random order, press again to cancel the RDM function.Press TUNE to skip to the beginning of the nextsong. Press TUNEto skip to the beginning of the previous song.Press and hold TUNE ll or TUNE nn to fast forwardor reverse a B OperationPlaying MP3 FilesTrack SelectFast Forward andReversePauseFolder AccessTo play MP3 files, insert a data CD or USB device containing MP3 files.Press l/ II to temporarily stop playback. Pressl / II again to resume playback.devices with more than one folder.to select the The Bluetooth® word mark and logos are registered trademarks owned by the Bluetooth SIG, Inc.®。
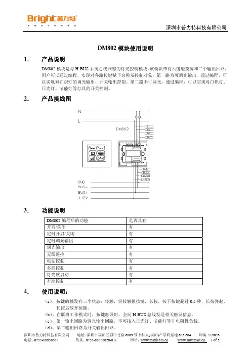
GPS智能终端【DM8002型】使用手册二零一三年七月手册版本:V2.0发行日期:2013-7-3版权保护我们非常仔细整理此使用手册,但我们对于此使用手册的内容不保证完全正确。
因为我们的产品一直在持续地改良及更新,故我方保留随时修改的权利,恕不另行通知。
修订记录修订版本修订记录日期V2.0 制定标准2013年7月3日技术支持如果您的设备发生问题并且无法从用户手册上得到解决方案,请联系您的购买商或当地批发商.尊敬的客户:您好!非常感谢您使用DM8002系列GPS汽车定位行驶记录仪车载终端产品。
使用前请务必仔细通读本手册,请留意手册上提到的所有注意和警告事项,请妥善保存好本手册,以备参考。
在设备使用前,宜将其置于稳固的平台上。
在设备连线前,请确认电压值,连线应置于不会被践踏的地方。
在插拔任何模块或连线前,请先断开电源。
请保持设备的干燥,不得将任何液体进入设备中,否则会造成严重损坏或电路瘫痪。
如果发生以下情况,请找专业人员处理:电源线、键盘或插座损坏液体渗入设备内设备工作不正常或不能通过本手册的指导使其正常工作设备跌落或受创不能正常工作设备有明显的破损现象目录一、终端产品简介 (3)二、终端基本功能简介 (3)三、终端产品特性 (6)技术参数 (6)可接外设功能说明 (7)接口定义 (8)各接口图示 (10)产品安装示意图 (13)四、终端入网设置 (14)五、包装内容 (14)六、安装说明 (15)七、故障排除 (16)一、终端产品简介GPS汽车定位行驶记录仪车载终端设备,采用GPRS/CDMA和SMS双模式通信方式,采用高精度GPS定位模块,工业级通信模块.设备运行稳定可靠,功能全,接口多,可根据不同的行业,不同的用户量身定做. DM8002带有卫星定位功能的汽车行驶状态数据记录设备。
它可对车辆运行参数进行实时记录、显示和查询;可为车辆和交通管理提供真实的原始数据,为安全提供进一步的保障。
通过无线数据通讯接口(GSM/GPRS/CDMA)和GPS接口,能与监控中心系统进行数据通信和移动位置的定位,能够满足用户的多种需求。
二、终端基本功能简介1)记录仪功能:一、能记录最近960小时内与实时时间对应的每分钟车辆位置及状态数据,数据包含车辆行驶的数据时间、经度、纬度、速度、方向、定位状态、累计行驶里程、实时油量值、电瓶电压以及记录仪信号量。
二、能记录最后15次每一次的停车前20秒内与实时时间对应的车辆行驶速度值及刹车状态。
三、能记录驾驶员疲劳驾驶数据,可以记录疲劳驾驶开始时间、结束时间以及持续时间。
能记录司机驾驶证号。
2)数据设置及采集功能:支持使用RS232串行通讯接口,能通过串口获取车辆最近960小时或者最近2天内车辆历史轨迹数据、行驶速度数据、行驶里程数据,能设置和采集驾驶员代码、机动车驾驶证号码数据,能设置主机采集的时间间隔和里程间隔,能设置和采集车辆VIN号、车牌号码、车牌分类,能采集最后15次每一次的停车前20秒内与实时时间对应的车辆行驶状态值,包含ACC 、左转向灯、右转向灯、振动、脚刹、手刹、前门、后门、喇叭信号量以及速度传感器信号量检测,能设置速度传感器校正系数。
3)打印功能:显示屏内置打印机,只需利用显示屏操作即可完成数据打印,打印内容包括车牌号码、车牌分类、驾驶员代码、驾驶证号码、打印实时时间、停车时刻前15分钟内每分钟的平均车速、疲劳驾驶记录。
4)远程监控功能:一、实时定位监控二、定时监控,按照用户设定的时间间隔上传数据,范围为2-65535秒三、定距监控,按照用户设定的里程间隔上传数据,范围为2-65535米四、远程控制通/断油、电,包含智能控制通/断油、电和强制控制通/断油、电。
五、远程提取事故疑点数据六、远程提取车辆轨迹数据七、远程参数设置及查看八、远程无线软件更新,支持断点续传远程无线更新功能。
九、支持远程设置主机网络配置参数功能,设置模式可以通过GPRS/CDMA在平台下发指令,还可通过手机SMS短信下发设置。
十、远程获取车辆实时具体中文位置信息,实现短信查车功能。
5)油量采集及里程统计功能:产品能实时采集车内油表信号量,同时根据用户设置的对应油量参数换算成实时的油量值,可以监测油量是否异常变化及加油信号。
可以实时统计车辆行驶里程,对车辆通过隧道等非正常状态下进行数学模型式里程补偿,减少里程误差,有效将里程统计平均误差控制在3%左右6)报警功能:应急报警:当用户遇到紧急情况(如:遇劫或需要救助时)按动报警按钮, 同时报警指示灯亮,应急报警信息立即上报中心。
停车时间超长报警:用户可以设定最长停车时间,当终端超过预定时间停车时,终端立即上报中心。
超速报警:用户可以设定最大车速,当终端超过预定速度并且持续10秒钟以上行使。
终端立即上报中心。
断电报警:用户可以设定断电报警有效后,当终端连接的电源线一旦没电,终端内置电池自动供电(内置锂电池,可以提供2小时终端供电,自动充电)。
终端立即上报中心。
震动报警:用户车辆警戒时,车辆受震动时,终端自动上报中心,并且发送用户短信息到用户手机提醒用户。
非法开车门报警:用户车辆警戒时,车辆非法开门,终端自动上报中心,并且发送用户短信息到用户手机提醒用户。
非法启动报警:用户车辆设防时,车辆非法开门,终端自动上报中心,并且发送用户短信息到用户手机提醒用户。
网关报警:监控中心发现车辆可疑时,可以设定车辆为网关报警,车辆自动上传报警信息(每隔3秒) 疲劳驾驶报警功能:当同一驾驶员连续驾驶超过4小时(可自行设置),将记录疲劳次数、疲劳开始时间时刻、疲劳结束时间时刻、持续时间、驾驶证号。
区域报警功能:用户可自行在监控平台定义矩形区域,并设置检测项目,如检测区域限速、入界、越界。
用户设置区域检测项目后将数据通过监控平台指令无线下载到主机,主机接收到数据后自动开启区域检测功能,当满足条件时,主机自动触发对应的报警,即时上报监控平台,便于控制中心实时监控,同时语音提示驾驶员。
其他报警:GPS天线开路及短路等报警功能,同时还可根据用户个性需求设置对应的报警提示功能。
7)断油功能:当车辆发生异常警情时,可以依实际情况通过监控平台下发断油断电指令,强制把车辆停下,实现防劫汽车等功能。
8)监听功能:当车辆发生异常情况时,监控中心可以设定监听服务号码,下发远程监听指令,实现远程监听功能。
9)语音通话功能:产品具有高清语音通话功能,通话时不会对车辆收音机造成干扰,影响收音机正常工作,增设集团电话功能,以及电话限拨功能。
10)司机考勤功能支持司机IC刷卡考勤功能。
11)扩展串口选择功能可以根据需要通过平台或是调度屏选择扩展串口2的功能,可供选择的功能有:LED透传功能、双摄像头功能、调试功能、3C数据交互功能、测油盒功能、1拖4串口功能、计价器功能。
11)扩展接口一、通话手柄连接(可选)二、调度显示屏连接(可选)三、摄像头连接(可选)四、公交语音报站器、导航屏(可选)五、油耗或温控LED等其它外设(可选)六、USB数据传输七、CAN总线接口12)远程维护功能:远程自动查询终端信息(终端型号;软件版本号;功能编码;时间编号),可以远程升级软件。
三、终端产品特性技术参数主机尺寸: 127mm × 95mm × 37mm;主机重量:400g;定位精度:5m~10m;经纬度精度:百万分之一度通信方式:GSM、GPRS/CDMA;支持格式:TCP、UDP数据传输速度:115200bit/s;支持所有的短消息协议,如SMPP、CMPP等;抗干扰度:符合GB17626 Ⅳ级;工作电源:+9V~+32VDC;工作电流:60mA~200mA;工作温度:-20~+70℃;存储温度:-30~+85℃;工作湿度:5%~95%;可接外设功能说明DM8002智能终端除具备GPS车载终端基本功能外,内部扩展3个标准RS-232串口接口,支持同时最多外接3个扩展外设的功能。
可接外设及功能如下(外设可选):车载手柄或调度屏:外接车载手柄或调度屏后可以拨打电话或收发短信;图象采集器:可以外接一体摄像头或接四路图像采集器,通过监控平台实现远程拍照监控功能;语音播报器:通过外接语音播报器,自动播报"超速报警”、"疲劳驾驶”、"越界报警”等语音信息;油量传感器:利用加装油量传感器实时采集油量数据,并实现油量异常变化报警功能,还可通过平台统计分析,观测油量的变化趋势,和油箱剩余油量(油量采集器功能已内置设备里面,不用占用串口,不用加装油量采集器)。
LED广告屏:采用GB2312码,支持报警信息显示,即时短信显示和预定信息显示,并支持多种显示方式(如上翻、下翻、中开、闪烁等),所有信息可以通过广告发布软件进行编辑、审核、发布和删除;USB数据接口:通过USB数据接口可以将存储在设备中的汽车行驶数据传输到电脑或U盘等存储设备;CAN总线接口:通过CAN总线接口可以通过终端远程读取汽车运行的各种状态,检查汽车故障等;接口定义接口脚位定义说明电源接口:脚位功能定义颜色1 电源正极(+12V)红色2 电源地黑色3 车钥匙开关线(ACC)高黄色继电器:脚位功能定义颜色1 控制继电器- 黑色2 控制继电器+ 白色手柄/调度屏接口:脚位功能定义颜色1 电源输出(+5V)红色2 主机串口接收黄色3 主机串口发送绿色4 麦克风+ 橙色5 麦克风-白色6 喇叭+ 蓝色7 喇叭-棕色8 电源地黑色麦克输入::脚位功能定义颜色1 MIC+ 红色2 MIC- 黑色扩展接口:脚位功能定义颜色1 地蓝色2 报警按钮棕色3 音响输出+ 绿白4 音响输出- 蓝白5 低电平检测(低)橙色6 高电平检测(高)紫色扩展串口一:脚位功能定义颜色1 232发送1 绿色2 232接收1 黄色3 地蓝色4 +5V 红色扩展串口二:脚位功能定义颜色1 232发送2 绿色2 232接收2 黄色3 地蓝色4 +5V 红色5 油量采集控制灰色6 油量采集输入紫色CAN总线/输出电源接口:脚位功能定义颜色1 CANL 橙色2 CANH 紫色3 地蓝色4 +5V 红色行驶记录仪开关量:脚位功能定义颜色1 大地(地)蓝色2 左转(高)绿色3 右转(高)黑色4 喇叭(高)白色5 脚刹(高)紫色6 前车门(高)灰色7 后车门(高)橙色8 速度(脉冲)棕色9 手刹(低)黄色10 预留低(低)红色各接口图示扩展串口一、CAN总线/电源输出接口扩展串口二、扩展接口行驶记录量:备注:观看角度为站在主机的位置,顺着线的方向看接口。
产品安装示意图四、终端入网设置正确连接GPS,GPRS/CDMA天线,将SIM/UIM卡插入主机,将手柄接入主机端,接通电源,确保主机进入正常工作状态,下面通过手柄开始进行操作:第一步:按菜单键。