机械设计 计算题(DOC)
- 格式:doc
- 大小:1.42 MB
- 文档页数:15
西南科技大学《机械设计》习题库四、计算题1、图示,螺栓刚度为c 1,被联接件刚度为c 2,已知c 2=8c 1,预紧力F '=1000N ,轴向工作载荷F =1100N 。
试求;⑴螺栓所受的总拉力F 0;⑵被联接件中的剩余预紧力F ” 。
F FF 'F '2、图示,为一对正安装的圆锥滚子轴承。
已知:作用在轴上的外载荷为M =450kN ·mm ,F R =3000N ,F A =1000N ,方向如图所示。
试求:⑴在插图二上,标出两轴承所受的派生轴向力S 1 和S 2的方向;⑵求出派生轴向力S 1 和S 2的大小; ⑶计算轴承所受的实际轴向力A 1和A 2。
(提示:派生轴向力S 与轴承所受的径向支反力R 的关系为:S =0.25R )【要点:受轴向工作载荷作用的紧螺栓联接F c c c F F 211'0++=F c c c F F 212'"+-= 或者F 0=F +F ”→F ”】【要点:⑴ S 的方向图示:由轴承外圈的厚边指向薄边。
⑵ 计算轴承支反力:R 1=(300F R + M )/900 ;R 2=F R -R 1 计算派生轴向力:S 1=S 2=0.25R 1=375N ⑶ 判断压紧端和放松端,确定轴承所受的实际轴向力】12S 12S题4-2图答案3、夹紧联接如插图一所示,已知夹紧联接柄承受载荷Q =600N ,螺栓个数Z =2,联接柄长度L =300mm ,轴直径d =60mm ,夹紧结合面摩擦系数f =0.15,螺栓的许用拉应力[σ]=58.97MPa 。
试求; ⑴计算所需要的预紧力F ’⑵确定螺栓的直径(提示:“粗牙普通螺纹基本尺寸”见表)表 粗牙普通螺纹基本尺寸(GB196-81) mm4、如图所示,某轴用一对反装的7211AC 轴承所支承,已知作用在轴上的径向外载荷F R =3000N, 作用在轴上的轴向外载荷F A =500N,方向如图所示。
试题题型:计算题一、计算图示机构的自由度,并判断机构是否具有确定的运动。
(如有复合铰链、虚约束、局部自由度须指出)DEDEHKCDDE二、轮系的计算 1.在图示轮系中,已知各轮齿数为Z 1=Z 3=30,Z 2=90,Z 2’=40,Z 3’=40,Z 4=30,试求传动比i 1H ,并说明I、H轴的转向是否相同?2.在图示轮系中,已知各轮齿数为Z 1 =15,Z 2=20, Z 2’ = Z 3’= Z 4=30, Z 3=40,Z 5= 90,试求传动比I ⅠⅡ,并说明I、Ⅱ轴的转向是否相同?3.在图示轮系中,已知各轮的齿数为Z 1= 20,Z 2=30,Z 3=80, Z 4=25,Z 5=50,试求传动比i 15。
’ Ⅱ4.在图示轮系中,已知各轮齿数为Z1= 55, Z2=11,Z3=77,Z3’=49,Z4=12,Z5=73,试求传动比i1H。
5.在图示轮系中,已知各轮齿数为Z1= Z2= 30,Z3= 40,Z4=20,Z5=18,Z6=38,试求传动比i1H。
6.在图示轮系中,已知各轮齿数为Z1= Z2’= 20,Z2=40,Z3= 80,试求传动比i1H。
7.在图示轮系中,已知各轮齿数为Z 1=19,Z 2=76, Z 2’= 40,Z 3=20,Z 4= 80,试求传动比i 1H 。
8.在图示轮系中,已知各轮齿数为Z 1= 20,Z 2’= 25,Z 2= Z 3=30,Z 3’= 20,Z 4=75,试求1、轮系的传动比i 1H 。
2、若n 1=1000r/min ,转臂H的转速n H =?9.在图示轮系中,已知各轮齿数为Z 1= Z 3=15 ,Z 2’= 60,Z 2= Z ,3=20,Z 4= 65,试求轮系的传动比i 1H 。
210.在图示轮系中,已知各轮齿数为Z 1=101, Z 2=100,Z 3=99,Z 4= 100,轮1的转速n 1=1r/min ,(顺时针),且n 4=n 1,n 4的方向与n 1相反,求n H 的大小及转向。
《机械设计》课程试题(一)一、填空题(每空1分共31分)1、当一零件受脉动循环变应力时,则其平均应力是其最大应力的()。
2、三角形螺纹的牙型角α=(),适用于(),而梯形螺纹的牙型角α=(),适用于()。
3、螺纹连接防松,按其防松原理可分为()防松、()防松和()防松。
4、带传动在工作过程中,带内所受的应力有()、()和(),最大应力发生在()。
5、链传动设计时,链条节数应选()数(奇数、偶数)。
链轮齿数应选()数;速度较高时,链节距应选()些。
6、根据齿轮设计准则,软齿面闭式齿轮传动一般按()设计,按()校核;硬齿面闭式齿轮传动一般按()设计,按()校核。
7、在变速齿轮传动中,若大、小齿轮材料相同,但硬度不同,则两齿轮工作中产生的齿面接触应力(),材料的许用接触应力(),工作中产生的齿根弯曲应力(),材料的许用弯曲应力()。
8、蜗杆传动的总效率包括啮合效率η、()效率和()效率。
其中啮合效率η=(),影响蜗杆传动总效率的主要因素是()效率。
9、轴按受载荷的性质不同,分为()、()、()。
10、滚动轴承接触角越大,承受()载荷的能力也越大。
得分二、单项选择题(每选项1分,共11分)1、循环特性r=-1的变应力是()应力。
A.对称循环变 B、脉动循环变 C.非对称循环变 D.静2、在受轴向变载荷作用的紧螺柱连接中,为提高螺栓的疲劳强度,可采取的措施是( )。
A、增大螺栓刚度Cb,减小被连接件刚度Cm B.减小Cb.增大Cm C.增大Cb和Cm D.减小Cb和Cm3、在螺栓连接设计中,若被连接件为铸件,则往往在螺栓孔处做沉头座孔.其目的是( )。
A.避免螺栓受附加弯曲应力作用 B.便于安装 C.为安置防松装置4、选取V带型号,主要取决于()。
A.带的线速度 B.带的紧边拉力C.带的有效拉力 D.带传递的功率和小带轮转速5、对于标准齿轮传动,影响齿形系数Y的主要几何参数是()。
A.齿轮的模数 B.齿轮的压力角 C.齿轮的齿数 D.齿轮的顶隙系数6、一斜齿圆柱齿轮传动,已知法向模数Mn=4mm,齿数Z1=20,螺旋角β=14032’2”,齿宽b1=80,b2=75mm,则该传动的齿宽系数φd等于()。
1.在一般工作条件下,齿面硬度HB≤350的闭式齿轮传动,通常的主要失效形式为【】A.轮齿疲劳折断 B. 齿面疲劳点蚀C.齿面胶合 D. 齿面塑性变形2.带传动在工作时产生弹性滑动,是由于【】A.包角α太小 B. 初拉力F0太小C.紧边与松边拉力不等 D. 传动过载3.在下列四种型号的滚动轴承中,只能承受径向载荷的是【】A.6208 B. N208 C. 3208 D. 52084.下列四种螺纹中,自锁性能最好的是【】A.粗牙普通螺纹 B.细牙普通螺纹C.梯形螺纹 D.锯齿形螺纹5.在润滑良好的条件下,为提高蜗杆传动的啮合效率,可采用的方法为【】A.减小齿面滑动速度υs B. 减少蜗杆头数Z1C.增加蜗杆头数Z1 D. 增大蜗杆直径系数q6.在圆柱形螺旋拉伸(压缩)弹簧中,弹簧指数C是指【】A.弹簧外径与簧丝直径之比值B.弹簧内径与簧丝直径之比值C.弹簧自由高度与簧丝直径之比值D.弹簧中径与簧丝直径之比值7.普通平键接联采用两个键时,一般两键间的布置角度为【】A.90° B. 120° C.135° D.180°8.V带在减速传动过程中,带的最大应力发生在【】A.V带离开大带轮处 B. V带绕上大带轮处C.V带离开小带轮处 D. V带绕上小带轮处9.对于普通螺栓联接,在拧紧螺母时,螺栓所受的载荷是【】A.拉力 B.扭矩C.压力 D.拉力和扭矩10.滚子链传动中,链节数应尽量避免采用奇数,这主要是因为采用过渡链节后【】A.制造困难 B.要使用较长的销轴C.不便于装配 D.链板要产生附加的弯曲应力二、1.轴如按受载性质区分,主要受的轴为心轴,主要受的轴为传动轴。
2.代号62203的滚动轴承,为轴承,其内径为mm。
3.在一般机械中的圆柱齿轮传动,往往使小齿轮齿宽b1大齿轮齿宽b2;在计算齿轮强度时,工作齿宽b应取。
4.普通平键联接的工作面是键的;楔键联接的工作面是键的。
1、一对正常齿标准直齿圆柱齿轮传动。
小齿轮因遗失需配制。
已测得大齿轮的齿顶圆直径,4082mm d a =齿数1002=Z ,压力角︒=20α,两轴的中心距mm a 310=,试确定小齿轮的:①模数m 、齿数1Z ;②计算分度圆直径1d ; ③齿顶圆直径1a d ④基节b P 。
解:(1)模数m 与1z (6分)m h z d a a )2(22*+=将mm d a 4082=,2z =100带入解得:m=4 )(21)(212121mz mz d d a +=+=将m=4,2z =100,a=310mm 带入求得:551=z(2)分度圆直径:mm mz d 22055411=⨯== (3分)(3)齿顶圆直径:11(2)(552)4228a a d z h m mm *=+=+⨯=(3分)(4)基节:mm m p p b 8.1120cos 414.3cos cos =⨯⨯=== απα(3分)2、V 带传动传递的功率P=7.5kW ,平均带速v=10m/s ,紧边拉力是松边拉力的两倍(F 1=2F 2)。
试求紧边拉力F 1,有效圆周力Fe 和预紧力F 0。
解:有效圆周力:N v P Fe 750105.710001000=⨯== (2分) 紧边拉力:N F F F F F Fe 1500115.0121=⇒-=-= (4分) 预紧力:N F F F F F 1125)15.01(21)21(210=+=+= (4分) 3、如图所示轮系中,已知各齿轮齿数为:13520z z z ===,24640z z z ===,7z =100。
求传动比17i ,并判断 1ω 和7ω 是同向还是反向?解、图中1、2、3、4轮为一定轴轮系(1分)。
4、5、6、7轴构成一周转轮系(1分)。
所以: 212414413(1)4n z z i n z z ==-=(4分) 周转轮系中,6为系杆(1分) 所以:56757756(1)5H H H n n z z i n n z z -==-=--(4分) 2314657又因为4H n n =,15n n =(1分)联立方程可以得到:117710n i n ==(2分)1ω与7ω方向相同(1分)5、在下图所示铰链四杆机构中,各杆的长度分别为: l AB = 25 mm , l BC = 55 mm , l CD = 40 mm , l AD = 50 mm , AD 为机架。
计算题(共33题)一、平面机构运动简图和自由度(11题)1、计算图示机构的自由度,判定机构运动是否确定。
答:机构自由度F=3n-2P l-P H=3×7-2×9-1×2=1 ∵F>0,且机构自由度等于机构原动件数∴机构运动确定。
2、计算图示机构的自由度,判定机构运动是否确定。
答:机构自由度F=3n-2P l-P H=3×7-2×9-1=2∵F>0,且机构自由度等于机构原动件数∴机构运动确定。
3、计算图示机构的自由度,判定机构运动是否确定。
答:机构自由度F=3n-2P l-P H=3×5-2×7=1第1页,共22页第2页,共22页∵ F >0,且机构自由度等于机构原动件数∴ 机构运动确定。
4、计算图示机构的自由度,判定机构运动是否确定。
答:机构自由度 F=3n-2P l -P H =3×4-2×5-1=1∵ F >0,且机构自由度等于机构原动件数∴ 机构运动确定。
5、计算图示机构的自由度,判定机构运动是否确定。
答:机构自由度 F=3n-2P l -P H =3×3-2×3-2=1∵ F >0,且机构自由度等于机构原动件数∴ 机构运动确定。
第3页,共22页6、计算图示机构的自由度,判定机构运动是否确定。
答:机构自由度 F=3n-2P l -P H =3 ∵ F >0 ∴ 机构运动确定。
7、计算图示机构的自由度,判定机构运动是否确定。
答:机构自由度 F=3n-2P l -P H =3×5-2×7=1∵ F >0 ∴ 机构运动确定。
8答:机构自由度 F=3n-2P l -P H =3×8-2×11-1=1∵ F >0 ∴ 机构运动确定。
第4页,共22页9、计算图示机构的自由度,判定机构运动是否确定。
答:机构自由度 F=3n-2P l -P H =3×4-2×4-2=2∵ F >0 ∴ 机构运动确定。
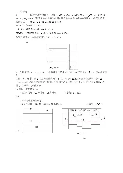
0.13510Li图120L21035二、计算题1.图所示某齿轮机构,已知 A]=3O°o.o6mm, A2=5°o.O6mm, A3=38 +0.16 +0.10mm, A4=30.o.o5nim,试计算齿轮右端面与档圈左端血的向端在血的轴向间隙A。
的变动范围。
根据公式 A0=A3-A 1 -A2-A4=38-30-5-3=0ES0=ES3- (EI1+EI2+EI4)=(0」6+0.06+0.04+0.05) mm=+0.31 mmEI0=EI3・(ES1+ES2+ES4) = (0.10-0-0-0) mm=+0.10mm 故轴向间隙AO的变化范围为0.10〜0.31 mimA3\//////——\//////一■吃 Al A0「A4M -----------------2.如图所示,A、B、C、D、E各面及设计尺寸20土0.1 mm,工序尺寸L】、L?都在前工序加工出。
本工序中,以E面为测量基准加工D面,得尺寸10±0.1,并要求保证设计尺寸10±0.4、35±0.2,现在要求计算前工序加工所得到的两个工序尺寸L】、L2的尺寸及偏差,以 满足两个设计尺寸的要求。
L1的尺寸链如图所示。
35为封闭环,L1为增环,10为减环。
可求得:Ll=45±0.1L2的尺寸链如图所示。
10为封闭环,20、L2为减环,35为增环。
可求得:L2=5 ±35±0・2LiESN=ES1-EI2-EI3= 0.016-2 X -0.06 mm=+0.136mm EIN=EII-ES2-ES3=0-2 X -0.02mm=+0.04mm3. 如图所示零件,按图样注出的尺寸A|和A3加工时不易测量,现改为按尺寸A 】和A3加 工,为了保证原设计要求,试计算A?的基本尺寸和偏差。
据题意,按尺寸Al 、A2加工,则A3必须为封闭环,A2则为工序尺寸。
1、一压力容器盖螺栓组连接如图所示,已知容器内径D=250mm D=250mm,,内装具有一定压强的液体,沿凸缘圆周均匀分布12个M16M16((1d =13.835mm 13.835mm))的普通螺栓,螺栓材料的许用拉应力[]180MPa s =,螺栓的相对刚度/()0.5b b m c c c +=,按紧密性要求,剩余预紧力1F =1.83F ,F 为螺栓的轴向工作载荷。
试计算:该螺栓组连接允许容器内的液体最大压强max p 及每个螺栓连接所需的预紧力0F 。
1、 计算每个螺栓允许的最大总拉力:计算每个螺栓允许的最大总拉力:212[].........................24 1.320815.............................1d F N s p =´=分分2、 计算容器内液体最大压强计算容器内液体最大压强212max max 2.8........................1208157434.....................12.8/4............................1121.82..............................1aF F F F F N D F p p MP p =+=====分分分分 2、下图所示为一对角接触球轴承支承的轴系,轴承正安装(面对面),已知两个轴承的径向载荷分别为1R F =2000N =2000N,,2R F = 4000N = 4000N,轴,轴上作用的轴向外加载荷X F =1000N, =1000N,轴承内部附加轴向力轴承内部附加轴向力SF 的计算为S F =0.7R F ,当轴承的轴向载荷与径向载荷之比ARF F >e 时,时,X= X= 0.410.41,,Y= 0.87Y= 0.87,当,当AR F F ≤e ,X=1X=1,,Y= 0Y= 0,,e = 0.68e = 0.68,载荷系数,载荷系数f p = 1.0= 1.0,,试计算:试计算:(1)两个轴承的轴向载荷F A1、F A2; (2)两个轴承的当量动载荷P 1、P 2。
西南科技大学《机械设计》习题库四、计算题1、图示,螺栓刚度为c 1,被联接件刚度为c 2,已知c 2=8c 1,预紧力F '=1000N ,轴向工作载荷F =1100N 。
试求;⑴螺栓所受的总拉力F 0;⑵被联接件中的剩余预紧力F ” 。
F FF 'F '2、图示,为一对正安装的圆锥滚子轴承。
已知:作用在轴上的外载荷为M =450kN ·mm ,F R =3000N ,F A =1000N ,方向如图所示。
试求:⑴在插图二上,标出两轴承所受的派生轴向力S 1 和S 2的方向;⑵求出派生轴向力S 1 和S 2的大小; ⑶计算轴承所受的实际轴向力A 1和A 2。
(提示:派生轴向力S 与轴承所受的径向支反力R 的关系为:S =0.25R )【要点:受轴向工作载荷作用的紧螺栓联接F c c c F F 211'0++=F c c c F F 212'"+-= 或者F 0=F +F ”→F ”】12S 12S题4-2图答案3、夹紧联接如插图一所示,已知夹紧联接柄承受载荷Q =600N ,螺栓个数Z =2,联接柄长度L =300mm ,轴直径d =60mm ,夹紧结合面摩擦系数f =0.15,螺栓的许用拉应力[σ]=58.97MPa 。
试求; ⑴计算所需要的预紧力F ’⑵确定螺栓的直径(提示:“粗牙普通螺纹基本尺寸”见表)表 粗牙普通螺纹基本尺寸(GB196-81) mm4、如图所示,某轴用一对反装的7211AC 轴承所支承,已知作用在轴上的径向外载荷F R =3000N, 作用在轴上的轴向外载荷F A =500N,方向如图所示。
载荷系数f p =1.2。
试求:⑴安装轴承处的轴颈直径是多少?⑵标出两轴承各自的派生轴向力S 1、S 2的方向。
⑶计算出两轴承各自的派生轴向力S 1、S 2的大小。
⑷计算出两轴承所受的实际轴向力A 1、A 2的大小。
⑸两轴承各自所受的当量动负荷P 1、P 2的大小。
《机械设计计算题》试题库29001单级齿轮减速器由电动机直接驱动,减速器输入功率P=7.5kW,电动机转速n=1450r/min,齿轮齿数z1=20,z2=50,减速器效率?=0.9。
试求减速器输出轴的功率和转矩。
所以,29002带式输送机的传动简图如下图所示,已知输送带输出功率为 2.51kW,现有Y100L2-4型电动机一台,电动机额定功率P ed=3kW,满载转速n m=1420r/min,试问此电动机能否使用。
各效率如下:?联轴器=0.99,?齿轮=0.97,?轴承=0.99。
验算此电动机能否使用P输入=P输出/?总=2.51/0.895=2.805kWP ed(=3kW)>P输入(=2.805kW)此电动机能用。
29003带式输送机的传动简图如下图所示,已知输送带的工作拉力F=2300N(F中已考虑输送带与卷筒、卷筒轴承的摩擦损耗的影响),输送带的速度v=1.1m/s,卷筒直径D=400mm,齿轮的齿数为z1=17,z2=102,z3=24,z4=109,试求传动装置的输出功率、总效率、总传动比和输入功率。
各效率如下:?联轴器=0.99、?齿轮=0.97、?轴承=0.99。
1)输出功率:2)总效率:3)总传动比:4)输入功率29004一蜗杆减速器,蜗杆轴功率,传动总效率,三班制工作,如工业用电为每度0.12元,试计算五年(每年按260天计算)中用于功率损耗的费用。
功率损耗五年中损耗能量损耗费用元五年中用于功率损耗的费用为74880元。
29005下图为一卷扬机传动系统简图,已知:被提升的重物W=5000N,卷筒直径D=300mm,卷筒转速n G=25r/min,电动机转速n E=720r/min,试求:1)重物W的上升速度v;2)卷筒的转矩T;3)匀速提升重物时卷筒的功率P;4)电动机所需功率P E(传动总效率?=0.886);5)减速器总传动比?i总。
1)2)3)4)5)29006 带式输送机的传动系统如下图所示,已知z1=z3=z5=z7=17,z2=z4=z6=z8=34,带轮直径D1=125mm、D2=250mm,电动机转速n1=1440r/min,各效率为?轴承=0.99、?带=0.94、?齿轮=0.97、?链=0.96,求:1)电动机至卷筒之间的总效率;2)传动系统的传动比i总(电动机至卷筒);3)卷筒的转速n8(即大链轮z8的转速)。
一、计算图所示振动式输送机的自由度。
解:原动构件1绕A 轴转动、通过相互铰接的运动构件2、3、4带动滑块5作往复直线移动。
构件2、3和4在C 处构成复合铰链。
此机构共有5个运动构件、6个转动副、1个移动副,即n =5,l p =7,h p =0。
则该机构的自由度为F =h lp p n --23=07253-⨯-⨯=1二、在图所示的铰链四杆机构中,设分别以a 、b 、c 、d 表示机构中各构件的长度,且设a <d 。
如果构件AB 为曲柄,则AB 能绕轴A 相对机架作整周转动。
为此构件AB 能占据与构件AD 拉直共线和重叠共线的两个位置B A '及B A ''。
由图可见,为了使构件AB 能够转至位置B A ',显然各构件的长度关系应满足c bd a +≤+ (3-1)为了使构件AB 能够转至位置B A '',各构件的长度关系应满足c ad b +-≤)(或b a d c +-≤)(即c d b a +≤+ (3-2)或b d c a +≤+ (3-3)将式(3-1)、(3-2)、(3-3)分别两两相加,则得c a ≤ b a ≤d a ≤同理,当设a >d 时,亦可得出c b ad +≤+ b a b d +≤+ b a c d +≤+ 得c d ≤b d ≤a d ≤分析以上诸式,即可得出铰链四杆机构有曲柄的条件为: (1)连架杆和机架中必有一杆是最短杆。
(2)最短杆与最长杆长度之和不大于其他两杆长度之和。
上述两个条件必须同时满足,否则机构中便不可能存在曲柄,因而只能是双摇杆机构。
通常可用以下方法来判别铰链四杆机构的基本类型: (1)若机构满足杆长之和条件,则: ① 以最短杆为机架时,可得双曲柄机构。
② 以最短杆的邻边为机架时,可得曲柄摇杆机构。
③ 以最短杆的对边为机架时,可得双摇杆机构。
(2)若机构不满足杆长之和条件则只能获得双摇杆机构。
三、 k =12v v =121221t C C t C C =21t t =21ϕϕ=θθ-︒+︒180180即k =θθ-︒+︒180180 θ=11180+-︒k k式中k 称为急回机构的行程速度变化系数。
机械设计基础计算试习题机械设计基础计算试题一、单项选择题(本大题共20小题,每小题2分,共40分)在每小题列出的四个备选项中只有一个是符合题目要求的,请将其代码填写在题后的括号内。
错选、多选或未选均无分。
1.机器中各制造单元称为( )A.零件B.构件C.机件D.部件2.在平面机构中,每增加一个高副将引入( )A.0个约束B.1个约束C.2个约束D.3个约束3.铰链四杆机构的死点位置发生在( )A.从动作与连杆共线位置B.从动件与机架共线位置C.主动件与连杆共线位置D.主动件与机架共线位置4.在铰链四杆机构中,若最短杆与最长杆长度之和小于其它两杆长度之和,则要获得双摇杆机构,机架应取( )A.最短杆B.最短杆的相邻杆C.最短杆的对面杆D.无论哪个杆5.凸轮机构的从动件选用等加速等减速运动规律时,其从动件的运动( )A.将产生刚性冲击B.将产生柔性冲击C.没有冲击D.既有刚性冲击又有柔性冲击6.在单圆销的平面槽轮机构中,当圆销所在构件作单向连续转动时,槽轮的运动通常为( )A.双向往复摆动B.单向间歇转动C.单向连续转动D.双向间歇摆动7.当两个被联接件均不太厚,便于加工通孔时,常采用( )A.螺栓联接B.螺钉联接C.双头螺栓联接D.紧定螺钉联接8.普通平键传递扭矩是靠键的( )A.顶面B.底面C.侧面D.端面9.V带传动工作时,与带轮轮槽接触的是带的( )A.底面B.顶面C.两侧面D.底面和两侧面10.一对渐开线标准圆柱齿轮要正确啮合,一定相等的是( )A.直径B.宽度C.齿数D.模数11.高速重载齿轮传动中,当散热条件不良时,齿轮的主要失效形式是( )A.轮齿疲劳折断B.齿面疲劳点蚀C.齿面磨损D.齿面胶合12.一对双向运转的齿轮传动,工作时在轮齿根部所受的弯曲应力变化特征可简化为( )A.对称循环变应力B.脉动循环变应力C.静应力D.无规律变应力13.对比较重要的蜗杆传动,最为理想的配对材料组合是( )A.钢和铸铁B.钢和青铜C.钢和铝合金D.钢和钢14.在蜗杆传动中,当其它条件相同时,减少蜗杆头数,则传动效率( )A.提高B.降低C.保持不变D.或者提高,或者降低15.在下列联轴器中,属于刚性联轴器的是( )A.万向联轴器B.齿式联轴器C.弹性柱销联轴器D.凸缘联轴器16.按承受载荷的性质分类,双万向联轴器的中间轴属于( )A.传动轴B.心轴C.转轴D.钢丝软轴17.高速、重载下工作的重要滑动轴承,其轴瓦材料宜选用( )A.锡基轴承合金B.铸锡青铜C.铸铝铁青铜D.耐磨铸铁18.一向心角接触球轴承,内径85mm,正常宽度,直径系列3,公称接触角15°,公差等级为6级,游隙组别为2,其代号为( )A.7317B/P62B.7317AC/P6/C2C.7317C/P6/C2D.7317C/P6219.角接触球轴承和圆锥滚子轴承的轴向承载能力随公称接触角α的减小而( )A.增大B.减小C.不变D.增大或减小随轴承型号而定20.回转件动平衡条件是分布在回转件上的各个偏心质量的( )A.离心惯性力合力为零B.离心惯性力的合力矩为零C.离心惯性力合力及合力矩均为零D.离心惯性力的合力及合力矩均不为零二、填空题(本大题共10小题,每小题1分,共10分)请在每小题的空格中填上正确答案。
六、计算题实例例1 各平面已加工,欲加工孔O,保证B和D,设W⊥N 试计算该定位误差。
解:尺寸B的设计基准为顶面M,而定位基准为底面N,基准不重合,△jb=TA △jw=0∴△DwB=△jw+△jb=0+TA=TA尺寸D的设计基准为右面,而定位基准为W 面,基准不重合,△jb=T C△jw=0∴△DwD=TC例2一批轴件以平面定位铣键槽,试计算m和n尺寸的定位误差。
解:m尺寸因是平板定位且基准重合,△jb=0,△jw=0∴△Dwm=0 但是键槽会出现对称度误差(Td/2)。
n尺寸是平板定位但基准不重合,△jb= △jw=0∴△Dwn=Td/2,可见这是外圆母线位置的变化量。
例3一批直径为d±Td/2轴铣键槽,定位方式如图所示,V形块夹角为α,试计算m和n尺寸的定位误差。
解:工件以V形块定位,平板从下面夹紧。
m尺寸的工序基准是轴心线,基准重合,△jb=0 ,只有△jw。
n尺寸的工序基准是外圆下母线,除△jw外,还存在△jb。
计算题例3附图例4 一批工件以Φ20H7(+0.021~0)孔用Φ20g6(-0.007~-0.020)心轴定位,在立式铣床上铣键槽,其中Φ40h6(0~-0.016)外圆对内孔之径跳0.02,欲保证1)槽宽尺寸12h9;2)槽距端面尺寸20h12;3)槽底尺寸34.8h11(0~-0.21);4)槽两侧面对外圆轴线的对称度0.1;试分析定位误差。
计算题例4附图解:1)槽宽选相应的铣刀予以保证,无定位误差。
2)槽距尺寸因基准重合,平面定位,△Dw=0。
3)槽底尺寸因基准不重合△jb=Td0/2;又因为是间隙配合△jw=T D/2+Td/2 △Dw= Td0/2+ T D/2+Td/2∴△Dw= (0.016+0.021+0.013)=0.025<0.21×1/3 满足要求4)由于工件安装时可保证间隙只出现在单边,对称度误差主要受外圆对内孔的径跳影响。
∴△Dw对称=0.02<0.1×1/3 满足要求。
《机械设计》考试复习题一、填空题:1 零件强度计算中的许用安全系数是用来考虑。
2 一个零件的磨损大致可以分为磨损、磨损、磨损三个阶段,在设计和使用时,应力求、、。
3 在变应力工况下,机械零件的损坏将是,这种损坏的断面包括。
4 螺纹的公称直径是指螺纹的径,螺纹的升角是指螺纹径处的升角。
螺旋的自锁条件为,拧紧螺母时效率公式为。
5 用四个铰制孔螺栓联接两个半凸缘联轴器,螺栓均布在直径为20㎜的圆周上,轴上转矩为100N·m ,每个螺栓受的横向力为N。
6 仅承受预紧力的紧螺栓联接强度计算时,螺栓的危险截面上有和载荷联合作用。
因此,在截面上有应力和应力。
7 螺纹联接常用的防松原理有,,。
其对应的防松装置有,,。
8 当采用两个楔键传递周向载荷时,应使两键布置在沿周向相隔的位置,在强度校核时只按个键计算。
9 平键联接的主要失效形式有:工作面(静联接),工作面(动联接),个别情况下会出现键的剪断。
10 选择普通平键时,键的截面尺寸(b×h )是根据查标准来确定;普通平键的工作面是。
11 带传动中,打滑是指,多发生在轮上。
刚开始打滑时紧边拉力F1与松边拉力F2的关系为。
12 带传动与齿轮传动一起作减速工作时,宜将带传动布置在齿轮传动之;当带传动中心距水平布置时,宜将松边安置在方。
带传动一周过程中,带所受应力的大小要发生次变化,其中以应力变化最大,而应力不变化。
13 带传动中,用方法可以使小带轮包角加大。
14 链传动中,即使主动链轮的角速度ω1=常数,也只有当时,从动轮的角速度ω2和传动比 才能得到恒定值。
15 开式链传动的主要失效形式是。
16 链传动工作时,其转速越高,其运动不均匀性越,故链传动多用于速传动。
17 链传动中,小链轮的齿数越多时,则传动平稳性越。
18 链传动的传动比不变,传动比是变化的。
19齿轮传动强度设计中,σH是应力,[σ]H是应力,σF是应力,[σ]F是应力。
20 在圆柱齿轮传动中,齿轮直径不变而减小模数m ,对轮齿的弯曲强度、接触强度及传动的工作平稳性的影响分别为,,。
四、计算图示机构的自由度(若图中含有复合铰链、局部自由度和虚约束等情况时,应具体指出)。
(每题5分)1、F=3n-2P L-P H=3×4-2×5-1=1 E、F之一为虚约束2、F=3n-2P L-P H=3×7-2×10-0=13、F=3n-2P L-P H=3×7-2×9-2=1 B是局部自由度,E是复合铰链F=3n-2P L-P H=3×5-2×7-0=1 E是虚约束5、F=3n-2P L-P H=3×6-2×8-1=1 D是局部自由度,E、F之一是虚约束6、F=3n-2P L-P H=3×7-2×9-1=2 A是局部自由度,J、K之一是虚约束F=3n-2P L-P H=3×4-2×5-1=1 B是局部自由度8、F=3n-2P L-P H=3×5-2×7-0=19、F=3n-2P L-P H=3×7-2×9-1=2F是局部自由度,E、E’之一是虚约束F=3n-2P L-P H=3×5-2×7-0=1 最上两移动副之一是虚约束11、某车间技术改造需要选配一对标准直齿圆柱齿轮,已知主动轴的转速n1=400r/min,需要从动轴转速n2=100r/min,两轮中心距a=100mm,齿数z1≥17,试确定这对齿轮的模数和齿数以及各齿轮的齿顶圆、分度圆尺寸。
(10分题)解:i=n1/n2=400÷100=4所以z2=4z1因 a=m(z1+z2)/2=5mz1/2=100又因z1≥17,所以mz1=40所以取m=2,z1=20,则z2=80d1=mz1=2×20=40mm,da1=m(z1+2)=2×(20+2)=44mmd2=mz2=2×80=160mm,da2=m(z2+2)=2×(80+2)=164mm已知z1=z2=z3’=z4=20,又齿轮1、3、3’、5在同一轴线上,均为标准齿轮传动,n1=1440r/min。
(1) 活动构件数n=5,低副数 P L =7,高副数P H =0 ,因此自由度数F=3n-2P L -P H =3*5-2*7=1 C 为复合铰链(2) 活动构件数n=5,低副数 P L =7,高副数P H =0 因此自由度数F=3n-2P L -P H =3*5-2*7=1 F 、G 为同一个移动副,存在一个虚约束。
2.在图示锥齿轮组成的行星轮系中,各齿轮数120Z =,Z 2=27,Z 2’=45,340Z =,已知齿轮1的转速1n =330r/min ,试求转臂H 的转速n H (大小与方向)。
(1)判断转化轮系齿轮的转动方由画箭头法可知,齿轮1与齿轮3的转动方向相反。
(2)转化轮系传动比关系式'21323113Z Z Z Z n n n n i H HH⋅⋅-=--=(3)计算转臂H 的转速H n 。
代入13330,0n n ==及各轮齿数 330274002045330615150/minH H H H n n n n r -⨯=--⨯-+=-=转臂H 的转动方向与齿轮1相同。
2’2133.有一轴用一对46309轴承支承,轴承的基本额定动负载r C =48.1kN ,内部轴向力S=0.7Fr ,已知轴上承力R F =2500N ,A F =1600N ,轴的转速n=960r/min ,尺寸如图所示。
若取载荷系数p f =1.2,试计算轴承的使用寿命。
1)计算径向负荷F A F r1S 2 F RS 1F r2由力矩平衡 F r2×200- F R ×300+ F A ×40=0F r2= (F R ×300- F A ×40)/200=(2500×3000-1600×40)/200=3430N F r1= F r2- F R =3430-2500=930N (2)计算轴向负荷 内部轴向力S 1=0.7 F r1=0.7×930=651N ;S 2=0.7 F r2=0.7×3430=2401N由S 1+ F A < S 2 ,可知轴承1为“压紧”轴承,故有F a1= S 2- F A =2401-1600=801N F a2= S 2=2401N (3)计算当量动负荷轴承1:F a1/ F r1=801/930=0.86>e ;取X =0.41,Y =0.87 P 1=f p (X F r1+Y F a1)=1.2×(0.41×930+0.87×801)=1294N 轴承2:F a2/ F r2=0.7=e ;取X=1,Y=0 P 2=f p ×F r2=1.2×3430=4116N∵ P 2> P 1 ∴ 取P=P 2=4116N 计算轴承寿命。
(4)计算轴承寿命L h =(106/60n)( C t /P)ε= 〔106 /(60×960)〕×(48.1×103/4116)ε=27706heF a /F r ≤eF a /F r >eXY X Y 0.710.410.85此轴承组合设计有以下四个方面的错误:(1) 转动件与静止件接触:轴与轴盖;套筒与轴承外圈 (2) 轴上零件未定位、未固定:筒顶不住齿轮(过定位);卡圈不需要 (3) 工艺不合理:加工:精加工面过长且加工不方便;联轴器孔未打通;箱体加工面与非加工面没有分开 安装:轴肩过高,无法拆卸轴承;键过长,套筒无法装入 调整:无垫片,无法调整轴承游隙润滑与密封:齿轮用油润滑,轴承用脂润滑而挡油盘;缺缺密封件、、如图所示的轮系中,已知z 1 =z 2 =z 4 =z 5 =20,z 3 =z 6 =60,齿轮1的转速n 1=1440(r/min),求齿轮6的转速(大小及方向)(方向用箭头表示)。
其转动比为 12i =61n n =(-1)2920206060416354265321===X X z z z z z z z z z z z z)min (160914401216r i n n ===轮6转向轮1同。
已知一正常齿制的标准直齿圆柱齿轮,齿数z 1=20,模数m = 2mm ,拟将该齿轮作某外啮合传动的主动齿轮,现须配一从动齿轮,要求传动比i =3.5,试计算从动齿轮的几何尺寸及两轮的中心距。
(20分)解:根据给定的传动比i ,可计算从动轮的齿数z 2 = i z 1 =3.5× 20 = 70已知齿轮的齿数z 2及模数m ,由表5-2所列公式可以计算从动轮各部分尺寸。
分度圆直径 d 2 = m z 2 = 2×70 = 140 mm齿顶圆直径 d a2 = (z 2 + 2h a *) m = (70+2×1)2=144 mm齿根圆直径 d f = (z 2 - 2h a *- 2c *) m = (70-2×1-2×0.25)2=135mm 全齿高 h =(2h a *+c *)m = ( 2×1 + 0.25) 2= 4.5 mm 中心距 90)7020(22)(22a 2121=+=+=+=z z m d d mm1. 请说明平面机构速度瞬心的概念,并简述三心定理。
答:瞬心是指互相作平面相对运动的两构件在任一瞬时,其相对速度为0的重合点,或者是绝对速度相等的重合点。
(3分)三心定理:作平面运动的三个构件共有三个瞬心(1.5分),它们位于同一直线上(1.5分)。
2. 简述闭式齿轮传动的设计准则答:1)对于软齿面闭式齿轮传动,通常先按齿面接触疲劳强度进行设计,然后校核齿根弯曲疲劳强度(2)对于硬齿面闭式齿轮传动,通常先按齿根弯曲疲劳强度进行设计,然后校核齿面接触疲劳强度。
3. 平键连接的工作原理是什么?主要失效形式有哪些?平键的截面尺寸bxh 是如何确定的? 答:平键的工作面为两侧面,工作时靠键与键槽侧面的挤压来传递转矩。
主要失效形式是工作面的压溃和键的剪断。
)截面尺寸根据轴径d 由标准查出。
4. 简述形成流体动压油膜的必要条件。
答:形成动压油膜的必要条件是:1)相对运动表面之间必须形成收敛形间隙;2)要有一定的相对运动速度,并使润滑油从大口流入,从小口流出;3)间隙间要充满具有一定粘度的润滑油。
1.(8分) 如图示螺栓联接的受力-变形图。
若保证残余预紧力"F 的大小等于其预紧力F ’的一半。
求该联接所能承受的最大工作载荷和螺栓所受的总拉力,并在图中标出各力。
解:在受力-变形图中标出残余预紧力、预紧力及工作载荷,由图中几何关系可知螺栓连接最大工作载荷为: F=F ’ 螺栓所受的总拉力为:"3'5.1'""0F F F F F F F ==+=+=2. 计算图中所示机构的自由度数,若该机构存在局部自由度、复合铰链、虚约束等请在图中指明。
答: 活动构件数:n=7高副数:PL=9 低副数:PH=1 F=3n-2PL-PH=2 F 处存在局部自由度(1分),E 处或E ’处存在虚约束,C 处存在复合铰链。
4. 如图所示轮系中,若已知各轮齿数1z =2z =4z =5z =20,3z =40,6z =60,求H i 1 的大小, 并说明轮1与转臂H 的转向相同还是相反。
解:此轮系为混合轮系,其中定轴轮系传动比:22040122112====z z n n i 周转轮系的转化轮系传动比:42080)1(355225-=-=-=--=z z n n n n i H H H由于05=n ,故:42-=--H H n n n 得:52=H n n 故:10522212121-=⨯-=⋅==HH H n nn n i i i轮1与转臂H 转向相反FFFF34 15H 2试分析图示齿轮轴轴系结构上的结构错误,在图中编号并指出错误原因。
轴承采用脂润滑。
位置1、两轴承类型一致,角接触轴承应成对使用;位置2、旋转件和静止件接触;位置3、齿轮安装轴段的长度应小于齿轮宽度;位置4、无键槽;位置5、联轴器轴段无轴向定位,应设计成阶梯轴;位置6、与轴承内圈配合轴段太长,应设计成阶梯轴;位置7、机箱体应加凸台以减小加工面积;位置8、应加调整垫片;位置9、键槽孔太长;位置10、缺甩油环;位置11、轴肩太高,轴承内圈无法拆卸;位置12、无密封。
15.螺纹联接的防松方法,按工作原理来分可分为哪几种?要求每一种举一例。
15.答:摩擦防松,如用对顶螺母,弹簧垫圈,自琐螺母等。
机械防松,如开口销与六角开槽螺母,止动垫圈,串联钢丝等。
其它防松,如铆冲,胶粘等16.什么是滚动轴承的基本额定寿命和基本额定动载荷?16.答:按一组轴承中10%的轴承发生点蚀失效,而90%的轴承不发生点蚀失效前轴承内外圈的相对转数(以106为单位)或工作小时数作为轴承的寿命,并把这个寿命叫做基本额定寿命。
滚动轴承基本额定动载荷,就是使轴承的基本额定寿命恰好为106转时,轴承所能承受的载荷。
17.试解释带传动中弹性滑动和打滑现象。
弹性滑动和打滑会引起什么后果?二者都可以避免吗?17.答:带传动的弹性滑动与打滑的主要区别是弹性滑动是局部滑动,会引起传动比不准,是不可避免的;打滑是全面滑动,将是带的磨损加剧,从动轮的转速急剧降低,甚至使传动失效,这种情况应当避免18.答: 铰链四杆机构的基本型式有三种:曲柄摇杆机构;双曲柄机构; 双摇杆机构 19.仅承受扭矩的轴叫转轴。
转轴→传动轴20.下图为某深沟球轴承的载荷P 与寿命L 的关系曲线,试求: 1)此轴承的基本额定动载荷C ;C =45000NL n C P C Ch ==⨯=166701667010000116670 h 3()(.)ε 2)若轴承当量动载荷P=0.1C ,轴承转速n =1000r/min ,轴承寿命L h 为多少?21.有一滑动轴承,其轴颈直径d =100mm ,B /d =1.4,[p ]=8MPa ,[V ]=3 m/s ,[pV ]=15MPa .m/s ,转速n =500r/min ,问此轴承允许最大工作载荷为多少?B d ==⨯=1414100140 mm ..;[]F dB p ==⨯⨯=1001408112000 NV dn =⨯=⨯⨯⨯=ππ/().601000100500601000262m /s ;[]pV p ==⨯15262.所以p ==152625725 MPa ..由此得F =⨯⨯=572510014080150.N 所以,允许最大工作载荷为80150N 。
22.如图所示用两个M10(小径d 18=.376mm ,中径d 29026=.mm ,)的螺钉固定一牵引钩。