中职机械制图教案
- 格式:docx
- 大小:1.66 MB
- 文档页数:48
中等专业学校2024-2025-1教案编号:备课组别机械组课程名称机械制图所在年级主备教师授课教师授课系部授课班级授课日期课题基本体的投影作图(第一课时)教学目标1.了解基本体的含义、分类及用途;2.掌握基本体的投影作图及尺寸标注;3.培养学生的空间想象能力;4.培养学生绘制和识读基本体三视图的能力。
重点基本体的含义与分类、作图与尺寸标注、对基本体进行点、线、面投影分析。
难点对基本体的线、面分析、回转体素线的投影、培养学生的空间想象能力。
教法启发式、讨论式、直观演示、比较法、练习法等多种教法,讲练结合教学设备多媒体设备、教师用绘图工具、学生用绘图工具、A4幅面的绘图纸教学环节教学活动内容及组织过程个案补充教学内容【组织教学】检查出勤情况,稳定情绪【教学引入】螺栓毛坯的三维图用AutoCAD绘图软件或SolidWorks实体设计软件动态展示物体(螺栓毛坯)的三维图。
提出问题:(1)物体是由哪些基本体组成?(2)如何用三视图表达?【新课教学】教学内容任何物体均可以看成是由若干基本体组合而成。
基本体包括平面体和曲面体两类。
平面体:棱柱、棱锥等;曲面体:如圆柱、圆锥、圆球等,也称回转体通过动画演示,引导学生观察分析:物体是由六棱柱、圆柱和圆锥台三部分基本体构成。
所以基本体的投影作图是后学学习组合体及零件图的重要基础。
一、棱柱特征:侧棱线相互平行,侧面是矩形;两端面相等的多边形正六棱柱为例,分析其投影特征和作图方法分析:顶面和底面是相互平行的正六边形;六个侧棱面均为矩形按图示位置分析三个视图作图(1)作正六棱柱的对称中心线和底面基线,定位;(2)画出反映主要形状特征的俯视图的正六边形(按外接圆尺寸φ30)。
教学内容(3)按三等规律画出主视图和左视图(高12)。
分析:俯视图正六边形,也是顶面和底面的重合投影,且反映实形;六条边分别是六个棱面有积聚性的投影。
主视图为三个矩形线框组合,中间的矩形是前、后棱面的重合投影,反映实形;顶面和底面投影积聚为上、下两条水平线。
中等专业学校20223-2024-1教案编号:备课组别机械组课程名称机械制图所在年级主备教师授课教师授课系部授课班级授课日期课题:5-3 组合体的尺寸标注教学目标1.了解组合体尺寸标注的基本要求;2.掌握组合体的尺寸标注;重点掌握组合体的尺寸标注;难点掌握组合体的尺寸标注;教法讲练结合法、探究法、练习法、讨论法教学设备多媒体、画图工具教学环节教学活动内容及组织过程个案补充教学内容一、组织教学:安定课堂秩序二、新课引入三、新授(一)组合体的尺寸标注1.尺寸标注的基本要求①正确——符合国家标准②完整——尺寸完整、正确、不重复地表示物体的形状和大小③清晰——尺寸布置整齐、清晰,方便看图④合理——尺寸满足设计要求,尽量满足加工、测量和检验的要求教学 内 容(1)带切口形体的尺寸标注对于带切口的形体,除了标注基本形体的尺寸外, 还要注出确定截平面位置的尺寸。
必须注意,由于形体与截平面的相对位置确定后,切口的交线已完全确定,因此不应在交线上标注。
(2)常见简单形体结构的标注尺寸 2.组合体的尺寸标注(1)尺寸齐全要保证尺寸齐全,既不遗漏,也不重复,应先按形体分析法注出表示各基本形体大小的定形尺寸,再确定它们之间相对位置的定位尺寸,最后根据组合体的结构特点注出总体尺寸。
①定形尺寸确定组合体中各基本形体大小的尺寸。
例如,底板的长、宽、高(40,24,8),底板上圆孔和圆角尺寸(2ХΦ6、R6)。
必须注意,相同圆孔Φ6要注写数量,如2ХΦ6,但相同圆角R6不注数量,两者均不必重复标注。
②定位尺寸是指确定组合体中各基本形体之间相对位置的尺寸。
标注定位尺寸时,须在长、宽、高三个方向分别选定教学内容尺寸基准,每个方向至少有一个尺寸基准,以便确定各基本形体在各方向上的相对位置。
通常选择组合体底面、端面或对称平面以及回转轴线等作为尺寸基准。
如图所示,组合体左右对称平面为长度方向的尺寸基准;后断面为宽度方向尺寸基准,底面为高度方向的尺寸基准。
课时授课计划
课时授课计划(第1页)
时授课计划(第2页)
课时授课计划(第3页)
课时授课计划
课时授课计划(第1页)
课时授课计划(第2页)
课时授课计划
课时授课计划(第1页)
时授课计划(第2页)
时授课计划(第2页)
时授课计划(第2页)
课时授课计划
课时授课计划(第1页)
时授课计划(第2页)
课时授课计划
课时授课计划(第1页)
时授课计划(第2页)
课时授课计划
课时授课计划(第1页)
aa’垂直于X 轴
(长对正); a ’a”垂直于Z 轴(高平齐)
时授课计划(第2页)
课时授课计划
课时授课计划(第1页)
课时授课计划
课时授课计划(第1页)
时授课计划(第2页)
(2)例二,如图所示,完成被截切圆柱的正面投影和水平投影。
-16 补全带切口圆柱的投影
课时授课计划1
课时授课计划(第1页)
助讲解。
(a)立体图(b)
时授课计划(第2页)
时授课计划(第3页)
课时授课计划2
课时授课计划(第1页)
时授课计划(第2页)
授课计划(第3页)
课时授课计划1
课时授课计划(第1页)
时授课计划(第2页)
课时授课计划
课时授课计划(第1页)
时授课计划(第2页)
课时授课计划
课时授课计划(第1页)
时授课计划(第2页)
课时授课计划
课时授课计划(第1页)
时授课计划(第2页)
课时授课计划
课时授课计划(第1页)
时授课计划(第2页)
时授课计划(第3页)
课时授课计划。
《机械制图》中专教案一、教学目标1. 知识与技能:(1)掌握机械制图的基本知识、基本原理和基本方法。
(2)学会使用机械制图的国家标准。
(3)能够阅读和绘制简单的机械图样。
2. 过程与方法:(1)通过讲解、示范、练习等方法,培养学生的空间想象能力。
(2)运用现代化教学手段,如计算机辅助设计(CAD),提高学生的绘图能力。
(3)通过小组合作、讨论等方式,提高学生的沟通与协作能力。
3. 情感态度与价值观:(1)培养学生对机械制图学科的兴趣,激发学生的学习热情。
(2)培养学生认真负责、细致严谨的工作态度。
(3)培养学生遵守国家法律法规,严格按照国家标准进行设计和绘图。
二、教学内容1. 机械制图的基本知识:图幅、比例、视图、投影变换等。
2. 机械制图的基本原理:点、线、面的投影,剖面、断面、局部放大图等。
3. 机械制图的基本方法:手工绘图、计算机辅助设计(CAD)等。
4. 国家标准:图样格式、尺寸标注、符号表示等。
5. 简单机械图样的阅读和绘制:零件图、装配图、轴测图等。
三、教学重点与难点1. 教学重点:(1)机械制图的基本知识和基本原理。
(2)国家标准的应用。
(3)简单机械图样的阅读和绘制。
2. 教学难点:(1)投影变换和空间想象能力的培养。
(2)计算机辅助设计(CAD)的操作技巧。
(3)复杂机械图样的阅读和绘制。
四、教学方法与手段1. 教学方法:(1)讲解法:讲解基本知识、原理和方法。
(2)示范法:示范绘制图样和操作CAD软件。
(3)练习法:学生动手练习绘制图样和操作CAD软件。
(4)小组合作法:分组讨论、合作完成项目。
2. 教学手段:(1)板书、PPT等传统教学手段。
(2)计算机辅助设计(CAD)软件。
(3)实体模型、挂图等直观教学手段。
五、教学进程安排1. 课时:本课程共安排课时,本章内容安排课时。
2. 教学进程:(1)第1-3课时:讲解机械制图的基本知识。
(2)第4-6课时:讲解机械制图的基本原理。
教学内容表示一个机件可以有六个基本投射方向, 如图a所示, 相应地有六个与基本投射方向垂直的基本投影面。
(2)六个投影面的展开基本视图是物体向六个基本投影面投射所得的视图。
空间六个基本投影面可设想围成一个正六面体, 为使其上的六个基本视图位于同一平面内, 可将六个基本投影面按图b所示的方法展开。
图a 图b(3)六面视图的投影对应关系六个基本视图的方位对应关系如图c所示, 除后视图外, 在围绕主视图的俯、仰、左、右四个视图中, 远离主视图的一侧表示机件的前方, 靠近主视图的一侧表示机件后方。
六个基本视图仍保持“长对正、高平齐、宽相等”的三等关系, 即仰视图与俯视图同样反映物体长、宽方向的尺寸;右视图与左视图同样反映物体的高、宽方向的尺寸;后视图与主视图同样反映物体长、高方向的尺寸。
图c2.向视图(1)定义教学内容可以移位配置的基本视图。
(2)标注在向视图的上方注写“×”(×为大写的英文字母, 如“A”、“B”、“C”等), 并在相应视图的附近用箭头指明投影方向, 并注写相同的字母。
向视图及其标注3.局部视图(1)定义将机件的某一部分向基本投影面投射所得的视图。
(2)局部视图的配置、标注及其画法①局部视图按基本视图位置配置, 中间若没有其他视图隔开时, 则不必标注, 如图中所示的局部视图A, 图中的字母A和相应的肩头均不必标出。
②局部视图也可按向视图的配置形式配置在适当的位置, 如图中的局部视图B。
③局部视图的断裂边界通常用边界线或双折线表示, 如图中A向局部视图。
但当表示的局部结构是完整, 其图形的外轮廓线呈封闭状态时, 波浪线和双折线可省略不画, 如图中局部视图B。
④若局部视图按第三角画法配置在视图上需要表示的局部结构附近, 并用细点画线连接两图形时, 无须另行标注。
四、①斜视图常用于表达机件上的倾斜结构。
斜结构的实形后, 机件的其余部分不必画出, 此时可在适。
中职机械制图教案教案标题:中职机械制图教案教案概述:本教案旨在为中职学生设计一堂关于机械制图的课程,通过理论知识与实践操作相结合,提高学生的机械制图技能和实际应用能力。
本教案适用于中职机械类专业的学生,通过系统的教学设计和有针对性的教学方法,帮助学生全面掌握机械制图的基本概念、标准规范以及相关工具的使用方法。
教学目标:1. 了解机械制图的基本概念和作用;2. 掌握机械制图的基本符号、标准规范和绘图方法;3. 学会使用CAD软件进行机械制图设计;4. 培养学生的团队合作意识和实际操作能力。
教学重点:1. 机械制图的基本概念和作用;2. 机械制图的基本符号、标准规范和绘图方法;3. CAD软件的使用方法。
教学难点:1. 机械制图的标准规范和绘图方法的理解和应用;2. CAD软件的操作和实际应用。
教学准备:1. 教学PPT或教材;2. 机械制图实例和练习题;3. CAD软件及相关教学资料。
教学过程:一、导入(5分钟)1. 利用教学PPT或实物展示,引入机械制图的重要性和应用领域;2. 向学生介绍机械制图的基本概念和作用。
二、理论讲解(20分钟)1. 讲解机械制图的基本符号、标准规范和绘图方法;2. 通过实例演示,解释不同符号的含义和使用方法;3. 强调标准规范的重要性,讲解常见的制图错误和如何避免。
三、实践操作(40分钟)1. 分发机械制图实例和练习题,要求学生按照标准规范进行手绘练习;2. 引导学生使用CAD软件进行机械制图设计,包括基本图形的绘制、尺寸标注等;3. 鼓励学生在实践操作中互相合作,提高团队合作意识和实际应用能力。
四、总结归纳(10分钟)1. 回顾本节课的重点内容和学习收获;2. 强调机械制图的重要性和实际应用;3. 解答学生提出的问题,并鼓励学生继续学习和实践。
五、作业布置(5分钟)1. 布置相关的练习题和作业,巩固所学知识;2. 提醒学生按时提交作业,并预告下节课的内容。
教学延伸:1. 鼓励学生参与机械制图竞赛或实践项目,提升实际应用能力;2. 推荐相关的参考书籍和在线资源,供学生进一步学习和提高。
《机械制图》中专教案一、教学目标1. 知识与技能:(1)使学生掌握机械制图的基本知识、基本技能和基本方法。
(2)培养学生阅读机械图纸的能力,能看懂简单的机械图纸。
(3)培养学生具备初步的机械制图能力,能绘制简单的机械图纸。
2. 过程与方法:(1)通过讲解、示范、练习等方法,使学生掌握机械制图的基本知识和方法。
(2)采用案例分析法,培养学生阅读机械图纸的能力。
(3)运用任务驱动法,培养学生绘制机械图纸的能力。
3. 情感态度与价值观:(1)培养学生对机械制图学科的兴趣,激发学生学习积极性。
(2)培养学生认真、细致、规范的工作作风,提高学生的职业素养。
二、教学内容1. 机械制图基本知识:图线、比例、标注、投影、视图等。
2. 机械制图的基本技能:绘制平面图形、立体图形、零件图等。
3. 机械制图的方法:手工绘图、计算机绘图等。
三、教学重点与难点1. 教学重点:机械制图的基本知识、基本技能和基本方法。
2. 教学难点:视图的绘制、标注的运用、计算机绘图技巧等。
四、教学过程1. 导入新课:简要介绍机械制图的重要性,激发学生的学习兴趣。
2. 讲解基本知识:讲解图线、比例、标注、投影、视图等基本知识。
3. 示范操作:演示绘制平面图形、立体图形、零件图等基本技能。
4. 练习巩固:学生动手练习,教师巡回指导。
五、课后作业1. 绘制一个简单的平面图形,并标注尺寸。
2. 绘制一个简单的立体图形,并标注尺寸。
3. 分析一个简单的零件图,理解其结构特点。
六、教学评价1. 评价内容:学生对机械制图基本知识的掌握、基本技能的运用、阅读和绘制机械图纸的能力。
2. 评价方法:课堂练习、课后作业、笔试、实践操作等。
3. 评价标准:能熟练掌握机械制图的基本知识和方法,能正确阅读和绘制机械图纸。
七、教学策略1. 采用直观教学法,通过模型、图纸等直观教具,帮助学生形象地理解机械制图的基本概念。
2. 采用案例教学法,提供实际的机械图纸案例,培养学生阅读和分析图纸的能力。
绪论根据投影原理,标准或有关规定,表示工程对象,并有必要的技术说明的图,称为图样。
图样:机械图样、建筑图样等。
我们主要学习机械图样。
一、本课程的主要任务和要求1、掌握用正投影法图未空间物体的基本理论和方法。
2、掌握正确地使用绘图仪器画图和徒手画图的方法,并具有较高的绘图技能和技巧;掌握计算机绘图方法,并具有绘制较简单图形的能力。
3、能根据国家标准规定,运用所学的基本理论,基本知识和基本技能,绘制和识读中等复杂程度的零件图与装配图。
4、培养和发展学生的空间想象能力。
5、培养学生具有耐心细致的工作作风和严肃认真的工作态度。
二、学习本课程的注意事项1、主要任务:具有画图和看图能力,在牢牢掌握基本投影原理的基础上,注重把物体绘成图样以及依据图样想象物体空间形象的一系列循序渐进的练习,不断发展自己的空间想象能力和提高图形与尺寸表达能力。
2、主要特点:正确掌握绘图仪器和工具的使用方法,提高绘图技巧,通过大量的作图实践,提高看图与画图的能力。
3、主要训练:是通过一系列作业来贯彻的。
每次作业前,必须详细阅读作业指导书,做到动手前心中有数,以便提高完成作业的速度和质量。
三、我国工程图学发展史简介1、工程图学是劳动人民长期生产经验的积累,总结和提高的结果。
举例《营造方式》2、中华人民共和国成立以后,随着经济的发展,我国的制图标准已达到国际水平。
3、计算机绘图将成为今后制图的方法。
第一章制图基本知识§1-1制图工具和用品的使用常言道“工欲善其事,必先利其器”。
正确使用和维护绘图工具,是保证绘图质量和加快绘图速度的一个重要方面。
一、图板:是供铺放,车定图纸用的矩形木板(图1-1)。
要求:平整、光滑、清洁。
左侧为等边,必须平直,图板大小与绘图纸配套使用。
二、丁字尺:丁字尺由尺头和尺身构成(图1-1)。
主要用来画水平线,作三角尺的靠尺。
要求:尺头和尺身必须垂直,使用时左手推动丁字尺上、下移动,用右手由左至右画水平线。
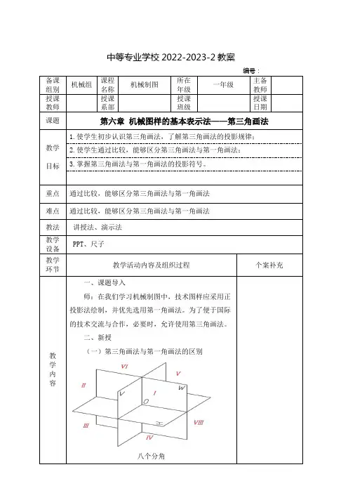
中等专业学校2022-2023-2教案编号:备课组别机械组课程名称机械制图所在年级一年级主备教师授课教师授课系部授课班级授课日期课题第六章机械图样的基本表示法——第三角画法教学目标1.使学生初步认识第三角画法,了解第三角画法的投影规律;2.使学生通过比较,能够区分第三角画法与第一角画法;3.掌握第三角画法与第一角画法的投影符号。
重点通过比较,能够区分第三角画法与第一角画法难点通过比较,能够区分第三角画法与第一角画法教法讲授法、演示法教学设备PPT、尺子教学环节教学活动内容及组织过程个案补充教学内容一、课题导入师:在我们学习机械制图中,技术图样应采用正投影法绘制,并优先选用第一角画法。
为了便于国际的技术交流与合作,必要时,允许使用第三角画法。
二、新授(一)第三角画法与第一角画法的区别八个分角教学内容第一角画法第三角画法第一角画法与第三角画法的对比在第三角画法中,在V面上形成自前方投射所得的主视图,在H面上形成自上方投射所得的俯视图,在W面上形成自右方投射所得的右视图。
第三角画法的俯视图和仰视图与第一角画法的俯视图和仰视图的位置对换;第三角画法的左视图和右视图与第一角画法的左视图和右视图的位置对换。
第三角画法的主视图和后视图与第一角画法的主视图和后视图的位置对换。
第三角画法的六个基本视图及其展开与第一角画法类似,采用第三角画法的三视图也有下述特性(即多面正投影的投影规律):主、俯视图长对正,主、右视图高平齐,俯、右视图宽相等。
(二)第三角画法与第一角画法的识别符号为了便于识别不同视角的画法,《技术制图图纸幅画和格式》规定采用投影符号;第三角画法与第一角画法的投影符号如下图所示,该符号一般放在标题栏中名称及代号区的下方。
第三角画法识别符号第一角画法识别符号采用第三角画法时,必须在图样中画出投影符号;采用第一角画法时,在图样中一般不必画出投影符号。
投影符号采用粗实线和细点画线绘制,其中粗实线的线宽不小于0.5mm。
中职机械制图教案一、教学目标1. 知识与技能:(1)掌握机械制图的基本知识,如投影原理、图示方法等;(2)学会使用机械制图国家标准规定的图样格式和符号;(3)能够独立完成简单机械零件的图样绘制。
2. 过程与方法:(1)通过讲解、示范、练习等环节,培养学生的空间想象力;(2)运用案例分析法,使学生掌握机械制图的实际应用;(3)培养学生运用机械制图知识解决实际问题的能力。
3. 情感、态度与价值观:(2)培养学生团队协作、积极参与的精神风貌;(3)使学生认识到机械制图在工程技术领域的重要性,提高学生的职业素养。
二、教学内容1. 机械制图基本知识:投影原理、图示方法、图样格式等;2. 常用机械制图符号:螺纹、齿轮、键、销等;3. 基本绘图技能:平面图形、立体图形、剖面图、断面图等;4. 组合体绘制:组合体的形成、组合体的视图绘制、组合体的尺寸标注;5. 机件的表达方法:装配图、零件图、轴测图等。
三、教学重点与难点1. 教学重点:(1)机械制图的基本知识;(2)常用机械制图符号的识别与绘制;(3)基本绘图技能的掌握;(4)组合体的绘制与尺寸标注;(5)机件的表达方法。
2. 教学难点:(1)投影原理在复杂形体中的应用;(2)组合体的视图绘制与尺寸标注;(3)机件的轴测图绘制。
四、教学方法与手段1. 教学方法:(1)讲解法:讲解基本知识、概念、绘图方法等;(2)示范法:演示绘图过程、标注方法等;(3)练习法:学生动手实践,巩固所学知识;(4)案例分析法:分析实际案例,提高学生应用能力。
2. 教学手段:(1)多媒体课件:展示图形、动画等,提高学生的空间想象力;(2)绘图软件:辅助学生进行图样绘制;(3)实物模型:观察、分析实物的结构,增强学生的直观感受。
五、教学进度安排1. 课时:本教案共安排40课时;2. 教学安排:(1)第1-8课时:讲解机械制图基本知识,熟悉图样格式;(2)第9-16课时:学习常用机械制图符号,掌握基本绘图技能;(3)第17-24课时:组合体的绘制与尺寸标注;(4)第25-32课时:机件的表达方法,学习装配图、零件图的绘制;(5)第33-40课时:实践训练,巩固所学知识,提高实际应用能力。
机械制图电子教案(1)【课题名称】绪论;制图的基本规定(一)图纸与比例、字体与图线。
【教学目标与要求】一、知识目标1.了解机械制图课程的性质、内容、任务与学习方法;2.了解国家标准关于图纸幅面和格式及比例、字体、图线的规定。
二、能力目标1.握理论联系实践的学习方法,通过反复实践,逐步提高看图和画图的能力;2.具有正确认知和选用图纸幅面和格式及比例的能力,能识别图形中的图线。
三、素质目标培养严格遵守《技术制图》、《机械制图》等国家技术标准的良好习惯,耐心细致的工作作风,严肃认真的工作态度,提高工程素质。
四、教学要求1.了解机械制图的学习方法,并能掌握使用;2.了解国家标准关于图纸幅面和格式及比例、字体、图线的规定,并会正确应用。
【教学重点】机械制图课程的学习方法【难点分析】比例的规定,图线的应用【分析学生】1.学生初学空间概念和想像力较薄弱;未接触过机械工厂和机械生产,缺少机械零件、部件的知识。
2.刚入学时多数学生学习机械制图的态度是端正的,学习中遇到困难后,部分学生会产生畏难情绪,个别学生甚至丧失学习信心与兴趣。
3.机械制图既有理论,又有实践,与中小学课程及其学习方法不同,学生对学习方法有一个适应和掌握的过程。
【教学设计思路】教学方法:演示法、讲授法、归纳法。
【教学资源】机械制图网络课程【教学安排】2课时(90分钟)教学步骤:网络演示,讲授交叉进行,最后进行归纳。
【教学过程】一、导入新课(10分钟)从家俱、建筑物、机械等的制造实践举例,引出要学会阅读和绘制图样(工程界的共同语言),讲解本课程的研究对象和内容。
二、新课教学(70分钟)1.机械制图的性质、特色、教学目标和学习方法(20分钟)。
教师演示网络课程的课程说明,重点讲解学习方法。
教师讲解时,注意向学生设问,是否听明白,有何问题,启发学生思维。
2.图纸幅面和格式(20分钟)教师讲解,并演示:①网络课程的第一章课程导航;②图纸幅面演示;③图框格式及尺寸演示;④图标规定的标题栏格式及尺寸演示。
机械制图电子教案职业中专一、教学目标1. 知识与技能:(1)掌握机械制图的基本知识,如图线、比例、标注等;(2)学会使用机械制图的国家标准,如《机械制图国家标准》等;(3)能够阅读和绘制简单的机械图纸。
2. 过程与方法:(1)通过讲解、示范、练习等方式,培养学生的空间想象力;(2)利用现代化教学手段,如计算机辅助设计(CAD)软件,提高学生的制图能力。
3. 情感态度与价值观:(1)培养学生对机械制图的兴趣,使其认识到机械制图在工程技术领域的重要性;(2)培养学生严谨、细致的工作作风,提高学生的职业素养。
二、教学内容1. 机械制图基本知识:图线、比例、标注等;2. 机械制图国家标准:如《机械制图国家标准》;3. 视图:主视图、俯视图、左视图、斜视图等;4. 投影变换:正投影、斜投影等;5. 机件的表达方法:平面图、立面图、剖面图、断面图等。
三、教学重点与难点1. 教学重点:(1)机械制图的基本知识;(2)机械制图国家标准;(3)视图的绘制方法;(4)投影变换;(5)机件的表达方法。
2. 教学难点:(1)投影变换;(2)复杂机件的绘制;(3)计算机辅助设计(CAD)软件的使用。
四、教学过程1. 课前准备:(1)准备相关教学资料,如教材、课件等;(2)确保计算机辅助设计(CAD)软件的正常运行。
2. 课堂讲解:(1)讲解机械制图的基本知识;(2)介绍机械制图国家标准;(3)讲解视图的绘制方法;(4)讲解投影变换;(5)介绍机件的表达方法。
3. 课堂练习:(1)安排学生进行视图绘制练习;(2)引导学生进行投影变换的练习;(3)让学生尝试绘制简单的机件图纸。
4. 课后作业:(1)要求学生复习课堂内容,巩固所学知识;(2)布置相关练习题目,提高学生的实际操作能力。
五、教学评价1. 课堂表现:观察学生在课堂上的参与程度、提问回答等情况,了解学生的学习状态;2. 课堂练习:评估学生在练习中的表现,检查绘制图纸的准确性、规范性等;3. 课后作业:检查学生的作业完成情况,评价其对课堂内容的掌握程度。
机械制图电子教案职业中专一、教学目标1. 知识与技能:使学生掌握机械制图的基本知识、投影原理和绘图方法,培养学生绘制和阅读机械图纸的能力。
2. 过程与方法:通过讲解、演示、练习等环节,培养学生空间想象能力、创新能力和实际操作能力。
3. 情感态度与价值观:激发学生对机械制图学科的兴趣,培养学生的团队合作精神,提高学生综合素质。
二、教学内容1. 机械制图基本知识:图幅、比例、字体、线型等。
2. 投影原理:正投影、斜投影、透视投影等。
3. 基本绘图方法:平面图形、立体图形、剖面图、断面图等。
4. 组合体视图:组合体的视图表达、尺寸标注、拆卸与装配。
5. 机件表达:常见机件的绘制方法,如轴、齿轮、螺旋等。
三、教学重点与难点1. 教学重点:投影原理、基本绘图方法、组合体视图、机件表达。
2. 教学难点:投影变换、组合体视图的绘制与阅读、机件的详细表达。
四、教学方法与手段1. 教学方法:讲授、演示、练习、讨论、案例分析等。
2. 教学手段:多媒体课件、模型、绘图工具、网络资源等。
五、教学进程1. 课时安排:每个章节安排2课时,共10课时。
2. 教学过程:第一课时:讲解基本知识、投影原理、基本绘图方法。
第二课时:讲解组合体视图、机件表达,进行实践练习。
教案示例:【课堂导入】教师通过展示机械制图在工程领域的应用实例,引起学生对机械制图的兴趣,激发学生的学习热情。
【新课讲解】1. 教师讲解机械制图的基本知识,如图幅、比例、字体、线型等,并通过示例进行说明。
2. 教师讲解投影原理,包括正投影、斜投影、透视投影等,并通过模型演示,让学生直观理解。
3. 教师讲解基本绘图方法,如平面图形、立体图形、剖面图、断面图等,并通过示例进行讲解。
【实践练习】1. 学生根据教师提供的模型或图样,绘制组合体视图。
2. 学生根据教师提供的机件描述,绘制相应的机件图。
【课堂小结】【作业布置】教师布置课后作业,要求学生复习本节课的内容,并绘制一些简单的机械图纸。
中职机械制图教案中职机械制图教案篇一:机械制图教案《机械制图》教案【板书设计】定义主视图基本视图俯视图左视图基本配置右视图视图仰视图后视图定义向视图画法【教学后记】在数控技术被越来越广泛地应用的今天,《机械制图》是中等职业学校机械类专业的一门重要专业基础课和技能训练课,面对文化基础知识较差,自卑和厌学心理较为严重的中职学生,在教学中应贯彻以学生为主体,教师为主导的原则,在注重培养学生的识读图能力的同时、还要手把手地进行作图技能的教学。
【参考文献】1、冯秋官主编.机械制图.高等教育出版社.2008.042、耿玉岐主编.怎样识读机械图样.金盾出版社.2006.033、郭秀华主编.机械制图.人民邮电出版社.2008.09 4、何恬伦编著.机械制图课件稿.2009中职机械制图教案篇二:中等职业学校机械制图教案绪论课题绪论课时 0.5教学目的既要求 1.了解图样的作用,了解本课程的内容和基本要求;2.明确机械制图对技术工人的重要性,明确学习的意义教学重点机械制图的重要性及学习方法教学难点教学方法、手段讲授法,挂图小结作业教学内容图样是工程界的通用技术语言。
设计者利用图样表达设计意图;制造者通过图样了解设计内容、技术要求,组织和指导生产;使用者通过图样了解机器设备的构造和性能,进行操作、维修、保养。
一、图样及其作用图样:根据投影原理、标注及有关规定表示的工程对象,并有必要的技术说明的图,称为图样。
机器制造中使用到两类图样零件图:是表达零件结构形状、大小及技术要求的图样;装配图:表达机器或部件中各零件间的连接方式和装配关系的图样。
二、本课程的主要内容和基本要求本课程研究的图样主要是机械图样1. 通过学习制图的基本知识与技能,熟悉国家标准《机械制图》的基本规定,学会正确使用绘图工具和仪器的方法,初步掌握绘制草图的技能;2. 正投影法基本原理是识读和绘制机械图样的理论基础,是本课程的核心内容,通过学习,应掌握运用正投影法表达空间形体的图示方法 ;.3. 机械图样的表示法包括图样的基本表示法和常用机件及标准结构的特殊表示法。
中等专业学校203-2024-1教案
教
学内容但实际上是四种不同形状物体的俯视图。
所以,只有把俯视图与主视图联系起来识读,才能判断它的形状。
由此可见,读图时必须将给出的全部视图联系起来,才能想象出物体的形状。
2.明确视图中线框和图线的含义
(1)视图上的每个封闭线框通常表示物体上一个表面(平面或曲面)投影。
如图所示的主视图中有四个封闭线框,对照俯视图可知,线框a’、b’、c’分别是六棱柱前三个棱面的投影,线框d’则是前圆柱面的投影。
(2)相邻两线框中有小线框,则表示物体不同位置的两个平面。
(3)视图中的每条图线可能是立体表面具有积聚性的投影。
中等专业学校2024-2025-1教案编号:备课组别机械组课程名称机械制图所在年级主备教师授课教师授课系部授课班级授课日期课题立体表面上点的投影教学目标1.理解点的三面投影;2.掌握点的投影规律;3.掌握两点的相对位置;4.正确理解重影点与可见性;重点 1.点的投影规律和两点的相对位置;2.重影点可见性的判断;难点 1.点的投影规律和两点的相对位置;2.重影点可见性的判断;教法引导法、讨论法、探究法、讲练结合法;教学设备多媒体设备、教师用绘图工具、学生用绘图工具、A4幅面的绘图纸教学环节教学活动内容及组织过程个案补充教学内容【组织教学】检查出勤情况,稳定情绪【教学引入】1.点的投影规律;2.立体表面上点的投影?利用多媒体引导学生回忆点的投影特征、投影作图方法;出示立体图,立体表面上点的投影如何求作?指出掌握常见立体表面上点的投影作图方法是解决立体表面交线投影作图问题的基础和关键。
【新课教学】教学内容从属关系:若点在直线或平面上,则点的投影一定在点所在直线或平面的投影上。
一、棱柱表面上点的投影1.明确点的位置;2.找点所在面或线的投影;3.按投影关系和从属关系作图,先画点所在表面有积聚性的投影;再由两个投影,按三等规律作出第三投影。
演示讨论讲解柱体表面点的投影作图方法步骤;强调点的投影标记和可见性的判断请同学们练一练习题册P28(2)巡回检查指导提示:两块三角板配合画平行线,作图的准确性(培养严谨作风)二、棱锥表面上点的投影凡属特殊位置表面上的点,其投影可利用平面投影的积聚性直接求得;一般位置表面上点的投影,则可通过在该面作辅助线的方法求得。
辅助线法(1):过已知点作直线(易作)教学内容辅助线法(2):过已知点作某棱线的平行线(空间平行线的投影仍平行)三、圆柱表面上点的投影已知圆柱三视图和表面点m’,求作M点的另两投影。
分析点在圆柱表面某一素线上作图先求作点所在表面有积聚性的投影m,再由m’、m,按三等规律求作m”四、圆锥表面上点的投影由于圆锥面的投影没有积聚性,所以必须在圆锥面上作一条包含该点的辅助线(直线或圆),先求出辅助线的投影,再利用线上点的投影关系求出圆锥表面上点的投影。
学习好资料欢迎下载本讲:几何尺寸标注1.知识要点(1)几何作图(2)平而图形的尺寸标注教学设计教材上的内容比较庞杂,教学过程中要抓住重点,基本概念和原理是本讲的重点,要结合实例介绍几何作图和尺寸标注。
尺寸标注:先讲尺寸标注的基本要求,再讲具体的一些规定,不要而面具到,要教会同学查书和手册, 不要死记硬背。
平而图形的尺寸标注:采用启发式教学,先给出如下图所示的平而,让同学自己抄画,考虑从何处着手,画图步骤是什么?然后再给出已知线段、中间线段、连接线段等概念。
再分析尺寸的分类和基准的概念。
多举一些和作业相近的实例。
徙手绘制草图:分组演示草图的绘制方法和技术,注意铅笔的修理和仪器图的区别。
利用视频动画演示一个图形的画图过程。
3^课前准备教师要绘制一张平而图形的草图作为范例。
4^教学内容⑴尺寸标注^11 1 6675.2^ 1996 )0尺寸标注的基本规则(图1-8〉机件的真实大小应以图样上所注的尺寸数值为依据,与图形的大小及绘图的准确性无关;图样中的尺寸凡以毫米为单位时,不需标注其计量单位的代号或名称,否则需标注其计量单位的代号或名称;图样中所标注的尺寸,为该图样所示机件的最后完工尺寸,否则应另附说明;机件的每一尺寸,在图样上一般只标注一次,并应标注在反映该结构最清晰的图形上。
此外,为了使标注的尺寸清晰易读,标注尺寸时可按下列尺寸绘制:尺寸线到轮廓线、尺寸线和尺寸线之间的距离取6隱〜10隱1,尺寸线超出尺寸界限2隱〜3麵,尺寸数字一般为3.5号字,箭头长5咖,箭头尾部宽1隱。
图1-8尺寸标注的基本规则2^尺寸数字的注写方法线性尺寸数字通常写在尺寸线的上方或中断处,尺寸数字应按图1-9所示的方向注写,并尽可能避免在图示30。
范围内标注尺寸,当无法避免时应引出标注。
对于非水平方向上的尺寸,其数字方向也可水平地注写在尺寸线的中断处。
另外尺寸数字不允许被任何图线所通过,否则,需要将图线断开。
学习好资料 欢迎下载要标注1-11)0图1-9线性尺寸数字的方向 角度的数字一律写成水平方向,一般注写在尺寸线的中断处,也可写在尺寸线的上方,或引出标注(图 1-10)0图1-10角度的数字注写方法3〉尺寸标注中的符号圆心角大于180。
时,要标注圆的直径,且尺寸数字前加圆心角小于等于180。
时, 圆的半径,且尺寸数字前加“0”;标注球面直径或半径尺寸时,应在符号小或0前再加符号“3”(图学习好资料欢迎下载图1-11直径和半径符号斜度和锥度可按图1-12所示的方法标注。
斜度和锥度符号的方向应与斜度和锥度的方向一致。
斜度41/1图1-12锥度和斜度的标注在同一图形中,对于尺寸相同的孔、槽等成组要素,可仅在一个要素上标注其数量和尺寸,均匀分布在圆上的孔可在尺寸数字后加注“印31表示均匀分布(图1-13 X8X010(二)平而图形的绘制和尺寸标注图1-14为挂轮架平面图形的绘制和尺寸标注0平面图形的线段分析学习好资料 欢迎下载⑷连接线段(^)已知线段组成挂轮架平而图形的线段有的可以直接画出,如4)112、4)62等,这样的线段叫已知线段;有的线 段的二个端点中只有一个端点可直接确定,而另一个端点由线段与其他线段的关系来确定,如圆弧?134、 和即4相接的圆弧0142〔图中卩142未注出〉等,这样的线段叫中间线段;有的线段二个端点都不能直接 画出,要根据和线段相接的两端线段的关系来确定,如卩20、卩40的圆弧,两圆弧的公切线等,这样的线 段叫连接线段。
挂轮架的线段分析如图卜15所示。
2〉平而图形的尺寸分析挂轮架平面图形中的尺寸4112、由62等是确定图形几何元素形状大小的尺寸,叫定形尺寸;而…08、 108、30。
等是确定圆心位置的,叫定位尺寸;4)112的圆心和垂直中心线是108和30。
等尺寸的起始位置, 叫尺寸基准。
挂轮架的尺寸分析如图卜16所示。
标注尺寸可先注定形尺寸,再注定位尺寸。
3〉平面图形的画图步骤平而图形的画图步骤一般是先画定位轴线,再画已知线段,接着画中间线段,最后画连接线段,画连 接线段时要精确求出线段的端点和半径。
挂轮架的画图步骤如图1-17所示。
图1-15挂轮架线段分析(^)中间线段学习好资料欢迎下载图1-16挂轮架尺寸分析⑷0定位轴线㈦8已知线段⑷画中间线段⑶緬连接线段图1-17挂轮架画图步骤教学大纲第八章组合体学时1^组合体的形成方式及形体分析42丨组合体画法43#组合体尺寸标注4第一讲组合体的画图1.知识要点组合体的组合方式(之)形体分析法线而分析法1教学设计在讲解组合体的画图方法时,要紧紧抓住两个顺序(①组合体的各基本几何体的画图顺序。
一般按组合体的生成过程先画基础形体,再画局部细节;②同一个形体三个视图的画图顺序。
一般先画形状特征最明显的那个视图,或有积聚性的视图X可先给出模型或实体仿真模型,引导同学作形体分析,然后按形体分析的过程绘制三视图。
这个过程要反复进行几次,可停下来让同学画一个模型的三视图,教师观察同学的画图方法,对不正确的方法给予纠正,直到同学掌握正确的观察方法和画图方法为止。
线而分析法是形体分析的补充。
3^课前准备上课之前要准备好模型,模型要能够充分体现形体分析法的特点。
4丨教学内容组合体的组成方式(形体分析法〉疊加如图5-1所示切割如图5-2所示图5-2切割图5-3相切图5-4为常见的画图错误,主视图上的错误原因是因为没有认识到立体是一个实体,即由各种材料制造成的立体,板和柱而的结合部分柱面已经消失,所以不存在转向轮廓线。
左视图上的错误原因是没有考虑宽相等,不作形体分析。
图5-7曲面立体的线面分析5^作业习题集:按模型或立体图绘制三视图。
第二讲组合体的看图方法1.知识要点形体分析法(之)基础形体法线而分析法(劝立体图法1教学设计看图是画图的逆,画图是由物到图,看图是由图想象物,二者是互相联系的两个过程,看图能力可通过多画图来提高,同时也应当总结看图的基本规律,空间想象能力的培养和提高是一个逐渐的过程。
在教学中要由浅入深,先给出形体组合特点明显的模型的三视图,让同学想象物体的形状,理解形体分析法的实质;再给出较复杂的物体的三视图,教会同学忽略细节,抓住组成物体的基础形体,称为基础形体法;线面分析法一般和形体分析法一起使用,但教学中可列举一些典型例子,讲解线而分析法在处理模型细节上的应用。
教学内容形体分析法形体分析法的实质是:分部分想形状,合起来想整体,由整体到局部,由局部到整体。
学习好资料欢迎下载基础形体法[例11如图5-9中,已知主视图和俯视图,想象出物体的形状,并补画出左视图图5-8形体分析法看图学习好资料欢迎下载图5-10想象细节I 图5-11基础形体法⑶图5-12想象细节线面分析法利用只純动画演示线而分析法的原理。
(图5-13〉图5-13线而分析法“)利用立体图帮助看图利用办动画演示线面分析法的原理。
(图5-14〉图5-14利用立体图帮助看图作业习题集上的作业,布置作业时要明确采用的看图方法。
第三讲组合体的尺寸标注1.知识要点基本几何体的尺寸标注〔2〕尺寸标注的基本要求尺寸分类和尺寸基准具有截交线和相贯线的组合体的尺寸标注0 常见结构的尺寸标注(^) 尺寸标注综合举例1.教学设计尺寸标注知识点多,乱,教材中讲的简单,但作业较复杂,所以本讲在教材的基础上作了补充。
在教学中结合实例介绍概念和标注方法,从简单到复杂使同学逐步掌握尺寸标注的方法。
介绍组合体的尺寸标注要和生产实际相结合,要从加工、测量等方面介绍为什么要标注这个尺寸,而不标注那个尺寸。
虽然同学没有生产知识,但还是可以理解的。
教学内容基本几何体的尺寸标注常见的基本平面立体的尺寸标注如图5-15所示。
常见的基本回转体的尺寸标注如图5-16所示。
学习好资料欢迎下载1:1」⑵图5-15基本平而立体的尺寸标注图5-16基本曲面立体的尺寸标注尺寸标注的基本要求完整、清晰、合理的要求。
(汉)正确71^4^ 20#3511111丨2^30学习好资料 欢迎下载1323丨5丨』0讓丨不奸2501513化)不好图5-8尺寸标注要清晰州於30 ^4535尺寸分类和尺寸基准''-0^0图5-19寸的集中标注学习好资料 欢迎下载023尺寸分类按尺寸所起的作用,可将尺寸分为三类:定形尺寸、定位尺寸和总体尺寸。
定形尺寸是确 定形体形状的尺寸,定位尺寸是确定形体位置的尺寸,总体尺寸确定物体的总长、总宽、总高。
标注 尺寸时,一般按“先定形尺寸,后定位尺寸,最后总体尺寸”的顺序标注。
尺寸基准标注定位尺寸的起点称为尺寸基准。
在组合体长、宽、高三个方向上至少各有一个基准, 标注定位尺寸时,首先要考虑基准问题,通常以对称平而、回转曲而的轴线或物体上较大的底面、端 面等为尺寸基准,同一方向上的定位尺寸基准尽量统一,这一原则称为“基准统一原则”,如图5-21 所示。
“) 切割体和相贯体的尺寸标注阁5-21尺寸基准1 卜11 X 4 |1 ;11 ! ! 11 1 1 44 9学习好资料欢迎下载I I65图5-23截交线尺寸标注中的常见错误瓜图5-24相贯线的尺寸标注4^作业习题集中的尺寸标注练习第四讲综合举例[例11测绘滑动轴承座。
如图5-25所示,画出轴承座的三视图,并标注尺寸。
图5-25滑动轴承座1例2丨如图图5-26所示,已知物体的主视图和左视图,想象出物体的形状,并补画出俯视图第九章机件表达方法学时教学大纲 1 ^基本视图,局部视图,斜视图442,剖视图基本概念、画法、标注、常用剖视的规定画法和简化画法及局部放大3 ^剖而的基本概念,移出剖面,重合剖面4斗.视图,剖而图尺寸标法第一讲基本视图1.知识点六个基本视图(之)局部视图斜视图1教学设计首先用动画演示六个基本视图的形成,然后介绍六个基本视图的配置,再结合实物模型讲解如何用恰当的视图表示物体的形状。
局部视图和和斜视图采用模型和虚拟现实讲解,强调概念、画法、标记。
3,课前准备准备模型、熟悉课件。
4,教学内容〔0 六个基本视图学习好资料欢迎下载【例】阀体的表达方法图7-1六个基本10 办—丁—图7-2六个基本视图的配置(之)局部视图图7-3阀体图7-4局部视图斜视图图7-5斜视图图7-6斜视图的画法和标记第二讲剖视图(一)^知识要点剖视图的概念(之)剖视图的标记剖视图的画法丨教学设计利用只如也动画讲解剖视图的概念,对剖视图的标记要逐条讲解省略的规则,要让同学记好笔记, 对阶梯孔、肋板的剖视图画法是该章的难点,要利用仿真模型把道理讲清,还要让同学在课堂上做适当的练习。
^课前准备若教研室有适当的模型要用模型讲解阶梯孔和肋板的画法,也可以用模型和仿真模型讲解,课前要熟悉教研室的模型和课件。
^教学内容^!)剖视图的概念⑵剖视图的标记图7-8剖视图的标记剖视图的画法阶梯孔的剖视图画法[例1丨图7丨9所示的机件,研究阶梯孔的剖视图画法。