高三化学名校试题汇编 第2期 专题16 物质的分离 提纯 检验和制备(教师版)
- 格式:doc
- 大小:755.50 KB
- 文档页数:23
物质的制备、检验、分离与提纯命题预测本专题主要考查化学实验基础操作,题型主要为选择题。
考查的内容主要涉及实验安全常识、试剂的存放和使用、仪器的使用、溶液的配制、试纸的使用、装置气密性检查以及沉淀、仪器的洗涤等。
题中既有常见仪器规格和使用方法的认识,又有正误操作的辨析或处理,还有具体实验操作(如气密性检查、溶解、过滤等)方法的叙述等。
物质的制备、分离、提纯和检验是高考化学实验部分的重点和热点。预计2024年命题考查学生对元素化合物知识的掌握、应用能力、综合探究能力,也能考查学生对实验原理的理解、实验操作的规范性及实验现象的观察、描述能力。高频考法(1)物质的制备(2)物质的检验(3)物质的分离与提纯一、无机物的制备1.常见的气体发生装置2.气体的净化(1)设计原则:根据主要气体及杂质气体的性质差异来选择除杂试剂及除杂装置。
(2)吸收剂的选择吸收剂的选择应根据被提纯气体的性质和杂质的性质来确定,一般情况如下:①易溶于水的气体杂质可用水吸收;②酸性杂质可用碱性物质吸收;③碱性杂质可用酸性物质吸收;④水为杂质时,可用干燥剂吸收;⑤能与杂质发生反应生成沉淀(或可溶物)的物质也可作为吸收剂。
3.尾气处理装置的选择a装置用于吸收或溶解反应速率不是很快的气体,如用NaOH溶液吸收Cl2、CO2等。
b装置用于收集少量气体。
c、d装置用于吸收极易溶且溶解很快的气体,如HCl、HBr、NH3等,其中d装置吸收量较少。
e装置用于处理难以吸收的可燃性气体,如H2、CO等。
二、有机物的制备1.有机物制备的注意要点(1)熟知常用仪器及用途(2)依据物质性质和反应特点选择加热或冷却方式①加热:酒精灯的火焰温度一般在400~500℃,乙酸乙酯的制取、石油的蒸馏等实验选用酒精灯加热,若温度要求更高,可选用酒精喷灯或电炉加热。
除上述加热方式外还可以根据加热的温度要求选择水浴、油浴、沙浴加热。
②冷凝回流:有机物易挥发,因此在反应中通常要采用冷凝回流装置,以减少有机物的挥发,提高原料的利用率和产物的产率。
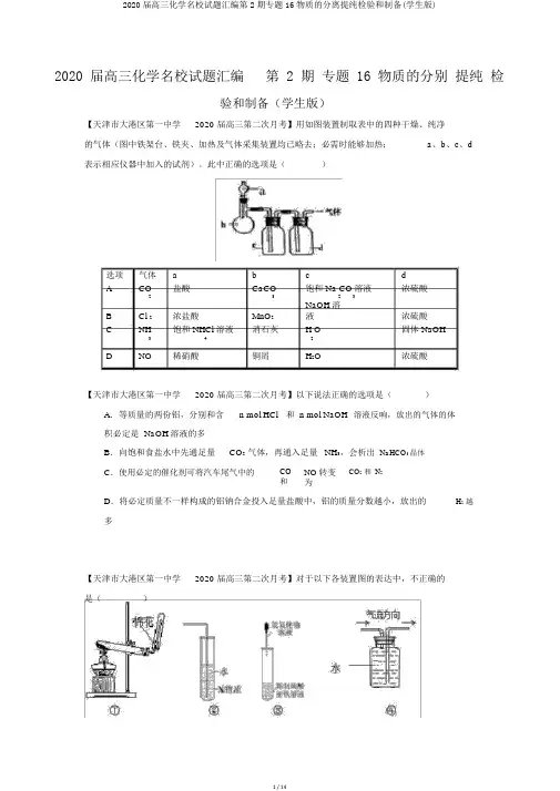
2020 届高三化学名校试题汇编第 2 期专题 16 物质的分别提纯检验和制备(学生版)【天津市大港区第一中学2020 届高三第二次月考】用如图装置制取表中的四种干燥、纯净的气体(图中铁架台、铁夹、加热及气体采集装置均已略去;必需时能够加热;a、b、c、d表示相应仪器中加入的试剂)。
此中正确的选项是()选项气体 a b c dA CO 盐酸CaCO 饱和 Na CO溶液浓硫酸2 3 2 3B Cl 2 浓盐酸MnO2 NaOH溶液浓硫酸C NH 饱和 NHCl 溶液消石灰H O 固体 NaOH3 4 2D NO 稀硝酸铜屑H2O 浓硫酸【天津市大港区第一中学2020 届高三第二次月考】以下说法正确的选项是()A.等质量的两份铝,分别和含n mol HCl和n mol NaOH溶液反响,放出的气体的体积必定是 NaOH溶液的多B.向饱和食盐水中先通足量CO2气体,再通入足量NH3,会析出NaHCO3晶体C.使用必定的催化剂可将汽车尾气中的CO和NO转变为CO2和N2D.将必定质量不一样构成的铝钠合金投入足量盐酸中,铝的质量分数越小,放出的H2越多【天津市大港区第一中学2020 届高三第二次月考】对于以下各装置图的表达中,不正确的是()A.实验室常用装置①制取NH3B.装置②中X 若为 CCl4,可用于汲取NH3,并防备倒吸C.装置③可用于制备Fe(OH)2并较长时间察看其白色D.装置④可用于采集NO【浙江省余姚三中2020 届高三第二次月考】以下物质中的杂质(括号内为杂质)的查验、除杂的试剂或方法正确的选项是()【浙江省余姚三中2020 届高三第二次月考】以下操作正确的选项是:()[ ①过滤试剂②分别固体NaCl 和碘单质③稀释浓硫酸④定容A.只有②B.②③C.③④D.全不对【浙江省宁波市效实中学2020 届高三上学期期中考试】有一无色溶液,可能含有K+、 A13+、2+ + —2———中的几种。
压轴题02物质的制备、检验、分离与提纯化学实验一直是高考命题的热点,选择题大多以考查实验仪器的选择、基本操作的正误为重点,探究物质的制备、性质、检验、分离和提纯以及实验评价。
应重点关注实验基本操作的规范性,常见仪器的正确使用方法及注意事项,以及气体的制备方法、物质的检验、分离和提纯中试剂的选择及仪器的正确使用,物质的检验、分离和提纯实验方案的设计、现象的描述等。
一、选择题:本题共20小题,每小题只有一个选项符合题意。
1.(2022·河北·高考真题)下列图示装置不能达到实验目的的是A .装置甲用CCl 4萃取溴水中的Br 2B .装置乙除去Cl 2中的HCl 并干燥C .装置丙验证铁的吸氧腐蚀D .装置丁实验室制备少量NH 32.(2022·北京·高考真题)下列实验中,不能..达到实验目的的是由海水制取蒸馏水萃取碘水中的碘分离粗盐中的不溶物由32FeCl 6H O制取无水3FeCl 固体A B C DA .AB .BC .CD .D3.(2022·广东·高考真题)实验室用2MnO 和浓盐酸反应生成2Cl 后,按照净化、收集、性质检验及尾气处理的顺序进行实验。
下列装置(“→”表示气流方向)不能达到实验目的的是A .AB .BC .CD .D4.(2022•山东卷)某同学按图示装置进行实验,欲使瓶中少量固体粉末最终消失并得到澄清溶液。
下列物质组合不符合要求的是()气体液体固体粉末A CO 2饱和Na 2CO 3溶液CaCO 3B Cl 2FeCl 2溶液Fe C HCl Cu (NO 3)2溶液Cu DNH 3H 2OAgCl5.(2021·海南·统考高考真题)用如图装置制取干燥的气体(a 、b 表示加入的试剂),能实现的是选项气体a bA 2H S 稀24H SO FeS B 2O 22H O 溶液2MnO C 2NO 浓3HNO 铁片D3NH 浓氨水CaOA .AB .BC .CD .D6.(2021·江苏·高考真题)下列由废铜屑制取CuSO 4·5H 2O 的实验原理与装置不能..达到实验目的的是A .用装置甲除去废铜屑表面的油污B .用装置乙在加热的条件下溶解废铜屑C .用装置丙过滤得到CuSO 4溶液D .用装置丁蒸干溶液获得CuSO 4·5H 2O7.(2021·北京·高考真题)实验室制备下列气体所选试剂、制备装置及收集方法均正确的是气体试剂制备装置收集方法A O2KMnO4a dB H2Zn+稀H2SO4b ecC NO Cu+稀HNO3bcD CO2CaCO3+稀H2SO4bA.A B.B C.C D.D 8.(2021•全国乙卷)在实验室采用如图装置制备气体,合理的是化学试剂制备的气体A Ca(OH)2+NH4Cl NH3B MnO2+HCl(浓)Cl2C MnO2+KClO3O2D NaCl+H2SO4(浓)HCl9.(2021·全国甲卷·高考真题)实验室制备下列气体的方法可行的是气体方法A氨气加热氯化铵固体B二氧化氮将铝片加到冷浓硝酸中C硫化氢向硫化钠固体滴加浓硫酸D氧气加热氯酸钾和二氧化锰的混合物A.A B.B C.C D.D 10.(2023·湖北武汉·校联考模拟预测)利用如图所示装置及药品完成实验,能达到实验目的的是A.用装置甲制取O2B.用装置乙制备金属镁C.用装置丙作为蒸馏的接收装置D.用装置丁除去Cl2中混有的HCl并干燥11.(2023·全国·模拟预测)下列装置能达到实验目的的是A.实验室可利用装置甲制备SO2B.利用装置乙分离铁粉和I2C.利用装置丙合成氨并检验氨的存在D.实验室利用装置丁分离乙醇和水(部分装置已省略)12.(2023·辽宁丹东·统考一模)下列装置能达到相应实验目的的是A B C D测定KI 溶液的浓度制备乙二酸实验室制取乙酸乙酯检验乙醇发生消去反应的产物A .AB .BC .CD .D13.(2023·湖北武汉·校联考模拟预测)无水FeCl 3是芳香烃取代反应常用的催化剂,它具有易水解、易升华的性质。
【天津市大港区第一中学2013届高三第二次月考】用如图装置制取表中的四种干燥、纯净的气体(图中铁架台、铁夹、加热及气体收集装置均已略去;必要时可以加热;a、b、c、d表示相应仪器中加入的试剂)。
其中正确的是(?) 选项气体abcdACO2盐酸CaCO3饱和Na2CO3溶液浓硫酸BCl2浓盐酸MnO2NaOH溶液浓硫酸CNH3饱和NH4Cl溶液消石灰H2O固体NaOHDNO稀硝酸铜屑H2O浓硫酸【答案】D 【天津市大港区第一中学2013届高三第二次月考】下列说法正确的是( ) A.等质量的两份铝,分别和含n mol HCl和n mol NaOH 溶液反应,放出的气体的体积一定是NaOH溶液的多 B.向饱和食盐水中先通足量CO2气体,再通入足量NH3,会析出NaHCO3晶体 C.使用一定的催化剂可将汽车尾气中的CO和NO转化成CO2和N2 D.将一定质量不同组成的铝钠合金投入足量盐酸中,铝的质量分数越小,放出的H2越多【答案】C 【解析】A项:无论与酸还是与碱反应,Al与H2的关系都是2Al~3H2。
(1)等量铝分别与足量盐酸和氢氧化钠溶液反应,产生氢气体积比。
(2)足量的铝分别与等物质的量的盐酸和氢氧化钠反应,产生氢气的体积比为。
(3)一定量的铝分别与一定量的盐酸和氢氧化钠反应,产生氢气的体积比为。
A错误;B项:CO2在NaCl溶液中的溶解度很小,先通入NH3使食盐水呈碱性,能够吸收大量CO2气体,产生大浓度的HCO3-,才能析出NaHCO3晶体,B错误;C项:CO与NO在催化剂的作用下可生成参与大气循环的气体CO2和N2,C正确;D项:等质量Na和Al与足量盐酸反应产生氢气Al多,所以铝的质量分数越大,生成氢气越多,D错误。
【天津市大港区第一中学2013届高三第二次月考】关于下列各装置图的叙述中,不正确的是() A.实验室常用装置①制取NH3 B.装置②中X若为CCl4,可用于吸收NH3,并防止倒吸 C.装置③可用于制备Fe(OH)2并较长时间观察其白色 D.装置④可用于收集NO 【浙江省余姚三中2013届高三第二次月考】下列物质中的杂质(括号内为杂质)的检验、除杂的试剂或方法正确的是?(?) 【浙江省余姚三中2013届高三第二次月考】下列操作正确的是:(?)①过滤试剂②分离固体NaCl和碘单质③稀释浓硫酸?④定容 A.只有②B.②③C.③④D.全不对【浙江省宁波市效实中学2013届高三上学期期中考试】有一无色溶液,可能含有K+、A13+、Mg2+、NH4+、Cl—、SO42—、HCO3—、MnO4—中的几种。
2019高三化学名校试题汇编专项16物质的分离、提纯、检验和制备注意事项:认真阅读理解,结合历年的真题,总结经验,查找不足!重在审题,多思考,多理解!无论是单选、多选还是论述题,最重要的就是看清题意。
在论述题中,问题大多具有委婉性,尤其是历年真题部分,在给考生较大发挥空间的同时也大大增加了考试难度。
考生要认真阅读题目中提供的有限材料,明确考察要点,最大限度的挖掘材料中的有效信息,建议考生答题时用笔将重点勾画出来,方便反复细读。
只有经过仔细推敲,揣摩命题老师的意图,积极联想知识点,分析答题角度,才能够将考点锁定,明确题意。
专题16物质的分离、提纯、检验和制备【安徽省望江二中2018届高三第四次月考】不能鉴别AgNO3、BaCl2、K2SO3和Mg(NO3)2四种溶液〔不考虑他们间的相互反应〕的试剂组是A、盐酸、硫酸B、盐酸、氢氧化钠溶液C、氨水、硫酸D、氨水、氢氧化钠溶液【山西省忻州实验中学2018届高三第一次模拟考试】以下物质中的杂质〔括号内为杂质〕的检验、除杂的试剂或方法正确的选项是〔〕物质及其杂质检验除杂A、Cl2〔HCl〕湿润的淀粉KI试纸饱和食盐水B、NaHCO3溶液〔Na2CO3〕Ca(OH)2溶液过量CO2C、CO2〔HCl〕AgNO3溶液〔含稀硝酸〕饱和Na2CO3溶液D.NO〔NO2〕观察颜色或湿润的淀粉KI试纸水【浙江省临海市白云高级中学2018届高三第三次段考】以下表达正确的选项是A、液溴易挥发,在存放液溴的试剂瓶中应加水封B、能使湿润的淀粉KI试纸变蓝色的物质一定是Cl2C、某溶液中加入CCl4,CCl4层显紫色,证明原溶液中存在I-D、某溶液中加入BaCl2溶液,产生不溶于稀硝酸的白色沉淀,该溶液一定含有Ag+【浙江省临海市白云高级中学2018届高三第三次段考】某兴趣小组探究SO2气体还原Fe3+,他们使用的药品和装置如下图所示,其中以下说法不合理的是A、能说明I-的还原性弱于SO2的现象是B中蓝色溶液褪色B、装置C的作用是吸收SO2尾气,防止污染空气C、为了验证A中发生了氧化还原反应,加入用稀盐酸酸化的BaCl2,产生白色沉淀D、为了验证A中发生了氧化还原反应,加入KMnO4溶液,紫红色褪去【陕西省三原县北城中学2018届高三第三次月考】以下混合物分离〔或除杂〕的方法正确的选项是A、Na2CO3溶液中混有少量NaHCO3杂质可用通入足量CO2气体的方法提纯B、Fe〔OH〕3中含有少量A1〔OH〕3可加入适量的HCl除去C、用CCl4可以从碘水中萃取碘D、Fe〔NO3〕3中混有少量Fe〔NO3〕2的杂质可加入适量的硫酸除去【答案】C【河北省容城中学高三2018届第三次月考】以下物质的制备,符合工业生产实际的是A、将氯气通入澄清石灰水中制漂白粉B、用离子交换膜法电解饱和食盐水制备烧碱、氢气和氯气C、将氢气和氯气混合后点燃,产物用水吸收制备盐酸D、工业制硫酸在吸收塔中用水吸收SO3生成硫酸【黑龙江省双鸭山市第一中学2018届高三第三次月考】以下实验可行的是A、加入适量铜粉除去Cu(NO3)2溶液中的AgNO3杂质B、用NaOH溶液除去CO2中混有的HCl气体C、用浓硫酸与蛋白质的颜色反应鉴别部分蛋白质D、用乙醇从碘水中萃取碘【山东省济宁市泗水一中2018届高三12月月考】实验室里可按图1所示的装置干燥、储存气体R,多余的气体可用水吸收,那么R是〔〕A、NO2B、HClC、CH4D、NH3【甘肃省甘谷一中2018届高三第四次月考】用如图装置制取、提纯并收集表中的四种气体(a、b、c表示相应仪器中加入的试剂),其中可行的是【河南省信阳高中2018届高三第五次月考】以下说法正确的选项是A、向某溶液中滴加KSCN溶液,溶液呈红色,证明存在Fe3+而没有Fe2+B、铝箔在酒精灯火焰上加热熔化但不滴落,因为铝箔表面氧化铝熔点高于铝C、向煤中加入适量石灰石,在煤燃烧时最终生成CaSO3,可减少SO2对大气的污染D、为确证NaHCO3溶液中混有Na2CO3,取少量溶液,加入澄清石灰水,假设有白色沉淀生成,那么证明混有Na2CO3B。
2025高考化学一轮复习之物质的分离、提纯与检验一.选择题(共20小题)1.(2024•福建三模)八角油具有温中、健胃的功效,其主要成分茴香脑()是难溶于水、易溶于有机溶剂的淡黄色液体。
实验室用水蒸气蒸馏法从八角茴香中提取八角油的装置如图所示。
下列说法错误的是()A.图中虚框内的仪器为直形冷凝管B.乙装置中圆底烧瓶倾斜的目的是防止飞溅物进入导管C.当丙处不再产生油状液体时,先停止加热,后打开活塞KD.馏出液加NaCl至饱和可以提高八角油的产率2.(2024•福建三模)以碲铜废料(主要含Cu2Te)为原料回收碲单质的一种工艺流程如图:已知:①“氧化酸浸”生成CuSO4和二元弱酸H2TeO3②CuC2O4+H2C2O4⇌[Cu(C2O4)2]2﹣+2H+下列说法错误的是()A.“氧化酸浸”时,H2O2做氧化剂B.“沉铜”时,需加过量Na2C2O4C.螯合物Na2[Cu(C2O4)2]中Cu(Ⅱ)的配位数为4D.“还原”时,发生的主要反应为H2TeO3+2═Te↓+2+H2O3.(2024•龙岩模拟)LiBr易溶于水,溶液呈中性,可用于制作替代氟利昂的绿色制冷剂,利用高浓度HBr 粗溶液合成LiBr工艺流程如下。
下列说法正确的是()A.“还原”过程应加入过量BaSB.“滤渣”中两种物质的物质的量相近C.Li2CO3晶体中存在4原子7电子构成的大π键D.“浓缩”过程需在HBr气流中进行4.(2024•鲤城区校级模拟)分离某酸性废水(含H+、Sc3+、Fe2+、)中金属离子的工艺流程如图所示:已知:Sc3+易水解,Sc3+和Fe2+均能与P504(用HR表示)发生络合反应且机理均为M n++nHR⇌MR n+nH+。
下列说法错误的是()A.Sc3+被“萃取”的原理为Sc3++3HR⇌ScR3+3H+B.“水相1”经处理后可循环至“反萃取1”工序中应用C.与P504的络合能力:Sc3+<Fe2+D.“一系列操作”为在HCl氛围中蒸发结晶5.(2024•凌源市模拟)金属锰用于生产多种重要的合金。
高三化学物质的分离提纯和检验试题答案及解析1.实验是化学研究的基础。
下列关于各实验装置的叙述正确的是()A.装置①常用于分离互不相溶的液体混合物B.装置②可用于吸收NH3或HCl气体,并防止倒吸C.装置③可用于收集H2、CO2、Cl2、NH3等气体D.装置④可用于干燥、收集氯化氢,并吸收多余的氯化氢【答案】C【解析】装置①是蒸馏装置,可用于分离互溶且沸点不同的液体混合物,A错误;NH3或HCl难溶于水易溶于苯,导气管末端插入水中,不能防倒吸,可将苯换成CCl4,并将导气管插到CCl4,B错误; H2、CO2、Cl2、NH3都能用排空气法收集,装置③可用于收集它们,C正确;干燥氯化氢不能用碱石灰,D错误。
【考点】考察物质的分离,物质的收集与干燥等知识。
2.向四支试管中分别加入少量不同的无色溶液进行如下操作,结论正确的是( )【答案】B【解析】A、滴加氯化钡溶液,有白色沉淀生成,不能说明原溶液中有硫酸根离子,因为碳酸根离子、亚硫酸根离子、硫酸根离子、银离子等滴加氯化钡溶液,都成生成白色沉淀,错误;B、氯水中的氯气和碘离子反应生成碘单质,四氯化碳把碘从水溶液中萃取出来四氯化碳密度比水大,下层溶液显紫色;所以滴加氯水和四氯化碳,下层溶液显紫色说明原溶液中有碘离子,正确;C、黄色火焰可以覆盖K+的浅紫色火焰,故检验K+需通过蓝色钴玻璃观察火焰,正确操作为:用洁净铂丝蘸取溶液进行焰色反应,透过蓝色钴玻璃观察,火焰呈黄色,原溶液中有钠离子、无钾离子,错误;D、氨气极易溶于水,若溶液中含有少量的NH4+时,滴加稀NaOH溶液不会放出NH3,错误。
【考点】本题考查离子的检验。
3.下列叙述Ⅰ和Ⅱ均正确并且有因果关系的是【答案】D【解析】A. 叙述Ⅰ正确,叙述Ⅱ正确,二者没有因果关系,不合题意;B. 叙述Ⅰ正确,叙述Ⅱ正确,二者没有因果关系,不合题意;C. 一般情况下,碳酸盐的正盐溶解度小于酸式盐,但碳酸钠与碳酸氢钠是个例外,叙述Ⅰ正确,叙述Ⅱ错误,二者没有因果关系,不合题意;D.二氧化硅一般不和酸反应,却可以和氢氟酸反应,叙述Ⅰ正确,因为玻璃的主要成分之一是二氧化硅,所以氢氟酸不能用玻璃瓶中,而应用塑料瓶,叙述Ⅱ正确,且有因果关系,合符题意。
2021届二轮高考化学题:物质的检验、分离和提纯含答案专题:物质的检验、分离和提纯一、选择题1、肼(N2H4)又名联氨,常温下为无色油状液体,沸点为113.5 ℃,有弱碱性和较强的还原性。
实验室用N2H4还原Cu(OH)2制备纳米Cu2O的装置如图所示(部分夹持、加热装置已略)。
已知:NaNO2与NH4Cl反应能生成N2。
下列说法错误的是()A.装置②、⑥中分别盛装浓硫酸和稀硫酸B.无水硫酸铜由白色变为蓝色,说明从装置④中出来的气体中含有水蒸气C.装置④中发生反应的化学方程式为N2H4(g)+4Cu(OH)22Cu2O+N2+6H2OD.加入反应试剂后,先打开活塞K2,待装置④中反应完全且冷却至室温后,再打开活塞K1排净装置中的N2H42、《炼丹秘诀》中的“抽汞法”有如下叙述:“朱砂不计多少。
入砂锅中以炭屑填平锅口,剪蛎壳板如锅大密钻小窍盖之,却将空砂锅一个与前锅二口相合,铁丝固济(包括有用铁丝缠和用盐泥固济二法),地下掘一穴安埋空锅,锻炼之后候冷取出,大概银朱一两只有真汞三钱。
”文中涉及的操作方法是()A.蒸馏B.升华C.干馏D.萃取3、下列除杂方法错误..的是()。
选项括号内为杂质实验操作或方法A NO2(NO) 通入O2B CuSO4溶液[Fe2(SO4)3] 加入足量CuO,过滤C 溴苯(溴) 加入NaOH溶液,分液D MnO2(I2) 加热4、石油分馏的原理是利用物质的()A.沸点差异B.密度差异C.溶解度差异D.化学性质差异5、《本草衍义》中对精制砒霜过程有如下叙述:“取砒之法,将生砒就置火上,以器覆之,令砒烟上飞着覆器,遂凝结累然下垂如乳,尖长者为胜,平短者次之。
”文中涉及的操作方法是()。
A.蒸馏B.升华C.干馏D.萃取6、下列根据实验操作和现象所得出的结论正确的是()。
选项操作现象结论A 向某溶液中加入铜片和浓硫酸并加热有红棕色刺激性气味的气体产生原溶液中一定有NB 向某溶液中滴入氯水,再滴加KSCN溶液溶液显红色原溶液中一定有Fe2+C 向某无色溶液中加入硝酸钡溶液产生白色沉淀,沉淀不溶于稀硝酸原溶液中一定有SD 向品红溶液中通入气体溶液褪色该气体一定是SO27、固体粉末X中可能含有Fe、FeO、CuO、MnO2、KCl和K2CO3中的若干种。
2020届(人教版)高考化学一轮:物质的检验、分离和提纯练习选题含答案专题:物质的检验、分离和提纯一、选择题1、下列各组混合物中,能用分液漏斗进行分离的是()A.酒精和水B.碘和四氯化碳C.水和四氯化碳D.汽油和乙醇【分析】能用分液漏斗进行分离的物质应互不相溶,结合常见物质的水溶性解答该题.【解答】解:酒精和水、汽油和乙醇、碘和四氯化碳都混溶,溶液不分层,而水和四氯化碳分层,可用分液的方法分离,故选:C。
2、实验室提纯含少量氯化钠杂质的硝酸钾的过程如图所示。
下列分析正确的是()。
A.操作Ⅰ是过滤,将固体分离除去B.操作Ⅱ是加热浓缩,趁热过滤,除去杂质氯化钠C.操作Ⅲ是过滤、洗涤,将硝酸钾晶体从溶液中分离出来D.操作Ⅰ~Ⅲ总共需两次过滤【解析】KNO3中混有NaCl应提纯KNO3,因为KNO3的溶解度随温度的升高而增大,且变化较大,温度对NaCl溶解度的影响较小,故采用降温结晶法提纯KNO3。
操作Ⅰ是在烧杯中加水溶解,操作Ⅱ是蒸发浓缩,得到较高温度下的KNO3饱和溶液,操作Ⅲ为冷却结晶,利用溶解度差异使KNO3结晶析出,过滤,洗涤,干燥即得KNO3晶体。
【答案】C3、下列根据实验操作和现象所得出的结论正确的是( )。
N【解析】向某溶液中加入铜片和浓硫酸并加热,如果有红棕色刺激性气味的气体产生,说明生成了二氧化氮,则原溶液中一定有N,A 项正确;要检验溶液中一定有Fe 2+,应该先滴加KSCN 溶液,无明显变化,再滴入氯水,溶液显红色,B 项错误;原溶液中可能含有S ,C 项错误;能使品红溶液褪色的气体除SO 2外,还有可能是Cl 2、O 3等,D 项错误。
【答案】A4、下列实验中,所选装置不合理...的是( )。
A.分离Na2CO3溶液和CH3COOC2H5,选④B.用CCl4提取碘水中的碘,选③C.用FeCl2溶液吸收Cl2,选⑤D.粗盐提纯,选①和②【解析】CH3COOCH2CH3难溶于Na2CO3溶液,二者会分层,可以用分液法分离,选择③,A 项错误;用CCl4萃取碘水中的碘,选择③,B项正确;⑤可以用作洗气瓶,C项正确;粗盐提纯需要过滤、蒸发结晶,选择①和②,D项正确。
2023年高考化学专题训练--物质的分离、提纯和检验一、单选题1.丙酮(C3H6O)通常是无色液体,与水混溶,密度小于1g•mL﹣1,沸点约为56℃.要从水与丙酮的混合物中将丙酮分离出来,你认为下列方法中最为合理的是()A.蒸馏B.分液C.过滤D.蒸发2.现有三组混合溶液:①乙酸乙酯和乙酸钠溶液;②丁醇和乙醇;③溴化钠和单质溴的水溶液。
分离以上各混合液的正确方法依次是()A.分液、萃取、蒸馏B.萃取、蒸馏、分液C.分液、蒸馏、萃取D.蒸馏、萃取、分液3.下列说法中错误的是()A.油脂水解可得到丙三醇B.蛋白质、淀粉、纤维素都是高分子化合物C.蛋白质水解的最终产物均为氨基酸D.纤维素水解与淀粉水解得到的最终产物不同4.下列实验操作中错误的是()A.蒸发操作时,不能使混合物中的水分完全蒸干后才停止加热B.蒸馏操作时,应使温度计水银球靠近蒸馏烧瓶的支管口处C.分液操作时,分液漏斗中下层液体从下口放出,上层液体从上口倒出D.由于碘在酒精中的溶解度大,所以可用酒精把碘水中的碘萃取出来5.下列由相关实验现象所推出的结论正确的是()A.Cl2、SO2均能使品红溶液褪色,说明二者均有氧化性B.向溶液中滴加酸化的Ba(NO3)2溶液出现白色沉淀,说明该溶液中一定有SO42﹣C.Fe与稀HNO3、稀H2SO4反应均有气泡产生,说明Fe与两种酸均发生置换反应D.分别充满HCl、NH3的烧瓶倒置于水中后液面均迅速上升,说明二者均易溶于水6.只用胶头滴管和试管,不能区别的溶液是()A.CaCl2和Na2CO3B.稀盐酸和Na[Al(OH)4]C.稀盐酸和Na2CO3D.NaOH和AlCl37.化学与生产、生活、社会密切相关。
下列说法错误的是()A.制作面包类食品时,常用小苏打作膨松剂B.高炉炼铁、生产水泥和制造玻璃都要用到石灰石C.鉴别织物成分是蚕丝还是“人造丝”,可采用灼烧闻气味的方法D.乙醇、过氧乙酸、次氯酸钠等消毒液均可以将病毒氧化而达到消毒的目的8.以用下列实验装置进行相应实验,能达到实验目的的是()A.用图a所示装置除去Cl2中含有的少量HClB.用图b所示装置蒸干NH4Cl 饱和溶液制备NH4Cl晶体C.用图c所示装置制取少量纯净的CO2气体D.用图d所示装置分离CCl4萃取碘水后已分层的有机层和水层9.下列实验装置,不能达到相应实验目的的是()10.海水中不仅含有丰富的水资源,而且蕴藏着宝贵的化学资源。
专题16 物质的分别、提纯与制备考向一物质的分别、提纯、检验(1)考纲要求1.了解过滤、蒸发、萃取、蒸馏等物质分别、提纯的常用方法,能对常见的物质进行分别和提纯。
2.驾驭常见气体的试验室制法(包括所用试剂、反应原理、仪器和收集方法)。
(2)命题规律物质的分别和提纯是试验题及工艺流程题必定出现的环节,高考中可以单独以选择题考查,也可以在综合试验题或工艺流程题中以某一步骤考查,这种题意环境往往比较生疏,须要考生细致审题,搞清晰主要物质和杂质,依据混合物的类型选择分别方法或除杂方法。
应对策略还是要求考生在复习中娴熟驾驭物质性质方面的基础并加以训练,才能突破该类问题。
【例1】【2024天津卷】由下列试验及现象推出的相应结论正确的是()试验现象结论A.某溶液中滴加K3[Fe(CN)6]溶液产生蓝色沉淀原溶液中有Fe2+,无Fe3+B.向C6H5ONa溶液中通入CO2溶液变浑浊酸性:H2CO3>C6H5OHC.向含有ZnS和Na2S的悬浊液中滴加CuSO4溶液生成黑色沉淀K sp(CuS)<K sp(ZnS)D.①某溶液中加入Ba(NO3)2溶液②再加足量盐酸①产生白色沉淀②仍有白色沉淀原溶液中有SO42-A.A B.B C.C D.D【答案】B【解析】分析:本题是化学试验的基本问题,主要考查物质检验和性质比较试验的问题。
依据题目表述,点睛:在解决本题中选项C的类似问题时,肯定要留意推断溶液中的主要成分。
当溶液混合进行反应的时候,肯定是先进行大量离子之间的反应(本题就是进行大量存在的硫离子和铜离子的反应),然后再进行微量物质之间的反应。
例如,向碳酸钙和碳酸钠的悬浊液中通入二氧化碳,二氧化碳先和碳酸钠反应得到碳酸氢钠,再与碳酸钙反应得到碳酸氢钙。
【例2】【2024江苏卷】下列有关从海带中提取碘的试验原理和装置能达到试验目的的是()A.用装置甲灼烧碎海带B.用装置乙过滤海带灰的浸泡液C.用装置丙制备用于氧化浸泡液中I−的Cl2D.用装置丁汲取氧化浸泡液中I−后的Cl2尾气【答案】B【解析】分析:A项,灼烧碎海带应用坩埚;B项,海带灰的浸泡液用过滤法分别获得含I-的溶液;C项,点睛:本题以从海带中提取碘为载体,考查基本试验操作、Cl2的试验室制备,解答时要明确试验的目的、分析必需的试剂和仪器、合理的装置和试验条件的限制。
【辽宁省东北育才学校2013届高三第一次模拟考试B.可能有K+、Cl-、MnO4-C.肯定有Al3+、Mg2+、SO42-D.肯定有K+、HCO3-、MnO4- 【辽宁省盘锦市二中2013届高三第一次阶段考试B.AgNO3溶液C.紫色石蕊试液D.FeCl2溶液【辽宁省盘锦市二中2013届高三第一次阶段考试B.CO、H2、H2OC.CO、H2、NH3D.HCl、CO、H2O 【江西省会昌中学2013届高三第一次月考 【江西省南昌十九中2013届高三第二次月考实验操作及现象实验结论A向某溶液中加入盐酸酸化的氯化钡溶液,有白色沉淀生成该溶液中一定含有B向某溶液中加入2滴KSCN溶液,溶液不显红色。
再向溶液中加入几滴新制的氯水,溶液变为红色该溶液中一定含有Fe2+C将某气体通入品红溶液中,品红溶液褪色该气体一定是SO2D将少量某物质的溶液滴加到新制的银氨溶液中,水浴加热后有银镜生成该物质一定属于醛类【答案】B 湖北省荆州中学2013届高三第二次质量检测 A.原溶液一定含有Na2SO4B.反应最后形成的溶液中的溶质为NaClC.原溶液中一定含有的阴离子是OH-、CO32-、AlO2-、SiO32-D.原溶液中含有CO32-与AlO2-的物质的量之比为1:1【黑龙江省哈师大附中2013届高三第二次月考实验内容实验目的A将含有HCl杂质的CO2通入饱和Na2CO3溶液中除去CO2中的HClB将适量一定量的NaNO3和KCl的混合液加热并浓缩至有晶体析出,趁热过滤分离出NaCl晶体C在淀粉-KI溶液中滴加少量市售食盐配制的溶液鉴别真假碘盐D将少量Fe(NO3)2试样加水溶解,滴加稀H2SO4酸化,再滴加KSCN溶液检验Fe(NO3)2试样是否变质【答案】B 河北省邯郸一中2013届高三9月月考B.Na+、Br-、CO32-C.Na+、I-、SO32-D.NH4+、CO32-、I-【答案】A 【解析】滴加足量氯水后,有气泡产生,溶液呈橙黄色,说明一定含有溴离子和CO32-,因此一定没有Fe2+。
物质的分离和提纯1.(2020·福建长乐升级考)《茶疏》中对泡茶过程有如下记载:“治壶、投茶、出浴、淋壶、烫杯、酾茶、品茶……"。
文中未涉及的操作方法是()A.溶解B.萃取C.过滤D.蒸馏D[工夫茶形成于清代,流行于广东、福建和台湾地区,是用小茶壶泡青茶(乌龙茶),主要程序有治壶、投茶、出浴、淋壶、烫杯、酾茶、品茶等,又进一步分解为孟臣沐霖、马龙入宫、悬壶高中、春风拂面、重洗仙颜、若琛出浴、游山玩水、关公巡城、韩信点兵、鉴赏三色、喜闻幽香、品啜甘露、领悟神韵。
其中包含了将茶叶里的有机物萃取、溶解、过滤、供人品尝,没有涉及到蒸馏,故选D。
]2.下列物质提纯的方法可能涉及化学变化的是( )A.蒸馏B.过滤C.分液D.洗气D[用蒸馏、过滤、分液进行混合物的分离均发生的是物理变化过程;洗气时有可能发生的是化学变化过程,如用饱和NaHCO3溶液除去CO2中的HCl气体.]3.某实验小组只领取下列仪器(或用品):铁架台(带铁夹、铁圈)、三脚架、石棉网、烧杯、漏斗、分液漏斗、酒精灯、玻璃棒、量筒、蒸发皿、圆底烧瓶、火柴、滤纸。
只应用上述仪器用品,不能进行的实验操作是 ( )A.蒸发B.萃取C.过滤D.蒸馏D[蒸发需要铁架台(带铁夹、铁圈)、蒸发皿、玻璃棒、酒精灯;萃取需要分液漏斗、烧杯、铁架台(带铁夹、铁圈)等;过滤需要漏斗、烧杯、铁架台、滤纸、玻璃棒等;蒸馏需要铁架台(带铁夹、铁圈)、酒精灯、温度计、蒸馏烧瓶、冷凝管、牛角管、锥形瓶等,D项不能进行。
]4.下列实验装置设计正确,且能达到目的的是()B5.为提纯下列物质(括号内为杂质),选用的试剂或分离方法错误的是()选项物质试剂分离方法C[3固体,再通过蒸发浓缩、降温结晶的方法,获得纯净的KNO3固体,A项正确;HCl与饱和NaHCO3溶液反应生成二氧化碳,B项正确;乙烯被酸性KMnO4氧化生成CO2,使甲烷中混入CO2气体,C项错误;加入的生石灰能与水反应生成Ca(OH)2,消耗掉部分水,再通过蒸馏获得乙醇,D项正确。
2017年高考化学二轮复习专题16 物质的分离、提纯与制备(讲)(含解析)编辑整理:尊敬的读者朋友们:这里是精品文档编辑中心,本文档内容是由我和我的同事精心编辑整理后发布的,发布之前我们对文中内容进行仔细校对,但是难免会有疏漏的地方,但是任然希望(2017年高考化学二轮复习专题16 物质的分离、提纯与制备(讲)(含解析))的内容能够给您的工作和学习带来便利。
同时也真诚的希望收到您的建议和反馈,这将是我们进步的源泉,前进的动力。
本文可编辑可修改,如果觉得对您有帮助请收藏以便随时查阅,最后祝您生活愉快业绩进步,以下为2017年高考化学二轮复习专题16 物质的分离、提纯与制备(讲)(含解析)的全部内容。
专题16 物质的分离、提纯与制备(讲)考向一物质的分离、提纯、鉴别(1)考纲要求了解过滤、蒸发、萃取、蒸馏等物质分离、提纯的常用方法,能对常见的物质进行分离和提纯。
能综合运用化学实验原理和方法,设计实验方案解决简单的化学问题,能对实验方案、实验过程和实验结果进行分析和评价.(2)命题规律物质的分离、提纯和检验是高考化学实验部分的重点,也是热点。此类问题可以考查学生对元素化合物知识的掌握、应用能力,也能考查学生对物质的分离、提纯和检验原理的理解、实验操作的规范性及实验现象的观察、描述能力。从高考的内容和形式上看,物质的分离、提纯及检验可以独立考查,也可以综合考查;可以以选择题的形式出现,也可以渗透到综合实验中;可以以课本中实验为素材进行考查,也可以以生活、生产、科技和环境问题为素材进行考查。【例1】【2016年高考上海卷】实验室提纯含少量氯化钠杂质的硝酸钾的过程如右图所示。
下列分析正确的是( )A.操作Ⅰ是过滤,将固体分离除去B.操作Ⅱ是加热浓缩.趁热过滤,除去杂质氯化钠C.操作Ⅲ是过滤、洗涤,将硝酸钾晶体从溶液中分离出来D.操作Ⅰ~Ⅲ总共需两次过滤【答案】C【例2】【2016年高考新课标Ⅲ卷】下列有关实验的操作正确的是()实验操作A.配制稀硫酸先将浓硫酸加入烧杯中,后倒入蒸馏水B。
考点规范练2物质的检验、分离与提纯一、选择题1.(2023辽宁卷)下列鉴别或检验不能达到实验目的的是()。
A.用石灰水鉴别Na2CO3与NaHCO3B.用KSCN溶液检验FeSO4是否变质C.用盐酸酸化的BaCl2溶液检验Na2SO3是否被氧化D.加热条件下用银氨溶液检验乙醇中是否混有乙醛答案:A解析:Na2CO3和NaHCO3与石灰水反应都能生成难溶的CaCO3沉淀,A项符合题意;KSCN与Fe3+能生成红色物质,可用于检验FeSO4是否变质,B项不符合题意;Na2SO3被氧化为Na2SO4,Na2SO4与BaCl2反应生成的BaSO4不溶于盐酸,C项不符合题意;乙醛能与银氨溶液发生银镜反应,而乙醇不能,D项不符合题意。
2.某研究性学习小组欲分析某矿石的主要成分,粉碎后将其溶于过量稀盐酸充分反应,过滤后用所得滤液进行如下实验,下列说法正确的是()。
A.取少量滤液向其中滴加少量Na2CO3溶液,无白色沉淀,说明矿石中一定不含Ca2+B.取少量滤液向其中滴加过量BaCl2溶液,产生白色沉淀,说明矿石中含有S O42-C.取少量滤液向其中滴加过量的氨水,白色沉淀逐渐增多,然后渐渐溶解,说明矿石中含有Al3+D.取少量滤液向其中先通入少量Cl2,再滴加KSCN溶液,溶液变红色,说明矿石中一定含有Fe2+答案:B解析:因盐酸过量,加入的少量Na2CO3溶液应先与H+反应,即使有Ca2+存在,也不会产生白色沉淀,A项错误。
加入过量BaCl2溶液能产生白色沉淀,说明含有S O42-,B项正确。
氨水不能溶解Al(OH)3,C项错误。
不能排除Fe3+的干扰,D项错误。
3.(双选)下列操作中正确的是()。
A.除去NaCl固体中的少量KNO3,应将固体溶解后蒸发结晶,趁热过滤,洗涤干燥B.蒸馏操作时,应使温度计水银球靠近蒸馏烧瓶的底部C.萃取操作时,应选择有机萃取剂,且萃取剂的密度必须比水的密度大D.分液操作时,分液漏斗下端紧靠烧杯内壁答案:AD解析:NaCl的溶解度受温度影响不大,硝酸钾的溶解度受温度影响较大,且硝酸钾少量,则将含少量硝酸钾的NaCl溶解后蒸发结晶,趁热过滤,洗涤干燥可除去硝酸钾,A项正确。
物质的检验、分离与提纯主要考查物质的检验方法和原理、混合物的分离与提纯方法、相关实验操作及其注意事项等。
1.【2020年全国卷2】某白色固体混合物由NaCl 、KCl 、MgSO 4、CaCO 3中的两种组成,进行如下实验:①混合物溶于水,得到澄清透明溶液;②做焰色反应,通过钴玻璃可观察到紫色;③向溶液中加碱,产生白色沉淀。
根据实验现象可判断其组成为( ) A .KCl 、NaCl B .KCl 、MgSO 4 C .KCl 、CaCO 3 D .MgSO 4、NaCl【答案】B【解析】①混合物溶于水,得到澄清透明溶液,则不含CaCO 3,排除C 选项;②做焰色反应,通过钴玻璃可观察到紫色,可确定含有钾元素,即含有KCl ;③向溶液中加碱,产生白色沉淀,则应含有MgSO 4,综合以上分析,混合物由KCl 和MgSO 4两种物质组成,选B 。
【点睛】常用焰色反应来检验钠元素和钾元素。
2.【2020年山东卷】实验室分离Fe 3+和Al 3+的流程如下:知Fe 3+在浓盐酸中生成黄色配离子[FeCl 4]−,该配离子在乙醚(Et 2O ,沸点34.6℃)中生成缔合物+-24Et O H FeCl ﹒﹒[]。
下列说法错误的是( )A .萃取振荡时,分液漏斗下口应倾斜向下B .分液时,应先将下层液体由分液漏斗下口放出C .分液后水相为无色,说明已达到分离目的D .蒸馏时选用直形冷凝管【答案】A【解析】A .萃取振荡时,分液漏斗下口应倾斜向上,A 错误;B .分液时,密度大的液体在下层,密度小的液体在上层,下层液体由分液漏斗下口放出,下层液体放完后,密度小的上层液体从分液漏斗上口倒出,B正确;C.Fe3+在浓盐酸中生成黄色配离子,该离子在乙醚中生成缔合物,乙醚与水不互溶,故分液后水相为无色,则水相中不再含有Fe3+,说明已经达到分离目的,C正确;D.蒸馏时选用直形冷凝管,能使馏分全部转移到锥形瓶中,而不会残留在冷凝管中,D正确;答案选A。
【天津市大港区第一中学2013届高三第二次月考】用如图装置制取表中的四种干燥、纯净的气体(图中铁架台、铁夹、加热及气体收集装置均已略去;必要时可以加热;a、b、c、d 表示相应仪器中加入的试剂)。
其中正确的是()
选项气体 a b c d
A CO2盐酸CaCO3饱和Na2CO3溶液浓硫酸
B Cl2浓盐酸MnO2NaOH溶液浓硫酸
C NH3饱和NH4Cl溶液消石灰H2O 固体NaOH
D NO 稀硝酸铜屑H2O 浓硫酸
【天津市大港区第一中学2013届高三第二次月考】下列说法正确的是()A.等质量的两份铝,分别和含n mol HCl和n mol NaOH 溶液反应,放出的气体的体积一定是NaOH溶液的多
B.向饱和食盐水中先通足量CO2气体,再通入足量NH3,会析出NaHCO3晶体
C.使用一定的催化剂可将汽车尾气中的CO和NO转化成CO2和N2
D.将一定质量不同组成的铝钠合金投入足量盐酸中,铝的质量分数越小,放出的H2越多
【答案】C
【解析】A项:无论与酸还是与碱反应,Al与H2的关系都是2Al~3H2。
(1)等量铝分别与足量盐酸和氢氧化钠溶液反应,产生氢气体积比。
(2)足量的铝分别与等物质的量的盐酸和氢氧化钠反应,产生氢气的体积比为。
(3)一定量的铝分别与一定量的盐酸和氢氧化钠反应,产生氢气的体积比为。
A错误;
B项:CO2在NaCl溶液中的溶解度很小,先通入NH3使食盐水呈碱性,能够吸收大量CO2气体,产生大浓度的HCO3-,才能析出NaHCO3晶体,B错误;
C项:CO与NO在催化剂的作用下可生成参与大气循环的气体CO2和N2,C正确;
D项:等质量Na和Al与足量盐酸反应产生氢气Al多,所以铝的质量分数越大,生成氢气越多,D错误。
【天津市大港区第一中学2013届高三第二次月考】关于下列各装置图的叙述中,不正确的是()
A.实验室常用装置①制取NH3
B.装置②中X若为CCl4,可用于吸收NH3,并防止倒吸
C.装置③可用于制备Fe(OH)2并较长时间观察其白色
D.装置④可用于收集NO
【浙江省余姚三中2013届高三第二次月考】下列物质中的杂质(括号内为杂质)的检验、除杂的试剂或方法正确的是()
【浙江省余姚三中2013届高三第二次月考】下列操作正确的是:()
①过滤试剂②分离固体NaCl和碘单质③稀释浓硫酸④定容
A.只有②B.②③C.③④D.全不对
【浙江省宁波市效实中学2013届高三上学期期中考试】有一无色溶液,可能含有K+、A13+、Mg2+、NH4+、Cl—、SO42—、HCO3—、MnO4—中的几种。
为确定其成分,做如下实验:①取部分溶液,加入少量Na2O2固体,产生无色无味的气体和白色沉淀,再加入过量的NaOH溶液后白色
沉淀部分溶解;②另取部分溶液,加入HNO3酸化的Ba(NO3)2溶液,有白色沉淀产生。
下列推断正确的是
A.肯定有Al3+、Mg2+、HCO3—
B.肯定有A13+、Mg2+、SO42—
C.肯定没有HCO3—、MnO4—、NH4+
D.肯定有K+、Cl—
【浙江省宁波市效实中学2013届高三上学期期中考试】完成下列实验所选择的装置或仪器(夹持装置已略去)正确的是
A B C D
实
验
用CCl4提取溴
水中的Br2
除去乙醇中的
I2
加热分解MgCl2.6H2O
得到纯净的MgCl2
配制100 mL
0.1000
mol·L-1 K2Cr2O7溶
液
装
置
或
仪
器
【浙江省宁波市效实中学2013届高三上学期期中考试】下列由相关实验现象所推出的结论正确的是
A.Cl2、SO2均能使品红溶液褪色,说明二者均有氧化性
B.溶液中滴加酸化的Ba(NO3)2溶液出现白色沉淀,说明该溶液中一定有SO42—
C.Fe与稀HNO3、稀H2SO4反应均有气泡产生,说明Fe与两种酸均发生置换反应
D.分别充满HCl、NH3的烧瓶倒置于水中后液面均迅速上升,说明二者均易溶于水
【答案】D
【解析】SO2使品红溶液不是氧化还原反应,而是化合,A不正确;由于在酸性条件下,硝酸盐具有氧化性,能把SO32-氧化生成生成SO42-,所以B不正确;硝酸是氧化性酸,铁和硝酸的反应不是置换反应,C不正确,所以正确的答案选D。
【江苏省灌南高级中学2013届高三上学期期中考试】下列说法正确的是
①Cl2的化学性质活泼,它与H2混合后立即发生爆炸;
②实验室制取Cl2时,为了防止环境污染,多余的氯气可以用澄清石灰水吸收;
③新制氯水的氧化性强于久置氯水;
④检验HCl气体中是否混有Cl2的方法是将气体通入AgNO3溶液;
⑤除去HCl气体中的Cl2,可将气体通入饱和食盐水。
A.③
B.③⑤
C.①②③
D.②③④
【四川省邛崃一中2013届高三10月月考】下列图示与对应的叙述相符的是
【浙江省乐清市第二中学2013届高三第一次月考化学试卷】下列实验或操作合理的是()
A.制氨气B.蒸发、浓缩、结晶C.制备并收集少了二
氧化氮
D.浓硫酸的稀释
【浙江省乐清市第二中学2013届高三第一次月考化学试卷】下列有关实验原理、方法和结论都正确的是()
A.用pH试纸测量溶液的pH值时要先将试纸润湿
B.滴加稀NaOH溶液,将湿润的红色石蕊试纸置于试管口如果试纸不变蓝说明原溶液中无NH4+
C.取少量溶液X,向其中加入适量新制氯水,再加几滴KSCN溶液,溶液变红,说明X 溶液中一定含有Fe2+
D.除去干燥CO2中混有的少量SO2,可将混合气体依次通过盛有酸性KMnO4溶液、浓硫酸的洗气瓶
【江苏省无锡一中2013届高三第一次质量测试】下列有关实验装置进行的相应实验,能达到实验目的的是()
A.用图1所示装置除去Cl2中含有的少量HCl
B.用图2所示装置蒸干NH4Cl饱和溶液制备NH4Cl晶体
C.用图3所示装置制取少量纯净的CO2气体
D.用图4所示装置分离CCl4萃取碘水后已分层的有机层和水层
【黑龙江省大庆铁人中学2013届高三第二次阶段考试】某无色溶液中可能含有①Na+、②Ba2+、③Cl-、④Br-、⑤SO32-、⑥SO42-中的若干种,依次进行下列实验,且每步所加试剂均过量,。