五沟式氧化沟的设计及运行
- 格式:doc
- 大小:96.50 KB
- 文档页数:14
20万吨氧化沟法污水处理厂工艺设计氧化沟法是一种常见的生物处理污水的方法,它通过利用微生物的降解作用来去除污水中的有机物和氮、磷等营养元素。
对于20万吨的氧化沟法污水处理厂,下面是一个简单的工艺设计方案,供参考。
一、污水处理工艺流程:1.预处理:污水首先进入预处理单元,通过格栅、沉砂池等物理和化学方式去除大颗粒悬浮物和沉积物。
2.厌氧处理:经过预处理后的污水进入厌氧池,通过厌氧微生物的作用将有机物降解生成可溶性有机物和甲烷气体。
3.好氧处理:厌氧池出水进入好氧池,好氧微生物利用可溶性有机物进行降解,产生二氧化碳和水。
4.沉淀池:好氧池出水进入沉淀池,在此处进行混凝沉淀,进一步去除悬浮物和胶体物质。
5.深度处理:经过沉淀池后的水体可进一步进行深度处理,如过滤、消毒等。
二、具体工艺单元的设计参数:1.预处理单元:- 格栅:格栅间距为10mm,以去除大颗粒悬浮物;-沉砂池:根据进水流量和停留时间确定设计容积。
2.厌氧池:-池容积:根据单位体积有机负荷和停留时间确定;-搅拌方式:采用机械搅拌或气力搅拌。
3.好氧池:-池容积:根据单位体积有机负荷和停留时间确定;-曝气方式:通常采用曝气槽和曝气机进行气候迈气。
4.沉淀池:-池容积:根据单位流量和停留时间确定;-混凝剂投加:根据水质情况确定混凝剂的种类和投加量。
5.深度处理:-过滤:采用石英砂过滤器或纤维滤池;-消毒:常用的消毒方式有氯消毒、紫外线消毒等。
三、运行控制和监测参数:1.水质监测:对进、出水进行常规的水质监测,包括COD、氨氮、总磷等指标。
2.调节控制:根据实际情况及时调整进水量、池容积、曝气量等参数,以保证处理效果。
3.污泥处理:对厌氧池和好氧池产生的污泥进行处理,如浓缩、脱水、消化等。
总结:以上是一个20万吨氧化沟法污水处理厂的工艺设计方案,其中涉及到了预处理、厌氧处理、好氧处理、沉淀池和深度处理等工艺单元。
根据实际情况和要求,还需要结合当地的环境要求和处理效果进行调整。
氧化沟法的流程
一、系统设计
1.设计参数确定
(1)进水水质分析
①COD、BOD、氨氮含量
②SS、pH值
(2)处理水量计算
①日均水量
②峰值流量
2.设备选型
(1)氧化沟主体
①沟槽设计
②运行方式选择
(2)设备配置
①曝气设备
②机械搅拌设备
③沉淀池
3.系统布置
(1)自然流布置
(2)重力流布置
(3)施工图设计
二、施工阶段
1.场地准备
(1)清理施工现场
(2)地基处理
2.设备安装
(1)沟槽和池体施工
(2)曝气设备安装
(3)连接管道布置
3.电气系统安装
(1)电控柜安装
(2)传感器布置
三、试运行
1.系统调试
(1)调试水泵和曝气设备
(2)检查管道和设备连接
2.监测参数
(1)流量监测
(2)水质监测
①COD、BOD
②氨氮、SS
3.运行调整
(1)根据监测结果优化运行
(2)调整曝气量和混合强度
四、正常运行
1.日常管理
(1)运行记录
①水质监测记录
②设备运行状态记录
(2)定期维护保养
①清理沉淀池
②检查设备运行状态
2.故障处理
(1)故障检测
①监测报警系统
(2)故障修复
①曝气设备故障处理
②管道堵塞处理
五、性能评估
1.数据分析
(1)水处理效率评估
①COD去除率
②BOD去除率
2.定期检查
(1)设备运行情况
(2)水质达标情况3.持续改进
(1)收集反馈(2)制定改进措施。
氧化沟的设计选型本设计采用卡鲁赛尔2000氧化沟工艺,按照近期期用水量Q= 5000m3/d设计,结合九运镇的气候条件及排水现状,最低设计水温按照15℃考虑,在此温度下,出水水质到达《城镇污水处理厂污染物排放标准》二级级排放标准,污泥性质达到稳定化,无需进一步消化稳定处理。
本次设计由于卡鲁塞尔2000型氧化沟特殊的预反硝化区的设计(占氧化沟体积的15%),缺氧条件下进水与一定的混合液混合。
剩余部分(体积的85%)包括有氧和缺氧区,用于同时硝化反硝化,也用于磷的富集吸收。
氧化沟后接中心进水周边出水辐流式二沉池和污泥回流泵房污泥回流比为82%,剩余污泥采用潜污泵由污泥回流泵房送至污泥浓缩池,经过浓缩池处理后,再由污泥脱水车间进行脱水处理。
4.3.1设计参数:(1)氧化沟平均设两组,并联运行,每组的流量Q=2500m3/d(2)混合液污泥浓度氧化沟内污泥浓度X值一般采取2000~6000mg/L之间,设计中取X=4500mg/L。
(3)污泥龄氧化沟的设计泥龄范围4~48d,通常的泥龄取值10~30d。
泥龄与温度、脱氮、脱氮要求和要求稳定污泥的程度相关。
本设计考虑去除BOD的同时,还考虑反硝化,因此污泥龄θc=30d。
(4)水质参数如下:(5)回流污泥浓度Xr = r SVI*610 式中: Xr —回流污泥浓度(mg/L) SVI —污泥容积指数。
r —系数,一般采用r=1.0 设计中取SVI=100Xr =L m g /100000.1100106=⨯ (6)污泥回流比 %100⨯-=XXr XR 式中: R —污泥回流比。
%82%1004500100004500=⨯-=R回流污泥量计算: 根据物料平衡:dm Q Q Q XQ Q Q X Q TSS R R R R R /1.39094500)5000(1000050005000)()(3=⇒⨯+=⨯+⨯+=+4.3.2平面尺寸的计算(每组氧化沟的尺寸) (1)好氧区有效容积)1()(01c d ce K X S S YQ V θθ+-=式中: V 1—好氧区有效容积(m 3);Y —污泥净产率系数(5/kgBOD kgMLSS ).根据c θ,查表得 Y=0.42;Q —污水设计流量(mg/L);S 0,S e —分别为进出水BOD5浓度(mg/L); c θ—污泥龄(d); X —污泥浓度(mg/L);d K —污泥自身氧化率(1/d )对于城市污水一般采用 0.05~0.1. 设计中取075.0=d K ()()3185.33330075.0145003015%852********.0m V =⨯+⨯⨯-⨯⨯⨯=(2)缺氧区有效容积 反硝化区脱氧量)(124.0)(00e e S S YQ N N Q W ---= 式中:W —反硝化区脱氧量; N0—进水TN 浓度(g/L);Ne —出水TN 浓度(g/L)。
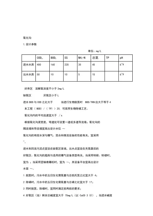
氧化沟1.设计参数单位:mg/L好养区溶解氧浓度不小于2mg/L缺氧区厌氧区小于L进水BOD与COD之比大于当进行生物脱氮时 BOD/TKN应大于等于4本工程 ( BOD) / ( TP) > 20, 可采用生物除磷工艺。
氧化沟内的平均流速宜大于∕s根据氧化沟渠宽度,弯道处可设置一道或多道导流墙;氧化沟的隔流墙和导流墙宜高出设计水位~氧化沟的有效水深与曝气、混合和推流设备的性能有关,宜采用~。
进水和回流污泥点宜设在缺氧区首端,出水点宜设在充氧器后的好氧区。
氧化沟的超高与选用的曝气设备类型有关,当采用转刷、转碟时,宜为;当采用竖轴表曝机时,宜为~,其设备平台宜高出设计水面~。
1 脱氮时,污水中的五日生化需氧量与总凯氏氮之比宜大于 4;2 除磷时,污水中的五日生化需氧量与总磷之比宜大于 17;3 同时脱氮、除磷时,宜同时满足前两款的要求;4 好氧区(池)剩余总碱度宜大于 70mg/L(以 CaCO 3 计),当进水碱度不能满足上述要求时,应采取增加碱度的措施。
2.设计计算1.硝化区的容积1. 需要去除的5BOD由于设计的出水L mg BOD /105=,处理水中的非溶解性5BOD 可利用经验公式求的,此公式仅使用于氧化沟()()8.6142.1107.0142.17.0523.0523.05=-⨯⨯=-⨯⨯=⨯-⨯-e e C BOD e f mg/L式中e C ---------出水中5BOD 的浓度 mg/L 则处理水中的溶解性5BOD 的浓度为:=L则需要去除的5BOD 为:5BOD ∆=160—=L 2. 污泥龄c θ考虑到污泥基本稳定及除磷的要求(泥龄过长会导致污泥厌氧磷释放),污泥龄c θ根据公式进行估算: ()0/1μθk c =其中0μ是硝化菌比生长速率,()()()0158.105.015098.001047.0K DO DON C N C e t t +•⎪⎪⎭⎫⎝⎛+••=--μ 其中溶解氧DO=2mgl/L ,氧的半速率常数0K 取 k 为安全系数,对于好养活性污泥,其取值范围为~,本设计取 温度取15C ︒ 则()()()26.03.122105547.01047.0158.11505.00158.105.015098.00=+⨯+⨯=+•⎪⎪⎭⎫⎝⎛+••=-⨯--K DO DO N C N C e t t μ()0/1μθk c ==×1÷= 取c θ=30d 。
水质设计氧化沟法水质设计是一种用于改善水体水质的工程设计方法。
氧化沟法是其中一种常用的处理方法。
下文将详细介绍水质设计氧化沟法。
首先,水质设计氧化沟法的设计需要考虑沟渠的长度、宽度和深度。
根据处理废水的规模和污染物浓度,选择合适的沟渠尺寸。
通常情况下,沟渠的长度应根据设计流量和停留时间来确定,停留时间一般为4-8小时。
沟渠的宽度和深度则应根据处理效果和水力特性来确定,一般情况下,宽度为3-6米,深度为1.5-2米。
其次,水质设计氧化沟法还需要考虑进水口和流速控制问题。
进水口应设计合理,以确保废水均匀流入氧化沟,并减少可能的气味和浮渣产生。
流速控制是保证废水停留时间的关键,因此应考虑引入合理的流速控制设备,如挡水板、变截面等,以保证水流速度的稳定和流态的平稳。
此外,水质设计氧化沟法中的微生物群落也需要重点考虑。
不同种类的微生物对不同污染物的降解能力存在差异,因此应选择合适的微生物菌种。
常见的微生物有硝化细菌、反硝化细菌、厌氮细菌等,它们可以互相配合完成污染物的降解过程。
此外,微生物的氧气需求也需要考虑,应保证沟渠内的氧气供应充足,可以通过人工通气或增加水体氧气溶解度来实现。
最后,水质设计氧化沟法还需要考虑废水的后处理问题。
经过氧化沟处理后的废水仍然可能含有一定的污染物,因此需要进一步进行后处理。
常见的后处理方式有深度处理和消毒。
深度处理可以采用沉淀、过滤等方法,以进一步去除残余污染物。
消毒则可以采用紫外线照射、氯气消毒等方法,以杀灭废水中的病原微生物。
综上所述,水质设计氧化沟法是一种常用的水质改善方式,通过设计合理的沟渠尺寸、进水口和流速控制,选择合适的微生物群落,并进行适当的后处理,可以有效地降解和转化废水中的有机物和氨氮等污染物。
不过,在实际应用中,还需考虑不同地区的水质特点和环境要求,以进行个性化的设计和改良。
氧化沟的各种工艺---我的资料整理学习交流2007-11-29 10:30:03 阅读406 评论0 字号:大中小订阅.氧化沟工艺演变氧化沟是活性污泥法的一种变型,其曝气池呈封闭的沟渠型,所以它在水力流态上不同于传统的活性污泥法,它是一种首尾相连的循环流曝气沟渠,污水渗入其中得到净化,最早的氧化沟渠不是由钢筋混凝土建成的,而是加以护坡处理的土沟渠,是间歇进水间歇曝气的,从这一点上来说,氧化沟最早是以序批方式处理污水的技术。
1954年荷兰建成了世界上第一座氧化沟污水处理厂,其原型为一个环状跑道式的斜坡池壁的间歇运行反应池,白天用作曝气池,晚上用作沉淀池,其生化需氧量(BOD)去除率可达97%,由于其结构简单,处理效果好,从而引起了世界各国广泛的兴趣和关注。
氧化沟(Oxidation Ditch)污水处理的整个过程如进水、曝气、沉淀、污泥稳定和出水等全部集中在氧化沟内完成,最早的氧化沟不需另设初次沉淀池、二次沉淀池和污泥回流设备。
后来处理规模和范围逐渐扩大,它通常采用延时曝气,连续进出水,所产生的微生物污泥在污水曝气净化的同时得到稳定,不需设置初沉池和污泥消化池,处理设施大大简化。
不仅各国环境保护机构非常重视,而且世界卫生组织(WH0)也非常重视。
在美国已建成的污水处理厂有几百座,欧洲已有上千座。
在我国,氧化沟技术的研究和工程实践始于上一世纪70年代,氧化沟工艺以其经济简便的突出优势已成为中小型城市污水厂的首选工艺。
氧化沟技术的演变和发展氧化沟工艺自诞生以来,其发展过程可分为四个阶段:1.第一代氧化沟——Pasveer氧化沟Pasveer氧化沟当时用来处理村镇的污水,服务人口只有340人。
这是一种间歇流的处理厂,它把常规处理系统的四个主要内容合并在一个沟中完成,白天进水曝气,夜间用作沉淀池,BOD5的去除率达到97%左右。
采用卧式表面曝气机曝气及推流,每隔一段时间,Pasveer氧化沟的曝气机就需停下来,使沟内的污泥沉淀,排出处理后的出水。
毕业设计题目:某县 5.0万吨/天生活污水厂设计(改良氧化沟工艺)院系名称:化学学院专业班级:目录1.绪论............................................... 错误!未定义书签。
1.1氧化沟的基本概念、原理和技术发展 (1)1.1.1氧化沟的基本概念和原理 (1)1.1.2氧化沟技术的演变及发展 (2)1.2氧化沟脱氮除磷的矛盾关系及某些解决方法 (3)1.2.1污泥泥龄 (3)1.2.2碳源 (3)1.2.3硝酸盐 (4)1.2.4系统的硝化和反硝化容量问题 (4)1.3氧化沟的曝气和混合推动设备 (4)1.3.1曝气设备 (4)1.3.2水下推进设备 (5)1.3.3氧化沟曝气设备选型及设计关键............ 错误!未定义书签。
1.4四沟式氧化沟工艺原理及特点 (6)1.4.1工艺原理 (6)1.4.2四沟式氧化沟工艺特点 (6)2.设计说明书 (7)2.1污水处理厂设计规模 (7)2.2进水水质及出水所需达到的目标 (7)2.3流程说明 (7)2.3.1格栅 (8)2.3.2进水泵房 (9)2.3.3旋流沉砂池 (9)2.3.4厌氧混合池与氧化沟 (11)2.3.5二级提升泵房及废水调节池 (13)2.3.6气水反冲洗滤池与清水池 (13)2.3.7消毒池 (15)2.3.8加药间 (15)2.3.9污泥储泥池 (15)2.3.10污泥浓缩脱水机房 (15)3.设计计算书 (16)3.1粗格栅的设计 (16)3.2进水泵房的设计 (18)3.3细格栅的设计 (18)3.4旋流沉砂池的设计 (20)3.5厌氧混合池与氧化沟的设计 (22)3.6二级提升泵房及废水调节池的设计 (29)3.7气水反冲洗滤池与清水池 (30)3.8消毒池 (34)3.9加药间 (34)3.10污泥储泥池 (35)3.11污泥浓缩脱水机房 (35)结论 (38)致谢 (39)参考文献 (40)1.绪论上百年来西方发达国家在逐渐形成工业化和城市化过程中,分阶段出现的重大的环境问题,在我国近几十年来集中出现,呈现压缩型、复合型、结构型的特点。
氧化沟工艺1 氧化沟工艺概述1.1 氧化沟工艺基本原理和主要设计参数氧化沟又名氧化渠,因其构筑物呈封闭的环形沟渠而得名。
它是活性污泥法的一种变型。
因为污水和活性污泥在曝气渠道中不断循环流动,因此有人称其为“循环曝气池”、“无终端曝气池”。
氧化沟的水力停留时间长,有机负荷低,其本质上属于延时曝气系统。
以下为一般氧化沟法的主要设计参数:水力停留时间:10-40小时;污泥龄:一般大于20天;有机负荷:0.05-0.15kgBOD5/(kgMLSS.d);容积负荷:0.2-0.4kgBOD5/(m3.d);活性污泥浓度:2000-6000mg/l;沟内平均流速:0.3-0.5m/s1.2 氧化沟的技术特点:氧化沟利用连续环式反应池(Cintinuous Loop Reator,简称CLR)作生物反应池,混合液在该反应池中一条闭合曝气渠道进行连续循环,氧化沟通常在延时曝气条件下使用。
氧化沟使用一种带方向控制的曝气和搅动装置,向反应池中的物质传递水平速度,从而使被搅动的液体在闭合式渠道中循环。
氧化沟一般由沟体、曝气设备、进出水装置、导流和混合设备组成,沟体的平面形状一般呈环形,也可以是长方形、L形、圆形或其他形状,沟端面形状多为矩形和梯形。
氧化沟法由于具有较长的水力停留时间,较低的有机负荷和较长的污泥龄。
因此相比传统活性污泥法,可以省略调节池,初沉池,污泥消化池,有的还可以省略二沉池。
氧化沟能保证较好的处理效果,这主要是因为巧妙结合了CLR形式和曝气装置特定的定位布置,是式氧化沟具有独特水力学特征和工作特性:1) 氧化沟结合推流和完全混合的特点,有力于克服短流和提高缓冲能力,通常在氧化沟曝气区上游安排入流,在入流点的再上游点安排出流。
入流通过曝气区在循环中很好的被混合和分散,混合液再次围绕CLR继续循环。
这样,氧化沟在短期内(如一个循环)呈推流状态,而在长期内(如多次循环)又呈混合状态。
这两者的结合,即使入流至少经历一个循环而基本杜绝短流,又可以提供很大的稀释倍数而提高了缓冲能力。
活性污泥减量化研究——氧化沟模型设计说明书一. 设计题目银川市污水处理厂氧化沟工艺设计二、依据及执行规范《污水综合排放标准》 (GB8978-2002) 《城市污水处理厂污泥排放标准》 (CJ3025-93) 《室外排水设计规范》(2006年版) (GBJ50014-2006) 《室外给水设计规范》(2006年版) (GBJ50013-2006) 《城市污水处理工程项目建设标准》 (2001年修订版)三、设计内容和任务1. 氧化沟系统设计;2. 污泥系统设计计算;3. 平面布置图一张4. 编写设计说明书及计算书。
四.设计水质及处理后排放水质1.设计水量日处理量 Q=80000m3/d时处理量: 3333.3d /m 333380000800000.9259243600Q m m s m ===⨯因为总变化系数:0.110.112.7 2.7 1.27925.9z K Q ===所以设计最大流量:3max 1.270.9259 1.1/z Q K Q m s =⨯=⨯= 2.进水水质 BOD5=200mg/l COD=500mg/lSS=200mg/l NH3-N=40mg/l3.设计出水水质 符合城市污水排放一级标准: BOD5≤20mg/L COD ≤60 mg/LSS ≤20mg/L 氨氮≤15mg/L4.处理程度计算○1溶解性BOD 去除率:活性污泥处理系统处理水中的BOD5值是由残存的溶解性BOD5(Se)和非溶解性BOD5二者组成,而后者主要以生物污泥的残屑为主体。
活性污泥的净化功能,是去除溶解性BOD5。
因此从活性污泥的净化功能考虑,应将非溶解性BOD5从水的总BOD5值中减去。
处理水中非溶解性值可用下列公式求得,此公式仅适用于氧化沟(本任务已定为氧化沟)。
BOD·f=0.7×Ce×1.42(1-23.0e-×5)=0.7×20×1.42(1-5.0-23e×5)=13.6mg/L所以:处理水中溶解性BOD5为20-13.6=6.4mg/L所以:溶解性BOD5的去除率为:η=(200-6.4)/200×100%=96.80%○2CODCr的去除率:η=(500-20)/500×100%=%○3SS的去除率:η=(200-20)/×100%=%○4氨氮的去除率:η=(40-15)/40×100%=%○5选取设计参数污泥产泥年系数Y=0.45混合液悬浮固体浓度(MLSS)X=4000mg/L,假定可生物降解的mlvss比f=0.6设混合液中70%为挥发性的,混合挥发性悬浮固体浓度(MLVSS)X=2800mg/L污泥龄θc=20d,内源代谢系数K d=0.075d-1200C时脱硝率q dn=0.035kg(还原NO3-N)/(kgMLVSS.d)嚗气器采用转刷曝气;反应器中溶解氧浓度=2.0mg/l;α=0.90,β=0.98;保持ph=7.2;脱N温度修正系数θ=1.085.去除BOD5的设计计算:氧化沟出水溶解性BOD 5=0.7×C e ×1.42(1-e -0.23×5)=0.7×20×1.42(1-e -0.23×5)=13.6mg/L则处理水中溶解性BOD 5为20-13.6=6.4mg/L拟定采用的BOD —污泥负荷率小于0.2 kgBOD 5/(kgMLSS.d),污泥泥龄大于20d但为稳妥计需加以校核N s =/5fBOD K Z η式中 K z ---系数 其值在0.0168-0.0281之间,取0.018BOD 5 --- 经活性污泥处理系统处理后,处理水中残留的有机污染物BOD 量MLSSMLVSS f = 对生活污水 f 值为0.7左右 代入数值 N s =9872.07.06.13018.0⨯⨯=0.17kgBOD 5/(kgMLSS.d) 好氧区容积:==18514.29好氧区的水力停留时间T1=V1/Q=18514.29*24/8000=55.54h剩余污泥量==2787.84kg/d脱氧的设计计算200.0353/C kgNH N kgMLVSS ︒=-n 时的脱硝率d q脱氮所需要的容积3280000 2.52040.80.0352800d V QN V m q X ⨯===⨯ 脱氮的水力停留时间222040.8240.6180000V t h Q ==⨯= 6.需氧量计算实际需氧量AOR=去除BOD5需氧量-剩余污泥中BOD5的需氧量+去除NH3-N 需氧量-剩余污泥中NH3-N 的需氧量-脱氮过程中的产氧量去除5BOD 需氧量)15.0,45.01==b a D ( )+bVX1= [0.45*80000(200-6.4)+0.1*18514.29*2800]*0.001=5190.97kg/d所需污泥中5BOD 所需氧量D 2=1.42*=1.42*2787.84=3958.73kg/d去除NH3-N 的需氧量3 4.6(3015)80000/10005520/D kg d =-⨯=剩余污泥中NH3-N 需要氧量4 4.60.16180.72843/D kg d =⨯⨯=脱氮过程中的产氧量5 2.86 2.580000/1000572/D kg d =⨯⨯=12345OR D D D D D =-+--总需氧量A=5190.97-3958.73+5520-2843-572=3337.24kg/d7.氧化沟尺寸设计计算设氧化沟2座,工艺反应的有效系数f a =0.58,单座氧化沟有效容积V 单=V/2=18514.29/2=9257.1两组沟道采用相同容积,则每组沟道容积V 单沟= V 单/2=9257.1/2=4628.6取有效水深为 4m 超高为1m ,水深与宽之比为1:2 则氧化沟的表面积A= /h 有效=9257.1/4=2314.3m2设每条沟宽8m,则每沟断面尺寸为8m*4m,沟总长:9257.1/4*8=289.28m弯道处长度:m 36.7524238283==⨯⨯+⨯⨯πππ,取76m ,单个直道长289.28-76/4=53.32m。
氧化沟的工艺系统的设计1、设计的参数和选择:对于城市污水,氧化沟系统通常的预处理采用粗细格栅和沉砂池,一般不设初沉池。
混合液在沟内的循环速度为0.25~0.35 m/s ,以确保混合液呈悬浮状态。
氧化沟污泥回流比采用60%~200%,设计污泥浓度为1500 ~5000mg MLSS/L ,氧化沟中的氧转移效率为1.5~2.1 kg/(kW ·h)。
设计参数与进出水水质密切相关,与是否脱氮脱磷密切相关。
氧化沟工艺的重要设计参数及相应取值如下:泥龄:氧化沟的设计泥龄范围为4~48d ,通常的泥龄取值为10~30 d 。
泥龄与温度、脱氮、脱磷要求和要求稳定污泥的程度相关。
有机负荷:氧化沟常用的设计有机负荷取值0.16~0.35 BOD 5kg/(m 3·d)。
污泥负荷:0.03~0.10 BOD 5kg/(kg MLSS ·d)水力停留时间:对于城市污水,采用的数值为6~30 h 。
2、氧化沟的工艺系统的设计:1) 氧化沟工艺设计一般的原则:除考虑有机物的去除和污泥的稳定的要求外,目前氧化沟的设计中,通常考虑脱氮,有时还要考虑脱磷的要求。
脱氮时按如下步骤进行:①确定进水水质和出水水质。
②调查进水的pH 值和营养物含量是否适合生物处理的要求;要求脱氮时,应考虑碳源的来源和质量。
③估算用于合成的总氮量和需要去除的总氮量;④计算硝化菌的生长速率μn 和在设计环境条件下硝化所需最小污泥平均停留时间θcm ;20.098(15)0.051 1.1580.47[][][10.833(7.2)]10T n T O NDO e PH N K DO μ--=--++ 式中μn ——硝化菌的生长率(d -1);N ——出水的NH 4+-N 的浓度(mg/L) ;T ——温度(℃);DO ——氧化沟中的溶解氧浓度(mg/L) ;K O2——氧的半速常数O 2(mg/L ),0.45~2.0 mg/L 。
氧化沟操作规程一、科学的运行和管理的基本要求是:1、达到规定处理水量的前提下,满足相关的排放标准;2、使所有的处理构筑物和设备处于最佳运行工况,能够高效低耗投入运行;3、在运行过程中需做到保护管理人员的健康,做到文明生产。
要达到这些基本要求,操作管理人员必须充分掌握本厂氧化沟的工艺特点,根据设计要求在管理实践中积累经验,进行科学的管理操作,认真记录分析氧化沟系统的各项技术经济指标,在水质条件和环境条件发生变化时,充分利用氧化沟工艺的弹性进行适当的调整,及时发现并解决异常问题,使处理系统环节尽可能高效低耗地完成净化处理作用,以期达到理想的环境效益、经济效益和社会效益。
二、氧化沟的运行管理1、氧化沟曝气池的供氧控制对氧化沟内混合液进行合理的曝气充氧是控制氧化沟反应条件的重要手段,充氧不足将影响氧化沟的污染物去除率,充氧过多将造成微生物的自身氧化,并且浪费电能,增加运行成本。
正确的做法应首先根据进水水质估计氧化沟的需氧量。
一般来讲,去除1KgBOD5需要1KgO2。
这种估计80%~90%可用。
但值得注意的是,这里的需氧量是指碳素BOD稳定所需的氧量,而不包括氮素需氧量。
如果需要进行硝化,则需加上硝化所需的氧量。
因为氧化沟曝气池进水水质的变化,氧的需要量也会随之发生变化,故在估计充氧量时应根据最大需氧量来进行估算,否则会导致部分时间内供氧不足。
进行需氧量估计之后,根据表曝机性能来确定曝气设备运行的数量和时间。
通过调节表曝机的运行转速来调节供氧量的。
活性污泥曝气池内混合液的溶解氧(DO)浓度应控制在2mg/L左右,这样才能保证活性污泥微生物良好的代谢活动。
然而,由于氧化沟属于延时曝气工艺,且沟内溶解氧的分布呈现典型的推流态特征,因此,可根据出水水质的需要,在氧化沟内进行溶解氧的分区。
DO 浓度分布可维持外沟0~0.5mg/L,中沟1mg/L,内沟2mg/L,就能保证有机物去除率与脱氮的要求,其溶解氧平均浓度仅为1.5mg/L。
五沟式氧化沟的设计及运行南通市污水处理厂工程的一期处理规模为2.5×104m3/d,以处理工业废水为主(化纤、印染、制药、皮革、酿造等废水,所占比例在80%以上)。
设计进水BOD5为350mg/L,SS为250mg/L,出水需达到《污水综合排放标准》(GB8978—96)中的二级标准,处理工艺为创新的五沟式氧化沟,厂区总占地面积为6.75hm2。
该工程自1994年6月建成投产以来一直满负荷运行,处理效果良好。
1 五沟式氧化沟的设计及特点1.1 五沟式氧化沟在该厂的设计过程中,曾考虑采用三沟式氧化沟工艺。
针对该厂设计进水BOD5达350mg/L的情况,通过计算发现三沟式氧化沟的容积偏大,特别是当边沟作沉淀池时其水力停留时间达10h以上,造成了容积的浪费(容积利用率仅为55%),同时其设备利用率也较低,故较高浓度的污水采用三沟式氧化沟工艺进行处理是不经济的。
由三沟式氧化沟的工作原理可知,其中间沟一直作为生化反应池,如增加中间沟的容积即可增加容积及设备的利用率,从而降低工程造价。
为此,提出了五沟式氧化沟的概念,即以等容积的五条环形沟并联组成五沟式氧化沟,各沟之间以孔洞连通,两边沟交替作为沉淀池、生化池,中间三条沟作为生化池,配水井可交替向五条沟中的任一条沟配水,并通过控制转刷的开、停以及高、低速运行来达到各沟中好氧、缺(厌)氧、沉淀等不同的运行状态。
1.2 五沟式氧化沟的设计南通市污水厂(一期工程)采用1座五沟式氧化沟,主要设计参数:污泥负荷为0.08kgBOD5/(kgMLSS·d),混合液浓度为4g/L。
氧化沟总容积为40866m3,每沟容积为8173m3,平面尺寸为102.75m×120.5m,有效水深为3.5m,沟宽为10m。
配备25台直径为1m、有效长度为9m的双速曝气转刷。
1.3 运行模式及特点五沟式氧化沟的运行模式类似于三沟式氧化沟,其两边沟交替作为沉淀池和曝气池,中间三沟(交替进水)作为缺氧池、好氧池。
沟内配备带双速电机的曝气转刷,其在高速运行时曝气充氧,在低速运行时维持沟内的混合液流动,为反硝化创造一个缺氧环境。
该工程采用的工作周期为8h,运行方式分为6阶段A(1.5h):污水进入1号沟,由5号沟出水。
1号沟转刷低速运行,因处于缺氧状态而进行反硝化;2、3、4号沟转刷高速运行,阶段B(1.5 h):污水进3号沟,仍由5号沟出水。
3号沟转刷低速运行,处于缺氧状态而进行反硝化;1、2、4号沟转刷高速运行。
阶段C(1h):污水进入2号沟,由5号沟出水。
2号沟转刷低速运行,3、4号沟转刷高速运行;1号沟转刷停开,处于出水过渡状态。
阶段D(1.5 h):污水进入5号沟,由1号沟出水。
5号沟转刷低速运行,处于缺氧状态;2、3 、4阶段E(1.5 h):污水进入3号沟,仍由1号沟出水。
3号沟转刷低速运行,2、4、5阶段F(1 h):污水进4号沟,仍由1号沟出水。
4号沟转刷低速运行,2号、3号沟转刷高速运行;5号沟转刷停止运行,处于出水上述各阶段的时间设定及运行周期可根据实际情况进行适当调整。
氧化沟的进、出水和转刷的开停及其转速的高低都通过PLC控制。
为节省电耗按运行的实际需要充氧,在每条沟中都设有DO探头,当某一沟中DO测定值大于其设定值时则该沟中的转刷逐台由高速变为由运行方式可见,五沟式氧化沟每条沟每天用于生物处理的时间:1、5号沟为9h,2、3、4号沟为24h。
由此可得出五沟式氧化沟的容积利用率为0.75,比三沟式氧化沟的容积利用率(0.55)提高了20%,同样设备利用率也提高了20%。
另外,采用五沟式氧化沟与采用三沟式氧化沟相比,其池体体积、曝气转刷数可减少27%,工程投资可减少20%~30%,经济效益显著。
另外,五沟式氧化沟能够实现全时反硝化,即五沟中总有一沟处于缺氧反硝化运行状态。
全时反硝化可达到更高的脱氮效率,减少耗氧量,并节省能耗。
而三沟式氧化沟每天只有13.5h2 运行效果该工程自1994年6月投产以来一直满负荷运行。
在运行的前几年主要处理工业废水,其进水BOD5、SS、COD高且变化幅度大,年平均进水水质指标值超过设计值。
后几年,随着城市污水管网的不断完善则城市生活污水的接入量逐年增加,污水厂进厂水质指标值逐年下降(见表1),进水水质指标值超过设计值的天数逐年减少,进而年平均进水水质指标值逐渐下降到设计值。
由表1可知,虽然进水水质指标值高于设计值,且水质变化幅度大(最高日进水BOD5是设计值的4倍),但出水BOD5、SS、COD仍能满3 存在问题及分析①进水污染物浓度高、变化幅度大,特别是进水呈酸性(常年进水的pH值为6.5左右,最低pH值为3~4),严重影响生物处理系统的运行并降低了设备的使用寿命,如进厂管道就曾因腐蚀而塌陷。
污染物浓度高、变化幅度大反映了排放废水工厂的内部预处理没有达到②有时出水中氨氮浓度仍偏高,氨氮去除率低,不能满足现行的《污水综合排放标准》(GB8978—1996)中的二级标准要求。
其原因主要有二,一是进水NH3-N浓度高(为100mg/L左右) 而pH值和碱度低(为200mg/L左右)。
进水NH3-N与碱度的比值过低导致了NH3-N的硝化难以完成,从而不能完全发挥该工艺全时反硝化的特点;二是该工程全部采用了国产设备,其故障率高,因而影响了工艺的正常运行。
针对上述问题,采取的对策是严格控制工业废水的排放和提高设备的质量。
首先应重点控制排水呈酸性的和排放含高浓度NH3-N废水的企业,对前者严格要求其进行厂内预处理至中性后方能排入城市排水管网,对后者要求其进行厂内脱氮(可采用吹脱等经济的方法);其次,③一期工程的进水磷含量较低(1~3mg/L),其大部分被微生物同化利用,出水磷含量可稳定在0.5mg/L以下。
但随着城市生活污水接入量的增加则进水BOD5/P的比例有减小的趋势,故仅依靠微生物的同化作用不能满足出水磷的排放要求。
五沟式氧化沟同三沟式氧化沟一样,没有一个绝对的厌氧段,因而生物除磷的能力有限。
此外,在一期工程的运行过程中也发现,增加曝气量会导致出现大量泡沫,其带动污泥上浮而造成污泥流失。
再者,五沟式氧化沟中的污泥浓度也分布不均,其边沟污泥浓度为中间沟的1倍左右。
上述问题需通过对五沟式氧化沟进行改进来加以解决。
4 结语五沟式氧化沟耐冲击负荷,出水水质稳定。
其容积利用率高达75%,因而可节省大量投资。
五沟式氧化沟能实现全时反硝化脱氮,故可获得更高的脱氮效率。
但同时它也存在需进一步提高除磷效率、各沟中污泥浓度分布不均等问题,有待进一步完善。
武汉径河化工厂高浓度废水的预处理试验研究武汉径河化工厂是一个以生产合成橡胶等精细化工原料为主的国有小型化工企业,该厂产生的废水主要源于:①生产塑解剂SJ-103车间的洗涤水和生产车间地坪冲洗水;②生产增塑剂A车间洗涤水和生产车间地坪冲洗水,总水量为18m3/d。
这些废水中BOD5、COD、油脂类等多种污染物超标,给受纳水体造成了严重污染,故对其治理很有必要。
受径河厂污水处理工程设计单位武汉钢铁设计院的委托,我们对该污水处理系统进行了中试,以验证处理工艺的可行性和可靠性。
中试过程中,探索了预处理采用何种药剂及剂量问题,获得了相关的定性定量分析数据。
本文仅就中试过程中预处理部分予以介绍.至于生化处理部分将另文介绍。
1 废水性质与处理工艺经现场勘察及水样检测,径河厂废水水质见表1表1 径河化工厂生产废水水质分析该厂废水属混合性污水,表现出:①废水性质复杂(经检测水中含六氯苯、NaHs、DMF等化工物质);②COD含量远高于一般废水;③显酸性,须中和后方能进行生化处理;④BOD5值偏高;⑤色度、SS不高。
据此性质,要求采用生化处理法为主的组合处理工艺,以达到处理要求。
武钢院提出了“物化+生化+物化”的组合处理工艺。
其流程图如下:图1 组合工艺流程图该处理系统采用厌氧—好氧生物膜技术,结合物化的组合工艺,使整个系统的处理效率、稳定性、适应性及抗冲击负荷能力高于一般生化处理工艺[1]。
对调节后的原水进行生化处理是本工艺的关键。
为能得到相关工艺参数,按武汉钢铁设计院设计的处理工艺,我们制作了试验装置。
其流程见图2图2 试验装置流程图试验装置按武钢院设计的处理工艺做了比例缩小,试验参数参照设计参数进行,实验废水为武汉径河厂废水或按比例加自来水稀释作为进水,试验进水水质调节为:表2 试验水质表2 石灰预处理在试验开始阶段,考虑采用A/O工艺处理化工废水,未投加混凝剂.试验过程中,由于进水pH值较低,水质复杂,水样COD Cr值偏高,考虑投加混凝剂。
投加混凝剂可以使废水中带负电的胶体杂质起压缩扩散层及电中和作用,在胶体杂质微粒之间起粘结架桥作用,以及使其自身形成氢氧化物絮状体,在沉淀中对水中胶体杂质起吸附卷带作用。
其中,以粘结架桥作用为主。
从而使原水COD值下降,色度、SS值降低,减少后续处理难度。
对于此次工业废水还需针对生化处理工艺所需pH值加以调节。
对各种混凝药剂进行相关技术、经济分析比较,并考虑用户需求后,决定采用石灰为预处理药剂。
选取原因为:①石灰货源充足,价格低廉;②有成熟使用经验,易配制;③石灰呈碱性,可调节原水pH值;④石灰有良好凝聚吸附性能,可有效去除原水COD值;⑤生成絮凝体密实、沉淀快,易与水分离[3][4]。
为精确计量处理效果,采用分析纯Ca(OH)2。
2.1 试验装置及材料装置:A/O固定床生物膜处理系统(反应器采用有机玻璃,圆形厌氧反应器规格Φ200×1500mm;圆形好氧反应器规格Φ150×1700mm,内装YDT立体弹性生物填料)、1000ml量筒,搅拌装置、哈希COD仪、DR/2010分光光度计,YSI55DO仪、奥利龙818pH测试仪等。
材料:分析纯Ca(OH)2。
2.2 试验过程在原水或按1:2比例与自来水稀释后的水中,投加不同数量的Ca(OH)2,快速搅拌混合1~1.5min,使废水中的胶体颗粒脱稳聚集;降低转速,慢速搅拌反应3~5min,然后静沉30min。
在反应阶段,由聚集作用所形成的絮体在接触絮凝作用下,与废水中原有微粒结成了白色絮状物质,并开始下沉。
取水样检测pH与COD Cr。
2.2.1 原水直接投加Ca(OH)2试验如前述,两车间进水混合后pH=6,COD Cr=8500~9500,若能直接投加Ca(OH)2混合,不仅可减少后续处理负担,还能减少调节用水量。
表3 原水直接投加Ca(OH)2试验注:水温18.2℃~16℃随着投加量的增大,沉淀物增多,原水色度降低、变清、去除COD率可达30%左右,但经多次试验仍难保证既将废水COD值降至符合生化处理要求,又能使废水PH值也适应生化处理工艺(pH>8,对A/O法不利)。