arm系列性能比较
- 格式:doc
- 大小:64.00 KB
- 文档页数:2
ARM Cortex A8并不能说是电脑意义上的核心数, 而是指里面充当主角的ARMCortex-A8、IVA2+、POWERVR SGX Graphics Core、Image Signal Processor(ISP)四个处理核心, 各自都发挥着很大作用, 比如说IVA2+图像、视频、音频加速器、SGX 图形内核、集成的图像信号处理器Image Signal Processor(ISP)的分工协作,在65纳米工艺下,其功耗低于300毫瓦,而性能却高达2000MIPS。
ARM Cortex-A8处理器是一款适用于复杂操作系统及用户应用的应用处理器在不到ARM11一半功耗的情况下可提供比基于ARM11处理器最多达到三倍的性能增益。
ARM Cortex A8是针对高端市场, 而ARM11针对的是中低端市场完全没有可比性。
MSM7200? 是一个芯片组啊采用双核构架,有一个400MHz的Arm11核心负责程序部分,一个频率为274MHz的Arm9核心负责通讯,拥有高速的网络接口,可以支持GPRS、EDGE、WCDMA、HSDPA、HSUPA 等数据连接,另外MSM7200还可以提供Java硬件加速、拥有独立的音频处理模块、内建Q3Dimension 3D渲染引擎,支持OpenGL ES 3D图形加速,拥有每秒4百万多边形计算、133万像素填充能力。
从硬件上支持H.263以及H.264的视频解码。
在摄像头方面最大可以支持并且还内建GPS模块。
可以说MSM是一块高度集成的处理器。
OMAP3430第一款采用TI 的OMAP™ 3 架构的器件, 就是基于传说中的ARM Cortex A8构架,比ARM11 的处理器多至三倍的性能增益,采用65nm CMOS 工艺设计的应用处理器,OMAP3430 在降低内核电压并增加了降低功耗的特性的同时比以前的OMAP 处理器系列具有更高的工作频率。
总得来说OMAP3430跟MSM7200是比不了的, 强悍ARM Cortex A8构架 ,完秒MSM7200 。
浅谈ARM Cortex系列处理器之区别市面上ARM Cortex系列包括3个系列,包括ARM Cortex-A, ARM Cortex-R, ARM Cortex-M,Z这三种系列,并且每个系列又分多种子版本,每个子版本都有各自的特点。
很好的为设计人员提供非常广泛的具有可扩展性的性能选项,从而有机会在多种选项中选择最适合自身应用的内核,而非千篇一律的采用同一方案。
其中,1,Cortex-A—面向性能密集型系统的应用处理器内核2, Cortex-R—面向实时应用的高性能内核3, Cortex-M—面向各类嵌入式应用的微控制器内核Cortex-A处理器为利用操作系统(例如Linux或者Android ,IOS)的设备提供了一系列解决方案,这些设备被用于各类应用,从低成本手持设备到智能手机、平板电脑、机顶盒以及企业网络设备等。
早期的Cortex-A系列处理器(A5、A7、A8、A9、A12、A15和A17)基于ARMv7-A架构。
每种内核都共享相同的功能集,例如NEON媒体处理引擎、Trustzone安全扩展、单精度和双精度浮点支持、以及对多种指令集(ARM、Thumb-2、Thumb、Jazelle 和DSP)的支持。
与此同时,这些处理器也具有极高的设计灵活性,能够提供所需的最佳性能和预期的功效。
介绍过Cortex-A,下面介绍Cortex-R系列——衍生产品中体积最小的ARM处理器,这一点也最不为人所知。
Cortex-R处理器针对高性能实时应用,例如硬盘控制器(或固态驱动控制器)、企业中的网络设备和打印机、消费电子设备(例如蓝光播放器和媒体播放器)、以及汽车应用(例如安全气囊、制动系统和发动机管理)。
Cortex-R系列在某些方面与高端微控制器(MCU)类似,但是,针对的是比通常使用标准MCU的系统还要大型的系统。
例如,Cortex-R4就非常适合汽车应用。
Cortex-R4主频可以高达600MHz(具有2.45DMIPS/MHz),配有8级流水线,具有双发送、预取和分支预测功能、以及低延迟中断系统,可以中断多周期操作而快速进入中断服务程序。
ARM Cortex-A系列处理器(A5、A7、A8、A9、A15)区别对比2012-12-07本文介绍了基于ARM v7-A架构的ARM Cortex-A系列处理器(Cortex-A5, Cortex-A7, Cortex-A8, Cortex-A9, Cortex-A15)的基本特性,基本上都可以支持ARM、Thumb-2、Thumb 指令集,支持Java加速扩展的Jazelle技术、 ThustZone的安全扩展以及针对浮点FPU的VFP硬件扩展和并行多数据的SIMD的NEON多媒体处理器扩展、支持主流的嵌入式 OS (Symbian、Linux、Android、Windows Mobile、Windows Phone)、支持分支预测branch prediction。
但各处理器在VFP/NEON的类型、半精度浮点(16-bit half precision floating-point)的支持、多核MPCore、流水线pipeline、单MHz处理性能、L1/L2 cache 控制器、乱序执行、指令dual-issue并发等方面有略有不同。
ARM Cortex系列处理器核包括Cortex-A系列(高性能,具备MMU,可以运行如Symbian、Linux、Android,Windows CE等操作系统)、Cortex-R系列(高端嵌入式满足高性能高可靠性的实时需求)、Cortex-M(嵌入式单片机,低功耗,低成本)。
表1.ARM Cortex 处理器和架构版本(应用处理器、实时处理器和微控制器)Cortex-A处理器共性•ARMv7-A 体系结构•对所有操作系统的支持o Linux 完整分配 - Android、Chrome、Ubuntu和Debiano Linux 第三方 - MontaVista、QNX、Wind Rivero Symbiano Windows CEo需要使用内存管理单元的其他操作系统支持•指令集支持 - ARM、Thumb-2(提供最佳代码密度和性能混用)、Thumb、Jazelle、DSP•TrustZone安全扩展•VFP 高级单精度和双精度浮点支持•NEON媒体处理引擎•支持分支预测branch predictionCortex-A5 ARM核处理器图1. ARM Cortex-A5处理器框架图Cortex-A5处理器支持ARMv7-A架构的特性,包括TrustZone安全扩展NEON多媒体处理引擎,芯片面积和功耗特性很好,但处理性能性对于其他Cortex-A略差,如只相当于Cortex-A8的80%性能,Cortex-A15的一半性能。
【程序】ARM7 与 Cortex-M3的性能比较文章来源:EDN 博客 作者:jgw文章导读:本程序为ARM7 与 Cortex-M3的性能比较功能特性 ARM7TDMI-SCortex-M3架构ARMv4T(冯·诺依曼)ARMv7(哈佛)指令集支持Thumb/ARMThumb/ Thumb-2流水线3级3级 + 分支预测中断FIQ/IRQNMI +最多240个物理中断中断延迟24—42个时钟周期12个时钟周期休眠模式无内置存储器保护无8段存储器保护单元指令执行速度0.95DMIPS/MHz (ARM模式)1.25DMIPS/MHz功耗0.28mW/MHz0.19mW/MHz面积0.62m2(仅内核)0.86m2(内核 + 外设)* 存储器映射方式4G空间有厂家自由划分4G空间划分由内核确定处理器模式7种处理器模式2种处理器模式*不包含可选系统外设(MPU和ETM)或者集成的部件最近有点小空,想学习一下眼下最流行的ARM,初步了解主流的ARM体系有2个:ARM7和Cortex-M3,下午在网上搜索了一下,结果令我大吃一惊。
本来我以为只要在市场上能共存的两种东西,肯定是各有千秋,否则其中较弱的的一个就会被彻底淘汰。
事实上我看到的却是完全一边倒的局面:Cortex-M3完胜ARM7!以下是摘录的一些对比:Cortex-M3 ARM7最新的ARM内核成熟使用近10年的ARM内核哈佛体系冯诺曼体系只支持最新的Thumb-2指令集支持ARM和Thumb指令集硬件自动压栈软件手工压栈单周期乘法指令多周期乘法指令2-12周期除法指令无除法指令有位操作无位操作内置系统节拍定时器无系统节拍定时器方便操作系统移植指令执行速度1.25DMIPS/MHz 0.95DMIPS/MHz功耗0.19mW/MHz 0.28mW/MHz从以上对比看,Cortex-M3在性能和功耗等方面基本上是完胜ARM7。
ArmGPUMali-T820T830和Mail-G51性能⽐较以下内容官⽹直翻,没有修改:The Arm Mali-T820 GPU and Arm Mali-T830 GPU provide a staggered approach to performance, providing significant improvements over previous generations. The Mali-T830 GPU has more compute capability per shader core and handles more complex content than the Mali-T820 GPU. The Mali-T820 GPU and Mali-T830 GPU are the first mainstream Mali GPUsto introduce OpenGL ES 3.2 API support, Android Extension pack support and Arm Framebuffer Compression support.ARM马⾥-T820GPU和ARM马⾥-T830GPU提供了⼀种交错的性能⽅法,提供了⽐前⼏代显著的改进。
与马⾥-t820 GPU相⽐,马⾥-T830 GPU具有更⾼的每个着⾊器内核的计算能⼒,并处理更复杂的内容。
马⾥-t820 GPU和马⾥-T830 GPU是⾸批引⼊OpenGL ES 3.2 API⽀持、Android扩展包⽀持和ARM Framebuffer压缩⽀持的主流马⾥GPU。
The Arm Mali-G51 high area efficiency GPU was the first GPU to take the Bifrost graphics architecture to mainstream devices. Focused on efficiency, the Mali-G51 provides best ever energy efficiency, and improves area efficiency and performance density over the previous generation of devices. Mali-G51 is also the smallest Vulkan enabled GPU and brings complex content such as Virtual Spaces and 360 video to the mainstream market.ARM马⾥-G51⾼区域效率GPU是第⼀个将Bifrost图形架构应⽤于主流设备的GPU。
10款平板电脑上的A R M芯片竞争分析10款平板电脑上的ARM芯片竞争分析一、VIA的WonderMedia WM8505处理器,基于ARM9内核,主频为400MHz,内存128M,系统使用的是Android 1.73,实际上是基于Android1.6再开发。
性能不敢恭维,最大的优势是超低价格,代表作是国美的飞触平板电脑。
二、三星S3C6410主控芯片,基于ARM11,主频为667MHz。
256M DDR内存,使用Android1.6系统,可以升级到2.1,但运行性能会大幅下降,1.6才是最佳的搭配系统。
支持720×480,30帧/秒的视频,支持AVI、MP4、3GP、MOV、ASF、WMV、MPEG、MKV、FLV等文件格式。
采用该方案经典的机型就是魅族M8,目前山寨平板也有采用该方案,但是视频播放还没完全优化好。
性能和瑞芯微的RK2808在同一档次,但视频方面不如。
三、瑞芯微电子(Rockchip)的2808。
瑞芯微2808 ARM9 @ 600 MHz + DSP双核 @600MHz。
现在用于Apad iRobot,操作系统彩的是Android 1.5。
7寸屏,800×480分辨率,内存128M。
视频播放最高分辨率720P,支持MKV(H.264HP),AVI、WMA、RMVB、 MPEG_1,2,3。
该机子可以升级到2.1,但由于只支持128M SDR内存,升级以后运行起来注定是悲剧。
瑞芯微Rockchip 2818,即将上市。
是RK2808的升级版,基于ARM11内核,主频还是为600MHz,操作系统使用的是Android 2.1,内存支持128M-512M DDR,屏幕分辨率最高可支持到1024×600。
性能虽然提升有限,但最大的优势是芯片价格和RK2808相当,加量不加价。
四、Marvell ARMADA (PXA166,PXA310),马威尔是一家美国的芯片公司,据说公司创使人之一是一位女性华人,06年收购了Intel XScale应用处理器业务,而名声大燥。
【程序】ARM7 与 Cortex-M3的性能比较文章来源:EDN 博客 作者:jgw文章导读:本程序为ARM7 与 Cortex-M3的性能比较功能特性 ARM7TDMI-SCortex-M3架构ARMv4T(冯·诺依曼)ARMv7(哈佛)指令集支持Thumb/ARMThumb/ Thumb-2流水线3级3级 + 分支预测中断FIQ/IRQNMI +最多240个物理中断中断延迟24—42个时钟周期12个时钟周期休眠模式无内置存储器保护无8段存储器保护单元指令执行速度0.95DMIPS/MHz (ARM模式)1.25DMIPS/MHz功耗0.28mW/MHz0.19mW/MHz面积0.62m2(仅内核)0.86m2(内核 + 外设)* 存储器映射方式4G空间有厂家自由划分4G空间划分由内核确定处理器模式7种处理器模式2种处理器模式*不包含可选系统外设(MPU和ETM)或者集成的部件最近有点小空,想学习一下眼下最流行的ARM,初步了解主流的ARM体系有2个:ARM7和Cortex-M3,下午在网上搜索了一下,结果令我大吃一惊。
本来我以为只要在市场上能共存的两种东西,肯定是各有千秋,否则其中较弱的的一个就会被彻底淘汰。
事实上我看到的却是完全一边倒的局面:Cortex-M3完胜ARM7!以下是摘录的一些对比:Cortex-M3 ARM7最新的ARM内核成熟使用近10年的ARM内核哈佛体系冯诺曼体系只支持最新的Thumb-2指令集支持ARM和Thumb指令集硬件自动压栈软件手工压栈单周期乘法指令多周期乘法指令2-12周期除法指令无除法指令有位操作无位操作内置系统节拍定时器无系统节拍定时器方便操作系统移植指令执行速度1.25DMIPS/MHz 0.95DMIPS/MHz功耗0.19mW/MHz 0.28mW/MHz从以上对比看,Cortex-M3在性能和功耗等方面基本上是完胜ARM7。
一文详解ARM7_ARM9和ARM11的区别ARM处理器是英国Acorn有限公司设计的低功耗成本的第一款RISC微处理器。
全称为Advanced RISC Machine。
ARM处理器本身是32位设计,但也配备16位指令集,一般来讲比等价32位代码节省达35%,却能保留32位系统的所有优势。
本文主要详解ARM7_ARM9和ARM11的区别,具体的跟随小编一起来了解一下。
ARM7_ARM9和ARM11的区别1、时钟频率的提高虽然内核架构相同,但ARM7处理器采用3级流水线的冯诺伊曼结构;而ARM9采用5级流水线的哈佛结构,ARM11为8级流水线哈弗结构(从arm9开始都采用了哈弗结构)。
增加的流水线设计提高了时钟频率和并行处理能力。
5级流水线能够将每一个指令处理分配到5个时钟周期内,在每一个时钟周期内同时有5个指令在执行。
在常用的芯片生产工艺下,ARM7一般运行在100MHz左右,而ARM9则至少在200MHz以上.ARM11首先推出350M~500MHz时钟频率的内核,目前上升到1GHz时钟频率。
2、指令周期的改进指令周期的改进对于处理器性能的提高有很大的帮助。
性能提高的幅度依赖于代码执行时指令的重叠,这实际上是程序本身的问题。
对于采用最高级的语言,一般来说,性能的提高在30%左右。
3、MMU(内存管理单元)ARM7一般没有MMU(内存管理单元),(ARM720T有MMU)。
ARM9一般是有MMU的,ARM9940T只有MPU,不是一个完整的MMU。
ARM11当然也有MMU的。
这一条很重要,MMU单元是大型操作系统必需的硬件支持,如LINUX;WINCE等。
这就是说,ARM7一般只能运行小型的实时系统如UCOS-II,eCOS等,而ARM9无此限制,一般的操作系统都可以移植。
其实即使ARM720T能支持LINUX;WINCE等系统,也鲜有人用,因为以ARM7的运行速度跑这种大型操作系统,实在有点吃力。
单⽚机计算性能⼤⽐拼(51,AVR,MIPS,ARM)写这篇⽂章纯属偶然,MCU benchmark有很多⽅法,且不同类型MCU benchmark⽅法完全不同,很难说谁好谁快?不过,对电⼦爱好者来说,还是挺想知道“我所⽤的MCU”计算到底多快?本⽂,就从打酱油、⾮专业、⼤⽆畏精神出发,探讨⼊门级单⽚机计算性能到底如何、如何。
单⽚机能⼲的事⼉很多啊,我通常⽤来:1、控制个灯啊、空调啊、电视啊、⼩车啊神马的。
2、⽤传感器采集个温度啊、湿度啊、电压、电流、⽔流、⼈脸啊神马的。
3、显⽰输出:液晶、OLED、数码管;声⾳;电风扇神马的。
4、超低功耗:家⾥的中央控制系统基于树莓派,不到2W功耗。
5、便携。
貌似⾃⼰做成的东西极少具有便携性。
在没有接触Arduino前都是⽤51倒腾,玩了有⼏年,觉得51是最适合电⼦爱好者⽤的芯⽚,简单、便宜、功能⾜够!但接触Arduino后才明⽩,原来还有这么个东东,⽐51先进得多,实在太好⽤了!记得学51从⼆进制地址学起,不太好懂。
后来⽤C开发经常问:“明明 c=a+b; print(c); 就⾏了,我⼲嘛要去学指令、寄存器、寻址?”⾼级语⾔屏蔽底层很多东西,让编程变得简单。
并不是基础知识没⽤,这好⽐⾼等数学这道门槛(俺数学专业),你必须弄懂基础知识体系才能理解数学世界的美妙!但如果是经济学专业,不懂数学基础知识同样可以玩⼉转经济学!你从中获得的乐趣跟你投⼊成正⽐。
所以,我⽤单⽚机并不是科班那种需要弄懂MCU每个功能、每个模块,我⽤单⽚机就接接外设,完成我的想法⽽已。
也许,只⽤到了单⽚机⼗分之⼀。
说实话,极少使⽤单⽚机计算能⼒(话说这也不是单⽚机的强项呀),但如你要做个智能⼩车、四轴飞⾏器、PID控制,那就需要⼀定的计算能⼒了。
开始,只是简单想看看单⽚机运算有多快,偶然机会跟坛友交换了⼀块chipKIT Uno32(MIPS芯⽚),就想横向⽐较⼀下不同MCU的差别,于是就有了本⽂。
ARM7处理器和ARM9E处理器的流水线差别1ARM处理器解析ARM9、ARM11是哈佛结构,5级流水线结构,所以性能要高一点。
ARM9和ARM11大多带内存管理器,跑操作系统好一点,ARM7适合裸奔。
我们惯称的ARM9系列中又存在ARM9与ARM9E两个系列,其中ARM9 属于ARM v4T架构,典型处理器如ARM9TDMI和ARM922T;而ARM9E属于ARM v5TE架构,典型处理器如ARM926EJ和ARM946E。
因为后者的芯片数量和应用更为广泛,所以我们提到ARM9的时候更多地是特指ARM9E系列处理器(主要就是ARM926EJ和ARM946E这两款处理器)。
下面关于ARM9的介绍也是更多地集中于ARM9E。
2ARM7处理器和ARM9E处理器的流水线差别对嵌入式系统设计者来说,硬件通常是第一考虑的因素。
针对处理器来说,流水线则是硬件差别的最明显标志,不同的流水线设计会产生一系列硬件差异。
让我们来比较一下ARM7和ARM9E的流水线,ARM9E从ARM7的3级流水线增加到了5级,ARM9E的流水线中容纳了更多的逻辑操作,但是每一级的逻辑操作却变得更为简单。
比如原来ARM7的第三级流水,需要先内部读取寄存器、然后进行相关的逻辑和算术运算,接着处理结果回写,完成的动作非常复杂;而在ARM9E的5级流水中,寄存器读取、逻辑运算、结果回写分散在不同的流水当中,使得每一级流水处理的动作非常简洁。
这就使得处理器的主频可以大幅度地提高。
因为每一级流水都对应CPU的一个时钟周期,如果一级流水中的逻辑过于复杂,使得执行时间居高不下,必然导致所需的时钟周期变长,造成CPU的主频不能提升。
所以流水线的拉长,有利于CPU主频的提高。
在常用的芯片生产工艺下,ARM7一般运行在100MHz左右,而ARM9E则至少在200MHz以上。
3ARM9E处理器的存储器子系统。
要使用低成本的32位处理器,开发人员面临两种选择,基于Cortex-M3内核或者ARM7TDMI内核的处理器。
如何做出选择?选择标准又是什么?本文主要介绍了ARM Cortex-M3内核微控制器区别于ARM7的一些特点,帮助您快速选择。
1.ARM实现方法ARM Cortex-M3是一种基于ARM V7架构的最新ARM嵌入式内核,它采用哈佛结构,使用分离的指令和数据总线;ARM7是冯诺伊曼结构冯诺伊曼结构下,数据和指令共用一条总线。
从本质上来说,哈佛结构在物理上更为复杂,但是处理速度明显加快。
根据摩尔定理,复杂性并不是一件非常重要的事,而吞吐量的增加却极具价值。
ARM公司对Cortex-M3的定位是:向专业嵌入式市场提供低成本、低功耗的芯片。
在成本和功耗方面,Cortex-M3具有相当好的性能,ARM公司认为它特别适用于汽车和无线通信领域。
和所有的ARM内核一样,ARM公司将内该设计授权给各个制造商来开发具体的芯片。
迄今为止,已经有多家芯片制造商开始生产基于Cortex-M3内核的微控制器。
ARM7TDMI(包括ARM7TDMIS)系列的ARM内核也是面向同一类市场的。
这类内核已经存在了十多年之久,并推动了ARM成为处理器内核领域的主导者。
众多的制造商(据ARM宣称,多达16家)出售基于ARM7系列的处理器以及其他配套的系统软件、开发和调试工具。
在许多方面,ARM7TDMI都可以称得上是嵌入式领域的实干家。
2.两者差异除了使用哈佛结构,Cortex-M3 还具有其他显著的优点:具有更小的基础内核,价格更低,速度更快。
与内核集成在一起的是一些系统外设,如中断控制器、总线矩阵、调试功能模块,而这些外设通常都是由芯片制造商增加的。
Cortex-M3 还集成了睡眠模式和可选的完整的八区域存储器保护单元。
它采用THUMB-2指令集,最大限度降低了汇编器使用率。
3.指令集ARM7可以使用ARM和Thumb两种指令集,而Cortex-M3只支持最新的Thumb-2指令集。
ARM架构处理低功耗优势(ARM官网)65nm 45 nm 40 nm 32 nm 28 nm 20 nmNVIDIA Tegra 3三星猎户座4412话说性能最强的cpu还是来自三星的猎户座4412,性能非常强大,比tegra3的性能更强。
毕竟猎户座4412和tegra3在工艺制程上还是有差别的,所以纯粹的探究性能的话还是猎户座更为强大了。
但是从待机来说tegra3要更强大一些,无进程的时候tegra 3采用了专门的芯片待机,在待机上更强大一些。
最强四核之战Tegra 3对比Exynos 44124412处理器是其中较新并且被应用在三星i9300、三星Note II,三星Note 10.1这三大旗舰产品中蓝魔四核W30平板T7 现代欧魅四核X31.主流中的主流-高通很多手机都采用了高通的cpu,比较先进的高通s4迟迟不上市,让大家大失所望,像我们熟知的小米、索尼lt26i、htc 大多数机型都采用了高通的cpu。
高通应该算是应用最广的cpu了。
2.强大的三星-猎户座我们熟知的三星i9300、三星i9100、三星i9220这几款大红大紫的机型都采用了三星的猎户座cpu,三星i9100和三星i9220都采用了双核的猎户座4210cpu,三星i9300采用了三星最先进的四核猎户座4412,魅族mx采用的也是猎户座哦!3.英伟达的力量-tegra系列显卡巨人英伟达也不甘寂寞,推出了自己的cpu,双核的tegra2和四核的tegra3也被广泛使用。
阿里云、moto me860都采用了tegra2的cpu,再说大名鼎鼎的htc one x采用的就是tegra 3cpu,四核,性能很强大。
4.美国巨人德州仪器-TI系列:德仪近来好像不是很给力,感觉市场占有率没有高通高了,性能其实也非常好,主要知名机型又moto me525,moto xt910,主要型号是德仪 OMAP4460,这款用在moto xt910的cpu性能很好。
stm32,arm9 和arm11 三者的区别
STM32 外设丰富,没有mmu,可以上ucos 等小型系统。
arm9 外设不够丰富,有mmu,可以上linux。
如果想上安卓,至少arm11 以上才比较合适。
arm7 是arm 公司推出的以V4 指令集设计出来的arm 核,基于arm7 可以生产出很多CPU 芯片,其代表的芯片有s3c44b0 等;
arm9 是arm 公司推出的以V5 指令集设计出来的arm 核,基于arm9 其它公司推出了自己的CPU 芯片,如三星推出了S3C2440。
还有TI 啊,ATMEL 啊,高通啊都基于arm9 推出了自己的CPU 芯片。
STM32 是就是基于Cortex-M3 这个核生产的CPU。
stm32 是cm3 构架的,是arm 取代arm7 的。
主要还是前后台编程,也可以挂μcos 系统。
在学习arm9 之前接触stm32 会有些帮助,但不是特别多。
arm9 主要是挂系统能力强一些,而且和以前的编程习惯完全不一样
ARM9、ARM11 是哈佛结构,所以性能要高一点。
ARM9 和ARM11。
ARM系列芯片选择的原则及性能比较
分类:ARM相关2011-09-09 11:05 615人阅读评论(0) 收藏举报多媒体处理网络存储电子商务工作产品
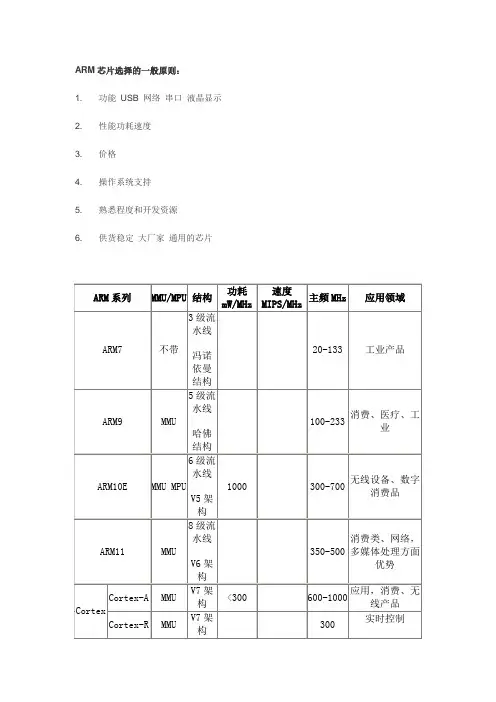
ARM芯片选择的一般原则:
1. 功能USB 网络串口液晶显示
2. 性能功耗速度
3. 价格
4. 操作系统支持
5. 熟悉程度和开发资源
6. 供货稳定大厂家通用的芯片
ARM系列MMU/MPU结构
功耗
mW/MHz
速度
MIPS/MHz
主频MHz应用领域
ARM7 不带3级流水
线
冯诺依曼
结构
0.28 0.9 20-133 工业产品
ARM9 MMU 5级流水
线
哈佛结构
0.7 1.1 100-233 消费、医疗、工业
ARM10E MMU MPU 6级流水
线
V5架构
1000 1.25 300-700 无线设备、数字消费品
ARM11 MMU 8级流水
线
V6架构
0.4 350-500
消费类、网络,多媒体处
理方面优势
Cortex Cortex-A MMU V7架构<300 2.0 600-1000 应用,消费、无线产品Cortex-R MMU V7架构0.27 1.62 300
实时控制
汽车电子、网络和影像系
统
Cortex-M MPU 3级流水0.19 1.25 100 微控制器、汽车车体系
线
V7架构
统、网络装置
SecurCore MPU 5级流水
线
- -- --
安全方面,电子商务,网
络银行
MMU:存储管理单元
MPU:存储保护单元、
比较项目ARM7 Cortex-M3
架构
ARMv4T(冯诺依曼)
指令和数据总线共用,会出现瓶颈
ARMv7-M(哈佛)
指令和数据总线分开,无瓶颈
指令集32位ARM指令+16位Thumb指令
两套指令之间需要进行状态切换
Thumb/Thumb-2指令集16位和32位
指令可直接混写,无需状态切换
流水线 3级流水线若出现转移则需要刷新流水线,
损失惨重
3级流水线+分支预测出现转移时流水线无需
刷新,几乎无损失
性能0.95DMIPS/MHz(ARM模式) 1.25DMIPS/MHz
功耗0.28mW/MHz 0.19mW/MHz
低功耗模
式
无内置睡眠模式
面积0.62mm2(仅内核)0.86mm2(内核+外设)
中断普通中断IRQ和快速中断FIQ太少,大量外
设不得不复用中断
不可屏蔽中断NMI+1-240个物理中断
每个外设都可以独占一个中断,效率高
中断延迟 24-42个时钟周期,缓慢12个时钟周期,最快只需6个
中断压
栈
软件手工压栈,代码长且效率低硬件自动压栈,无需代码且效率高存储器保
护
无8段存储器保护单元(MPU)
内核寄存
器
寄存器分为多组、结构复杂、占核面积多寄存器不分组(SP除外),结构简单工作模式 7种工作模式,比较复杂只有线程模式和处理模式两种,简单乘除法
指令
多周期乘法指令,无除法指令单周期乘法指令,2-12周期除法指令
位操作无访问外设寄存器需分“读-改-写”3步走先进的Bit-band位操作技术,可直接访问外设
寄存器的某个值
系统节拍
定时
无内置系统节拍定时器,有利于操作系统移植。