三类人员证书延期申请表
- 格式:doc
- 大小:246.50 KB
- 文档页数:3
三类人员延期办理指南
“三类人员”在安全生产考核合格证书有效期满前3个月,由本人填写《重庆市建筑施工管理人员安全生产考核合格证延期申请表》(详附表一)报所在施工企业签署意见后,向所在地区县建委提出安全生产考核合格证书延期申请,并附上“三类人员”安全生产考核合格证书、“三类人员”继续教育培训合格证书,各区县(自治县)建委签署意见、盖章后报市建设工程施工安全管理总站。
市属企业直接向市建设工程施工安全管理总站递交申请材料。
逾期未办理延期申请的,“三类人员”考核合格证书自动失效。
重庆市建筑施工管理人员安全生产考核合格证延期申请表
重庆市建筑施工管理人员安全生产
考核合格证延期申请表
企业注册地所在区(县):填表时间:年月日。
三类人员安全生产考核合格证书补办申请表1、安全生产考核合格证书续期怎么办在有效期满前3个月内通过单位向原来的考核机关申请证书延续。
《建筑施工企业主要负责人、项目负责人和专职安全生产管理人员安全生产管理规定》第十条:安全生产考核合格证书有效期届满需要延续的,“安管人员”应当在有效期届满前3个月内,由本人通过受聘企业向原考核机关申请证书延续。
准予证书延续的,证书有效期延续3年。
对证书有效期内未因生产安全事故或者违反本规定受到行政处罚,信用档案中无不良行为记录,且已按规定参加企业和县级以上人民政府住房城乡建设主管部门组织的安全生产教育培训的,考核机关应当在受理延续申请之日起20个工作日内,准予证书延续。
第十一条:“安管人员”变更受聘企业的,应当与原聘用企业解除劳动关系,并通过新聘用企业到考核机关申请办理证书变更手续。
考核机关应当在受理变更申请之日起5个工作日内办理完毕。
第十二条:“安管人员”遗失安全生产考核合格证书的,应当在公共媒体上声明作废,通过其受聘企业向原考核机关申请补办。
考核机关应当在受理申请之日起5个工作日内办理完毕。
第十三条:“安管人员”不得涂改、倒卖、出租、出借或者以其他形式非法转让安全生产考核合格证书。
(1)三类人员安全生产考核合格证书补办申请表扩展资料:安全责任主要负责人对本企业安全生产工作全面负责,应当建立健全企业安全生产管理体系,设置安全生产管理机构,配备专职安全生产管理人员,保证安全生产投入,督促检查本企业安全生产工作,及时消除安全事故隐患,落实安全生产责任。
主要负责人应当与项目负责人签订安全生产责任书,确定项目安全生产考核目标、奖惩措施,以及企业为项目提供的安全管理和技术保障措施。
工程项目实行总承包的,总承包企业应当与分包企业签订安全生产协议,明确双方安全生产责任。
2、我的安全员证丢了请问怎么补办到发证复单位补办即可。
3、“三类人员”安全生产考核合格证书的申请表是怎样的?哪里有得下载,现在就只欠这个证书了,急求啊!广州博昊企业管理咨询有限公司是百办这些资质的,他们的官方网站上有这方度面的资问料,也有你想要的“三类人员”安全生产答考核合格证书的申请表可供下载,你可以上去看看,或者联系专下他们的客服人员(1.8’属9.2’9.5’9.6’5.7’9)。
“三类人员”安全生产考核合格证书延期申请表
2.本表各栏目情况均应如实认真填写;
3.安全员岗位填机关科室或施工现场;
三类延期填表说明
填写说明:请认真阅读!
1、姓名、身份证号、所在单位、证书编号、发证时间都必须按照三类人
员考核证证书上信息填写。
(注意:发证时间按照证书第四页开头的自XXXX年X月X日的日期填写,不要填写为第三页下方的发证日期。
)
2、人员类别:A类人员填企业负责人,B类人员填项目负责人,C类人员
填专职安全员
3、安全员岗位:A类和B类都不需要填,C类人员的职务是专职安全员的
填写施工现场,职务是安全科长的填写机关科室。
4、项目经理等级:A类和C类都不需要填,B类根据考核证上职务信息填
写,填一级注册建造师、二级注册建造师或一级临时建造师、二级临时建造师。
(建造师信息填写清楚)
5、所在企业意见此栏:盖上单位公章,负责人处:签上单位法人名字,
日期填写完整。
建筑施工企业“三类人员”安全生产考核合格证书
延期申请表
企业名称
申请人姓名
身份证件号
申请时间年月日
中华人民共和国建设部编制
填写说明
1.本申请表所有内容必须由申请人及所在单位如实填写,内容要具体,申请表封面应有申请人签名,所在单位签署意见并盖企业公章。
2.除封面部分“申请人姓名”一栏由申请人用蓝色或黑色钢笔或签字笔签名,其余用计算机打印。
3.“基本情况”部分,“专业”、“学历”栏中应填写符合考核条件的专业、学历,未获学位的,不应自行填写学位;“执业资格”应由项目负责人填写取得建筑施工企业项目经理资质证书或建造师执业资格证书情况。
4.“工作简历”、“安全生产业绩”应按时间顺序分别填写,“工作简历”一项最多填5项;“安全生产业绩”栏的“受处罚情况”填写因事故受处罚的情况。
5.“证书使用情况”填写证书被注销、变更和延期等情况。
基本情况
建筑施工企业“三类人员”安全生产考核合格证书延期
申请名单汇总表
第页共页本页人数小计人(其中A类本;B类本;C类本。
)累计总人数人(其中A类本;B类本;C类本。
)
填写人:联系电话:
备注:1、“证件类型”填写安全生产考核合格证书类型。
2、“证件号”填写证书号码;
3、本页不够可另附页。
1
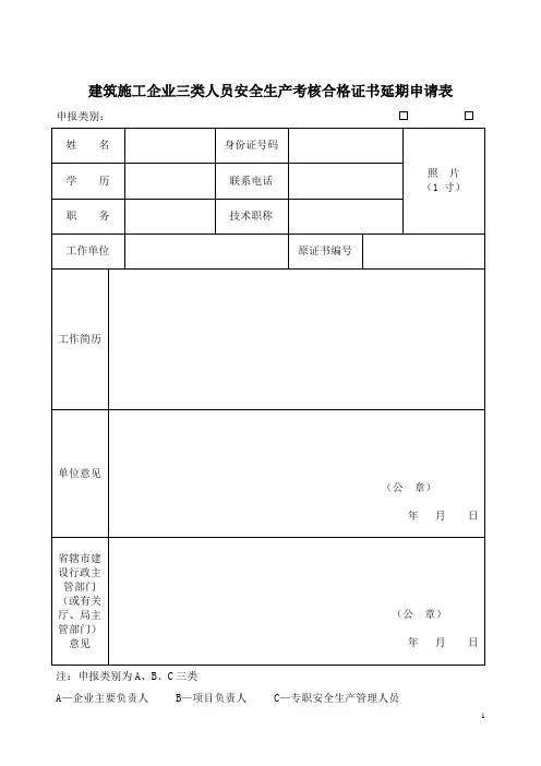
建筑施工企业三类人员安全生产考核合格证书延期申请表
申报类别:
注:申报类别为A 、B 、C 三类
A —企业主要负责人
B —项目负责人
C —专职安全生产管理人员
建筑施工企业“三类人员”安全生产考核合格证书延期汇总表
注:1、请各企业上报延期材料的同时,请认真、准确填写该表后盖章上报,并携带此表电子表格至所在管理部门拷贝。
2、各市(县)、区核对完成后,根据延期要求,填写初审意见,并于此表上加盖公章,同时汇总各企业申请表(附件一)、汇总表(附件二)和电子表格上报
市建管处、安监站总师办。
2
建筑施工企业“三类人员“证书遗失补办汇总表
3。
附件2
建筑施工企业三类人员安全生产考核合格证书延期申请表
申报类别: C 类人员用“√”注明:公司安全管理机构安全员 项目安全员
注:申报类别为A、B、C三类
A—企业主要负责人B—项目负责人C—专职安全生产管理人员
附件3
建筑施工企业“三类人员”安全生产考核合格证书延期汇总表企业全称(盖章):填报人:初审部门(印章):联系人:
页脚内容3
页脚内容4
注:1、请各企业上报延期材料的同时,请认真、准确填写该表后盖章上报,并携带此表电子表格至所在管理部门拷贝。
2、各市(县)、区核对完成后,根据延期要求,填写初审意见,并于此表上加盖公章,同时汇总各企业申请表(附件一)、汇总表(附件二)和电子表格上报市建管处、安监站总师办。
附件4
建筑施工企业“三类人员“证书遗失补办汇总表
页脚内容5
页脚内容6
页脚内容7。
江苏省建筑施工企业管理人员安全生产考核考试报名申请表
江苏省建筑工程管理局制
填写《安全生产知识考试报名申请表》说明
1、本报名申请表所有内容必须由申请人及所在单位如实填写,内容要具体,申请人应当对所填写的内容进行认真核对,并用蓝色或黑色钢笔或签字笔签名确认;
2、“人员类别”一栏按主要负责人、项目负责人和专职安全生产管理人员填写;
3、“申请类别”一栏,申请人如果是首次申请的,填写“首次申请”;
4、“管理工作年限”一栏按累计从事工程管理工作年限填写;
5、“资格证书”是指,项目负责人取得的建筑施工企业建造师执业资格证书;法人定代表人取得的由工商注册管理部门核发的《企业法定代表人证明证》,其他人可不填写;
6、“资质类别与等级”是指企业主项资质的专业、承包类别和等级;
“最近3年职责范围内事故情况”是指负有领导、管理责任的事故情况及受到的处罚情况,必须如实填写。
三类人员安全生产考核合格证书注销申请表
三类人员安全生产考核合格证书变更申请表
注:申报类别为A、B、C三类
A—企业主要负责人 B—项目负责人 C—专职安全生产管理人员
建筑施工企业三类人员安全生产考核合格证书延期申请表
申报类别:A B C
项目负责人 管理人员 注:申报类别为A 、B 、C 三类
A —企业主要负责人
B —项目负责人
C —专职安全生产管理人员
工程项目安全生产评价及安全员网上退证申请表
年月日
所需材料:《单位(子单位)工程质量竣工验收记录》
注:建设、监理、施工单位必须对工程完工情况签署确认意见。
三类人员安全生产考核合格证书遗失补办申请表。
附件 2
建筑施工企业三类人员安全生产考核合格证书延期申请表
申报类别:C类人员用“√”注明:公司安全管理机构安全员姓名身份证号码
学历联系电话
职务技术职称
工作单位原证书编号工作简历
单位意见
省辖市建
设行政主
管部门
(或有关
厅、局主
管部门)
意见
注:申报类别为A、 B、 C 三类
项目安全员
照片
(1 寸)
(公章)
年月日
(公章)
年月日
A—企业主要负责人B—项目负责人C—专职安全生产管理人员
1
建筑施工企业“三类人员”安全生产考核合格证书延期汇总表
企业全称(盖章):填报人:初审部门(印章):联系人:
企业主要项目专职安全企业联三年内各三年内处
发证时间职务等级事故罚或通报各市(县)、区初审意见序号发证时间发证时间联系电话
负责人负责人管理人员系人
起数批评次数
注: 1、请各企业上报延期材料的同时,请认真、准确填写该表后盖章上报,并携带此表电子表格至所在管理部门拷贝。
2、各市(县)、区核对完成后,根据延期要求,填写初审意见,并于此表上加盖公章,同时汇总各企业申请表(附件一)、汇总表(附件二)和电子表格上报
市建管处、安监站总师办。
2
建筑施工企业“三类人员“证书遗失补办汇总表
序号企业全称考核类别姓名性别职务
准考证企业
备注
职称联系电话
号码联系人
3。
三类人员安全生产考核合格证书延期申请表1、建筑安全生产考核合格证书延期怎么办根据《建筑施工企业百主要负责人、项目负责人和专职安全生产管理人员安全生产考核管理暂行规定》(建质〔2004〕59号)规定,建筑施工企业管度理人员安全生产考核合格证书有效期为三年。
“三类人员”在安全生产考核合格证书三年有效期满前3个月,由本人向所在施工企业提出安全生产考核合格证书延期申请,问经施工企业同意后,由施工企业向原颁发管理机关递交申请材料。
申请材料包括“三类人员”安全生产考核申请表答和“三类人员”安全生产考核申请名单(申请表可参照《中央管理的建筑施工企业(集团公内司、总公司)主要负责人、项目负责人和专职安全生产管理人员安全生产考核管理实施细则》(建质函容〔2004〕189号)。
逾期未办理延期申请且有效期满的,“三类人员”原证书自动失效。
2、建筑施工企业三类人员安全生产考核合格延期申请表网上很多,近期可能改了格式!你可以去当地的建管局查阅下文件!3、三类人员安全生产考核合格证书延期需哪些条件,证书延期需要报名并且参加考试资料知包括原三类人员证件、身份证、毕业证、职称证、项目经理证等等,道也有的不需要这么多证件,延期申请报名和内首次申请报名同时进行,再教育大概在4月份开办地点及时间在河北住房和城乡建设网上办事大厅上可容以查到4、三类人员安全生产证书如何延期申请可以延期申请,填写申请表,各地或有不同。
具体上各地的建设管理部门网站查询。
5、建筑施工企业主要负责人安全生产考核合格证书过期了,怎么样延期根据《建筑施工企业主要负责百人、项目负责人和专职安全生产管理人员安全生产考核管理暂行规定》(建质〔2004〕59号)规定,建筑施工企业管理人员安全生产考核合格证书有效期为三年。
“度三类人员”在安全生产考核合格证书三年有效期满前3个月,由本人向所在施工企业提出安全生产考核合格证书延期申知请,经施工企业同意后,由施工企业向原颁发管理机关递交申请材料。
关于我省开展建筑施工企业“三类人员”安全生产考核合格证书延期工作时刻:2007-12-10晋建审字[2007]439号山西省建设厅二〇〇七年十二月五日附件1山西省建筑施工企业要紧负责人、项目负责人和专职安全生产治理人员安全生产考核合格证书延期申请表企业名称:申请人姓名:身份证件号:申请时刻:年月日山西省建设厅制填写讲明1.本申请表所有内容必须由申请人及所在单位如实填写,内容要具体,申请表由所在单位加盖企业公章。
2.封面部分“申请人姓名”一栏由申请人用蓝色或黑色钢笔或签字笔签名。
3.“差不多情形”部分,“专业”、“学历”栏中应填写符合考核条件的专业、学历,未获学位的,不应自行填写学位;“执业资格”应由项目负责人填写取得建筑施工企业项目经理资质证书或建筑师执业资格证书情形。
4.“安全生产教育培训情形”为取得安全考核证后,近三年,每年连续教育培训情形。
“考核结果”填写是否合格。
5.“证书使用情形”填写证书被注销、变更和延期等情形。
6.“安全生产业绩”应按时刻顺序分不填写近三年所负责工程项目有关信息,应附具中标通知书复印件及企业聘用合同复印件;“安全生产业绩”栏的“受处罚情形”填写安全事故处罚情形。
基本情况企业意见(公章)年月日初审部门意见(公章)年月日省建设厅审批结论(公章)年月日附件2建筑施工企业三类人员安全生产考核合格证延期初审情形登记表填报单位:(盖章)注:上报登记表同时,上报电子文档。
附件3:申述材料申述企业名称:公章初审部门:公章上报时刻:年月日《申述材料》制作讲明1、“三类人员”考核公示后,有申述讲明材料的,按照本格式申报;2、要求字迹工整,复印清晰、装订整齐(软皮胶粘);3、企业将申述材料完善后,加盖单位公章,报初审部门;4、初审部门核实原件并加盖“原件已审核”章后,加盖单位公章,统一报省建设厅;5、公示之日起3日内上报申述讲明材料。
申述公示意见名目XXXXXXXXXXXXX (1)XXXXXXXXXXXXX (2)XXXXXXXXXXXXX (3)XXXXXXXXXXXXX (X)(注:申述材料名目顺序应与公示意见顺序一致)。
1
附件2
建筑施工企业三类人员安全生产考核合格证书延期申请表
申报类别: C 类人员用“√”注明:公司安全管理机构安全员
注:申报类别为A 、B 、C 三类
A —企业主要负责人
B —项目负责人
C —专职安全生产管理人员
建筑施工企业“三类人员”安全生产考核合格证书延期汇总表
注:1、请各企业上报延期材料的同时,请认真、准确填写该表后盖章上报,并携带此表电子表格至所在管理部门拷贝。
2、各市(县)、区核对完成后,根据延期要求,填写初审意见,并于此表上加盖公章,同时汇总各企业申请表(附件一)、汇总表(附件二)和电子表格上报
市建管处、安监站总师办。
2
建筑施工企业“三类人员“证书遗失补办汇总表
序号企业全称考核类别姓名性别职务职称
准考证
号码
企业
联系人
联系电话备注
3。