起亚赛拉图整车电路图手册(下册)
- 格式:pdf
- 大小:6.30 MB
- 文档页数:48
COMPONENT LOCATION GRAPHICSNOTE:Figures may show multiple component locations. Refer to appropriate table for proper figure references.Fig. 1: Ground PointsCourtesy of KIA MOTORS AMERICA, INC.Fig. 2: Ground PointsCourtesy of KIA MOTORS AMERICA, INC.Fig. 3: Starting & Charging System Courtesy of KIA MOTORS AMERICA, INC.Fig. 4: Engine Control System Courtesy of KIA MOTORS AMERICA, INC. Fig. 5: Engine Control SystemCourtesy of KIA MOTORS AMERICA, INC. Fig. 6: Engine Control System Courtesy of KIA MOTORS AMERICA, INC.Fig. 7: Engine Control System Courtesy of KIA MOTORS AMERICA, INC. Fig. 8: Engine Control System Courtesy of KIA MOTORS AMERICA, INC.Fig. 9: Engine Control System Courtesy of KIA MOTORS AMERICA, INC.Fig. 10: Cooling SystemCourtesy of KIA MOTORS AMERICA, INC.Fig. 11: Instrument Cluster, Warning Lamp & Multi-Meter Courtesy of KIA MOTORS AMERICA, INC.Fig. 12: Instrument Cluster & Warning LampCourtesy of KIA MOTORS AMERICA, INC.Fig. 13: Instrument Cluster, Warning Lamp & Speed Sensor Courtesy of KIA MOTORS AMERICA, INC.Fig. 14: Instrument Cluster & Warning Lamp Courtesy of KIA MOTORS AMERICA, INC.Fig. 15: Front Wiper/Washer System Courtesy of KIA MOTORS AMERICA, INC. Fig. 16: Rear Wiper/Washer System Courtesy of KIA MOTORS AMERICA, INC.Fig. 17: Headlight SystemCourtesy of KIA MOTORS AMERICA, INC.Fig. 18: Headlight System (Auto Light)Courtesy of KIA MOTORS AMERICA, INC.Fig. 19: Tail, License, Position & Marker Lamps Courtesy of KIA MOTORS AMERICA, INC.Fig. 21: Daytime Running Lamps Courtesy of KIA MOTORS AMERICA, INC.Fig. 22: Turn & Hazard Flasher Unit Courtesy of KIA MOTORS AMERICA, INC.Fig. 23: HornCourtesy of KIA MOTORS AMERICA, INC. Fig. 24: Heater & A/C System (Logic) Courtesy of KIA MOTORS AMERICA, INC.Fig. 25: Heater & A/C System (Logic) Courtesy of KIA MOTORS AMERICA, INC.Fig. 26: Heater & A/C System (FATC) Courtesy of KIA MOTORS AMERICA, INC.Fig. 27: Heater & A/C System (FATC) Courtesy of KIA MOTORS AMERICA, INC.Fig. 28: Heater & A/C System (FATC) Courtesy of KIA MOTORS AMERICA, INC.Fig. 29: Transmission Control System Courtesy of KIA MOTORS AMERICA, INC.Fig. 30: Transmission Control System Courtesy of KIA MOTORS AMERICA, INC.Fig. 31: Transfer Case Control System (EST) Courtesy of KIA MOTORS AMERICA, INC.Fig. 32: Transfer Case Control System (TOD) Courtesy of KIA MOTORS AMERICA, INC.Fig. 33: ETACS, Key Remain Switch, Center Room Lamp, Sunvisor & Cargo Room Lamps Courtesy of KIA MOTORS AMERICA, INC.Fig. 34: ETACS, Door Switches & Courtesy Lamps Courtesy of KIA MOTORS AMERICA, INC.Fig. 35: ETACS, Key Cylinder SwitchCourtesy of KIA MOTORS AMERICA, INC.Fig. 36: ETACS, Back Glass Opener Courtesy of KIA MOTORS AMERICA, INC. Fig. 37: Glove Box LampCourtesy of KIA MOTORS AMERICA, INC. Fig. 38: Audio SystemCourtesy of KIA MOTORS AMERICA, INC.Fig. 39: Audio System (Premium) Courtesy of KIA MOTORS AMERICA, INC.Fig. 40: Audio System (Premium) Courtesy of KIA MOTORS AMERICA, INC. Fig. 41: Power Window SystemFig. 43: Power Door Lock System Courtesy of KIA MOTORS AMERICA, INC.Fig. 44: Power Mirror System Courtesy of KIA MOTORS AMERICA, INC.Fig. 45: Sunroof SystemCourtesy of KIA MOTORS AMERICA, INC.Fig. 46: Electronic Power Steering (EPS) System Courtesy of KIA MOTORS AMERICA, INC.Fig. 47: Anti-Lock Brake (ABS) System Courtesy of KIA MOTORS AMERICA, INC. Fig. 48: Seat Warmer SystemCourtesy of KIA MOTORS AMERICA, INC.Fig. 49: Power Seat (Driver's) Courtesy of KIA MOTORS AMERICA, INC.Fig. 50: Auto Cruise Control System Courtesy of KIA MOTORS AMERICA, INC. Fig. 51: Airbag SystemCourtesy of KIA MOTORS AMERICA, INC.Fig. 52: Airbag SystemCourtesy of KIA MOTORS AMERICA, INC.Fig. 53: DefrosterCourtesy of KIA MOTORS AMERICA, INC.Fig. 54: Cigar Lighter, Power Outlet & Clock Courtesy of KIA MOTORS AMERICA, INC.Fig. 55: Immobilizer SystemCourtesy of KIA MOTORS AMERICA, INC.Fig. 56: Data Link Connector Courtesy of KIA MOTORS AMERICA, INC.Fig. 57: ECM Home LinkCourtesy of KIA MOTORS AMERICA, INC.2005 SYSTEM WIRING DIAGRAMSKia - SorentoUSING MITCHELL1'S WIRING DIAGRAMSFor information on using these wiring diagrams, see USING MITCHELL1'S SYSTEM WIRING DIAGRAMS article.AIR CONDITIONING。
发动机电器系统一般事项规格点火系统.......................EE- 2起动系统.......................EE- 2充电系统.......................EE- 3预热系统.......................EE- 3自动巡航控制系统...............EE- 3 故障检修点火系统.......................EE- 4充电系统.......................EE- 4起动系统.......................EE- 5 MICRO 570 测试仪键区...........................EE- 6蓄电池测试程序.................EE- 7起动机测试程序.................EE- 9充电系统测试程序...............EE-10点火系统说明.............................EE-12 就车检查火花测试.......................EE-12检查火花塞.....................EE-14检查高压线.....................EE-15检查点火线圈...................EE-15 更换点火线圈.......................EE-16充电系统说明.............................EE-17 就车检查检查蓄电池电压.................EE-17检查驱动皮带...................EE-18检查充电警告灯电路.............EE-18检查充电系统...................EE-19 交流发电机更换...........................EE-22结构图.........................EE-24分解...........................EE-26检查...........................EE-29蓄电池说明...........................EE-31检查...........................EE-32起动系统说明.............................EE-35 起动机电路故障检修...............EE-35 起动机电磁线圈测试...............EE-36 空转测试.........................EE-37 起动机更换...........................EE-37结构图.........................EE-38分解...........................EE-39检查...........................EE-41 起动机继电器检查...........................EE-45巡航控制系统预先-故障检修....................EE-46 故障检修程序.....................EE-46 故障检查表.......................EE-47 系统框图.........................EE-49 部件和功能概述...................EE-50 巡航控制.........................EE-50 结构图...........................EE-52 巡航控制模块拆卸...........................EE-53检查...........................EE-54安装...........................EE-55 巡航控制拉线拆卸...........................EE-56 巡航控制主开关拆卸...........................EE-57检查...........................EE-58EE-2 发动机电气系统一般事项规格EB3CA0FA点火系统起动系统一般事项EE-3充电系统参考- 冷起动电流量:在规定温度和最低电压保持7.2V 以上情况下,30秒钟蓄电池所能供应的电流。
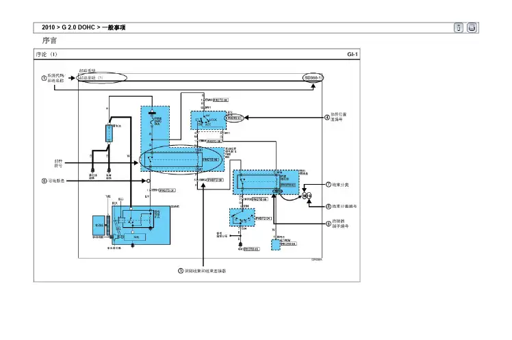
2010 > G 2.0 DOHC > 一般事项序言
符号
故障查找指令
2010 > G 2.0 DOHC > 连接器形状线束连接器
室内接线盒
短接连接器
部件位置
部件位置
部件位置
部件位置
部件位置
部件位置
部件位置
部件位置
部件位置
部件位置
MFI 控制系统
MFI 控制系统
MFI 控制系统
MFI 控制系统
MFI 控制系统
MFI 控制系统
MFI 控制系统
安全系统(SRS)
安全系统(SRS)
2010 > G 2.0 DOHC > 保险杠线束保险杠线束
保险丝 & 继电器信息
保险丝 & 继电器信息
保险丝 & 继电器信息
保险丝 & 继电器信息
保险丝 & 继电器信息
保险丝 & 继电器信息
车顶线束
车门线束
车门线束
车身控制模块(BCM)系统
车身控制模块(BCM)系统
车身控制模块(BCM)系统
车速系统
车速系统。
指示灯和仪表部件位置STFBE1151D1.仪表盘总成2.座椅安全带开关3.车速传感器4.发动机冷却水温传感部5.油压开关6.制动液位警告开关7.驻车制动开关8.车门开关9.燃油位传感部10.行李箱盖打开开关11.轮速传感器12.ABS ECU仪表盘部件STFBE1152LSTFBE1153LSTFBE1156N说明ECO驱动系统此系统向驾驶员提供实时反馈,鼓励经济-驾驶。
ECO指示灯亮起,辅助您以最经济的方式驾驶。
以高燃油效率驾驶时绿灯亮。
燃油效率取决于驾驶员的驾驶习惯和路面状态。
当变速器位于P、R、N位置或运动模式,或者选择瞬时油耗模式时系统停止操作。
电路图STFBE1154NSTFBE1198DSTFBE1199DSTFBE1155NSTFBE1200D检查车速表1. 调整轮胎压力至规定值。
2. 在车速表测试仪上驱动车辆。
应用适当的车轮止动块(A)。
3. 检查车速表指针指示范围是否在标准值范围内。
注意当测试时,禁止突然操作离合器或急加速/急减速。
参考轮胎磨损或轮胎压力过大或过小时,会增加检测结果误差。
ETKE100E(km/h)速度 (km/h) 公差(km/h) AT MT 20 +4.4 +0.38 +5 +1.4 40 +4.71 +0.69 +6 +2.2 60 +5.01 +0.99 +7.2 +3 80 +5.31 +1.29 +8.4 -4 100 +5.61 +1.59+9.6 +5速度 (km/h) 公差(km/h) AT MT 120 +5.92 +1.9 +10.6 +6 140 +6.22 +2.2 +11.8 +7 160 +6.52 +2.5 +13 +8 180 +6.82 +2.8 +14 +9 200 +7.13 +3.11 +15 -10 220 +7.43 +3.41 +16 +11 240 +7.73 +3.71 +17 +12 260 +8.03 +4.01+18 +13(MPH)速度 (km/h)公差(km/h) A/T M/T 20 +2.31 -0.16 +3.7 +1.3 40 +2.73 +0.26 +4.7 +2.2 60 +3.15 +0.68 +5.9 +3.1 80 +3.57 +1.1 +6.8 +4.0 100 +3.99 +1.52 +7.7 +4.9 120 +4.41 +1.94 +8.6 +5.8 140 +4.83 +2.36 +9.5 +6.7 160+5.25 +2.78+10.4 +7.8转速表1.连接GDS至诊断连接器或安装转速计。
第十一章赛欧轿车全车电路与线束走线图第一节赛欧轿车全车电路图赛欧轿车全车电路见图11-1~图11-20所示。
导线颜色的缩写及其含义见表11-1所列。
保险丝的规格及用途见表11-2所列。
图11-1 蓄电池、起动电动机和交流发电机电路图F11-保险丝(10A) G1-蓄电池G2-交流发电机M1-起动电动机S1-点火开关图11-2 发动机控制模块(用于中国型汽车)电路图(一)F19-保险丝(15A) K57-发动机控制模块(用于中国型汽车)L2-点火线圈M68-怠速空气步进电机 P23-进气歧管绝对压力(MAP)传感器 P30-发动机冷却液温度传感器P31- 进气温度(MAT)传感器 P33-氧传感器 P34-节气门电位计 P35-曲轴位置传感器P48-爆震控制传感器 Y34-曲轴箱通风电磁阀图11-2 发动机控制模块(用于中国型汽车)电路图(二)F20-保险丝(20A)K58-汽油泵继电器 M21-汽油泵P31-进气温度(MAT)传感器 P34-节气门电位计Y7-喷油器图11-3 仪表系统电路图F17-保险丝(10A)F25-保险丝(10A)E11-仪表板灯H3-左转向信号指示灯H4-机油压力故障指示灯H5-停车系统指示灯H7-充电指示指示灯H8-仪表板远光指示灯H15-燃油储量指示灯 H22-右转向信号指示灯 H23-安全气囊故障指示灯 H28-ABS故障指示灯 H30-发动机故障指示灯 H42-自动变速器故障指示灯 P1-燃油表 P2-水温旨示器P4-燃油量传感器P5-水温传感器P7-发动机转速表P8-车速传感器S2.3-仪表背景光度调节器S11-制动液液面开关 S13-驻车制动开关 S14-机油压力开关 V1-制动系统灯测试二极管图11-4 收音机/CD机系统电路图H1-收音机配CD H37-左前扬声器 H38-右前扬声器H39-左后扬声器 H40-右后扬声器H52-左前高音喇叭 H53-右前高音喇叭U17-天线、放大器图11-5 停车灯、尾灯与前大灯(近光与远光)电路图F8-保险丝(10A) F10-保险丝(10A)F12-保险丝(10A)F17-保险丝(10A) F23-保险丝(10A)F25-保险丝(10A) F27-保险丝(10A) E1-左停车灯E2-左尾灯E3-牌照灯E4-右停车灯E5-右尾灯E7-左远光灯 E8-右远光灯E9-左近光灯E10-右近光灯S2.1-灯光开关S5. 2-低大灯开关图11-6 刹车灯、转向信号灯和危险灯电路图F1-保险丝(15A)F21-保险丝(15A)H8-危险报警灯H9-左刹车灯 H10-右刹车灯H11-左前转向信号灯 H12-左后转向信号灯H13-右前转向信号灯 H14-右后转向信号灯H16-高位刹车灯 H33-左转向备用信号灯 H34-左转向备用信号灯 K10-闪烁控制单元S5.3-转向信号开关S8-刹车灯开关 S52-危险报警开关图11-7 内灯与雾灯电路图E13-行李箱灯E14-乘客室灯E20-左雾灯 E21-右雾灯 E24-左后雾灯E27-乘客室阅读灯 E39-右后雾灯F8-保险丝(20A)F9-保险丝(10A)K5-雾灯继电器K89-后雾灯继电器S2.2-乘客室灯开关 S15-行李箱灯开关 S17-副驾驶员门接触开关 S21-雾灯开关S22-后雾灯开关 S31-左后门接触开关 S32-右后门接触开关 S47-驾驶员门接触开关E17-左倒车灯 E18-右倒车灯 F18-保险丝(20A)S7-倒车灯开关图11-9 中央锁死系统电路图F1-保险丝(20A)F4-保险丝(10A)F13-保险丝(20A) K37-中央锁死系统控制单元M18-驾驶员门中央锁死系统电动机 M19-左后乘客室门中央锁死系统电动机 M20-右后乘客室门中央锁死系统电动机 M32-副驾驶员门中央锁死系统电动机 M37-行李箱门中央锁死系统电动机 M60-车箱后挡板中央锁死系统电动机 S41-驾驶员门中央锁死系统开关S42-副驾驶员门中央锁死系统开关图11-10 喇叭电路图F4-保险丝(10A)H2-喇叭K18-喇叭、安全气囊继电器 S64-喇叭开关U20-接触单元总成图11-11 安全气囊电路图K31-安全气囊控制单元 U20-接触单元总成 U21-驾驶员侧安全气囊总成 U22-副驾驶员侧安全气囊总成F17-保险丝(10A) F3-保险丝(10A)E19-后窗加热器K1-后窗加热器继电器E15-手套箱灯F14-保险丝(10A)图11-14 车窗升降器F17-保险丝(10A) F24-保险丝(10A) F28-保险丝(30A) M15-右前乘客车窗升降器电机 M47-驾驶员座车窗升降器电机 S78-车窗升降器开关 S37.1-驾驶员座车窗升降器开关 S37.2-右前乘客车窗升降器开关图11-15 刮水器/点烟器电路图F18-保险丝(20A) K8-刮水器继电器K30-后窗刮水器继电器M2-前刮水器电机 M8-后窗刮水器电机 M55-前后洗窗喷水电机S9.2-前刮水器开关S9.5-后窗刮水器及洗窗喷水电机开关图11-16 防抱死制动系统电路图F4-保险丝(10A) P17-左前速度传感器 P18-右前速度传感器 P19-左后速度传感器P20-右后速度传感器 K117-备用控制单元U4-ABS控制单元图11-17 自动变速器控制模块电路图K85-自动变速器控制模块 P48-自动变速器输出轴转速传感器S10-档位选择开关F2-保险丝(10A)F5-保险丝(10A)P45-自动变速器输入轴转速传感器S104-超车强迫降档开关 S105-雪地起步开关 S106-经济模式/运动模式转换开关 U13-阀体 Y47-换档电磁开锁装置 S84-换档杆开锁开关图11-18 空调系统电路图(一)F15-空调保险丝(30A)K6-空调继电器 K7-空调鼓风机继电器 M10-空调鼓风机电机S24-鼓风机开关图11-19 空调系统电路图(二)S20.1-压力开关总成 S20.2-压力开关总成S101-空调开关总成 Y1-空调压缩机电磁离合器Y14-致冷剂电磁阀 S130-恒温开关图11-20 空调系统电路图(三)F7-保险丝(30A) K51-散热器鼓风机继电器 K52-散热器鼓风机继电器 K70-散热器鼓风机继电器 M4-散热器鼓风机电机 S20.3-压力开关总成 K26-散热器鼓风机继电器表11-1 导线颜色缩写图示导线颜色导线颜色图示导线颜色导线颜色BL 蓝色 GR 灰色BR 褐色 RT 红色GE 黄色 SW 黑色GN 绿色 VI 紫色WS白色表11-2 保险丝规格及用途供应线 保险丝号 额定电流 用途30 F1 15A 危险警告灯、危险警告信号装置30 F2 10A TCM30 F3 25A 后除雾器30 F4 10A 行李箱灯、驾驶员侧和乘客侧的阅读灯、收音机、天线放大器和喇叭15 F5 10A TCM信号装置30 F6 10A 左右侧后雾灯30 F7 30A 高速散热风扇30 F8 10A 左侧停车灯、左侧尾灯30 F9 20A 左侧与右侧前雾灯、后雾灯控制继电器线圈30 F10 10A 左侧远光灯W F11 10A 收音机30 F12 10A 左侧近光灯30 F13 20A 中央锁死系统30 F15 最大30A 鼓风机电机、鼓风机电机高速控制继电器线圈、空调温度保护电路继电器线圈、空调压缩机电磁离合器15 F16 20A 刮水器与清洗系统15 F17 10A 信息灯、手套箱灯、后除雾器控制继电器线圈、冷却风扇控制继电器线圈15 F18 20A 左侧与右侧备用灯、点烟器、TCM倒档信号输入15 F19 15A ECM15 F20 30A 空调开关控制继电器线圈、散热器与冷凝器风扇或仅冷凝器风扇高速15 F21 15A 制动灯、高位中央制动灯、防抱死制动系统信号输入、转弯信号信号装置、左侧或右侧转弯信号、TCM制动信号输入15 F22 10A 防抱死制动系统30 F23 10A 右侧驻车灯、右侧尾灯、车牌灯、电磁离合器、收音机照明、前雾灯控制继电器线圈15 F24 10A 车窗升降器方向控制装置、车窗升降器信号装置30 F25 10A 右侧远光、远光信号装置30 F26 20A ECM、燃油泵30 F27 10A 右侧近光30 F28 30A 车窗升降机电机第二节赛欧轿车线束走线图赛欧轿车线束走线图及其连接端子图见图11-21~图11-56所示。
汽车全车电路讲解!展开全文什么叫全车电路?将汽车电气各子系统:电源、起动、点火、照明信号、辅助电器等,用标准电器设备符号,通过开关、熔断丝、继电器(或ECU)及不同颜色、规格导线连接在一起,所构成的图—全车电路。
开关、电路保护装置一、点火开关1.控制项目:a.电源系统发电机励磁b.点火系统的低压电流通路c.起动系统的电磁开关d.部分辅助电器设备2.具有防盗功能的点火开关(1)对方向盘机械锁止(2)点火开关钥匙内设置电阻晶片结构:每把钥匙内设置不同电阻晶片:380~12300Ω。
点火开关钥匙除与锁体匹配之外,其内含晶片电阻值还必须与起动机控制电路匹配。
工作机理:当点火开关钥匙插入锁体并转到ST挡时,晶片电阻值被送到电子钥匙解码器,将出现两种情况:a.钥匙晶片电阻值与解码器中储存的电阻值一致时,解码器控制起动机工作,同时起动信号送至发动机ECU—控制开始喷油、点火。
b.钥匙晶片电阻值与解码器中储存的电阻值不一致时,解码器控制起动机不工作。
尽管锁体能够转到起动挡位,但发动机不会发动。
二、组合开关安装:转向柱上;功能:前照灯开关;变光开关;小灯开关;转向开关;紧急报警开关;雨刮开关;洗涤开关;喇叭按钮;巡航控制开关。
三、电路保护装置(一)熔断器(保险丝)易熔线(保险丝):丰田5A发动机易熔线:中央配电盒,在仪表台下面或发动机室:在丰田5A发动机发动机室在丰田5A发动机仪表板下中央配电盒上:继电器、保险丝、线束分布连接器;桑塔纳中央配电盒(正面):紫 Violet 3A红 Red 10A蓝 Blue 15A黄 Yellow 20A绿 Green 30A桑塔纳中央配电盒(反面):(二)继电器1.四脚触点常开继电器2.四脚触点常闭继电器3.五脚继电器汽车导线、线束及插接器一、导线汽车用导线分为两类:高压线和低压线;1.低压导线截面积的正确选择根据用电设备的负载电流大小选择导线的截面积。
,一般原则为:a. 长时间工作的电气设备可选用实际载流量60%的导线;b.短时间工作的用电设备可选用实际载流量60%~100%之间的导线。
第十一章赛欧轿车全车电路与线束走线图第一节赛欧轿车全车电路图赛欧轿车全车电路见图11-1~图11-20所示。
导线颜色的缩写及其含义见表11-1所列。
保险丝的规格及用途见表11-2所列。
图11-1 蓄电池、起动电动机和交流发电机电路图F11-保险丝(10A) G1-蓄电池G2-交流发电机M1-起动电动机S1-点火开关图11-2 发动机控制模块(用于中国型汽车)电路图(一)F19-保险丝(15A) K57-发动机控制模块(用于中国型汽车)L2-点火线圈M68-怠速空气步进电机 P23-进气歧管绝对压力(MAP)传感器 P30-发动机冷却液温度传感器P31- 进气温度(MAT)传感器 P33-氧传感器 P34-节气门电位计 P35-曲轴位置传感器P48-爆震控制传感器 Y34-曲轴箱通风电磁阀图11-2 发动机控制模块(用于中国型汽车)电路图(二)F20-保险丝(20A)K58-汽油泵继电器 M21-汽油泵P31-进气温度(MAT)传感器 P34-节气门电位计Y7-喷油器图11-3 仪表系统电路图F17-保险丝(10A)F25-保险丝(10A)E11-仪表板灯H3-左转向信号指示灯H4-机油压力故障指示灯H5-停车系统指示灯H7-充电指示指示灯H8-仪表板远光指示灯H15-燃油储量指示灯 H22-右转向信号指示灯 H23-安全气囊故障指示灯 H28-ABS故障指示灯 H30-发动机故障指示灯 H42-自动变速器故障指示灯 P1-燃油表 P2-水温旨示器P4-燃油量传感器P5-水温传感器P7-发动机转速表P8-车速传感器S2.3-仪表背景光度调节器S11-制动液液面开关 S13-驻车制动开关 S14-机油压力开关 V1-制动系统灯测试二极管图11-4 收音机/CD机系统电路图H1-收音机配CD H37-左前扬声器 H38-右前扬声器H39-左后扬声器 H40-右后扬声器H52-左前高音喇叭 H53-右前高音喇叭U17-天线、放大器图11-5 停车灯、尾灯与前大灯(近光与远光)电路图F8-保险丝(10A) F10-保险丝(10A)F12-保险丝(10A)F17-保险丝(10A) F23-保险丝(10A)F25-保险丝(10A) F27-保险丝(10A) E1-左停车灯E2-左尾灯E3-牌照灯E4-右停车灯E5-右尾灯E7-左远光灯 E8-右远光灯E9-左近光灯E10-右近光灯S2.1-灯光开关S5. 2-低大灯开关图11-6 刹车灯、转向信号灯和危险灯电路图F1-保险丝(15A)F21-保险丝(15A)H8-危险报警灯H9-左刹车灯 H10-右刹车灯H11-左前转向信号灯 H12-左后转向信号灯H13-右前转向信号灯 H14-右后转向信号灯H16-高位刹车灯 H33-左转向备用信号灯 H34-左转向备用信号灯 K10-闪烁控制单元S5.3-转向信号开关S8-刹车灯开关 S52-危险报警开关图11-7 内灯与雾灯电路图E13-行李箱灯E14-乘客室灯E20-左雾灯 E21-右雾灯 E24-左后雾灯E27-乘客室阅读灯 E39-右后雾灯F8-保险丝(20A)F9-保险丝(10A)K5-雾灯继电器K89-后雾灯继电器S2.2-乘客室灯开关 S15-行李箱灯开关 S17-副驾驶员门接触开关 S21-雾灯开关S22-后雾灯开关 S31-左后门接触开关 S32-右后门接触开关 S47-驾驶员门接触开关E17-左倒车灯 E18-右倒车灯 F18-保险丝(20A)S7-倒车灯开关图11-9 中央锁死系统电路图F1-保险丝(20A)F4-保险丝(10A)F13-保险丝(20A) K37-中央锁死系统控制单元M18-驾驶员门中央锁死系统电动机 M19-左后乘客室门中央锁死系统电动机 M20-右后乘客室门中央锁死系统电动机 M32-副驾驶员门中央锁死系统电动机 M37-行李箱门中央锁死系统电动机 M60-车箱后挡板中央锁死系统电动机 S41-驾驶员门中央锁死系统开关S42-副驾驶员门中央锁死系统开关图11-10 喇叭电路图F4-保险丝(10A)H2-喇叭K18-喇叭、安全气囊继电器 S64-喇叭开关U20-接触单元总成图11-11 安全气囊电路图K31-安全气囊控制单元 U20-接触单元总成 U21-驾驶员侧安全气囊总成 U22-副驾驶员侧安全气囊总成F17-保险丝(10A) F3-保险丝(10A)E19-后窗加热器K1-后窗加热器继电器E15-手套箱灯F14-保险丝(10A)图11-14 车窗升降器F17-保险丝(10A) F24-保险丝(10A) F28-保险丝(30A) M15-右前乘客车窗升降器电机 M47-驾驶员座车窗升降器电机 S78-车窗升降器开关 S37.1-驾驶员座车窗升降器开关 S37.2-右前乘客车窗升降器开关图11-15 刮水器/点烟器电路图F18-保险丝(20A) K8-刮水器继电器K30-后窗刮水器继电器M2-前刮水器电机 M8-后窗刮水器电机 M55-前后洗窗喷水电机S9.2-前刮水器开关S9.5-后窗刮水器及洗窗喷水电机开关图11-16 防抱死制动系统电路图F4-保险丝(10A) P17-左前速度传感器 P18-右前速度传感器 P19-左后速度传感器P20-右后速度传感器 K117-备用控制单元U4-ABS控制单元图11-17 自动变速器控制模块电路图K85-自动变速器控制模块 P48-自动变速器输出轴转速传感器S10-档位选择开关F2-保险丝(10A)F5-保险丝(10A)P45-自动变速器输入轴转速传感器S104-超车强迫降档开关 S105-雪地起步开关 S106-经济模式/运动模式转换开关 U13-阀体 Y47-换档电磁开锁装置 S84-换档杆开锁开关图11-18 空调系统电路图(一)F15-空调保险丝(30A)K6-空调继电器 K7-空调鼓风机继电器 M10-空调鼓风机电机S24-鼓风机开关图11-19 空调系统电路图(二)S20.1-压力开关总成 S20.2-压力开关总成S101-空调开关总成 Y1-空调压缩机电磁离合器Y14-致冷剂电磁阀 S130-恒温开关图11-20 空调系统电路图(三)F7-保险丝(30A) K51-散热器鼓风机继电器 K52-散热器鼓风机继电器 K70-散热器鼓风机继电器 M4-散热器鼓风机电机 S20.3-压力开关总成 K26-散热器鼓风机继电器表11-1 导线颜色缩写图示导线颜色导线颜色图示导线颜色导线颜色BL 蓝色 GR 灰色BR 褐色 RT 红色GE 黄色 SW 黑色GN 绿色 VI 紫色WS白色表11-2 保险丝规格及用途供应线 保险丝号 额定电流 用途30 F1 15A 危险警告灯、危险警告信号装置30 F2 10A TCM30 F3 25A 后除雾器30 F4 10A 行李箱灯、驾驶员侧和乘客侧的阅读灯、收音机、天线放大器和喇叭15 F5 10A TCM信号装置30 F6 10A 左右侧后雾灯30 F7 30A 高速散热风扇30 F8 10A 左侧停车灯、左侧尾灯30 F9 20A 左侧与右侧前雾灯、后雾灯控制继电器线圈30 F10 10A 左侧远光灯W F11 10A 收音机30 F12 10A 左侧近光灯30 F13 20A 中央锁死系统30 F15 最大30A 鼓风机电机、鼓风机电机高速控制继电器线圈、空调温度保护电路继电器线圈、空调压缩机电磁离合器15 F16 20A 刮水器与清洗系统15 F17 10A 信息灯、手套箱灯、后除雾器控制继电器线圈、冷却风扇控制继电器线圈15 F18 20A 左侧与右侧备用灯、点烟器、TCM倒档信号输入15 F19 15A ECM15 F20 30A 空调开关控制继电器线圈、散热器与冷凝器风扇或仅冷凝器风扇高速15 F21 15A 制动灯、高位中央制动灯、防抱死制动系统信号输入、转弯信号信号装置、左侧或右侧转弯信号、TCM制动信号输入15 F22 10A 防抱死制动系统30 F23 10A 右侧驻车灯、右侧尾灯、车牌灯、电磁离合器、收音机照明、前雾灯控制继电器线圈15 F24 10A 车窗升降器方向控制装置、车窗升降器信号装置30 F25 10A 右侧远光、远光信号装置30 F26 20A ECM、燃油泵30 F27 10A 右侧近光30 F28 30A 车窗升降机电机第二节赛欧轿车线束走线图赛欧轿车线束走线图及其连接端子图见图11-21~图11-56所示。
第一章 概 述第一节车辆识别代码(VIN)一、车辆识别代码(VIN)位置车辆识别代码(VIN)打印在前围板的右上角和仪表台左前边缘处,见图1-1-l。
图 1-1-1二、车辆识别代码(VIN)的含义车辆识别代码(VIN)包含17位,例:LJD B A A 3 3 X 2 0 0000011 2 3 4 5 6 7 8 9 101.区域范围LJD一中国东风悦达起亚汽车有限公司。
2.车辆品牌B-起亚牌3.车辆类型A-乘用车4.安全约束系统A-手动安全带5.车身类型3-长头四门(三厢)6.发动机类型3-G4EA;4-G4ED7.检验位8.生产年份1-2001;2-2002;3-2003;4-2004;5-20059.装配厂0-东风悦达起亚汽车有限公司10.生产顺序号000001-999999第二节发动机号码一、发动机号码发动机号码打印在气缸体后端左侧。
二、发动机号码含义发动机号码包括1l位数,例:G 4 E A 2 l 000011 2 3 4 5 6 71.发动机燃料G-汽油2.发动机排列4-直列4缸4冲程3.发动机发火顺序E4.发动机排量A-1341mLD-1599mL5.生产年代号l-2001:2-2002;3-2003;4-2004;5-20056.生产厂代号7.发动机生产顺序号00001—99999第三节 常用参数和车辆的支撑点一、常用参数1.标准件拧紧力矩(表1-3-1)标准件拧紧力矩 表1-3-1力矩(N·m)螺纹的公称直径螺纹的螺距头部标记4 头部标记7 M5 0.8 3~4 5~6M6 1.0 5~6 9~11M8 1.25 12~15 20~25M10 1.25 25~30 30~50M12 1.25 35~45 60~80M14 1.5 75~85 120~140 M16 1.5 110~130 180~210 M18 1.5 160~180 260~300 M20 1.5 220~250 360~420 M22 1.5 290~330 480~550 M24 1.5 370~420 610~700 注意:①表中所列的扭矩是标准数值,适用于下列情况:a.钢制、电镀过的螺母及螺栓。
制动系统检查...............................BR-34一般事项规格.................................BR-2维修标准.............................BR-4规定扭矩.............................BR-4润滑油...............................BR-5专用工具.............................BR-6故障检修.............................BR-7制动系统制动助力器结构图.............................BR-9拆卸...............................BR-11安装...............................BR-11制动管路结构图.............................BR-13检查...............................BR-14更换...............................BR-14制动踏板结构图.............................BR-17拆卸...............................BR-19检查...............................BR-19安装...............................BR-19前盘式制动器结构图.............................BR-20一般事项...........................BR-22拆卸...............................BR-23检查...............................BR-23安装...............................BR-25总泵结构图.............................BR-26更换...............................BR-27分解...............................BR-28检查...............................BR-29重新组装...........................BR-29比例阀说明...............................BR-30后盘式制动器结构图.............................BR-31一般事项...........................BR-33拆卸...............................BR-34安装..............................BR-35后鼓式制动器结构图............................BR-37拆卸..............................BR-39检查..............................BR-40安装..............................BR-40驻车制动结构图............................BR-42拆卸..............................BR-44安装..............................BR-46ABS(防抱死制动系统)结构图..............................BR-47概述................................BR-48输入/输出框图.......................BR-50液压系统图..........................BR-52系统功能............................BR-53警告灯控制..........................BR-57给制动系统放气......................BR-58 HECU 连接器输入/输出................BR-61故障检修故障检修标准流程..................BR-63ABS 检查表........................BR-64故障现象表........................BR-66故障现象检查程序..................BR-67故障代码检查程序..................BR-79 ABS控制模块结构图............................BR-106拆卸..............................BR-107安装..............................BR-108前轮速传感器结构图............................BR-109拆卸..............................BR-110安装..............................BR-111 TCS(牵引控制系统)功能............................BR-112TCS操作.........................BR-114 EBD(电控制动力分配)EBD操作.........................BR-115BR-2 制动系统一般事项规格(制动器)EF17C65B项目规格总泵类型I.D制动油位警告传感器串联22.2mm(0.874 in.):汽油 (α发动机:CBS)23.8mm(0.937 in.):汽油提供比例阀(CBS)切入压力(拆分点)减压比后鼓:26 Kg/cm2(2.55Mpa,370psi)后盘:40 Kg/cm2(3.92Mpa,568psi)0.27:1制动助力器型式有效直径助力比真空式串联式、7+8 in.7.5:1(CBS),7.5:1/11.0:1(ABS/TCS)-2比率型前制动(盘式)型式制动盘O.D制动盘厚度制动块厚度制动分泵型式制动分泵I.D 汽油 (α发动机:CBS)汽油(ABS)浮动通风制动盘式257 mm (10.11 in.)24 mm (0.945 in.)11 mm (0.43 in.)单一活塞Ø 54 mm (2.12 in.)浮动通风制动盘式275 mm (10.83 in.)26 mm (1.02 in.)11 mm (0.43 in.)单一活塞Ø 57.2 mm (2.25 in.)后制动(盘式)型式制动盘O.D制动盘厚度制动块厚度制动分泵型式制动分泵I.D 浮动实心制动盘式258 mm (10.16 in.)10 mm (0.39 in.)9 mm (0.35 in.)单一活塞Ø 33.96 mm (1.34 in.)后制动(鼓式)型式制动鼓I.D制动摩擦片厚度间隙调整领从蹄式203.2mm (8 in.) 4.5 mm (0.18 in.)自动驻车制动驱动型式拉线布置机械式后轮制动杆式V型参考ABS:防抱死制动系统CBS:传统制动系统TCS:牵引控制系统一般事项BR-3BR-4 制动系统规定扭矩(制动器)一般事项BR-5规定扭矩(ABS与TCS)润滑油BR-6 制动系统专用工具E1D69694工具(型号与名称)样式用途09581-11000活塞推进器EJDA043A 回位前制动盘和后制动盘的制动活塞0K993 430 032调整仪LJAC004B用于调整推杆间隙09580-34000后制动活塞调节器EJKB004A拆卸或安装后盘式制动器活塞一般事项BR-7故障检修E68B36F7故障现象表参照下表,可帮助您查出故障原因。