政府采购进口产品专家论证意见(紫外可见光光度计)
- 格式:doc
- 大小:31.50 KB
- 文档页数:2
TU-1800型紫外—可见分光光度计确认方案方案拟定质量控制部: 日期:方案审查QC主任: 日期:QA主任: 日期:方案批准质量管理部经理: 日期:确认方案目录1. 概述1.1.功能指标1.2.性能指标2.安装确认2.1. 资料档案2.2. 维修服务2.3. 技术特征2.3.1 消耗性备件2.3.2. 一般状况2.4. 功能测试3. 校正3.1. 波长准确度3.2. 吸收度准确性3.3. 杂散光试验4. 再确认5. 再确认周期1. 概述北京普析通用仪器有限责任公司成立于1991年, 是研制和生产光谱分析仪器的专业化、规模化、系列化的现代高科技股份制企业, 是国家AAA级信用企业。
1998年公司被推选为中国分析仪器学会理事单位; 被北京市科学技术委员会授予”高新技术企业”称号; 被中国仪器仪表行业协会分析仪器专业协会推选为副会长单位; 荣获”十大知名光谱仪器品牌”称号。
普析通用生产的TU-1800型紫外—可见分光光度计具有以下特点:1、工作波段宽, 能满足200~1100nm宽波段范围的使用要求。
准双光束监测系统保证良好的稳定性。
2、大数值孔径光学系统提高了信噪比。
3、采用全息光栅实现了低杂散光。
4、关键器件如氘灯、光电二极管均采用进口件, 保证优良性能和长寿命。
5、独创的插座式钨灯和氘灯, 换灯时免去光学调试。
6、自动8 联池架可做多样品测量, 也可用于药物溶出度的6个样品测量。
7、大面积背光型LCD液晶显示。
8、有0.5、 1.0、 2.0、 5.0nm四种光谱带宽。
1.1.功能指标1.1.1光度测量◆测量当前波长处的吸光度或透过率并可进行系数计算。
◆用GOTO-入键, 可快速准确地取得工作波长范围内的任一波长。
◆利用光度测量功能测量当前波长处的吸光度或透过率。
◆若选定自动五联池状态, 可自动完成校准及5个样品的测量。
1.1.2光谱扫描◆设置参数, 如波长范围、显示范围、采样间隔和扫描速度等以后便可扫描出样品的光谱曲线, 并在LCD显示器上实时显示。
UV-1800紫外分光光度计确认方案1 概述1.1紫外-分光光度法是通过被测物质在紫外光区或可见光区的特定波长处或一定波长范围内的吸收度,对该物质进行定性和定量的方法。
本法在药品检验中主要用于药品的鉴别、检查和含量测定。
TU-1901双光束紫外可见分光光度计主要由光源、单色器、样品室、检测器等组成,波长范围为900nm-190nm,光谱带宽分6档(5,2,1,0.5,0.2,0.1),操作简便,测量快速,自动化程度高。
1.2基本情况设备名称:紫外可见分光光度计型号:生产厂家:安装日期:使用部门:质量控制部工作间:质量控制部2 确认目的确认紫外可见分光光度计测定数据准确可靠,适用于预期用途。
3 确认范围3.1 文件的适用范围本文件适用于质量控制部紫外可见分光光度计的确认。
3.2 确认的范围质量控制部紫外可见分光光度计的确认。
4 职责4.1 质量控制部职责✧负责起草确认方案、总结报告;✧负责整个确认方案的实施,并做记录、总结报告;✧负责该确认得出可靠的确认理论,适用于产品检验。
4.2 质量保证部职责✧做好过程监控,确保方案执行过程符合法规要求;4.3 动力部职责负责仪器的正常运行6 风险评估本仪器经实验确认,确认过程是否严格按照仪器操作规程和仪器说明书进行,试验结果稳定是否可靠,是否存在任何实验风险。
7 确认实施7.1相关文件a.仪器、仪表校验情况7.2 安装确认7.3.1 一般检查以仪器中氘灯的656.1nm特征谱线检查。
在主菜单中激活光谱扫描窗口,选择【测量】菜单下的【参数设置】子菜单进行设置。
选择能量方式(Es),扫描范围(653nm-659nm),显示范围(0.0000E-50.00E)慢速扫描,采样间隔0.1nm,上述分别确认后,开始扫描。
扫描结束后按读取测得的峰值波长,其与标准波长(656.1nm)之差应不超过±7.3.3 吸光度的准确度取在120℃干燥至恒重的基准重铬酸钾约60mg ,精密称定,置1000ml 量瓶中,用0.005mol/L 硫酸溶液溶解并稀释至1000ml ,用配对的1cm 石英池,以0.005mol/L 硫酸液位空白,在235、257、313、350nm 分别测定吸光度,然后换算成%1E ,测得值应符合下表的允差范围。
紫外―可见分光光度计在药品检测中的应用药品分析是保证药品安全有效的重要手段,在药品的研究、生产、流通、使用和监督管理等环节中均有举足轻重的作用,其主要内容包括性状分析、鉴别、检查和含量测定等方面。
高效液相色谱仪、气相色谱仪、紫外分光光度计等是制药生产中常用的检测仪器。
其中,紫外分光光度计由于准确度高、测定限度低、设备简便、仪器成本低、易于操作等优点,已成为制药生产中必备的检测设备之一,用于药物鉴别、检查和含量测定等。
紫外-可见分光光度法是通过测定物质在紫外-可见光区(200-760nm)产生紫外-可见吸收光谱,根据吸收光谱的特性,对该物质进行定性和定量分析的方法。
其理论基础为朗伯-比耳定律,溶液的吸光度和吸光物质含量、液层厚度乘积成正比。
对于一般的紫外分光光度法,其测量的相对误差在1%~3%。
随着大量心得显色剂的合成及应用,尤其是有关多元络合物和各种表面活性剂的应用研究,推进了元素测定的灵敏度的大幅提高。
采用预富集和示差法,适用质量分数从常量(1%~50%)到痕量(10-10~10-8)。
紫外-可见分光光度法由紫外分光光度法和可见分光光度法两种方法构成,这两种方法在测定的原理、仪器、操作等方面皆相同。
因此,统称为紫外-可见分光光度法,测定仪器一般采用紫外-可见分光光度仪。
在各国药典中,药品的理化常数、鉴别、检查和含量测定等很多项目中,都能见到紫外分光光度法的应用实例。
在制药生产中,紫外分光光度法应用最多的是药物含量的测定、药物杂质检测、药物稳定性考察、释放度、药物负载行为测定及物质结构鉴定等方面。
目前利用紫外分光光度计分析的药物品种有维生素、抗生素、解热药、去痛药、降血压药、安定药、镇咳药、滴眼药、磺胺类药、利尿药、某些妇科药、痢疾药、腹泻药、抗肿瘤药、抗结核药等。
1 紫外分光光度法应用于药物含量测定紫外-可见分光光度法由于灵敏度较高,不仅可用于常量组分的含量测定,也可用于测定微量组分、超微量组分以及多组分混合物同时测定等,在药物分析中主要用于原料药含量测定、制剂含量测定、含量均匀度和溶出度的检查等。
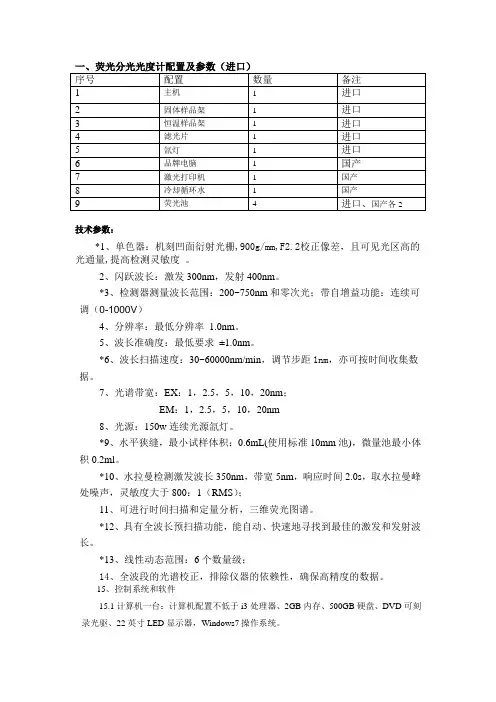
技术参数:*1、单色器:机刻凹面衍射光栅,900g/mm,F2.2校正像差,且可见光区高的光通量,提高检测灵敏度。
2、闪跃波长:激发300nm,发射400nm。
*3、检测器测量波长范围:200~750nm和零次光;带自增益功能:连续可调(0-1000V)4、分辨率:最低分辨率1.0nm。
5、波长准确度:最低要求±1.0nm。
*6、波长扫描速度:30~60000nm/min,调节步距1nm,亦可按时间收集数据。
7、光谱带宽:EX:1,2.5,5,10,20nm;EM:1,2.5,5,10,20nm8、光源:150w连续光源氙灯。
*9、水平狭缝,最小试样体积:0.6mL(使用标准10mm池),微量池最小体积0.2ml。
*10、水拉曼检测激发波长350nm,带宽5nm,响应时间2.0s,取水拉曼峰处噪声,灵敏度大于800:1(RMS);11、可进行时间扫描和定量分析,三维荧光图谱。
*12、具有全波长预扫描功能,能自动、快速地寻找到最佳的激发和发射波长。
*13、线性动态范围:6个数量级;14、全波段的光谱校正,排除仪器的依赖性,确保高精度的数据。
15、控制系统和软件15.1计算机一台:计算机配置不低于i3处理器、2GB内存、500GB硬盘、DVD可刻录光驱、22英寸LED显示器,Windows7操作系统。
15.2分析软件:定性及定量分析软件,以及与此有关的应用分析软件。
16、固体支架:配套的标准固体支架。
17、恒温样品支架17.1、冷却循环水系统:与仪器标配套的标准的国产冷却循环水系统。
18、滤光片1套,带通滤光片250-390nm,低通截止滤光片,295、320、370、395、420nm19、氙灯1支20、激光打印机1台,满足仪器使用。
21、附件、配件按正常实验配齐,安装调试后能够正常进行实验。
技术参数1 技术规格1.1 电源电压:220V,50Hz1.2 温度:10~35℃1.3 相对湿度:45~85%2 现场免费培训,各项性能指标达到技术要求,由供需双方共同签字认可,现场验收,仪器验收合格后,供方须提供整机一年免费保修,并提供终身维修服务。
政府采购进⼝产品专家论证意见
此表⽤A4纸打印
说明:
1.请各使⽤单位将进⼝设备采购计划统⼀报⾄本学院,由学院组织对所报进⼝设备进⾏专家论证。
2.各学院组织的论证专家组必须由五⼈以上的单数组成(注意:论证专家组成员均须为⾮我校⼈员),其中,必须包含⼀名法律专家,产品技术专家应当为⾮本单位并熟悉该产品的专家;使⽤单位代表不得作为专家组成员参与论证。
3.参与论证的专家不得作为采购评审专家参与同⼀项⽬的采购评审⼯作。
4.此表除专家签字外,其他内容均⽤计算机打印。
紫外可见光分光光度计的性能检查
1、比色皿透光率的检查:以空气的透光率为100%,测量比色皿的透光率,应不低于84.0%,
同时在450.0nm和650nm处分别测空比色皿的透光率,透光率差应不小于5.0%。
(注意2个比色皿都要检查)
2、比色皿的配对性:将0.008mol/L的重铬酸钾溶液注入厚度相同的比色皿中。
以其中一个
比色皿溶液作为空白溶液,在440nm波长处测定另外一个比色皿的透光率,相差应小于
0.5%。
3、重复性:以蒸馏水的透光率为100%,用同一重铬酸钾溶液连续测定7次,求出极差(最大值与最小值之差),如小于0.5%,则符合要求。
4、吸光度的准确性:取60mg/L的重铬酸钾溶液,在350nm处测定其吸光度,计算其吸光系数E1%1cn与规定的吸光系数(106.6)比较,相对偏听偏信差应在±1.5%
实验数据与结果分析
4 A= E1cn= (E测-E规)/ E规×100%=。
关于双流县第二人民医院医疗设备采购进口产品专家论证意见的公示一、申请理由:支撑喉镜、眼科显微镜、无影灯、手术床、麻醉机、中小型无创通气机、数字化肺功能仪、小儿有创呼吸机、单泵血透机、车载呼吸机、腹腔镜、床旁血气分析仪,上述进口产品稳定性好,功能、配置齐全,国产设备在产品性能和使用功能上无法满足医院的临床使用需求。
为合理、高效地使用资金,满足医院医疗诊断水平的要求以及对设备性能的需要,故申请采购进口设备。
二、专家论证意见:1、支撑喉镜进口支撑喉镜功能配置齐全、质量稳定,图像清晰,能够最大限度地减少损伤。
国产设备在质量、性能上无法达到采购人的使用需求。
眼科显微镜进口眼科显微镜在材质、功能、配置以及安全性上相比国产设备具有较大的优势,能够满足各类手术的需求。
国产设备无法达到采购人的工作要求。
无影灯进口无影灯灯盘采用多元抛物面反射器设计;光亮度最大光亮度:大于 135,000Lux;色温:4300K~4500K;光亮深度:570-1750mm 均匀光柱;国产产品其照度、稳定性均达不到采购人的工作需求。
手术床进口手术床具有活动式可拆除一次成型床垫,全面可透X光;全方位调校设计,中心移动制动装置,一体化X光片滑槽;双关节头垫,配重量补偿系统。
国产产品在质量、性能和使用功能上无法达到采购人的使用需求。
麻醉机进口麻醉机具有新鲜气体补偿,顺应性补偿,肺功能环监测,回路可高温消毒等国产设备不能达到的功能。
无法达到采购人的工作要求。
中小型无创通气机进口中小型无创通气机功能齐全,性能先进。
由于技术原因,目前国内不具备该产品的生产能力,具有不可替代性,只能购买进口设备。
数字化肺功能仪进口数字化肺功能仪具有相关数字化专利技术,功能全面,能同时满足成人和儿童(含新生儿)肺功能测定。
目前,国产肺功能仪不能满足采购人的工作需求。
小儿有创呼吸机进口小儿有创呼吸机功能齐全,能够满足不同的临床需要。
目前国内呼吸机(儿童型)技术无MVG,PRVC,VG,AUTOFLOW.VV+,APV,CLV,ASV等模式,高频振荡(HFOV)通气性能差。
——(项目名称)进口产品专家论证意见
拟采购进口产品清单
中北大学
20 年月日
政府采购进口产品专家论证意见
政府采购进口产品专家论证意见
政府采购进口产品专家论证意见
论证专家简历
填写此表须知:
1.申请采购的进口产品采购须由采购人自行组织相关技术专家进行论证,拟采购的进口产品属于同类型可合并一次性进行论证;
2.申请采购的进口产品论证专家组应由5人以上的单数组成,其中必须包括一名法律专家,论证专家应具备拟采购进口产品所涉及专业高级技术职称,且熟悉所拟采购产品的非本学校人员进行独立论证;
3.论证时申请进口产品的理由,应包括采购需求,进口产品与同类国内产品的技术指标和性能描述,性能优劣情况对比及论证意见;
4.论证意见中不允许出现产品的厂商、品牌、型号等影响招标公正性的信息,只允许对比国内和国外产品的现状。
5.通过专家论证意见要能充分体现出“现有国内产品达不到实际需求,必须购置国外进口产品”的主题。
6.报送纸质稿到教学主楼国资处302室,并且将电子版表格发至指定邮箱gzczbk@。
有疑问请致电国资处3922362。
附件进口产品专家组论证意见公示年月日采购人(盖章)内江市第一人民医院政府采购进口产品论证专家名单姓名工作单位职称专业简国忠成都市西区医院主任医师医疗俞伟民成都市儿童医院副主任医师医疗徐元昌成都军区总医院副主任医师医疗陈隽四川省疾病预防控制中心高级工程师医疗设备张海峰四川安哲律师事务所律师法律专家组论证意见专家组经论证,达成一致意见如下:一、有创呼吸机该设备将用于医院急诊重症监护病房治疗呼吸功能衰竭,进口呼吸机较国产呼吸机具有如下优势:、进口设备具备MMV分钟指令通气模式。
该模式下可确保患者获得设定的分钟通气量,同时通气中任意时间患者均可在PEEP水平上进行自主呼吸,自主呼吸获得的分钟通气量持续与设定的分钟通气量进行比较,如自主呼吸分钟通气量不足,则呼吸机会自动调整指令呼吸频率以确保患者获得设定的分钟通气量。
国产呼吸机不具备该通气模式。
、进口设备具备Autoflow自动流量控制功能。
在传统的VCV容量控制通气模式中,气道压力不可控,有可能引起气道压力过高的风险,同时,病人在VCV模式中并不能保留全部自主呼吸,人机同步性较差。
Autoflow自动流量控制功能则有效解决了以上两种问题,它可叠加于所有VCV容量控制通气模式上,在保证潮气量的前提下,以最低压力给病人输送气体,有效避免气压伤,同时允许病人在任何时间的自主呼吸,不产生人机对抗。
国产呼吸机不具备该功能。
、进口设备具备 VPS可变压力支持通气模式。
在该模式下呼吸机可模仿生物系统的随机变化,随机产生压力支持水平的数值,并用这些值作为患者吸气压力支持,令正压支持通气更符合生理情况,可以帮助改善通气功能和降低呼吸机相关性肺损伤(VALI)的危险,同时可以改善氧合和通气血流比。
国产呼吸机不具备该通气模式。
、该设备未列入商务部《限制进口机电产品目录》和《中国禁止进口限制进口技术目录》。
基于以上原因,建议该院购置进口有创呼吸机。
二、小儿无创呼吸机小儿无创呼吸机是用于抢救、治疗婴幼儿患者的专用设备,因采购人为三甲综合医院,儿科为内江市儿科患者救治中心,因诊疗需要需购置的小儿无创呼吸机应达到以下条件:、具有专为新生儿设计的正压发生器技术,保证使用过程中气流压力的稳定,患者呼吸作功、CO潴留较常规CPAP明显减少。