砂砾垫层施工检验批质量检验记录表
- 格式:docx
- 大小:10.14 KB
- 文档页数:2
砂、碎石垫层地基检验批质量验收记录表
说明
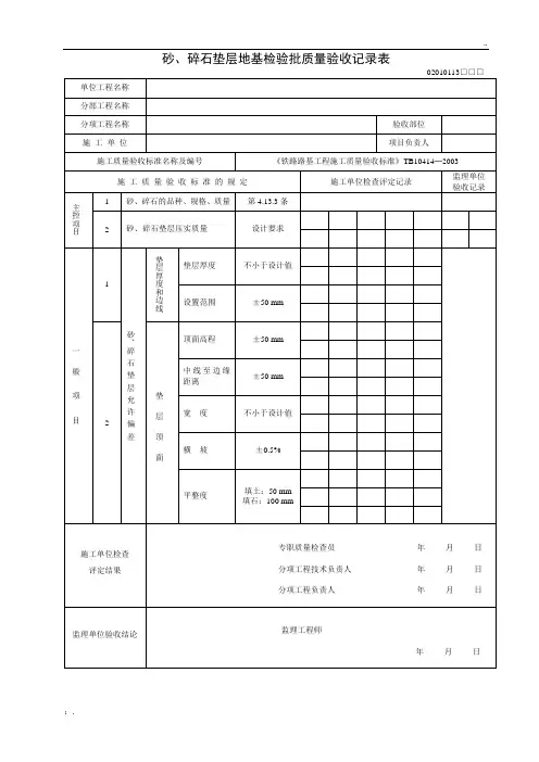
主控项目
1.砂垫层应采用中、粗、砾砂,其含泥量不得大于5%;碎石垫层应采用未风化的碎(卵)石和砾石,最大粒径不得大于50 mm,其含泥量不得大于5%,且不含草根、垃圾等有机杂物。
垫层用砂、碎石进场时应进行进场验收,并对其杂质含量和粒径级配进行检验。
检验数量:同一产地、品种、规格且连续进场的砂每10 000 m3、碎石每3 000 m3为一批,不足上述数量时亦为一批。
施工单位每批检验1组,监理单位按施工单位检验数量的10%平行检验,且每分部工程不少于1组。
检验方法:筛析法、有机质含量试验;草根、垃圾采用观察。
2.砂、碎石垫层应分层碾压,其压实质量应符合设计要求。
检验数量:施工单位对填筑层压实质量的检验数量应符合下表的规定。
监理单位按施工单位检验数量的20%见证检验或10%平行检验。
基床以下路堤填筑层压实质量检测方法、抽样频次
检验方法:应符合《铁路工程土工试验规程》(TB10102)的有关规定。
一般项目
1.砂、碎石垫层的厚度和设置范围允许偏差及检验方法应符合下表的规定。
砂、碎石垫层的厚度、设置范围允许偏差及检验方法
2.砂、碎石垫层顶面的高程、中线至边缘距离、宽度、横坡、平整度允许偏差及检验方法应符合下表的规定。
砂、碎石垫层顶面的高程、中线至边缘距离、宽度、横坡、平整度允许偏差及检验方法。
砂垫层和砂石工程垫层工程检验批质量验收记录表
GB50209—20XX
(Ⅲ)
说明
(Ⅲ)
030101
主控项目:
1、砂和砂石不得含有草根等有机杂质;砂应采用中砂;石子最大粒径不得大于垫层厚度的2/3。
观察检查和检查材质合格证明文件及检测报告。
2、砂垫层和砂石垫层的干密度(或贯入度),符合设计要求。
观察检查和检查试验记录。
一般项目:
1、表面无砂窝、石堆等质量缺陷。
观察检查。
2、砂垫层和砂石垫层表面的允许偏差,应按本规范表4.1.5中的检验方法检验。
其中厚度偏差砂不大于6mm;砂石不大于10mm。