波速测试钻孔技术要求
- 格式:doc
- 大小:24.00 KB
- 文档页数:1
附件一、项目来源受某院委托,我院承担安包隧道项目工程地质钻孔声波波速测试工作。
二、任务与目的岩石声波波速测试,用于划分岩体风化壳及其强度评价、深部地层软弱结构面、破碎带埋深及岩溶发育特征的勘查,计算钻孔岩石完整性系数,判别钻孔岩层的完整性。
三、波速测试工作情况我院于2016年11月18日进场开展测试工作共完成了3个钻孔的波速测试工作,共完成310.25m的波速测试,具体工作量统计见表1.3.1所示。
四、声波波速测试原理与方法技术声波检测技术中有三个声学参量,即声速、声波波幅及频率,可对介质的物性做出评价。
各声学参量简述如下:①声速与弹性力学参数的关系:当测取岩体的纵波及横波声速Vp与Vs,并已知岩体密度ρ的情况下,便可以获取岩体的动弹性模量E、剪切模量G和泊松比б,从而做出对岩体的动力学特征做出评价。
②声速岩体完整性指数:可用纵波评价岩体的质量,可用岩石样本的纵波波速Vpr与岩石的纵波平均声速Vpo测算出岩体的完整性指数Kv。
由完整性指数,可对岩体的工程力学性质进行分类。
③声速与岩体的裂隙:当波动的前方有裂隙存在时,在裂隙尖端所产生的新的点振源浆可绕过裂隙继续传播,形成波的“绕射”。
绕射的过程声线“拉”长,声时加长,使视声波降低,故声波不仅可对岩体的风化程度加以划分,对岩体中存在的裂隙有着极为敏感的反应。
④声波与岩体结构的关系:声波在整体块状结构中得传播速度最快,在层状结构、碎裂状结构、散体结构中,由于裂隙发育程度不同,声波在这种非均质介质中传播,将会在不同的波阻抗界面产生波的折射、反射、波形转换等,使波速拉长,从而使声波随结构的复杂而降低。
由测试对象及测试目的的不同,声波测试有多种方法,具体有投透射法、折射法、反射法等。
其中折射法—单孔一发双收声测井法主要用于岩体风化壳划分及强度评价、深部地层软弱结构面、破碎带埋深及发育特征的勘查。
根据本项目特点,采取单孔一发双收声测井进行检测。
工作方法如右图所示:五、声波波速测试岩土划分依据计算岩体的完整性系数Kv:Kv=(Vpr①∕Vpo②)2①Vpr-在钻孔岩体各个岩性分段中测得的纵波波速平均值;②Vpo-选用本场地各钻孔各岩性分段的新鲜岩样纵波波速。
孔内剪切波速测试孔内剪切波速测试是一种用于测量材料内部剪切波速的非破坏性测试方法。
它可以用于评估材料的弹性性能和结构完整性,广泛应用于土木工程、地质勘探、岩石力学等领域。
孔内剪切波速测试是通过在被测材料内部钻取孔洞,并通过特定仪器测量孔洞内剪切波的传播时间来得到材料的剪切波速。
这种测试方法的原理基于剪切波在材料内部传播的速度与材料的物理性质有关。
材料的密度、弹性模量以及孔洞的大小和形状等因素都会影响剪切波的传播速度。
在进行孔内剪切波速测试之前,需要先在被测材料内部钻取孔洞。
通常使用的钻孔工具有钻孔机、钻杆和钻头等。
选择合适的钻孔工具和参数可以确保钻孔的准确性和稳定性。
钻孔的位置和数量也需要根据具体测试要求进行确定。
完成钻孔后,需要使用专门的测试设备进行孔内剪切波速测试。
这种测试设备通常由传感器、数据采集系统和计算机分析软件组成。
传感器用于接收和记录孔内剪切波的信号,数据采集系统用于将信号转化为数字信号并传输给计算机,计算机分析软件则用于处理和分析采集到的数据。
在进行孔内剪切波速测试时,需要注意以下几点。
首先,确保测试设备的稳定性和准确性,避免因设备问题导致测试结果不准确。
其次,钻孔的位置和数量需要合理选择,以保证测试结果的可靠性。
此外,测试过程中需要注意保护测试设备和被测材料,避免二者受到损坏。
孔内剪切波速测试的结果可以用于评估被测材料的弹性性能和结构完整性。
根据测试结果,可以计算出材料的剪切模量和剪切强度等参数,进而评估材料的力学性能和工程可用性。
此外,孔内剪切波速测试还可以用于检测材料的缺陷和损伤,帮助及早发现并修复问题,提高工程的安全性和可靠性。
孔内剪切波速测试是一种重要的非破坏性测试方法,可用于评估材料的弹性性能和结构完整性。
通过钻取孔洞并测量孔洞内剪切波的传播时间,可以得到材料的剪切波速,并根据此结果评估材料的力学性能和工程可用性。
这种测试方法在土木工程、地质勘探、岩石力学等领域具有广泛的应用前景。
钻孔波速测试介绍
一、进行波速测试时,钻孔中需要充水或泥浆,以保证耦合。
二、通常采用扣板法测试,即用24磅大锤先纵向、后横向分别敲击产生地震波。
测向敲击时,锤击点离井口2-3m,敲击垫板。
横向敲击时,需要准备长2m、宽30-40cm、厚15-20cm的木板,上面压重500kg以上进行采集,一定要保证木板被压紧,不能敲击时产生滑动。
采集时要左右两侧分别敲击采集两个记录。
木板材质硬的话可以直接敲板;若是板子不够硬,为了保证触发,需要在木板的敲击端紧密地绑一垫板,不能有空隙,最好做一个铁板用铆钉将其钉到板子上。
整块木板也最好能用铁丝进行编绕,这样木板不容易敲裂。
三、对于超过50米以上的深孔可以采取只纵向敲击一次的方法进行测试。
四、正反向敲击时,纵波相位不变,但横波相位会改变,可以根据这个特点判断横波的初至。
五、实测时,系统连接以后,要先在地面上检查一下各部分是否完好,再下到井中。
六、参数设置:3道,100 s,采样点数可取得大一点以保证记录长度。
北京市水电物探研究所
2009-8-31。
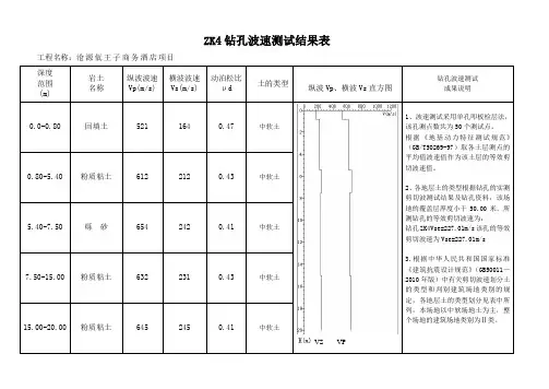
工程名称:沧源佤王子商务酒店项目深度范围(m) 岩土名称纵波波速Vp(m/s)横波波速Vs(m/s)动泊松比μd土的类型纵波Vp、横波Vs直方图钻孔波速测试成果说明0.0-0.80 回填土521 164 0.47 中软土VS VP 1、波速测试采用单孔叩板检层法,该孔测点数共为50个测试点。
根据《地基动力特征测试规范》(GB/T50269-97)取各土层测点的平均值波速值作为该土层的等效剪切波速值。
2、各地层土的类型根据钻孔的实测剪切波测试结果及钻孔资料,该场地的覆盖层厚度小于50.00米。
所测钻孔的等效剪切波速为:钻孔ZK4Vse=227.01m/s该孔的等效剪切波速为Vse=227.01m/s3.根据中华人民共和国国家标准《建筑抗震设计规范》(GB50011—2010年版)中有关剪切波速划分土的类型和判别建筑场地类别的规定,各地层土的类型划分见表中所列,本场地以中软场地土为主,整个场地的建筑场地类别为Ⅱ类。
0.80-5.40 粉质粘土612 212 0.43 中软土5.40-7.50 砾砂654 242 0.41 中软土7.50-15.00 粉质粘土632 231 0.43 中软土15.00-20.00 粉质粘土645 245 0.41 中软土工程名称:沧源佤王子商务酒店项目深度范围(m) 岩土名称纵波波速Vp(m/s)横波波速Vs(m/s)动泊松比μd土的类型纵波Vp、横波Vs直方图钻孔波速测试成果说明0.0-1.00 回填土510 155 0.47 中软土VS VP 1、波速测试采用单孔叩板检层法,该孔测点数共为50个测试点。
根据《地基动力特征测试规范》(GB/T50269-97)取各土层测点的平均值波速值作为该土层的等效剪切波速值。
2、各地层土的类型根据钻孔的实测剪切波测试结果及钻孔资料,该场地的覆盖层厚度小于50.00米。
所测钻孔的等效剪切波速为:钻孔ZK6Vse=223.21m/s该孔的等效剪切波速为Vse=223.21m/s3.根据中华人民共和国国家标准《建筑抗震设计规范》(GB50011—2010年版)中有关剪切波速划分土的类型和判别建筑场地类别的规定,各地层土的类型划分见表中所列,本场地以中软场地土为主,整个场地的建筑场地类别为Ⅱ类。
地震钻孔技术要求
一、按指定位置布设钻孔。
二、钻孔绝对深度为100米、基岩面+1米、剪切波速大于500米/秒三者中满足
其一的。
三、各孔2米一个测点做剪切波速测试。
四、在10-50米之间取代表土层原状样6组,做动三轴试验。
五、0-20m饱和粉土及粉砂做标贯试验和颗粒分析试验。
六、所有钻孔均测量地下水位。
七、对每个钻孔不同层位取土样做常规物理实验,包括:天然含水量、密度、比
重、饱和度、孔隙比、孔隙度、液限、塑限、塑性指数、液性指数、压缩模量、压缩系数、摩擦角及内聚力(快剪)等。
并对岩土物理力学性质做出综合分析。
八、成果报告包括钻孔位置图、柱状图、剪切波速测试结果及试验结果。
工程地质知识:地基动力波速测试跨孔法一般规定
1.测试场地宜平坦。
测试孔宜设置一个振源孔和两个接收孔,并布置在一条直线上。
2.测试孔的间距在土层中宜取2~5m,在岩层中宜取8~15m。
测试时,应根据工程情况及地质分层,每隔1~2m布置一个测点。
3.钻孔应垂直,并宜用泥浆护壁或下套管,套管壁与孔壁应紧密接触。
4.测试时,振源与接收孔内的传感器应设置在同一水平面上。
5.测试工作可采用下列方法:
(1)当振源采用剪切波锤时,宜采用一次成孔法。
(2)当振源采用标准贯入试验装置时,宜采用分段测试法。
6.当测试深度大于15m时,必须对所有测试孔进行倾斜度及倾斜方位的测试。
测点间距不应大于1m。
7.当采用一次成孔法测试时,测试工作结束后,应选择部分测点作重复观测,其数量不应少于测点总数的10%。
也可采用振源孔和接收孔互换的方法进行检测。
批审审准:工程负责人:* * * * * * * * * * * * * * * * * * * * * * 有限公司****年**月**日核:定:***************** 有限公司技术人员于 /年 / 月 / 日对 ********* 场地内的 1、 7 号钻孔进行了现场波速测试工作,/年/月/ 日完成室内数据整理工作,提交波速测试成果报告。
(1)提供场地内地层的剪切波速度和纵波速度;(2) 提供土层及基岩动力学参数;(3) 划分场地土类型。
3.1 单孔法波速测试单孔法波速测试采用三分量检波器拾取信号、锤击重物压板作为激发振源。
纵波、剪切波激发位置距孔口均为 2 米,测点点距 1 米。
数据采集记录采用中国装备集团重庆地质仪器厂研制的 DZQ-24 道地震仪及相关配套设备,以测定岩土层纵、横波速度进而计算岩土体动力学参数。
采样周期:50μ s,采样长度: 200ms ,滤波:低通 240Hz 。
3.2 波速测试工作依据波速测试工作严格执行中华人民共和国国家有关规程、规范。
波速测试工作执行标准:(1) 《岩土工程勘察规范》( GB 50021-2001 ) ( 2022 版 );(2) 《地基动力特性测试规范》( GB/T50269-97 );(3)《建筑抗震设计规范》(GB50011-2022)。
3.3 测试仪器设备(1)DZQ-24 道高分辨地震仪;(2) 三分量测井探头;(3)DELL 笔记本电脑。
4.1 单孔法波速测试测点纵波速度,剪切波速计算读取各测点纵波、剪波的初至旅行时间,按下式进行校正:ht= th2 + l2t:实测纵、剪切波旅行时间;t:校正后时间(弹性波自孔口传播到检测点的旅行时间);h :检测点深度;l:震源中心距孔口距离。
利用校正后的各测点时间,按下式计算:h hi +1 i即得第i 测点与第i +1 测点间的速度。
然后结合岩土钻孔的钻探情况,确定出每一岩土分层的平均纵波、剪切波速。
单孔法波速测试注意事项:
1、一定要用正规的叩板,最重要的是叩板一定要压实,这样才能激发出较好的有效波形;
2、采集数据时,板孔距一般在2米左右,如果钻孔比较深,需要多次叠加采集;
3、如果需要P波的资料,还需要垂直敲击,注意垂直敲击的激发点到钻孔的距离必须等于板孔距;
4、从钻孔底向上逐点测试时,敲击顺序(左、右,垂直)不能变,否则数据处理时波形会出现反相位,不易于读取初至时间;
5、在测试时一定要记录好野外记录班报;
6、采样点数的设定需要根据波速和深度进行估算;在测试过程中要监视估算出的时间点的数据波形质量,在同一显示增益条件下,使不同深度测点的有效波形幅值大小相近,便于资料对比分析和数据处理。
P S波测井野外记录班报
工程名称:
孔号:板孔距:孔深:。
筑龙网 W W W .Z H U L O N G .C O M钻孔技术要求一、 钻孔技术要求1、取原状土样:技术工作自地下1米起,对杂填土、房渣土采用轻型动力触探连续贯入;对粘性土、粉土素填土以取原状土样为主,当硬质含有物较多时,改用轻型动力触探连续贯入;对原状粉土、粘性土取原状样。
遇砂类土进行标准贯入测试,1米1次,变层加次。
当钻至地下水位以下的饱和砂类土层时,应及时采取有效措施控制涌砂厚度。
对已采取的原状土样须及时“封、存、送”,避免磕碰,夏季施工土样严禁曝晒,冬季施工严禁受冻,风干失水。
在土样开启测试前须严格妥善保管。
2、标准贯入孔兼波速孔:用于对粉土、砂类土层的液化判别。
场地土类型的判别,碎石土密实度的判定。
自地下1米起对房渣土、杂填土采用轻型动力触探或圆锥动力触探连续贯入。
对地面下粉土填土、原状粉土、粘性土、砂性土采用标准贯入测试,1米1次,变层加次。
20米以内的粉土在标贯器中取扰动样做粘粒分析试验;选取部分砂类土、卵石做颗粒分析试验(取砂土、卵石样工作听工程主持人安排)。
扰动样取样重量:粉土200~300g ,砂土1000~2000g3、一般探察孔:钻孔深度以控制主要受力层为原则。
查明场地内的地层岩性、成因年代以及各土层的物理力学性质,对各岩土层的颜色、密度、湿度、稠度、含有物等进行详细统一描述。
二、 其他技术要求1、 地下水水位测量:对揭露的上层滞水均量测初见及静止水位。
选取1/3钻孔在钻探过程中分层筑龙网 W W W .Z H U L O N G .C O M 测量潜水、承压水初见、静止水位,采用套管护壁,外注泥浆分层止水措施,以保证测量结果的准确性,并对各层水取水样2件进行水位腐蚀性分析(取水样听工程主持人安排)。
2、轻型动力触探测试N10:测试前需校正孔底深度。
当锤击数超过90锤/30cm,或45锤/15cm 时,可不继续贯入。
3、标准贯入测试N63.5:测试前需校正孔底深度。
内容摘要波速测试适用于测定各类岩土体的波速,确定与波速有关岩土参数,为工程设计提供所需的动弹性力学参数、划分建筑物场地类别、评价地震效应、进行场地地震反应分析等。
本文介绍了波速测试的工作原理和野外测试方法,并结合岩土工程实例,说明其应用效果。
正文一、前言波速测试目前已广泛应用于水电、铁路、工民建等众多岩土工程地质勘察领域,取得了良好的应用效果。
一些重要的岩土工程勘察中,野外除进行常规原位测试工作外,还进行了剪切波波速测试工作。
二、单孔波速测试的基本原理单孔波速测试:由震源产生压缩波(又称P波)和剪切波(又称S波),经过土层,由在孔中的三分量检波器接收,根据波传播的距离和走时计算出场地土的波速,进而评价场地土的工程性质。
1、测试仪器和设备:一套完整的速度检层法观测仪器应由四部分组成,即激震源、信号接收系统、记录系统和分析系统。
速度检层法可使用的激震源很多,如爆破、空气压缩枪、弹簧式S波激发装置、火箭筒等等。
一般的场地土层剪切波观测量常用的是敲击板激震源。
目前用于场地于层剪切波观测的拾震器一般均为速度型拾震器有三个分量,一个垂直,两个水平。
2、计算方法用速度检层法测得的剪切波速是钻孔内相邻二个测点中间土层的平均波速。
首先从记录上确认剪切波到时,再根据激震源的触发时间算出剪切波走时,然后由钻孔中测得深度和孔源距确定波的行程,最后将行程除以走时即得波速。
根据实测的资料,表1给出了不同土类的剪切波波速范围。
一般来说剪切波带随深度的增加而增加,但各地区剪切波速沿深度的变化规律并不一样。
通常内陆城市波速值相对较高,而沿海地区则偏低。
表1土质类别填土(包括杂填土)粘性土(包括亚粘土等)砂土(粉、中、粗)砾石、卵石、碎石风化岩岩石剪切波速范围(m/s) 90~270 100~450 100~450 200~500 350~500 >5003、测试方法(1)在待测场地钻孔,将三分量传感器放置在钻孔中,以适当方式(气囊或机械装置)使三分量传感器贴紧钻孔孔壁,在地面上钻孔孔口附近(通常1~3m)处放置长条形木板(通常长约2~4m,宽约0.4~0.5m,厚约0.1m),木板上压有重物(>500kg)。
原位测试技术要求工程地质机械钻孔内需要进行标准贯入试验及重型动力触探试验,以及场地微振动测试或孔内波速测试和十字板剪切试验,或在地表采用浅层平板载荷试验等原位测试方法,以分析评价岩土体工程力学性质及场地土类别;在水文地质孔中需进行抽水试验,以分析评价含水层富水性。
一、标准贯入试验1、采用自动落锤装置,锤重63.5kg,落距76cm,贯入器管靴刃口角度18~20度;2、避免锤击时的偏心和侧向晃动,保持贯入器、探杆、导向杆联接后的垂直度,锤击速率应小于30 击/min;3、贯入器打入土中15cm 后,开始记录每打入10cm 的锤击数,累计打入30cm的锤击数为标准贯入试验锤击数N。
当锤击数已达50击,而贯入深度未达30cm时,可记录50击的实际贯入深度,换算成相当于30cm的标准贯入试验锤击数N,并终止试验。
二、圆锥动力触探试验采用重型圆锥动力触探试验,锤重63.5kg,圆锥动力触探试验技术要求应符合下列规定:1、采用自动落锤装置;2、触探杆最大偏斜度不应超过2%,锤击贯入应连续进行;同时防止锤击偏心、探杆倾斜和侧向晃动,保持探杆垂直度;锤击速率每分钟宜为15~30 击;3、每贯入1m,宜将探杆转动一圈半;当贯入深度超过10m,每贯入20cm 宜转动探杆一次;4、当连续三次63.5>50时,可停止试验。
试验间距宜为2m。
三、抽水试验水文地质钻孔进行抽水试验。
双层或多层结构含水层系统应分层进行抽水试验;水质垂向分带的厚层含水层,应按水质分段进行抽水试验。
一般以单孔抽水试验为主,结合带观测孔的抽水试验。
视实际情况选用抽水试验设备;出水量测量需采用标准堰箱或孔口流量计,水位测量应精确到0.1mm;水温测量应采用经标定的温度计。
抽水孔须下入测水管;动水位测量可采用自计水位仪或电测水位仪。
分层采集地下水水质分析与同位素测试样品。
抽水孔采用空气压缩机抽水,抽水孔设计如图5-9。
管材安装采用同心式安装结构,其抽水管材级配和下入深度要求如下:出水管:管径应与出水量适应,并要求与井管保持一定的直径差,在常规口径钻孔中,其直径差不小于30mm,在大口径孔中不小于40mm;下入深度应超过混合器3~5m;风管:风管底端应带混合器,管径应与井管直径、风量大小相适应。
单孔法波速测试原理及其在工程中应用摘要:单孔法波速测试是地球物理的勘探方法之一,主要是利用直达波的原理,是以弹性波理论为基础的。
本文简要地介绍单孔检层法剪切波速测试的基本原理及方法;并且结合实际工程资料,详细说明了数据成果在工程勘察中的应用。
关键词:单孔法;直达波;弹性波理论;剪切波速测试中图分类号:k826.16 文献标识码:a 文章编号:引言单孔法波速测试是一种快速、准确的原位测试技术,并根据波速值可以进行场地土的划分、地基土工程特性评价等,从而为工程设计提供准确的的数据依据。
一、单孔法波速测试基本原理(1)基本规定及要求:地下介质采用水平层状地层模型:剪切波速在水平方向为均匀分布,在垂直方向随深度分布(2)测试方法本次测试采用rs-1616k(p)工程检测分析仪和井中三分量检波器。
在离钻孔2米处放置一块长方形的木板,并在其上方压以重物,并使之与地面紧密耦合。
本次工作观测方法采用地面激发井中接收方式,即在地面人工用铁锤分别侧击木板的两端,人工激发剪切波,井中接收并传输至地面仪器,采用自下而上逐点进行测量。
各项工作技术参数如下:采样长度:192ms增益:66db~90db滤波档:35hz~475hz,50hz陷波井口偏移:2.0m延迟:根据现场选定震源:敲击板二、工程实例该工程位于合肥市经开区方兴大道北侧,始信路东侧,龙幡路西侧。
我们分别对建筑场地内18#、20#、97#钻孔分别进行了剪切波速测试。
本次波速测试采用单孔法,共完成3个孔。
工程地质分层:①-1层杂填土(q4ml):灰黄、杂色,松散~稍密,层厚1.90~2.20m。
①-2层素填土(q4ml):灰黄色,松散~稍密,层厚0.20~2.80m。
②层粘土(q3al+pl):灰黄色,硬塑状态,层厚2.80~5.40m。
③层粘土(q3al+pl):灰黄、褐黄色,硬塑~坚硬状态,,厚度25.70~30.90m。
④层强风化泥质砂岩(k2z):紫红色,密实状态,层厚9.00~11.60m。
单孔法波速测试原理及其在工程中应用摘要:单孔法波速测试是地球物理的勘探方法之一,主要是利用直达波的原理,是以弹性波理论为基础的。
本文简要地介绍单孔检层法剪切波速测试的基本原理及方法;并且结合实际工程资料,详细说明了数据成果在工程勘察中的应用。
关键词:单孔法;直达波;弹性波理论;剪切波速测试中图分类号:k826.16 文献标识码:a 文章编号:引言单孔法波速测试是一种快速、准确的原位测试技术,并根据波速值可以进行场地土的划分、地基土工程特性评价等,从而为工程设计提供准确的的数据依据。
一、单孔法波速测试基本原理(1)基本规定及要求:地下介质采用水平层状地层模型:剪切波速在水平方向为均匀分布,在垂直方向随深度分布(2)测试方法本次测试采用rs-1616k(p)工程检测分析仪和井中三分量检波器。
在离钻孔2米处放置一块长方形的木板,并在其上方压以重物,并使之与地面紧密耦合。
本次工作观测方法采用地面激发井中接收方式,即在地面人工用铁锤分别侧击木板的两端,人工激发剪切波,井中接收并传输至地面仪器,采用自下而上逐点进行测量。
各项工作技术参数如下:采样长度:192ms增益:66db~90db滤波档:35hz~475hz,50hz陷波井口偏移:2.0m延迟:根据现场选定震源:敲击板二、工程实例该工程位于合肥市经开区方兴大道北侧,始信路东侧,龙幡路西侧。
我们分别对建筑场地内18#、20#、97#钻孔分别进行了剪切波速测试。
本次波速测试采用单孔法,共完成3个孔。
工程地质分层:①-1层杂填土(q4ml):灰黄、杂色,松散~稍密,层厚1.90~2.20m。
①-2层素填土(q4ml):灰黄色,松散~稍密,层厚0.20~2.80m。
②层粘土(q3al+pl):灰黄色,硬塑状态,层厚2.80~5.40m。
③层粘土(q3al+pl):灰黄、褐黄色,硬塑~坚硬状态,,厚度25.70~30.90m。
④层强风化泥质砂岩(k2z):紫红色,密实状态,层厚9.00~11.60m。
波速测试钻孔技术要求
依据岩土工程勘察课程试验要求,要求在新校区岩土实验室外场地钻探30米钻孔两个,每个钻孔的钻孔施工技术要求如下:
1.钻孔过程严格按照现行岩土工程勘察技术要求进行钻孔编
录、地下静水位的观察、不同地层的动力触探等,最终提交
完整的钻孔柱状图;
2.为保证孔壁稳定性,成孔后要求在孔内安装PVC管,PVC管
与孔壁周围要进行回填处理,以保证接触良好;
3.PVC管实施全孔封闭,出露地表部分高出地面10厘米,上同
样材料加盖保护;
4.以PVC管为半径中心,从地表往下开挖10厘米深,浇注直
径为100厘米的C20混凝土保护圈层;
5.以PVC管为半径中心处,从地表往上砌筑直径为60厘米,
高为30厘米的单分砖圆形井桶,进行水泥沙浆抹面处理,并
在上部加盖同样直径的钢筋混凝土盖(或水井盖)。