交通部试验检测工程师试题及答案.doc
- 格式:doc
- 大小:46.50 KB
- 文档页数:6
公路检测工程师《交通工程》试题及答案(新版)1、[多选题]试验的制备方式有()。
A.随机抽取标志生厂商制作的标志板及支撑件B.随机抽取标志生产商制作的标志板及支撑件并从其中截取相应尺寸C.随机抽取生产所需的原材料,将反光膜黏贴到标志底板上,制成标志板试样D.试样数目按相关规定确定【答案】ABCD2、[单选题]32/26规格硅芯管的壁厚及允差分别为()。
A.2.0mm,(-0.2mm,+0.2mm)B.2.5mm,(-0.2mm,+0.2mm)C.2.7mm,(+0.35mm,0)D.3.0mm,(+0.35mm,0)【答案】B3、[单选题]轮廓标表面色黑色的亮度因数为()。
A.≤0.01B.≤0.02C.≤0.03D.≤0.05【答案】C【解析】柱式轮廓标的柱体黑色的亮度因数为≤0.03。
4、[多选题]交通标志产品的包装、运输要求有()。
A.标志在装箱前应逐件包装B.形状尺寸相同的标志板每两块一起包装C.标志板面应有软衬垫材料加以保护D.每箱不得超过100块【答案】ABC5、[单选题]能见度检测器的静电放电抗扰度应该满足等级()的要求。
A.4B.3C.2D.1【答案】A【解析】能见度检测器的静电放电抗扰度应满足《电磁兼容试验和测量技术静电放电抗扰度试验》(GB/T17626.2-2006)中规定的等级4的要求。
6、[单选题]微棱镜型反光膜结构中,其棱镜()。
A.没有空气层B.有1个空气层C.有2个空气层D.有3个空气层【答案】C【解析】微棱镜型反光膜结构中,其棱镜有上下两个空气层。
7、[单选题]钢板网中5.0mm厚钢板厚度允许偏差为()。
A.±0.22mmB.±0.24mmC.±0.26mmD.±0.28mm【答案】C【解析】钢板厚度分别为2.0mm、2.5mm、3.0mm、4.0mm、5.0mm时,允许偏差分别为±0.19mm、±0.21mm、±0.22mm、±0.24mm、±0.26mm8、[单选题]测试标志板面色度性能的仪器是()。
公路检测工程师《交通工程》试题及答案(新版)1、[单选题]车道车辆检测器计数精度偏差为≤0.1%,实测方法为人工记数核对,要大于()。
A.100辆B.300辆C.500辆D.1000辆【答案】D2、[选择题]试回答防眩板的抗风荷载F试验的问题。
(5)试验过程为()。
A.以100mm/min的速度牵引B.直至板面破裂或以达最大负荷停止试验C.其最大牵引力为试验抗风荷载D.共做2组,取2次F值的算术平均值为测试结果【答案】ABC3、[多选题]闭路电视监控系统的技术指标主要有()。
A.传输通道指标B.亮度非线性指标C.监视器画面指标D.脉冲干扰指标【答案】AC4、[判断题]音频电路和低速数据电路用PCM话路特性仪。
()A.正确B.错误【答案】A【解析】音频电路和低速数据电路测试。
通路电平、衰减频率失真、增益变化、信道噪声、总失真、路基串话等指标符合设计要求。
采用PCM话路特性仪测试。
5、[选择题]试回答以下交通标志外观质量检查的问题。
(3)逆反射性能不均匀缺陷的检查内容是目测能辨别出标志板面()。
A.同种材料有明显差异B.同一颜色有明显差异C.同一工艺有明显差异D.同一工序有明显差异【答案】AB【解析】对于逆反射性能不均匀缺陷的检查,是在夜间黑暗空旷的环境中,距离标志板面10m处,以汽车前照灯远光为光源,垂直照射标志板面的条件下进行的。
如果在此条件下,通过目测能辨别出标志板面同种材料、同一颜色、不同区域的逆反射性能有明显差异,则认为存在逆反射性能不均匀缺陷。
6、[单选题]对信号进行解码的是()。
A.发信机B.收信机C.信源D.信元【答案】B7、[多选题]反光膜性能试验中,试样是25mm×150mm的试验为()。
A.耐盐雾腐蚀性能B.抗拉荷载C.耐溶剂性能D.耐候性能【答案】BC【解析】光度性能:150*150mm;色度性能:150*150mm;抗冲击性能:150*150mm;弯曲性能:230*70mm;附着性能:25*200mm;收缩性能:230*230mm;可剥离性能:25*150mm;抗拉荷载:25*150mm;耐溶剂性能:25*150mm;盐雾性能:150*150mm;耐高低温性能:150*150mm;耐候性能:自然:150*250mm/人工65*142mm8、[判断题]双组份涂料标线按其施工方式划分为:喷涂型、刮涂型、结构型和滚涂型四种。
全国各地试验检测工程师考试实操题目江苏检测工程师道路A卷操作题--2006年8月21日坍落度测试步骤无侧限抗压强度的试验步骤说说计算土的比重的方法,举一列(包括仪器,步骤,计算精确度,试验整理)用经纬仪测竖直角步骤灌沙法压实度的计算软化点的试验步骤江苏检测工程师道路B卷操作题--2006年8月21日1.水泥砂浆试件的制作,最终影响水泥砂浆强度的因素.2.粉煤灰烧失量3.全站仪检测无座标曲线中线偏位的方法(已知JD位置,曲线要素)4..水煮法测矿料粘附性5.土工含水量测试的方法有几种,详细写出一种6.贝克曼梁测量路基路面回弹弯沉的方法.山东路基路面:1、土的回弹模量实验步骤2、公路横断面宽度测量步骤3、混凝土塌落度的试验操作步骤4、EDTA滴定测定水泥剂量5、路面渗水系数实验步骤6、导线点测设1、胶砂试件抗压强度过程。
2、土的几种密度检测方法,任选一种写操作步骤。
3、极坐标法放样原理及放样过程中应注意的问题。
4、粉煤灰烧矢量试验过程。
5、环刀测路基压实度的步骤。
6、沥青针入度步骤及影响结果的主要因素。
1.渗水仪操作步骤2. 宽度测量步骤3. 坍落度测试步骤4. EDTA滴定步骤5. 路基回弹模量仪器、方法、精度6. 表干法册测沥青混合料密度步骤山东桥涵隧道:1、锚杆抗拔力实验步骤2、防水材料热老化处理实验3、支座抗压弹性模量试验步骤4、回弹法测混凝土强度步骤5、超声波法检测工程6、桥梁荷载试验我只考了路基路面我考试试的是A 卷实际操作题是1、胶砂试件抗压强度过程。
2、土的几种密度检测方法,任选一种写操作步骤。
3、极坐标法放样原理及放样过程中应注意的问题。
4、粉煤灰烧矢量试验过程。
5、环刀册路基压实度的步骤。
6、沥青针入度步骤及影响结果的主要因素。
2013年公路试验检测员和试验检测工程师考试交通运输部工程质量监督局交通运输部职业资格中心[1]《关于组织2013年度公路水运工程试验检测人员考试的通知》根据《公路水运工程试验检测人员考试办法》(质监综字[2013]1号),部工程质量监督局和部职业资格中心决定组织实施2013年公路水运工程试验检测人员考试,现将考试有关事项通知如下:一、本次考试科目设置、等级及类别及报考程序、组织方式等与2012年度公路水运工程试验检测人员考试相同。
公路工程试验检测工程师考试试题含答案公路工程试验检测工程师考试试题含答案一、选择题1、在公路工程试验检测中,需要对哪些参数进行测量? A. 工程材料性质、构件几何尺寸、结构强度和稳定性 B. 工程材料性质、构件使用性能、结构强度和稳定性 C. 工程材料性质、构件几何尺寸、结构刚度和稳定性 D. 工程材料性质、构件使用性能、结构刚度和稳定性答案:C2、下列哪种方法可以在公路工程试验检测中用于确定路面的平整度?A. 电测法B. 超声法C. 激光法D. 水准法答案:D3、如何根据实测的路基路面回弹模量值来判断道路结构的强度是否符合设计要求? A. 计算弯沉值 B. 计算弹性模量 C. 计算路基承载力 D. 计算路面压实度答案:A4、用光电测距仪测量两点间距离时,测量误差为()cm,则该测量结果的可信度为。
A. 0~10 B. 10~20 C. 20~30 D. 30~40 答案:A 5、在进行沥青路面渗水试验时,试验结果应不大于多少? A.100mL/min B. 200mL/min C. 300mL/min D. 400mL/min 答案:B二、简答题6、简述公路工程试验检测的目的和意义。
答案:公路工程试验检测的目的是确保公路工程的质量、安全和使用性能。
通过试验检测,可以实现对工程材料的的质量控制,保证材料符合设计要求,提高工程质量;可以对工程构件进行检测,确保构件的几何尺寸、使用性能和稳定性符合设计要求,提高工程的安全性能;还可以对工程质量进行检测和评估,确保工程质量符合设计要求,延长工程的使用寿命。
因此,公路工程试验检测对于保障公路工程的质量和使用安全具有重要意义。
61、简述超声法在公路工程试验检测中的应用范围及其优缺点。
答案:超声法在公路工程试验检测中可用于测定材料的弹性模量、泊松比、强度等参数,还可用于测定构件的几何尺寸和缺陷位置等。
其优点在于穿透能力强、测量精度高、操作简便、可靠性强等。
交通部公路、水运工程试验检测工程师《交通安全设施》(公路)考试试题B 卷一、单项选择题(每题1 分,共30 题)1、按现行国家标准,二级光膜的结构为()。
A、微棱镜型B、密封胶囊型C、透镜埋入型D、反光涂料型2、现行国家标准中,反光膜色度性能所用的表色系统是()。
A、孟氏表色系统B、YUV 表色系统C、CIE1960 D、CIE1931 3、按现行国家标准,反光膜应储存在通风、干燥,温度在()空间内。
A、1835℃ B、2535℃ C、23℃±5℃ D、21℃±5℃ 4、对于双车道道路,车道中心线一般采用()标线。
A、白色B、黄色C、白黄相间D、白色虚线5、现行交通行业标准中,测量路面标线色性能的仪器是()。
A、D65 光源辉度计B、D65 光源白度计C、D65 光源色度计(色彩色差仪)D、C 光源色度计(色彩色差仪)6、道路交通标线的抗滑摆值不小于()。
A、43BPN B、45BPN C、46BPN D、50BPN 7、路面标线涂料的()是指在相同条件下涂料涂覆物体表面不再透过涂膜而显露出来的能力。
A、遮盖率B、透过率C、遮盖力D、透过力8、路面标线涂料的()是指涂料在相同温度下加热焙烘后剩余物质量与试验质量的比例,以百分数表示。
A、加热残留份B、固体含量C、蜡含量D、加热比密度9、JT/T280《路面标线涂料》中规定热熔型路面标线涂料的不粘胎干燥时间为()。
A、≤3 分钟B、≤10 分钟C、≤15 分钟D、≤35 分钟10、Am 级护栏适用范围为B A、高速公路、汽车专用一级公路路侧B、高速公路、汽车专用一级公路中央分隔带C、路侧特别危险,需要加强保护的路段D、中间带内有重要构造物,需要加强保护的路段11、JT/T457-2001 中规定三波形梁板的标准板采用()宽的薄钢板连续辊压形成型。
A、481mmB、750mmC、760mmD、765mm 12、在预制混凝土护栏中配置一定数量的钢筋主要是为了()。
交通部基本建设质量监督总站公路工程试验检测工程师业务考试(公共基础/判断)专业题答案点/扫我库1.强制性标准,必须执行。
推荐性标准,企业自愿采用。
( )2.水运工程试验检测机构要设有样品室或样品柜,要指定专人管理,并建立完善的样品管理制度。
( )3.检测人员应经考核合格,持证上岗。
( )4.检测机构不得转包检测业务。
( )5.校准是对测量器具计量特性和技术要求的全面评定( )6.水运工程试验检测机构的资质按着资历和人员配备、仪器设备配备、工作制度和检测能力与业务范围分为甲乙丙丁4 个级别。
( )7.取得《等级证书》的公路水运工程试验检测机构可向社会提供试验检测业务。
( )8.取得《等级证书》的公路水运工程试验检测机构在业务范围内出具的试验检测报告,可作为公路水运工程质量评定和工程验收的依据。
( )9.标准规范按其适用范围有国家标准、行业标准和地方标准之分,按其性质有强制性标准和推荐标准两类,交通基本建设的强制性行业标准为JTJ。
( )10.未取得交通建设工程试验检测资质(资格)的试验检测机构和人员不得承担公路水运工程项目试验检测任务。
( )11.检测人员应经考核合格,持证上岗。
( )12.法:法是一种规范,它确定了人的行为的自由程度。
法的本质是国家意志,是国家利益的集中反映。
( )13.2005 年 12 月 1 日起 2002 年 6 月 26 日公布的《交通部水运工程试验检测机构资质管理办法》(交通部令2002 年第4 号)废止。
( )14.检测机构应当建立样品管理制度,提倡盲样管理。
( )15.公路水运工程试验检测机构等级评定工作分为受理、初审、现场评审3 个阶段。
( )16.从事检测或校准的工作人员的能力是他们自己的事情,于实验室管理体系无关。
( )17.检测人员不得借工作之便推销建设材料、构配件和设备。
( )18.建设行政执法:是指各级建设行政主管部门对其所属工作机构极其行政执法人员和其下级建设行政主观部门实施建设法律、法规、规章和其他规范性文件的行政行为进行监督检查的活动。
公路检测工程师《交通工程》试题及答案(最新)1、[单选题]气象检测器的湿度检测器的测量误差应()。
A.±5%R.HB.±3%R.HC.±2%R.HD.±1%R.H【答案】A2、[单选题]ETC系统中具有读写功能的设备为()。
A.车载电子标签B.路侧无线读写器C.车道控制计算机D.车辆检测器【答案】B3、[判断题]反光膜耐盐雾腐蚀性能试验时,试样在盐雾空间连续暴露时间为72h。
()A.正确B.错误【答案】B4、[选择题]请回答隧道照明基本要求的相关问题。
(2)高速公路隧道应设置照明的长度为()。
A.大于100mB.大于200mC.大于300mD.大于500m【答案】B5、[单选题]Ⅵ类反光膜通常为微棱镜型结构,有金属镀层,使用寿命一般为()。
A.3年B.5年C.7年D.10年【答案】A【解析】Ⅵ类反光膜通常为微棱镜型结构,有金属镀层,使用寿命一般为3年。
6、[单选题]JTGF80/2-2004中,数字程控交换系统工作电压的规定值应为()。
A.40VB.-57~40VC.57VD.-57~-40V【答案】D【解析】实测项目及检测方法见表3-9-1数字程控交换系统实测目录表中检查项目1、△工作电压的规定值为-57~-40V,检查方法:用万用表实测7、[判断题]隔离栅上下两道刺钢丝的间距不宜大于250mm,一般以150~200mm为宜。
()A.正确B.错误【答案】A8、[判断题]常温溶剂型路面标线涂料干燥时间小于30min。
()A.正确B.错误【答案】B【解析】常温溶剂型路面标线涂料出现于20世纪30年代,是一种传统的液态标线涂料,含有大量的易挥发溶剂,严重污染环境,使用效果一般,其固体含量多在60%~70%之间,常温条件下采用喷涂方式施工,不黏胎,干燥时间小于15min,形成的涂膜较薄,干膜厚度一般在0.3~0.4mm之间。
9、[多选题]GB5768-2009中规定实线段和间隔的长度分别为2m和2m及()。
公路检测工程师《交通工程》试题及答案(新版)1、[判断题]钢管、钢板、钢带、紧固件、连接件的涂塑层厚度均为0.38mm。
()A.正确B.错误【答案】A2、[多选题]公路数据通信网具有的特点()。
A.面向终端通信网B.专用数据通信网C.环形链路D.数据通信网上的局域计算机网【答案】ABCD3、[多选题]热熔刮涂施工设备按其动力方式可分为()。
A.手推式B.自行式C.车载式D.便携式【答案】ABC4、[单选题]线缆式感温型火灾自动报警系统在进行模拟点火试验时,可以不考虑的工况是()。
A.风速B.阻挡C.污染D.烟火【答案】B5、[单选题]车辆检测器、气象检测器、可变情报板、闭路电视系统设备等外场设备的安全保护接地电阻一般要求为()。
A.≤1ΩB.≤4ΩC.≤10ΩD.≤15Ω【答案】B6、[单选题]某10kV架空线,输电线路长9.71km,导线电阻为0.103Ω/km,该线路输送的有功功率为300kW,负载的平均功率因数为0.88,该线路的功率损耗为()。
A.11.62kWB.1.162kWC.0.116kWD.3kW【答案】B7、[单选题]反光膜收缩性能试验后,任何一边的尺寸在10min内,其收缩不应超过()。
A.0.5mmB.0.8mmC.1.0mmD.1.5mm【答案】B8、[单选题]从收费作弊贪污的可能性出发,为防止收费员利用车型作弊贪污,此时应选择收费制式为()。
A.均一式B.开放式C.封闭式D.ETC【答案】D9、[判断题]入射光方向变化较大时,反射光仍从接近入射光的反方向返回称逆反射。
()A.正确B.错误【答案】A【解析】逆反射是光线反射的一种特殊类型。
依据逆反射原理制成的材料或物体称逆反射材料或逆反射体。
10、[选择题]请回答隧道照明基本要求的相关问题。
(4)照明设计路面亮度总均匀度(U0)为()。
A.双车道单向交通N≥2400,双车道双向交通N≥1300时,U0≥0.3B.双车道单向交通N≥2400,双车道双向交通N≥1300时,U0≥0.4C.双车道单向交通N≤700,双车道双向交通N≤360时,U0≥0.2D.双车道单向交通N≤700,双车道双向交通N≤360时,U0≥0.3【答案】BD11、[选择题]回答隧道照明基本要求的提问。
2023年公路试验检测工程师考试(公共基础)一、单项选择题1、为社会提供公证数据旳产品质量检查机构必须经( A )以上旳人民政府计量行政部门对其计量检定、测试旳能力和可靠性考核合格。
A、省级 B、市级C、县级D、乡(镇)级2、(C)以上地方产品质量监督部门,可以根据需要设置检查机构,或者授权其他单位旳检查机构,对产品与否符合原则进行检查。
A、省级B、市级 C、县级 D、乡镇级3、( C )以上产品质量监督部门在行政区域内也可以组织监督抽查。
A、省级B、市级C、县级D、乡镇级4、国家监督抽查旳产品,地方( B )另行反复抽查;上级监督抽查旳产品,下级( B )另行反复抽查。
A、可以;可以B、不得;不得C、可以不得D、不得可以5、产品质量检查机构、认证机构伪造检查成果或者出具虚假证明旳,责令改正,对单位处(A)旳罚款,对直接负责旳主管人员旳其他直接负责人员处( A )旳罚款。
A、五万元以上十万元如下;一万元以上五万元如下B、十万元以上二十万元如下;五万元以上十万元如下C、一万元以上五万元如下;五千元以上一万元如下D、二十万元以上三十万元如下;十万元以上二十万元如下6、进行监督抽查旳产品质量不合格,逾期不予改正旳由省级以上人民政府产品质量监督部门予以公告,公告后经查仍不合格旳(A)。
A、责令停业,限期整顿B、吊销营业执照C、责令停止生产、销售,并处违法生产、销售产品货值金额百分之30如下旳罚款D、向工商行政管理部门及有关部门申诉7、国务院发展计划部门按照国务院规定旳职责,组织稽查特派员,对( A)实行监督检查。
A、国家出资旳重大建设项目B、国家重大技术改造项目C、房屋建筑工程D、市政基础设施工程质量8、(D )按照国务院规定旳职责,对国家重大技术改造项目实行监督检查。
A、国务院发展计划部门B、建设行政主管部门或者其他部门C、国务院铁路、交通、水利等有关部门D、国务院经济贸易主管部门9、国务院原则化行政主管部门( D )国务院有关行政主管部门建立行业认证机构进行质量认证工作。
四、问答题(共5道题,每题10分,共50分)1、半刚性基层沥青面层当采用3.6m贝克梁测定弯沉时,为什么要进行支点变形修正?并试述支点变形修正方法。
2、试述目前路面平整度测试方法及其相应的技术指标。
3、试述水泥稳定粒料基层实测项目及相应检测方法。
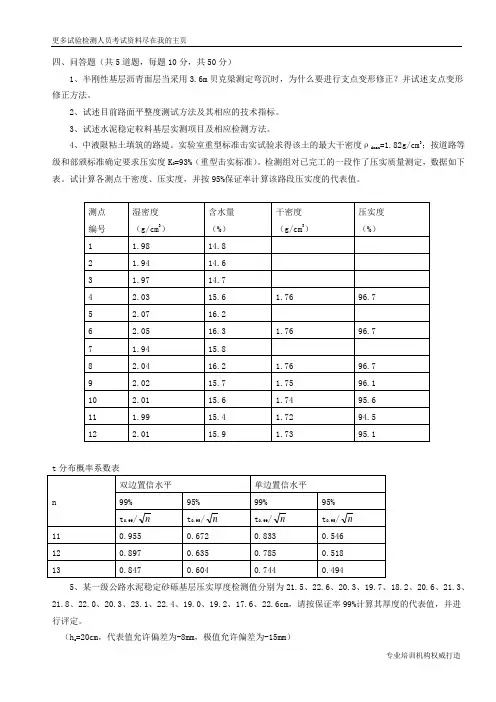
4、中液限粘土填筑的路堤。
实验室重型标准击实试验求得该土的最大干密度ρdmax=1.82g/cm3;按道路等级和部颁标准确定要求压实度K0=93%(重型击实标准)。
检测组对已完工的一段作了压实质量测定,数据如下表。
试计算各测点干密度、压实度,并按95%保证率计算该路段压实度的代表值。
5、某一级公路水泥稳定砂砾基层压实厚度检测值分别为21.5、22.6、20.3、19.7、18.2、20.6、21.3、21.8、22.0、20.3、23.1、22.4、19.0、19.2、17.6、22.6cm,请按保证率99%计算其厚度的代表值,并进行评定。
(h s=20cm,代表值允许偏差为-8mm,极值允许偏差为-15mm)(已知:t0.95/4=0.438, t0.99/4=0.651)四、问答题1、由于半刚性基层的弯沉盆较大,一般应采用5.4m的弯沉仪进行测定,当采用3.6m弯沉仪测定时,弯沉仪支点往往也有变形,使得实测结果偏小,因此应进行支点修正。
修正方法为:(1)应采用两台弯沉仪同时检测,检测支点用的弯沉仪(第二台)安装在测定用的弯沉仪(第一台)的后方,其测点架于测定用弯沉仪的支点旁;(2)当汽车开出时,同时测定两台弯沉的读数;(3)当在同一结构层上测定时,可在不同的位置测定5次,求其平均值,以后每次测定时以此作为修正值;(4)支点修正公式:L T= (L1 -L2)×2+(L3 -L4)×62、(1)3m直尺法技术指标: 最大间隙h(mm)(2)连续式平整度仪法技术指标: 标准差σ(mm)(3)颠簸累积仪单向累计值: VBI(cm/km)3、(1)压实度采用灌砂法检测;(2)平整度用3m直尺法检测;(3)纵断面高程采用水准仪检测;(4)宽度采用尺量;(5)厚度采用钻芯法取样检测;(6)横坡采用水准仪检测;(7)强度采用钻芯法取样进行无侧限抗压强度检测。
2023 年大路检测工程师《交通工程》练习试题:交通安全设施含答案单项选择题1[.单项选择题]标志板外表应无明显凹痕或变形,板面不平度不应大于。
A.3mm/mB.5mm/mC.7mm/mD.9mm/m[答案]C[解析]标志板外表应无明显凹痕或变形,板面不平度不应大于7mm/m。
2[.单项选择题]涂料对标志底板的附着性能应到达。
A.一级以上B.二级以上C.三级以上D.四级以上[答案]C[解析]《道路交通标志板和支撑件》(GB/T23827-2023)对反光型标志中普遍使用的黑膜的附着性能提出了要求,规定反光膜及黑膜在5min 后的剥离长度不应大于20mm。
另外,该标准规定涂料对标志底板的附着性能应到达《漆膜附着力测定法》(GB/T1720-1979)中三级以上的要求。
3[.单项选择题]交通安全设施产品的测试预备内容包括试样的制备和。
A.测试标准B.测试环境条件C.测试仪器D.测试技术规程[答案]B[解析]测试预备包括试样的制备和测试环境条件的保证两方面的内容。
4[.单项选择题]为了保证测试环境条件,要求试样测试前在测试环境中放置。
A.8hB.12hC.24hD.48h[答案]C[解析]为了保证测试环境条件,要求试样测试前在测试环境中放置24h.5[.单项选择题]磁性测厚仪用于测量。
A.磁性基体以上涂层厚度B.非磁性金属基体上的涂层厚度C.磁性非金属基体上的涂层厚度D.非磁性非金属基体上的涂层厚度[答案]A[解析]磁性测厚仪用于磁性基体以上涂层厚度的测量。
对于镀锌构件,由于存在锌铁合金层,该设备存在肯定的测量误差,当需要对镀锌层厚度进展仲裁检验时,不能承受该方法,而应承受氯化锑法。
6[.单项选择题]电涡流测厚仪用于测量。
A.磁性基体以上涂层厚度B.非磁性金属基体上的涂层厚度C.磁性非金属基体上的涂层厚度D.非磁性非金属基体上的涂层厚度[答案]B[解析]电涡流测厚仪用于测量非磁性金属基体上的涂层厚度。
公路检测工程师《交通工程》试题及答案(最新)1、[单选题]高速公路通信系统基本的主干线传输方式应优先选()。
A.光纤通信B.微波通信C.卫星通信D.数字通信【答案】A2、[单选题]项目()不属于环形线圈检测项目。
(1/47)A.车长B.车高C.车速D.交通量【答案】B3、[选择题]试回答以下交通标志外观质量检查的问题。
标志板面其余缺陷检查是()。
A.在白天环境中B.用4倍放大镜来进行检查C.用20倍放大镜来进行检查D.目测检查【答案】ABD4、[单选题]车道车辆检测器计数精度偏差为≤0.1%,实测方法为人工记数核对,要大于()。
A.100辆B.300辆C.500辆D.1000辆【答案】D5、[单选题]紧固件、防阻块、托架三点法试验单面最低锌附着量为()。
A.225g/m2B.275g/m2C.325g/m2D.375g/m2【答案】B【解析】依据JT/T281-2007P15根据表15可以看出:波形梁板、立柱、端头用三点法试验平均锌附着量(单面)为600g/m2;用三点法试验最低锌附着量(单面)为425g/m2;紧固件、防阻块、托架用三点法试验平均锌附着量(单面)为350g/m2;用三点法试验最低锌附着量(单面)为275g/m2。
6、[单选题]若三相四线制供电系统的相电压为220V,则线电压为()。
A.220VB.220√2VC.220√3VD.380√2V【答案】C【解析】线电压计算相电压的计算公式:相电压(即相线对零线的电压)=线电压(即相线之间的电压)/√3。
7、[判断题]热塑性粉末涂料粉体成膜过程属于化学交联变化。
()A.正确B.错误【答案】B【解析】无交联反应。
8、[多选题]在质量检验评定中,照明设施安装的实测项目包括()。
A.高杆灯灯盘升降功能测试B.亮度传感器与照明器的联动功能C.自动手动方式控制全部或部分光源开闭D.定时控制功能【答案】ABCD9、[单选题]安全色红色的对比色为()。
交通部基本建设质量监督总站公路工程试验检测工程师业务考试(公共基础/多选)专业题库1.设备误差按其来源分为()。
A.标准器误差B.环境误差C.仪表误差D.附件误差2.服从正态分布的随机误差具有以下特点()。
A.单峰性B.对称性C.有界性D.抵偿性3.控制图可用来判断生产是否正常,是否处于稳定状态。
其判别标准可归纳为()。
A.控制图上的点子呈周期性变动B.控制图上的点子不超过控制下限C.控制图上的点子不超过控制上限D.控制图上的点子不超过控制界限E.控制图上的点子的排列没有缺陷4.样本的采取方法有()。
A.单一取样B.分层取样C.系统取样D.两级取样5.测量数据的表达方法有()。
A.表格法B.计算法C.图示法D.经验公式法6.常用的调查表格式有()。
A.不合格项目分类统计的调查表B.工序质量特性分布统计分析调查表C.调查缺陷位置的统计分析调查表D.综合调查表7.下列关于控制图的叙述,正确的是()。
A.控制图又称管理图B.用于某过程由于异常原因引起的变化及由于偶然原因引起的变化C.是一种动态控制方法D.控制图是一种静态控制方法8.检查批量生产的产品一般有如下哪几种方法()。
A.全数检查 B.半数检查C.抽样检查D.随机检查E.统计检查9.采用抽样检验的原因在于()。
A.破坏性检验不可能对全部产品都做检验B.检验量比较大,对所有进行检验不太可能C.抽样检验能科学地反映一批产品的质量情况D.抽样检验结果能完全反映产品质量10.下列说法正确的是()。
A.小概率事件的概率小于 0.01B.小概率事件在大量的重复试验中出现的频率很小C.概率总是介于 0 和 1 之间D.频率就是概率11.试验检测的主要技术标准按其性质分为()。
A.国家标准 B.行业标准C.强制性标准D.推荐性标准12.《计量法实施细则》第五十一条规则的违法行为包括()。
A.使用不合格的计量器具B.破坏计量器具准确度C.伪造数据D.涂改数据13.《计量法》中所标的“公正数据”具有()。
公路检测工程师《交通工程》试题及答案(新版)1、[选择题]回答下列防腐涂层厚度检测的问题。
(3)涂层测厚仪检测前要校准。
校准方法为()。
A.仪器自动校准B.通过自检程序校准C.激光校准D.用探头测量校准试块校准【答案】D【解析】涂层测厚仪检测前必须用探头测量校准试块自校。
2、[选择题]试回答通信管道工程质量检验评定标准的问题。
(4)通信管道工程质量检验评定的实测方法有()。
A.用量具实测B.查隐蔽工程验收或随工验收记录,必要时剖开复测C.拉棒法实测D.气吹法实测【答案】ABCD3、[单选题]从收费效率和车辆缴费延误的角度考虑,最合适的收费制式是()。
B.开放式C.封闭式D.半封闭【答案】A4、[单选题]玻璃纤维增强塑料产品耐自然暴露性能试验后其弯曲强度性能保留率不小于试验前的()。
A.60%B.75%C.80%D.85%【答案】A5、[选择题]试回答LED主动发光道路交通标志性能检验项目的问题。
(5)正常批量生产时,发光标志型式检验的周期为()。
A.半年一次B.每年一次C.两年一次D.三年一次6、[多选题]隔离设施地势起伏大的地区适用的隔离栅类型()。
A.焊接卷网B.钢板网C.编织卷网D.编织片网。
E,焊接片网【答案】ACDE【解析】地形起伏较大的路段,隔离栅可沿地形顺坡设置卷网,或将地形整修成阶梯状,采用片网。
隔离栅改变方向处应做拐角设计。
7、[单选题]公称直径16mm,8.8S级高强度拼接螺栓连接副抗拉荷载不小于()。
A.113kNB.133kNC.153kND.173kN【答案】B【解析】高强度拼接螺栓连接副螺杆公称直径为16mm,拼接螺栓连接副整体扰拉荷载不小于133kN。
8、[单选题]道路交通标志产品测试环境条件一般为()。
A.温度23℃±2℃、相对湿度50%±10%B.温度24℃±2℃、相对湿度55%±10%C.温度25℃±2℃、相对湿度60%±10%D.温度25℃±2℃、相对湿度65%±10%【答案】A【解析】环境条件:要求试样测试前,在温度23℃±2℃、相对湿度50%±10%的环境放置24h。
公路检测工程师《交通工程》试题及答案(最新)1、[多选题]测得柱式轮廓标柱体的色品坐标白色(0.310,0.325)和亮度因数(0.8),则()。
A.柱体色品坐标合格B.柱体色品坐标不合格C.亮度因数合格D.亮度因数不合格【答案】AC2、[判断题]非强制性标准在合同中一经选用,对于使用者来说,该标准即由推荐性标准变成为强制性标准。
()A.正确B.错误【答案】A【解析】非强制性标准具有相对性。
3、[单选题]不属于收费系统测试的内容是()。
A.数据处理统计报表及打印记录测试B.紧急电话系统测试C.告警及寻常处理功能测试D.安全性及保密性测试【答案】B4、[单选题]下列检测设备中,属于交通信息检测设备的是()。
A.火灾检测器B.能见度检测器C.冰、雪检测器D.视频车辆检测器【答案】D【解析】视频车辆检测器是采用视频图像处理技术,对交通动态信息进行检测的设备。
它可实时监测和传送车流量、车辆速度、占有率、排队长度等交通信息,实现对交通流的疏导与控制或作进一步分析处理用的检测器。
视频车辆检测器主要由视频检测摄像机和视频处理器等组成。
5、[单选题]轮廓标底板、支架的钢构件热浸镀锌的镀锌层最小厚度应不小于()。
A.39μmB.50μmC.70μmD.85μm【答案】A6、[多选题]防眩板放样施工中的质量控制为()。
A.支架放样应先确定控制点B.确定控制点间距C.放样应符合设计要求D.确定预留预埋点并施工【答案】ABC【解析】防眩板支架放样,应先确定控制点(如桥梁),控制点间距、放样应符合设计要求。
7、[判断题]隧道应急供电系统的容量应和正常供电系统的容量一样大。
()A.正确B.错误【答案】B【解析】8、[单选题]双组分路面标线涂料是一种()路面标线涂料。
A.化学反应型B.生物化学反应型C.物理反应型D.原子反应型【答案】A9、[判断题]A1类突起路标由工程塑料或金属等材料基体和微棱镜逆反射器组成。
()A.正确B.错误【答案】A【解析】A1类突起路标:由工程塑料或金属等材料基体和微棱镜逆反射器组成的逆反射突起路标。
试验工程师考试试题(土工)一、单选题1、根据《公路土工试验规程》土的工程分类一般为:()A、粗粒土、中粒土、细粒土B、巨粒组、粗粒组、细粒组C、巨粒土、中粒土、细粒土D、粗粒组、中粒组、细粒组2、低液限土,高液限土的液限分界点是()A、60B、55C、50D、453、用简易鉴别方法,观察某土样具有手感滑腻,无砂粒,捻而光滑,可判定该土样()A、塑性高B、塑性低C、塑性中等D、粘性差4、土击实完毕后,规定土样高出击实筒不应超过()A、3mmB、4mmC、5mmD、6mm5、土的击实试验是确定一定击实功下密度与()关系A、孔隙B、含水量C、土体性质D、土颗粒组成6、沉降法进行土颗粒分析时,适用于土颗粒粒径小于()mm情况A、0.5B、0.074C、0.02D、0.0027、土的工程性质之所以复杂,其主要原因是()在土的三相物质中形成一不确定的因素。
A、土粒B、空气C、水D、含水量8、含石膏土和存机质土的含水量试验,烘箱温度控制在()A、105—110℃B、65—70℃C、90—95℃D、75—80℃9、砂类土用相对密度Dr来表明密实状态,密实状态时Dr值为()A、Dr≤1/3B、1/3<Dr ≤2/3C、Dr>2/3D、Dr >3/410、土的比重试验,均须进行两次平行测定,取其算术平均值,其平行差值不得超过()A、0.02g/cm3B、0.05 g/cm3C、0.03 g/cm3D、0.04 g/cm311、为求得土的抗剪强度参数值,通常至少需要()个以上土样A、3B、4C、5D、612、若试样烘烤24h后试样的液限小于烘烤前的(),该试样为有机质土A、3/4B、2/3C、1/2D、1/313、重型击实试验时,细粒击实层数为()A、3B、4C、5D、3—514、搓条法测定土的塑限时,要求把土条搓成()mm时,再观察断裂情况A、3B、4C、5D、3—515、液塑限试验前,试样应过()mm筛A、0.2B、0.25C、0.5D、0.616、素土与水泥无机结合料烘干时,在()上有一定区别A、烘箱预热温度B、烘箱预设温度C、烘箱加热速度D、烘箱热效率17、对土而言,蜡封法测定的密度值()其它方法的测定值A、小于B、大于C、等于D、18、关于承载比试验结果应根据每组件的偏差系数的大小,进行取舍,当变异系数大于()时,去掉一个偏离大的值A、10%B、12%C、15%D、20%19、比重计法,当悬液温度不是()℃,应进行温度校正A、15B、18C、20D、2520、关于土的剪切试验,快剪与慢剪的区别在于()A、快剪允许固结且排水B、快剪不产生排水固结C、慢剪不产生排水固结D、慢剪产生固结,但不允许排水二、多项选择题1、土的含水量试验方法有()A.容积法B、炒干法C、碳化钙气压法D、烘干法2、反映土吸附结合水能力的特性指标有()A、液限WLB、塑限WpC、含水量D、塑性指数Lp3、直剪试验分为()A、快剪试验B、固结慢剪试验C、固结快剪试验D、慢剪试验4、密度是土的基本物理指标之一,测定密度常用的方法有()等A、环刀法B、蜡封法C、灌砂法D、灌水法5、关于静力触探下列描述正确的是()A、静力触探具有连续、快速、灵敏、简便的特点B、以一定的贯入速度贯入土中,根据探头的阻力,可间接确定土的特理性能C、根据经验,可划分土层D、测试深度可达50m,但不能对土进行直接观察和描述6、灌砂法为了提高试验测试精度,下列说法正确的是()A、量砂如果重复使用,应晾干,否则影响其松方密度B、每换一次量砂,都必须测定松密度C、地表面处理要平整D、测试厚度必须小于15CM7、关于核子仪使用注意事项,下列描述正确的是()A、仪器在非检测状态时,应将手柄放在安全位置B、测试时,与人保持2M以上距离C、仪器不使用时,应存放在试验室内,专人保管D、仪器应严禁受潮8、现场承载板法测定土基模量时,下列说法错误的是()A、加载设备可选用后轴重不小于60KN的载重汽车B、仔细平整土表面,并覆盖一层细砂C、安放承载板,调整百分表读数,即逐级加载D、在试验点取样,测定含水量,并在试点旁适当位置测土基密度9、对土基现场CBR值测度描述正确的是()A、路基强度越高,贯入量为2.5mm或5.0mm时的荷载越大,即CBR值越大B、测点直径30cm范围表面必须找平C、卸载后测压实度和含水量D、测定的CBR值可用于施工强度检验或评定10、关于土的含水量试验,操作正确的是()A、烘干法必须在105—110℃下烘至恒重。
适用于粘质土、粉质土、砂类土和有机质土B、燃烧法适用于测定细粒土的含水量C、燃烧应连续三次以后才能称重D、烘干时间在4小时以上11、关于土的密度试验,说法正确的是()A、环刀法适用于细粒土B、蜡封法适用于易破裂土和不规则的坚硬土C、灌水法适用于粒径较大的粗粒土和巨粒土D、灌砂法有测定厚度的要求,一般为15—20cm12、环刀法测密度时,描述正确的是()A、环刀容积不能过小,取土深度不同,结果不同B、靠近路表的结果偏大C、靠近本层下部时,测得的结果偏小D、压入土层越紧密,测度结果越准确13、关于压实度评定,正确的说法是()A、单点压实度必须全部合格B、当施工段落短时,压实度应点点符合要求,且样本数量应不小于6个C、计算压实度小于压实度标准值时,评为零分D、计算压实度小于压实度标准值时,评为零分,计算合格率14、土的分类依据,描述正确的是()A、土的含水量B、土的塑造性C、土的颗粒组成特征D、土中有机质存在的情况15、关于土的含水量试验,下列说法正确的是:()A、以烘干法为室内的标准方法B、烘干时间因土质不同而不同C、所取试样重量与土类有关D、酒精纯度要求达到95%三、判断题1、固结快剪试验就是对试样施加法向压力和剪力时,都不允许试样产生排水固结()2、土工试验规程中,将土分为巨粒土、粗粒土、细粒土和特殊土()3、对于有机质含量超过5%的土,烘干时温度应较低()4、粗粒土和巨粒土,最大干密度可用振动台法()5、灌砂筒内砂面的高度、对砂的密度有影响,因此,现场检测时应与标定时的砂面高度一致()6、对于塑液限联合测定法,最具影响精度的点是靠近液限的试样含水量()7、干土法和湿土法测定最大干密度和最佳含水量,数值基本无差别,选择哪种方法都可()8、剪切速度对砂土抗剪强度影响少,对粘性土影响大()9、标准贯入试验时,先打入15cm,然后继续贯入30cm,记录总贯入击数N()10、烘干试样后,应尽快称重,否则影响试验结果()四、简答题1、土样击实试验时,有大粒径颗粒时,如何处理?2、简述落球仪测定现场CBR值试验技术要点3、快剪和慢剪的实质区别是什么?4、简述有机质土的判别方法。
五、测试题1、正确描述杠杆压力仪测定土体回弹模量的操作步骤。
A、同时施加下一级荷载,如此逐级加卸载,记录千分表读数至最后一级荷载B、安放承载板与杠杆压力仪对正,安装千分表C、调正承载板位置,将千分表调到接近满量程位置,准备试验D、用预定的最大压力进行预压E、每级加载时间为1min,记录读数F、同时卸载,让试件恢复变形,再次记录千分表读数G、把试件安放在杠杆压力仪底盘上2、简述液塑限试样制备土样的要求答案一、1、B 2、C 3、A 4、C 5、B 6、B 7、D 8、B 9、C 10、A11、B 12、A 13、C 14、A 15、C 16、A 17、A 18、B 19、C 20、A二、1、BCD 2、ABD 3、ACD 4、ABCD 5、ABCD 6、ABC 7、ABD8、BC 9、ABC 10、BC 11、ABCD 12、ABC 13、BC 14、BCD15、ABCD三、1、×2、√3、√4、√5、√6、×7、×8、√9、×10、×四、1、答:当土样中>5mm粒径含量小于总含量的30%时,求出试粒中粒径大于5mm颗粒含量,取出大于5mm颗粒,仅把小于5mm粒径的土做击实试验,并进行最大干密度和最佳含水量进行较正。
2、答:(1)将测点土基表面刮平(2)将落球置于测点,使球体自由落下,测得球陷痕迹直径(3)计算现场CBR值(4)通过对比试验,换算为室内CBR值后,再用于评定土基强度3、答:快剪不允许产生排水固结,用较快的速度将试样剪损。
慢剪必须在应力作用下完全固结,然后使土样慢速施加水平剪至剪损为止。
4、答:可目测、手摸、嗅感判别。
多呈黑色或暗色,有臭味,有弹性和海绵感(1)烘烤,将试样在105—110℃烘箱中烘烤,24h后液限小于烘前的3/4,即为有机质土。
(2)检测按土工试验规程进行有机质含量测定,予以判别。
五、1、答:G—B—D—C—E—F—A2、答:取代表性土样,风干后,过0.5mm筛,取筛下代表性土样制备土样,含水量分别控制在液限(a点)略大于塑限(c点)和二者中间;用调土刀调匀,盖上湿布,放置18小时以上,备用。