华中科技大学模电试题
- 格式:ppt
- 大小:470.00 KB
- 文档页数:17
模拟电子技术基础_华中科技大学中国大学mooc课后章节答案期末考试题库2023年1.理想运算放大器的参数是开环电压增益Avo = ,输入电阻ri = ,输出电阻ro = 。
参考答案:∞,∞,02.放大电路中,运算放大器的反相输入端为虚地,而放大电路中,运算放大器的两个输入端对地电压是不为零的。
参考答案:反相,同相3.欲将方波电压转换为三角波电压,应选用。
参考答案:积分运算电路4.欲将方波电压转换为尖脉冲电压,应选用。
参考答案:微分运算电路5.欲将输入电压信号放大-100倍,应选用。
参考答案:反相输入式放大电路6.在运算放大器构成的线性运算电路中一般均引入负反馈。
参考答案:正确7.在线性运算电路中,集成运放的反相输入端均为虚地。
参考答案:错误8.电压跟随器的电压增益为1,所以其对信号放大没有贡献。
参考答案:错误9.在选择整流元件时,只要考虑负载所需的直流电压和直流电流。
参考答案:错误10.图示电路中,图中A点对地的电压为_____,B点对地的电压为_____。
【图片】参考答案:+15V,-15V11.在单相桥式整流电容滤波电路中,输出电压的平均值VL与变压器副边电压有效值V2的关系为通常为_______。
参考答案:VL=1.2 V212.图示电路满足正弦波振荡的相位平衡条件。
【图片】参考答案:正确13.只要满足相位平衡条件,且【图片】,就能产生自激振荡。
参考答案:正确14.若希望在输入电压小于-3V时,输出电压为高电平;而在输入电压大于+3V时,输出电压为低电平。
可采用________电压比较器。
参考答案:反相迟滞15.单门限比较器只有______个门限值,而迟滞比较器则有______个门限电压值。
参考答案:1,216.设计一个输出功率为100W的功率放大电路,则该功放电路的每个功放管的最大管耗至少应该为。
参考答案:20W17.为了使负载获得尽可能大的功率,对功率放大电路的基本要求是。
参考答案:输出信号的电压和电流都尽可能大18.只要基本放大电路的幅频响应在0dB以上的衰减斜率只有-20dB/十倍频,那么由电阻网络引入任何深度的负反馈时,都不会产生自激振荡。
数字电子技术基础_华中科技大学中国大学mooc课后章节答案期末考试题库2023年1.计算CMOS逻辑门的扇出数时,只使用静态的输入电流和输出电流计算。
参考答案:错误2.某时序电路的状态转换图如图所示,若输入序列X = 110101(从最左边的位依次输入)时,设起始状态为【图片】,则输出序列为。
【图片】参考答案:1011013.JK触发器有使输出不确定的输入条件。
参考答案:错误4.所有触发器的建立时间都不为零。
参考答案:正确5.由或非门构成的基本SR锁存器在S=1、R=0时,将使锁存器进入置位状态。
参考答案:正确6.锁存器和触发器都属于双稳态电路,它们存在两个稳定状态,从而可存储、记忆1位二进制数据。
对吗?参考答案:正确7.CMOS门电路的特点:静态功耗;而动态功耗随着工作频率的提高而;输入电阻;抗干扰能力比TTL 。
参考答案:极低;增加;很大;高8.74LVC系列CMOS与非门在+3.3V电源工作时,输入端在以下哪些接法下属于逻辑0(74LVC系列输出和输入低电平的标准电压值为【图片】)?参考答案:输入端接低于0.8V的电源_输入端接同类与非门的输出低电平0.2V_输入端接地_输入端到地之间接10kΩ的电阻9.下列哪些CMOS门可以将输出端并接使用?参考答案:漏极开路(OD)输出_三态(TS)输出10.根据最简二进制状态表确定输出函数表达式时,与所选触发器的类型无关。
参考答案:正确11.下图各个CMOS电路中,V IL、V IH分别为输入低、高电平。
指出输出高电平的电路有。
参考答案:_12.传输延迟时间是表征门电路开关速度的参数,它说明门电路在输入脉冲波形的作用下,其输出波形相对于输入波形延迟了多长时间,其数值与电源电压VDD及负载电容的大小有关。
参考答案:正确13.按照制造门电路晶体管的不同,集成门电路分为MOS型、双极型和混合型。
对吗?参考答案:正确14.下图中,A、B为某逻辑电路的输入波形,Y为输出波形,则该逻辑电路为。
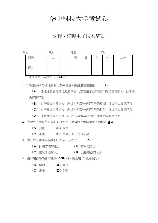
华中科技大学考试卷课程:模拟电子技术基础专业 ____________ 班号__________ 姓名_______________ 学号 ________________一、选择填空(每空2分共24分)1.非线性失真与线性失真(频率失真)的最主要差别是 D 。
(A)非线性失真使信号波形中任一点的幅值没有得到同样倍数的放大,而线性失真则不然;(B)对于周期信号来说,非线性失真改变了信号的周期,而线性失真则没有;(C)对于周期信号来说,非线性失真改变了信号的相位,而线性失真则没有;(D)非线性失真使信号中出现了新的谐波分量,而线性失真则没有。
2.多级放大电路与组成它的任何一个单级放大电路相比,通频带B □(A)变宽(B)变窄(C)不变(D)与单级放大电路无关3.差分放大电路共模抑制比的大小反映了 A 。
(A)抑制零漂的能力(B)带负载能力(C)差模增益的大小(D)共模增益的大小4.当有用信号的频率低于100Hz时,应采用A 滤波电路。
(A)低通(B)高通(C)带通(D)带阻5. ______________________________________________________ 放大电路如图1-1所示。
帯负载能力最强的放大电路是__________________________图1-16.在图1・2所示的两个电路中,它们的输入电阻Z间的关系是一C(A)尺|=Ri2=lkQ(B)/?u > R i2(C)R“ < 峙2(D)Rji = R[2 = oo图1-27. 场效应管放大电路如图1-3所示。
已知FET 的%】,设电容对交流信号呈现的阻抗 均很小,可视为短路。
(1) 该放大电路通频带内的电压增益为(2)该放大巾.路的输入巾阻为 B 8. RC 桥式正眩波振荡电路如图1—4所不。
(1) ________________________________________________ 当电路有稳泄的输出波形时,电阻&与尺2的关系应满足 _____________________________________________________ B(A) R2=R\(B) R 2=2R X(C) R2=3R\ (D) R 2 =*&(2) ____________ 当观察到电路的输出波形变成幅值约 为±12V 的方波吋,电路可能存在的故障 是 ___ 。
大学模电试题及答案一、选择题(每题2分,共20分)1. 在模拟电路中,运算放大器的理想输入电阻是:A. 无穷大B. 零C. 1欧姆D. 1千欧姆2. 以下哪个元件不是模拟电路中常用的元件?A. 电阻B. 电容C. 电感D. 逻辑门3. 模拟信号放大电路中,负反馈的主要作用是:A. 增加增益B. 减小增益C. 增加稳定性D. 减小稳定性4. 运算放大器的输出电压与输入电压的关系是:A. 线性关系B. 非线性关系C. 无关系D. 取决于反馈类型5. 以下哪种耦合方式不适用于模拟电路?A. 直接耦合B. 阻容耦合C. 变压器耦合D. 光电耦合6. 模拟电路中的滤波器按照频率响应可以分为:A. 低通滤波器B. 高通滤波器C. 带通滤波器D. 所有以上7. 以下哪个参数不是运算放大器的主要性能指标?A. 增益带宽积B. 电源电压C. 输入偏置电流D. 共模抑制比8. 在模拟电路设计中,通常使用哪种方法来减小噪声?A. 增加电源电压B. 使用低噪声元件C. 增加信号频率D. 减少信号幅度9. 模拟电路中的积分器和微分器分别对应数学中的:A. 微分和积分B. 积分和微分C. 加法和减法D. 乘法和除法10. 模拟电路中的振荡器产生的波形是:A. 正弦波B. 方波C. 三角波D. 所有以上二、填空题(每空1分,共10分)1. 运算放大器的______反馈可以提高电路的稳定性。
2. 在模拟电路中,______电路通常用于信号的放大。
3. 模拟电路中的______元件可以改变电流的方向。
4. 模拟电路中的______元件可以储存电荷。
5. 模拟电路中的______元件可以储存磁能。
6. 运算放大器的______参数表示其对共模信号的抑制能力。
7. 模拟电路中的______滤波器可以允许低频信号通过,而阻止高频信号。
8. 模拟电路中的______滤波器可以允许高频信号通过,而阻止低频信号。
9. 模拟电路中的______滤波器可以允许特定频率范围内的信号通过。
模拟电子技术基础试卷及参考答案试卷二(本科)及其参考答案试卷一、选择题(这是四选一选择题,选择一个正确的答案填在括号内) (共22分)1 .某放大电路在负载开路时的输出电压 4V ,接入12k 1的负载电阻后,输出电压降为3V ,这说明放大电路的输出电阻为() a. 10kl ]b. 2kl 】c. 4kl 】d. 3 k 」2 .某共射放大电路如图1-2所示,其中Rb=4701 iR =21 ,若已知17V , 0.7V ,1.61' =50,则说明()■V o V CE 7A V=10 a.V iV BE0.7- V o-I e R c-1 2 A V3b.V i V BE0.73 .为了使高内阻信号源与低阻负载能很好地配合,可以在信号源与低阻负载间接入 ()。
a. 共射电路5. 工作在电压比较器中的运放与工作在运算电路中的运放的主要区别是,前者的运放 通常工作在()。
b. 深度负反馈状态 d.线性工作状态 )情况下容易引起自激。
b. 反馈系数太小c.V iI b R iRR b〃「beA =Vo ,「氏--50= -62.5d.V ir be1.6b.共基电路c.共集电路d.共集-共基串联电路 4. 在考虑放大电路的频率失真时,若a.有可能产生相位失真c. 一定会产生非线性失真V i 为正弦波,则V o ()b. 有可能产生幅度失真和相位失真d.不会产生线性失真 a.开环或正反馈状态 c.放大状态6.多级负反馈放大电路在(a.回路增益人卩大A V =呂 上空=「空 J -62.5 图1-2c.闭环放大倍数很大 d.放大器的级数少 7. 某电路有用信号频率为 2,可选用()。
a. 低通滤波器b.高通滤波器c.带通滤波器 d.带阻滤波器8. 某传感器产生的是电压信号 (几乎不能提供电流),经过放大后希望输出电压与信号成正比,这时放大电路应选()。
a.电流串联负反馈b.电压并联负反馈c.电流并联负反馈 d.电压串联负反馈9. 正弦波振荡电路如图1-9所示,该电路( )。
模拟电子技术基础试卷及参考答案试卷二(本科)及其参考答案试卷二一、选择题(这是四选一选择题,选择一个正确的答案填在括号内)(共22分)1.某放大电路在负载开路时的输出电压4V ,接入Ωk 12的负载电阻后,输出电压降为3V ,这说明放大电路的输出电阻为( )a. 10Ωkb. 2Ωkc. 4Ωkd. 3Ωk2.某共射放大电路如图1-2所示,其中Ω=Ω=k 2,k 470c b R R ,若已知I C =1mA,V CE =7V ,V BE =0.7V ,r be =1.6Ωk ,50=β,则说明( ) a. 107.07BE CE i o ====V V V V A V b. 37.021BE c C i o -=⨯-=-==V R I V V A V c. 5.62//be b c i c i b c C i o -≈-=-=-==r R R R R R I R I V V A V ββ d. 5.626.1250be c i o -=⨯-=-==r R V V A V β图1-23.为了使高内阻信号源与低阻负载能很好地配合,可以在信号源与低阻负载间接入( )。
a. 共射电路b. 共基电路c. 共集电路d. 共集-共基串联电路4. 在考虑放大电路的频率失真时,若i v 为正弦波,则o v ( )a. 有可能产生相位失真b. 有可能产生幅度失真和相位失真c. 一定会产生非线性失真d. 不会产生线性失真5. 工作在电压比较器中的运放与工作在运算电路中的运放的主要区别是,前者的运放通常工作在( )。
a. 开环或正反馈状态b. 深度负反馈状态c. 放大状态d. 线性工作状态6. 多级负反馈放大电路在( )情况下容易引起自激。
a. 回路增益F A 大b. 反馈系数太小c. 闭环放大倍数很大d. 放大器的级数少7. 某电路有用信号频率为2kHz ,可选用( )。
a. 低通滤波器b. 高通滤波器c. 带通滤波器d. 带阻滤波器8. 某传感器产生的是电压信号(几乎不能提供电流),经过放大后希望输出电压与信号成正比,这时放大电路应选( )。
试卷一专升本试卷及其参考答案试卷一〔总分150分〕〔成人高等学校专升本招生全国统一考试电子技术根底试卷之一〕一、选择题〔本大题10个小题,每题4分,共40分。
在每题给出的四个选项中,只有一项为哪一项符合题目要求的,把所选项前的字母填在题后的括号内。
〕1. 用万用表的R ×100档测得某二极管的正向电阻阻值为500Ω,假设改用R ×1k 档,测量同一二极管,那么其正向电阻值〔 〕a. 增加b. 不变c. 减小d. 不能确定2. 某三极管各电极对地电位如图2所示,由此可判断该三极管〔 〕a. 处于放大区域b. 处于饱和区域c. 处于截止区域d. 已损坏图23. 某放大电路在负载开路时的输出电压为6V ,当接入2k Ω负载后,其输出电压降为4V ,这说明该放大电路的输出电阻为〔 〕a. 10k Ωb. 2k Ωc. 1k Ωd. 0.5k Ω4. 某放大电路图4所示.设V CC >>V BE,L CEO ≈0,那么在静态时该三极管处于〔 〕 a.放大区 b.饱和区 c.截止区 d.区域不定图45. 图5所示电路工作在线性放大状态,设L R '=R D //R L ,那么电路的电压增益为〔 〕a.L m R g 'b.s m L m 1R g R g +'-C.L m R g '- d.m L /g R '-图56. 图5中电路的输入电阻R i 为〔 〕a. R g +(R g1//R g2)b. R g //(R g1+R g2)c. R g //R g1//R g2d.[R g +(R g1//R g2)]//(1+g m )R S7. 直流负反应是指〔 〕a. 存在于RC 耦合电路中的负反应b. 放大直流信号时才有的负反应c. 直流通路中的负反应d. 只存在于直接耦合电路中的负反应8. 负反应所能抑制的干扰和噪声是〔 〕a. 输入信号所包含的干扰和噪声b. 反应环内的干扰和噪声c. 反应环外的干扰和噪声d. 输出信号中的干扰和噪声9. 在图9所示电路中,A 为理想运放,那么电路的输出电压约为〔 〕a. -2.5Vb. -5Vc. -6.5Vd. -7.5V图910. 在图10所示的单端输出差放电路中,假设输入电压△υS1=80mV, △υS2=60mV,那么差模输入电压△υid 为〔 〕a. 10mVb. 20mVc. 70mVd. 140mV图10二、填空题〔本大题共7个小题,18个空,每空2分,共36分。
华中科技大学模电第六版答案1、正弦量可以用相量来表示,因此相量等于正弦量。
() [单选题] *A:是B:否(正确答案)2、波形图可完整的描述正弦交流电随时间的变化规律。
() [单选题] *A:是(正确答案)B:否3、只有同频率的几个正弦量的矢量,才可以画在同一个矢量图上进行分析。
()[单选题] *A:是(正确答案)B:否4、交流电是指大小和方向随时间作周期变化的电动势。
交流电分为正弦交流电和非正弦交流电两大类,应用最普遍的是正弦交流电。
() [单选题] *A:是(正确答案)B:否5、只要是大小随时间变化的电流就是正弦交流电流。
() [单选题] *A:是B:否(正确答案)6、一只额定电压为220V的白炽灯,可以接在最大值为311V的交流电源上。
()[单选题] *A:是(正确答案)B:否7、交流电压表测得单相插座两孔间电压220V该电压是瞬时值。
() [单选题] * A:是B:否(正确答案)8、用交流电压表测得交流电压是220V,则此交流电压的最大值为311V。
()[单选题] *A:是(正确答案)B:否9、正弦量的三要素是它的最大值,角频率和相位。
() [单选题] *A:是B:否(正确答案)10、正弦交流电u2=311sin(628t+45°)其中45°表示相位。
() [单选题] *A:是B:否(正确答案)11、反相是指两个同频率交流电的相位差为180°的情况。
() [单选题] *A:是(正确答案)B:否12、有效值、频率和角频率是指正弦交流电的三要素。
() [单选题] *A:是B:否(正确答案)13、正弦交流电的有效值除与最大值有关外,还与它的初相有关。
() [单选题] * A:是B:否(正确答案)14、最大值是正弦交流电在变化过程中出现的最大瞬时值。
() [单选题] *A:是(正确答案)B:否15、只有在正弦交流电中,最大值才是有效值的根号2倍() [单选题] *A:是(正确答案)B:否16、两个不同频率的正弦量在相位上的差叫相位差() [单选题] *A:是B:否(正确答案)17、交流电在单位时间内电角度的变化量称为角频率。
试卷三(本科)及其参考答案试卷三一、选择题(这是四选一的选择题,选择一个正确的答案填在括号内)(共16分)1.有两个增益相同,输入电阻和输出电阻不同的放大电路A和B,对同一个具有内阻的信号源电压进行放大。
在负载开路的条件下,测得A放大器的输出电压小,这说明A的()a. 输入电阻大b. 输入电阻小c. 输出电阻大d. 输出电阻小2.共模抑制比K CMR越大,表明电路()。
a. 放大倍数越稳定b. 交流放大倍数越大c. 抑制温漂能力越强d. 输入信号中的差模成分越大3.多级放大电路与组成它的各个单级放大电路相比,其通频带()。
a. 变宽b. 变窄c. 不变d. 与各单级放大电路无关4.一个放大电路的对数幅频特性如图1-4所示。
当信号频率恰好为上限频率或下限频率时,实际的电压增益为()。
a. 43dBb. 40dBc. 37dBd. 3dB图1-4 图1-55.LC正弦波振荡电路如图1-5所示,该电路()。
a. 满足振荡条件,能产生正弦波振荡b. 由于无选频网络,不能产生正弦波振荡c. 由于不满足相位平衡条件,不能产生正弦波振荡d. 由于放大器不能正常工作,不能产生正弦波振荡6.双端输入、双端输出差分放大电路如图1-6所示。
已知静态时,V o=V c1-V c2=0,设差模电压增益100vd=A,共模电压增益m V5Vm V,10,0i2i1c===VAV,则输出电压oV为()。
a. 125mVb. 1000 mVc. 250 mVd. 500 mV图1-6 图1-77.对于图1-7所示的复合管,假设CEO1I 和CEO2I 分别表示T 1、T 2单管工作时的穿透电流,则复合管的穿透电流CEO I 为( )。
a. CEO2CEO I I =b. CEO2CEO1CEO I I I +=c. CEO1CEO I I =d. CEO12CEO2CEO )1(I I I β++=8.某仪表放大电路,要求R i 大,输出电流稳定,应选( )。
电力电子学_华中科技大学中国大学mooc课后章节答案期末考试题库2023年1.图中AC/AC直接变频、变压得到的输出电压频率为答案:20Hz2.图中阴影部分为晶闸管处于通态区间的电流波形,各波形的电流最大值均为Im=100A,试计算各波形的电流平均值I1、I2、I3。
答案:47.7A,67.5A,50A3.在室温下门极断开时,晶闸管从较大的通态电流降至刚好能保持导通的最小阳极电流称为答案:维持电流4.Buck如下图所示,设输入电压为20V,占空比取80%,输出电流为4A连续,开关频率为100KHz。
要求纹波电压小于10mV。
试求电感的最小取值(答案:4uH5.Cuk电路中当占空比取值在下列哪个范围内时是降压?答案:1.5-26.单端反激变换电路主要应用在( )输出的场合答案:小功率7.逆变器是指_____电力电子器件,按照直流侧提供的电源分,可分为______.答案:进行直流/交流变换,电流型和电压型逆变器8.电压型逆变器中间直流储能元件是______.答案:电容9.采用PWM调制方式的单相逆变器,我们一般通过调节_______来改变输出电压基波大小答案:脉宽角10.在进行spwm调制时,当我们令载波比为整数时,我们称这种调制方式为_____,同时低载波比的应用场合必须使用______.答案:同步调制,同步调制11.以下哪一项可能会造成逆变失败_____.答案:以上都会12.以下哪个不是最小逆变角的组成______.答案:整流器控制角13.电压型三相逆变电路变压器的二次绕组接成______来消除三倍基波频率的谐波,适用于_____场合答案:星形,高压14.单相全控桥反电动势负载电路中,当控制角不大于导电角时,导通角为_______答案:π-α-δ15.当三相相控整流电路带电阻负载工作时,当控制角超过______时,输出电压平均值开始出现负值.答案:90°16.三相相控整流带电阻负载工作时,当控制角为0度时,此时输出电压的平均值为_____.答案:2.34U217.三相相控整流带电阻负载工作时,共阴极组中处于通态的是______的相电压,共阳极组中处于通态的是______的相电压.答案:电压最高,电压最低18.要想实现有源逆变,则逆变电路类型必须是________答案:全控型电路19.三相半波不控整流工作时,输出电压的平均值为_____.答案:1.17U220.三相相控整流带电阻负载工作时,当控制角为时,此时输出电压的平均值为_____.答案:2.34U221.如图所示的单相交流电压控制器可以实现哪些功能?答案:交流降压22.如图所示的单相交流电压控制器,若负载电阻为40Ω,电感为127.3mH。
试卷五(本科)及其参考答案试卷五一、填空和选择题(每小题2分共16分)1.半导体二极管的重要特性之一是。
(A)温度稳定性(B)单向导电性(C)放大作用(D)滤波特性2.在由型组成的单管共发射极放大电路中,如静态工作点过高,容易产生失真。
(A)截止失真(B)饱和v失真(C)双向失真(D)线性失真3.多级放大电路与组成它的任何一个单级放大电路相比,通频带。
(A)变宽(B)变窄(C)不变(D)与单级放大电路无关4.电流源电路的特点是输出电流恒定,交流等效电阻。
(A)等于零(B)比直流等效电阻小(C)等于直流等效电阻(D)远远大于直流等效电阻5.放大电路产生零点漂移的主要原因是。
(A)采用了直接耦合方式(B)采用了阻容耦合方式(C)采用了正、负双电源供电(D)增益太大6.二阶压控电压源低通有源滤波器通带外幅频响应曲线的斜率为。
(A)20十倍频程(B)-20十倍频程(C)40十倍频程(D)-40十倍频程7.当有用信号的频率低于100时,应采用滤波电路。
(A)低通(B)高通(C)带通(D)带阻8.在图1-8所示电路中,稳压管的稳定电压= 6V,最小稳定电流= 5,输入电压= 12V,电阻100Ω,在稳定条件下的数值最大不应超过。
(A)40 (B)45 (C)55 (D)60图1-8二、(14分)分压式射极置共射放大电路如图2所示,已知的β =100,= 0.7V。
电路处于正常放大状态。
(1)估算电路的静态工作点;(2)画出简化的H参数小信号等效电路;(3)求放大电路通带内的电压增益、输入电阻和输出电阻。
图2三、(12分)放大电路如图3 a、b、c、d所示。
(1)试分别说明4个放大电路所属的组态;(2)当信号源为电压源,且内阻不为零时,最好采用图中哪一个电路作为输入级?(3)为了使放大电路有较强的带负载能力,最好采用图中哪一个电路作为输出级?(4)当信号的频率范围比较宽,肯包含较高的频率成分时,最好采用图中哪一个电路进行放大?(5)假设图a放大电路的输入电阻和输出电阻均为4kΩ,图d的输入电阻为60kΩ,输出电阻为50Ω,当用图a和d构成两级放大电路,其输入信号取自内阻为200Ω的电压源信号,输出端带4kΩ负载时,试问:由图a作为第一级、图d为第二级时电压增益的值大,还是图d为第一级、图a为第二级时电压增益的值大?图3四、(10分)电路如图4所示。
电力电子学_华中科技大学中国大学mooc课后章节答案期末考试题库2023年1.当三相相控整流电路带电阻负载工作时,其控制角最大移相范围为______.参考答案:0°-120°2.以下哪一条是实现有源逆变的必要条件______.参考答案:以上都是3.在电压型单相半桥逆变电路中,电阻型负载输出的电压电流波形和电感型负载输出的电压电流波形分别是_____.参考答案:方波,方波,方波,三角波4.EMI滤波器的主要作用是滤除参考答案:开关噪声_输入线引入的谐波5.直流直流变换器电路有控制方式:参考答案:脉冲宽度调制(PWM)_脉冲频率频率调制(PFM)_混合型调制6.固定通态时间Ton,改变开关频率或周期Ts,从而改变导通比D实现输出电压控制的方法,被称为参考答案:脉冲频率调制PFM7.开关型电力电子变换器的核心部分是参考答案:开关电路8.下面不能够连续调节所补偿的无功功率,且其触发晶闸管的脉冲信号正确的是参考答案:TSC;电网交流电压瞬时值过零时9.交流输电线路采用的“串联电容器”的补偿原理是参考答案:串联在线路中补偿线路感抗10.静止同步补偿器是一种基于电压源换流器的设备。
参考答案:动态无功补偿11.高频开关PWM整流较相控整流而言,可以获得更为优良的技术特性有参考答案:提高输出电压中谐波电压的频率,减少滤波器重量、体积_改善交流输入电流波形,提高交流电流中谐波电流频率_减小交流电源中谐波电流频率,提高功率因数12.开关型电力电子变换器工作特性的分析较为繁琐,通常采用分析其工作特性。
参考答案:状态空间平均法_傅里叶级数13.开关型电力电子补偿控制器有哪些类型?参考答案:电压、电流补偿控制器_阻抗补偿控制器14.以下哪些能够应用到开关型电力电子变换电源参考答案:直流远距离输电_直流/交流电动机变速传动控制_UPS_蓄电池充电电源15.开关频率提高对变换器有什么影响?参考答案:变换器的输出纹波将减小_电力电子装置的体积将减小,有助于电力电子器件的小型化_开关频率的提高会使系统的动态响应加快16.在如下器件:属于全控型器件的是参考答案:GTO_IGBT_MOSFET17.晶闸管在触发电流作用下被触发开通时,只要晶闸管中的电流达到某一临界值时,就可以把触发电流撤除,这时晶闸管仍然自动维持通态,这个临界电流值称为参考答案:擎住电流18.晶闸管的通态电流(额定电流)是用电流的来表示的。
集成电路设计基础_华中科技大学中国大学mooc课后章节答案期末考试题库2023年1.画小信号等效电路时,恒定电流源视为。
答案:开路2.模拟集成电路设计中可使用小信号分析方法的是。
答案:增益3.模拟集成电路设计中可使用大信号分析方法的是()。
答案:输出摆幅4.题1-1-1 中国高端芯片联盟正式成立时间是:。
答案:2016年7月5.题1-1-2 如下不是集成电路产业特性的是:。
答案:低风险6.题1-1-3 摩尔定律是指集成电路上可容纳的晶体管数目,约每隔:个月便会增加一倍,性能也将提升一倍。
答案:187.MOS管的小信号模型中,体现沟长调制效应的参数是()。
答案:8.工作在饱和区的MOS管,可以被看作是一个。
答案:电压控制电流源9.下图中的MOS管工作在区(假定Vth=0.7V)。
【图片】答案:饱和区10.一个MOS管的本征增益表述错误的是。
答案:与MOS管电流无关11.工作在区的MOS管,其跨导是恒定值。
答案:饱和12.MOS管中相对最大的寄生电容是。
答案:栅极氧化层电容13.MOS管的小信号输出电阻【图片】是由MOS管的效应产生的。
答案:沟长调制14.题1-1-4 摩尔定律之后,集成电路发展有三条主线,以下不是集成电路发展主线的是:。
答案:SoC15.题1-1-5 单个芯片上集成约50万个器件,按照规模划分,该芯片为:。
答案:VLSI16.题1-1-6 年发明了世界上第一个点接触型晶体管。
答案:194717.题1-1-7 年发明了世界上第一块集成电路。
答案:195818.题1-1-8 FinFET等多种新结构器件的发明人是:。
答案:胡正明19.题1-1-9 集成电路代工产业的缔造者:。
答案:张忠谋20.题1-1-10 世界第一块集成电路发明者:。
答案:基尔比21.MOS管一旦出现现象,此时的MOS管将进入饱和区。
答案:夹断22.MOS管从不导通到导通过程中,最先出现的是。
答案:耗尽23.在CMOS模拟集成电路设计中,我们一般让MOS管工作在区。
模电期末试题及答案一、单项选择题(每题2分,共20分)1. 在模拟电路中,放大电路的基本功能是()。
A. 信号的整形B. 信号的放大C. 信号的滤波D. 信号的调制答案:B2. 共发射极放大电路中,若要使放大倍数增大,可以()。
A. 减小集电极电阻B. 增大集电极电阻C. 减小基极电阻D. 增大基极电阻答案:B3. 理想运算放大器的输入电阻是()。
A. 0B. ∞C. 1ΩD. 100Ω答案:B4. 差分放大电路中,差模信号是指()。
A. 两个输入端输入信号相同B. 两个输入端输入信号相反C. 两个输入端输入信号相加D. 两个输入端输入信号相减答案:B5. 正弦波振荡电路中,振荡频率由()决定。
A. 放大倍数B. 反馈系数C. 电路中的RC或LC参数D. 电源电压答案:C6. 场效应管(FET)的控制方式是()。
A. 电流控制B. 电压控制C. 温度控制D. 光控制答案:B7. 在多级放大电路中,级间耦合方式采用直接耦合时,电路的静态工作点()。
A. 容易设置B. 容易漂移C. 不容易设置D. 不容易漂移答案:B8. 负反馈可以()放大电路的放大倍数。
A. 增大B. 减小C. 不变D. 先增大后减小答案:B9. 晶体管的饱和区是指()。
A. 集电极电流最大B. 集电极电流最小C. 集电极电流接近于零D. 集电极电流远大于基极电流答案:D10. 模拟乘法器的主要功能是()。
A. 信号放大B. 信号相加C. 信号相乘D. 信号相除答案:C二、填空题(每题2分,共20分)1. 在共发射极放大电路中,若要提高输入电阻,可以采用______偏置方式。
答案:集电极2. 差分放大电路的共模抑制比(CMRR)是衡量差分放大电路对共模信号抑制能力的指标,其定义为差模电压放大倍数与共模电压放大倍数的比值,用分贝表示时,CMRR = 20log(差模电压放大倍数/共模电压放大倍数)。
答案:20log3. 理想运算放大器的两个输入端分别为______输入端和反相输入端。
数字电路与逻辑设计_华中科技大学中国大学mooc课后章节答案期末考试题库2023年1.二进制并行加法器使用先行进位的主要目的是( )参考答案:提高运算速度2.关于四位二进制并行加法器74283,下面说法正确的是()参考答案:它可以实现加法运算_它可以实现减法运算_它有9个输入端,5个输出端_它可以实现代码转换3.关于计数器74290,下面说法正确的是参考答案:其内部包含四个触发器_它可以实现模小于10的任意计数器_它可以实现8421码模10计数器4.将十进制数75.25转换成十六进制数为()参考答案:4B.45.余3码10010101.10101000对应的二进制数为 ( )参考答案:111110.116.同步时序电路设计中,状态编码采用相邻编码法的目的是( )。
参考答案:减少电路中的逻辑门7.在正常工作时,3-8线译码器74138的使能端【图片】【图片】【图片】的值为( )参考答案:1008.相同功能的Moore型时序电路比Mealy型时序电路多一个状态,因此Moore型比Mealy型的时序电路多一个触发器。
参考答案:错误9.在设计同步时序逻辑电路时,实现相同功能,使用D触发器的电路一定比使用JK触发器的电路简单。
参考答案:错误10.组合逻辑电路在任何时刻产生的稳定输出值仅仅取决于该时刻各输入值的组合,而与过去的输入值无关。
参考答案:正确11.为了实现计数功能,集成寄存器74194的控制端S0S1可以是()。
参考答案:01_1012.用逻辑代数公理、定理和规则可以证明【图片】。
参考答案:正确13.使用8路选择器实现4变量逻辑函数F(A,B,C,D),使用ABC作为控制变量,数据输入端D0-D7可能的值有( )。
参考答案:1_D14.带符号二进制数–00101的补码为()参考答案:11101115.根据反演规则和对偶规则可写出逻辑函数【图片】的反函数【图片】=(),对偶函数【图片】=()。
参考答案:;16.用卡诺图化简法求逻辑函数【图片】的最简与或表达式和最简或与表达式分别为()。