室外散水施工技术交底
- 格式:doc
- 大小:15.00 KB
- 文档页数:4
散水施工技术交底一、工程概述散水是指在建筑物外墙四周地面上向外倾斜的坡面,其作用是将雨水排离建筑物,防止雨水渗入基础,保护地基和基础不受雨水侵蚀。
本次散水施工位于_____建筑物周边,散水宽度为_____米,采用_____材料进行施工。
二、施工准备1、材料准备(1)水泥:应采用_____强度等级的普通硅酸盐水泥,其质量应符合现行国家标准。
(2)砂:宜采用中砂或粗砂,含泥量不应大于_____%。
(3)石子:粒径为 5 15mm,含泥量不应大于_____%。
(4)外加剂:根据施工需要,可适当添加外加剂,如减水剂、早强剂等。
2、主要机具(1)搅拌机:用于搅拌混凝土或砂浆。
(2)平板振动器:用于振捣混凝土。
(3)铁锹、刮杠、抹子等工具。
3、作业条件(1)基础墙已经施工完毕,并验收合格。
(2)外墙装饰已经完成,外脚手架已拆除。
(3)场地已经平整,排水畅通。
三、施工工艺流程1、基层处理将基层表面的浮土、杂物等清理干净,如有松软土层应铲除,并用灰土分层夯实。
基层表面应平整、坚实,如有凹凸不平处,应用 1:3 水泥砂浆找平。
2、模板支设根据散水的宽度和坡度,支设模板。
模板应牢固、顺直,顶面应水平,模板内侧应用铁钉钉牢,外侧用斜撑支撑牢固。
3、混凝土(或砂浆)搅拌(1)混凝土搅拌:按照设计配合比,将水泥、砂、石子和水等材料投入搅拌机中,搅拌均匀。
(2)砂浆搅拌:将水泥和砂按照一定比例混合,加入适量的水,搅拌均匀。
4、混凝土(或砂浆)浇筑(1)混凝土浇筑:将搅拌好的混凝土倒入模板内,用平板振动器振捣密实,表面用刮杠刮平,并用木抹子搓平。
(2)砂浆浇筑:将搅拌好的砂浆倒入模板内,用抹子抹平。
5、抹面压光(1)混凝土表面在初凝前,应进行二次抹面压光,以提高表面的平整度和光洁度。
(2)砂浆表面在初凝后,应进行抹面压光。
6、养护(1)混凝土散水浇筑完毕后,应在 12h 内加以覆盖和浇水养护,养护时间不少于 7d。
(2)砂浆散水在抹面完成后 24h 内,应进行浇水养护,养护时间不少于 3d。
2、当做分项工程施工技术交底时,应填写“分项工程名称”栏,其他技术交底可不填写。
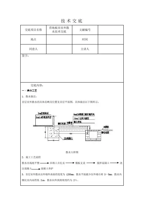
交底内容:3、首层室外散水出外墙外侧干挂石材外表面的宽度为900mm(对南北两侧大阳台而言,出阳台装饰外表面的宽度为900mm),散水与石材外表面的交接处留15宽20mm深的伸缩缝,缝隙内用柔性嵌缝油膏填缝,缝内填嵌均匀密实,散水平面至少压外墙石材3-5mm,散水内侧最高处标高为-0.39m,散水外侧最低处标高为-0.42m,散水向外找坡坡度约为4%。
4、砼散水转角及沿散水长度方向每6m均留设20×20mm(宽×深)的伸缩缝,转角处伸缩缝与外墙面(包括阳台外阳角)成45度角,其它部位伸缩缝与外墙面垂直,伸缩缝位置避免设在明装雨水管部位。
5、散水施工前,回填素土及3:7灰土必须分层回填并仔细夯实,每层回填厚度不大于20cm,回填时,每层至少夯实达到三遍,打夯一夯压半夯,夯夯相接,纵横交叉,分层夯打,不留间隙,在墙边、边角、阴阳转角、管边等无法用打夯机夯实的部位人工用木夯夯实。
6、模板支设时,根据散水的厚度裁切好模板的尺寸,模板高度超出散水厚度50mm,模板侧面采用废旧20钢筋@600进行加固,钢筋深入夯实土内不小于30mm。
7、散水C20砼配合比如下:水泥:砂子:石子:水=1:1.6:3.0:0.57,即100KgP.032.5普通硅酸盐水泥需用中砂160Kg、碎石300Kg、自来水57Kg。
散水C20砼用机械搅拌均匀密实,搅拌时间不少于150s。
7、地面混凝土表面收完后必须用木抹子搓压表面,防止混凝土表面出现裂缝。
在初凝前,用木抹子拍压两至三遍,搓成麻面,以闭合收水裂缝,然后用铁抹子压光,在混凝土终凝前用铁抹子三次压光。
8、养护:浇筑完毕约12~14小时后,砼达到终凝后视天气情况铺一层塑料薄膜和一层50厚阻燃纤维被进行养护(当日平均气温低于5℃时,不得浇水),同时,由专人负责成品保护,严禁上人踩压,养护时间不少于7d,当抗压强度达到5Mpa后方准上人,方可正常使用。
(完整版)室外散水施工技术交底.docx一:室外散水施工技术交底本文档详细介绍了室外散水施工的技术要点和流程,包括施工前的准备工作、施工过程中的注意事项以及施工后的清理和维护。
请施工人员仔细阅读并按照要求进行操作。
一、施工前准备1. 确定散水区域及散水设备位置,测量散水管道的长度和高度。
2. 准备施工所需设备和材料,包括喷头、喷水管、水泵、水管、阀门等。
3. 根据实际情况选择不同的散水方案,如喷射式、雾化式或雨淋式。
二、施工过程1. 布置水管和喷头,确保布置合理、均匀。
2. 连接水泵和水管,调试水压和流量,保证散水效果。
3. 按照设计要求,设置不同的散水区域和喷头类型。
4. 开始施工,根据需求调整出水量和喷射角度。
5. 检查散水效果,调整喷头方向和水流量。
三、施工后清理和维护2. 定期对散水设备和管道进行检查和维护,确保其正常运行。
3. 注意节约用水,避免浪费资源。
附件:散水施工方案图纸、散水设备清单、施工记录表。
法律名词及注释:1. 施工准备:在进行施工前,必须要做好相关的准备工作,包括施工区域的清理、材料和设备的准备等。
2. 散水设备:用于室外散水的各种设备,包括水泵、水管、喷头等。
3. 散水方案:根据实际情况和需求确定的散水方式和布置方案。
4. 水资源节约:在散水施工过程中,要注意节约用水,避免浪费水资源。
---二:室外散水施工技术交底一、施工前准备1. 确定散水区域:根据设计要求和实际情况,确定需要散水的区域。
2. 测量散水管道:测量散水管道的长度和高度,确定散水管道的布置方案。
3. 准备所需设备和材料:根据散水方案,准备喷头、喷水管、水泵、水管、阀门等设备和材料。
二、施工过程1. 布置水管和喷头:按照设计要求,合理布置散水管道和喷头,保证水流均匀。
2. 连接水泵和水管:将水泵和水管进行连接,并进行水压和流量的调试,确保散水效果良好。
3. 设置散水区域和喷头类型:根据实际需求,设置不同的散水区域和喷头类型,如喷射式、雾化式或雨淋式。
户外散水施工技术交底1. 背景说明为了保证户外绿化的生长和维护,散水施工是必不可少的一项工作。
本文档旨在向施工人员交底户外散水施工技术,确保施工过程顺利进行。
2. 施工前准备2.1 确定施工区域:根据绿化设计方案,确定需要进行散水施工的区域,并标明施工区域边界。
2.2 准备设备材料:准备好必要的散水设备,如喷头、喷管、水龙头等,并确保其完好无损。
2.3 检查水源:确认施工区域的水源是否稳定,并确保供水管道通畅。
3. 施工步骤3.1 布置喷头:根据施工区域的实际情况,合理布置喷头,确保喷头的间距均匀,能够覆盖到所有需要施工的地方。
3.2 连接水源:将喷头与水源管道连接好,并确保连接处密封良好,防止漏水。
3.3 调整喷头角度:根据需要,调整喷头的角度,确保喷头能够均匀喷洒水雾。
3.4 开启水源:缓慢开启水源,调试喷头,观察喷水情况,并根据需要调整水量大小。
3.5 检查施工质量:对施工完成后的效果进行检查,确保每个施工区域都能获得充分的水分。
4. 安全注意事项4.1 操作准确:施工人员在进行散水施工时,应准确操作喷头及水源设备,避免造成不必要的安全隐患。
4.2 避免滑倒:施工过程中,要避免水体溅出造成地面湿滑,以免发生意外事故。
4.3 防电触电:施工人员应保持设备干燥,防止发生电击事故。
4.4 安全用电:使用电动设备时,应使用防水插座,并确保电源接地良好。
5. 施工后工作5.1 清洁工作:施工完成后,应及时清理施工现场,并确保水源设备和喷头清洁。
5.2 设备存放:将喷头、喷管等设备妥善存放,避免损坏或丢失。
5.3 故障处理:如发现散水设备有故障,及时处理或上报维修。
6. 结束语本文档概述了户外散水施工的技术要点和注意事项,希望施工人员能够按照本文档的指引进行施工,确保施工质量和施工过程的安全。
散水施工工程技术交底一、项目概述散水施工是一项重要的工程技术,用于在建造工地或者农田中进行灌溉、降温、除尘等工作。
本文将详细介绍散水施工工程技术的相关内容,包括施工前的准备工作、施工过程中的注意事项以及施工后的维护保养。
二、施工前的准备工作1. 设计方案:根据施工区域的大小、形状和需求,制定合理的散水设计方案。
考虑到水源、喷头布置、喷头类型选择等因素,确保施工效果和水资源的合理利用。
2. 材料准备:根据设计方案,准备好所需的喷头、水管、接头、控制器等材料。
确保材料的质量和数量充足。
3. 地面准备:清理施工区域的杂物、石块等障碍物,确保施工区域平整、清洁。
三、施工过程中的注意事项1. 喷头布置:根据设计方案,在施工区域合适的位置安装喷头。
喷头之间的距离应均匀,确保水雾覆盖均匀。
2. 喷头类型选择:根据施工需求,选择合适的喷头类型。
常见的喷头类型包括旋转喷头、喷雾喷头等,根据需求进行选择。
3. 水源连接:将水源与施工区域连接起来,确保水源稳定供应。
注意检查水源管道是否漏水,确保施工过程中水流的稳定性。
4. 控制器设置:根据设计方案,设置控制器的工作时间、喷水间隔等参数。
确保施工过程中的自动化控制。
5. 施工质量检查:在施工过程中,定期检查喷头的工作状态、水流情况等。
如发现异常情况,及时进行调整和维护。
四、施工后的维护保养1. 定期清洗:根据施工区域的情况,定期清洗喷头,防止喷头阻塞影响喷水效果。
2. 定期检查:定期检查喷头、水管、控制器等设施的工作状态,如发现故障及时维修或者更换。
3. 节约用水:合理控制喷水时间和水流量,节约用水资源。
4. 安全防护:施工区域应设置明显的警示标志,确保施工过程中的安全。
五、总结散水施工工程技术是一项重要的工程技术,通过合理的设计和施工,可以实现对建造工地或者农田的灌溉、降温、除尘等工作。
在施工过程中,需要注意喷头布置、喷头类型选择、水源连接、控制器设置等方面的问题。
散水施工技术交底适用于建筑室外散水工程。
一、材料要求:1 土:不得含有有机杂质,使用前宜过筛,其粒径不大于15mm,含水量以12%~ 15%为宜 ( 手感手握成团 , 落地成灰 ) 。
白灰为生石灰粉,不得含有粒径大于5mm的生石灰块。
2 C15 混凝土、沥青砂浆。
二、主要机具:主要机具包括:铁锹、筛子(5mm)、小推车、振捣器、刮杠、木抹子、铁抹子尺板、小水筒、鬃刷子、沥青锅、小馏子( 用方钢或钢筋制作等) 。
三、作业条件:1墙装饰已基本完工,外脚手架已拆除,散水基底标高、尺寸均经过检查,并已办完隐、预检手续。
2建筑物四周做 800 宽散水,散水每6m设缝,散水和外墙之间均设20 宽伸缩缝,缝内填沥青砂浆,散水坡度为 4%,外边高出室外地面 20mm。
3混凝土散水做法为1.60 厚 C15 混凝土面层,撒1:1 水泥砂子压实赶光;2.150 厚 3:7 灰土3.素土夯实,向外坡 4%四、操作工艺:1平整场地根据散水基底标高钉好水平控制桩,在散水垫层宽度加200mm范围内拉线控制,用平锹将地铲平,如土质松软,应先夯砸不少于三遍。
2灰土垫层施工灰土垫层采用3:7 灰土垫层。
3支模板根据散水的外形尺寸支好侧模,放好分隔缝模板,分隔模板用木模时两面应用木刨刨光,支设时要拉通线、抄平,做到通顺、平直、坡向正确 ( 向外坡 4%),严禁用砌砖代替模板。
4 散水与建筑物外墙分离,分隔缝宽20mm,沿外墙一周做到整齐一致,纵向6m左右设分隔缝一道,房屋转角处与外墙呈45°角,分隔缝宽20mm,分隔缝应避开雨落管,以防雨水从分隔缝内渗入基础。
5混凝土采用预制混凝土。
6混凝土的浇筑(1)清除模板内的杂物,办好隐、预检手续,可适当湿润模板及灰土垫层,但水不可过多,以地面不留积水为宜。
(2)一般采用平板式振捣器,振实压光,应随打随抹,撒1:1水泥砂子压实赶光。
7 当散水有一定强度时( 表面仍湿润,但用手轻按已按不出手印) ,拆除侧模,起出分格条,随即用砂浆抹平压光侧边,并用阳角馏子将散水棱角馏直、压光,包括分格缝处棱角,侧边及分格缝内与散水大面的质量要求相同,也要见光,棱角顺直、整齐。
散水施工工程技术交底引言概述:散水施工是指在施工现场利用水泥浆、石灰水等液体材料进行喷洒,以达到加固土壤、稳定地基等目的。
在进行散水施工前,必须进行工程技术交底,明确施工方案、工艺流程和注意事项,确保施工顺利进行。
一、施工方案1.1 确定施工范围和施工时间:根据工程实际情况确定散水施工的范围和时间,避免影响周边环境和其他施工工序。
1.2 确定散水材料和比例:根据土壤性质和施工要求,确定使用的散水材料和比例,保证施工效果。
1.3 制定施工方案和工艺流程:制定详细的施工方案和工艺流程,包括施工步骤、施工顺序、施工方法等,确保施工按照规定进行。
二、施工准备2.1 检查施工设备和工具:检查散水施工所需的设备和工具是否完好,确保施工顺利进行。
2.2 安排施工人员:根据施工方案确定所需施工人员数量和岗位,确保施工人员具备相应的技术和安全意识。
2.3 安全防护措施:制定施工现场安全管理制度,配备必要的安全防护设施,确保施工过程中安全可控。
三、施工操作3.1 土壤处理:在进行散水施工前,对土壤进行必要的处理,包括平整、湿润等,确保施工效果。
3.2 散水施工:按照工艺流程进行散水施工,控制好施工速度和厚度,避免出现浪费或施工不均匀的情况。
3.3 施工质量检验:在施工过程中进行质量检验,确保施工质量符合要求,及时调整施工参数和方法。
四、施工注意事项4.1 防止雨水干扰:在散水施工过程中,避免遇到雨水等恶劣天气,影响施工效果。
4.2 控制施工温度:在高温天气下,要注意控制施工温度,避免出现过快干燥的情况。
4.3 施工结束后清理:施工结束后及时清理施工现场,保持环境整洁,确保施工质量。
五、施工后交底5.1 整理施工资料:整理散水施工的相关资料,包括施工记录、质量检验报告等,作为施工验收的依据。
5.2 进行施工交底:将施工过程中的关键信息和注意事项进行交底,确保相关人员了解施工情况。
5.3 完成施工验收:完成散水施工后,进行施工验收,确认施工质量符合要求,保证工程顺利进行。
散水施工工程技术交底一、项目概述散水施工工程是指在园林绿化、农田灌溉、城市道路等场所进行的喷水灌溉工程。
本文将详细介绍散水施工工程的技术交底内容。
二、施工前准备1. 确定施工区域:根据设计图纸和施工要求,确定散水施工的区域范围。
2. 准备施工材料和设备:包括喷头、喷嘴、喷水管道、水泵等设备,确保施工所需材料和设备的完好性和充足性。
三、施工工艺流程1. 布置施工区域:根据设计图纸,确定喷头和喷水管道的布置位置,并进行标记。
2. 安装喷头和喷水管道:根据设计要求,将喷头和喷水管道进行安装和连接,确保连接坚固、无渗漏。
3. 连接水源和水泵:将水源与水泵进行连接,并进行试运行,确保水泵正常工作。
4. 调试喷头和喷水管道:根据设计要求,调试喷头和喷水管道的喷水角度、喷水范围等参数,确保喷水效果符合要求。
5. 进行施工:根据布置好的喷头和喷水管道,进行散水施工,确保喷水均匀、覆盖范围广。
四、施工注意事项1. 安全第一:施工过程中,要注意安全,佩戴好安全帽和防护手套,避免发生意外伤害。
2. 施工质量控制:在施工过程中,要严格按照设计要求进行施工,确保施工质量达到预期效果。
3. 节约用水:在进行散水施工时,要注意节约用水,合理控制喷水量,避免水资源浪费。
4. 施工现场整洁:施工结束后,要及时清理施工现场,保持整洁,避免对周围环境造成污染。
五、施工验收标准1. 喷水均匀度:喷头喷水均匀,无死角,覆盖范围广。
2. 喷水角度:喷头喷水角度符合设计要求,能够满足施工区域的需求。
3. 喷水压力:喷水管道的压力稳定,喷水强度适中,不会对植物和土壤造成伤害。
4. 施工质量:施工过程中无渗漏现象,喷头和喷水管道连接坚固。
六、施工后维护1. 定期检查:定期对喷头和喷水管道进行检查,确保其正常工作。
2. 清洗保养:定期清洗喷头和喷水管道,保持其通畅性,避免阻塞。
3. 维修更换:发现故障或者损坏的喷头和喷水管道,及时进行维修或者更换。
室外散水做法
一、散水做法:
1.20厚1:
2.5水泥砂浆面层,上撒1:1水泥细砂压实抹光
2.素水泥浆一道
3.60厚C15混凝土
4.150厚小毛石灌M5水泥砂浆
5.素土夯实
二、散水具体尺寸及要求:
1、成活宽度:或从干挂石材蝴蝶绿墙面往外顶80cm
2、成活高度:靠墙一侧比室内地坪下返6cm,离墙一侧下返10cm。
三、细部要求:
室外散水、台阶、明沟应与主体结构之间断开并设沉降缝,缝宽2cm,缝深度为上下贯通。
水泥散水设置分格缝间距不大于4.5m(可以根据现场实际划分,但不得大于4.5米),转角处设45°斜缝。
嵌缝采用柔性嵌缝材料(聚氨酯),施工时与两侧基层粘结牢固,两侧边平直,密封面平整并不得有开裂、鼓泡、下塌现象。
如下图所示:。
技术交底交底内容:一、操作工艺1、散水做法:首层室外散水的具体范畴及位置见首层平面图,具体做法以下图所示:散水大样图2、施工工艺流程散水内场地平整回填土并扎实模板支设搅拌混凝土浇注混凝土混凝土养护3、首层室外散水出外墙外表面的宽度为 1200mm,散水平面最少压外墙石材 3-5mm,散水内侧比室内高程低 2cm,散水向外找坡坡度约为 2%。
4、砼散水转角及沿散水长度方向每 6m 均留设20×20mm(宽×深)的伸缩缝,转角处伸缩缝与外墙面(涉及阳台外阳角)成 45 度角,其它部位伸缩缝与外墙面垂直,伸缩缝位置避免设在明装雨水管部位。
5、散水施工前,回填素土及 3:7 灰土必须认真扎实,回填时,最少扎实达成三遍,打夯一夯压半夯,夯夯相接,纵横交叉,分层夯打,不留间隙,在墙边、边角、阴阳转角、管边等无法用打夯机扎实的部位人工用木夯扎实。
6、模板支设时,根据散水的厚度裁切好模板的尺寸,模板高度超出散水厚度 50mm,模板侧面采用Φ20钢筋@600 进行加固,钢筋进一步扎实土内不不大于 30mm。
7、散水 C20 砼用机械搅拌均匀密实,搅拌时间不少于 150s。
地面混凝土表面收完后必须用木抹子搓压表面,避免混凝土表面出现裂缝。
在初凝前,用木抹子拍压两至三遍,搓成麻面,以闭合收水裂缝,然后用铁抹子压光,在混凝土终凝前用铁抹子三次压光。
8、养护:浇筑完毕约 12~14 小时后,砼达成终凝后视天气状况铺一层塑料薄膜和一层 50厚阻燃纤维被进行养护(当天平均气温低于5℃时,不得浇水),同时,由专人负责成品保护,严禁上人踩压,养护时间不少于 7d,当抗压强度达成 5Mpa 后方准上人,方可正常使用。
二、质量原则1、主控项目:1.1混凝土强度等级为 C20,砼所用材料符合施工规范规定;1.2面层与基层结合牢固,无空鼓、裂纹,散水严禁下沉。
2、普通项目:2.1面层表面干净、密实、无裂缝、蜂窝、麻面、脱皮、起砂等缺点;2.2面层表面的坡度符合设计规定(坡度为 4%),不得有倒泛水和积水现象;2.3缝宽窄、深浅均匀一致,缝内填嵌均匀饱满。
户外散水施工技术交底背景:户外散水施工是一项重要的任务,它可以为植物和环境提供必要的水分。
为了确保施工的顺利进行和水资源的有效利用,必须进行技术交底。
目标:本文档的目标是向施工人员介绍户外散水施工的技术要点和注意事项,以便确保施工过程的质量和效果。
施工技术要点:1. 确定灌溉区域:根据植物的需求和土壤的特性,明确需要进行散水的区域,并进行合理划分。
2. 设计喷灌系统:根据施工区域的大小和形状,设计合适的喷灌系统,包括喷头的数量、位置和喷水范围的调整。
3. 安装喷灌设备:按照设计要求,进行喷灌设备的安装和连接,确保设备的稳定性和灵活性。
4. 设置水源和阀门:确定合适的水源,并设置相应的阀门,以控制水流的供应和关闭。
5. 调整喷水角度和流量:根据植物的需求和周围环境的情况,调整喷水角度和流量,以达到均匀和适度的散水效果。
6. 定期维护和检查:定期检查喷灌系统的工作状态和喷头的使用情况,及时清洁和更换损坏的设备。
注意事项:1. 管理水资源:合理使用水资源,避免浪费和过度灌溉,提高水资源利用效率。
2. 预防漏水和堵塞:注意喷头和管道是否存在漏水和堵塞情况,及时处理,确保喷灌系统的正常运行。
3. 避免喷水范围交叉:调整喷头的位置和喷水范围,避免喷水范围交叉,造成水资源的浪费和植物的受损。
4. 考虑自然条件:根据气候条件、风向和阳光照射情况,合理调整喷水时间和频率。
5. 环境保护:确保施工过程不会对环境造成二次污染,注意保护周围植物和土壤。
总结:户外散水施工是一项技术要求较高的任务,本文档对其技术要点和注意事项进行了详细介绍。
施工人员应按照要求进行施工,并注意管理水资源,以确保施工的质量和环境的保护。
散水施工工程技术交底一、工程概述散水施工工程是指在城市道路、公园、绿化带等区域进行喷洒水雾的工作,以降低环境温度、增加空气湿度,改善空气质量,提供舒适的生活环境。
本文将对散水施工工程的技术要求、施工流程、安全注意事项等进行详细交底。
二、技术要求1. 设备要求:- 散水设备:使用高效节水的喷雾器具,确保均匀喷洒水雾。
- 水源:使用符合水质标准的水源,确保喷洒水雾的质量。
- 控制系统:配备自动控制系统,能够根据环境温度、湿度等参数进行智能调节。
2. 施工要求:- 施工时间:根据气象条件选择适当的施工时间,避免高温时段施工,确保施工效果。
- 施工区域:根据环境需求选择施工区域,重点关注人流密集区域和绿化覆盖较少的区域。
- 施工方式:喷洒水雾的角度、范围和强度需根据实际情况进行调整,确保喷洒效果均匀。
三、施工流程1. 前期准备:- 确定施工区域:根据环境需求和施工计划,确定散水施工的区域范围。
- 准备设备和材料:检查散水设备和水源,确保设备正常运行并准备足够的水源。
- 安全措施:制定安全操作规程,确保施工人员的人身安全。
2. 施工操作:- 设备设置:根据施工区域的大小和形状,设置喷洒器具的数量和位置,确保覆盖范围均匀。
- 调试设备:启动散水设备,调试喷洒角度、范围和强度,确保喷洒效果满足要求。
- 施工监控:安排专人监控施工现场,及时调整喷洒设备,确保施工效果稳定。
3. 施工结束:- 设备清理:施工结束后,对喷洒设备进行清洗和维护,确保设备的正常使用寿命。
- 施工区域清理:清理施工区域的杂物和积水,保持环境整洁。
四、安全注意事项1. 人身安全:施工人员需佩戴合适的防护装备,如安全帽、防护眼镜、防护口罩等,确保人身安全。
2. 电气安全:散水设备的电源路线需符合安全标准,设备运行时应注意防止电气事故的发生。
3. 水源安全:使用符合水质标准的水源,定期检测水质,确保喷洒水雾的质量。
4. 环境保护:施工过程中避免水源污染和噪音扰民,注意节约用水,保护周边环境。
散水施工工程技术交底引言概述:散水施工工程技术交底是指在工程施工前,施工单位向施工人员详细介绍散水施工的技术要求和操作规范,确保施工人员能够正确理解和掌握散水施工的关键技术,提高施工质量和效率。
本文将从五个大点阐述散水施工工程技术交底的内容。
正文内容:一、施工准备1.1 施工前的准备工作:- 检查施工设备和工具的完好性;- 确保施工区域的安全和整洁;- 准备所需的散水设备和材料。
1.2 施工环境要求:- 确保施工现场的通风良好;- 避免施工区域有明火等危(wei)险因素存在;- 防止施工区域有杂物和障碍物。
1.3 施工人员要求:- 施工人员应具备相关的施工经验和技能;- 施工人员应熟悉散水施工的操作规范和安全注意事项;- 施工人员应佩戴符合要求的个人防护装备。
二、散水设备和材料2.1 散水设备:- 选择适当的喷头和喷雾器;- 确保喷头和喷雾器的质量和性能稳定;- 检查散水设备的连接和密封性。
2.2 散水材料:- 选择合适的水源和水质;- 确保水源干净、无杂质;- 检查散水管道和接头的质量和完整性。
2.3 散水控制:- 确定散水的时间和频率;- 根据施工需求,调整散水的强度和范围;- 避免散水过量导致浪费和环境污染。
三、散水施工操作3.1 施工步骤:- 根据施工图纸和要求,确定散水的区域和范围;- 按照施工顺序,逐步进行散水施工;- 注意施工过程中的安全和协调。
3.2 散水技术要点:- 控制喷头和喷雾器的角度和高度;- 确保散水的均匀性和覆盖范围;- 注意散水的节奏和速度。
3.3 散水质量控制:- 定期检查散水效果和质量;- 根据实际情况,调整散水的参数和方法;- 及时处理散水中浮现的问题和异常情况。
四、安全注意事项4.1 防护措施:- 遵守施工现场的安全规定;- 使用个人防护装备,如安全帽、安全鞋等;- 避免散水过程中的滑倒和跌落。
4.2 防火措施:- 禁止在散水区域内吸烟;- 确保散水区域周围无明火;- 定期检查散水设备的电气安全性。
散水施工工程技术交底引言概述:散水施工工程技术交底是指在工程施工前,由施工方向施工人员进行技术培训和交底,确保施工人员熟悉施工工艺和操作要点,提高施工质量和安全性。
本文将从施工准备、施工要点、质量控制、安全措施和施工验收五个方面进行详细阐述。
一、施工准备1.1 确定施工方案:根据工程要求和设计要求,确定散水施工的具体方案,包括施工时间、施工区域、施工设备等。
1.2 准备施工材料:根据施工方案,准备散水施工所需的材料,如喷头、喷管、水泵等,并进行检查和测试,确保施工材料的质量和正常工作。
1.3 确定施工人员:根据工程规模和施工要求,确定施工人员的数量和职责,并进行培训和交底,确保施工人员具备相关技术和操作能力。
二、施工要点2.1 施工前准备:清理施工区域,确保施工区域干净整洁,清除障碍物和杂物,为施工做好准备。
2.2 施工操作:根据施工方案和设计要求,进行散水喷洒操作,确保喷洒均匀、覆盖面积合理,并注意施工速度和施工压力的控制。
2.3 施工记录:在施工过程中,及时记录施工情况,包括施工时间、施工区域、施工人员等,以便后期追溯和质量控制。
三、质量控制3.1 施工质量检查:定期对施工过程进行质量检查,包括喷洒均匀度、覆盖面积等,及时发现和解决质量问题。
3.2 施工记录整理:对施工记录进行整理和归档,方便后期质量追溯和施工验收。
3.3 施工质量评估:根据施工质量检查和施工记录,进行施工质量评估,总结经验教训,提高施工质量。
四、安全措施4.1 安全培训和交底:对施工人员进行安全培训和交底,宣传安全意识,强调施工中的安全注意事项。
4.2 安全设施设置:在施工现场设置安全警示标志和安全防护设施,确保施工人员的人身安全。
4.3 安全监督和管理:加强对施工安全的监督和管理,及时发现和解决施工中存在的安全隐患。
五、施工验收5.1 施工质量验收:根据设计要求和施工规范,对散水施工的质量进行验收,确保施工质量符合要求。
散水施工工程技术交底一、施工概述散水施工工程是指在建造物或者公共场所进行喷洒水雾以降低环境温度、增加湿度或者控制尘埃等目的的工程。
本次施工任务是在某公园的花坛区域进行散水施工,以保持花坛植物的良好生长环境。
本文将详细介绍散水施工的技术要点、施工流程以及注意事项。
二、技术要点1. 设备准备:准备好散水设备,包括喷头、水管、水泵等。
确保设备无损坏,水泵工作正常。
2. 喷头选择:根据花坛区域的大小和形状选择合适的喷头,确保水雾能够均匀覆盖整个区域。
3. 喷头安装:将喷头连接到水管上,并确保连接处密封良好,防止漏水。
4. 喷头调整:根据花坛的具体情况,调整喷头的喷洒角度和喷洒范围,使水雾能够覆盖到每一个植物。
5. 水源准备:确保有足够的水源供应,保证施工过程中不会中断。
6. 施工时间:选择适当的施工时间,避免高温、强风等不利气候条件。
7. 施工频率:根据花坛植物的需求,合理安排散水的频率和时长。
三、施工流程1. 施工前准备:检查施工设备是否完好,确保水泵工作正常。
清理花坛区域,移除可能影响喷洒效果的障碍物。
2. 设备安装:将喷头连接到水管上,并确保连接处密封良好。
将水管连接到水泵上,并确保水泵工作正常。
3. 喷头调整:根据花坛的具体情况,调整喷头的喷洒角度和喷洒范围,使水雾能够覆盖到每一个植物。
4. 开始施工:启动水泵,开始喷洒水雾。
保持喷洒的均匀性和连续性,确保每一个植物都能得到适量的水分。
5. 监测施工效果:观察花坛植物的状态,确保施工效果符合预期。
如有需要,调整喷洒角度和喷洒范围。
6. 施工结束:关闭水泵,拆卸喷头和水管,清理施工现场,确保无残留物。
四、注意事项1. 安全第一:施工人员需佩戴好安全帽、手套等防护用品,确保施工过程中的人身安全。
2. 设备维护:定期检查和维护施工设备,确保其正常工作,延长使用寿命。
3. 水源管理:合理利用水源,避免浪费。
如有需要,可以采集雨水或者利用循环水系统。
4. 环境保护:避免水雾直接喷洒到人体或者建造物上,以免造成不必要的湿润或者损坏。
散水施工工程技术交底引言概述:散水施工是一种常见的建筑工程技术,通过喷水将水分均匀地洒在施工面上,以保持施工面的湿润度。
散水施工工程技术交底是指在施工前,施工方与相关工程人员进行技术交底,明确施工过程中的具体操作要点和注意事项,以确保施工质量和进度。
一、施工设备准备1.1 确认散水设备:首先要确认使用的散水设备,包括喷水器、喷水管道等,确保设备完好无损。
1.2 调试设备:在施工前需要对散水设备进行调试,确保设备正常运行,喷水均匀。
1.3 安全防护:施工人员要注意散水设备的安全使用,避免发生意外事故。
二、施工面准备2.1 清洁施工面:在进行散水施工前,需要清洁施工面,确保施工面没有杂物和污垢,以免影响散水效果。
2.2 检查施工面平整度:检查施工面的平整度,确保散水均匀,避免出现积水或漏水现象。
2.3 预留施工缝隙:在施工前要预留施工缝隙,便于水分均匀渗透,提高施工效果。
三、施工操作要点3.1 控制水量:在进行散水施工时,要控制好水量,不要过多或过少,以确保施工面湿润度适中。
3.2 均匀喷水:喷水时要均匀地将水分洒在施工面上,避免出现水分不均匀的情况。
3.3 注意施工时间:选择适当的施工时间,避免在高温或强风天气进行散水施工,影响施工效果。
四、施工注意事项4.1 防止水浸透:在进行散水施工时,要注意防止水分浸透到地下,避免地基受损。
4.2 防止水分蒸发:施工后要及时覆盖施工面,防止水分蒸发过快,影响施工效果。
4.3 定期检查:施工过程中要定期检查施工面的湿润度,确保施工效果符合要求。
五、施工验收5.1 检查施工质量:在散水施工完成后,要对施工面进行质量检查,确保施工质量符合标准要求。
5.2 形成施工记录:对散水施工过程进行记录,包括施工时间、水量、施工面情况等,以备日后查阅。
5.3 整理施工设备:施工完成后要对散水设备进行清洁和整理,保证设备的长期使用。
总结:散水施工工程技术交底是确保施工质量和进度的重要环节,只有在施工前对散水施工的设备准备、施工面准备、施工操作要点、注意事项和施工验收等方面进行详细的交底,才能有效地完成散水施工任务,提高施工效率和质量。
散水施工工程技术交底一、项目概述散水施工工程是指在建筑物或园林绿化等场所进行喷洒水雾的工程,以增加空气湿度、降低温度、净化空气等目的。
本次施工工程涉及到的技术要点包括设备选择、施工方法、安全注意事项等。
二、设备选择1. 水源:选择可靠的水源供应,如自来水、水井等。
2. 喷洒设备:选择适合项目要求的喷洒设备,如喷洒枪、喷头等。
设备应具备调节喷射角度和喷射量的功能。
3. 控制系统:选择可靠的控制系统,如计时器、遥控器等。
控制系统应能实现自动化控制和定时喷洒功能。
三、施工方法1. 喷洒布局:根据施工区域的大小和形状,合理布局喷洒设备。
喷洒设备应均匀分布,确保覆盖范围均匀。
2. 喷洒时机:根据需求确定喷洒时机,通常在早晨或傍晚气温较低、湿度较高的时候进行喷洒,以达到最佳效果。
3. 喷洒量控制:根据项目需求,调节喷洒量。
喷洒量过大可能导致积水,喷洒量过小则无法达到预期效果。
4. 喷洒角度:根据施工区域的特点,调节喷洒角度。
喷洒角度应使水雾能够覆盖到需要湿度调节的区域。
四、安全注意事项1. 电气安全:施工过程中应注意电气设备的安全使用,避免水与电设备接触,防止触电事故的发生。
2. 设备维护:定期检查喷洒设备的工作状态,确保设备正常运行。
如发现故障应及时修理或更换设备。
3. 人员安全:施工人员应佩戴防护装备,如安全帽、防护眼镜等。
避免喷洒设备造成的意外伤害。
4. 水质安全:选择适宜的水源,如自来水,避免使用含有污染物的水源,以免影响施工效果和健康。
五、施工效果评估1. 湿度调节效果:根据施工后的湿度测量结果,评估施工效果。
湿度应达到预期要求,能够满足项目需求。
2. 温度调节效果:根据施工后的温度测量结果,评估施工效果。
温度应有所降低,能够提供舒适的环境。
3. 空气净化效果:根据施工后的空气质量测量结果,评估施工效果。
空气质量应有所改善,减少尘埃和污染物的含量。
六、施工记录和报告施工过程中应做好施工记录,包括施工时间、施工人员、施工设备等信息。
室外散水施工技术交底
技术交底记录编号
表C2-1
工程名称朝阳区奥运村地区5号地规划交底日期 2016年04月25日
施工单位分项工程名称交底提要 6#散水施工技术交底
交底内容:
一、施工准备
1.1、材料准备
素土、3:7灰土、C15细石混凝土、预制模板、干硬性水泥砂浆、花岗石板、改性沥青防水油膏等
1.2、机具准备
平板振捣器或插入式振捣器、手推车、铁锹、筛子、刮杠、木抹子、胶皮水管、钢丝刷、靠尺、
坡度尺、塞尺、钢尺、绝缘手套、绝缘鞋、口罩、手套、刮刀、橡胶锤等
1.3、作业条件
室外楼梯、残疾人坡道已施工完成。
1.4、施工范围
6#楼首层96cm范围散水施工。
二、施工工艺
2.1、工艺流程
散水施工流程: 弹控制线?素土夯实?150mm厚灰土垫层?支设模板分隔缝?混凝土面层?铺
设石材?分隔缝填堵?保护验收
审核人交底人接受交底人本表由施工单位填写
第 1 页共 3 页
技术交底记录编号
表C2-1
工程名称朝阳区奥运村地区5号地规划交底日期 2016年04月25日
施工单位分项工程名称
交底提要 6#散水施工技术交底
2.2施工要点
2.2.1弹控制线:填土前在外侧墙体上弹墨线控制散水每层做法高度及分隔缝位置,楼周围960mm为散水施工范围,向外坡度为4%,散水完成面高出室外地坪
20mm。
2.2.2素土夯实:打夯时由四边开始夯向中间,采用拉式打夯机回填土夯实3-4遍,每层厚度控制在200mm-250mm,均匀夯打不留间隙,打夯机工作不到的部位(与外墙连接部位)人工进行夯实。
2.2.3灰土垫层:150mm厚3:7灰土垫层,宽度为960mm,3:7灰土拌合要均匀,拌合致颜色均匀一致。
拌合过程中,安排专人进行洒水降尘。
碾压夯实要求同素土。
-1轴至6-42.2.4支设模板分隔缝:散水与外墙分隔缝20mm,沿外墙一周要做到整齐一致,纵向6轴跨度胶大,每隔6M左后设一道分隔缝,缝宽25mm,房屋转角处与外墙呈45?角,分隔缝宽20mm,分隔缝应避开雨落管,以防雨水从分隔缝内渗入。
根据分隔缝宽度提前预制好分隔模板,模板两边应作抛光处理。
2.2.5混凝土面层:面层设60mm厚C15细石混凝土,宽900mm。
施工前应适当润湿基层(但不得有积水),浇筑时采用平板式振捣器振实压光,随打随抹,待混凝土具有一定强度时即拆除木板,随即用砂浆抹平压光侧边,并用阳角镥子将散水棱
角镥直、压光,包括分格缝处棱角,侧边及分格缝内与散水大面的质量要求相同,也要见光,棱角顺直、整齐。
2.2.6铺设石材:面层细石混凝土达到强度标准后即开始铺设花岗岩石材,粘接砂浆采用1:3干硬水泥砂浆,铺设前应现在基层刷一道素水泥浆(内掺建筑胶),再摸40mm厚粘接砂浆,石材平行斜坡落下,使用橡胶小锤轻敲至高度控制线,使用稀水泥砂浆擦缝。
铺设时要先进行预铺,对好纵横缝。
2.2.8灌缝:根据分隔缝宽,使用聚苯板进行填充堵实,上留30mm凹槽使用改性沥青防水油膏嵌缝密封,浇灌前,分隔缝两边应设3cm宽纸条,防止沥青污染花岗岩板,浇灌后可用橡胶管抹成
审核人交底人接受交底人
本表由施工单位填写
第 2 页共 3 页
技术交底记录编号
表C2-1
工程名称朝阳区奥运村地区5号地规划交底日期 2016年04月25日
施工单位分项工程名称交底提要 6#散水施工技术交底
小圆弧状,保持美观。
三、质量标准
3.1、回填土料中不得含有有机杂质,不得含有建筑垃圾,夯实要达到要求。
3.2、混凝土强度要达到设计要求,面层不得有起砂、空鼓、开裂现象。
3.3、分隔缝宽度要达到设计要求,封堵要严实。
3.4、花岗石板平铺整齐,间缝隙不得大于1mm,高低差不得有0.5mm,不得有空鼓、起撬。
3.5、散水每层做法厚度要达到设计要求。
3.6、嵌封材料嵌封后不得有污染,固化前不得踩踏。
四、安全文明施工
4.1、工人进入施工现场必须戴好安全帽,严禁赤脚、光膀子、穿拖鞋上班。
4.2、各种进场材料、机具要按平面布置,整齐堆放安置。
4.3、各工种施工人员在现场,相互间要建立良好的工作关系,做到相互尊重、相互协调。
努力创
造一个和谐的工作环境。
4.4、严格遵守工地劳动纪律及各项规定,不打架,不讲粗话,具有良好的职业道德,作一个文明
的施工者。
审核人交底人接受交底人本表由施工单位填写
第 3 页共 3 页。