调速器及油压装置运行规程(新)
- 格式:doc
- 大小:45.00 KB
- 文档页数:10
第一章设备大体参数第一节水轮机大体参数第二节发电机大体参数第三节温度限额第四节冷却水第五节顶转子时刻规定第六节顶转子要求第七节转速限额第二章总则第1条水轮发电机组是全厂最重要的机电设备,为确保机组的安全经济运行和人身安全,运行和有关人员必需严格遵守本规程。
发觉有人违背本规程,运行人员有权加以制止。
第2条机组开机、停机、蝶阀开启与关闭操作,必需经值长许可。
第3条蜗壳充水前,机组必需处于下列状态:一、蜗壳、尾水管进人孔关闭;二、蜗壳排水阀关闭;3、调速系统正常、油压正常;4、导叶全关、接力器锁锭投入。
第4条事故停机后,必需查明事故原因,消除故障,并手动复归事故停机回路,不然不允许开机,必需开机应经生产厂长批准。
第5条机组主要保护和自动装置必需投入,整定值不得任意变更,必需解除或变更定值时,须经生产厂长批准。
第6条调速器接力器排油或关闭调速器总供油阀1136的时刻超过4小时,恢复前需做接力器全行程实验,实验应严格按典型操作票进行。
第7条机组因故发生低转速加闸或惰性停机,开机前需顶转子一次。
第8条在机组操作或实验进程中,如发生异样情形,应当即停止操作或实验,并及时向值长汇报。
第9条机组转动部份或蜗壳、尾水管内有人工作,应做好防蝶阀开启及导叶动作的防转动安全办法。
第10条操作、巡回检查、按期工作、事故处置等工作完毕后必需向发令人汇报。
第11条油、水、气系统检修后,应做相应的充油、充水、充气实验,检查油、水、气系统完好。
第12条机组发生严峻冲击或全甩负荷等异样工况时,应检查发电机有无异样,并测量一次水导摆度。
第13条水轮机一般应调整到最佳工作状况运行,避免在振动区运行,以避免发生严峻汽蚀和振动。
第14条当机组发生高转速加闸停机后,应对风闸、制动块进行全面检查。
第15条机组不允许在额定转速50%以下长时刻运行。
第16条调速器遇下列情形之一者应切“手动控制”运行:一、自动控制回路发生故障时;二、测频电压互感器及回路发生故障时;3、实验工作需要时。
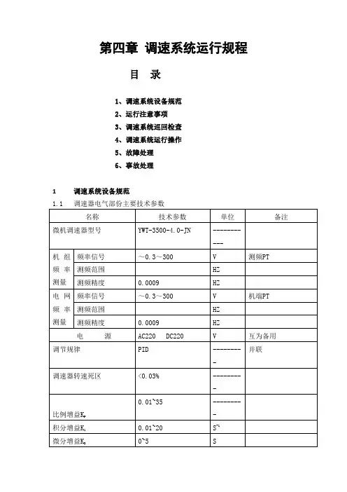
第四章调速系统运行规程目录1、调速系统设备规范2、运行注意事项3、调速系统巡回检查4、调速系统运行操作5、故障处理6、事故处理1调速系统设备规范1.1 调速器电气部份主要技术参数1.3 调速器整机主要技术性能(GB/T9652.1-1997)1.4 调速器三种调节模式参数1.5 调速器经空扰试验选定的参数1.6 调速器压油装置技术参数1.7 调速器油槽油面限额1.8 调速器压油装置压力整定值1.9 调速器集油槽排油泵---电机组技参数2 运行注意事项2.1 调速系统运行注意事项:2.1.1 许可开启进水球阀之前,压油装置、调速系统必须恢复正常。
2.1.2 许可调速系统排压或检修时,必须确认进水球阀已关闭,若水轮机部分有工作,应将导叶全关(或做好防止导叶突然开启的安全措施)。
2.1.3 需关闭调速器总供油阀×101阀时,应注意将其关严(事先关闭进水球阀),以防止导叶漏水过大机组转动。
2.1.4 开启×101阀前,必须确认调速系统管路阀门位置正确。
2.1.5 导叶关闭形式为一段关闭,关闭时间为17秒。
2.1.6 机组紧急停机电磁阀与液动换向阀构成紧急停机装置。
2.1.7 紧急停机装置动作条件为:事故时机组有关保护投入。
2.1.8 机组事故停机过程中,若转速在15%Nr以下长时间低转速运行时,应考虑将机组恢复至空转运行。
2.2 油压装置运行注意事项:2.2.1 压力油罐正常工作时应保持三分之二体积的压缩空气和三分之一体积的透平油。
2.2.2 机组在运行或备用状态时,压油装置工作正常,压油罐油压、油位正常,回油槽油位正常。
2.2.3 检修机组的压油罐正在建压时,严禁对另外机组压油罐进行补气操作。
2.2.4 漏油泵设常规控制,控制把手在“自动”位置。
2.3 压油泵运行注意事项:2.3.1 压油泵设常规控制。
2.3.2 正常运行时,两台压油泵控制开关SAH1及SAH2均在“自动”位置;自动轮换继电器KJ2轮流切换为1号泵主用或2号泵主用方式运行。
前言本标准是根据《国家发展改革委办公厅关于下达2004年行业标准项目补充计划的通知》(发改办工业[2004]1951号)要求制定的。
汽轮机、水轮机(包括燃气轮机)技术监督是保证发电机组安全、经济、稳定运行的重要环节。
为适应高参数、大容量发电机组的迅速发展及厂网分开和区域电力市场格局的形成,本标准从全过程技术监督的角度制定了监督的任务、措施和技术管理内容。
本标准的附录D、附录E为规范性附录。
本标准的附录A、附录B、附录C、附录F、附录G为资料性附录。
本标准由中国电力企业联合会提出。
本标准由中国电力企业联合会电力试验研究分会归口并解释。
本标准起草单位:中国南方电网广东电网公司电力科学研究院。
本标准参加起草单位:华北电力科学研究院有限责任公司、东北电力科学研究院、华东电力试验研究院、西北电力试验研究院、浙江电力试验研究所、浙江电力调度通信中心和湖北电力试验研究院.本标准主要起草人:田丰、郭芸、黄青松、姚泽、林清如、阚伟民、马斌、何宏明。
本标准在执行过程中的意见或建议反馈至中国电力企业联合会标准化中心(北京市白广路二条一号,100761)发电厂汽轮机、水轮机技术监督导则1、范围本标准规定了火力发电厂(以下简称“火电厂")汽轮机和水力发电厂(以下简称“水电厂")水轮机技术监督的任务、措施和技术管理内容。
本标准适用于单机容量在15MW及以上各种类型水轮机和单机容量为125MW及以上汽轮机的技术监督。
本标准不适用于核电厂汽轮机、联合循环发电厂燃气轮机的技术监督。
2、规范性引用文件下列文件中的条款通过本标准的引用而成为本标准的条款.凡是注日期的引用文件,其随后所有的修改单(不包括勘误的内容)或修订版均不适用于本标准,然而,鼓励根据本标准达成协议的各方研究是否可使用这些文件的最新版本。
凡是不注日期的引用文件,其最新版本适用于本标准。
GB/T 5578 固定式发电用汽轮机技术条件GB 7520 汽轮机保温技术条件GB 8117 电站汽轮机热力性能验收试验规程GB 9782 汽轮机随机备品备件供应范围GB 11120 L—TSA汽轮机油GB/T 8174 设备及管道保温效果的测试与评价GB/T 8564 水轮发电机组安装技术规范GB/T 9652。
YWT-600数字阀微机调速器机械随动系统使用说明书重庆水轮机厂有限责任公司控制设备分公司该类型调速器其执行机构接力器及控制部分与油压装置是组合为一体的,油压装置的压力能源足以保证调节系统的安全、稳定、可靠,该调速器的控制部分是装在回油箱体上的,控制机构为数字阀微机调速器。
该调速器油压装置主要由压力罐、回油箱、螺杆泵、安全阀、补气阀、数字阀组及接力器等组成。
一. 主要数据:YWT— 6001). 接力器活塞直径:φ1702). 接力器活塞杆直径φ503). 接力器活塞行程170 mm4). 接力器容积 3.52L5). 压力油罐容积40L6).压力油罐正常储油容积15L7).额定油压 2.5MPa8). 油泵输油量(2.50Mpa.T=30-350C) 0.7L/S9).调速轴最大转角45010).油泵电动机Y90L-4B5 功率: 1.5KW 转速:1450r/min 2.调速器在下列油压的基本参数1).压力罐中的油压2.5Mpa时:YWT- 6002).接力器轴向推力N 352503). 接力器工作容量N.m 5993注: 接力器腔中的油压比压力罐的油压低0.7Mpa二、系统原理:(参看系统原理图T2020H-02)2.1自动工况:当机组出现转速偏差,转速升高,微机控制器判断频率波幅大小给出减少导叶开度的指令,控制数字阀组中的数字阀的P腔与接力器关闭腔导通,而接力器开启腔与数字阀的T腔导通,使接力器向关机方向移动。
当接力器向关机方向移动的同时,反馈杆随着斜块向上移动,带动反馈传感器移动,将反馈量传递给微机控制器。
经过调整,使机组转速达到额定转速运行,接力器停留在新的位置上。
当机组转速下降,随动系统的动作原理相反。
2.2手动工况2.2.1、电手动当自动出现问题,可以在任何位置进行无绕动切换。
只要在控制面板上按手动运行按钮就可以进行手动开机或增、减功运行操作。
2.2.2、液压手动手动运行需打开前门,用手直接操作数字阀两侧上的按钮分别控制压力油与接力器两腔相通,使接力器活塞向开或关方向移动,这样实现了开关机或增、减负荷的运行操作。
目次第一篇总则 (2)第二篇运行管理 (3)第三篇主要设备运行规范 (5)第四篇运行定额 (9)第五篇运行中的维护操作 (10)第六篇水轮发电机运行规程 (17)第一章水轮机组的运行维护检查 (17)第二章机组的故障及事故处理 (18)第三章调速器的检查操作与调节 (20)第四章调速器故障及事故处理 (25)第五章励磁系统的操作与调节 (27)第七篇变压器运行规程 (29)第八篇配电装置运行规程 (34)微机保护及其二次部分运行规程 (38)第九篇厂用电运行规程 (44)第十篇水系统运行规程 (49)第十一篇辅助设备运行规程 (51)第十三篇直流系统运行规程 (59)第一篇总则第1.1条:为保证值班人员的人身安全、保证电力系统及本站主要设备的安全与经济运行,特制定本运行规程,必须严格按照本规程执行。
第1.2条:本《运行规程》是本站运行、监控、操作、维护和事故处理的基本规范规定及依据。
全站职工及学员应程度不同的熟悉掌握,它是《运行规程》考核的依据,必须熟悉和严格执行。
第1.3条:本规程为暂行初稿基础上第一次修改后的版本、如有不完善之处待每年一次的修改中,统一修订。
第1.4条:凡违反《电业安全工作规程》及《运行规程》造成事故者,按《事故调查规程》有关规定处理。
第1.5条:本《运规》从2006年5月1日起启用,原运规及《原操作票例》同时废止,执行新《操作票例》。
第1.6条:凡《运规》中未尽参数可在《检规》中查阅,两规互为补充与完善,所以运行人员也相应熟悉《检规》的有关内容。
第二篇运行管理第2.1条:运行人员必须认真学习贯彻执行《电业安全工作规程》、《运行规程》、《调度规程》和《事故调查规程》。
并参加每年上级对规程的考试。
第2.2条:运行人员应遵守下列岗位责任制:1.值班期间,坚守岗位,遵守纪律,做到“六不”:不迟到、不早退、不会客、不打瞌睡、不酒后值班、不做与生产无关的事。
2.认真学习钻研运行技术,做到“三熟三能”:1)运行工人的三熟:熟悉设备、系统和基本原理;熟悉操作和事故处理;熟悉本岗位的规程和制度;2) 运行工人的三能:能正确操作和分析运行状况;能即使发现和排除故障;能掌握一般维修技能;3) 形成公司、站、班组三级安全网并做到三级安全教育。
调速器系统运行规程5.1 技术参数5.1.1 电气部分主要技术参数5.1.2 机械液压部分主要技术参数5.1.3 整机主要技术性能5.2 压油装置5.2.1 压油装置技术参数合阀门额定油压MPa 6.3 通径Ф50 转速r/min 1400 功率kW 1.5 接法Y5.2.2 压油装置压力、油面整定值名称(mm)整定值(MPa)压力油灌油面范围350-700回油箱油面范围400-800压力油罐事故低油压 5.0备用油泵启动 5.5油泵正常启动 5.8油泵停止 6.3压力油罐压力过高 6.5油泵卸荷阀门动作7.18自动补气>5.8MPa,<6.1MPa(且油位比正常油位高10mm)5.3 调速器的组成部件BSWT-150-6.3步进电机PLC调速器由电气控制部分、步进电机-滚珠丝杆传动装置、机械液压随动系统组成。
5.3.1 电气操作面板1、面板布置2、面板功能1)“远方/现地”:主要确定增减负荷的权限,现地位置,只能由现地的增、减开关来下达增/减负荷命令;远方位置,由机组监控系统下达增/减负荷命令。
2)“机手动/自动/电手动”:三位自保持选择开关。
机手动位置,调速器电气与机械液压机构完全脱离,人为操作机械液压机械的手操阀来实现接力器的开、关动作,可将导叶开启和关闭,电柜上包括“负荷增/减”旋钮、触摸屏按钮将不起作用;自动位置,调速器能按指令控制导叶的开启和关闭以达到控制机组转速或负荷的目的;电手动位置,必须人为在调速器面板上操作控制导叶的开启和关闭。
电手动和机手动是开环调节方式,必须在运行维护人员在调速器旁监护。
3)“负荷增/减”:两位自复位选择开关。
在现地工作模式下,通过此旋钮来下达增或减负荷的指令。
4)“报警及复归”:带灯自复位按钮。
在调速器电气故障的情况下,此灯会亮并在故障处理之前一直保持。
一般故障恢复后,可自动复归,但反馈故障需要手动复归。
5)“紧急停机”:带灯自复位按钮(带防护盖)。
在特定情况下,此按钮可以实现接力器的紧急关闭。
水轮机调速器与油压装置技术条件(doc 14页)水轮机调速器与油压装置技术条件Specifications of governors and pressure oil supply units for hydraulic turbinesGB/T9652.1—1997(代替GB9652—88)目次前言1 范围2 引用标准3 工作条件4 技术要求5 标志、包装、运输、贮存6 供货成套性前言本标准是在GB9652—88《水轮机调速器与油压装置技术条件》第3章“技术要求”和第5章“标志、包装、运输、贮存”的基础上参考IEC308:1970“水轮机调速器试验国际规范”并结合我国多年来的实践经验编制的,在技术内容上与该国际标准非等效。
本标准达到20世纪90年代国际水平。
与原标准相比,本标准各类调速器的转速死区这一重要指标均有不同程度的提高;增加了对微机调速器、电调电气装置电磁兼容性和电气协联函数GB150—89 《钢制压力容器》GB3797—88 《电控设备第二部分:装有电子器件的电控设备》GB4588—89 《单、双面印制板技术条件》GB10886—89 《三螺杆泵型式与基本参数》GB11120—89 《L—TSA汽轮机油》JB/T8091—1995《螺杆泵试验方法》3 工作条件本标准所规定的各项调节系统静态及动态特性指标均系在下列条件下制定:3.1 水轮机所选定的调速器与油压装置合理。
3.1.1 接力器最大行程与导叶全开度相适应。
对中、小型和特小型调速器,导叶实际最大开度至少对应于接力器最大行程的80%以上。
3.1.2 调速器与油压装置的工作容量选择是合适的。
3.2 水轮发电机组运行正常。
3.2.1 水轮机在制造厂规定的条件下运行。
3.2.2 测速信号源、水轮机导水机构、转叶机构、喷针及折向器机构、调速轴及反馈传动机构应无制造和安装上缺陷,并应符合各部件的技术要求。
3.2.3 水轮发电机组应能在手动各种工况下稳定运行。
QB/JDXGS 甘肃电投九甸峡水电开发有限责任公司管理系统文件QB/JDXGS J01-03-2009技术文件(峡城水电站调速器运行规程)2009-10-01发布 2009-10-01实施甘肃电投九甸峡水电开发有限责任公司目录前言 (Ⅱ)1范围 (1)2引用标准 (1)3设备规范 (1)4运行方式 (5)5运行规定 (5)6运行操作 (3)7运行监视、检查及维护 (7)8事故处理 (7)前言为了加强莲麓二级(峡城)水电站水轮机调速器设备的运行管理,保证调速系统的正常运行,特制定本标准。
本标准规定了莲麓二级(峡城)水电站DFWST-100-4.0自复中式可编程控制水轮机调速器的运行规定、操作要求、运行方式、巡回检查及故障事故处理的具体规定、内容和要求。
本规程依据变压器的国家标准和设备厂家的相关要求制定。
本规程由公司标准化委员会提出。
本规程由公司计划经营部归口。
本规程起草人:罗宏、马海军、师瑞通、徐涛、马楠本标准审核人:周毓林、潘存斌、张军、王建杰、蒋晓燕、焦建伟本标准批准人:党海燕QB/JDXGS J01-03-2009调速器运行规程1 范围1.1 本规程规定了峡城水电站自复中式可编程控制调速器运行规定,运行方式、运行操作,巡检和故障、事故处理。
1.2 本规程适用于莲麓水电站运行人员、检修人员和生产管理人员对水轮机调速器及油压装置的运行管理。
2 引用标准下列标准包含的条文,通过在标准中引用而构成本标准的条文。
在标准出版时,所示版本均为有效,所有标准都会被修订,使用下列标准最新版本的可能性。
GB/T9652.1-1997 《水轮机调速器与油压装置技术条件》GB/T9652.2-1997 《水轮机调速器与油压装置试验验收规程》DL/T492-2001 《水轮机调速器及油压装置运行规程》DFWST-80-4.0 《DFWST-100-4.0微机自复中调速器说明书》HYZ-2.5-4.0 《HYZ-2.5-4.0油压装置使用说明书》LHY-0.3 《LHY-0.3漏油装置说明书》3 设备规范3.2 调速器机械液压系统3.6 调速器数据调节范围3.9 油压装置控制及指示灯4 运行方式4.1 调速器的运行方式4.1.1 自动运行方式4.1.1.1 按功率调节;4.1.1.2 按频率调节;4.1.1.3 按开度调节。
调速器及其油压装置运行规程1 主题内容及适用范围1.1本规程对#1~#4调速器及其#1~#4油压装置的基本技术要求、运行操作、运行监视检查和维护、故障和事故处理等作出了规定。
1.2本规程适应于现场运行值班人员,并适应于现场工作人员。
生产管理和检修人员应熟悉本规程,全体运行人员应熟练掌握本规程。
2 规范性引用文件2.1 DL/T563-2004 《水轮机电液调节系统及装置技术规范》2.2 GB/T9652.1-2007《水轮机调速器及油压装置基本技术条件》2.3 GB/T9652.2-2007《水轮机调速器及油压装置试验验收规程》2.4 GB/T8564-2003《水轮机发电机组安装技术规范》2.5 DL496-2001《水轮机电液调节系统及装置调整试验导则》2.6 DL/T792—2001《水轮机调速器及油压装置运行规程》3 基本要求3.1 调速器3.1.1 接力器关闭时间整定为6.8s,开启时间整定为12-15s。
3.1.2 调节参数整定正确。
3.1.3 交直流电源自动回路工作正常,信号正确。
3.1.4 远方及现地开(停)机、负荷调整、事故停机等动作正确。
3.1.5 机组频率信号回路和电网频率信号回路、PT低压侧熔断器完好并已投入。
3.1.6 主令控制器完好,传动灵活。
3.1.7 调速器与监控系统通信工作正常。
3.1.8 事故紧急停机电磁阀动作正常。
3.1.9 锁锭装置动作正常、指示正确。
(#4机调速器锁锭备用状态不投入)3.1.10 调速器A、B套在运行时应互为备用,若一机有故障应自动切至另一机运行;3.1.11 如调速器电气部分有故障时应能改手动运行;3.1.12 调速器在手动运行时应有专人监视。
3.2 油压装置3.2.1 油质合格。
3.2.2 油泵及阀组工作正常,运行平稳。
3.2.3 压力油罐油位与回油箱油位在规定范围内。
3.2.4 油压信号装置动作正常。
3.2.5 事故低油压的整定值在规定范围内。
第一章设备基本参数第一节水轮机基本参数第二节发电机基本参数第三节温度限额第四节冷却水第五节顶转子时间规定第六节顶转子要求第七节转速限额第二章总则第1条水轮发电机组是全厂最重要的机电设备,为确保机组的安全经济运行和人身安全,运行和有关人员必须严格遵守本规程。
发现有人违反本规程,运行人员有权加以制止。
第2条机组开机、停机、蝶阀开启与关闭操作,必须经值长许可。
第3条蜗壳充水前,机组必须处于下列状态:1、蜗壳、尾水管进人孔关闭;2、蜗壳排水阀关闭;3、调速系统正常、油压正常;4、导叶全关、接力器锁锭投入。
第4条事故停机后,必须查明事故原因,消除故障,并手动复归事故停机回路,否则不允许开机,必须开机应经生产厂长批准。
第5条机组主要保护和自动装置必须投入,整定值不得任意变动,必须解除或变更定值时,须经生产厂长批准。
第6条调速器接力器排油或关闭调速器总供油阀1136的时间超过4小时,恢复前需做接力器全行程试验,试验应严格按典型操作票进行。
第7条机组因故发生低转速加闸或惰性停机,开机前需顶转子一次。
第8条在机组操作或试验过程中,如发生异常情况,应立即停止操作或试验,并及时向值长汇报。
第9条机组转动部分或蜗壳、尾水管内有人工作,应做好防蝶阀开启及导叶动作的防转动安全措施。
第10条操作、巡回检查、定期工作、事故处理等工作完毕后必须向发令人汇报。
第11条油、水、气系统检修后,应做相应的充油、充水、充气试验,检查油、水、气系统完好。
第12条机组发生严重冲击或全甩负荷等异常工况时,应检查发电机有无异常,并测量一次水导摆度。
第13条水轮机一般应调整到最佳工作状况运行,避免在振动区运行,以免发生严重汽蚀和振动。
第14条当机组发生高转速加闸停机后,应对风闸、制动块进行全面检查。
第15条机组不允许在额定转速50%以下长时间运行。
第16条调速器遇下列情况之一者应切“手动控制”运行:1、自动控制回路发生故障时;2、测频电压互感器及回路发生故障时;3、试验工作需要时。
四川华电木里河水电开发有限公司企业标俄公堡电站运行技术标准调速系统运行技术标准 Q/MLH.EGB.JS.YX.001-20111 主题内容与适用范围本标准规定了俄公堡电站调速系统的运行要求、运行操作、运行方式、检查维护及事故处理。
本标准适用于俄公堡电站调速系统的运行与维护。
2 引用标准DL408--2010《电力安全规程(发电厂和变电站部分)》GB/T 9652.1-199 《中国国家水轮机调速器标准》DL/T 563-1995 《水轮机电液调节系统及装置技术规程》DL/T 496-2001 《水轮机电液调节系统及装置调整试验导则》《SAFR-2000H 水轮机调速器电气调节装置产品技术说明书》《ZFL/D 型调速器液压控制柜操作终端说明书》3 设备规范3.1 调速器项目规范值备注型号ZFL/D主配压阀直径Фmm额定油压力 6.3MPa导叶全关闭时间调整范围(4~30)s 设计为3~60s频率给定f r调整范围45~55H Z永态转差系数b p0~0.06 设计为0~0.1暂态转差系数b t0~0.1s缓冲时间常数T d1~20s 分辨率为1s微分时间常数T n0~5s开度限制0~100%频率失灵区E f (0~±0.3)H Z功率、开度失灵区E(y-p)(0~±5)%并可调调速器操作电源DC220V±15%;2A;AC220V±15%,2A3.2压油装置参数整定油泵停止油压 6.3MPa 油泵自动启动MPa 油泵备用启动MPa 事故低油压MPa 安全阀开始排油压力MPa 安全阀全开压力MPa 安全阀全关压力MPa 停止补气压力MPa 补气油位/压力840mm/<3.6MPa 油压过高压力MPa 压油罐正常油位mm 压油罐低油位mm 压油罐过低油位mm 压油罐高油位mm 压油罐过高油位mm 回油箱低油位mm 回油箱高油位mm 漏油泵启动油位mm 漏油泵停止油位mm 漏油箱油面过高mm油压装置型号HYZ-1.0/6.3 回油箱容积2m3工作油压 6.3MPa 正常储油L事故配压阀型号SP1-OO/80 工作压力 2.5MPa行程45mm 通径80mm 制造厂家油泵组合阀型号回油箱轮廓尺寸2000×1160×1340输油量L/S 油泵型号3G45X4C2通径mm 漏油箱容积漏油泵吸上高度m型号CB-B20 输油量46.4L/min 额定压力MPa 转速prm压油罐设计压力MPa 最高工作压力MPa容积 1.0m3介质设计温度容器净重耐压试验 5.8MPa(水压)尺寸ф830×3850产品编号制造厂家制造厂家4 调速系统运行规定4.1 调速器运行规定4.1.1 俄公堡电站调速系统由ZFL/D型液压控制柜、SAFR-2000H型电控制、压油装置、主配压阀及相关控制回路组成。
国家电力监管委员会关于印发《发电企业安全生产标准化规范及达标评级标准》的通知文章属性•【制定机关】国家电力监管委员会(已撤销)•【公布日期】•【文号】电监安全[2011]23号•【施行日期】•【效力等级】部门规范性文件•【时效性】现行有效•【主题分类】标准化正文国家电力监管委员会关于印发《发电企业安全生产标准化规范及达标评级标准》的通知(电监安全〔2011〕23号)电监会各派出机构,各省、自治区、直辖市安全生产监督管理局,国家电网公司,南方电网公司,华能、大唐、华电、国电、中电投集团公司,各有关企业:为贯彻落实《国务院关于进一步加强企业安全生产工作的通知》(国发〔2010〕23号)精神,加强电力安全生产监督管理,规范发电企业安全生产标准化工作,电监会和国家安全监管总局联合制定了《发电企业安全生产标准化规范及达标评级标准》,现予印发,请依照执行。
发电企业安全生产标准化规范及达标评级标准(二○一一年八月)目次1 适用范围2 规范性引用文件3 术语和定义4 一般要求4.1 原则4.2 建立与保持4.3 评定与监督5 核心要求5.1 目标5.2 组织机构和职责5.3 安全生产投入5.4 法律法规与安全管理制度5.5 教育培训5.6 生产设备设施5.6.1 设备设施管理5.6.2 设备设施保护5.6.3 设备设施安全5.6.4 设备设施风险控制)5.6.5 设备设施防汛、防灾5.7 作业安全5.7.1 生产现场管理5.7.2 作业行为管理5.7.3 标志标识5.7.4 相关方安全管理5.7.5 变更管理5.8 隐患排查和治理5.9 重大危险源监控5.10 职业健康5.10.1 职业健康管理5.10.2 职业危害告知和警示5.10.3 职业健康防护5.10.4 职业危害申报5.11 应急救援5.12 信息报送和事故调查处理5.13 绩效评定和持续改进前言为加强电力安全生产监督管理,落实《国务院关于进一步加强企业安全生产工作的通知》(国发〔2010〕23号),规范发电企业安全生产标准化工作,国家电力监管委员会委托中国电机工程学会组织编制本规范。
水轮机调速器与油压装置试验验收规程Test acceptance codes of governors and pressure oilsupply units for hydro-turbinesGB/T9652.2-1997中华人民共和国国家标准水轮机调速器与油压GB/T9652.2—1997代替GB9652—88装置试验验收规程Test acceptance codes of governors andpressure oil supply units for hydro-turb i nes国家技术监督局1997-04-10发布1998-04-01实施前言本标准系在GB9652—88《水轮机调速器与油压装置技术条件》第4章试验项目与试验方法的基础上,参考IEC308《水轮机调速系统试验的国际规范》(1970年版),并结合我国多年水电建设的实践经验而编制的。
本标准从实施之日起,同时代替GB9652—88的第4章。
本标准附录A是标准的附录。
本标准由全国水轮机标准化技术委员会控制设备分技术委员会提出并归口。
本标准起草单位:东方电机厂、长江水利委员会长江控制设备研究所、天津电气传动设计研究所、华中理工大学、中国水利水电科学研究院自动化所、哈尔滨大电机研究所。
本标准起草人:孙邦彦、吴应文、李晃、魏守平、赵坤耀、郜瑞阁。
本标准于1997年首次发布。
本标准委托全国水轮机标准化技术委员会控制设备分技术委员会负责解释。
1范围本标准规定了水轮机调速器与油压装置的试验项目、方法和条件,并给出试验验收的一般规定。
本标准适用于工作容量350N·m及以上的水轮机调速器与油压装置。
2引用标准下列标准所包含的条文,通过在本标准中引用而构成为本标准的条文。
本标准出版时,所示版本均为有效。
所有标准都会被修订,使用本标准的各方应探讨使用下列标准最新版本的可能性。
GB2423.2—89电工电子产品基本环境试验规程GB3797—88电控设备第二部分:装有电子器件的电控设备GB9064—88螺杆泵试验方法GB/T9652.1—1997水轮机调速器与油压装置技术条件GB/T13926.4—92工业过程测量和控制装置的电磁兼容性电快速瞬变脉冲群要求3验收一般规定3.1验收条件除应符合本标准第4章试验条件外,还应满足如下要求:3.1.1测频信号源特性应符合产品测频方式的技术要求(正弦频率信号的电压谐波分量应小于基波的5%)。
1.概述水轮机调速器及油压装置是用于对水轮机进行调节的水电站主要设备之一。
它通过微机的、电气的、液压的或机械的部件完成发电机组的转速调整,负荷调整,频率自动控制及调频,调相的运行要求。
调速器一般由电气柜、控制器和执行机构三大部分组成。
油压装置是调速器中液压部分的贮能装置。
按功能分,调速器和油压装置包括:测速装置、缓冲装置、电调电气装置、电液转换器(电液伺服器)、油泵、安全阀、自动补气装置、油位信号装置及压力缸、受压铸件等。
中小型水利发电设备已实施出口产品质量许可制度,未取得出口质量许可证的产品不准出口。
2.分类及特点调速器基本上分为机械液压调速器、电气液压调速器和微机液压调速器三类。
目前,我国出口的调速器和油压装置有以下几种类别和规格。
(1)W系列调速器。
W系列调速器是以微处理机为控制器的并联PID 型调速器。
适用于混流式、轴流定桨及转桨式水轮机。
该系列调速器按主配直径分,有50,80,100,150mm;按调节方式,有双调(WST)、单调(WT)。
如WST-50,表示主配直径50mm,双调的以微处理机为控制器的并联PID型调速器。
(2)SKD系列调速器。
该系列为电液调速器,可对水电机组进行转速调整、负荷调整、频率自动控制,亦可满足调频和调相的要求。
有手动和自动运行方式。
另外,设有故障锁定,二段关闭等保护装置。
该系列调速器以主配直径或调速功的大小及调节广度不同分类。
如SKDT-1800表示单调,调速功为1800kgm。
SKDST-150表示双调,主配直径为150mm。
(3)YT系列调速器。
YT系列机械液压自动调速器管用于混流式、轴流式水轮机组的调节和不同的调轴安装方向,亦适用于导水机构不同的开头方向。
该系统装有自动补气装置,能满足没有气源的小型电站的需要。
还设有可靠的保护装置。
该系统调速器以调速功的不同分类。
如YT-1000,表示调速功为1000kgm。
(4)YTT系列调速器。
YTT系列特小型机械液压调速器是为小型反击式水轮机组配套而制造的。
调速器运行规程Q/MXSD10203.1-20061 主题内容与适用范围1.1 本规程规定了峡阳水电站发电机调速器的运行管理,操作维护及事故处理。
1.2 本规程适用于峡阳水电站运行人员和生产管理人员对发电机调速器的运行管理,也可供有关检修、维护人员参考。
1.3 下列人员应通晓本规程1.3.1 领导人员:生产副总经理、生产部门经理、副经理(经理助理)、专职技术人员。
1.3.2 生产人员:值长、运行值班员、维护班人员。
2 概述2.1 性能特点2.1.1 GLT—K调速器电气部分采用可编程序控制器(PLC),配以比例集成式电液随动装置及相应的油压装置,构成一个完整的电液调速器。
重锤关机控制装置和分段关闭装置采用了插装阀、行程阀、液控单向阀等标准液压元件。
2.1.2 主要特点2.1.2.1 电气部分以可靠性极高的可编程序控制器为其硬件的主体,软件采用统一的时变参数控制策略,可适时辨识空载、并网和孤立运行等不同工况,可靠性高,稳定性好,带孤立负荷能力较强。
2.1.2.2 具有残压测频,频率跟踪等功能,能快速并网。
2.1.2.3 能够按转速、水位或给定负荷进行自动调节,具有数字协联及波动控制的功能。
2.1.2.4 触摸显示屏能显示调速系统的运行状态和各主要参数,如机组频率,电网频率,导叶开度,桨叶开度,调节器输出,协联输出和调节器的诸参数,具有多种显示界面,能显示调速系统的动态过程数据。
2.1.2.5 能以PLC专用通讯协议方式方便地实现与上位机的通讯。
2.1.2.6 用电液比例阀直接控制主配压阀,结构简单,调整方便,可靠性高,耗油量小。
2.1.2.7 电气故障时,可自动地保持机组故障前所带负荷,并切换为手动运行。
2.1.2.8 油压装置有三台油泵,提高了供油的可靠性。
两台大泵为大波动时的工作和备用油泵,一台小泵在稳定运行时补充正常耗油,以减少大泵的频繁起动和由此引起的噪声及厂用电波动。
2.2 主要技术参数:2.2.1机械性能指标转速死区i x≤0.04%静态特性线性度误差ε≤5%桨叶协联装置不准确度i a≤1.5%自动空载三分钟转速摆动相对值不超过±≤1.5%接力器不动时间T q≤0.2秒分段关闭规律:100%关至25%所需时间为5.25S100%至全关所需时间为15S桨叶全开、全关时间均为50S平均故障间隔时间不少于8000小时2.2.2 电气部分主要技术参数比例系数K P 0.5~20积分系数K I 0.05~10(1/S)微分系数K D 0~5秒永态转差系数b p 0~10%频率人工失灵区E 0~1.0%频率给定范围f G 50Hz±5 Hz功率给定范围P G 0~120%水位给定范围H G±20%电源:AC220V ≯200WDC220V ≯50W2.2.3 机械液压部分主要技术参数主配压阀名义直径 100mm工作油压 6.0MPa压力油罐容积 4.0m3滤油精度≤20um3 系统工作原理3.1 自动调节3.1.1 闭环开机GLT-K调速器在整个开机过程中,测频信号一直接入,调速器系统始终处于闭环调节状态。
1.3 调速器及油压装置运行规程1主题内容与适用范围本规程规定了白溪水库电站水轮机调速器及油压装置的运行规范、运行方式、运行操作、设备检查、事故处理及相关试验等方面的内容。
本规程适用于宁波市白溪水库水力发电厂。
2引用标准DL/T792—2001 水轮机调速器及油压装置运行规程GB/T9652.1—1997 水轮机调速器与油压装置技术条件数字调速器原理说明书、触摸屏操作说明书SLT-16Mpa系列全数字高油压组合式调速器机械液压系统说明书3概述水轮机调速器是用以调节控制机组转速和负荷的自动调节装置,当机组事故或电力系统甩负荷时,起紧急事故停机和快速关闭导叶、以抑制机组过速和稳定转速。
水轮机调速器是由实现水轮机调节及相应控制的电气控制装置和机械执行机构组成的。
3.1各项技术参数白溪水库水力发电厂采用武汉三联水电控制设备有限公司生产的GSLT-5000-16MPa型全数字高油压组合式调速器。
其各项性能指标参数如下:3.1.1主要技术指标★额定输入电压:AC220V±10%,DC110V±10%;★调节规律:补偿PID;★整机平均无故障时间:≥25000小时;★测频方式:残压测频;★暂态转差系数:bt=0-200%(调整分辨率1%);★永态转差系数:bp=0-10%(调整分辨率1%);★积分时间常数:Td=0-20S(调整分辨率1S);★加速度时间常数:Tn=0-5S(调整分辨率0.1S);★频率给定范围:FG=45.0-55.0HZ(调整分辨率0.01HZ);★频率人工范围:E=0-0.5HZ(调整分辨率0.01HZ);★功率死区范围:i=0-5%;★功率给定范围:P=0-100%(以机组最大能发有功为额定值)3.1.2调节性能指标◆测频误差:≤0.00034%;◆静特性转速死区:ix<0.04%最大非线性度ε<5%;◆空载频率摆动值:≤±0.15%(即≤±0.075HZ);◆甩25%负荷接力器不动时间:≤0.2S;◆甩100%负荷,过渡过程超过3%额定转速的波峰数N<2,调节时间T<40S。
3.1.3其他技术参数▲接力器容量:50000NM;▲工作油压:16MPa;▲压力罐容积:3×80L;▲回油箱容积:1.5m3;▲调速轴转角:45°;▲接力器行程/容积:210mm/4.9l;▲接力器开关机时间:2-15S;▲油泵功率:两台5.5kW。
3.2性能特点3.2.1综合性能★动、静态品质优异,所有性能指标均达到或优于国家标准;★自适应式开机规律,无需设置开机顶点,开机参数,对不同机组均能迅速安全地将机组开启至空载,可适应不同水头下的自动开机;★空载自动跟踪电网频率,以及特有自动补偿PID调节规律,能使机组频率迅速达到同期要求;★具有区别于机械手动的电手动调节功能,方便调试;★负载智能式变结构PID调节规律,能使机组适应电网的各种恶劣变化。
即负载实时监视电网波动情况,能在电网发生变化时,自动选择最优调节规律反调节参数,保护机组安全,并使机组始终工作于最佳状态;★完备的有功功率闭环调节功能,除常规功率闭环调节方式外(即采用开关量接口调节方式),还能以串符通讯方式接受计算机监控系统给定有功设定值,自动接设定值进行有功功率闭环调节;★采用PWM脉宽调制输出,取消了模拟量输出,最小脉宽<5mS;★各运行工况可以任意切换无扰动。
3.2.2电气方面性能◆电气部分以可靠性极高的可编程控制器为核心,所有PLC本体的平均无故障运行时间≥30万小时,且外围电路均采用进口元件(包括按键、旋钮等);◆智能容错测频及自动识别大小网,频率测量精度高;◆多处理器并行工作,速度快。
扫描周期≤10mS,最快可达到5 mS;◆高抗干扰能力:所有I/O接口均采用光电隔离及软件过滤;◆多种交互方式:能通过计算机键盘、编程器、电柜面板上的操作按钮等多种方式设置参数及进行操作;◆硬件布置采用积木式结构,使功能扩展极为简便,并易于检修;◆采用交、直流双路电源供电,互为热备用,无扰切换;◆交直流供电即使同时消失,液压执行机构自保持原状态;◆具有自动容错功能:当机组带负荷运行,机频测量故障,发出报警信号,并保持故障前开度不变;◆特有小电网调节规律,使小电网运行无需人员干预;◆带有串行通讯接口,兼容性好,可与各种计算机监控系统联接;◆故障自诊断功能,调节器能实时监视自身组成模块,一旦发生故障,能立即诊断,并以数字状态显示指出故障部件;◆跟踪功能:电气部分可自动跟踪机械手动,机械手动切至自动或电手动时不需任何调整,为无扰切换。
3.2.3机械方面性能▲机械液压随动系统采用全数字液压技术,标准液压元件组成,工作可靠。
静态无油耗,主接力器零位时无漂移;▲采用高油压囊式蓄能器,不需另设压缩气系统进行充气和补气;▲甩负荷时可进行分段关闭,减小水压对压力钢管冲击;▲不断流双芯滤油,不锈钢折叠式滤网,寿命长、易保养;▲机械液压系统零点自保持,免调校、免维护。
4调速器结构及其功能调速器系统主要由电气部分,电液随动系统和油压装置三部分构成。
结构型式为组合式(接力器内置)。
4.1电气部分4.1.1供电电源及监视采用交直流双电源互为备用的供电形式,交流电源采用隔离变压器隔离后输入到交流高频开关电源,直流电源输入直流高频开关电源,两开关电源的输出经二极管后并联,实现了真正的交直流双电源互为热备的冗余结构,保证了电源的可靠性。
调速器系统的控制及信号电源采用DC24V供电, 调速柜及调速器控制柜内分别装设冗余的带滤波器及抗干扰装置的双电源变换模块,每个电源模块采用交/直流并列供电,两个电源模块的输出经过隔离装置后汇接在一起形成直流小母线,分别向微机调速系统、转速探测和速度监控系统及紧急停机操作系统等提供相互独立的供电回路。
外供的交流或直流电源之一消失时或俩套电源模块退出时,均不影响调速系统正常工作。
调速器控制柜内装设电压监视继电器,对输入、输出电源等进行监视,盘面装设相应的电源投入信号指示等,并提供独立的电源投入(常开接点)、电源消失(常闭接点)监视信号。
4.1.2电气控制系统电气控制系统是以施耐德MODICON TSX系列的Momentum可编程控制器PLC的各项功能模块为核心硬件,辅以智能彩色液晶显示触摸屏,测频模块,开关量输入、输出模块,通讯模块、底板总线以及继电器等元件,组合而成的高可靠性工业控制装置。
其系统设计特点是采用了补偿PID调节方式,具有控制结构自适应和参数自适应的调节功能,自动按工况改变运行参数、PID调节参数及整机放大系数,使调速系统始终工作在较佳的工况点。
在控制上采用新型脉宽脉码调制PWM技术及非线性脉宽调制分段控制策略。
实现了水轮发电机数字控制,并在各种工况下稳定运行。
具有智能式操作和显示,提供了方便、准确、直观的人机界面。
调速器内设有开机、停机、发电、调相、增减功率等操作回路,只需给调速器相应的操作指令,调速器便能自动完成上述操作,简化了与水机自动操作回路的联系。
4.2电液随动系统电液随动系统主要包括带手动操作球座式电磁阀(数字球阀)、液控换向阀、紧急停机电磁阀、快慢分选阀、分段关闭阀以及节流阀组成无明管、无杠杆、无钢丝绳、静态无油耗的机械液压执行系统。
其主要器件如下:4.2.1球座式电磁阀(数字球阀)球座电磁阀是一种开关式液压控制元件,通过脉冲点信号来实现开启、截止两种状态的切换,来控制液流方向和流量。
与普通伺服阀相比,该阀无零位搭叠量,切换时间短,频率响应高,并且可以手动操作。
检修更换也很方便。
4.2.2液控换向阀液控换向阀由起先导控制作用的球座式电磁阀和控制主油路的液控主阀两部分组成。
控制电气信号(或人工手动)使先导电磁阀换向切换控制油路使液控换向阀换向。
4.2.3紧急停机电磁阀紧急停机电磁阀为双向电磁阀,无需长期通电,直接控制液控换向阀的压力油流使接力器紧急关闭。
4.2.4快慢分选阀根据调节量的大小,由快慢分选阀断开或接通压力油来控制接力器的回油是否通过节流阀,从而达到控制接力器动作速度的目的。
4.2.5分断关闭阀在接力器关闭时,当导叶开度低于某个定值,通过控制分断关闭阀接通使接力器回油通过节流阀,由此达到接力器关闭先快后慢的要求。
4.2.6节流阀与快慢分选阀或分断关闭阀配合,使接力器回油通过节流阀,达到降低接力器动作速度的目的。
4.3油压装置油压装置由回油箱、高压齿轮油泵、气囊式蓄能器、溢流阀、滤油器以及其他部件组成。
4.3.1回油箱回油箱是储存无压力油的箱型容器,又是调速器的基座。
侧面装有液位计,可以观察油位高低。
4.3.2高压齿轮油泵齿轮油泵的主要特点是结构简单,紧凑、重量轻,自吸力强,转速范围大,对油污杂质的敏感性不高,不易咬死,工作可靠。
两组高压油泵,一组工作,一组热备用;运行中主用泵和备用泵可相互切换,增加了油源可靠性。
油泵的启停控制由机组PLC执行,油泵启停的整定值如下:停泵压力为:16.0MPa,启动主用泵压力为:14.0MPa,启动备用泵压力为:13.5MPa。
压力超过16.5 MPa报压力过高,压力低于11.0 MPa报压力过低。
4.3.3气囊式蓄能器调速器油压等级为16 Mpa,采用标准的高压氮气蓄能罐作为油压装置的压力油罐,不需要配置自动补气装置或中间补气罐。
皮囊充氮气压力为31.5MPa,长时间使用后氮气压力降为3MPa时,必须人为补充氮气。
蓄能器主要作用如下:a) 贮存能量,当系统瞬时需要大量压力油时,油蓄能器和油泵同时供油,故减少电机油泵的启动次数;b) 缓和冲击,吸收脉动压力和冲击压力,使系统压力平衡。
延长油泵;c) 当停电故障,可以保证利用蓄能器的有效排量,开关一个全行程;4.3.4溢流阀溢流阀在系统内作为安全阀使用,安装在油泵出口处,其作用是当系统压力高于额定压力而油泵仍在工作时,将油泵输出的高压油直接排入回油箱,调整阀内弹簧的预压量可整定其动作值。
我厂调速器溢流阀动作值为16.3MPa。
4.3.4滤油器调速器配置油过滤装置双联滤油器,过滤精度为20μm,该过滤装置能在正常运行中进行清洗。
滤油器滤网为并联两组,互为备用,能自动切换;切换时不影响液压系统正常工作。
采用不锈钢折叠式滤网,强度高、过流面积大,便于运行中取出清扫,清扫不造成油路系统污染。
5 调速器运行工况调速系统有三种控制模式:远方自动、现地自动和现地手动(现地手动分为现地电手动和现地机械手动),三种控制模式的优先级依次为:现地手动(机械手动、电手动)、现地自动和远方自动。
自动运行、电手动和机械纯手动三种控制模式,任意切换方便可靠,三种控制模式完全无扰动地切换。
当电气部分发生故障时,可无扰动地切换至机械手动状态。
5.1自动运行工况自动运行分为远方自动和现地自动两种工况。