可靠性设计复习题集
- 格式:doc
- 大小:31.00 KB
- 文档页数:4
1.判断题(共20分,每题2分)(1)()系统优化权衡的核心是效能、寿命周期费用两个概念之间的权衡。
(2)()产品的故障密度函数反映了产品的故障强度。
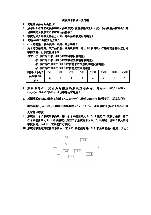
(3)()对于含有桥联的可靠性框图,在划分虚单元后得到的可靠性框图应是一个简洁的串、并联组合模型。
(4)()提高机械零件安全系数,就可相应提高其静强度可靠度。
(5)()相似产品可靠性预计法要求新产品的预计结果必须好于相似的老产品。
(6)()并非所有的故障都经历潜在故障再到功能故障这一变化过程。
(7)()故障树也是一种可靠性模型。
(8)()事件树中的后续事件是在初因事件发生后,可能相继发生的非正常事件。
(9)()电子元器件是能够完成预定功能且不能再分割的电路基本单元。
(10)()与电子产品相比,机械产品的失效主要是耗损型失效。
2.填空题(共20分,每空1分)(1)系统效能是系统、及的综合反映。
(2)产品可靠性定义的要素为、和。
(3)可靠性定量要求的制定,即对定量描述产品可靠性的及其。
(4)应力分析法用于阶段的故障率预计。
(5)在进行FMEA之前,应首先规定FMEA从哪个产品层次开始到哪个产品层次结束,这种规定的FMEA层次称为,一般将最顶层的约定层次称为。
(6)故障树构图的元素是和。
(7)事件的风险定义为与的乘积。
(8)PPL的含义是。
(9)田口方法将产品的设计分为三次:、和。
3.简答题(20分)(1)(10分)画出典型产品的故障率曲线,并标明:1)故障阶段;2)使用寿命;3)计划维修后的故障率变化情况。
(2)(10分)什么是基本可靠性模型?什么是任务可靠性模型?举例说明。
4.(10分)题图4(a)、(b)两部分是等价的吗?请说明理由。
当表决器可靠度为1,组成单元的故障率均为常值 时,请推导出三中取二系统的可靠度和MTBCF表达式。
(a)(b)题图45.(10分)四个寿命分布为指数分布的独立单元构成一个串联系统,每个单元的MTBF分别为:300、500、250和150小时。
可靠性试题及答案一、选择题1. 可靠性工程的主要目的是:A. 降低成本B. 提高产品性能C. 延长产品寿命D. 确保产品在规定条件下和规定时间内完成预定功能2. 以下哪项不是可靠性分析的常用方法?A. 故障树分析B. 事件树分析C. 蒙特卡洛模拟D. 线性回归分析3. 可靠性增长的常用方法包括:A. 故障模式影响分析B. 故障注入测试C. 故障模式、影响及危害度分析D. 故障预防二、填空题4. 可靠性是指产品在规定的________和规定的________内,完成预定功能的能力。
5. 可靠性工程中的“浴盆曲线”通常用来描述产品故障率随时间变化的________。
三、简答题6. 简述可靠性工程中常用的失效模式分析方法。
四、计算题7. 假设一个系统的可靠性为0.9,求该系统在连续运行5小时后,系统仍然可靠的概率。
五、论述题8. 论述在产品开发过程中,如何通过可靠性工程来提高产品的市场竞争力。
答案:一、选择题1. D2. D3. B二、填空题4. 条件下,时间内5. 趋势三、简答题6. 失效模式分析方法主要包括失效模式影响分析(FMEA)、失效模式、影响及危害度分析(FMECA)等,这些方法通过识别潜在的失效模式,评估其对系统性能的影响,并采取预防措施来提高产品的可靠性。
四、计算题7. 系统在连续运行5小时后仍然可靠的概率为 \( 0.9^5 = 0.59049 \)。
五、论述题8. 在产品开发过程中,通过可靠性工程提高产品的市场竞争力的方法包括:在设计阶段就考虑产品的可靠性要求,进行可靠性设计;在生产过程中进行严格的质量控制,减少产品缺陷;通过可靠性测试发现潜在的问题并进行改进;通过持续的可靠性增长活动,提高产品的整体性能和寿命;通过收集和分析市场反馈,不断优化产品,满足客户需求。
长江大学试题纸课程名称:机械可靠性设计班级: 姓名: 学号 分数:一、填空题(20分)1.根据GB3187-82规定,可靠性定义是产品在 和 ,完成 的能力。
2.随机事件的主要特征有① ,② 。
3.电子产品的失效率曲线一般呈现三个不同的时期,即 、 和 。
4.由两支灯泡及附件分别组成串联系统和并联系统,则两系统的可靠度关系为 大于 。
5.疲劳极限曲线上各点的循环特征 ,而循环次数 ;6.疲劳寿命设计分为 和 ,前者的设计点在循环基数点的 侧;7.常用 、 和 概率分布描述材料疲劳强度分布。
8.求数字特征的常用方法有 、 和二、基本计算题(40分)1. 设有一批名义直径为25.4mm 的钢管,按规定其直径d 满足24.8mm ≤d ≤26mm 时为合格品,如果直径服从正态分布,其均值mm u d 4.25=,标准差mm d 3.0=σ,计算这批钢管的废品率。
2.某组件由三个零件组成,组件的长度为3个零件的尺寸之和。
若零件的尺寸分别为20±0.02、30±0.03、40±0.04,问组件长度的均值、标准差和公差各是多少?3. 对100台汽车的变速器做寿命试验,在完成100小时试验时失效5台变速器。
若其失效率为常数,试计算其特征寿命和中位寿命。
4.等截面悬臂梁受载如图示,截面为圆形。
已知L 的均值和标准差分别为L u 和L σ,直径d的均值和标准差分别为d u 和d σ,梁的屈服极限S 的均值和标准差分别为s u 和s σ,试确定在弹性范围内最大载荷P 的数字特征。
三、可靠性设计(20分)1. 某转轴的疲劳强度服从威布尔分布,参数为:最小强度50Mpa ,形状参数为2,尺度参数27Mpa 。
应力为正态分布,均值55 Mpa ,变异系数0.05。
试估计可靠度。
2.四、系统可靠性(20分)1. 一个由电动机、皮带传动、单级齿轮减速器组成的传动装置,工作1000h 要求的可靠度为0.96,已知它们的失效率分别为:电动机kh /0003.01=λ,皮带传动kh /004.02=λ和减速器kh /0002.03=λ。
一、填空题1、产品的可靠性产品在()和()完成()功能的能力。
2、试验进行到规定的时间t结束,称为()试验;试验进行到规定的失效数r结束,称为()试验。
3、()用以估计产品及其组成单元发生故障所引起的维修及保障性要求;()用以估计产品在执行任务过程中完成规定功能的概率。
系统中储备单元越多,则其()越高。
4、一个()代表了系统一种成功的模式。
系统的()构成系统的成功谱;一个最小割集代表了系统的(),系统的()构成了系统的故障谱。
5、由许多零部件构成的机器、设备或系统,在不进行预防性维修时,或者对于不可修复的产品其失效率曲线分为三个阶段:()()()。
6、可靠性预计是按照()可靠性数据,计算()的可靠性指标。
7、寿命试验的试验方案设计应包括以下内容:明确试验对象、确定试验条件、()、()、()。
8、常用的可靠性特征量有可靠度、()、失效率、()、可靠寿命与中位寿命等。
9、“规定的条件”,一般指的是()、()、()和操作技术。
10、()用以估计产品及其组成单元发生故障所引起的维修及保障性要求;()用以估计产品在执行任务过程中完成规定功能的概率。
系统中储备单元越多,则其()越高。
11、一个()代表了系统一种成功的模式。
系统的()构成系统的成功谱;一个最小割集代表了系统的(),系统的()构成了系统的故障谱。
12、机械可靠性设计的主要方法有:()()()。
13、可靠性预计是按照()可靠性数据,计算()的可靠性指标。
14、系统可靠性模型建立的步骤:确定系统的功能、()、确定系统的工作环境条件、()、()。
二、作图题1、下图所示为管子阀门系统结构框图,请画出系统导通和截流时的可靠性框图。
2、图示为2K-H型行星齿轮机构。
如果太阳轮a,行星轮g及齿圈b的可靠度分别为R a,作出系统的可靠性框图,设任一齿轮失效为独立事件(只要有一行星轮g不失效,系统就可以正常工作)。
n1 T1 n2 T23、如下图所示供水系统,E 为水箱,F 为阀门,L 1和L 2为水泵,S 1和S 2为支路阀门。
可靠性设计基础试卷答案考试时间:2012年 月 日学院:________________ 班级:_________________ 姓名:________________ 学号:_________________一、 判断题(1′×10,共10分)1、 串联系统数字模型为R s t = R i (t )n i=1。
( √ ) 2、可靠性研究的重点,在于延长正常工作期的长度。
( √ )3、两个单元在原理图中是串联的,那么在逻辑图中也一定是串联的。
( × )4、在高阶最小割集中出现的底事件比低阶最小割集中的底事件重要。
(× )5、r/n 系统的MTBFS 比并联系统小,比串联系统大。
( √ )6、产品可靠性高低并不取决于论证,而取决于本身。
( √ )7、FMEA 主要应用于设计的某些方面。
( × )8、FEMA 使用统计表来进行分析,必须使用数学工具。
( × )9、可靠性评定是一种定性的可靠性分析,它要在设计试验、生产、贮存直到使用的各个阶段中进行。
( × )10、加速寿命试验的前提是不改变产品的失效机理和不增加新的失效因子。
(√)二、填空题(1′×20,共20分)1、衡量产品可靠性的最主要的指标有四个:______________、______________、_______________、_________________。
(可靠度R (t)不可靠度(或故障概率)F(t)故障密度函数f(t)故障率λ(t))2、浴盆曲线分为________、__________、_________,我们应该着力提高产品的__________。
(早期失效期、偶然失效期、耗损失效期、偶然失效期)3、某FTA有如下割集(1,2,4,5)、(1,2,3)、(3,1,2)、(3,4,5)、(2,3)、(1,3)、(1,2),其中最小割集为______________________,最重要的底事件为_____。
1. 简述正态分布曲线特点?2. 威布尔分布的形状参数和尺寸参数不变,位置参数变化时,威布尔曲线将如何变化?并说明其变化代表了产品可靠性的特点?3. 强度与应力均服从正态分布时,零件的可靠度如何确定?4. 简述AGREE 分配法的方法?5. 什么是割集、最小割集、路集、最小路集?6. 为了考核某电机厂的产品质量,经随机抽样,选出80台电机,在给定的条件下进行可靠性试验,记录数据见下表。
试求:① 该产品工作1500小时的可靠度观测值;② 该产品工作1500小时的累积失效概率观测值;③ 该产品在1000~1500小时内的平均失效概率密度观测值;7. 某汽车零件,其应力与强度均服从正态分布,即(μS ,σS )=(912,31.8)MPa ,( μδ,σδ)=(1076,42.2)MPa ,求该零件的可靠度R 。
8. 松螺栓联结,M12螺栓(车制d 1=10.106mm ),材料Q235,4.6级(强度MPa S 5.272=,变异系数06.0=S ν),设螺栓允许的偏差d d 015.0±=∆,承受载荷F=(7000±700)N ,求此时的可靠度。
9. 系统由3个子系统串联而成,第一个子系统由单元1、2、3组成2/3表决子系统,第二个子系统由单元4、5串联组成,第三个子系统由单元6、7、8并联,设每个单元的可靠度相同,R=0.95,求系统的可靠度。
10. 系统可靠性逻辑框图如下所示,求(1)系统故障树;(2)求系统的最小割集。
(8分)1. 用图解法求21x x 、,使目标函数()524212221+--+=x x x x X F 最大和最小,并满足约束条件:()()()()0022042413122211≥=≥=≤--=≤-+=x X g x X g x x X g x x X g2. 何谓梯度?它具有什么性质?3. 何谓函数极值点?它存在的条件是什么?4. 迭代法的基本思想是什么?常用的终止准则有哪些?5. 复合形法的基本思想是什么?6. 函数()1422+-=x x X F 在初始区间[0.5,2]上为单峰函数,利用黄金分割法求得427.1,073.111==b a ,对应的函数值为6353.0,9893.021-=-=F F ,试继续迭代运算,求函数极小值点,精度值6.0=ε7. 目标函数()22212122x x x x X F ++=,由点[]Tk X 2,1=出发,沿负梯度方向作一维搜索,求最优步长因子k α。
可靠性设计基础试卷答案考试时间:2012年月日学院:_________________ 班级:_________________ 学号: __________________ 一、 判断题〔1′×10,共10分〕1、区间估计的置信度越高,置信区间越宽,估计精度越低。
〔√〕2、FTA 可追溯系统失效的根源到基础元件失效的组合关系,它是一种多因素的分析方法,可以分析几种因素同时起作用才能导致的某种后果。
〔√〕3、系统的原理图为并联的,则其逻辑图一定是并联的。
〔×〕4、并联模型属于非工作贮备模型。
〔×〕5、机械结构不可靠性设计又称为概率设计。
〔√〕6、并联单元越多,系统可靠性越高。
〔√〕7、采用储备模型可以提高产品的任务可靠性及基本可靠性。
〔×〕8、战备完好性是保障性的出发点和归结点。
〔√〕9、产品的故障密度函数反映了产品的故障强度。
〔×〕 10、为简化故障树,可将逻辑门之间的中间事件省略。
〔×〕二、 填空题〔1′×20,共20分〕1、研究产品失效的两种常用方法__________、__________。
〔FMECA、FTA〕2、在FTA树中,用来表示事件关系的基本逻辑门符号有__________、__________、__________。
〔与门、或门、禁门〕3、工厂单独生产和可以单独验收的零部件称为__________。
〔单元产品〕4、在可靠性设计中,影响可靠度大小的积分极限uZδδσ==,该方程称为__________,由该方程可看出Z,不但取决于传统设计的安全系数sluu,同时还取决于l X,s X的离散程度sσ与lσ,Z称为可靠系数〔概率安全系数〕。
(联结方程)5、球故障树所有最小割据的方法有___________、_____________。
〔上行法、下行法〕6、产品丧失规定的功能叫___________。
〔失效〕7、FTA是一种_______________的系统完整的失效因果关系的分析程序。
一﹑单项选择题1.我国现行规范中一般建筑物的设计使用年限为 C A.5年B。
25年C.50年D。
100年2.对普通房屋和构筑物,《建筑结构可靠度设计统一标准》给出的设计使用年限为C A.5年B。
25年C.50年D。
100年3.对临时性结构,《建筑结构可靠度设计统一标准》给出的设计使用年限为A A.5年B。
25年C.50年D。
100年4.我国现行建筑规范中设计基准期为 C A.10年B。
30年C.50年D。
100年5. 现行《建筑结构荷载规范》规定的基本风压值的重现期为BA.30年B.50年C.100年D.150年6. 称确定可变作用及与时间有关的材料性能的取值而选用的时间参数为AA. 结构设计基准期B. 结构设计使用年限C. 结构使用年限D. 结构全寿命7.下面哪一个变量不是随机变量? DQA.结构构件抗力B.荷载最大值TC.功能函数Z D.永久荷载标准值8.结构可靠性是指 DA .安全性B 。
适用性C .耐久性D 。
安全性﹑适用性和耐久性的总称9.在结构可靠度分析中,描述结构的极限状态一般用 AA .功能函数B 。
极限状态方程C .可靠度D 。
失效概率10.裂缝超标破坏属于哪个极限状态范畴.BA .承载力极限状态 B. 正常使用极限状态C. 稳定极限状态D. 强度极限状态11.规定时间规定条件预定功能相同时,可靠指标 越大,结构的可靠程度AA.越高B.越低C.不变D.视情况而定12. 结构的失效概率与可靠度之和AA.等于1B.大于1C.小于1D.不确定13.当功能函数服从哪一个分布时,可靠指标与失效概率具有一一对应关系。
A A .正态分布B 。
均匀分布C .极值分布D .指数分布14. 结构的失效概率f P 与结构抗力R 和荷载效应S 的概率密度干涉面积。
DA.无关B.相等C.有关D. 有关,但不相等15. 静定结构体系可用下列逻辑模型表示。
BA.并联模型B.串联模型C.并串联模型D.串并联模型16.若结构系统的任一单元失效,则该系统失效,此类结构系统可用哪个模型表示A A.串联模型B。
一、单选题(共20题,40分)1、威布尔分布发特点是当β和Y不变,威布尔分布曲线的形状不变。
随着α的减小,曲线由同一原点向右扩展,()。
(2.0)A、最大值变大B、最大值减小C、最大值不变D、最小值变大正确答案: B2、以下哪项不属于元件的可靠性参数()(2.0)A、故障率B、修复时间C、平均停运持续时间D、继电保护动作时间正确答案: D3、逻辑简化是根据布尔代数逻辑运算法则,通过()等运算实现对故障树的简化。
(2.0)A、交换B、结合C、吸收D、以上都是正确答案: D4、故障树分析中"最小割集"的概念是:(2.0)A、顶事件发生充分、必要的事件组合B、顶事件不发生充分、必要的事件组合C、结构重要性D、都不是正确答案: A5、感知能力、记忆能力及思维能力等多种能力因素构成的认知能力叫做()(2.0)A、操作技能B、智力C、单项能力D、智力技能正确答案: B6、绘制矿井通风网络图的目的是()(2.0)A、找出风流通过的井巷谁长,谁短B、找出通风井巷的空间关系C、分析通风系统中风道的连接关系及其特点D、判断通风的难易程度正确答案: C7、故障树分析法(FTA)()年由贝尔实验室的H.A.Watson提出。
(2.0)A、 1961B、 1965C、 1970D、 1971正确答案: A8、常用寿命分布函数中(0,1)分布,如果随机变量X只可能出现两种实验结果,假若其中一种结果用()来表示,另外一种用(X=0)表示(2.0)A、 X=1B、X≤1C、X≥1D、X≧1正确答案: A9、串联系统的平均寿命小于各单位平均寿命,且串联单元越多,系统平均寿命()(2.0)A、越大B、不变C、越小D、无法判断正确答案: C10、在系统的可靠性设计过程中,串联系统的可靠性随着系统内单元的数量及单元本身的可靠性的变化是()(2.0)A、系统内单元的数量越多,单元本身的可靠性越大,系统可靠性越高B、系统内单元的数量越多,单元本身的可靠性越大,系统可靠性越低C、系统内单元的数量越少,单元本身的可靠性越小,系统可靠性越高D、系统内单元的数量越少,单元本身的可靠性越小,系统可靠性越低正确答案: D11、可靠性试验基础的内容包括()(2.0)A、可靠性试验概述B、可靠性试验方法模型C、可靠性试验设计D、以上都是正确答案: D12、一个随机变量的取值为(),则称此随机变量为离散型随机变量(2.0)A、仅取数轴上有限个点或可列个点B、取数轴上无限可列个点C、取数轴上的任意点D、取数轴上某一区间上的点正确答案: A13、零件加工尺寸符合正态分布时,其均方根偏差越大,表明尺寸()(2.0)A、分散范围越大B、分散范围越小C、分布中心与公差带中心偏差越大D、分布中心与公差带中心偏差越小正确答案: A14、故障树分析(FTA)的目的是()(2.0)A、显示故障和原因之间的关系B、识别故障发生的所有方式,以确定其影响和严重程度C、确定系统的可靠性大小D、确定故障的可维修性正确答案: A15、并联系统的可靠度比组成该系统的零件的可靠度()(2.0)A、底B、高C、相等D、不确定正确答案: B16、故障树分析是系统安全工程中重要的分析方法之一,它是( )描述事故发生的有方向的逻辑树(2.0)A、从结果到原因B、从原因到结果C、从初始到最终D、从评审到改进正确答案: A17、()的特点:失效率近似恒定,随时间基本不变(2.0)A、恒定失效型B、早期失效型C、耗损失效型D、无法判断正确答案: A18、可靠性分配原则中对需要长时间工作单元,应分配()可靠性指标。
可靠性期末复习习题集系统的可靠性框图如下图所示,A单元的失效分布为F1(t) = 1-e-入1t,B1、B2单元的失效分布相同为F2(t) = 1-e-入2t , C1、C2单元的失效分布相同为F3(t) = 1-e-入3t,求系统可靠度和MTBF.什么是失效率?如果产品的失效率为常数入,试画出该产品的可靠度函数示意图,并在图中标出中位寿命和特征寿命。
四个寿命分布为指数分布的独立单元构成一个串联系统,每个单元的MTBF分别为2000、3000、4000、5000小时。
若要求新系统的MTBF为1200小时,试用比例组合法将MTBF 分至各单元,计算新系统120小时时的系统可靠度。
某厂维修15台设备,每台的修理时间(min )如下:48 , 68 , 86,90,105,110,120,126,128,144,150,157,161,172,195什么是维修度?试求130min时的维修度;试估计该设备的MTTR试估计120min时的修复率系统可靠性框图如图所示,已知系统工作100h时,RA仁RA3= 0.8,RA2= RA4= 0.7,RA5 = RA6 = 0.9,理想旁联结构单元A5和A6相同且服从失效率为0.001的指数分布,组成系统的各单元相互独立,求系统工作100h时的任务可靠度和基本可靠度。
C2两个相同单元组成的并联系统,单元失效分布为指数分布,失效率为入,系统配有一组修理工修理,单元修复时间分布也为指数分布,修复率为口,单元修复后失效分布不变,单元处于什么状态是独立的,假设两个单元不会在同一时刻同时由工作状态变为失效状态,即不考虑同一时刻发生两个事件入,要求定义系统状态,画出状态转移矩阵求稳态可用度设计一个分压电路,要求电压输入U1 = 10V,输出U2 = 6V,已知设计如图所示,R1 = 40Q ,P1 = 0.5W,R2 = 60 Q ,P2 = 0.7W,试用硬件FMEA方法分析该设计电路,每个元件仅考虑短路、开路故障模式,该电路需要采用什么措施以加强设计?U1系统可靠性框图如图所示如果把系统故障作为故障树顶事件,试画出相应的故障树,求该故障树的最小割集,并简化该故障树按结构重要度对各地实践进行排序并说明理由如果地时间发生概率均为0.1,试求故障树顶事件的发生概率* XI。
可靠性试题及答案### 可靠性试题及答案#### 一、选择题1. 可靠性的定义是什么?- A. 产品在规定条件下和规定时间内完成规定功能的能力 - B. 产品的耐用性- C. 产品的维修性- D. 产品的平均寿命答案:A2. 以下哪项不是可靠性工程的主要目标?- A. 减少产品故障率- B. 延长产品寿命- C. 提高产品成本- D. 优化产品性能答案:C3. 可靠性测试的目的是什么?- A. 验证产品是否符合设计要求- B. 确定产品在特定条件下的性能- C. 预测产品寿命- D. 所有上述选项答案:D#### 二、填空题4. 可靠性函数\( R(t) \)表示产品在时间\( t \)内不发生故障的概率,其数学表达式为\( R(t) = ______ \)。
答案:1 - F(t)5. 故障率函数\( \lambda(t) \)与可靠性函数\( R(t) \)之间的关系是\( \lambda(t) = ______ \)。
答案:-\frac{dR(t)}{dt} / R(t)#### 三、简答题6. 描述可靠性工程中的“浴盆曲线”模型。
答案:浴盆曲线模型是描述产品故障率随时间变化的模型。
它通常分为三个阶段:初期故障期、随机故障期和磨损故障期。
初期故障期故障率较高,随着时间推移逐渐降低;随机故障期故障率相对稳定;磨损故障期随着产品老化,故障率再次上升。
7. 什么是失效分析,它在可靠性工程中的作用是什么?答案:失效分析是一种系统性的方法,用于识别产品失效的原因和机理。
在可靠性工程中,失效分析有助于改进产品设计,预防未来的失效,提高产品的可靠性。
#### 四、计算题8. 假设某产品的可靠性函数为\( R(t) = e^{-\lambda t} \),其中\( \lambda = 0.01 \)。
计算该产品在1年(365天)内的可靠性。
答案:\[ R(365) = e^{-0.01 \times 365} \approx e^{-3.65} \]9. 如果上述产品的故障率函数为\( \lambda(t) \),求其在1年时的故障率。
1.判断题(共20分,每题2分,答错倒扣1分)(1)()系统可靠性与维修性决定了系统的可用性和可信性。
(2)()为简化故障树,可将逻辑门之间的中间事件省略。
(3)()在系统寿命周期的各阶段中,可靠性指标是不变的。
(4)()如果规定的系统故障率指标是每单位时间0.16,考虑分配余量,可以按每单位时间0.2进行可靠性分配。
(5)()MTBF和MFHBF都是基本可靠性参数。
(6)()电子元器件的质量等级愈高,并不一定表示其可靠性愈高。
(7)()事件树的后果事件指由于初因事件及其后续事件的发生或不发生所导致的不良结果。
(8)()对于大多数武器装备,其寿命周期费用中的使用保障费用要比研制和生产费用高。
(9)()所有产品的故障率随时间的变化规律,都要经过浴盆曲线的早期故障阶段、偶然故障阶段和耗损故障阶段。
(10)()各种产品的可靠度函数曲线随时间的增加都呈下降趋势。
2.填空题(共20分,每空2分)(1)MFHBF的中文含义为。
(2)平均故障前时间MTTF与可靠度R(t)之间的关系式是。
(3)与电子、电器设备构成的系统相比,机械产品可靠性特点一是寿命不服从分布,二是零部件程度低。
(4)在系统所处的特定条件下,出现的未预期到的通路称为。
(5)最坏情况容差分析法中,当网络函数在工作点附近可微且变化较小、容差分析精度要求不高、设计参数变化范围较小时,可采用;当网络函数在工作点可微且变化较大,或容差分析精度要求较高,或设计参数变化范围较大时,可采用。
(6)一般地,二维危害性矩阵图的横坐标为严酷度类别,纵坐标根据情况可选下列三项之一:、或。
3.简要描述故障树“三早”简化技术的内容。
(10分)4.写出故障率、可靠度及故障密度函数的定义式,推导出三者的关系式,并最终推导出可靠度与故障率函数的关系式。
(20分)5.如题6图 (a)所示系统,表示当开关E 打开时,发电机A 向设备B 供电,发电机C 向设备D 供电。
如果发电机A 或C 坏了,合上开关E ,由发电机C 或A 向设备B 和D 供电。
可靠性试题及答案# 可靠性试题及答案一、选择题1. 可靠性工程的主要目标是什么?- A. 提高产品的成本效益- B. 确保产品在整个生命周期内的性能和安全性 - C. 降低产品的生产成本- D. 提高产品的市场竞争力答案: B2. 以下哪项不是可靠性测试的类型?- A. 加速寿命测试- B. 环境应力筛选- C. 性能测试- D. 可靠性增长测试答案: C3. 可靠性函数R(t)表示什么?- A. 在时间t时,产品仍能正常工作的概率- B. 在时间t时,产品发生故障的概率- C. 在时间t时,产品的平均故障率- D. 在时间t时,产品的维修率答案: A二、判断题1. 可靠性分析可以完全替代传统的测试方法。
()答案:错误。
可靠性分析是传统测试方法的补充,而不是替代。
2. 产品的可靠性与维修性无关。
()答案:错误。
产品的可靠性与维修性密切相关,高维修性可以提高产品的可靠性。
3. 可靠性工程只关注硬件产品的可靠性。
()答案:错误。
可靠性工程同样适用于软件产品。
三、简答题1. 简述可靠性工程中的故障模式和影响分析(FMEA)。
答案:故障模式和影响分析(FMEA)是一种系统性的方法,用于识别产品或过程中可能发生的故障模式,评估这些故障对系统性能的影响,并确定降低故障风险的措施。
FMEA通常包括故障模式的识别、影响的评估、风险优先级的确定和改进措施的制定。
2. 描述可靠性工程中的失效数据分析过程。
答案:失效数据分析是可靠性工程中的一个重要环节,它包括以下步骤:收集失效数据、分类和编码失效数据、分析失效原因、评估失效影响、制定改进措施、实施改进措施并监控效果。
四、计算题1. 假设一个产品的可靠性函数为R(t) = e^(-λt),其中λ是故障率。
如果λ=0.02,计算在t=100时的可靠性。
答案: R(100) = e^(-0.02 * 100) = e^(-2) ≈ 0.13532. 如果上述产品的MTBF(平均故障间隔时间)是500小时,计算在t=1000小时时的可靠性。
A CDBE 0.90.90.90.90.91、 可靠度和失效率如何计算?失效率与可靠度有何关系?2、 在可靠性的的定义中“规定时间”,“规定功能”分别指的是什么?3、 可靠度、失效概率、失效率、平均寿命、可靠寿命、它们的定义是什么?4、 机械系统的逻辑图与结构图有什么区别,零件之间的逻辑关系有哪几种?5、 试写出串联系统、并联系统的可靠度计算式。
6、 什么是割集?什么是最小割集?7、 什么是故障树分析?故障树符号常用的分为哪几类?8、 在建立故障树时应注意哪几个方面的问题?9、 在可靠性工程中应力的含义是什么?强度的含义是什么?10、从广泛的意义上讲可靠性试验的含义是什么?它主要包括那些个方面?11、加速寿命试验根据应力施加的方式可分?1、一个系统由五个单元组成,其可靠性逻辑框图如图所示.求该系统可靠度和画出故障树。
并求出故障树的最小割集与最小路集。
解:最小割集A,B C,D,E A,E B,C,DR=1-(1-0.9x0.9)(1-0.9[1-0.1x0.1])=0.89292、抽五个产品进行定时截尾的可靠性寿命试验,截尾时间定为100小时,已知在试验期间产品试验结果如下:t 150=小时,和t 270=小时产品失效,t 330=小时有一产品停止试验,计算该产品的点平均寿命值?解:总试验时间 350100)35(307050=⨯-+++=n T 小时点平均寿命 MTTF=1752350=小时 3、一个机械电子系统包括一部雷达,一台计算机,一个辅助设备,其MTBF 分别为83小时,167小时和500小时,求系统的MTBF 及5小时的可靠性?解: 5002.01002.0006.0012.015001167183111==++=++==λMTBF 小时 02.0=λ,%47.90)5(1.0502.0===-⨯-e e R。
可靠性设计复习题集可靠性设计复习题集一、基本概念1、什么是可靠性工程?决定产品的可靠性由哪些因素?2、什么是可靠性?什么是可靠度?3、可靠性分哪几类?4、产品与可靠性由什么关系?5、产品的安全性与可靠性有什么关系?6、度量可靠性有哪些指标?7、什么是累积失效概率?它与可靠性有什么关系?8、什么是失效率?它与累积失效概率有什么关系?一般应用在那些产品?其单位是什么?9、什么是“浴盆曲线”?10、什么是平均寿命?什么是可靠性寿命?MTTF与MTBF有何区别?11、可靠性工程研究的内容是什么?基本任务是什么?12、什么是随机事件?该事件之间有哪些运算?13、随机变量的特征是什么?其均值和方差如何获得?14、概率运算的基本法则有哪些?它们的运算公式和含义是什么?15、什么是离散型随机变量和连续型随机变量?其分布指什么?16、可靠性工程中常用哪几种概率分布?17、二项分布、正态分布、对数正态分布、指数分布及威布尔分布的函数表达式和参数如何表示?18、什么是系统可靠性设计?19、可靠性指标的确定原则是什么?20、什么是可靠性预测?有什么目的和意义?21、元件可靠性预测有哪些方法?22、什么是电子元器件应力分析法?数学表达式含义是什么?23、什么是逻辑图?它与系统的装配关系有什么联系?24、结构的串、并联与逻辑的串、并联有何关系?25、串、并联系统可靠度的计算有何不同?分别对机电系统总的可靠度有何影响?26、什么是热、冷储备系统?如何计算其组成的可靠度?27、混联系统可靠度的计算步骤是什么?28、什么是表决系统?它的可靠度与串、并联系统相比有什么特点?29、布尔真值表法(状态枚举法)的基本原理是什么?应用时有什么特点?30、界限法的基本原理是什么?与数学模型法相比有什么特点?31、什么是相似法?其适合什么样的产品可靠性的预测?32、相似设备法和相似电路法原理有什么区别?利用数学模型说明。
33、元器件计数法的基本原理是什么?利用数学模型说明。
1.判断题(共20分,每题2分,答错倒扣1分)(1) ( )系统可靠性与维修性决定了系统的可用性和可信性。
(2) ( )为简化故障树,可将逻辑门之间的中间事件省略。
(3) ( )在系统寿命周期的各阶段中,可靠性指标是不变的。
(4) ( )如果规定的系统故障率指标是每单位时间0.16,考虑分配余量,可以按每单位时间0.2进行可靠性分配。
(5) ( )MTBF和MFHBKE是基本可靠性参数。
(6) ( )电子元器件的质量等级愈高,并不一定表示其可靠性愈高。
(7) ( )事件树的后果事件指由于初因事件及其后续事件的发生或不发生所导致的不良结果。
(8) ( )对于大多数武器装备,其寿命周期费用中的使用保障费用要比研制和生产费用高。
(9) ( )所有产品的故障率随时间的变化规律,都要经过浴盆曲线的早期故障阶段、偶然故障阶段和耗损故障阶段。
(10) ( )各种产品的可靠度函数曲线随时间的增加都呈下降趋势。
2 .填空题(共20分,每空2分)(1) MFHBF勺中文含义为_______________________________________________________________ 。
(2) 平均故障前时间MTTF与可靠度R(t)之间的关系式是。
(3) 与电子、电器设备构成的系统相比,机械产品可靠性特点一是寿命不服从 __________________ 分布,二是零部件____________________________________________________________________ 程度低。
(4) 在系统所处的特定条件下,出现的未预期到的通路称为。
(5) 最坏情况容差分析法中,当网络函数在工作点附近可微且变化较小、容差分析精度要求不高、设计参数变化范围较小时,可采用__________________________ ;当网络函数在工作点可微且变化较大,或容差分析精度要求较高,或设计参数变化范围较大时,可采用。
可靠性设计复习题集
一、基本概念
1、什么是可靠性工程?决定产品的可靠性由哪些因素?
2、什么是可靠性?什么是可靠度?
3、可靠性分哪几类?
4、产品与可靠性由什么关系?
5、产品的安全性与可靠性有什么关系?
6、度量可靠性有哪些指标?
7、什么是累积失效概率?它与可靠性有什么关系?
8、什么是失效率?它与累积失效概率有什么关系?一般应用在那些
产品?其单位是什么?
9、什么是“浴盆曲线”?
10、什么是平均寿命?什么是可靠性寿命?MTTF与MTBF有何区
别?
11、可靠性工程研究的内容是什么?基本任务是什么?
12、什么是随机事件?该事件之间有哪些运算?
13、随机变量的特征是什么?其均值和方差如何获得?
14、概率运算的基本法则有哪些?它们的运算公式和含义是什
么?
15、什么是离散型随机变量和连续型随机变量?其分布指什么?
16、可靠性工程中常用哪几种概率分布?
17、二项分布、正态分布、对数正态分布、指数分布及威布尔分布
的函数表达式和参数如何表示?
18、什么是系统可靠性设计?
19、可靠性指标的确定原则是什么?
20、什么是可靠性预测?有什么目的和意义?
21、元件可靠性预测有哪些方法?
22、什么是电子元器件应力分析法?数学表达式含义是什么?
23、什么是逻辑图?它与系统的装配关系有什么联系?
24、结构的串、并联与逻辑的串、并联有何关系?
25、串、并联系统可靠度的计算有何不同?分别对机电系统总的可
靠度有何影响?
26、什么是热、冷储备系统?如何计算其组成的可靠度?
27、混联系统可靠度的计算步骤是什么?
28、什么是表决系统?它的可靠度与串、并联系统相比有什么特
点?
29、布尔真值表法(状态枚举法)的基本原理是什么?应用时有什
么特点?
30、界限法的基本原理是什么?与数学模型法相比有什么特点?
31、什么是相似法?其适合什么样的产品可靠性的预测?
32、相似设备法和相似电路法原理有什么区别?利用数学模型说
明。
33、元器件计数法的基本原理是什么?利用数学模型说明。
34、可靠性分配、可靠性预测与可靠性分析三者在可靠性系统设计
中各强调的内容是什么?之间有何联系?
35、可靠性分配的基本思路是什么?可靠性分配应考虑哪些内
容?
36、可靠性分配有哪些方法?各有什么特点?
37、按相对失效率来分配可靠度的基本原理是什么?具体计算步
骤有哪些?
38、按单元的复杂程度及重要度来分配可靠度的原理是什么?具
体如何计算?
39、什么是系统可靠性分析?有哪些分析方法?
40、什么是FMECA法?它包含哪些分析方法?
41、FMECA法的基本任务是什么?具体如何进行?
42、什么是失效后果等级?什么是概率等级?他们的等级分布如
何?
43、什么是致命度?请分别表示四个等级,并说明其含义?
44、失效树分析法的基本思想是什么?有什么特点?具体步骤如
何进行?
45、什么是顶事件和底事件?在失效树分析中分别在什么位置?
46、在失效树中有哪些逻辑运算?其含义是什么?各用什么符号
表示?
47、什么是最小割集和最小路集?在失效树分析中有何作用?
48、失效树的定量分析的基本思想是什么?
49、失效树的计算机处理过程如何进行?
50、FMECA和FTA各有什么优缺点?
51、可靠性的改进措施有哪些?
52、元器件的减额使用的基本思想?应注意什么?
53、什么是冗余技术?有哪些方法?各有什么特点?
54、度量维修性有哪些常用指标?目前有什么维修方式?
55、什么是维修度?什么是平均修复时间?
56、什么是修复率和有效度?
57、什么是应力——强度干涉模型?在机械产品可靠性设计中产
品的可靠度如何计算?
58、强度和应力均为正态分布是可靠度计算步骤如何进行?
59、强度、应力均为对数正态分布时的可靠度计算的数学模型?
60、什么是静强度的可靠性设计?一般分析过程如何进行?
61、什么是疲劳强度的可靠性设计?一般分析过程如何进行?
62、疲劳极限图如何画?零件的疲劳极限图如何画?
63、疲劳强度可靠性设计的原理是什么?
64、什么是可靠性意义下的安全系数?
65、若强度和应力均服从正态分布,常规安全系数、可靠性安全系
数与零部件可靠度之间的关系如何?
66、什么是人机工程学?什么是人机系统可靠性设计?人机系统
模型如何表示?
67、人机系统可靠度如何计算?人操作的可靠度和机器的可靠度
如何影响人机系统的可靠度?
68、人机功能分配的基本原则是什么?其理论基础是什么?
69、什么是冗余人机系统可靠性设计,该法有什么特点?
70、多数人表决的冗余人机系统可靠性设计的基本思想是什么?
有什么特点?
71、控制器监视冗余人机系统可靠性设计的数学模型?有什么特
点?
72、什么是可靠性试验?与一般产品质量的例行试验有什么区
别?
73、可靠性试验分哪几类?各有什么特点?
74、什么是寿命试验?分哪几类?
75、什么是点估计法?
76、无替换定数截尾与有替换定时截尾寿命试验有何不同?
77、正态分布寿命试验的点估计方法的基本思路是什么?其平均
寿命和标准差估计的数学模型是什么?
78、什么是加速寿命试验?有何特点?
79、环境可靠性设计(人——机——环境)包括哪些因素?
80、孟塞尔、麦切尔、坪内和夫等对人机系统可靠性设计有何贡
献?
二、基本设计方法
1、可靠性指标的计算。
2、概率运算的基本法则。
3、离散和连续随机变量的六种分布的估算。
4、电子元件应力分析法。
5、应力——强度干涉法。
6、机械零部件失效率模型预测法。
7、由结构图画出逻辑图。
8、数学模型法预测系统可靠度。
9、界限法预测系统可靠度。
10、相似法预测电子设备可靠性。
11、元素计数法预测电子设备可靠性。
12、等分配法。
13、按相对失效概率来分配可靠度。
14、按单元的复杂程度及重要度分配可靠度。
15、维修性常用指标的计算。
16、强度和应力为正态分布时的可靠度计算。
17、材料性能数据和尺寸的统计处理。
18、梁的静强度可靠性设计。
19、疲劳强度可靠性设计。
20、可靠性意义下的安全系数的计算。
21、人机系统的可靠性计算。
22、冗余人机系统的可靠度计算。
23、控制器监视冗余人机系统的可靠度计算。
24、多数人表决的冗余人机系统可靠度计算。
25、寿命试验点估计方法参数的计算。
三、计算题
1、可靠性指标计算:例1-1可靠度(p6)、例1-2失效率(p7)、例
1-3平均寿命(p9)。
2、概率分布:例2-4——2-9。
3、串、并联系统可靠度预测:例3-1——4(p34-36)。
4、界限法预测可靠度:例3-5(p41)。
5、元器件计数法:例3-6(p44)。
6、等分配法:例3-7(p45)。
7、按相对失效率分配可靠度:例3-8(p46)。
8、按单元的复杂程度及重要度分配可靠度:例3-9(p47)。
9、维修性指标:例3-11(p60)。
10、强度和应力服从正态分布时机械产品的可靠度计算:例4-1
(p66)。
11、梁的静强度可靠性设计:例4-2、4-3(p69-71)。
12、疲劳极限图:例4-4(p75)。
13、零件的疲劳强度可靠性设计:例4-5(p78)。
14、安全系数:例4-6(p83)。
例4-7——10(p85)。
15、寿命试验的点估计法:例6-2、3(p108)。
四、作业
1、第一章1-3。
2、第二章1-7。
3、第三章1-7。
4、第四章1-3。