石油套管与钻头尺寸配合
- 格式:docx
- 大小:126.13 KB
- 文档页数:7
钻井套管尺寸与钻头尺寸的选择目前我国使用最多或者说是唯一的套管钻头系列是:(26")20" —(17 1/2")13 3/8"—(12 1/4")9 5/8"—(8 1/2")7"—(5 7/8")4 1/2"套管和井眼尺寸的确定一般是由内到外进行,首先根据采油工程等方面的要求确定油层套管的尺寸,然后确定与油层套管相匹配的钻头。
套管与井眼之间的间隙与井身质量、固井水泥环强度要求、下套管时的井内波动压力、套管尺寸等因素有关。
最小间隙为9.5mm,最大间隙达76mm。
目前,根据套管层次不同,已基本形成了较稳定的系列套管:优质无缝钢管。
一端为公扣,直接车在管体上;一端为带母扣的套管接箍。
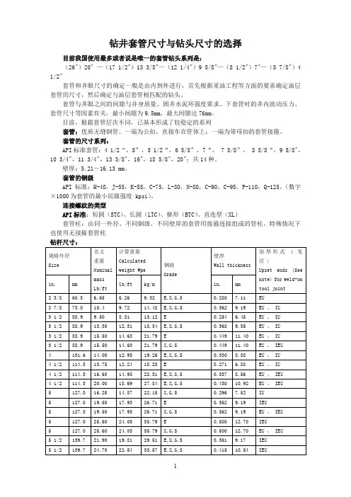
套管的尺寸系列:API标准套管:4 1/2“,5”,5 1/2“,6 5/8”,7“, 7 5/8”, 8 5/8“,9 5/8",10 3/4",11 3/4",13 3/8",16",18 5/8",20";共14种。
壁厚:5.21~16.13 mm。
套管的钢级API标准:H-40,J-55,K-55,C-75,L-80,N-80,C-90,C-95,P-110,Q-125。
(数字×1000为套管的最小屈服强度 kpsi)。
连接螺纹的类型API标准:短圆(STC)、长圆(LTC)、梯形(BTC)、直连型(XL)套管柱:由同一外径、不同钢级、不同壁厚的套管用接箍连接组成的管柱。
特殊情况下也使用无接箍套管柱钻杆尺寸:规格外径Size 名义重量NominalmassLb/ft计算重量Calculatedweight Wpe钢级Grade壁厚Wall thickness加厚形式( 见注 )Upset ends (Seenote) for weld-ontool jointin. mm lb/ft kg/m in. mm2 3/8 60.3 6.65 6.26 9.32 E,X,G,S 0.280 7.11 EU2 7/8 73.0 10.4 9.72 14.48 E,X,G,S 0.362 9.19 EU 、 IU3 1/2 88.9 9.50 8.81 13.12 E 0.254 6.45 EU 、 IU 3 1/2 88.9 13.30 12.31 18.34 E,X,G,S 0.368 9.35 EU 、 IU 3 1/2 88.9 15.50 14.63 21.79 E 0.449 11.40 EU 、 IU3 1/2 88.9 15.50 14.63 21.79 X,G,S 0.449 11.40 EU 、 IEU4 101.6 14.00 12.93 19.26 E,X,G,S 0.330 8.38 EU 、 IU 4 1/2 114.3 13.75 12.24 18.23 E 0.271 6.88 EU 、 IU 4 1/2 114.3 16.60 14.98 22.31 E,X,G,S 0.337 8.56 EU 、 IEU4 1/2 114.3 20.00 18.69 27.84 E,X,G,S 0.430 10.92 EU 、 IEU5 127.0 16.25 14.87 22.15 X,G,S 0.296 7.52 IU5 127.0 19.50 17.93 26.71 E 0.362 9.19 IEU5 127.0 19.50 17.93 26.71 X,G,S 0.362 9.19 EU 、 IEU 5 127.0 25.60 24.03 35.79 E 0.500 12.70 IEU5 127.0 25.60 24.03 35.79 X,G,S 0.500 12.70 EU 、 IEU 5 1/2 139.7 21.90 19.81 29.51 E,X,G,S 0.361 9.17 IEU5 1/2 139.7 24.70 22.54 33.57 E,X,G,S 0.415 10.54 IEU1、钻杆公称尺寸外径D mm 壁厚tmm管体长度L1m钻杆长度Lm钢极管端加厚型式1级长度2级长度3级长度60.3 7.11 6.1~6. 7 8.2~9.1 11.6~13.7 L1+0.521 E,X,G,S E•U73.0 9.19 6.1~6. 7 8.2~9.1 11.6~13.7 L1+0.557 E,X,G,S I•U或E•U 88.9 6.45 6.1~6. 7 8.2~9.1 11.6~13.7 L1+0.595 E I•U或E•U 88.9 9.35 6.1~6. 7 8.2~9.1 11.6~13.7 L1+0.620 E,X,G,S I•U或E•U 88.9 11.40 6.1~6. 7 8.2~9.1 11.6~13.7 L1+0.620 E,X,G,S I•U•E•U或I•E•U 101.6 8.38 6.1~6. 7 8.2~9.1 11.6~13.7 L1+0.582 E,X,G,S I•U或E•U 114.3 6.88 6.1~6. 7 8.2~9.1 11.6~13.7 L1+0.582 E I•U或E•U 114.3 8.56 6.1~6. 7 8.2~9.1 11.6~13.7 L1+0.582 E,X,G,S E•U或I•E•U 114.3 10.92 6.1~6. 7 8.2~9.1 11.6~13.7 L1+0.582 X,G,S E•U或I•E•U 127.0 7.52 6.1~6. 7 8.2~9.1 11.6~13.7 L1+0.582 E,X,G,S I•U127.0 9.19 6.1~6. 7 8.2~9.1 11.6~13.7L1+0.582或L1+0.607 E,X,G,SI•E•U或E•UE•U或I•E•U127.0 12.70 6.1~6. 7 8.2~9.1 11.6~13.7L1+0.582或L1+0.607 E,X,G,SE•U或I•E•UE•U或I•E•U139.7 9.17 6.1~6. 7 8.2~9.1 11.6~13.7 L1+0.607 E,X,G,S I•E•U 139.7 10.54 6.1~6. 7 8.2~9.1 11.6~13.7 L1+0.607 E,X,G,S I•E•U 168.3 8.38 6.1~6. 7 8.2~9.1 11.6~13.7 L1+0.607 E,X,G,S I•E•U 168.3 9.19 6.1~6. 7 8.2~9.1 11.6~13.7 L1+0.607 E,X,G,S I•E•U 注:I•U为内加厚,E•U为外加厚,I•E•U为内外加厚。
钻井套管尺寸与钻头尺寸的选择钻井套管尺寸与钻头尺寸的选择目前我国使用最多或者说是唯一的套管钻头系列是:(26")20" —(17 1/2")13 3/8"—(12 1/4")9 5/8"—(8 1/2")7"—(5 7/8")4 1/2"套管和井眼尺寸的确定一般是由内到外进行,首先根据采油工程等方面的要求确定油层套管的尺寸,然后确定与油层套管相匹配的钻头。
套管与井眼之间的间隙与井身质量、固井水泥环强度要求、下套管时的井内波动压力、套管尺寸等因素有关。
最小间隙为9.5mm,最大间隙达76mm。
目前,根据套管层次不同,已基本形成了较稳定的系列套管:优质无缝钢管。
一端为公扣,直接车在管体上;一端为带母扣的套管接箍。
套管的尺寸系列:API标准套管:4 1/2“,5”,5 1/2“,6 5/8”,7“,7 5/8”,8 5/8“,9 5/8",10 3/4",11 3/4",13 3/8",16",18 5/8",20";共14种。
壁厚:5.21~16.13 mm。
套管的钢级API标准:H-40,J-55,K-55,C-75,L-80,N-80,C-90,C-95,P-110,Q-125。
(数字×1000为套管的最小屈服强度 kpsi)。
连接螺纹的类型API标准:短圆(STC)、长圆(LTC)、梯形(BTC)、直连型(XL)套管柱:由同一外径、不同钢级、不同壁厚的套管用接箍连接组成的管柱。
特殊情况下也使用无接箍套管柱钻杆尺寸:规格外径Size 名义重量NominalmassLb/ft计算重量Calculatedweight Wpe钢级Grade壁厚Wall thickness加厚形式( 见注 )Upset ends (Seenote) for weld-ontool jointin. mm lb/ft kg/m in. mm2 3/8 60.3 6.65 6.26 9.32 E,X,G,S 0.280 7.11 EU2 7/8 73.0 10.4 9.72 14.48 E,X,G,S 0.362 9.19 EU 、 IU3 1/2 88.9 9.50 8.81 13.12 E 0.254 6.45 EU 、 IU 3 1/2 88.9 13.30 12.31 18.34 E,X,G,S 0.368 9.35 EU 、IU 3 1/2 88.9 15.50 14.63 21.79 E 0.449 11.40 EU 、 IU3 1/2 88.9 15.50 14.63 21.79 X,G,S 0.449 11.40 EU 、 IEU4 101.6 14.00 12.93 19.26 E,X,G,S 0.330 8.38 EU 、 IU 4 1/2 114.3 13.75 12.24 18.23 E 0.271 6.88 EU 、 IU 4 1/2 114.3 16.60 14.98 22.31 E,X,G,S 0.337 8.56 EU 、 IEU4 1/2 114.3 20.00 18.69 27.84 E,X,G,S 0.430 10.92 EU 、 IEU5 127.0 16.25 14.87 22.15 X,G,S 0.296 7.52 IU5 127.0 19.50 17.93 26.71 E 0.362 9.19 IEU5 127.0 19.50 17.93 26.71 X,G,S 0.362 9.19 EU 、 IEU 5 127.0 25.60 24.03 35.79 E 0.500 12.70 IEU5 127.0 25.60 24.03 35.79 X,G,S 0.500 12.70 EU 、 IEU 5 1/2 139.7 21.90 19.81 29.51 E,X,G,S 0.361 9.17 IEU5 1/2 139.7 24.70 22.54 33.57 E,X,G,S 0.415 10.54 IEU1、钻杆公称尺寸外径D mm 壁厚tmm管体长度L1m钻杆长度Lm钢极管端加厚型式1级长度2级长度3级长度60.3 7.11 6.1~6. 7 8.2~9.1 11.6~13.7 L1+0.521 E,X,G,S E?U73.0 9.19 6.1~6. 7 8.2~9.1 11.6~13.7 L1+0.557 E,X,G,S I?U或E?U 88.9 6.45 6.1~6. 7 8.2~9.1 11.6~13.7 L1+0.595 E I?U或E?U 88.9 9.35 6.1~6. 7 8.2~9.1 11.6~13.7 L1+0.620 E,X,G,S I?U或E?U 88.9 11.40 6.1~6. 7 8.2~9.1 11.6~13.7 L1+0.620 E,X,G,S I?U?E?U 或I?E?U 101.6 8.38 6.1~6. 7 8.2~9.1 11.6~13.7 L1+0.582 E,X,G,S I?U或E?U 114.3 6.88 6.1~6. 7 8.2~9.1 11.6~13.7 L1+0.582 E I?U 或E?U 114.3 8.56 6.1~6. 7 8.2~9.1 11.6~13.7 L1+0.582 E,X,G,S E?U或I?E?U 114.3 10.92 6.1~6. 7 8.2~9.1 11.6~13.7 L1+0.582 X,G,S E?U或I?E?U 127.0 7.52 6.1~6. 7 8.2~9.1 11.6~13.7 L1+0.582 E,X,G,S I?U127.0 9.19 6.1~6. 7 8.2~9.1 11.6~13.7L1+0.582或L1+0.607 E,X,G,SI?E?U或E?UE?U或I?E?U127.0 12.70 6.1~6. 7 8.2~9.1 11.6~13.7L1+0.582或L1+0.607 E,X,G,SE?U或I?E?UE?U或I?E?U139.7 9.17 6.1~6. 7 8.2~9.1 11.6~13.7 L1+0.607 E,X,G,S I?E?U 139.7 10.54 6.1~6. 7 8.2~9.1 11.6~13.7 L1+0.607 E,X,G,S I?E?U 168.3 8.38 6.1~6. 7 8.2~9.1 11.6~13.7 L1+0.607 E,X,G,S I?E?U 168.3 9.19 6.1~6. 7 8.2~9.1 11.6~13.7 L1+0.607 E,X,G,S I?E?U 注:I?U为内加厚,E?U为外加厚,I?E?U为内外加厚。
我国钻头尺寸及套管配套使用
班级:地质6班
姓名:李正勇
学号:05112190
目前我国使用最多或者说是唯一的套管钻头系列是:
(26")20" —(17 1/2")13 3/8"—(12 1/4")9 5/8"—(8 1/2")7"—(5 7/8")4 1/2"
套管和井眼尺寸的确定一般是由内到外进行,首先根据采油工程等方面的要求确定油层套管的尺寸,然后确定与油层套管相匹配的钻头。
套管与井眼之间的间隙与井身质量、固井水泥环强度要求、下套管时的井内波动压力、套管尺寸等因素有关。
最小间隙为9.5mm,最大间隙达76mm。
套管与井眼(钻头)尺寸选择表(单位:mm)。
波动压力对套管与井眼间隙的要求
利用环空瞬态波动压力模型对一般工况下不同尺寸套管下套管时的套管与井眼间隙要求进行了研究。
计算结果表明:
下入13 -3/8"套管的最小间隙可以为16mm;
下入10-7/8"套管的最小间隙可以为13mm;
下入9-5/8"套管的最小间隙可以为12mm;
下入7"套管的最小间隙可以为8.5mm。
4
1
固井对套管与井眼间隙的要求(1)避免形成水泥桥的最小间隙美国的几家注
水泥公司建议套管的最小环隙为0.375in~0.5in,最好为0.75in。
(2)顶替效率与环隙的关系研究表明,要从窄边处把泥浆充分清除,居中度必须大于或等于67%,在直井段,0.4375in的环空间隙内仍可以获得界面胶结较好的水泥环。
(3)水泥环强度与间隙的关系资料调研表明,0.75in的环空间隙可以保证水泥浆的充分水化和有足够的水泥环强度;
要达到要求的水泥环强度,管子每边最小的环空间隙为0.375in~0.5in
2
3。
钻井套管尺寸与钻头尺寸的选择目前我国使用最多或者说是唯一的套管钻头系列是:(26")20" —(17 1/2")13 3/8"—(12 1/4")9 5/8"—(8 1/2")7"—(5 7/8")4 1/2"套管和井眼尺寸的确定一般是由内到外进行,首先根据采油工程等方面的要求确定油层套管的尺寸,然后确定与油层套管相匹配的钻头。
套管与井眼之间的间隙与井身质量、固井水泥环强度要求、下套管时的井内波动压力、套管尺寸等因素有关。
最小间隙为9.5mm,最大间隙达76mm。
目前,根据套管层次不同,已基本形成了较稳定的系列套管:优质无缝钢管。
一端为公扣,直接车在管体上;一端为带母扣的套管接箍。
套管的尺寸系列:API标准套管:4 1/2“,5”,5 1/2“,6 5/8”,7“,7 5/8”,8 5/8“,9 5/8",10 3/4",11 3/4",13 3/8",16",18 5/8",20";共14种。
壁厚:5.21~16.13 mm。
套管的钢级API标准:H-40,J-55,K-55,C-75,L-80,N-80,C-90,C-95,P-110,Q-125。
(数字×1000为套管的最小屈服强度 kpsi)。
连接螺纹的类型API标准:短圆(STC)、长圆(LTC)、梯形(BTC)、直连型(XL)套管柱:由同一外径、不同钢级、不同壁厚的套管用接箍连接组成的管柱。
特殊情况下也使用无接箍套管柱钻杆尺寸:规格外径Size 名义重量NominalmassLb/ft计算重量Calculatedweight Wpe钢级Grade壁厚Wall thickness加厚形式( 见注 )Upset ends (Seenote) for weld-ontool jointin. mm lb/ft kg/m in. mm2 3/8 60.3 6.65 6.26 9.32 E,X,G,S 0.280 7.11 EU2 7/8 73.0 10.4 9.72 14.48 E,X,G,S 0.362 9.19 EU 、 IU3 1/2 88.9 9.50 8.81 13.12 E 0.254 6.45 EU 、 IU 3 1/2 88.9 13.30 12.31 18.34 E,X,G,S 0.368 9.35 EU 、 IU 3 1/2 88.9 15.50 14.63 21.79 E 0.449 11.40 EU 、 IU3 1/2 88.9 15.50 14.63 21.79 X,G,S 0.449 11.40 EU 、 IEU4 101.6 14.00 12.93 19.26 E,X,G,S 0.330 8.38 EU 、 IU 4 1/2 114.3 13.75 12.24 18.23 E 0.271 6.88 EU 、 IU 4 1/2 114.3 16.60 14.98 22.31 E,X,G,S 0.337 8.56 EU 、 IEU4 1/2 114.3 20.00 18.69 27.84 E,X,G,S 0.430 10.92 EU 、 IEU5 127.0 16.25 14.87 22.15 X,G,S 0.296 7.52 IU5 127.0 19.50 17.93 26.71 E 0.362 9.19 IEU5 127.0 19.50 17.93 26.71 X,G,S 0.362 9.19 EU 、 IEU 5 127.0 25.60 24.03 35.79 E 0.500 12.70 IEU5 127.0 25.60 24.03 35.79 X,G,S 0.500 12.70 EU 、 IEU 5 1/2 139.7 21.90 19.81 29.51 E,X,G,S 0.361 9.17 IEU5 1/2 139.7 24.70 22.54 33.57 E,X,G,S 0.415 10.54 IEU1、钻杆公称尺寸外径D mm 壁厚tmm管体长度L1m钻杆长度Lm钢极管端加厚型式1级长度2级长度3级长度60.3 7.11 6.1~6. 7 8.2~9.1 11.6~13.7 L1+0.521 E,X,G,S E•U73.0 9.19 6.1~6. 7 8.2~9.1 11.6~13.7 L1+0.557 E,X,G,S I•U或E•U 88.9 6.45 6.1~6. 7 8.2~9.1 11.6~13.7 L1+0.595 E I•U或E•U 88.9 9.35 6.1~6. 7 8.2~9.1 11.6~13.7 L1+0.620 E,X,G,S I•U或E•U 88.9 11.40 6.1~6. 7 8.2~9.1 11.6~13.7 L1+0.620 E,X,G,S I•U•E•U或I•E•U 101.6 8.38 6.1~6. 7 8.2~9.1 11.6~13.7 L1+0.582 E,X,G,S I•U或E•U 114.3 6.88 6.1~6. 7 8.2~9.1 11.6~13.7 L1+0.582 E I•U或E•U 114.3 8.56 6.1~6. 7 8.2~9.1 11.6~13.7 L1+0.582 E,X,G,S E•U或I•E•U 114.3 10.92 6.1~6. 7 8.2~9.1 11.6~13.7 L1+0.582 X,G,S E•U或I•E•U 127.0 7.52 6.1~6. 7 8.2~9.1 11.6~13.7 L1+0.582 E,X,G,S I•U127.0 9.19 6.1~6. 7 8.2~9.1 11.6~13.7L1+0.582或L1+0.607 E,X,G,SI•E•U或E•UE•U或I•E•U127.0 12.70 6.1~6. 7 8.2~9.1 11.6~13.7L1+0.582或L1+0.607 E,X,G,SE•U或I•E•UE•U或I•E•U139.7 9.17 6.1~6. 7 8.2~9.1 11.6~13.7 L1+0.607 E,X,G,S I•E•U 139.7 10.54 6.1~6. 7 8.2~9.1 11.6~13.7 L1+0.607 E,X,G,S I•E•U 168.3 8.38 6.1~6. 7 8.2~9.1 11.6~13.7 L1+0.607 E,X,G,S I•E•U 168.3 9.19 6.1~6. 7 8.2~9.1 11.6~13.7 L1+0.607 E,X,G,S I•E•U 注:I•U为内加厚,E•U为外加厚,I•E•U为内外加厚。
钻井套管尺寸与钻头尺寸的选择目前我国使用最多或者说是唯一的套管钻头系列是:(26")20" —(17 1/2" )13 3/8" —(12 1/4" )9 5/8" —(8 1/2" )7" —(5 7/8")4 1/2"套管和井眼尺寸的确定一般是由内到外进行,首先根据采油工程等方面的要求确定油层套管的尺寸,然后确定与油层套管相匹配的钻头。
套管与井眼之间的间隙与井身质量、固井水泥环强度要求、下套管时的井内波动压力、套管尺寸等因素有关。
最小间隙为9.5mm,最大间隙达76mm目前,根据套管层次不同,已基本形成了较稳定的系列套管:优质无缝钢管。
一端为公扣,直接车在管体上;一端为带母扣的套管接箍。
套管的尺寸系列:API 标准套管:4 1/2 “,5”,5 1/2 “,6 5/8 ”,7 “,7 5/8 ”,8 5/8 “,9 5/8",10 3/4" ,11 3/4" ,13 3/8" ,16",18 5/8" ,20";共14 种。
壁厚:5.21 〜16.13 mm。
套管的钢级API 标准:H-40, J-55 , K-55, C-75, L-80 , N-80, C-90, C-95, P-110, Q-125。
(数字x 1000为套管的最小屈服强度kpsi )。
连接螺纹的类型API标准:短圆(STC)、长圆(LTC)、梯形(BTC)、直连型(XL)套管柱:由同一外径、不同钢级、不同壁厚的套管用接箍连接组成的管柱。
特殊情况下注:l?U为内加厚,E?U为外加厚,l?E?U为内外加厚。
2、加重钻杆公称尺寸4、方钻杆的公称尺寸4.1。
石油钻杆管径计算公式图解石油钻杆是石油钻井作业中的重要工具,它的直径大小直接影响着钻井作业的效率和成本。
因此,合理计算钻杆管径对于石油钻井作业至关重要。
在本文中,我们将介绍石油钻杆管径的计算公式,并通过图解的方式进行详细解释。
石油钻杆管径计算公式:钻杆管径(mm)= 钻头尺寸(mm)钻头尺寸(mm)钻头尺寸(mm)/ 钻井管尺寸(mm)。
其中,钻头尺寸是指钻头的直径,钻井管尺寸是指钻井管的内径。
首先,我们需要了解钻头尺寸和钻井管尺寸的概念。
钻头尺寸是指钻头的直径,通常由钻井设计人员根据具体的钻井要求来确定。
而钻井管尺寸是指钻井管的内径,也是由钻井设计人员根据具体的钻井要求来确定。
接下来,我们通过图解的方式来详细解释石油钻杆管径的计算公式。
首先,我们需要确定钻头尺寸和钻井管尺寸的数值。
假设钻头尺寸为200mm,钻井管尺寸为300mm。
然后,我们带入计算公式进行计算:钻杆管径(mm)= 200 200 200 / 300。
= 200 133.33。
= 66.67。
通过计算,我们得出钻杆管径为66.67mm。
接下来,我们通过图解的方式来进一步解释计算公式。
首先,我们绘制一个直径为200mm的圆表示钻头,然后绘制一个直径为300mm的圆表示钻井管。
接着,我们用一个直径为66.67mm的圆表示钻杆管径。
通过图示,我们可以清晰地看到钻头、钻井管和钻杆管径之间的关系。
通过以上图解和计算公式,我们可以清晰地了解石油钻杆管径的计算方法。
合理计算钻杆管径对于石油钻井作业来说至关重要,它不仅可以提高钻井作业的效率,减少成本,还可以保障钻井作业的安全。
因此,钻井工程师和相关人员在进行钻井设计和作业时,务必要严格按照计算公式来确定钻杆管径,以确保钻井作业的顺利进行。
API钻头标准尺寸国产钻头尺寸系列套管与钻头尺寸配合系列套管下入的井眼尺寸(钻头尺寸),mm (in)钻头和套管内间隙的标准API石油套管规格尺寸表I国标是油套管标准外径及壁厚I国标油管标准外径及壁厚I国标石油套管的理论重量表套管、油管尺寸表外径名义重量壁厚内径通径接箍外径螺纹类型钢级长度139.7 o o (5-1/2 ) 208523.0925.3229.794.2656.60 (38.00 )177.8 o(7)(0.244 ) o(15.50 ) o(17.00 ) o(20.00 ) o(23.00 ) o9.794.268.733.207.662.13(20.00)(23.00)(26.00)(29.00)(32.00)(35.00)(24.00)(28.00)(32.00)(36.00) 35.75219.1 o o 黑(8-5/8) f3.6259.58 (40.00 )244.5 o o (9-5/8 )o o(36.00 ) o(40.00 ) o(43.50 ) o(47.00 ) o48.11(32.30)53.6259.5864.7970.0171.69 (53.50 )273.0 o o (10-3/4 ) 48.7850.3257.7775.9682.67(32.75 ) o(40.50 ) o(45.50 ) o(51.00 ) o(55.50 ) o339.7 o o (13-3/8 )73.0 o o (2-7/8 ) 71.50 (48.00 ) o 81.18 (54.50 ) o 90.86 (61.00 ) o 101.69 (68.00 ) 9.53 (6.40 ) o o11.62 (7.90 ) o o12.81 (8.60 )88.9 o o (3-1/2 ) 114.3 o o (4-1/2 ) 11.47 (7.70 )oo15.19 ( 10.20 )6.20(0.244) o o6.98(0.275) o o7.72(0.304) o o9.17(0.361) o o10.54(0.415)5.87(0.231) o o6.91(0.272) o o8.05(0.317) o o9.19(0.362) o o10.36(0.408) o、11.51(0.453) o ,12.65(0.498) o、13.72(0.540)6.71(0.264)o7.72(0.304) o o8.94(0.352) o o10.16(0.400) o 、11.43(0.450)7.92(0.312)—o8.94(0.352) o o10.03(0.395) o、11.05(0.435) o、11.99(0.472) o '13.84(0.545)7.09(0.279)~o8.89(0.350) o o10.26(0.400) o '11.43(0.450) o ,12.57(0.495)8.38(0.330)o9.65(0.380) o o10.92(0.430) o ,12.19(0.480)5.51(0217) o o7.01(0.276) o o7.82(0.308)5.49(0.216)~o7.34(0.289)127.3(5.012) o125.7(4.950) o124.3(4.892) o121.4(4.778) o118.6(4.670)o 124.1(4.887) o o o122.6(4.825) o o o121.1(4.767) o oo 118.2(4.653) o o115.4(4.545)153.7 o o(6.050)圆螺纹。
o偏梯螺纹j55 o on80o op 1108m-12m o(2602-39.4) 18.77( 12.60) 6.88(0.271)166.1(6.538) o o 162.9(6.413) o o164.2(6.456) o161.7(6.366) o159.4(6.276) o157.1(6.180) o154.8(6.090) o152.5(6.004) o150.4(5.430)205.7(8.093) o203.7(8.020) o201.2(7.927) o198.8(7.827) o196.2(7.724)328.7(9.001) o236.6(8.921) o224.4(8.835) o232.4(8.755) o320.5(8.681) o216.8(8.535)o 160.8(6.331) o o o158.5(6.204) o o o156.2(6.151) o o o153.9(6.059) o o o151.6(5.969) o o o149.3(5.879) o o147.2(5.795) o o202.5(7.972) o o200.5(7.894) o o198.0(7.795) o o195.6(7.701) o o193.0(7.598) o o244.7(8.845) o o222.6(8.765) o o220.4(8.679) o o218.4(8.599) o o216.5(8.525) o o212.8(8.379) o o258.9(10.192) o o 254.9(10.035) o o255.3(10.050) o 252.7(9.950) o250.2(9.850) o247.9(9.760)322.9(12.715) o320.4(12.615) o317.9(12.515) o315.3(12.415) o62.00(2.441) oo 251.3(9.894) o o o248.8(9.794) o o o246.2(9.694) o o243.9(9.604)o 319.0(12.559) o o o316.5(12.459) o oo 313.9(12.359) o o o311.4(12.259)o 59.61(2.347) o o59.00(2.323) o o ^6.62(2.229) o o57.40(2.259)77.9(3.067) o o76.0(2.992)54.99(2.165)24.25(2.943) o o21.04(2.797)100.5(3.957) 97.37(3.833)194.5 o o(7.656)244.5 o o(9.625)269.6 o o(10.6250298.5 o o(11.752)365.1 o o(14.374)88.9 o o(3.500)107.95 o o(4.250)132.08 o o(5.200)圆螺纹。
o偏梯螺纹圆螺纹。
偏梯螺纹圆螺纹。
o偏梯螺纹圆螺纹。
o偏梯螺纹圆螺纹。
o偏梯螺纹圆螺纹。
圆螺纹。
圆螺纹。
j55 o on80 o op 1108m-12m o(2602-39.4)j55 o on80 o op 1108m-12m>o(2602-39.4)j55 o on80 o op 1108m-12m o(2602-39.4)j55 o on80o op 1108m-12m o(2602-39.4)j55 o on80 o op 1108m-12m o(2602-39.4)j55 O On808.5m-9.5m o o(27.9-31.2)j55 o on80 o oj55 o on80 o o8.5m-9.5m o o(27.9-31.2)8.5m-9.5m o o(27.9-31钻头与套管尺寸对照iW7114320C1SS.3r JJ.陀legr21S_939S.4fa 头 迪9ILI347.650B43S.4fc 头 347S503套管 SOSI5C9629S> in339.755.93 ? 96.92 9.fc 头 20C165. 155.5钻头112Q 640644Sa 奁管和井眼(钻头)尺寸选杼表(駅位:min)钻头与套管对照表1英寸=25.4mm。