拉索式钢烟囱一般规定
- 格式:doc
- 大小:25.00 KB
- 文档页数:1
2024年烟囱工程施工一般安全要求(1)对参加烟囱工程施工的人员,必须进行技术培训和安全教育,使其了解本工程施工特点,熟悉本要求和本岗位的安全技术操作规程,并通过考核台格后方能上岗工作,主要施工人员应相对固定。
(2)烟囱施工人员应先经过医务部门的体检,证明体格适合高处作业者,才能允许进行作业。
在烟囱操作平台的施工人员必须定期进行体检,经医生诊断凡患有高血压、心脏病、贫血、癫痫病及其他不适合高处作业疾病的不得上操作平台工作。
(3)烟囱施工中应经常与当地气象台、站取得联系,遇到雷雨、6级和6级以上大风时,必须停止施工。
停工前做好防护措施,操作台上人员撤离,应对设备、工具、零散材料及可移动的铺板等进行整理、固定并做好防护,全部人员撤离后立即切断通向操作平台的供电电源。
(4)烟囱施工现场必须具备场地平整、道路通畅、通电、通水的条件,现场布置应按施工组织设计总平面图进行。
(5)在施工的建(构)筑物周围必须划出施工危险警戒区。
警戒线至建(构)筑物的距离不应小于施工对象高度的1/10,且不小于lOre。
当不能满足要求时,应采取有效的安全防护措施。
(6)危险警戒线应设置围栏和明显的警戒标志.出人口应设专人警卫并建立警卫制度。
(7)施工现场的供电、办公及卫生设施等临时建筑和大宗材料的堆放,应布置在危险警戒线外。
(8)危险警戒区内的建筑物出人口、地面通道及机械操作场所,应搭设高度不低于25m的安全防护棚。
(9)烟囱工程进行立体交叉作业时,上、下工作面问应搭设隔离防护棚。
各种牵拉钢丝绳、滑轮装置、管道、电缆及设备等均应采取防护措施。
2024年烟囱工程施工一般安全要求(2)引言:烟囱工程施工是一项高风险的工作,需要严格按照安全要求进行操作,以确保工人的生命安全和项目的顺利进行。
本文将介绍2024年烟囱工程施工的一般安全要求,包括安全培训、安全设施、作业规范等方面的内容,以提高施工过程中的安全性。
一、安全培训1. 所有参与施工的工人必须进行安全培训,学习并熟悉施工过程中的安全操作规程、安全设施的使用方法和应急措施。
2024年钢筋混凝土烟囱施工、烟囱滑模安全要求(1)钢筋混凝土烟囱要用木模板(含木夹板)和定型组合钢模板施工时, 模板安装与拆除要按相应的木模板(含木夹板)和定型组合钢模板安全交底操作。
另外, 还应遵守下列要求:1)模板安装与拆除必须站在稳固的地方或牢固的操作平台上进行;2)拆除水箱底及顶盖底的模板时, 可用绳索吊下, 模板及支撑不得由高处扔下。
操作人员离开模板可能落下的部位。
(2)钢筋的绑扎与安装要按照相应的钢筋的绑扎与安装安全要求操作。
3)混凝土的浇筑与振捣要按照相应的现浇混凝土工程安全交底, 另外还应符合下列要:1)浇筑混凝土前, 要检查脚手架、模板、支撑应牢固可靠, 模板较大的缝隙应处理好;2)浇筑混凝土时, 不应猛力冲击架子和模板;3)人模高度要保持基本均匀, 禁止堆集第一处而将模板压偏。
(4)当采用脚手架方式施工时, 脚手架的搭设与拆除应按照相应的脚手架安全交底要求操作。
(5)各种垂直运输机械的使用, 如塔由、外用电梯、钢井架物料提升机、卷扬机等, 应按照相关的安全交底要求操作。
(6)其余施工用电和高处作业, 应按照施工现场临时用电安全技术交底及高处作业有关要求操作。
2024年钢筋混凝土烟囱施工、烟囱滑模安全要求(二)钢筋混凝土烟囱是一种重要的工业设施, 通常用于工厂、发电厂、锅炉房等场所排放废气和烟尘。
由于烟囱高度较大, 施工过程中存在许多安全隐患, 因此有必要制定相关的安全要求。
本文将详细介绍2024年钢筋混凝土烟囱施工和烟囱滑模的安全要求, 以确保施工过程中的人身安全和工程质量。
一、钢筋混凝土烟囱施工安全要求:1.编制详细的施工方案和施工组织设计。
在施工前, 应编制详细的施工方案和施工组织设计, 包括施工方法、工艺流程、材料选用、安全措施等内容, 确保施工过程可靠安全。
2.人员培训和安全意识教育。
施工人员应经过相关培训, 具备相应的专业知识和技能, 了解施工现场的安全要求和操作规程。
钢烟囱结构计算一、筒身自重计算及拉索自重(1)筒身自重筒壁1220.2960.00878.5 1.17/G rt kN m πρπ==⨯⨯⨯=烟囱全高自重13541G G kN =⨯=筒(2)拉索自重钢丝绳采用镀锌钢丝绳16NAT6(6+1)+NF1470ZZ124 89.9 GB/T 8918-1996 拉索自重:8.99N/m 每根索长:2538.9cos50S m ==︒每根拉索自重:28.9938.9350G m N =⨯=近似计算三根索,自重全部由筒身承担:3350=1.05k G N =⨯索二、风荷载产生的弯矩设计值及拉索拉力设计值(1)风荷载另行计算,结果如下:烟囱25m 位置设定拉索,25m 位置以上,风荷载设计值 1.4 1.74=2.44k /N m =⨯ 25m 位置以下,风荷载设计值 1.4 1.52=2.13k /N m =⨯(2)风荷载产生的弯矩设计值近似计算如下:22111= 2.4410=122kN m 22M q l =⨯⨯⨯⨯⋅ ()()2212221277.653535225122.3kN m 8825QH H h M h -⨯⨯-⨯===⋅⨯(公式参烟囱工程手册7.3-2) 作用在烟囱上总水平力: 2.4410 2.1325=77.65k Q N =⨯+⨯(3)拉索拉力设计值177.653570.95kN<124kN 2sin 225sin 50QH S h α⨯===⨯⨯︒(公式参烟囱工程手册7.3-3) 16φ钢丝绳最小破断拉力为124kN ,故16φ镀锌钢丝绳满足要求。
(4)拉索拉力焊缝计算假设拉索翼缘板厚8t mm =,焊缝长度200w l mm =32270.9501044.34/210/2008t w S N mm N mm l t σ⨯===<⨯ 满足要求。
(5)拉索拉力对烟囱产生的竖向压力P 设计值cos cos5070.9591.2k 180180cos cos 3P S N n α︒==⨯= 三、承重能力极限状态设计(1)筒壁局部稳定性的临界应力值按《烟囱工程手册》公式(7.2-7)计算如下:520.40.4 1.88108668.4/1.5600t crt E t N mm K d σ⨯⨯=⨯=⨯= 式中:300°温度作用下钢材的弹性模量550.92 2.0510 1.8810t E =⨯⨯=⨯局部抗压强度调整系数 1.5K =(2)在荷载(自重和风)作用下钢烟囱强度计算按《烟囱工程手册》公式(7.2-6)计算如下:i i t ni niN M f A W ⨯≤ 及 crt σ 式中:计算截面处净截面面积()222600584148714ni A mm π=⨯-=计算截面处净截面抵抗矩2230.770.7760082217600ni W d t mm ==⨯⨯=2210/t f N mm = 2668.4/crt N mm σ=钢烟囱水平计算截面i 的轴向压力设计值: 1.2i ik N N =()1 1.2 1.171091.2105.2N kN =⨯⨯+=2251.2 1.1710 1.0591.2124kN 2N ⎡⎤⎛⎫=⨯⨯+++= ⎪⎢⎥⎝⎭⎣⎦()3 1.2 1.171025 1.0591.2141.6kN N =⨯⨯+++=⎡⎤⎣⎦钢烟囱水平计算截面i 的最大弯矩设计值: 1.4i ik M M =111.4122kN m k M M ==⋅221.4122.3kN m k M M ==⋅30kN m M ≈⋅(3)钢烟囱整体稳定验算拉索式钢烟囱整体稳定验算的计算简图可近似假定为两端简支的压杆。
中华人民共和国国家标准烟囱设计规范Code for desing of chinmeys GB 50051━2002主编部门:中华人民共和国建设部批准部门:中华人民共和国建设部施行日期:2 0 0 3 年5 月1 日中华人民共和国建设部公告第101 号建设部关于发布国家标准《烟囱设计规范》的公告1 总则1.0.1 为了在烟囱设计中贯彻执行国家的技术经济政策,做到技术先进、经济合理、安全适用、确保质量,制定本规范。
1.0.2 本规范用于砖烟囱、钢筋混凝土烟囱、钢烟囱、套筒式烟囱、多管式烟囱、烟囱基础和烟道设计。
1.0.3 本规范是按照国家标准《建筑结构可靠度设计统一标准》(GB 50068)和国家标准《建筑结构设计术语和符号标准》(GB/T 50083)规定的原则制定的。
1.0.4 烟囱设计除应符合本规范规定外,尚应符合国家现行的有关强制性标准的规定。
1.0.5 本规范采用的设计基准期为50 年。
2 术语、符号2.1 术语2.1.1 烟囱chimney用于排放工业与民用炉窑高温烟气的高耸构筑物。
2.1.2 筒身shafi烟囱基础以上部分,包括筒壁、隔热层和内衬等部分。
2.1.3 筒壁shell烟囱筒身的最外层结构,用于保证筒身稳定。
2.1.4 隔热层insulation置于筒壁与内衬之间,使筒壁受热温度不超过规定的最高温度。
2.1.5 内衬lining分段支承在筒壁牛腿之上的自承重砌体结构,对隔热层起到保护作用。
2.1.6 钢烟囱steel chimney筒壁材质为钢材的烟囱。
2.1.7 钢筋混凝土烟囱reinforced concrete chimney筒壁材质为钢筋混凝土的烟囱。
2.1.8 砖烟囱brick chimney筒壁材质为砖砌体的烟囱。
2.1.9 自立式钢烟囱selfsupporting steel chimney筒身在不加任何附加受力支撑条件下,与基础一起构成一个稳定结构的钢烟囱。
拉索-塔架组合式单筒钢烟囱结构设计探讨作者:刘双凤来源:《卷宗》2020年第16期摘要:钢烟囱结构形式根据高度和直径之比确定,对于高径比超过30的钢烟囱不适宜采用自立式[1],宜采取拉索式或塔架式,但是对于高度较高,管径相对较细的单管钢烟囱,单纯采用二者之一时存在一定的局限性,高径比较大的钢烟囱采用纯拉索结构存在难以控制烟囱顶水平位移和烟囱整体的稳定,而塔架式结构存在一定的塔架高宽比限制,即便调整好塔架的高宽比满足烟囱的计算后,塔架的用钢量也随之增加,经济性也不够理想。
三种类型的烟囱各有优缺点,设计时根据具体情况加以选择。
本文以某钢烟囱项目为背景,利用MIDAS软件建立了静力计算模型,分析拉索-塔架组合式單筒钢烟囱在风荷载作用下结构受力及位移结果,为同类设计提供参考依据。
关键词:MIDAS;拉索-塔架组合式单筒钢烟囱;结构受力在拉索-塔架组合式单筒钢烟囱中,底部钢结构塔架与上部钢绞线拉索共同作为受力结构,协调变形。
底部塔架以上钢烟囱和拉索共同受力,上部拉索分担一部分水平力,控制烟囱顶部的水平位移,塔架以上钢筒体受弯和拉索受拉组合受力,而塔架高度范围内,钢筒体和塔架变形协调,位移同步,钢塔架作为竖向桁架,主要分担一部分由风荷载作用下钢烟囱产生的水平力和倾覆弯矩,使之转化为塔架的轴力。
1 分析参数本文利用MIDAS大型有限元分析软件,对一直径2.8m,高度65米的钢烟囱建立了整体模型,设置2层拉索和底下局部3层塔架,边界条件按铰接连接处理,拉索单元设置为索单元,仅承受拉力,选取以下计算工况进行受力分析;同时取纯拉索烟囱和纯塔架烟囱以及自立式烟囱的独立模型,比较分析了其它模型和目标模型在受力和位移上的区别。
2 分析结果由于钢烟囱自重较轻,主要受水平荷载影响,竖向荷载及温度荷载对其水平侧移影响较小,温度荷载作用下考虑高温下钢材强度会降低,因此强度允许值有一定折减,但是对于这几种结构类型的烟囱,位移和强度影响都是差不多的,都是只有筒壁承受高温,因此不用于不同烟囱结构类型的结果比较。
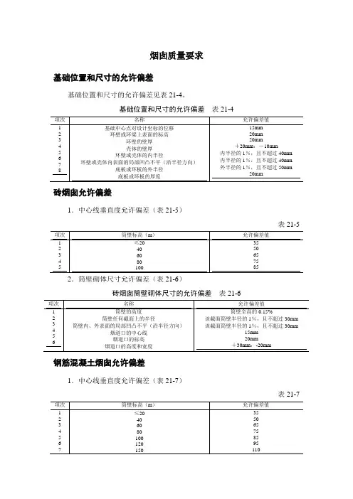
烟囱质量要求基础位置和尺寸的允许偏差基础位置和尺寸的允许偏差见表21-4。
基础位置和尺寸的允许偏差表21-4砖烟囱允许偏差1.中心线垂直度允许偏差(表21-5)表21-52.筒壁砌体尺寸允许偏差(表21-6)砖烟囱筒壁砌体尺寸的允许偏差表21-6钢筋混凝土烟囱允许偏差1.中心线垂直度允许偏差(表21-7)表21-72.钢筋混凝土筒壁尺寸的允许偏差(表21-8)钢筋混凝土烟囱筒壁尺寸的允许偏差表21-8烟囱内衬灰缝厚度的允许增大值和允许增大灰缝的数里烟囱内衬灰缝厚度的允许增大值和允许增大灰缝的数量见表21-9。
内衬灰缝厚度的允许增大值和允许增大灰缝的数量表21-9安全措施安全设施1.起重设备(1)卷扬机在使用之前,须检查全部机件,并经过空车和重车试运和制动试验。
(2)卷扬机的荷重量,须按制造厂说明书规定的负荷使用。
(3)为预防钢丝绳突然折断,吊笼上应装设安全抱刹。
(4)竖井架上应装设两道限位器,以防吊笼冒顶。
(5)钢丝绳一定要牢靠地固定在滚筒上;留在滚筒上的钢丝绳,至少须在10圈以上。
(6)对于安全抱刹、限位器在施工中必须定时检查,以防失灵。
2.动力及照明(1)夜间施工时,操作台、内外吊梯、竖井架、卷扬机房、搅拌站以及各运输道路等处,均须设有充分的照明。
(2)高空作业使用的电压,如振动器、照明、信号等,应使用不大于36V 的电压。
(3)照明灯泡应备有防雨灯伞或保护罩,以防打坏漏电。
(4)各种机械的电动机必须接地,运转中注意电机的温度不得超过规定。
3.信号(1)烟囱施工时,在筒身底部、操作台上和卷扬机之间,须安设电铃和指示灯作联系信号。
(2)在烟囱上部和下部,应各安装半导体对话机一套。
4.防护设施(1)烟囱周围的危险区,应设置刺丝网或围栏,并挂上警告牌,严禁非工作人员人内。
(2)在危险区的通道上,应搭设保护棚,以保护出入人员的安全。
(3)在竖井架上下人孔靠吊笼的一面,应安装铁丝保护网,以防止吊笼上下时碰伤人。
烟囱固定要求标准### 烟囱固定要求标准#### 引言嘿,朋友们!你走在路上,偶尔抬头看到那些高高矗立的烟囱时,有没有想过它们是怎么稳稳地立在那儿的呀?其实呀,烟囱的固定可是有着严格要求的呢,要是固定没做好,那可就麻烦啦,说不定哪天刮大风或者遇到点震动,就会出现危险情况哦。
今天呢,咱们就一起来好好聊聊烟囱固定要求的那些事儿,了解这些要求可太实用啦,不管是对于烟囱的建造者、使用者还是周边生活的人们来说,都关乎着安全和稳定呢。
掌握了这些要求标准,就能让烟囱稳稳当当发挥作用啦,快跟着我一起看看吧。
#### 主要要求1. **选择合适的固定基础材料**- 核心点:基础材料选得好,烟囱固定就有了靠谱的“根基”,像混凝土、钢筋等都是常见且重要的选择哦。
- 为什么重要?想象一下,如果烟囱的基础材料很脆弱,比如说用了那种容易松散的沙石简单堆砌,那稍微来点外力,像一阵稍大些的风,烟囱可能就开始摇晃啦。
据相关统计呀,不少烟囱出现倾斜等安全隐患,就是因为基础材料没选对或者质量不过关呢。
而且一旦烟囱不稳,后续维修成本可不小,还可能影响周边环境安全哦。
- 具体怎么做?首先,要根据烟囱的高度、重量以及所处的地质条件来挑选材料。
要是在土质比较松软的地方,那得用强度高、稳定性好的混凝土,并且合理配置钢筋,增强整体的抗压和抗剪能力。
施工的时候呢,得严格按照配比来搅拌混凝土,保证浇筑均匀、密实,钢筋也要按规范摆放、绑扎牢固呀。
- 常见误区或注意事项:有些人为了图省钱,会选用质量较差的基础材料,或者在施工时不按照标准流程操作,觉得差不多就行啦。
这可千万要不得呀,一定要找专业的施工团队,严格把控材料质量,并且在施工过程中做好监督检查,一旦发现不符合要求的地方,及时整改哦。
2. **确保固定结构合理设计**- 核心点:合理的固定结构设计能让烟囱像被稳稳抱住一样,不惧各种外力影响呢。
- 为什么重要?你看那些老式烟囱有时候会出现裂缝甚至倒塌,很多时候就是固定结构设计不合理呀。
拉索式钢烟囱计算书拉索式钢烟囱计算书⼀、设计资料1、钢烟囱⾼度H=20m,直径D=426mm,厚度t=8mm。
2、基本风压:W0=0.55kN/m23、地⾯粗糙度类别:B类地⾯粗糙度指数:0.164、抗震设防烈度:6度设计基本地震加速度:0.05g 设计特征周期0.35s设计地震分组为第⼀组。
5、钢烟囱阻尼⽐:0.016、拉索:d=0.014m⼆、设计依据1、《烟囱设计规范》GB50051-20022、《钢结构设计规范》GB50017-20023、《建筑结构荷载规范》GB50009-20014、《建筑抗震设计规范》GB50011-20105、《⾼耸结构设计规范》GB50135-2006三、烟囱型式烟囱⾼度和直径之⽐:H/D=20/0.426=47>35设⼀层拉索,拉索数量为3根,平⾯夹⾓成120o,拉索与烟囱夹⾓为30 o。
四、筒⾝⾃重计算及拉索⾃重1、筒壁每延⽶⾃重:G1=2x3.14x(0.426/2+0.410/2)x0.008x78.5=1.65 kN/m筒壁总重:G=1.65x20=33 kN2、拉索每延⽶⾃重:T1=7N/m拉索长度:S=13/cos30 o=15m3根拉索总重:T=3x7x15=315N=0.315 kN五、风荷载产⽣的弯矩和拉索拉⼒计算1、拉索式钢烟囱⾃振周期,按《建筑结构荷载规范》GB50009-2001附录E之E.1.1取:T1=(0.007~0.013)H≈0.013x20=0.26s2、顺风向风压W0=0.55kN/m2,风荷载系数计算。
(1)风压⾼度变化系数:查《建筑结构荷载规范》表7.2.1,地⾯粗糙度类别B,(2)风荷载体型系数µs《建筑结构荷载规范》表7.3.1项次36(b)H/D=20/0.426=47>25µz W0d2=1.25x0.55x0.4262=0.125>0.015,Δ≈0,µs=0.6拉索:按《建筑结构荷载规范》表7.3.1项次38拉索α=60 o风荷载⽔平分量的体型系数W SX =0.85风荷载垂直分量的体型系数W SY =0.40(3)⾼度Z 处的风振系数βz 。
中华人民共和国国家标准烟囱设计规范Code for desing of chinmeysGB 50051━2002主编部门:中华人民共和国建设部批准部门:中华人民共和国建设部施行日期:2 0 0 3 年 5 月1 日中华人民共和国建设部公告第101 号建设部关于发布国家标准《烟囱设计规范》的公告1 总则1.0.1 为了在烟囱设计中贯彻执行国家的技术经济政策,做到技术先进、经济合理、安全适用、确保质量,制定本规范。
1.0.2 本规范用于砖烟囱、钢筋混凝土烟囱、钢烟囱、套筒式烟囱、多管式烟囱、烟囱基础和烟道设计。
1.0.3 本规范是按照国家标准《建筑结构可靠度设计统一标准》(GB 50068)和国家标准《建筑结构设计术语和符号标准》(GB/T 50083)规定的原则制定的。
1.0.4 烟囱设计除应符合本规范规定外,尚应符合国家现行的有关强制性标准的规定。
1.0.5 本规范采用的设计基准期为50 年。
2 术语、符号2.1 术语2.1.1 烟囱 chimney用于排放工业与民用炉窑高温烟气的高耸构筑物。
2.1.2 筒身 shafi烟囱基础以上部分,包括筒壁、隔热层和内衬等部分。
2.1.3 筒壁 shell烟囱筒身的最外层结构,用于保证筒身稳定。
2.1.4 隔热层 insulation置于筒壁与内衬之间,使筒壁受热温度不超过规定的最高温度。
2.1.5 内衬 lining分段支承在筒壁牛腿之上的自承重砌体结构,对隔热层起到保护作用。
2.1.6 钢烟囱 steel chimney筒壁材质为钢材的烟囱。
2.1.7 钢筋混凝土烟囱 reinforced concrete chimney筒壁材质为钢筋混凝土的烟囱。
2.1.8 砖烟囱 brick chimney筒壁材质为砖砌体的烟囱。
2.1.9 自立式钢烟囱 selfsupporting steel chimney筒身在不加任何附加受力支撑条件下,与基础一起构成一个稳定结构的钢烟囱。
钢制烟囱标准VOCs 废气治理设备的烟囱在GB162971996中称之为排气筒。
排气筒工艺计算的几个指标为直径、高度、厚度、隔热。
以下是部分指标的相关标准:直径:根据HJ 20002010《大气污染治理工程技术导则》中5.3.5表述,排气筒的出口直径应根据出口流速确定,流速宜取15m/s 左右。
当采用钢管烟囱且高度较高时或烟气量较大时,可适当提高出口流速至2025m/s。
高度:根据HJ 20002010《大气污染治理工程技术导则》中5.3.2表述,排气筒的高度应按GB16297和行业、地方排放标准的规定计算出的排放速率确定,排气筒的最低高度应同时符合环境影响报告批复文件要求。
根据GB162971996《大气污染物排放标准》7.1,排气筒高度除须遵守表列排放速率标准值外,还应高出周围200m 半径范围的建筑5m 以上,不能达到该要求的排气筒,应按照对应的表列排放速率标准值严格50%执行。
厚度:根据GB500512013《烟囱设计规范》中10.3.3表述,钢烟囱的筒壁最小厚度应满足下列公式要求:烟囱高度不大于20m 时,tmin=4.5+C;烟囱高度大于20m 时,tmin=6+C。
式中,tmin 为筒壁的最小厚度(mm);C 为腐蚀厚度裕度,有隔热层时取C=2mm,无隔热层时取C=3mm。
隔热:根据GB500512013《烟囱设计规范》中10.3.4表述,隔热层的设置应符合下列规范规定:当烟气温度高于本规范表3.3.1规定的最高受热温度时,应设置隔热层。
表3.3.1中规定,钢烟囱筒壁的最高受热温度为:碳素结构钢250℃(用于沸腾钢)、350℃(用于镇静钢);低合金结构钢和可焊接低合金耐候钢400℃。
隔热层的厚度应由温度计算确定,但最小厚度不宜小于50mm。
对于全辐射炉型的烟囱,隔热层厚度不宜小于75mm。
隔热层应与烟囱筒壁牢固连接,当采用不定型现场浇筑材料时,可采用锚固钉或金属网固定。
烟囱顶部可设置钢板圈保护隔离层边缘。
烟囱施工作业质量标准及检验要求1、质量管理体系 1)、质量管理机构网络图2)、作业质量标准烟囱筒身数据参照表4)、严格执行材料报验、检验制,做到末经试验、检验的材料不得进场。
5)、所用原材料必须要有完整的质保书及复试报告,质保资料不全和不合格的原材料不得用于工程。
6)、严格按烟囱工程施工及验收规范及建筑工程施工及程验收规范要求执行。
7)、沉降观测:在烟囱四周+0.50m处放置4个沉降观测点埋件,当烟囱施工至1.50m高度时,找出埋件按图纸设计要求焊接好观测点(4个点上口应是一个水平),对烟囱进行初次沉降记录。
烟囱主体每15~20米高度观测一次,(烟囱有沉降不均匀或者下沉异常的现象时,应增加观测次数,以便采取应对措施),工程竣工后应每二个月观测一次。
并做好沉降观测记录。
8)、倾斜观测:在烟囱北侧及东侧30m设置二个固定点,主体每20m高度采用经纬仪进行烟囱垂直度的测量,以利于烟囱中心的控制和调整。
并做好倾斜观测记录。
9)、钢平台、钢梯制作及安装质量标准与检验方法2、工艺质量控制措施1)、工程施工前,对所有施工人员进行技术交底,对工程施工的注意事项详细介绍。
在施工的过程中,不间断地到现场进行技术指导和验收,及时发现施工过程中出现的质量问题并进行纠正。
2)、工程施工使用所有原材料应有质保资料,进场后按照有关规范或标准规定进行抽样复试,合格后方可使用。
3)、所有钢结构焊接缝必须经焊缝检查验收,检查数量:每批同类构件抽查10%,且不少于3件;被检查构件中,每种焊缝按条数各抽查5%,但不应少于1条,每条检查1处,总抽查数不应少于10处。
验收合格方可进行防腐处理。
4)、混凝土质量控制:应严格控制混凝土的水灰比,尽量缩短混凝土的运输和浇筑时间,确保混凝土施工质量。
钢烟囱结构计算钢烟囱结构计算一、筒身自重和XXX自重计算首先计算筒身自重,根据公式1,筒壁自重为 1.17kN/m,烟囱全高自重为41kN。
接下来计算拉索自重,采用镀锌钢丝绳16NAT6(6+1)+NF1470ZZ.9GB/T 8918-1996,每根索长为38.9m,每根拉索自重为350N,近似计算三根索,自重全部由筒身承担,所以XXX自重为1.05kN。
二、风荷载产生的弯矩设计值和XXX拉力设计值风荷载需要另行计算,计算结果如下:25m位置设定拉索,25m位置以上,风荷载设计值为2.44kN/m,25m位置以下,风荷载设计值为2.13kN/m。
风荷载产生的弯矩设计值近似计算如下:M1=1/2*q*l^2=1/2*2.44*10^2=122kN·m,M2=122.3kN·m。
作用在烟囱上总水平力为77.65kN。
XXX拉力设计值需要满足公式参烟囱工程手册7.3-3,计算得到S=70.95kN<124kN,所以采用的φ16镀锌钢丝绳满足要求。
XXX拉力焊缝计算,假设拉索翼缘板厚t=8mm,焊缝长度lw=200mm,计算得到σt=44.34N/mm2<210N/mm2,满足要求。
XXX拉力对烟囱产生的竖向压力P设计值为91.2kN。
三、承重能力极限状态设计筒壁局部稳定性的临界应力值按照烟囱工程手册公式(7.2-7)计算,得到σcrt=668.4N/mm2.其中,30°温度作用下钢材的弹性模量E为1.88×105,局部抗压强度调整系数K=1.5.在考虑荷载(自重和风)作用下,我们需要按照《烟囱工程手册》公式(7.2-6)进行计算。
首先,我们需要计算截面处的净截面面积Ani其计算公式为Aniπ460025842mm2接着,我们需要计算截面处的净截面抵抗矩Wni其计算公式为Wni0.77d2t=0.77×6002×8=xxxxxxxmm3.其中,ft210N/mm2,σcrt668.4N/mm2.根据这些参数,我们可以计算出钢烟囱水平计算截面i的轴向压力设计值Ni其计算公式为Ni1.2NikN11.2×(1.17×10)+91.2=105.2kN。
拉索式钢烟囱一般规定:
1、当烟囱高度与直径之比大于20(h/d>20)时,可采用拉索式钢烟囱。
2、当烟囱高度与直径之比小于35时,可设1层拉索。
拉索一般为3根,平面夹角为120°,拉索与烟囱轴向夹角不小于25°。
拉索系结位置距烟囱顶部小于h/3处。
3、烟囱高度与直径之比大于35时,可设2层拉索,下层拉索系结位置,宜设在上层拉索系结位置至烟囱底的1/2高度处。
4、拉索式烟囱在风荷载和地震作用下的内力计算,可按国家标准《高耸结构设计规范》(GB50135)的规定计算。
并考虑横风向风振的影响。
5、拉索式钢烟囱筒身的构造措施,与自立式钢烟囱相同。
以上内容均根据学员实际工作中遇到的问题整理而成,供参考,如有问题请及时沟通、指正。
广州陶粒厂广东陶粒厂 编辑:ejdnchh。
加热炉烟囱绷绳安装标准
加热炉烟囱绷绳的安装标准包括以下方面:
1. 确定拉绳长度:拉绳长度应取烟囱高度的倍至倍,最好留有一定余量。
2. 选择材料:材料应符合GB/标准,选用锌镀钢丝绳或不锈钢丝绳,直径应根据实际情况选用,通常不小于6mm。
3. 确定拉绳数量和布置:烟囱拉绳一般为3根,平面夹角为120°,拉索与
烟囱轴夹角不小于25°。
4. 拉绳固定:拉绳应使用钢丝绳,钢丝绳连接应使用绳卡。
压板扣在钢丝绳的工作段上,U形螺栓扣在钢丝绳的尾段上,绳卡不得在钢丝绳上交替布置。
绳卡的数量与钢丝绳直径d(mm)应满足d的要求。
5. 拉绳与地锚连接:钢丝绳与地锚连接处应露出地表,同一地锚不可连接两个烟囱拉绳。
6. 张紧装置:可使用花兰螺丝进行紧固。
拉绳张紧力度应适中,不得过松或过紧,以免影响烟囱使用安全。
拉绳应分别固定在烟囱顶部和基底部,并分别通过张紧杆进行张紧。
7. 维护检查:烟囱拉绳在使用过程中,应及时检查固定和张紧情况,发现问题应及时处理。
烟囱拉绳的维护周期应根据实际情况制定,一般应每年至少进行一次检查和维修。
以上信息仅供参考,实际安装时请遵循相关标准和规定,确保安全可靠。
烟囱拉绳定额烟囱拉绳定额是指烟囱拉绳每次使用拉绳的长度限定在一定范围内,一般为5-6米左右,以确保烟囱的排烟效果和安全性能。
以下是对烟囱拉绳定额的相关参考内容。
1. 烟囱拉绳定额的作用烟囱拉绳定额是为了保证烟囱的正常排烟和使用安全而设定的。
如果拉绳过长,容易导致拉绳绕绞在拉绳盘上,影响烟囱的拉绳使用效果;如果拉绳过短,又会影响到拉绳的使用范围,无法达到理想的效果。
2. 烟囱拉绳定额的测量方法为了确定烟囱拉绳的定额长度,可以通过以下步骤进行测量:(1) 在烟囱拉绳的一端系上一个标准长度的绳子。
(2) 将绳子从引风机或抽风机拉到烟囱的顶部,保证绳子紧贴于烟道的内壁,并拉直。
(3) 从绳子与拉绳连接处起,用尺子或其他测量工具测量拉绳的长度,注意记录下来。
3. 烟囱拉绳定额的选择因素在确定烟囱拉绳的定额长度时,需要考虑以下因素:(1) 烟囱的高度和形状:烟囱高度较高或形状较复杂的烟囱,可能需要较长的拉绳定额,以确保拉绳可以覆盖到烟囱的各个部位。
(2) 使用场所的特点:不同的场所对烟囱排烟的要求不同,根据具体需求确定拉绳的定额长度,如工厂、酒店、学校等。
(3) 状态监测的要求:如果需要对烟道的状态进行实时监测,可能需要安装拉绳定额较长的烟道拉绳,以方便操作和监测。
4. 烟囱拉绳定额的安全考虑在确定烟囱拉绳的定额长度时,需要考虑以下安全因素:(1) 拉绳的材质和强度:拉绳应选用耐高温、耐磨损、强度高的材质制成,以确保使用寿命和安全性能。
(2) 拉绳固定装置的可靠性:拉绳固定装置要采用可靠的结构设计和固定方式,防止拉绳脱落或滑脱,造成安全事故。
(3) 拉绳盘的安装和维护:拉绳盘的安装位置要合理,方便操作和检修,同时需要定期检查和维护拉绳盘,确保其正常使用。
5. 烟囱拉绳定额的意义通过设置烟囱拉绳定额,可以减少烟囱维护和操作人员的劳动强度,提高工作效率;可以减少人为操作失误带来的安全隐患,确保烟囱的正常排烟和使用安全性能。
拉索式钢烟囱一般规定
1 当烟囱高度与直径之比大于20( h/d >20)时,可采用拉索式钢烟囱。
2 当烟囱高度与直径之比小于35时,可设1层拉索。
拉索一般为3根,平面夹角为120°,拉索与烟囱轴向夹角不小于25°。
拉索系结位置距烟囱顶部小于h/3处。
3 烟囱高度与直径之比大于35时,可设2层拉索,下层拉索系结位置,宜设在上层拉索系结位置至烟囱底的1/2高度处。
4 拉索式烟囱在风荷载和地震作用下的内力计算,可按国家标准《高耸结构设计规范》(GB 50135)的规定计算。
并考虑横风向风振的影响。
5 拉索式钢烟囱筒身的构造措施,与自立式钢烟囱相同。