某物业管理公司作业指导书
- 格式:doc
- 大小:104.50 KB
- 文档页数:44
物业sop标准作业指导书一、概述本指导书旨在为物业管理人员提供一套标准化的作业程序,以确保物业管理工作的高效、有序和规范。
本指导书适用于各类物业项目,包括住宅、商业、办公和工业物业。
二、作业流程1.物业检查:每天上班后,管理人员应对物业区域进行全面检查,包括设施设备、环境卫生、安全防范等方面。
发现问题应及时记录并通知维修人员处理。
2.日常维护:维修人员应按照规定的工作程序,对物业区域内的设施设备进行定期维护和保养,确保其正常运行。
如遇突发事件,应及时处理并上报管理人员。
3.环境卫生:保洁人员应按照规定的清洁标准,对物业区域进行定期清扫,保持环境整洁。
同时,应定期对垃圾进行分类收集和处理。
4.安全防范:安保人员应按照规定的安全制度,对物业区域进行24小时安全监控和巡查。
发现问题应及时处理,并记录在案。
5.客户服务:客服人员应热情接待客户,提供咨询和帮助,及时处理客户投诉和建议。
同时,应定期对客户进行满意度调查,收集反馈信息,改进服务质量。
三、标准操作步骤1.物业检查步骤:确认检查时间→巡查物业区域→记录发现问题→通知维修人员→确认维修结果并记录。
2.日常维护步骤:确认维护项目→准备维护工具和材料→进行维护作业→检查维护效果→记录维护过程和结果。
3.环境卫生步骤:确定清扫区域→分配保洁人员→监督清扫过程→检查清扫效果→清理垃圾分类收集。
4.安全防范步骤:确认安全事项→开启安全设备→监控安全状况→处理突发情况→关闭安全设备→记录安全事件。
5.客户服务步骤:热情接待客户→了解客户需求→提供帮助和咨询→记录客户反馈→跟进处理结果→评价服务质量。
四、注意事项1.管理人员应确保物业区域的设施设备处于良好状态,保证正常运转。
2.维修人员应具备相应的技能和知识,确保维护和保养工作的质量。
3.保洁人员应按照规定的清洁标准进行清扫,保持环境整洁。
4.安保人员应具备相应的安全知识和技能,确保物业区域的安全。
5.客服人员应具备良好的沟通能力和服务态度,及时处理客户投诉和建议。
第一章客服中心部门说明一、客服中心部门职能简述客服中心——作为物业的枢纽部门,承担着物业公司直接对客服务的主要工作,是体现公司服务档次,展示公司形象和企业文化,树立公司管理品牌的窗口,是实现优质服务的关键性职能部门。
客服中心的主要工作包括:☆负责业主验楼、收楼,及跟进解决工程遗留问题等各项工作;☆负责物业管辖区域内的公共设施、公共标识巡查,并确保其正常使用;☆做好物业管辖区域内的保洁服务工作;☆配合地产公司营销部做好业主参观样板间的接待服务工作;☆对业主的答疑解惑、协调服务。
主要对内管理工作有:☆值班巡查;☆搜集并反馈业主信息;☆部门及业主档案更新、完善;☆保证服务质量,提高业主满意率指标;☆协调公司内部各部门的工作,共同做好对客服务等工作。
“对客服务、组织协调、公共信息发布”是客服中心所具备的三个主要功能。
为了实现这些功能,公司对客服中心的从业员工提出了在仪容风貌、品格心态、技能素质与职业道德方面必须与公司的管理理念、形象品牌及服务档次相适应的要求,特别是服务人员要具备高尚的职业道德情操,真诚的对客服务意识,公平、公正的待客心态,良好的人际交往能力,坚韧的思想意志品格,富于营造美好祥和气氛的创造性和善于洞察业主服务需求的感悟力。
客服中心以其高质量的管理,给予客服中心员工一个充分发挥自己、锻炼自己的机会,客服中心全体员工也将以不懈的努力使项目管理服务质量达到国际化的专业水平。
二、客服中心阶段工作任务1.0 客服中心员工要与业主保持良好的沟通,通过与业主接触,收集、整理业主反映的关于物业规划、房屋质量、物业管理等方面存在的问题和建议,并及时上报给有关部门或上级领导,作为工作指导和决策依据。
2.0 协调各部门办理施工(装修)单位进入施工区域(维修)装修手续。
并对装修(维修)工程进行定时巡视及监管,并将在工作巡视中发现的问题及时汇总,通知工程维修部,以配合其更详细的了解、解决装修具体情况。
3.0 提供物业管辖区域及业主室内的绿化养护服务。
全套物业管理公司作业指导书目录管理工作流程图1.文件控制流程图2.记录控制流程图3.人员和培训管理流程图4.采购管理流程图5.物业服务管理流程图6.顾客满意管理流程图7.不合格品(服务)管理流程图8.业主投诉处理流程图安保工作流程图1.安保管理流程图2.物业管理部工作流程图3.安保主管工作流程图4.班长日检查工作流程图5.样板房安保员岗位工作流程图6.侧门岗安保员工作流程图7.巡楼安保员操作流程图8.业主搬迁操作流程图9.外来人员出入管理流程图10.消防应急方案出来流程图11.突发事件处理流程图12.安保工作重大事项处置流程图13.电梯困人处理流程图意外停电处理流程图意外停气处理流程图14.管理处火灾处理流程图15.车库(场)岗位工作流程图16.车库(场)收缴费管理流程图17.车库(场)异常情况处置流程图18.车辆冲卡处理流程图19.可疑车辆出场处置流程图清洁绿化工作流程图1.清洁管理流程图2.清洁不合格处理流程图3.绿化管理流程图4.绿化不合格处理流程图5.清洁绿化主管检查流程图工程工作管理流程图1.基础设施和工作环境管理流程图2.机电设备管理流程图3.业主报修接待处理流程图4.消防报警信号处理流程图5.电梯故障处理流程图6.恒压变频生活供水系统操作流程图7.低压变配电设备维修保养流程图8.新接楼宇入伙管理流程图9.业主入伙手续办理流程图10.房屋装修管理流程图11.物业接管验收流程图12.业主看房收楼流程图工作流程图编制:物业管理部日期:2XXX年月日审核:日期:2XXX年月日批准:日期:2XXX 年 月 日发布 2XXX 年 月 日实施XX 物业管理有限公司XX 公司作 业 指 导 书 文 件 号版号/状态 C/0标 题 物业管理服务流程图 页 数 第 1 页 共 1 页1 顾客需求7 投标、中标 6 编制、评审标5 招投标文4 非招标文3非常规设计开2 新接物业策划11 编制管理计10 组建管理处 9 签 约8 编制、评审合12 审批、实施 16 小 区15 标识管理13 人员和培训管理 19房屋装修管理27监视测量装24突发事件处理25延伸服务26顾客财产管23安保服务22绿化服务 21清洁服务 20基础设施工作环境17新楼楼宇接18入伙管理31过程服务巡视14 采购及外包管理XX物业管理有限公司XX公司作业指导书文件号版号/状态C/0标题文件控制流程图页数第 1 页共 1 页编写外来文件审核/评审来文登记分发范围批准审批分发号编号编号发放登记发放发放使用识别文件清单归档保管使用对外提供检查/平审提供更改更改实施评审归档作废文件批准保留标识更改状态销毁更换XX物业管理有限公司XX公司作业指导书文件号版号/状态C/0标题记录控制流程图页数第 1 页共 1 页表格设计审核外来记录标识编制成表使用传递汇集装订贮存/保护检索更改保存期销毁XX物业管理有限公司XX公司作业指导书文件号版号/状态C/0标题人员和培训管理流程图页数第 1 页共 1 页培训计划申请年度培训计划批准组织实施内部培训外部培训培训档案过程监视XX 物业管理有限公司XX 公司作 业 指 导 书 文 件 号 版号/状态 C/0标 题采购管理流程图页 数第 1 页 共 2 页一、供方评价控制流程图供方初选采购物品、劳务分类A 类物品、劳务(关键物品)B 类物品、劳务(公司统一采购)C 类其他物品供方评价、选择集体评价直接评价 不作评价采取措施编录合格供方目录审批、发布过 程 控 制改 进供方从新评价不重新录用采取措施不 录 用 编录新合格供方目录评价准则 符合判定重新评价准则符合判定XX 物业管理有限公司XX 公司作 业 指 导 书 文 件 号 ZH/IB7.4-0-2XXX版号/状态 C/0标 题采购管理流程图页 数第 2 页 共 2 页二、采购控制流程图物品需求计划 采购计划 初审、会签劳务采购申请审 批采 购 实 施直 接 采 购合同、协议采购验 证进货 现场验证进 货 验 证 劳 务 验 证入 库 退 货 备 案 整 改 物品合格判定劳务合格判定XX物业管理有限公司XX公司作业指导书文件号ZH/IB7.5(5)-0-2XXX 版号/状态C/0标题安保管理流程图页数第 1 页共 1 页安保员基本要求规范及规程培训上岗车辆管理物业监控消防安全封闭管理指示标识进出停放出租车管理监控中心安保监控巡逻巡视执行法规消防设施检消防工作检消防训练状态标识封闭时间人员管理监控跟踪物品管理交接班工作交接班要求设备、工作交接未到岗安排安保工作检查各级人员检查主管工作汇报XX 物业管理有限公司XX 公司作 业 指 导 书文 件 号ZH/IB7.5(5)-2-2XXX 版号/状态 C / 0 标 题 物管部工作检查流程图 页 数第1页 共1页根据年初工作计划,物管部每月对公司各管理处工程、安保、清洁绿化工作进行全面检查。
物业管理业作业指导书第1章物业管理概述 (4)1.1 物业管理的概念与特点 (4)1.2 物业管理的目标与原则 (4)1.3 物业管理的类型与模式 (5)第2章物业管理组织结构 (5)2.1 物业管理公司的组织架构 (5)2.1.1 董事会 (5)2.1.2 总经理 (6)2.1.3 副总经理 (6)2.1.4 部门经理 (6)2.1.5 项目经理 (6)2.1.6 基层员工 (6)2.2 物业管理人员的职责与素质要求 (6)2.2.1 职责 (6)2.2.2 素质要求 (6)2.3 物业管理团队的建设与培训 (7)2.3.1 团队建设 (7)2.3.2 培训 (7)第3章物业管理规章制度 (7)3.1 物业管理制度的制定与实施 (7)3.1.1 制定原则 (7)3.1.2 制定程序 (7)3.1.3 实施与监督 (7)3.2 物业管理公约与业主权益保护 (8)3.2.1 物业管理公约 (8)3.2.2 业主权益保护 (8)3.3 物业管理违规行为的处理 (8)3.3.1 违规行为认定 (8)3.3.2 处理措施 (8)3.3.3 业主权益救济 (8)第4章物业服务内容与标准 (8)4.1 物业服务的内容与分类 (8)4.1.1 基础物业服务 (9)4.1.2 增值物业服务 (9)4.2 物业服务标准与质量控制 (9)4.2.1 物业服务标准 (9)4.2.2 质量控制措施 (9)4.3 特殊物业服务项目及其管理 (9)4.3.1 特殊物业服务项目 (10)4.3.2 管理措施 (10)第5章物业费用管理 (10)5.1 物业费用的构成与收费标准 (10)5.1.1 物业费用的构成 (10)5.1.2 物业收费标准 (10)5.2 物业费用的收缴与使用管理 (10)5.2.1 物业费用的收缴 (10)5.2.2 物业费用的使用管理 (10)5.3 物业费用的审计与监督 (11)5.3.1 物业费用的审计 (11)5.3.2 物业费用的监督 (11)第6章物业设施设备管理 (11)6.1 物业设施设备的维护与保养 (11)6.1.1 维护与保养的基本要求 (11)6.1.2 维护与保养的内容 (11)6.1.3 维护与保养的实施 (11)6.2 物业设施设备的安全管理 (11)6.2.1 安全管理的基本要求 (12)6.2.2 安全管理的内容 (12)6.2.3 安全管理的实施 (12)6.3 物业设施设备的更新与改造 (12)6.3.1 更新与改造的基本要求 (12)6.3.2 更新与改造的内容 (12)6.3.3 更新与改造的实施 (12)第7章环境与绿化管理 (12)7.1 环境卫生管理 (12)7.1.1 环境卫生标准 (12)7.1.2 环境卫生维护 (13)7.1.3 环境卫生检查与评估 (13)7.2 绿化管理与养护 (13)7.2.1 绿化规划与设计 (13)7.2.2 绿化植物选择与配置 (13)7.2.3 绿化养护管理 (13)7.2.4 季节性绿化工作 (13)7.3 环境保护与节能减排 (13)7.3.1 环境保护措施 (13)7.3.2 节能减排管理 (13)7.3.3 环保宣传教育与培训 (13)7.3.4 环保设施建设与维护 (14)第8章消防安全管理 (14)8.1 消防安全知识与技能培训 (14)8.1.1 培训目的 (14)8.1.2 培训内容 (14)8.1.3 培训对象 (14)8.1.4 培训方式 (14)8.2 消防设施设备的管理与维护 (14)8.2.1 设备管理 (14)8.2.2 设备维护 (14)8.3 火灾的应急处置与调查 (15)8.3.1 应急处置 (15)8.3.2 调查与分析 (15)8.3.3 信息报告与记录 (15)第9章业主服务与沟通 (15)9.1 业主服务中心的设置与运作 (15)9.1.1 中心设立原则 (15)9.1.2 中心职能 (15)9.1.3 中心人员配置 (15)9.1.4 中心运作流程 (15)9.2 业主投诉处理与满意度调查 (15)9.2.1 投诉处理流程 (15)9.2.2 投诉处理要求 (15)9.2.3 满意度调查 (16)9.2.4 满意度调查结果应用 (16)9.3 业主大会与业主委员会的指导 (16)9.3.1 业主大会的组织与召开 (16)9.3.2 业主大会的议题及表决 (16)9.3.3 业主委员会的选举与运作 (16)9.3.4 业主委员会与物业公司的沟通协作 (16)9.3.5 业主大会与业主委员会的档案管理 (16)第10章物业管理项目的移交与验收 (16)10.1 物业管理项目的移交程序与要求 (16)10.1.1 移交前期准备工作 (16)1.1 确定移交范围及内容 (16)1.2 收集并整理物业管理相关资料 (16)1.3 确定移交双方的时间安排及人员配置 (16)10.1.2 移交程序 (16)2.1 举行移交会议,明确双方责任和义务 (16)2.2 签订物业管理项目移交协议 (16)2.3 按约定时间完成物业管理的实际移交工作 (16)10.1.3 移交要求 (16)3.1 保证移交过程中物业管理服务质量不受影响 (16)3.2 移交双方应遵循诚实信用、公平公正原则 (16)3.3 移交完成后,原物业管理单位需提供必要的技术支持 (17)10.2 物业管理项目的验收标准与方法 (17)10.2.1 验收标准 (17)1.1 符合国家及地方物业管理相关法律法规 (17)1.2 达到合同约定的物业管理服务标准 (17)1.3 满足业主及物业使用人的合理需求 (17)10.2.2 验收方法 (17)2.1 对物业管理项目的各项服务进行现场检查 (17)2.2 查阅物业管理相关资料,包括但不限于合同、档案、报表等 (17)2.3 采取问卷调查、访谈等方式,了解业主及物业使用人的满意度 (17)10.3 物业管理项目的后评估与改进措施 (17)10.3.1 后评估 (17)1.1 对物业管理项目进行定期评估,分析服务质量及存在的问题 (17)1.2 邀请第三方专业机构参与评估,保证评估结果的客观性和公正性 (17)10.3.2 改进措施 (17)2.1 针对评估中发觉的问题,制定切实可行的改进措施 (17)2.2 加强员工培训,提高物业管理服务水平 (17)2.3 定期对改进措施的实施情况进行跟踪检查,保证整改效果 (17)2.4 与业主及物业使用人保持良好沟通,及时了解并满足其合理需求,持续提升物业管理质量。
某物业公司工程部作业指导书1. 前言本文档是某物业公司工程部的作业指导书,旨在明确工程部门的工作职责、作业流程以及相关考前须知,以提高工程部门的工作效率和专业水平。
2. 工程部门职责工程部门是承当着物业公司维修、改造、装修等相关工程工程的核心部门,其主要职责包括但不限于:•物业建筑设备的维护保养;•物业改造、装修工程的设计、施工和管理;•施工现场的平安管理;•监管和协调外包公司的工作;•推开工程质量和管理的持续改良。
3. 作业流程3.1 工程需求接收工程部门的作业流程开始于接收工程需求。
工程需求可以来自物业公司内部的其他部门,也可以来自业主的报修申请。
在接收到工程需求后,工程部门应立即进行登记,确保每个需求都得到妥善处理。
3.2 工程需求评估在进行工程需求评估之前,工程部门应先进行现场勘察,了解实际情况。
然后,根据勘察结果,工程部门对工程需求进行评估,包括但不限于工程难度、所需物料和人力资源等。
3.3 工程方案设计在完成工程需求评估后,工程部门应制定出相应的工程方案。
工程方案应包括施工图纸、工程进度方案、材料清单和人力资源安排等内容。
工程方案设计需要充分考虑工程的可行性、平安性和经济性。
3.4 工程施工过程工程施工过程是工程部门的核心工作。
在进行工程施工之前,工程部门应进行工程现场的平安检查,确保施工环境平安。
然后,按照工程方案进行施工,同时进行工程质量的控制和监督。
3.5 工程验收和总结工程施工完成后,工程部门应进行工程的验收。
验收内容包括施工质量、平安合规和工程目标的实现情况等。
在验收合格后,工程部门还应进行工程总结,总结工程的做法、经验和教训,并反应给相关部门。
4. 考前须知为了保证工程部门的工作顺利进行,以下几点需要特别注意:•平安第一:工程部门在施工过程中,必须严格遵守现场平安管理规定,确保人员和设备的平安。
•资源管理:工程部门应合理管理和利用人力、物力和财力资源,确保工程顺利进行。
•与相关部门的配合:工程部门在工作过程中,需要与物业公司的其他部门、外包公司等保持良好的沟通与配合关系。
物业管理有限公司作业指导书1. 引言物业管理有限公司作为一家专业从事物业管理服务的企业,为了确保工作的高效性和规范性,制定了此作业指导书。
此指导书旨在为公司员工提供统一的工作标准和流程指导,以确保各项工作的顺利进行。
2. 工作标准2.1 工作态度公司员工在工作中应始终保持积极的工作态度,以客户满意度为目标,尽力提供高质量的服务。
员工应遵守公司的价值观和企业文化,以团队合作的精神与同事互动,提升工作效率。
2.2 工作时间公司员工应按照公司规定的工作时间表进行上班,并且遵守工作时间的规定。
如果出现特殊情况需要请假或加班,员工应提前向上级报备,经批准后方可进行调整。
2.3 工作纪律员工应遵守公司制定的工作纪律,包括但不限于遵守公司规章制度、保密协议等。
员工应保持工作环境的整洁和安全,有效管理和使用工作设备和资源。
3. 工作流程3.1 客户接待和咨询•员工应友好细致地接待客户,并提供准确的咨询信息。
•员工应记录客户的需求和问题,并及时转交给相关部门处理。
•针对重要客户,员工应与客户保持良好的沟通和联系,及时解决问题。
3.2 设备和设施维护•员工应进行设备和设施的定期巡检,并记录巡检情况。
•对于有故障的设备和设施,员工应及时报告,并与维修部门协调解决。
•员工应定期清洁设备和设施,保持其良好的工作状态。
3.3 安全管理•员工应遵守公司的安全管理制度,确保工作场所的安全和秩序。
•对于安全隐患,员工应及时上报,并参与解决和预防措施的落实。
•员工应积极参加安全培训和演练,提升安全意识和应急处理能力。
3.4 停车管理•员工应根据停车管理制度进行停车场的巡查和管理。
•对于停车场违规行为,员工应及时处罚,并向违规者解释相关规定。
•员工应及时向上级报告停车场设施的维修和改善需求。
4. 工作配合公司的各部门之间应进行有效的协作和配合,确保工作的顺利进行。
员工应积极与其他部门的同事沟通和交流,共同解决问题。
同时,员工应遵守公司内部的协作和沟通规范,确保信息的及时传递和有效反馈。
物业公司标准化作业指导书一、背景介绍物业公司作为管理和运营物业的专业机构,承担着维护物业价值、提供优质服务的重要职责。
为了提高物业公司的管理水平和工作效率,制定一份标准化作业指导书是至关重要的。
本文将详细介绍物业公司标准化作业指导书的编写和实施。
二、作业指导书的意义标准化作业指导书是规范物业公司日常运营的重要工具。
它可以帮助物业公司建立一套统一的操作规程,提高工作质量和效率,降低管理风险,提升服务品质。
2.1 提高工作质量和效率通过制定标准化作业指导书,物业公司可以明确每个岗位的职责和工作流程,减少工作中的混乱和随意性,提高工作的准确性和效率。
2.2 降低管理风险标准化作业指导书可以规范各项作业活动,并引入标准化的检查机制,及时发现和纠正工作中的问题和风险,减少潜在的安全隐患。
2.3 提升服务品质通过标准化作业指导书,物业公司可以明确服务的标准和要求,统一员工的服务态度和行为规范,提高服务的一致性和专业性,提升客户满意度。
三、作业指导书的编写步骤3.1 任务分析首先,物业公司需要对自身的运营模式和工作流程进行全面分析。
了解各个岗位的职责和工作内容,梳理作业流程,明确每个作业环节的要求。
3.2 制定标准化流程根据任务分析的结果,物业公司可以制定标准化的工作流程和操作规程。
每个环节都应该有详细的操作步骤和相关的表单和报告要求。
3.3 审核和修订编写完成后,应组织相关人员对作业指导书进行审核。
审核过程中需要仔细检查每个部分的逻辑性和准确性,并及时提出修改建议。
3.4 培训和交流完成修订后,物业公司应组织培训并向员工推广作业指导书。
通过培训和交流会议,确保每个员工都理解和掌握了作业指导书的内容。
四、作业指导书的实施和监督4.1 配置资源为了保证作业指导书的有效实施,物业公司需要配置相应的人力和物力资源。
确保每个岗位都有专人负责执行和监督作业指导书中规定的工作。
4.2 监督和检查物业公司应建立定期的监督和检查机制,对各个环节和岗位的工作进行抽查和评估。
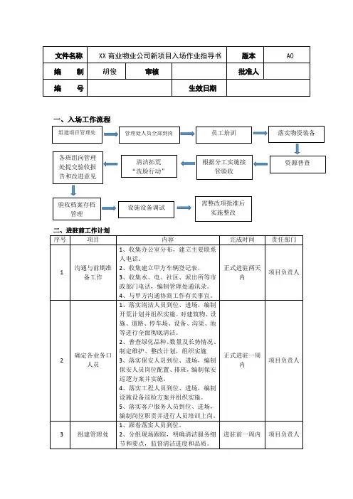
一、入场工作流程
三、项目进驻前的培训项目和要求
1、仪容仪表与言行规范。
2、客服维修岗位礼仪。
3、物业项目基本情况,委托管理内容及特别要求;公司的承诺和标准。
4、客服类:员工的岗位职责;主要工作程序;表格的填写。
5、环境管理类:员工的岗位职责;清洁作业流程及注意事项;绿化作业流程及注意事项。
6、消杀服务标准和监管程序:各类表格填写规范。
7、安全管理类:消防知识培训;治安重点位置防护;重点物资管理;岗位职责;应急突发事件处理和流程。
四、进驻当天相关工作和要点
1、管理处拟制好联系电话一览表,明确管理处电话、联络人,并上交甲方领导。
2、承接查验小组提前准备好检查工具及承接查验表格,分为设备、环境、安全查验组分别进行查验。
并在承接查验结束后,将记录、图片整理、装订后交甲方签收并存档。
3、管理处负责人检查保安员、维修工的仪容仪表是否符合公司要求,个人的工具、装备、服务、工牌是否配齐。
4、管理处人员必须按商定的时间提前到达,确保人员、物资全部到位。
XX培训学院品质部
20XX年XX月XX日。
物业管理作业指导书一、引言物业管理是指对房地产项目进行全面管理的一项工作,包括对房屋、设施设备、环境等方面的维护、保养和管理。
本指导书旨在为物业管理人员提供一份详细的作业指导,帮助他们了解物业管理的基本原则、流程和技巧,以提高物业管理的效率和质量。
二、物业管理的基本原则1. 服务至上:提供优质的服务是物业管理的核心任务,要以居民的需求为中心,积极回应居民的诉求,确保居民的生活质量和满意度。
2. 公平公正:在物业管理中,要坚持公平公正的原则,对待每个业主和居民都要一视同仁,不偏袒任何一方。
3. 透明公开:物业管理工作要做到透明公开,及时向业主和居民公布相关信息,提供必要的报告和决策依据。
4. 效率高效:物业管理要注重工作效率,合理安排资源,提高工作效率,确保物业设施的正常运行和维护。
5. 合规合法:物业管理要遵守国家相关法律法规,确保管理工作的合规性和合法性。
三、物业管理的主要工作内容1. 建立健全管理制度:制定和完善物业管理的各项制度和规章,明确各项工作的责任和权限,确保管理工作的规范性和有序性。
2. 维护物业设施设备:定期巡查和维护物业设施设备,及时处理设备故障和损坏,确保设施的正常运行。
3. 环境卫生管理:负责小区的环境卫生管理,定期清理垃圾、保洁和绿化工作,维护小区的整洁和美观。
4. 安全管理:负责小区的安全管理工作,加强巡逻和监控,确保小区的安全和居民的人身财产安全。
5. 居民服务:提供各类居民服务,包括报修、投诉处理、咨询等,及时回应居民的需求和问题。
6. 会议管理:组织和管理业主大会和业委会会议,协调解决业主之间的矛盾和问题。
7. 财务管理:负责小区的财务管理工作,包括收款、支付、核算等,确保资金的安全和合理使用。
四、物业管理的工作流程1. 接收任务:接收居民的报修、投诉等任务,并及时记录和处理。
2. 任务分配:根据任务的性质和紧急程度,合理分配任务给相应的工作人员,确保任务的及时处理。
物业公司标准化作业指导书随着城市化进程的不断加快,物业服务已经成为城市建设中不可或缺的一部分。
如何提升物业服务质量,成为了业内人士关注的重点。
基于此,各大物业公司开始致力于标准化作业,以确保物业服务质量得到提升。
下面就是一份物业公司标准化作业指导书。
第一章:综述1.1 概述本指导书主要针对物业管理公司,旨在提高物业服务、管理和运营的标准化水平,助力物业公司稳步发展。
指导书依据国家和行业相关标准,综合物业行业最新的管理经验,结合业务实际情况,对物业服务、管理、运营进行标准化要求和规范。
1.2 适用范围本指导书适用于所有物业管理企业,其管理涉及的物业服务、管理、运营等工作。
1.3 相关标准本指导书的编制参照相关国家和行业的标准,包括但不限于《物业服务规范》、《物业服务质量评价》等各类标准,确保本指导书的指导内容合法、科学。
第二章:物业服务标准化2.1 安全维护物业公司应严格执行国家和地方政府的安全管理规定,制定、完善物业安全管理制度和应急预案。
该制度和预案应包括物业服务中存在的各类安全事故处理方式,保障物业使用者的人身和财产安全,并对应急事件持续进行应对和各项工作落实的跟踪。
2.2 环境卫生物业公司应确保物业服务场所环境清洁卫生,建立环境卫生检查标准和制度。
对物业服务场所进行巡查、清扫、消毒等,以保证使用者身体健康。
特别是在器械使用、中央空调等特殊区域的卫生标准要高于一般区域。
2.3 维修保养在长期的物业使用过程中,设施和设备必然会出现一些损坏和疏漏,因此,物业公司应制定设施设备的例行检查、检修、维护和有关排查等工作,确保设施及设备长期使用。
第三章:物业管理标准化3.1 楼宇管理物业公司应建立楼宇管理机构和工作流程。
全面了解物业使用情况,分类及时处理各类物业使用问题,有效预防租户违章违约行为,保护出租房屋业主的合法权益。
3.2 信息管理物业公司应健全信息管理制度,确保信息的安全有效管理。
对于各类电子设备保密制度,定期对物业所需设备进行更新拓展,为物业管理信息化提供基础。
物业管理有限公司空调作业指导书范本简介本文档为物业管理有限公司空调作业指导书范本,旨在帮助相关工作人员正确操作空调设备,保障设备正常运行,提供舒适的室内环境。
目录1.空调设备概述2.开关机操作3.温度调节4.风速调节5.模式选择6.定时开关机设置7.清洁与保养1. 空调设备概述空调设备是我们提供舒适室内环境的重要设备之一。
请务必熟悉以下基本概念:•制冷模式:空调设备提供降低室内温度的功能。
•制热模式:空调设备提供提高室内温度的功能。
•除湿模式:空调设备提供降低室内湿度的功能。
•送风模式:空调设备提供仅送风而不调节温度的功能。
2. 开关机操作正确的开关机操作可以保证空调设备的正常运行,并节约能源。
请按照以下步骤进行操作:1.打开遥控器的电源开关。
2.按下遥控器上的开机按钮,等待设备启动。
3.当不需要使用空调时,按下遥控器上的关机按钮,设备将停止运行。
注意:不要频繁开关空调设备,应根据实际需要合理使用。
3. 温度调节空调设备可以根据需要调整室内温度。
请按照以下步骤进行操作:1.按下遥控器上的温度加减按钮,逐渐调整温度至所需的舒适程度。
2.根据室内外温度差异调整温度,以节约能源为原则。
3.避免将温度调节得过低或过高,影响设备正常运行或造成能源浪费。
4. 风速调节空调设备可以调整送风的风速。
请按照以下步骤进行操作:1.按下遥控器上的风速调节按钮,切换不同的风速档位。
2.根据室内人数和需求调节风速,避免将风速调得过高或过低。
5. 模式选择空调设备具有多种模式可选,包括制冷、制热、除湿和送风。
请按照以下步骤进行操作:1.按下遥控器上的模式选择按钮,在不同的模式之间切换。
2.根据室内温度、湿度和需求选择合适的模式。
3.在不需要改变室内温度的情况下,可选择送风模式进行通风。
6. 定时开关机设置空调设备可以进行定时开关机设置,增加用户的便利性。
请按照以下步骤进行操作:1.按下遥控器上的定时器设置按钮。
2.设定定时开机时间和定时关机时间。
顺景物业公司作业指导书岗位职责物业主管的职责物业主管在物业服务中心主任的直接领导下,对物业的费用、催费、记费、发单、社区文化,来电来访、投诉处理、清洁、绿化等实施管理,并对主任和用户负责,具体岗位职责如下:1、参加时事政治和业务学习,严格执行物业服务中心的各项制度,自觉遵守国家和地方性的法律法规、政策以及公司的各项规章制度.2、熟悉物业结构、单元户数、居住人员情况、管理服务费、水电费及有偿服务的收费标准和计算方法,负责各项费用的催收、记费、发单工作,做到及时不重不漏。
3、根据制定的《社区文化工作计划》认真组织实施,向顾客积极宣传本小区文明向上的精神面貌,以树立应有的物业整体公众形象为己任。
4、热情接待业主、住户和来访客人,对顾客户提出的建议、意见、投诉要认真倾听,详细记录,耐心解析,及时处理,投诉处理率达100%。
5、密切与用户友好联系,定期上门征求用户意见与建议,组织每半年一次的用户意见调查测评,用户满意率达95%以上.6、督促清洁、绿化人员,做好物业的绿化、环境卫生工作,负责对清洁绿化人员的每月业绩考核。
7、向用户宣传国家的方针、政策,及时传达政府和公司的各项通知、规定,配合有关部门搞好计划生育,暂住人员管理工作.8、完成物业服务中心主任交办的其他任务物业管理员的职责1、在物业主管的直接领导之下,负责管理各栋房屋、公共设施、设备、治安、交通、绿化、清洁、宣传栏等方面的巡查工作。
2、遵守国家和地方性有关物业管理的法规政策,以及公司的各项规章制度.3、熟悉小区结构、单元户数、管线走向、各类开关的位置,住户类型、数量,人员结构、数量.4、热情接待来访的住户和客人,对各类投诉要耐心,并做好记录,及时处理,投诉处理率达到100%,重要投诉应及时向主任汇报。
5、每天至少巡查所管辖区两遍,监管各业主、住户的装修改造工程,及时处理违规操作,并做好每天的工作记录。
6、加强与各业主、住户的密切联系,定期上门征求意见和建议,归纳整理并向主管汇报。
物业公司物业部作业指导书一、作业目的1.了解物业公司的组织结构和职责分工;2.熟悉物业服务的内容和质量标准;3.了解物业管理的关键措施和效果评估方法。
二、作业内容作业要求:1.详细介绍物业公司的组织结构和职责分工,包括公司总部和各个分支机构。
2.列举物业服务的主要内容和质量标准,例如物业维修、保洁、安保等。
3.探讨物业管理的关键措施和效果评估方法。
具体内容可以包括物业管理流程的建立、安全隐患排查、投诉处理和满意度调查等。
4.针对某一具体物业项目,结合要求,分析该项目的物业服务存在的问题,并提出解决措施。
作业步骤:1.收集物业公司组织结构相关资料,了解物业公司的主要细节和职责分工。
2.针对物业服务领域,查找相关资料,熟悉物业服务的定义、内容、标准等。
3.了解物业管理领域的重要措施和评估方法,包括物业管理流程、安全隐患排查、投诉处理和满意度调查等。
4.对特定的物业项目进行分析,对存在的问题进行深入研究,并提出相应的解决方案。
作业要求:1.讲话清晰,内容准确,条理清晰。
2.结合实例进行讲解,形象生动。
3.用简洁明了的语言表述观点。
4.内容必须真实、基于事实,并注重实践。
三、作业提示1.了解物业公司的组织结构及职责分工,需要集中注意物业公司的主要细节,例如公司总部、管理部门、技术部门、保洁部门等等。
2.物业服务的主要内容和质量标准,可以从物业服务规范、客户反馈意见、服务质量评估等方面入手,要全面了解服务内容和标准,为探讨问题提供基础。
3.对于物业管理的关键措施和效果评估方法,需要重点关注重要的管理流程、安全隐患排查、投诉处理和满意度调查等方面,丰富和提高实践结果。
4.在分析某一具体的物业项目服务问题时,要重点关注问题的具体表现、潜在原因和解决措施。
为解决问题提供有力支持。
五、作业总结物业公司的作业指导书涵盖了物业公司的组织结构、职责分工、服务内容和标准,物业管理的关键措施和效果评估方法,一个具体物业项目的服务问题等。
物业公司行政管理作业指导书劳动保护制度一、引言物业公司是一个以提供房地产管理服务为主要业务的企业,为了保障员工的身体健康和工作安全,制定和执行劳动保护制度是非常必要的。
本文档旨在为物业公司行政管理人员提供劳动保护方面的操作指南,确保员工能够在安全健康的环境下工作。
二、工作环境安全措施1.安全设施:–确保工作场所的安全设施完整、可靠,包括疏散通道、灭火器材、安全标识等。
–定期检查和维护安全设施,确保其正常运作,并及时修复存在的问题。
–防止电源过载和短路,在使用电器设备时需遵循相关操作规程。
2.危险源管理:–评估和识别工作场所的潜在危险源,制订相应的管理措施。
–提供必要的防护设备,如安全帽、防护眼镜、耳塞等,并确保员工正确使用。
–对特殊工作岗位的员工进行专门培训,提高其对危险源的识别和防范能力。
3.应急预案:–制定健全应急预案,包括火灾、地震等突发事件的应对措施。
–进行定期演练,提高员工的应急处理能力,并及时修订和完善应急预案。
三、劳动保护措施1.劳动安全培训:–对新员工进行劳动安全培训,包括工作场所安全规定、紧急疏散等方面的知识。
–对岗位变动的员工进行适当的培训,使其能够适应工作环境的变化,并掌握相关安全知识。
2.动态管理:–对工作场所进行定期巡查,及时发现和处理存在的安全隐患。
–建立健全的安全巡查制度,明确巡查的频次和责任人,并进行记录和整改。
3.个人防护:–根据岗位性质和工作环境,为员工提供适当的个人防护用品,并指导正确使用。
–鼓励员工自觉使用个人防护用品,加强个人保护意识,提高工作安全性。
4.定期体检:–组织员工进行定期体检,及时发现和治疗工作相关的健康问题。
–建立健康档案,记录员工体检情况,为后续的健康管理提供参考依据。
四、工作时间和休假制度1.工作时间:–根据国家法律和公司实际情况,制定合理的工作时间安排。
–提倡合理加班,不鼓励员工超过法定工作时间,保证员工的工作和生活平衡。
2.休假制度:–根据国家法律规定,制定假期制度,包括带薪假、事假、病假等各类假期。
东莞市XX物业管理有限公司
东莞市XX物业管理有限公司
东莞市XX物业管理有限公司
东莞市XX物业管理有限公司
东莞市XX物业管理有限公司
东莞市XX物业管理有限公司
东莞市XX物业管理有限公司
东莞市XX物业管理有限公司
东莞市XX物业管理有限公司
东莞市XX物业管理有限公司
东莞市XX物业管理有限公司
东莞市XX物业管理有限公司
东莞市XX物业管理有限公司
东莞市XX物业管理有限公司
东莞市XX物业管理有限公司
东莞市XX物业管理有限公司
东莞市XX物业管理有限公司
东莞市XX物业管理有限公司
东莞市XX物业管理有限公司
东莞市XX物业管理有限公司
东莞市XX物业管理有限公司
21。
编写物业作业指导书1. 前言物业作业指导书是指引物业工作人员在日常工作中执行各项具体任务的重要参考材料。
本指导书旨在规范物业工作流程,提高服务质量,确保物业管理工作的高效运行。
2. 工作流程2.1 入职培训新入职的物业工作人员必须接受入职培训,以了解公司的理念、价值观以及各项工作责任和流程。
培训内容包括但不限于以下几个方面: - 公司介绍:包括公司的背景、规模以及发展战略等; - 岗位职责:详细说明每个职位的主要职责和工作要求; - 工作规范:准确解释工作流程和相关规范,如安全操作、客户服务等; - 系统操作:介绍公司的管理系统以及日常办公软件的使用方法; - 与业主的沟通技巧:培养良好的沟通技巧以及解决问题的能力。
2.2 报修管理物业工作人员负责接收业主报修请求并及时处理。
具体流程如下: 1. 接收报修:及时响应业主的报修请求,记录报修内容,包括报修人、报修内容、联系方式等; 2. 评估维修需求:对报修内容进行初步评估,判断是否需要维修; 3. 安排维修人员:根据维修种类、工作负荷等因素,合理安排维修人员进行处理; 4. 维修工作:维修人员按照工作要求进行维修工作; 5. 完成确认:确认维修工作已完成,并通知业主。
2.3 安全巡检物业工作人员需要定期进行安全巡检,确保社区环境的安全和稳定。
具体流程如下: 1. 巡查区域:根据巡检计划,依次巡查社区内的公共区域、设备设施等; 2. 发现隐患:及时发现可能存在的安全隐患,如漏水、电器故障等; 3. 记录信息:记录巡检过程中发现的问题,如位置、问题描述等; 4. 处理问题:根据问题的严重程度,及时通知相关部门进行处理;5. 跟进确认:确保问题已得到解决并记录处理结果。
2.4 客户服务物业工作人员需要提供优质的客户服务,与业主保持良好的沟通和关系。
具体流程如下: 1. 服务需求了解:仔细听取业主的需求和问题,确保完全理解; 2. 服务方案提供:根据业主的需求,提供合适的解决方案,并告知相关的服务费用;3. 服务执行:按照协议执行相应的服务工作,并确保按时完成; 4. 服务结果确认:与业主进行确认,确保服务结果符合预期; 5. 问题解决:及时解决业主投诉和问题,并进行记录和反馈。
YT-ZG-QW-01作业指导书文件编号:YT/WY版本号:受控状态:拟制部门/人:批准人:审核人:会签审批表部门姓名/日期部门姓名/日期物管部质管部客户服务部办公室财务部200×年月日发布 200×年月日实施云南铜业地产物业管理有限公司ZG-QW-031/3质量检查作业指导书为建立健全公司检查机制,督促各管理处做好服务工作、规范管理,特制定本作业指导书。
日常质量检查由各管理处质检员负责,公司检查由质管部负责。
一、公司检查1、质管部质检员每周对各管理处进行一次服务质量检查,填写“服务质量检查登记表”。
2、对不合格项根据情节轻重予以口头批评、教育或下达“整改通知书”、“员工过失通知书”、“不合格报告”等等。
3、质检员对处理不了的问题,应及时上报部门经理。
4、对不合格项每月进行一次统计汇报,对处理的问题及时进行复查,跟踪执行。
二、对质检员的要求:1、仪容仪表:(1)检查时必须穿工作服,并保持干净整洁。
(2)配戴工作牌,并统一佩戴在左胸前。
(3)头发梳理干净,面部洁净清爽。
(4)指甲修剪整齐,不得留长指甲,不得涂有色指甲油。
(5)口气清新,无异味。
(6)对人谦虚礼貌,使用普通话。
2、劳动纪律、工作态度:(1)以身作则,自觉遵守劳动纪律,不迟到、早退、旷工,有病、有事先请假。
(2)上班时间不得吃零食,办私事。
(3)严禁检查时间串岗闲聊,非工作需要或急事,上班时不得打私人电话。
(4)熟悉掌握公司的各项检查标准和规章制度。
(5)对被检查人态度诚恳,不骄不躁;坚持原则,对检查的部门和人员,须持有公正、严谨的态度,不得包庇任何人。
(6)如质检员、管理员在工作检查中有包庇纵容等失职行为,一经查出,从严处理。
三、检查范围和标准1、检查范围和区域:(1)员工的仪容仪表、工作态度;(2)员工的劳动纪律和培训考核情况;(3)员工的工作效率;(4)各部门办公环境的清洁卫生;(5)外来人员、进出车辆、消防设施和道路管理情况;(6)房屋及公共设施、设备的维护管理情况,住户报修处理情况;(7)小区内公共区域、水池的清洁卫生;(8)小区绿化公区域的花、树木、草坪等的养护情况;(9)标识牌的维护管理情况;(10)业主入住手续办理情况;(11)装修管理情况;(12)质量方针和质量目标完成情况;(13)文件资料管理情况;(14)社区文化开展情况;(15)统计技术运用情况;(16)其它。
2、检查标准:按质量管理手册和各部门工作文件的规定标准执行。
四、工作总结会议质管部定期组织相关人员如开展质检工作会议,原则上一个月一次。
五、奖惩规定根据公司有关奖罚条例执行。
六、相关质量记录1、服务质量检查登记表ZG-QR-2、整改通知书 ZG-QR-3、质量计划检查报告 ZG-QR-4、员工过失通知书 ZG-QR-5、不合格报告ZG-QR-6、管理处月份质量检查不合格项统计表ZG-QR-7、月份员工业绩统计表 ZG-QR-附注:文件类别及代号质量手册:QH质量记录:QR程序文件:QP工作文件:QW工作文件和质量记录的编码由部门代号、文件类别代号和文件顺序号组成,图示如下:部门代号文件类别代号文件顺序号例如:“云南铜业地产物业管理有限公司时代风华管理处”的文件编码为:YTSD“外来人员登记表”的文件编码为:WG-QR-01公司质量方针及目标质量方针:以人为本依法管理住户至上科学管理优质服务争创品牌质量目标:1、小区(大厦)房屋完好率达90%以上。
2、所接管的小区(大厦)事故发生率达1‰以内。
3、业主(住户)报修处理及时率达99%以上。
4、业主(住户)对服务的满意率达95%以上,有效投诉处理率达100%。
5、公司所管物业费用收缴率达90%以上。
公司服务宗旨:住户至上服务第一公司至上工作第一做大做强做品牌公司组织机构图职责第一部分部门职责一、财务部职责1、遵守财经纪律,建立和健全各项财务管理制度。
2、抓好各种应收款项的收取工作,核算长期拖欠不清的款项,督促经办人限期清理偿还。
3、参与策划各种营销策略,并对重要经济合同及投资项目进行评议及审定。
4、按合同的要求做好工程费用的拨付、结算工作。
5、严格执行审批制度,按规定的开支范围和标准核报一切费用,负责发放员工工资、奖金。
6、负责收费发票的购买、保管、使用及回收工作。
7、负责记帐、核算工作,及时编制各种报表,妥善管理会计帐册档案。
8、制定各项财务计划,提供财务分析报告。
9、完成领导交办的其它工作。
二、办公室职责1、统筹和协调各部门之间工作,检查落实经理室各项指示和行政会议的贯彻执行情况。
2、负责公司人事管理工作,制定人事调配方案。
3、制订员工培训计划,审批其它部门培训计划。
4、制订公司规章制度和管理条例。
5、组织各种会议,起草发放文件、通知、报告等。
6、负责社区文化开展,协调沟通公司与上级职能部门的关系。
7、做好合同评审工作和人事档案、外来文件和资料的保管和使用工作。
8、负责员工后勤福利工作。
三、质管部职责1、负责贯彻的组织管理,推行公司质量管理工作。
2、负责检查、指导、考核各部门服务规范、服务质量。
3、检查、落实各部门职能制度、岗位制度及各项规章制度的执行情况。
4、负责检查各管理处质量方针及质量目标的贯彻实施情况。
四、客户服务部职责1、负责住户反映意见和投诉问题的跟踪、落实、处理。
2、负责客户资源的建立管理,掌握客户的需求。
3、负责市场调查研究,对外进行业务拓展。
4、负责公司一线干部的培养锻炼工作。
五、物管部职责1、全面负责对各管理处的工作进行指导、检查、监督。
2、负责对开发商相关部门及施工单位联络,协调处理工程遗留问题。
3、负责组建新接管项目管理处,做好物业接管验收工作。
4、负责督导各管理处的房屋移交验收、入住手续办理及装修管理工作。
5、负责组织制定各小区(大厦)房屋及公共设施设备维修保养计划、各小区(大厦)安全防范计划,并督促指导各管理处按计划实施。
6、负责对各管理处员工专业技能培训考核。
7、完成公司下达的各项指标、任务。
8、负责做好物业管理中紧急情况处理工作。
9、负责各小区(大厦)的商铺市场调查、广告策划及物业租赁合同评审工作。
10、负责公司所需物资的采购、进货验证、入库及领用管理,做好供方评审工作。
六、管理处职责1、负责小区(大厦)的日常管理服务工作,贯彻执行公司的质量方针和目标。
2、负责业主(住户)入住手续办理,签订、保管有关合同资料。
3、负责各项费用的收取工作,落实和完成公司下达的经济效益指标。
4、加强与住户及业主委员会的联系与交往。
5、负责业主(住户)的各类投拆和意见的处理工作。
6、认真开展社区文化活动,组织召开住户座谈会。
7、负责小区(大厦)房屋、商铺租赁的日常管理。
第二部分:岗位职责一、总经理职责1、贯彻国家有关物业管理的法律、法规。
2、主持制定本公司的质量方针和质量目标。
3、组织建立、实施和完善质量管理体系,主持“管理评审”。
4、批准发布《质量手册》,批准“管理评审计划”和“管理评审报告”。
5、任命管理者代表。
6、提供资源,确定合理的质量组织机构,任命相关部门负责人。
7、批准重要物业管理方案和年度管理计划、年度费用概预算及决算报告,批准收费、服务标准、公司制定的物业管理制度,并检查、督促执行。
8、组织新项目的开发及签订物业管理合同。
9、负责主持公司办公会议。
10、负责公司各类费用收支的审批。
11、履行公司安全消防第一责任人的所有职责。
三、副总经理职责1、协助总经理抓好公司的各项管理工作。
2、根据总经理授权,主持分管部门的业务工作。
3、在职权范围内代表公司与政府及职能部门联系、交往。
4、带领部门实现公司下达的任务指标。
5、完成公司领导交办的其它工作。
四、财务部经理、会计、出纳、仓管理员职责财务部经理职责1、编制和执行预算、财务收支计划、信贷计划、拟定资金筹措和使用方案,增收节支,有效地使用资金。
2、进行成本费用预测、计划、分析和考核,督促有关部门降低消耗、节约费用,提高经济效益。
3、建立健全经济核算制度,利用财务会计资料进行经济活动分析。
4、负责财务人员的配备,提出计划,组织会计人员的业务培训和考核。
5、协助公司领导对企业生产经营、业务发展以及基本建设投资问题作出决策,参与重大经济合同和经济协议的研究、审查。
6、负责内部财务审计,监督财务部门各岗位做好核算工作,避免资金流失。
7、代表公司与税务局等职能部门联系。
8、完成公司领导交办的其它工作。
会计职责1、按照国家会计制度,正确设置和使用会计科目,会计帐户和会计帐簿,建立健全原始凭证和记帐凭证。
2、及时做好总帐和有关明细帐的登记工作,做好各项财务结算工作。
3、认真执行会计制度和财经纪律,做到费用开支有计划,报销有标准;做好各项费用开支的借款、报销和结算工作。
4、负责内部费用指标的使用考核分析工作,按月总结财务活动,按时编制和提供财务工作分析报表及资料。
5、定其进行帐务检查、核对工作,做到帐帐相符、帐实相符、帐证相符。
6、负责财务会计档案在规定时间内的保管理工作,确保会计档案的安全与完整。
7、督促各管理处物业管理费及其他费用的收取工作。
8、做好财务信息的保密工作。
出纳职责1、严格遵守国家现金管理制度,做好现金管理工作,具体办理现金收支业务。
2、严格遵守国家转帐结算制度,做好银存款的管理工作,具体办理有关银行结算业务。
3、登记现金日记帐和银行存款日记帐。
4、逐日做好现金的结算工作,认真保管好库存现金和各种有价证券。
5、保管有关印章、空白收据、发标和空白支票。
6、协助会计核算工资,组织发放工资、奖金及提取现金。
7、协助办理缴纳国家税收等应缴款项的业务手续。
五、质管部经理、质检员职责质管部经理职责1、在总经理、管理者代表的领导下,推行质量管理,负责组织、落实贯标的实施检查工作。
2、负责本公司质量方针、目标的具体贯彻和实施,定其向总经理和管理者代表汇报,协助管理者代表做好内部审核工作。
3、负责检查各部门执行质量管理体系文件中所规定的各项程序执行情况,对不合格项提出纠正和预防建议,并监督检查。
4、协助管理者代表组织质量管理体系文件的编写、修改工作。
5、协助总经理、管理者代表组织管理评审的准备、跟踪、验证工作。
6、负责对公司职能制度、岗位制度及各项规章制度的检查、监督的工作。
7、完成公司领导交办的其它工作。
质检员职责1、协助部门经理做好公司质量管理工作。
2、严格执行公司质量检查制度,熟悉各部门、各岗位工作检查标准,坚持原则,实事求是。
3、负责对公司各职能部门、各岗位的日常工作检查,参与质部管理组织的部部门抽查工作。
4、对各部门存在的一般问题及时予以纠正,对重在的或处理不了的问题及时上报部门经理。
5、协助部门经理督导各部门做好服务质量评定工作。
6、准确运用各类检查、考核评定记录,并做好统计分析报表,按时汇报部门经理。